2019中考物理真题分类汇编:简单机械专题1
- 格式:doc
- 大小:422.50 KB
- 文档页数:9
2019年中考物理真题分类汇编——简单机械实验专题1.(2019安顺,15)小军同学为了探究“使用动滑轮的省力情况及滑轮组的机械效率”,使用了如图所示的实验装置。
实验前,小军用轻质弹簧测力计测得动滑轮的重力为1.0N,每个钩码的重力为0.5N,实验过程中,小军多次改变动滑轮所挂钩码的数量,分别记下了每次所挂钩码的重力及对应的轻质弹簧测力计示数(见下表)(1)分析实验数据可以得到:在动滑轮的重力大于或等于物体的重力的条件下,使用该滑轮组(选填“省力”或“不省力”)(2)在忽略摩擦、绳重及实验误差的条件下,弹簧测力计的示数F与被提升钩码重力G以及动滑轮重力G0的关系为(3)小军同学又研究了滑轮组水平拉动物体的情况,用另一组滑轮组将重为50N的物块从位置A匀速直线拉到位置B,请在图中画出最省力的绕线方法:物块移动的距离为cm;若此时绳自由端所用拉力为10N,物块受到的摩擦力为18N,该滑轮组的机械效率为。
2.(2019安顺,20)如图甲是一种测定油箱内油量的装置,其中R是滑动变阻器的电阻片,滑动变阻器的滑片跟滑杆连接,滑杆可以绕固定轴O转动,另一端固定着一个浮子。
油箱中的油量减少时,油面下降,浮子随液面落下,带着油面的一定高度,把电流表刻度盘改为相应的油量体积数,就可以直接读出油箱中的油量,其中浮子应用了条件。
如果把量程足够大的电压表改装成油量表,要求油量增加时,电压表的读数也增加,电压表应接在甲图中两端(按图中所标示字母填写)。
小军在以上设计的启发下,设计了一种测量体重的装置(如乙图所示),当没有测体重时,滑片P在图中绝缘体处,绝缘体使电路(选填“切断”或“接通”),电路中R1的作用是,在称量过程中,弹簧(在弹性限度内)的弹性势能随称量物体的重力增大而(填“增大”、“减小”或“不变”)。
3.(2019巴彦淖尔,10)如图是“利用杠杆测量石块密度”的实验。
(ρ水=1.0×103kg/m3)(1)在实验前,杠杆静止在图甲所示的位置,此时杠杆处于(选填“平衡”或“不平衡”)状态;要使杠杆在水平位置平衡,应将平衡螺母向调节,这样做的目的是,并消除杠杆自重对实验的影响。
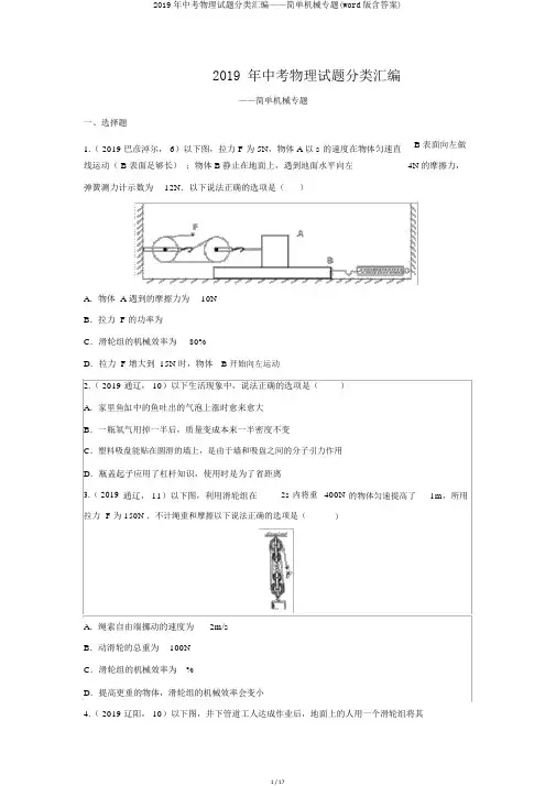
2019 年中考物理试题分类汇编——简单机械专题一、选择题1.( 2019 巴彦淖尔, 6)以下图,拉力 F 为 5N,物体 A 以 s 的速度在物体匀速直线运动( B 表面足够长);物体 B 静止在地面上,遇到地面水平向左B 表面向左做4N 的摩擦力,弹簧测力计示数为12N.以下说法正确的选项是()A.物体 A 遇到的摩擦力为10NB.拉力 F 的功率为C.滑轮组的机械效率为80%D.拉力 F 增大到 15N 时,物体 B 开始向左运动2.( 2019 通辽, 10)以下生活现象中,说法正确的选项是()A.家里鱼缸中的鱼吐出的气泡上涨时愈来愈大B.一瓶氧气用掉一半后,质量变成本来一半密度不变C.塑料吸盘能贴在圆滑的墙上,是由于墙和吸盘之间的分子引力作用D.瓶盖起子应用了杠杆知识,使用时是为了省距离3.( 2019 通辽, 11)以下图,利用滑轮组在2s 内将重400N 的物体匀速提高了1m,所用拉力 F 为 150N .不计绳重和摩擦以下说法正确的选项是()A.绳索自由端挪动的速度为2m/sB.动滑轮的总重为100NC.滑轮组的机械效率为%D.提高更重的物体,滑轮组的机械效率会变小4.( 2019 辽阳, 10)以下图,井下管道工人达成作业后,地面上的人用一个滑轮组将其从 10m 深的井下匀速提高到地面,用时50s 绳索自由端的下力为200N,动滑轮的重力为60N,不计绳重和摩擦,以下说法正确的选项是A. 绳索,自由端拉力的功率为40WB. 管道工人的重力为540NC. 这个过程中滑轮组的机械效率为90%D.若用该滑轮组匀速拉起一个质量更大的工人,会降低滑轮组的机械效率5.( 2019 宜宾, 8)以下图,在拉力 F 作用下,一个重600N 的物体以s 的速度沿水平川面向右匀速直线运动了10s,已知滑轮组的机械效率为80%,在此过程中拉力 F 做了 150J 的功,则以下说法中正确的选项是A.拉力 F 的大小为 150NB.拉力 F 的大小为50NC.物体与地面间的滑动摩擦力为120ND.物体与地面间的滑动摩擦力为480N6.( 2019 河南, 11)7.( 2019 河南, 13)8.(2019 济宁, )以下图中正确的选项是9.(2019 济宁,)两个滑轮按以下图所示的方式组合,用5N 的拉力 F 拉动绳端,使物体在5s 内水平向左匀速滑动1m,物体与地面间的摩擦力为9N。
2019年中考物理真题分类汇编——机械效率专题1.(2019重庆B卷,11)如图所示,用大小为5000 N的拉力F通过滑轮组将重为800N的物体匀速提升和10cm,不计绳重与摩擦,拉力F移动的距离为___cm,.滑轮组的机械效率%。
2.(2019荆州,23)湖北省第二届园林博览会将于2019 年9 月28 日在荆州开幕.在某场馆建设中,采用了如图所示的装置提升重物,当工人师傅们用1000N 的拉力F 向下拉绳,使重1600N 的重物匀速上升了5m,此过程中克服绳重和摩擦做功500J,下列说法中正确的是()A.拉力F 做功为5×103 JB.缠绕在动滑轮上每股绳的拉力为800 NC.动滑轮重为300ND.滑轮组的机械效率为75%3.(2019咸宁,24)用如图所示的滑轮组将重为G的物体匀速提升了h,作用在绳上的拉力大小为F,则总功为,额外功为,效率为。
(用题中给出的物理量表示)4.(2019吉林,15)如图所示,用滑轮组把300N的重物匀速提升3m,人所做的有用功是J;如果用该滑轮组提升400N的重物,它的机械效率将。
5.(2019龙东,27)如图所示,小聪用滑轮组拉动水平地面上重为500N的物体A,使它匀速前进2m,地面对它的摩擦力为150N,小聪施加的拉力F=100N(忽略绳重和滑轮重),则滑轮组做的有用功为J,滑轮组的机械效率为。
6..(2019娄底,14)既可以省力,又可以改变用力方向的滑轮是____(选填“定滑轮”“动滑轮”或“滑轮组”);利用一个效率为90%的杠杆做100J的总功,其中额外功是____J。
7.(2019鄂州,10)如图所示,利用动滑轮将重力为100N的物体在5s内匀速竖直提升,拉力F为60N,绳子自由端移动的距离为2m,不计绳重及摩擦,下列说法正确的是( )A. 物体移动的速度为0.4m/sB. 所做的有用功为200JC. 动滑轮的机械效率为60%D. 拉力F的功率为24W8.(2019新疆,10)用一个动滑轮和一个定滑轮组成滑轮组甲和乙,分别匀速提升同一重物时,滑轮组甲和乙的机械效率分别为80%和75%,不计绳重和摩擦,滑轮组甲和乙中的动滑轮重力之比为A. 4:3B. 3:4C. 5:4D. 4:59.(2019呼和浩特,10)人类从刀耕火种,经过几次工业革命,走向了科技大发展的今天。
一、选择题1.(2019江苏省盐城市,题号8,分值2)【答案】A【解析】动滑轮的特点是可以省力但是不能改变施力方向,如图的工人使用动滑轮是为了省力,但是不能改变施力方向,A选项符合题意。
【知识点】动滑轮的特点。
2.(2019江苏省扬州市,题号2,分值2)【答案】D【解析】本题考查了杠杆的分类。
A选项:镊子使用时动力臂小于阻力臂,是费力杠杆,A选项错误;B选项:船桨在使用时,动力臂小于阻力臂,是费力杠杆,B选项错误;C选项:钓鱼竿在使用时,动力臂小于阻力臂,是费力杠杆,C选项错误;D选项:扳手在使用时,动力臂大于阻力臂,是省力杠杆,D选项正确。
【知识点】杠杆的分类。
3.(2019浙江省衢州市,题号5,分值2)(2分)如图是起重机用四种方案将地面上的一棵大树扶起的瞬间,其中拉力最小的是()A.B.C.D.【答案】C【解析】如图是起重机用四种方案将地面上的一棵大树扶起的瞬间,以树根为支点,树的重力不变、重心一定,则阻力和阻力臂一定,支点与动力作用点的连线是最长的动力臂,根据杠杆的平衡条件,动力臂越大,动力越小;图C中动力作用点离支点最远,F3与树干垂直,则可知F3最小,故C正确。
故选:C。
【知识点】杠杆的应用.4.(2019台湾省,题号3,分值3)(3分)如图所示,甲、乙、丙、丁四个天平,其上各自摆放不同的重物,重物摆放前后天平皆保持水平平衡。
若不改变四个天平的秤盘吊掛位置,仅将天平上的重物各自左右互换,则互换后哪一个天平会向右端倾斜()A.甲B.乙C.丙D.丁【答案】D【解析】乙图中的杠杆为等臂杠杆,由杠杆平衡条件可知,两边所挂重物重力相同,将天平上的重物各自左右互换,两边力和力臂的乘积还是相等,杠杆仍平衡,故AB不符合题意;丙图中的杠杆,左边力臂大于右边力臂,由杠杆平衡条件可知,左边重力小于右边重力,将天平上的重物各自左右互换,左边力和力臂的乘积大于右边力和力臂的乘积,杠杆不平衡,杠杆向左端倾斜,故C不符合题意;丁图中的杠杆,左边力臂小于右边力臂,由杠杆平衡条件可知,左边重力大于右边重力,将天平上的重物各自左右互换,左边力和力臂的乘积小于右边力和力臂的乘积,杠杆不平衡,杠杆向右端倾斜,故D合题意。
2019年中考物理真题分类汇编——简单机械作图专题一、杠杆作图1.(2019威海,21)如图是一种活塞式抽水机的示意图。
其中手柄AOB是一个杠杆,杠杆在动力F1的作用下绕O点匀速转动,请在图中画出杠杆在B点受到阻力的示意图和F1的力臂。
2.(2019武威,18)如图所示是羊角锤的示意图,请画出用羊角锤撬铁钉时最小动力F的示意图。
3.(2019兰州,25)如图所示为“探究杠杆平衡条件”的实验示意图,O点为杠杆的支点,请画出杠杆左侧钩码所受重力的示意图和弹簧测力计施加拉力的力臂L1。
4.(2019连云港,19)如图所示,O为杠杆的支点,杠杆上挂有重为G的物体,请画出使杠杆在图中位置静止时最小力F的示意图。
5.(2019昆明,20)请画出图中力F的力臂,并以“l”表示。
6.(2019赤峰,16)工人沿台阶向上滚动圆柱形塑料桶如所示。
他在A点施加力F使塑料桶绕0点向上滚动,请画出F的力臂。
7.(2019盐城,21)在图中画出力F的力臂8.(2019阜新,21)如图所示,用撬棍撬起石头时,O为支点,A为动力作用点,要求:\(1)画出石头所受重力的示意图。
(2)画出最小动力F1的示意图和动力臂l1。
9.(2019广安,21)如图所示,请画出作用在杠杆B端上最小的动力F1和阻力F2的力臂l2。
10.(2019自贡,26)如图所示,轻质杠杆的A点挂一重物G,绳受的拉力为F2,O为杠杆的支点。
请在杠杆的端点B处画出使杠杆保持静止的最小的力F l的示意图,并作出F2的力臂l2。
11.(2019凉山州,25)如图所示,现使用最小的力F1使杠杆在图示位置平衡,请画出F1及其对应的力臂L1。
12.(2019达州,20)轻质杠杆OABC能够绕O点转动,已知OA=BC=20cm,AB=30cm,在B点用细线悬挂重为100N的物体G,为了使杠杆在如图所示的位置平衡,请在杠杆上作出所施加最小动力的图示(不要求写出计算过程)。
13.(2019辽阳,23)如图甲是爆米花锅,锅盖被锁扣紧锁在锅口。
2019年中考物理试题分类汇编专题9—简单机械一、选择1.(2019扬州)下列工具属于省力杠杆的是D(2019临沂)4 . 下列各选项是小明整理的物理笔记,错误的是A.做功快的机械,效率不一定高B.动滑轮既能省力又能改变力的方向C.不透明物体的颜色由它反射的色光决定D.沙漠地区昼夜温差大与砂石的比热容小有关(2019泰州)29.人用力水平向左推讲台,没有推动,在这个过程中A.人对讲台的推力小于讲台受到的摩擦力B.讲台受到的惯性大于推力C.讲台受到的推力与重力是一对平衡力D.人对讲台没有做功(2019自贡)10.体育课上,有许多运动项目涉及到物理知识,下列说法不正确的是( A )A. 运动员举起杠铃后应保持1s不动,等待裁判确认,在这1s内运动员仍对杠铃做功B. 百米赛跑记时,裁判应是看到发令枪的烟雾开始记时,而不是听到枪声C. 掷出去的铅球最终会落到地面上,是由于受到重力的作用D. 在接力赛中,为保证交接棒顺利进行,交接棒时两运动员应尽可能做到相对静止(2019泰州)30. 如图,一个小球在地面上弹跳,下列分析错误是A.小球从A处到B处重力势能增大B.小球从B处到C处动能增大C小球在B处比D处重力势能大 D.小球在A、C、E三处机械能总量相等(2019临沂)9. 各式各样的剪刀都是一对对杠杆。
下列剪刀,最适合剪开较硬物体的是(2019衡阳)11.如图所示的工具中,属于费力杠杆的是D(2019长沙)9.下列关于机械能及其转化的说法正确的是()A.弯弓射箭,箭的动能转化为弓的弹性势能B.拦河大坝使上游的水位升高,提高了水的重力势能C.蹦床运动员从高处落下,其动能转化为重力势能D.人造卫星从近地点飞向远地点时势能减小,动能增大(2019淄博)8、如图所示,小球沿轨道由静止从A点向D点运动的过程中(小球和轨道间存在摩擦),下列说法错误的是()A、小球在A点的重力势能最大B、小球在B点的速度最大C、小球在C点和B点的机械能相等D、小球不能到达D点(2019临沂)16. 如图所示,在“探究动能的大小跟哪些因素有关”的实验中,下列说法正确的是A.实验所用斜面和水平面都必须是光滑的B.木块向前滑行的过程中机械能保持不变C.小球质量越大,到达斜面底端的速度越大D.木块被撞击后滑行的越远,说明小球的动能越大(2019安徽)12.如图所示,在光滑的水平台面上,一轻弹簧左端固定.右端连接一金属小球,0点是弹簧保持原长时小球的位置。
2019年中考物理试题分类汇编简单机械及其效率一、填空题1.【2019•苏州卷】如图所示,用滑轮组将1.5kg的物体匀速提高0.5m,拉力F为10N,则有用功为▲ J,滑轮组机械效率为▲.若增加所提物体的重力,滑轮组机械效率▲(变大/变小/不变).(不计绳重和摩擦,g取10N/kg)【答案】7.5;75%;变大考点:有用功和额外功;滑轮(组)的机械效率2.【2019•烟台卷】往车上装重物时,常常用长木板搭个斜面,把重物沿斜面推上去,如图所示,工人用3m长的斜面,把120kg的重物提高1m,假设斜面很光滑,则需要施加的推力为,若实际用力为500N,斜面的机械效率为,重物受到的摩擦力为.(g 取10N/kg).【答案】(1)400N ;(2)80%;(3)100N【考点分类】斜面的机械效率;轮轴及其他常见简单机械3.【2019•杭州卷】小金将长为0.6米、质量可忽略不计的木棒搁在肩上,棒的后端A 挂一个40牛的物体,肩上支点O 离后端A 为0.2米,他用手压住前端B 使木棒保持水平平衡,如图所示,小金的质量为50千克,则此时手压木棒的压力大小为 牛,肩对木棒的支持力大小为 牛,人对地面的压力大小为 牛(g =10牛/千克)【答案】20;60;560 【解析】(1)由题根据杠杆的平衡条件有:F ×OB =G ×OA ,即:F ×(0.6m ﹣0.2m )=40N×0.2m,所以:F =20N ;即手压木棒的压力大小为20N ;肩对木棒的支持力大小为F ′=F +G =20N+40N=60N ;人对地面的压力大小为F ″=G 人+F ′=mg +F ′=50kg×10N/kg+60N=560N。
【考点分类】杠杆的应用4. 【2019•安徽卷】如图所示,将一把薄木尺的31长度用多层报纸紧密地覆盖在水平桌面上,已知报纸的上表面积为0.25m 2,则大气对报纸上表面的压力为 N ;在木尺右端快速施加竖直向下的力F ,要将报纸掀开,则力F 至少为 N(假设报纸对木尺的压力全部作用在木尺的最左端,大气压取1.0×105pa ,报纸和薄木尺的重力忽略不计)。
简单机械一.选择题1.图(a)所示的杠杆是水平平衡的。
如果在支点两侧的物体下方分别加挂一个等重的物体,如图(b)所示,则杠杆()A. 右端下沉B. 左端下沉C. 要保持平衡应将左端的物体向右移动D. 要保持平衡应在右端再加挂一个物体2.如图所示,F1=4N,F2=3N,此时物体A相对于地面静止,物体B以0.1m/s的速度在物体A表面向左做匀速直线运动(不计弹簧测力计、滑轮和绳子的自重及滑轮和绳子之间的摩擦)。
下列说法错误的是()A. F2的功率为0.6WB. 弹簧测力计读数为9NC. 物体A和地面之间有摩擦力D. 如果增大F2,物体A可能向左运动3.人体中的许多部位都具有杠杆的功能。
如图是人用手托住物体时手臂的示意图,当人手托5kg的物体保持平衡时,肱二头肌收缩对桡骨所施加力的大小一定()A. 大于5kgB. 大于49NC. 小于49ND. 等于49N4.小明在水平地面上推如图所示的一只圆柱形油桶,油桶高40cm,底部直径为30cm,装满油后总重2000N.下列说法中正确的是()A. 要使底部C稍稍离开地面,他至少应对油桶施加600N的力B. 他用水平力虽没推动油桶,但他用了力,所以他对油桶做了功C. 他用水平力没推动油桶,是因为推力小于摩擦力D. 油桶匀速运动时,地面对油桶的支持力和油桶对地面的压力是平衡力5.一个斜面的高为h,长为l,该斜面的机械效率为η.现把重为G的物体沿斜面匀速向上移动,则物体受到的滑动摩擦力的大小()A.B.C.D.6.一人用200N的拉力将440N的物体沿斜面方向将它匀速拉上长5m、高2m的斜面,以下说法错误的是()A.斜面的机械效率为88%B.斜面对物体摩擦力为24NC.如果没有摩擦,用大小为176N的力即可达到目的D.如果物体重力增大,斜面机械效率会变大7.在“测滑轮组的机械效率”实验中,对于钩码提升的高度h和弹簧秤移动的距离s,下面说法错误的是()A.h和s都由尺测出B.只需用尺测出h,对于已组合好的滑轮组,s可以根据测出的h算出来C.h和s都不用测出具体数值,对于已组合好的滑轮组,h和s的比值是可以知道的,而知道这个比值再结合测得的G、F就可算出ηD.h和s都不用测出具体数值,对于已组合好的滑轮组,h=ns,而知道这个关系再结合测得的G、F就可算出η8.如图所示,s=60cm,与之对应的h=30cm.现用弹簧测力计进行两次操作:(1)沿竖直方向匀速提升小车;(2)沿斜面方向匀速拉动小车,记录数据如表,分析数据有如下一些发现.其中,具有较高水平的发现是()数据操作A.沿斜面拉动时,拉力比小车的重力小B.测力计示数与移动距离近似成反比C.利用斜面可以省力,但不能少做功D.可以计算力所做的功,且两次做功近似相等9.如图,用刻度均匀的匀质杠杆进行“杠杆平衡条件”的实验(每个钩码重为0.5牛)。
山东省2019年中考真题汇编简单机械一.选择题(共9小题)1.(2019•东营)如图所示,下列简单机械中,忽略杠杆、滑轮的自重、绳重及摩擦,当提起同一重物时,最省力的是()A B C D【答案】A。
【解析】A.由图可知,动力臂是阻力臂的4倍,所以拉力F1=G;B.由图可知,动滑轮省一半的力,所以拉力F2=G;C.设斜面的高度为h,斜面长度为s,则=sin30°=,由功的原理可得,F3s=Gh,所以F3=G=G;D.由图可知,滑轮组绳子的有效股数为3,所以拉力F4=G,综上可知,当提起同一重物时,最省力的是A。
2.(2019•青岛)如图为探究杠杆平衡条件的实验装置,杠杆平衡时,钩码对杠杆的阻力F2=10N,阻力臂l2=20cm,测力计示数F1=25N,则动力臂l1为()A.15cm B.8cm C.50cm D.80cm【答案】B。
【解析】根据杠杆的平衡条件F1L1=F2L2得动力臂:L1===0.08m=8cm,故B正确。
3.(2019•菏泽)下列关于摩擦的说法中,正确的是()A.自行车的钢圈与刹车闸皮之间的摩擦是滚动摩擦B.滑冰时,冰刀与冰面间的摩擦是滑动摩擦C.人在正常行走时,脚与地面之间的摩擦是滑动摩擦D.划火柴时,火柴头和砂纸之间的摩擦是滚动摩擦【答案】B。
【解析】A、自行车的钢圈与刹车闸皮之间发生的是相对滑动,它们之间的摩擦是滑动摩擦,故A错误;B、滑冰时,冰刀与冰面之间发生的是相对滑动,它们之间的摩擦是滑动摩擦,故B正确;C、人在正常行走时,脚向后蹬地,与地面之间有相对运动的趋势,脚与地面间的摩擦是静摩擦,故C错误;D、划火柴时,火柴头和砂纸之间发生的是相对滑动,它们之间的摩擦是滑动摩擦,故D错误。
4.(2019•临沂)各式各样的剪刀都是一对对杠杆。
下列剪刀,最适合剪开较硬物体的是()A B C D【答案】B。
【解析】由图可知选项A、C、D中的剪刀动力臂都小于阻力臂,都是费力杠杆,不能省力,所以选项A、C、都不正确。
2019年中考物理试题分类汇编——简单机械计算专题1.(2019年郴州,29)一辆重为2×104N的电动汽车,以恒定功率50kW在平直的公路上匀速行驶3km,用时3min。
已知汽车在行驶中所受阻力为车重的0.1倍,汽车轮胎与地面接触的总面积为0.5m2.求:(1)汽车对地面的压强;(2)汽车的牵引力所做的功;(3)汽车发动机的机械效率(计算结果保留一位小数)。
2.(2019山西,24)汽车超载是当前发生交通事故的重要原因之一。
全国各地设置了许多超载监测站加强监管。
如图所示,一辆两轴货车正在水平地面上设置的某种电子地磅秤上称重。
先让货车前轮单独开上电子地磅秤,其读数为8t;前轮驶离电子地磅秤,再让后轮单独开上电子地磅秤,其读数为9t。
国家规定两轴货车限载车货总重18t,请你通过计算分析该货车是否超载。
3.(2019攀枝花,32)如图所示,在水平路面上行驶的汽车通过滑轮组拉着重G=9×104N的货物A 沿斜面向上匀速运动。
货物A的速度为v=2m/s,经过t=10s,货物A竖直升高h=10m。
已知汽车对绳的拉力F的功率P=120kW,不计绳、滑轮的质量和摩擦,求:(1)t时间内汽车对绳的拉力所做的功;(2)汽车对绳的拉力大小;(3)斜面的机械效率。
4.(2019无锡,26)在更换家用轿车的轮胎时,剪式千斤顶是一种常用工具。
图甲是某型号剪式千斤顶的结构示意图。
使用时,将底部支撑台置于水平地面,保持千斤顶竖直,将顶升置于汽车车身下,用手摇动扳手使扳手绕O点不断旋转,带动丝杆转动,通过丝杆水平拉动左端铰链,使支架向内收缩,顶升升高,从而将汽车车身顶起。
丝杆上刻有梯形扣,图乙是梯形的实物图。
(1)该型号的剪式千斤顶是由一些简单机械组合而成的。
在顶起车身的过程中,丝杆上的梯形扣属于下列哪一种简单机械? 。
A.滑轮B.滑轮组C.杠杆D.斜面(2)现使用该剪式千斤顶更换轮胎,顶起汽车车身后,若顶升受到车身竖直向下的压力大小始终为10000N,且等于顶升对车身的支持力,千斤顶自身重量忽略不计。
2019年中考物理真题分类汇编——简单机械计算专题1.(2019沈阳,18)如图所示,电动起重机是通过电动机拉动绳子b带动滑轮组工作的装置(滑轮组的连接方式未画出)。
质量为360kg的货箱放在水平地面上,与地面的接触面积是0.25cm2。
求:(1)当绳子a对货箱的拉力F a为600N时,货箱未离开地面,此时货箱对地面的压强是多大?(g取10N/kg)(2)在匀速拉起货箱的过程中,电动机把绳子b匀速收起了12m,绳子b的拉力F b做了2.4×104J的功,拉力F b是多大?(3)在上述匀速拉起货箱的过程中,使用滑轮组所做的额外功是9.6×103J,滑轮组的机械效率是多大?2.(2019大庆,20)如图是用滑轮组提升建筑材料A的示意图,在水平向右的拉力F作用下,使重900N的建筑材料A在5s的时间里被匀速提升,绳自由端水平移动了2m,拉力F为500N.不计绳重和摩擦,求:(1)拉力F的功率P;(2)滑轮组的机械效率η。
3.(2019宿迁,17)如图所示,工人利用滑轮组提升重物,在30s内将静止在水平地面上质量为90kg,底面积为200cm2的长方体物块匀速提升5m,此时工人的拉力为400N(g=10N/kg)。
求:(1)提升前物块对水平地面的压强;(2)工人拉力做功的功率;(3)滑轮组提升该物块的机械效率。
4.(2019荆州,34)为了发展文化旅游事业,荆州市正在兴建华强方特文化主题园,建成后将通过最新的VR技术展示包括楚文化和三国文化在内的五千年华夏文明.园区建设中需把重1200N 的木箱A搬到高h=2m,长L=10m 的斜面顶端.如图所示,工人站在斜面顶端,沿斜面向上用时50s 将木箱A 匀速直线从斜面底端拉到斜面顶端,已知拉力F 的功率为80W.求:(1)拉力F 的大小;(2)该斜面的机械效率是多少;(3)木箱A 在斜面上匀速直线运动时受到的摩擦力是多大5.(2019桂林,27)小段用如图17所示装置,使用一根杠杆AB和滑轮的组合将一合金块从水中提起,滑环C可在光滑的滑杆上自由滑动。
2019年中考物理真题分类汇编一一机械运动专题1. (2019衡阳,7)为庆视中国人民将军建率 70周年,我国举行了盛大的海上阅兵仪式,集中 展示了一大批新型潜艇、水面舰艇、作战飞机,彰显了我国海军强大的军事实力。
下列说法正确的是A. 当辽宁舰航母上的舰载飞机起飞后,飞行员以他的座椅为参照物是运动的B. 作战飞机在加速升空过程中,动能转化为重力势能,机械能保持不变C. 潜水艇在下潜的过程中,受到海水的压强不变D. 水面舰艇多采用前后编队而不是近距离并排行驶,是为了避兔舰艇相“吸”而发生碰撞 2.( 2019大庆,5)在一年一度的大庆市“黎明湖端午龙舟赛”中,有人对某组在平行赛道上比赛的甲乙两队龙舟的速度与时间关系进行了仔细研究,得出了甲乙的速度与时间关系图B. t 1时刻甲队比乙队运动的快C. t 1时刻甲队超过乙队 D . t 1时刻甲乙两队速度相等 3.(2019上海,7)甲、乙两车分别在同一直线上的M 、N 两点(M 、N 间距为20米),同时相向 1(a )和(b )所示,若甲、乙的速度分别为 v 甲、v 乙经过t 秒,甲、乙相距 10米。
则做匀速直线运动,它们的s-t 图像分别如图 A • 0 - t 1时刻两队所走距离相等A. v甲<v乙,t 一定为10秒B. v甲<v乙,t可能为30秒C. v甲=v乙,t可能为10秒D. v甲=v乙,t可能为30秒4. (2019深圳,5)甲、乙两物体,同时从同一地点沿直线向同一方向运动,它们的s - t图象如图所示。
下列说法正确的是()A. 2 ~ 4 s内乙做匀速直线运动B. 4s时甲、乙两物体的速度相等C. 0 ~ 4 s内乙的平均速度为2m / sD. 3s时甲在乙的前方5. (2019邵阳,10)学校大课间操时,小明同学在跑道上向前做慢跑运动,下列说法正确的是()A •小明蹬地的鞋底受到的摩擦力方向一定向后B. 小明看到跑道在往后退,是以小明为参照物C. 小明在匀速通过弯道时,他的运动状态不改变D .小明在慢跑时对地面的压强等于他站立时对地面的压强6. (2019怀化,6)赛龙舟是端午节的传统体育项目运动员奋力划浆,龙舟飞速前进。
2019年中考物理真题分类汇编——简单机械作图专题一、杠杆作图1.(2019威海,21)如图是一种活塞式抽水机的示意图。
其中手柄AOB是一个杠杆,杠杆在动力F1的作用下绕O点匀速转动,请在图中画出杠杆在B点受到阻力的示意图和F1的力臂。
2.(2019武威,18)如图所示是羊角锤的示意图,请画出用羊角锤撬铁钉时最小动力F的示意图。
3.(2019兰州,25)如图所示为“探究杠杆平衡条件”的实验示意图,O点为杠杆的支点,请画出杠杆左侧钩码所受重力的示意图和弹簧测力计施加拉力的力臂L1。
4.(2019连云港,19)如图所示,O为杠杆的支点,杠杆上挂有重为G的物体,请画出使杠杆在图中位置静止时最小力F的示意图。
5.(2019昆明,20)请画出图中力F的力臂,并以“l”表示。
6.(2019赤峰,16)工人沿台阶向上滚动圆柱形塑料桶如所示。
他在A点施加力F使塑料桶绕0点向上滚动,请画出F的力臂。
7.(2019盐城,21)在图中画出力F的力臂8.(2019阜新,21)如图所示,用撬棍撬起石头时,O为支点,A为动力作用点,要求:\(1)画出石头所受重力的示意图。
(2)画出最小动力F1的示意图和动力臂l1。
9.(2019广安,21)如图所示,请画出作用在杠杆B端上最小的动力F1和阻力F2的力臂l2。
10.(2019自贡,26)如图所示,轻质杠杆的A点挂一重物G,绳受的拉力为F2,O为杠杆的支点。
请在杠杆的端点B处画出使杠杆保持静止的最小的力F l的示意图,并作出F2的力臂l2。
11.(2019凉山州,25)如图所示,现使用最小的力F1使杠杆在图示位置平衡,请画出F1及其对应的力臂L1。
12.(2019达州,20)轻质杠杆OABC能够绕O点转动,已知OA=BC=20cm,AB=30cm,在B点用细线悬挂重为100N的物体G,为了使杠杆在如图所示的位置平衡,请在杠杆上作出所施加最小动力的图示(不要求写出计算过程)。
13.(2019辽阳,23)如图甲是爆米花锅,锅盖被锁扣紧锁在锅口。
2019年中考物理真题分类汇编——功与机械能专题(word版含答案)(word 版可编辑修改)编辑整理:尊敬的读者朋友们:这里是精品文档编辑中心,本文档内容是由我和我的同事精心编辑整理后发布的,发布之前我们对文中内容进行仔细校对,但是难免会有疏漏的地方,但是任然希望(2019年中考物理真题分类汇编——功与机械能专题(word版含答案)(word版可编辑修改))的内容能够给您的工作和学习带来便利。
同时也真诚的希望收到您的建议和反馈,这将是我们进步的源泉,前进的动力。
本文可编辑可修改,如果觉得对您有帮助请收藏以便随时查阅,最后祝您生活愉快业绩进步,以下为2019年中考物理真题分类汇编——功与机械能专题(word版含答案)(word版可编辑修改)的全部内容。
2019年中考物理真题分类汇编—-功与机械能专题一、选择题1.(2019常州,9)北京世园会上,车身离地30cm高的电动无人扫地车在平直路面上匀速前进并将地面上的落叶吸入车内.此过程中,扫地车整体的()A动能不变,重力势能不变 B动能不变,重力势能变大C.动能变大,重力势能不变 D动能变大,重力势能变大2。
(2019绍兴,7)科学研究中,当设计多个因素影响的研究方案时,每一次只改变其中的某个因素,而其余几个因素不变,从而研究被改变的这个因素对事物的影响。
以下实验中没有用到此方法的是()A。
甲:探究蒸发快慢的影响因素 B. 乙:探究动能大小的影响因素C. 丙:探究电流与电压的关系D. 丁:探究平面镜成像规律3.(2019随州,10)一只木箱放在水平地面上,地面上各处粗糙程度相同。
对木箱施加一个方向不变的水平推力F(如图甲);F的大小与时间t的关系、木箱的运动速度v与时间t的关系图象如图乙所示。
以下说法正确的是( )A.在第一个2s内木箱所受摩擦力为2NB.在第二个2s内木箱所受摩擦力为3NC.在第一个2s内推力F对木箱所做的功为2JD.在第三个2s内推力F对木箱做功的功率为8W4。
9.(2019·东营)如图所示,下列简单机械中,忽略杠杆、滑轮的自重、绳重及摩擦,当提起同一重物时,最省力的是答案:A22、(2019·淄博)在日常生活和工农业生产中,提高机械效率有着重要的意义。
提高机械效率,要从研究影响机械效率的因素出发,寻求办法。
(1)为了探究影响机械效率的因素,小明选取了大小相同的滑轮,利用图甲和图乙装置进行实验,并把数据整理记录在下表中。
①比较1和2两次实验发现:在所有滑轮组一定时,提升的钩码________,机械效率越高。
②比较3和4两次实验发现:滑轮组的机械效率还与________有关。
③比较________两次实验发现:在所用滑轮组一定时,机械效率与提升钩码的高度无关。
④第5次实验室利用了图________的装置完成的,判断依据是________。
⑤利用图甲的装置,把重6N的物体用2.5N的拉力迅速拉起,滑轮组的机械效率为________。
可见如果没有刻度尺,只有测力计,也可以测量出滑轮组的机械效率。
(2)小明利用图并装置实验发现:斜面的机械效率与斜面的倾斜程度和摩擦有关,与物重无关。
保持斜面倾斜程度不变,可以采用________的方法减小摩擦,从而提筒斜面的机械效率。
(3)实验表明:额外功越小,总功越接近有用功;进一步推理得出:假设没有额外功,总功等于有用功;可见使用任何机械都________。
下列物理规律的得出运用了这种研究方法的是________。
A、焦耳定律B、牛顿第一定律C、阿基米德原理D、欧姆定律18.(2019·烟台)的筷子,按头尾分检理顺是餐馆工作人员日常工作之一。
工作强度虽不大,但太浪费时间。
聪明的小明为工作人员设计了如图所示的分检操作步骤,工作效率特别高。
这个方案应用到的物理知识有:_________。
第一步:把杂乱无章的筷子平放在托盘上第二步:用一只筷子把平放的筷子轻轻往前推动第三部:当部分筷子一端下沉后,收起上翘筷子18. 【答案】:力可以改变物体的运动状态、重心(重力)、杠杆平衡条件(杠杆)(没有答“力可以改变物体的运动状态”不扣分)(2分)12.(2019·烟台)在探究“影响滑轮组机械效率高低的因素”时,同学们提出了下列猜想(1)滑轮组机械效率高低可能与动滑轮重有关;(2)滑轮组机械效率高低可能与被提升的物重有关;(3)滑轮组机械效率高低可能与物体提升高度有关;(4)滑轮组机械效率高低可能与承重绳子股数有关。
2019年中考物理试题专题训练——简单机械专题1.(2019重庆A卷,11)用图的滑轮组将一个重为180 N的物体沿竖直方向在10s内匀速提升 2 m,所用的拉力为100 N,10s内拉力F的功率为______ W ,该滑轮组的机械效率为________%。
2.(2019海南,16)小明想把被台风刮倒的树拉正。
他把绳子的一端系在乙树上,然后绕过甲树用力拉绳子,这样做有_____段绳子拉甲树。
如果不计绳重和摩擦,甲树受300N拉力,则小明对绳子的拉力至少为________N。
3.(2019成都,18)如图,是三种类型剪刀的示意图,请你为铁匠师傅选择一把剪铁皮的剪刀,你会选择(选填“A”、“B”或“C”)剪刀,这样选择的目的是为了省。
4.(2019兰州,21)如图所示,斜面长2m、高1m,把一个质量为24kg的物体沿斜面从斜面底端匀速拉到顶端,需要克服重力做功J。
若斜面是光滑的,则沿斜面向上的拉力N。
在“核桃钳、红酒开瓶器和家中升降晾衣架上的滑轮”三种工具中属于斜面的是。
(g=10N/kg)5.(2019绥化,20)如图所示,轻质杠杆OB可绕固定轴0自由转动(AB =2AO)。
将棱长为10cm的正方体合金块,用轻绳挂在A点处,在B=30N时,杠杆在水平位置平衡,此时合金块点施加竖直向上的力F1对水平地面的压强恰好为0,则合金块的质量是kg.若撤去,在B点施加力F2时,合金块对地面的压强为 1.2×103Pa,则力F2F1的大小是N。
6.(2019湖州,7)生活中我们常用开瓶器打开瓶盖,如图所示使用开瓶器能省力的原因是________。
请在答题卷的图中画出作用在开瓶器上的阻力。
7.(2019长春,23)小明和同学到福利院义务劳动时,发现有的桌子脚下装有如图甲所示的轮子.(1)他将压杆按下,压板就会紧压在轮子上,使轮子无法滚动,桌子不容易被推动,说明用滑动代替滚动可以摩擦:压杆做得较宽人可以起到压强的作用.(均选填“增大”或“減小”)(2)小明发现压杆是省力杠杆,O为支点.请在图乙中画出压力F 的力臂l.8.(2019邵阳,23)小斌同学在做物理实验时,使用镊子夹取砝码,镊子是杠杆。
2019全国最全中招物理试题分类汇总——简单机械一、填空题1、如图,是三种类型剪刀的示意图,请你为铁匠师傅选择一把剪铁皮的剪刀,你会选择_________(选填“A”、“B”或“C”)剪刀,这样选择的目的是为了省__________。
【答案】C、力2、如图所示,我国古代护城河上安装使用的吊桥就是一个组合机械,通过定滑轮改变_____________,由图可知杠杆的支点是___________(选填“A”、“B”或“C”)点,它属于______________(选填“省力”、“等臂”或“费力”)杠。
【答案】力的方向;C;省力3、筷子,按头尾分检理顺是餐馆工作人员日常工作之一。
工作强度虽不大,但太浪费时间。
聪明的小明为工作人员设计了如图所示的分检操作步骤,工作效率特别高。
这个方案应用到的物理知识有:_________。
【答案】力可以改变物体的运动状态、重心(重力)、杠杆平衡条件(杠杆)4、如图所示,A点为硬棒的重心,O为支点,硬棒水平静止,弹簧测力计的示数为_____N.硬所受的重力为______N.能否用左图中的弹簧测力计按右图所示的方法测量同一硬棒所受的重力?______,依据是______.【答案】(1)2.4(2)7.2(3)不能(4)原因是弹簧测力计的最大测量值只有5N,而硬棒的重力为7.2N,超出弹簧测力计的量程5、小明想把被台风刮倒的树拉正。
他把绳子的一端系在乙树上,然后绕过甲树用力拉绳子,这样做有_____段绳子拉甲树。
如果不计绳重和摩擦,甲树受300N拉力,则小明对绳子的拉力至少为________N。
【答案】(1)2(2)150二、选择题1、如图所示的工具中,属于费力杠杆的是()【答案】D2、下列工具属于省力杠杆的是()【答案】D3、各式各样的剪刀都是一对对杠杆。
下列剪刀,最适合剪开较硬物体的是()【答案】B4、如图5所示,物重为G的物体在不同简单机械中均处于平衡状态(不计机械自重和摩擦),拉力F1、F2、F3、F4的大小关系是()【答案】B5、如图所示,物重为G的物体在不同简单机械中均处于平衡状态(不计机械自重和摩擦),拉力F1、F2、F3、F4的大小关系是()A.F2<F3=F4<F1B.F2<F4<F1<F3C.F4=F2<F1<F3D.F4<F2<F3<F1【答案】B6、如图所示,下列简单机械中,忽略杠杆、滑轮的自重、绳重及摩擦,当提起同一重物时,最省力的是()【答案】A7、如图所示,下列情景中描述正确的是()A.甲图中下滑的小朋友的惯性越来越大B.乙图中小朋友玩的跷跷板利用了杠杆原理C.丙图中滑雪手套有凹凸的花纹是为了减小摩擦D.丁图中硬币跃过木块,利用了流速越大流体压强越大的知识【答案】B8、如图所示,在探究杠杆平衡条件”实验中,弹弹簧测力计从位置A逆时针转到位置B,杠杆仍在水平位置平衡,则弹簧测力计的示数将()A.变大B.变小C.不变D.不能确定【答案】A9、图甲是海南网上扶贫超市给百香果配的多功能小勺子,把A点压在百香果上固定,B 处的“剃刀”刺进果壳,用力使勺子绕A点转动一周,“剃刀”就把果壳切开(如图乙)。
2019中考物理真题分类汇编:简单机械专题一、选择题1.(2019巴彦淖尔,6)如图所示,拉力F为5N,物体A以0.1m/s的速度在物体B表面向左做匀速直线运动(B表面足够长);物体B静止在地面上,受到地面水平向左4N的摩擦力,弹簧测力计示数为12N.下列说法正确的是()A.物体A受到的摩擦力为10NB.拉力F的功率为1.5WC.滑轮组的机械效率为80%D.拉力F增大到15N时,物体B开始向左运动【答案】C2.(2019通辽,10)下列生活现象中,说法正确的是()A.家里鱼缸中的鱼吐出的气泡上升时越来越大B.一瓶氧气用掉一半后,质量变为原来一半密度不变C.塑料吸盘能贴在光滑的墙上,是因为墙和吸盘之间的分子引力作用D.瓶盖起子应用了杠杆知识,使用时是为了省距离【答案】A3.(2019通辽,11)如图所示,利用滑轮组在2s内将重400N的物体匀速提升了1m,所用拉力F为150N.不计绳重和摩擦下列说法正确的是()A.绳子自由端移动的速度为2m/sB.动滑轮的总重为100NC.滑轮组的机械效率为83.3%D.提升更重的物体,滑轮组的机械效率会变小【答案】A4.(2019辽阳,10)如图所示,井下管道工人完成作业后,地面上的人用一个滑轮组将其从10m深的井下匀速提升到地面,用时50s绳子自由端的下力为200N,动滑轮的重力为60N,不计绳重和摩擦,下列说法正确的是A.绳子,自由端拉力的功率为40WB.管道工人的重力为540NC.这个过程中滑轮组的机械效率为90%D.若用该滑轮组匀速拉起一个质量更大的工人,会降低滑轮组的机械效率【答案】BC5.(2019宜宾,8)如图所示,在拉力F作用下,一个重600N的物体以0.1m/s的速度沿水平地面向右匀速直线运动了10s,已知滑轮组的机械效率为80%,在此过程中拉力F做了150J 的功,则下列说法中正确的是A.拉力F的大小为150NB.拉力F的大小为50NC.物体与地面间的滑动摩擦力为120ND.物体与地面间的滑动摩擦力为480N【答案】BC6.(2019河南,11)【答案】B7.(2019河南,13)【答案】AB8.(2019济宁,)下图中正确的选项是【答案】C9.(2019济宁,)两个滑轮按下图所示的方式组合,用5N的拉力F拉动绳端,使物体在5s内水平向左匀速滑动1m,物体与地面间的摩擦力为9N。
下列选项正确的是A.A是定滑轮,B是动滑轮B.拉力F做的功为5JC拉力F的功率为1.8W D.滑轮组的机械效率为90%【答案】D10.(2019 青岛,5)如图为探究杠杆平衡条件的实验装置,杠杆平衡时,钩码对杠杆的阻力F2=1.0N,阻力臂l2=20cm,测力计示数F1=2.5N,则动力臂l1 为A.15cm B.8cm C.50cm D.80cm【答案】B二、填空题1.(2019云南,18)如图所示,工人用滑轮组将重为600N的建筑材料以0.3m/s的速度匀速竖直提升。
人对绳子自由端的拉力F=375N,滑轮组的机械效率为 ,拉力F的功率为。
【答案】80%;2252.(2019黔东南,13)某大桥设计车速为60km/h,图1为该大桥的实景图,其主通航孔桥采用双塔双索面斜拉桥,可逐步抽象成图2、图3、图4所示的模型。
(1)可以看出它用到了(选填“杠杆”或“斜面”)的物理知识。
为了减小钢索承受的拉力,在需要与可能的前提下,可以适当(选填“增加”或“减小”)桥塔的高度。
(2)若某汽车质量为5×103kg,在大桥上按设计车速水平匀速直线行驶时受到的阻力为汽车重力的0.06倍,则汽车通过该大桥时汽车发动机的功率为W.(g取10N/kg)【答案】(1)杠杆;增加;(2)5×104。
3.(2019枣庄,23)用一个动滑轮在5s内将一重为300N的物体匀速向上提升3m,动滑轮的机械效率是75%,则拉力大小为N,若忽略绳重与摩擦,动滑轮的重力为N。
【答案】200;1004.(2019泰安,19)一位泰山挑山工用一根长1.8m的扁担挑起货物,如图为扁担示意图,若在扁担的A端挂200N的物体,B端挂300N的物体,挑起重物时使扁担水平平衡,则挑山工肩膀需顶在距A端 m远的位置(不计扁担的重力)。
【答案】1.085.(2019怀化,23)如图所示,用滑轮组将重为100 N的物体匀速提升3m,拉力F所做的总功为400 J,则在这个过程中拉力F做了 J的有用功,该滑轮组的机械效率是。
【答案】300;75%三、实验题1.(2019巴彦淖尔,10)如图是“利用杠杆测量石块密度”的实验。
(ρ水=1.0×103kg/m3)(1)在实验前,杠杆静止在图甲所示的位置,此时杠杆处于(选填“平衡”或“不平衡”)状态;要使杠杆在水平位置平衡,应将平衡螺母向调节,这样做的目的是,并消除杠杆自重对实验的影响。
(2)在溢水杯中装满水,如图乙所示,将石块缓慢浸没在水中,让溢出的水流入小桶A中,此时小桶A中水的体积石块的体积。
(3)将石块从溢水杯中取出,擦干后放入另一相同小桶B中,将装有水和石块的A、B两个小桶分别挂在调好的杠杆两端,移动小桶在杠杆上的位置,直到杠杆在水平位置回复平衡,如图丙所示。
此时小桶A、B的悬挂点距支点O分别为13cm和5cm,若不考虑小桶重力,则石块密度的测量值为kg/m3;若考虑小桶重力,石块的实际密度将比上述测量值。
【答案】(1)平衡;右;便于从杠杆上测量力臂;(2)等于;(3)2.6×103;偏大。
2.(2019 青岛,16)测量滑轮组的机械效率实验装置和数据记录如下:①第 4 次实验测得的机械效率为。
②分析表中数据可得:利用相同的滑轮组提升同一物体,物体上升的高度不同,滑轮组的机械效率;提升不同的物体,物体的重力越大,滑轮组的机械效率越。
【答案】83.3%;相同;大四、计算题1.(2019黔东南,22)如图是某科技小组设计的在岸边打捞水中金属块的装置示意图,每个滑轮重为100N,均匀实心金属块的密度为8×103kg/m3,金属块的质量为80kg。
绳重和摩擦、滑轮与轴及杠杆支点处的摩擦、水对金属块的阻力均忽略不计,金属块一直匀速上升。
(水的密度ρ水=1.0×103kg/m3,g取10N/kg)(1)在金属块还未露出水面时,求此时金属块所受到的浮力;(2)在金属块未露出水面时,求人的拉力F;(3)金属块在水中匀速上升2m,且金属块未露出水面时,求人的拉力所做的功。
【考查知识点】浮力、滑轮组、功的计算解:(1)因为金属块浸没水中,所以金属块排开水的体积:V排=V A===0.01m3;金属块所受的浮力:F浮=ρ水gV排=1×103kg/m3×10N/kg×0.01m3=100N;(2)由图知,使用的滑轮组n=2,在金属块未露出水面时,绳重和摩擦、滑轮与轴及杠杆支点处的摩擦、水对金属块的阻力均忽略不计,人的拉力:F=(G A﹣F浮+G动)=×(80kg×10N/kg﹣100N+100N)=400N;(3)拉力端移动距离s=2h=2×2m=4m,人的拉力所做的功:W=Fs=400N×4m=1600J。
答:(1)在金属块还未露出水面时,此时金属块所受到的浮力为100N;(2)在金属块未露出水面时,人的拉力F为400N;(3)金属块在水中匀速上升2m,且金属块未露出水面时,人的拉力所做的功为1600J。
2.(2019湘潭,30)如图所示利用汽车液压起重机从矿井中提升重物。
起重机起动时滑轮组将重物竖直向上匀速提起,其中N是柱塞,可向上支撑起起重臂ODC.重物和动滑轮总重为15000N,不计摩擦和滑轮组上钢丝绳重。
问:(1)钢丝绳自由端上作用力F的大小为N。
(2)当柱塞向上支撑起起重管绕固定端O转动时,起重臂ODC是力杠杆。
(3)当重物以0.4m/s的速度匀速上升时,钢丝绳自由端上作用力F的功率是多少?解:(1)由图知,承担物重的绳子股数n=3,不计摩擦和滑轮组上钢丝绳重,则钢丝绳自由端上作用力:F=(G+G动)=×15000N=5000N;(2)起重臂的支点在O点,滑轮组和重物对C端的拉力为阻力,由图知,柱塞施加动力的力臂明显小于阻力的力臂,所以此设备是费力杠杆;(3)钢丝绳自由端移动速度为v=3×0.4m/s=1.2m/s,绳自由端上作用力F的功率:P===Fv=5000N×1.2m/s=6000W。
答:(1)5000;(2)费;(3)钢丝绳自由端上作用力F的功率是6000W。
3.(2019泰安,25)如图所示,人的重力为850N,双脚与地面接触面积为250cm2,用滑轮组拉重210N的物体沿竖直方向以0.1m/s的速度匀速向上运动了5s。
人对绳子竖直向下的拉力为100N。
求:(1)物体A上升的高度;(2)滑轮组的机械效率;(3)人对地面的压强。
解:(1)物体上升的高度:h = vt = 0.1m/s×5s = 0.5m(2)滑轮组做的有用功:W有用= Gh人对绳子做的总功:W 总=F 拉s = F 拉·3h 滑轮组的机械效率:η=W 有用W 总= 70% (3)人对地面的压强:p =F 压S =G 人﹣F 拉S= 3×104Pa 4.(2019上海,20)杠杆平衡时,动力臂L 1为 06米,阻力臂L 2为 0.2米,若阻力F 2的大小为 60牛,求动力F 1的大小。