土木工程力学形考作业三
- 格式:docx
- 大小:1.66 MB
- 文档页数:50
国开土木工程力学形考作业3摘要:一、引言二、土木工程力学的概念1.定义2.研究内容三、土木工程力学的重要性1.工程应用2.社会发展四、土木工程力学的主要分支1.结构力学2.材料力学3.岩土力学五、我国土木工程力学的发展1.发展历程2.成果与展望六、结语正文:一、引言土木工程力学作为土木工程学科的一个重要分支,研究内容广泛,与实际工程应用紧密结合。
本文将对土木工程力学的相关概念、重要性及其主要分支进行介绍,并探讨我国土木工程力学的发展情况。
二、土木工程力学的概念1.定义土木工程力学主要研究土木工程结构、材料和岩土在各种外部因素作用下的受力、变形和破坏规律,为工程设计、施工、运营和维护提供理论依据。
2.研究内容土木工程力学的研究内容包括:结构力学、材料力学、岩土力学、流体力学、热力学等多个方面。
三、土木工程力学的重要性1.工程应用土木工程力学在各类土木工程中都有广泛应用,如房屋建筑、桥梁、隧道、道路、机场、码头等。
通过研究土木工程力学,可以优化设计、提高工程质量和安全性。
2.社会发展土木工程力学的发展对我国社会经济的快速发展具有重要意义,如基础设施建设、城市化进程、交通运输、环境保护等方面。
四、土木工程力学的主要分支1.结构力学结构力学主要研究结构在外力作用下的受力、变形和破坏规律,为结构设计提供理论依据。
2.材料力学材料力学主要研究材料在各种外部因素作用下的受力、变形和破坏规律,为材料选型和使用提供理论依据。
3.岩土力学岩土力学主要研究岩土在各种外部因素作用下的受力、变形和破坏规律,为岩土工程设计、施工和维护提供理论依据。
五、我国土木工程力学的发展1.发展历程我国土木工程力学的发展经历了从无到有、从弱到强的过程。
在新中国成立以来,我国土木工程力学取得了举世瞩目的成就,为我国土木工程事业的发展做出了巨大贡献。
2.成果与展望在科研成果方面,我国土木工程力学已达到国际先进水平,取得了一系列重要成果。
在未来的发展中,我国土木工程力学将继续保持快速发展的态势,为我国土木工程事业做出更大的贡献。
一、单项选择题A. B.C. D.A.恒大于零B.恒大于零C.恒大于零D.恒大于零A. B. C. D.A. B.C. D.力法典型方程中的自由项是基本体系在荷载作用下产生的A. B.C.方向的位移力法方程中的系数代表基本体系在作用下产生的A. B. C.A. B.C. D.(A )A 011111=∆+=∆P X δ B 02211211111=∆+=∆=∆+=∆P P X X δδ (3)作1M 图(C )(2分)作P M 图(F )(2分)(单位:m )(单位:m )AB(单位:m )(单位:m )CD(单位:m kN ⋅)(单位:m kN ⋅)EF(4)求系数和自由项由图乘法计算?11、?1P∑⎰==s 2111dM δ(A )(2分) ABCD(2)作出一半刚架弯矩图如图(C )所示。
(5分)ABCD(3)作整个刚架弯矩图如图(A )所示。
(5分)ABC D3.??(1)A;(2)C;(3)B;(4)A;(5)D;(6)F;(7)D用力法计算图示组合结构。
(10分)解(1)选取基本体系如下图示。
(2)列出力法方程(3)计算系数及自由项 作1M 图(A )(2分)AB CD=11δ∆p 1(4)4.(1)(2)列力法方程(A )(1分)A 011111=∆+=∆P X δ B 02211211111=∆+=∆=∆+=∆P P X X δδ (3)作1M 图(B )(2分)作P M 图(F )(2分)ABCDEFGHIJ(4)求系数和自由项δ11∆P1X1(5)ABCD5.解:ABCD(2)作出一半刚架弯矩图如图(C)所示。
(5分)ABCD(3)作整个刚架弯矩图如图(A)所示。
(5分)ABCD6用力法计算图示组合结构。
(10分)(1)D;(2)C;(3)B;(4)A;(5)C;(6)E;(7)A解(1)选取基本体系如下图示。
(2)列出力法方程(3)计算系数及自由项作M图(D)(2分)1δ=11∆1p(4)7(1(1)(2)DE(3)作出一半刚架弯矩图如图(A)所示。
最新国家开放大学电大《土木工程力学(本科)》形考任务3试题及答案最新国家开放大学电大《土木工程力学(本科)》形考任务3试题及答案形成性考核作业3 一、单项选择题(每小题3分,共30分)题目1 超静定结构产生内力的原因()选择一项:A. 荷载作用与温度变化B. 制造误差C. 以上四种原因D. 支座位移题目2 力法方程中的系数代表基本体系在作用下产生的()选择一项:A. B. 方向的位移 C. D. 方向的位移题目3 力法的基本体系是()选择一项:A. 一组单跨度超静定梁B. 瞬变体系C. 几何不变体系D. 可变体系题目4 用力法计算超静定结构时,其基本未知量为()选择一项:A. 结点线位移B. 结点角位移C. 杆端弯矩D. 多余未知力题目5 力法典型方程中的自由项是基本体系在荷载作用下产生的()选择一项:A. 方向的位移B.C.D. 方向的位移题目6 图示刚架的超静定次数为()选择一项:A. 2次B. 3次C. 4次D. 1次题目7 图示结构的超静定次数是()选择一项:A. 6B. 4C. 5D. 2 题目8 下图所示对称结构的等代结构为()选择一项:A. B. C. D. 题目9 下图所示对称结构A截面不为零的是()选择一项:A. 水平位移B. 弯矩C. 剪力D. 轴力题目10 关于下图所示对称结构,下列论述正确的是()选择一项:A. AB杆无轴力B. A点线位移为零C. AB杆无剪力D. AB杆无弯矩二、判断题(每小题3分,共30分)题目11 同一结构选不同的力法基本体系所得到的最后结果是相同的。
()选择一项:对错题目12 超静定次数一般不等于多余约束的个数。
()选择一项:对错题目13 力法典型方程是根据平衡条件得到的。
()选择一项:对错题目14 图示两个单跨梁,同跨度同荷载。
但横截面形状不同,故其内力也不相同。
()选择一项:对错题目15 同一结构选不同的力法基本体系所得到的力法方程代表的位移条件不同。
一、单项选择题1.超静定结构在支座移动作用下产生的内力与刚度( C )A. 无关B. 相对值有关C. 绝对值有关D. 相对值绝对值都有关2.用力法计算超静定结构时,其基本未知量为( D )A. 杆端弯矩B. 结点角位移C. 结点线位移D. 多余未知力3.力法典型方程是根据以下哪个条件得到的( B )A. 结构的平衡条件B. 多余约束处的位移协调条件C. 结构的变形条件D. 同时满足A、B两个条件4.用力法计算图示结构时,不能作为基本结构的是图( A )A. B.C. D.5.在力法方程的系数和自由项中( B )A. 恒大于零B. 恒大于零C. 恒大于零D. 恒大于零6.图示结构的超静定次数是( A )A. 12B. 10C. 9D. 67.图示结构的超静定次数是( A )A. 2B. 4C. 5D. 68.下图所示对称结构的等代结构为( A )A. B. C. D.9. 关于下图所示对称结构,下列论述正确的是( D )A. A点线位移为零B. AB杆无弯矩C. AB杆无剪力D. AB杆无轴力10.下图所示对称结构的等代结构为( D )A. B.C. D.11.超静定结构在荷载作用下产生的内力与刚度( A )A. 相对值有关B. 绝对值有关C. 无关D. 相对值绝对值都有关12.力法的基本体系是( D )A. 一组单跨度超静定梁B. 瞬变体系C. 可变体系D. 几何不变体系13.在超静定结构计算中,一部分杆考虑弯曲变形,另一部分杆考虑轴向变形,则此结构为( D )A. 梁B. 桁架C. 横梁刚度为无限大的排架D. 组合结构14.力法典型方程中的自由项是基本体系在荷载作用下产生的( C )A. B. C. 方向的位移 D. 方向的位移15.图示刚架的超静定次数为( C )A. 1次B. 2次C. 3次D. 4次16.下图所示对称结构A截面不为零的是( B )A. 水平位移B. 轴力C. 剪力D. 弯矩17.超静定结构的超静定次数等于结构中( B )A. 约束的数目B. 多余约束的数目C. 结点数D. 杆件数18.力法方程中的系数代表基本体系在作用下产生的( C )A. B. C. 方向的位移 D. 方向的位移19.图示超静定结构的次数是( 7 )A. 5B. 7C. 8D. 620.下图所示对称结构A截面不为零的是( C )A. 竖向位移B. 弯矩C. 转角D. 轴力21. 图示对称结构EI = 常数,对称轴穿过的截面C内力应满足( B )A. B.C. D.22.图所示结构的超静定次数为( D )A. 1B. 2C. 3D. 423.对称结构作用正对称荷载时,对称轴穿过的截面( B )A. 只有轴力B. 只有剪力C. 只有弯矩D. A、C同时满足二、判断题(A. 错误B. 正确)1.用力法计算超静定结构,选取的基本结构不同,所得到的最后弯矩图也不同。
土木工程力学形考三题库 -标准化文件发布号:(9456-EUATWK-MWUB-WUNN-INNUL-DDQTY-KII一、单项选择题1. 超静定结构在支座移动作用下产生的内力与刚度( C )A. 无关B. 相对值有关C. 绝对值有关D. 相对值绝对值都有关2. 用力法计算超静定结构时,其基本未知量为 ( D )A. 杆端弯矩B. 结点角位移C. 结点线位移D. 多余未知力3. 力法典型方程是根据以下哪个条件得到的 ( B )A. 结构的平衡条件B. 多余约束处的位移协调条件C. 结构的变形条件D. 同时满足A、B两个条件4. 用力法计算图示结构时,不能作为基本结构的是图( A )A. B.C. D.5. 在力法方程的系数和自由项中 ( B )A. 恒大于零B. 恒大于零C. 恒大于零D. 恒大于零6. 图示结构的超静定次数是( A )A. 12B. 10C. 9D. 67. 图示结构的超静定次数是( A )A. 2B. 4C. 5D. 68. 下图所示对称结构的等代结构为( A )A. B. C. D.9. 关于下图所示对称结构,下列论述正确的是( D )A. A点线位移为零B. AB杆无弯矩C. AB杆无剪力D. AB杆无轴力10. 下图所示对称结构的等代结构为( D )A. B.C. D.11. 超静定结构在荷载作用下产生的内力与刚度 ( A )A. 相对值有关B. 绝对值有关C. 无关D. 相对值绝对值都有关12. 力法的基本体系是 ( D )A. 一组单跨度超静定梁B. 瞬变体系C. 可变体系D. 几何不变体系13. 在超静定结构计算中,一部分杆考虑弯曲变形,另一部分杆考虑轴向变形,则此结构为 ( D )A. 梁B. 桁架C. 横梁刚度为无限大的排架D. 组合结构14. 力法典型方程中的自由项是基本体系在荷载作用下产生的 ( C )A. B. C. 方向的位移 D. 方向的位移15. 图示刚架的超静定次数为( C )A. 1次B. 2次C. 3次D. 4次16. 下图所示对称结构A截面不为零的是( B )A. 水平位移B. 轴力C. 剪力D. 弯矩17. 超静定结构的超静定次数等于结构中 ( B )A. 约束的数目B. 多余约束的数目C. 结点数D. 杆件数18. 力法方程中的系数代表基本体系在作用下产生的 ( C )A. B. C. 方向的位移 D. 方向的位移19. 图示超静定结构的次数是( 7 )A. 5B. 7C. 8D. 620. 下图所示对称结构A截面不为零的是( C )A. 竖向位移B. 弯矩C. 转角D. 轴力21. 图示对称结构EI = 常数,对称轴穿过的截面C内力应满足( B )A. B.C. D.22. 图所示结构的超静定次数为( D )A. 1B. 2C. 3D. 423. 对称结构作用正对称荷载时,对称轴穿过的截面 ( B )A. 只有轴力B. 只有剪力C. 只有弯矩D. A、C同时满足二、判断题(A. 错误B. 正确 )1. 用力法计算超静定结构,选取的基本结构不同,所得到的最后弯矩图也不同。
一、单项选择题1.超静定结构在支座移动作用下产生的内力与刚度(C )A.无关B.相对值有关C.绝对值有关D.相对值绝对值都有关2.用力法计算超静泄结构时,其基本未知量为(D )A.杆端弯矩B.结点角位移C.结点线位移D.多余未知力3.力法典型方程是根据以下哪个条件得到的(B )A.结构的平衡条件B.多余约束处的位移协调条件C.结构的变形条件D.同时满足A、B两个条件4.用力法计算图示结构时,不能作为基本结构的是图(A )5.在力法方程的系数和自由项中(B )A.勺’恒大于零B.务恒大于零§AC. P恒大于零D. “恒大于零6.图示结构的超静崖次数是(A )7.图示结构的超静左次数是(A )A. 2 B・ 4 C・ 5 D. 6& 下图所示对称结构的等代结构为(A )9.关于下图所示对称结构.下列论述正确的是(D )A.12 B. 10 C. 9 D. 6C. rr c D・ * DA. A 点线位移为零B. AB 杆无弯矩C. AB 杆无剪力D. AB 杆无轴力10. 下图所示对称结构的等代结构为(D )11. 超静泄结构在荷载作用下产生的内力与刚度(A )A.相对值有关B.绝对值有关C.无关D.相对值绝对值都有关12. 力法的基本体系是(D )A. 一组单跨度超静左梁B.瞬变体系C.可变体系D.几何不变体系13. 在超静泄结构计算中,一部分杆考虑弯曲变形,另一部分杆考虑轴向变形,则此结构为(D )A.梁B.桁架C.横梁刚度为无限大的排架D.组合结构14. 力法典型方程中的自由项°炉是基本体系在荷载作用下产生的(C )A. 'B.C.'方向的位移D. 方向的位移15. 图示刚架的超静定次数为(C )A ・1次B ・2次C ・3次D ・4次16. 下图所示对称结构A 截而不为零的是(B )B.D.------ -- :o -----------------创AEl El7777,wZA.水平位移B.轴力C.剪力D.弯矩17.超静定结构的超静定次数等于结构中(B )A.约朿的数目B.多余约朿的数目C.结点数D.杆件数18.力法方程中的系数毎代表基本体系在Z/ = 1作用下产生的(C )X. X・A. B. J C. 方向的位移D. 方向的位移19・图示超静左结构的次数是(7 )A. 5B. 7C. 8D. 620.下图所示对称结构A截而不为零的是(C )A.竖向位移B.弯矩C.转角D.轴力图示对称结构刃二常数,对称轴穿过的截而Q 内力应满足(B )22・ 图所示结构的超静龙次数为(DA. 1B ・2C ・3D ・4 23. 对称结构作用正对称荷载时,对称轴穿过的截面(B )A.只有轴力B.只有剪力C.只有弯矩D. A 、C 同时满足二、判断题(A.错误B ・正确)1.用力法计算超静定结构,选取的基本结构不同,所得到的最后弯矩图也不同。
年国家开放大学电大自己《土木工程力学》形成性考核及答案2022年土木工程力学(本)形成性考核册土木工程力学(本)形成性考核册作业一一、选择题(每小题2分,共20分)1.三刚片组成几何不变体系的规则是(B)A三链杆相联,不平行也不相交于一点B三铰两两相联,三铰不在一直线上C三铰三链杆相联,杆不通过铰D一铰一链杆相联,杆不过铰2.在无多余约束的几何不变体系上增加二元体后构成(C)A可变体系B瞬变体系C无多余约束的几何不变体系有多余约束的几何不变体系3.瞬变体系在一般荷载作用下,(C)A产生很小的内力B不产生内力C产生很大的内力D不存在静力解答4.已知某体系的计算自由度W=-3,则体系的(D)A自由度为3B自由度等于0C多余约束数等于3D多余约束数大于等于35.不能作为建筑结构使用的是(D)A无多余约束的几何不变体系B有多余约束的几何不变体系C几何不变体系D几何可变体系6.图示桁架有几根零杆(D)A2C4D6FP7.下图所示结构的弯矩图形状应为(A)FPABCD图1FP8.图示多跨静定梁的基本部分是(B )AAB部分BBC部分CCD部分DDE部分ABCDE9.荷载作用下产生桁架位移的主要原因是(AA轴向变形B弯曲变形C剪切变形D扭转变形10.三铰拱在集中力作用下其合理拱轴线形状是(D)A折线B圆弧C双曲线D抛物线二、判断题(每小题2分,共20分)1.多余约束是体系中不需要的约束。
()2.如果体系的计算自由度大于零,那么体系一定是几何可变体系。
()3.两根链杆的约束作用相当于一个单铰。
()4.一个体系是有n个自由度的几何可变体系,那么加入n个约束后就成为无多余约束的几何不变体系。
()5.两刚片用三链杆相联,且三链杆平行不等长,则构成瞬变体系。
()6.图示两个单跨梁,同跨度同荷载。
但横截面形状不同,故其内力也不相同。
(√)FPFP7.三铰拱的矢高f越大,水平推力也越大。
()8.求桁架内力时截面法所截取的隔离体包含两个或两个以上的结点。
国开土木工程力学形考作业3(最新版)目录1.概述2.土木工程力学的概念3.形考作业 3 的任务要求4.完成形考作业 3 的步骤和方法5.注意事项正文1.概述本文旨在帮助学生理解和完成国开土木工程力学形考作业 3。
土木工程力学是研究建筑物、桥梁、道路等结构物的受力、变形和破坏规律的学科。
形考作业是衡量学生对课程知识的理解和应用能力的重要手段。
2.土木工程力学的概念土木工程力学主要包括以下几个方面:(1) 结构静力学:研究结构在静止状态下的受力平衡问题。
(2) 结构动力学:研究结构在动力作用下的受力、变形和破坏规律。
(3) 弹性力学:研究弹性固体在受力作用下的应力、应变和位移关系。
(4) 塑性力学:研究塑性固体在受力作用下的应力、应变和位移关系。
(5) 流体力学:研究流体在静止和运动状态下的力学性质。
3.形考作业 3 的任务要求根据课程要求,形考作业 3 主要包括以下几个任务:(1) 根据给定的结构图纸,计算结构的受力分析。
(2) 利用弹性力学和塑性力学的相关理论,计算结构的应力和应变。
(3) 根据结构动力学的原理,分析结构在动力作用下的响应。
(4) 对结构进行稳定性分析,判断结构在各种受力条件下的稳定性。
4.完成形考作业 3 的步骤和方法(1) 仔细阅读任务要求,理解题目背景和所求。
(2) 根据给定的结构图纸,进行受力分析,列出方程组。
(3) 利用弹性力学和塑性力学的相关理论,求解方程组,得到应力和应变。
(4) 根据结构动力学的原理,计算结构的动力响应。
(5) 对结构进行稳定性分析,判断结构在各种受力条件下的稳定性。
(6) 整理计算结果,编写作业报告。
5.注意事项(1) 在进行受力分析时,要确保对所有受力情况进行全面分析。
(2) 在计算应力和应变时,要正确运用弹性力学和塑性力学的相关公式。
(3) 在分析结构动力响应时,要充分考虑结构的固有频率和阻尼比等参数。
(4) 在进行稳定性分析时,要关注结构的临界荷载和安全系数等指标。
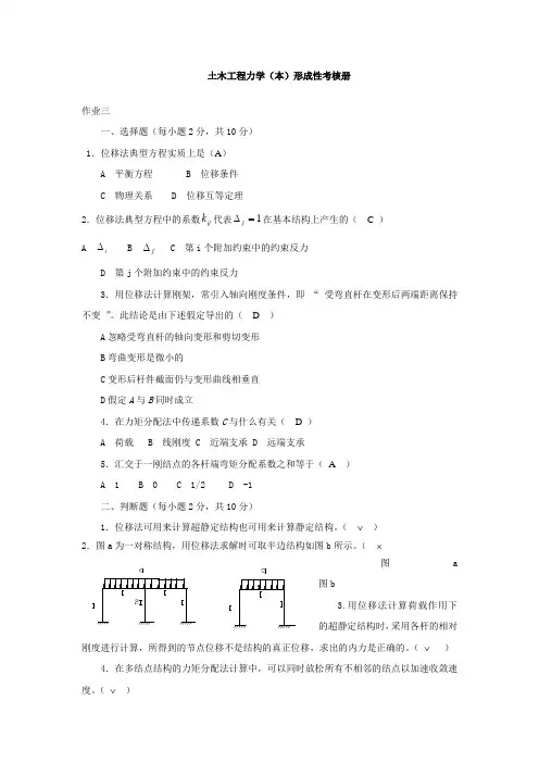
土木工程力学(本)形成性考核册作业三一、选择题(每小题2分,共10分) 1.位移法典型方程实质上是(A )A 平衡方程B 位移条件C 物理关系D 位移互等定理 2.位移法典型方程中的系数ij k 代表1=∆j在基本结构上产生的( C )A i ∆B j ∆C 第i 个附加约束中的约束反力D 第j 个附加约束中的约束反力3.用位移法计算刚架,常引入轴向刚度条件,即 “ 受弯直杆在变形后两端距离保持不变 ”。
此结论是由下述假定导出的( D )A 忽略受弯直杆的轴向变形和剪切变形B 弯曲变形是微小的C 变形后杆件截面仍与变形曲线相垂直D 假定A 与B 同时成立4.在力矩分配法中传递系数C 与什么有关( D ) A 荷载 B 线刚度 C 近端支承 D 远端支承5.汇交于一刚结点的各杆端弯矩分配系数之和等于( A ) A 1 B 0 C 1/2 D -1 二、判断题(每小题2分,共10分)1.位移法可用来计算超静定结构也可用来计算静定结构。
( ∨ ) 2.图a 为一对称结构,用位移法求解时可取半边结构如图b 所示。
( ⨯图 a图b3.用位移法计算荷载作用下的超静定结构时,采用各杆的相对刚度进行计算,所得到的节点位移不是结构的真正位移,求出的内力是正确的。
( ∨ )4.在多结点结构的力矩分配法计算中,可以同时放松所有不相邻的结点以加速收敛速度。
( ∨ )5.力矩分配法适用于连续梁和有侧移刚架。
( ⨯ )三、用位移法计算图示连续梁,并绘出弯矩图。
各杆EI 相同且为常数。
(10分)解:(1)选取基本结构如下图所示,Δ1为基本未知量。
(2)写出位移法方程如下: k 11Δ1+ F 1P = 0(3)计算系数k 11及自由项F 1P 令E I i =12,则 i AB =3i , i BC =2i作1M 图和M P 图如下:k 11 = 12i+2i =14i1P 40F =3kN ∙m(4)求解位移法基本未知量将系数及自由项代入位移法方程,得:1P 11140F 203k 14i21i∆=-=-=-(5)作M 图四、基本结A B C Δ2i1M A BC 1 12i 6i2iM P图ABC403403A BC19 (20)1. 1.M图10kN /46A B C用位移法计算图示刚架,并绘制弯矩图。
土木工程力学形考作业三形考作业三一、单项选择题(每小题3分,共30分)1.超静定结构产生内力的原因是什么?A。
支座位移B。
荷载作用与温度变化C。
制造误差D。
以上四种原因答案:D2.超静定结构在支座移动作用下产生的内力与刚度的关系是什么?A。
无关B。
相对值有关C。
绝对值有关D。
相对值和绝对值都有关答案:C3.在超静定结构计算中,一部分杆考虑弯曲变形,另一部分杆考虑轴向变形,则此结构为什么?A。
梁B。
组合结构C。
桁架D。
横梁刚度为无限大的排架答案:B4.在力法方程的系数和自由项中,什么是恒大于零的?A。
系数B。
自由项C。
既不是系数也不是自由项D。
系数和自由项都不是答案:A5.力法典型方程中的自由项代表什么?A。
方向的位移B。
基本体系在荷载作用下产生的位移C。
既不是方向的位移也不是基本体系在荷载作用下产生的位移D。
自由项代表的是未知力的值答案:B6.力法方程中的系数代表什么?A。
方向的位移B。
基本体系在荷载作用下产生的位移C。
既不是方向的位移也不是基本体系在荷载作用下产生的位移D。
系数代表的是未知力与荷载作用下产生的位移之间的关系答案:A7.图示结构的超静定次数是多少?A。
12B。
10C。
6D。
9答案:A8.图示超静定结构的次数是多少?A。
8B。
6C。
5D。
7答案:D9.下图所示对称结构的等代结构是哪个?图片无法显示,无法回答此题)10.下图所示对称结构A截面不为零的是什么?A。
竖向位移B。
轴力C。
弯矩D。
转角答案:D11.图示对称结构EI =常数,对称轴穿过的截面C内力应满足什么条件?图片无法显示,无法回答此题)12.超静定结构的超静定次数等于结构中什么?A。
结点数B。
多余约束的数目C。
约束的数目D。
杆件数答案:B13.用力法计算超静定结构时,其基本未知量是什么?A。
结点线位移B。
多余未知力C。
结点角位移D。
杆端弯矩答案:B14.力法典型方程是根据以下哪个条件得到的?A。
多余约束处的位移协调条件B。
形考作业三一、单项选择题(每小题3分,共30分)超静定结构产生内力的原因()选择一项:A. 支座位移B. 荷载作用与温度变化C. 制造误差D. 以上四种原因正确答案:以上四种原因超静定结构在支座移动作用下产生的内力与刚度()选择一项:A. 无关B. 相对值有关C. 绝对值有关D. 相对值绝对值都有关正确答案:绝对值有关在超静定结构计算中,一部分杆考虑弯曲变形,另一部分杆考虑轴向变形,则此结构为()选择一项:A. 梁B. 组合结构C. 桁架D. 横梁刚度为无限大的排架正确答案:组合结构在力法方程的系数和自由项中()选择一项:A.恒大于零B.恒大于零C.恒大于零D.恒大于零正确答案:恒大于零力法典型方程中的自由项是基本体系在荷载作用下产生的()选择一项:A.方向的位移B.C.D.方向的位移正确答案:方向的位移力法方程中的系数代表基本体系在作用下产生的()选择一项:A.B.方向的位移C.D.方向的位移正确答案:方向的位移图示结构的超静定次数是()选择一项:A. 12B. 10C. 6D. 9正确答案:12图示超静定结构的次数是()选择一项:A. 8B. 6C. 5D. 7正确答案:7下图所示对称结构的等代结构为()选择一项:A.B.C.D.正确答案:下图所示对称结构A截面不为零的是()选择一项:A. 竖向位移B. 轴力C. 弯矩D. 转角正确答案:转角图示对称结构EI =常数,对称轴穿过的截面C内力应满足()选择一项:A.B.C.D.正确答案:超静定结构的超静定次数等于结构中()选择一项:A. 结点数B. 多余约束的数目C. 约束的数目D. 杆件数正确答案:多余约束的数目用力法计算超静定结构时,其基本未知量为()选择一项:A. 结点线位移B. 多余未知力C. 结点角位移D. 杆端弯矩正确答案:多余未知力力法典型方程是根据以下哪个条件得到的()选择一项:A. 多余约束处的位移协调条件B. 结构的平衡条件C. 同时满足A、B两个条件D. 结构的变形条件正确答案:多余约束处的位移协调条件力法的基本体系是()选择一项:A. 瞬变体系B. 一组单跨度超静定梁C. 几何不变体系D. 可变体系正确答案:几何不变体系用力法计算图示结构时,不能作为基本结构的是图()选择一项:A.B.C.D.正确答案:图4所示结构的超静定次数为()选择一项:A. 1B. 4C. 3D. 2正确答案:4图示结构的超静定次数是()选择一项:A. 4B. 5C. 6D. 2正确答案:6下图所示对称结构的等代结构为()选择一项:A.B.C.D.正确答案:对称结构作用正对称荷载时,对称轴穿过的截面()选择一项:A.只有剪力和只有弯矩同时满足B. 只有弯矩C. 只有轴力D. 只有剪力正确答案:有剪力和只有弯矩同时满足下图所示对称结构A截面不为零的是()选择一项:A. 弯矩B. 水平位移C. 剪力D. 轴力正确答案:轴力超静定结构在荷载作用下产生的内力与刚度()选择一项:A. 相对值绝对值都有关B. 相对值有关C. 绝对值有关D. 无关正确答案:相对值有关图示结构的超静定次数是()选择一项:A. 2B. 5C. 6D. 4正确答案:2图示刚架的超静定次数为()选择一项:A. 2次B. 1次C. 3次D. 4次正确答案:3次关于下图所示对称结构,下列论述正确的是()选择一项:A. A点线位移为零B. AB杆无轴力C. AB杆无剪力D. AB杆无弯矩正确答案:AB杆无轴力二、判断题(每小题3分,共30分)在力法计算时,多余未知力由位移条件来求,其他未知力由平衡条件来求。
土木工程力学形考三题库一、单项选择题1. 超静定结构在支座移动作用下产生的内力与刚度( C )A. 无关B. 相对值有关C. 绝对值有关D. 相对值绝对值都有关2. 用力法计算超静定结构时,其基本未知量为 ( D )A. 杆端弯矩B. 结点角位移C. 结点线位移D. 多余未知力3. 力法典型方程是根据以下哪个条件得到的 ( B )A. 结构的平衡条件B. 多余约束处的位移协调条件C. 结构的变形条件D. 同时满足A、B两个条件4. 用力法计算图示结构时,不能作为基本结构的是图( A )A. B.C. D.5. 在力法方程的系数和自由项中 ( B )A. 恒大于零B. 恒大于零C. 恒大于零D. 恒大于零6. 图示结构的超静定次数是( A )A. 12B. 10C. 9D. 67. 图示结构的超静定次数是( A )A. 2B. 4C. 5D. 68. 下图所示对称结构的等代结构为( A )A. B. C. D.9. 关于下图所示对称结构,下列论述正确的是( D )A. A点线位移为零B. AB杆无弯矩C. AB杆无剪力D. AB杆无轴力10. 下图所示对称结构的等代结构为( D )A. B.C. D.11. 超静定结构在荷载作用下产生的内力与刚度 ( A )A. 相对值有关B. 绝对值有关C. 无关D. 相对值绝对值都有关12. 力法的基本体系是 ( D )A. 一组单跨度超静定梁B. 瞬变体系C. 可变体系D. 几何不变体系13. 在超静定结构计算中,一部分杆考虑弯曲变形,另一部分杆考虑轴向变形,则此结构为 ( D )A. 梁B. 桁架C. 横梁刚度为无限大的排架D. 组合结构14. 力法典型方程中的自由项是基本体系在荷载作用下产生的 ( C )A. B. C. 方向的位移 D. 方向的位移15. 图示刚架的超静定次数为( C )A. 1次B. 2次C. 3次D. 4次16. 下图所示对称结构A截面不为零的是( B )A. 水平位移B. 轴力C. 剪力D. 弯矩17. 超静定结构的超静定次数等于结构中 ( B )A. 约束的数目B. 多余约束的数目C. 结点数D. 杆件数18. 力法方程中的系数代表基本体系在作用下产生的 ( C )A. B. C. 方向的位移 D. 方向的位移19. 图示超静定结构的次数是( 7 )A. 5B. 7C. 8D. 620. 下图所示对称结构A截面不为零的是( C )A. 竖向位移B. 弯矩C. 转角D. 轴力21. 图示对称结构EI = 常数,对称轴穿过的截面C内力应满足( B )A. B.C. D.22. 图所示结构的超静定次数为( D )A. 1B. 2C. 3D. 423. 对称结构作用正对称荷载时,对称轴穿过的截面 ( B )A. 只有轴力B. 只有剪力C. 只有弯矩D. A、C同时满足二、判断题(A. 错误B. 正确 )1. 用力法计算超静定结构,选取的基本结构不同,所得到的最后弯矩图也不同。
一、单项选择题A. B.C. D.A.恒大于零B.恒大于零C.恒大于零D.恒大于零A. B. C. D.A. B.C. D.力法典型方程中的自由项是基本体系在荷载作用下产生的A. B.C.方向的位移力法方程中的系数代表基本体系在作用下产生的A. B. C.A. B.C. D.(A )A 011111=∆+=∆P X δ B 02211211111=∆+=∆=∆+=∆P P X X δδ (3)作1M 图(C )(2分)作P M 图(F )(2分)(单位:m )(单位:m )AB(单位:m )(单位:m )CD(单位:m kN ⋅)(单位:m kN ⋅)EF(4)求系数和自由项由图乘法计算?11、?1P∑⎰==s 2111dM δ(A )(2分) ABCD(2)作出一半刚架弯矩图如图(C )所示。
(5分)ABCD(3)作整个刚架弯矩图如图(A )所示。
(5分)ABC D3.??(1)A;(2)C;(3)B;(4)A;(5)D;(6)F;(7)D用力法计算图示组合结构。
(10分)解(1)选取基本体系如下图示。
(2)列出力法方程(3)计算系数及自由项 作1M 图(A )(2分)AB CD=11δ∆p 1(4)4.(1)(2)列力法方程(A )(1分)A 011111=∆+=∆P X δ B 02211211111=∆+=∆=∆+=∆P P X X δδ (3)作1M 图(B )(2分)作P M 图(F )(2分)ABCDEFGHIJ(4)求系数和自由项δ11∆P1X1(5)ABCD5.解:ABCD(2)作出一半刚架弯矩图如图(C)所示。
(5分)ABCD(3)作整个刚架弯矩图如图(A)所示。
(5分)ABCD6用力法计算图示组合结构。
(10分)(1)D;(2)C;(3)B;(4)A;(5)C;(6)E;(7)A解(1)选取基本体系如下图示。
(2)列出力法方程(3)计算系数及自由项作M图(D)(2分)1δ=11∆1p(4)7(1(1)(2)DE(3)作出一半刚架弯矩图如图(A)所示。
土木工程力学本科形考作业三土木工程力学是土木工程专业的一门基础课程,主要研究杆件、平面结构、空间结构等受力情况及其计算方法。
在土木工程力学的学习过程中,学生需要掌握基本的理论知识和计算方法,才能正确分析和解决实际工程中的力学问题。
下面是一些相关参考内容,供学生在写作业时参考。
1. 土木工程力学基本概念:- 杆件的受力分析:杆件的内力和外力的概念,正负号的确定方法,杆件受力平衡条件等。
- 平面结构的受力分析:平面刚架的平衡条件,节点受力的计算方法,梁的受力分析等。
- 空间结构的受力分析:空间刚架的平衡条件,节点受力的计算方法,杆件受力的分析等。
2. 杆件受力分析的方法:- 图解法:主要包括杆件的自由体图和受力分析图的绘制方法,通过平衡条件求解杆件内力。
- 解析法:主要包括力的分解、力的合成、力的平衡条件等计算方法,通过求解方程组或平衡条件求解杆件内力。
3. 平面结构受力分析的方法:- 图解法:平面刚架的受力分析可以通过绘制整体刚架的自由体图,然后利用节点受力平衡条件和杆件受力平衡条件求解。
- 解析法:通过数学分析和受力平衡条件进行计算,可以应用静力学平衡方程求解节点受力,应用弹性力学理论求解杆件受力等。
4. 空间结构受力分析的方法:- 图解法:绘制整体刚架的自由体图,然后利用节点受力平衡条件和杆件受力平衡条件求解。
- 解析法:通过数学分析和受力平衡条件进行计算,可以应用静力学平衡方程求解节点受力,应用弹性力学理论求解杆件受力等。
5. 典型力学问题的解题方法:- 弹性力学问题:利用弹性力学理论,通过受力分析和应变-位移关系求解杆件的内力、位移和应力。
- 稳定性问题:通过杆件受力和平衡条件,结合稳定性约束条件,分析和判断结构的稳定性。
- 动力学问题:通过受力平衡方程、动力平衡方程和运动微分方程来分析和求解结构的振动特性。
以上是一些关于土木工程力学的相关参考内容,供学生在写作业时参考。
学生可以根据自己的课程内容和学习进度,选择合适的参考内容并进行进一步的学习和应用。
国开大土木工程力学形考作业三及答案形考作业三一、单项选择题(每小题3分,共30分)1.超静定结构产生内力的原因是以上四种原因。
2.超静定结构在支座移动作用下产生的内力与刚度绝对值有关。
3.在超静定结构计算中,一部分杆考虑弯曲变形,另一部分杆考虑轴向变形,则此结构为组合结构。
4.在力法方程的系数和自由XXX大于零,代表基本体系在荷载作用下产生的方向的位移。
5.图示结构的超静定次数是12.6.图示超静定结构的次数是7.7.下图所示对称结构的等代结构为B。
8.下图所示对称结构A截面不为零的是转角。
9.图示对称结构EI =常数,对称轴穿过的截面C内力应满足零。
10.超静定结构的超静定次数等于多余约束的数目。
11.用力法计算超静定结构时,其基本未知量为多余未知力。
12.力法典型方程是根据多余约束处的位移协调条件得到的。
13.力法的基本体系是几何不变体系。
用力法计算图示结构,作弯矩图。
EI=常数。
解:(1)选取基本体系(图示)2)列力法方程3)作图4)求系数和自由项,解方程可得5)由叠加原理作图利用对称性计算图示结构,作弯矩图。
EI=常数。
解:(1)将荷载分成对称荷载和反对称荷载。
2)简化后可取半边结构如图所示。
3)作出一半刚架弯矩图如图所示。
4)作整个刚架弯矩图如图所示。
用力法计算图示组合结构。
解:(1)选取基本体系如图示。
2)列出力法方程3)计算系数及自由项4)解力法方程,求出基本未知量D用力法计算图示结构,作弯矩图。
EI=常数。
解:(1)选取基本体系(图示)2)列力法方程3)作图4)求系数和自由项,解方程可得5)由叠加原理作M图用力法计算图示结构,作弯矩图。
EI=常数。
解:(1)利用对称性结构取半边结构如图所示。
2)作出一半刚架弯矩图如图所示。
3)作整个刚架弯矩图如图所示。
用力法计算图示组合结构。
解:(1)选取基本体系如图示。
2)列出力法方程3)计算系数及自由项,解方程可得4)解力法方程,求出基本未知量A用力法计算图示结构,作弯矩图。
03任务_0007试卷总分:100 测试总分:97一、单项选择题(共 10 道试题,共 30 分。
)1. 超静定结构的超静定次数等于结构中A. 约束的数目B. 多余约束的数目C. 结点数D. 杆件数2. 力法的基本体系是A. 一组单跨度超静定梁B. 瞬变体系C. 可变体系D. 几何不变体系3. 在超静定结构计算中,一部分杆考虑弯曲变形,另一部分杆考虑轴向变形,则此结构为A. 梁B. 桁架C. 横梁刚度为无限大的排架D. 组合结构4. 力法方程中的系数代表基本体系在作用下产生的A.B.C. 方向的位移D. 方向的位移5.用力法计算图示结构时,不能作为基本结构的是图A.B.C.D.6.图示刚架的超静定次数为A. 1次B. 2次C. 3次D. 4次7.图示超静定结构的次数是A. 5B. 7C. 8D. 68.下图所示对称结构的等代结构为A.B.C.D.9.下图所示对称结构A截面不为零的是A. 竖向位移B. 弯矩C. 转角D. 轴力10.下图所示对称结构A截面不为零的是A. 水平位移B. 轴力C. 剪力D. 弯矩二、判断题(共 10 道试题,共 30 分。
)1.图示结构的超静定次数是n=3。
A. 错误B. 正确2. 同一结构选不同的力法基本体系,所得到的力法方程代表的位移条件相同。
A. 错误B. 正确3. 力法的基本方程使用的是位移条件;该方法只适用于解超静定结构。
A. 错误B. 正确4. 对称结构在反对称荷载作用下,对称轴穿过的截面只有反对称的内力。
A. 错误B. 正确5.图示结构有两次超静定。
A. 错误B. 正确6. 超静定次数一般不等于多余约束的个数。
A. 错误B. 正确7. 力法典型方程是根据平衡条件得到的。
A. 错误B. 正确8. 温度改变在静定结构中不引起内力;温度改变在超静定结构中引起内力。
A. 错误B. 正确9. 求超静定结构的位移时,可将虚拟单位荷载加在任意静定的基本体系上。
A. 错误B. 正确10. 温度改变对超静定结构不产生内力和反力。
形考作业三一、单项选择题(每小题3分,共30分)超静定结构产生内力的原因()选择一项:A. 支座位移B. 荷载作用与温度变化C. 制造误差D. 以上四种原因正确答案:以上四种原因超静定结构在支座移动作用下产生的内力与刚度()选择一项:A. 无关B. 相对值有关C. 绝对值有关D. 相对值绝对值都有关正确答案:绝对值有关在超静定结构计算中,一部分杆考虑弯曲变形,另一部分杆考虑轴向变形,则此结构为()选择一项:A. 梁B. 组合结构C. 桁架D. 横梁刚度为无限大的排架正确答案:组合结构在力法方程的系数和自由项中()选择一项:A.恒大于零B.恒大于零C.恒大于零D.恒大于零正确答案:恒大于零力法典型方程中的自由项是基本体系在荷载作用下产生的()选择一项:A.方向的位移B.C.D.方向的位移正确答案:方向的位移力法方程中的系数代表基本体系在作用下产生的()选择一项:A.B.方向的位移C.D.方向的位移正确答案:方向的位移图示结构的超静定次数是()选择一项:A. 12B. 10C. 6D. 9正确答案:12图示超静定结构的次数是()选择一项:A. 8B. 6C. 5D. 7正确答案:7下图所示对称结构的等代结构为()选择一项:A.B.C.D.正确答案:下图所示对称结构A截面不为零的是()选择一项:A. 竖向位移B. 轴力C. 弯矩D. 转角正确答案:转角图示对称结构EI =常数,对称轴穿过的截面C内力应满足()选择一项:A.B.C.D.正确答案:超静定结构的超静定次数等于结构中()选择一项:A. 结点数B. 多余约束的数目C. 约束的数目D. 杆件数正确答案:多余约束的数目用力法计算超静定结构时,其基本未知量为()选择一项:A. 结点线位移B. 多余未知力C. 结点角位移D. 杆端弯矩正确答案:多余未知力力法典型方程是根据以下哪个条件得到的()选择一项:A. 多余约束处的位移协调条件B. 结构的平衡条件C. 同时满足A、B两个条件D. 结构的变形条件正确答案:多余约束处的位移协调条件力法的基本体系是()选择一项:A. 瞬变体系B. 一组单跨度超静定梁C. 几何不变体系D. 可变体系正确答案:几何不变体系用力法计算图示结构时,不能作为基本结构的是图()选择一项:A.B.C.D.正确答案:图4所示结构的超静定次数为()选择一项:A. 1B. 4C. 3D. 2正确答案:4图示结构的超静定次数是()选择一项:A. 4B. 5C. 6D. 2正确答案:6下图所示对称结构的等代结构为()选择一项:A.B.C.D.正确答案:对称结构作用正对称荷载时,对称轴穿过的截面()选择一项:A.只有剪力和只有弯矩同时满足B. 只有弯矩C. 只有轴力D. 只有剪力正确答案:有剪力和只有弯矩同时满足下图所示对称结构A截面不为零的是()选择一项:A. 弯矩B. 水平位移C. 剪力D. 轴力正确答案:轴力超静定结构在荷载作用下产生的内力与刚度()选择一项:A. 相对值绝对值都有关B. 相对值有关C. 绝对值有关D. 无关正确答案:相对值有关图示结构的超静定次数是()选择一项:A. 2B. 5C. 6D. 4正确答案:2图示刚架的超静定次数为()选择一项:A. 2次B. 1次C. 3次D. 4次正确答案:3次关于下图所示对称结构,下列论述正确的是()选择一项:A. A点线位移为零B. AB杆无轴力C. AB杆无剪力D. AB杆无弯矩正确答案:AB杆无轴力二、判断题(每小题3分,共30分)在力法计算时,多余未知力由位移条件来求,其他未知力由平衡条件来求。
()选择一项:对错正确答案:对温度改变在静定结构中不引起内力;温度改变在超静定结构中引起内力。
()选择一项:对错正确答案:对超静定结构支座移动时,如果刚度增大一倍,内力也增大一倍,而位移不变。
()选择一项:对错正确答案:对力法典型方程的等号右端项不一定为0。
()选择一项:对错正确答案:对超静定结构的力法基本结构是唯一的。
()选择一项:对错正确答案:错超静定结构的内力与材料的性质无关。
()选择一项:对错正确答案:错在荷载作用下,超静定结构的内力分布与各杆刚度的绝对值有关。
()选择一项:对错正确答案:错力法计算的基本体系不能是可变体系。
()选择一项:对错正确答案:对超静定次数一般不等于多余约束的个数。
()选择一项:对错正确答案:错求超静定结构的位移时,可将虚拟单位荷载加在任意静定的基本体系上。
()选择一项:对错正确答案:对图示结构的超静定次数是n=3。
()选择一项:对错正确答案:对同一结构的力法基本体系不是唯一的。
()选择一项:对错正确答案:对在下图所示结构中若增大柱子的EI值,则梁跨中点截面弯矩值减少。
()选择一项:对错正确答案:对图示(a)、(b)两个结构中,A端的支反力完全相同。
()选择一项:对错正确答案:错同一结构选不同的力法基本体系所得到的最后结果是相同的。
()选择一项:对错正确答案:对计算超静定结构的位移时,虚设力状态可以在力法的基本结构上设。
()选择一项:对错正确答案:对力法典型方程是根据平衡条件得到的。
()选择一项:对错正确答案:错图示两个单跨梁,同跨度同荷载。
但横截面形状不同,故其内力也不相同。
()选择一项:对错正确答案:错对称结构在反对称荷载作用下,对称轴穿过的截面只有反对称的内力。
()选择一项:对错正确答案:对超静定结构由于支座位移可以产生内力。
()选择一项:对错正确答案:对温度改变对超静定结构不产生内力和反力。
()选择一项:对错正确答案:错图示结构有两次超静定。
()选择一项:对错正确答案:错同一结构选不同的力法基本体系所得到的力法方程代表的位移条件不同。
()选择一项:对错正确答案:错超静定结构的内力状态与刚度有关。
()选择一项:对错正确答案:对图示超静定结构去掉杆件①、②、③后为一静定梁,故它是三次超静定结构。
()选择一项:对错正确答案:错同一结构选不同的力法基本体系,所得到的力法方程代表的位移条件相同。
()选择一项:对错正确答案:错力法的基本方程使用的是位移条件;该方法只适用于解超静定结构。
()选择一项:对错正确答案:对支座位移引起的超静定结构内力,与各杆刚度的相对值有关。
()选择一项:对错正确答案:错用力法计算超静定结构,选取的基本结构不同,则典型方程中的系数和自由项数值也不同。
()选择一项:对错正确答案:对用力法计算超静定结构,选取的基本结构不同,所得到的最后弯矩图也不同。
()选择一项:对错正确答案:错三、计算题(共40分)用力法计算图示结构,作弯矩图。
EI=常数。
注:填入相应的答案序号即可。
A解:(1)选取基本体系(4)求系数和自由项由图乘法计算AB解方程可得B利用对称性计算图示结构,作弯矩图。
EI=常数。
注:填入相应的答案序号即可。
解:(1)将荷载分成对称荷载和反对称荷载。
用力法计算图示组合结构。
注:填入相应的答案序号即可。
解:(1)选取基本体系如下图示。
(2)列出力法方程(3)计算系数及自由项作图A作图C=B=AA 0B 1C 2D 4=D=F(4)解力法方程,求出基本未知量D用力法计算图示结构,作弯矩图。
EI=常数。
(15分)注:填入相应的答案序号即可。
C解:(1)选取基本体系回答C (3)作图F作图(4)求系数和自由项由图乘法计算、AD解方程可得F用力法计算图示组合结构。
(10分)注:填入相应的答案序号即可。
解:(1)选取基本体系如下图示。
(3)计算系数及自由项D作图C作图BAA 0B 1C 2D 4CE(4)解力法方程,求出基本未知量A用力法计算图示结构,作弯矩图。
EI=常数。
(15分)注:填入相应的答案序号即可。
B (3)作图回答F作图由图乘法计算、CD解方程可得EB (5)由叠加原理作图用力法计算图示结构,作弯矩图。
(10分)注:填入相应的答案序号即可。
解(1)选取基本体系(2)列力法方程A(3)作图F作图(4)求系数和自由项由图乘法计算、DB解方程可得A如无答案请参照以下网址答案或自行百度:https:///view/fce8665648d 7c1c708a145b8.html。