紧固件—螺钉选型手册
- 格式:doc
- 大小:800.00 KB
- 文档页数:17
标准件(紧固件)的选用原则选择标准件(紧固件)时,应优先确定类别,再确定其品种和规格。
下面介绍一下关于标准件(紧固件)的类别、标准、品种。
一、确定类别:标准紧固件共分十大类,选用时应按标准紧固件的使用场合和其使用功能进行确定。
①螺栓:螺栓一般与螺母(通常再加一个垫圈或两个垫圈)相配,用于起连接和紧固作用的场合。
②螺母:螺母与螺栓相配使用。
③螺钉:螺钉通常是单独(有时加垫圈)使用,一般起紧固或紧定作用。
④螺柱:螺柱一般为两端都带有螺纹(单头螺柱为单端带螺纹),通常将一头罗纹牢固拧入部件机体中,另一端与螺母相配,起连接和紧固的作用,但在很大程度上还具有定距的作用。
⑤垫圈:垫圈放在螺栓、螺钉和螺母等的支承面与工艺支承面之间使用,起防松和减小支承面应力的作用。
⑥自攻螺钉:与自攻螺钉相配的工件螺孔不需预先攻丝,在拧入自攻螺钉的同时,使内螺纹成型。
⑦铆钉:铆钉一端有头部,且杆部无螺纹。
使用时将杆部插入被连接件的孔内,然后将杆的端部铆紧,起连接或紧固作用。
⑧销:销在使用时镶如入工件内,通常起连接或定位作用。
⑨挡圈:挡圈通常在轴上或孔内,起限制工件轴向的作用。
⑩木螺钉:木螺钉用于拧入木材,起连接或紧固作用。
二、确定标准和品种:1、品种的选择原则:⑪从加工、装配的工作效率考虑,在同一机械或工程内,应尽量减少使用标准件的品种。
⑫从经济性考虑,应优先选用商品标准件品种。
⑬根据标准件预期的使用要求,按型式、机械性能、精度和螺纹等方面确定选用品种。
2、型式:⑪螺栓:①一般用途螺栓:品种很多,有六角头、方头之分,见国家标准GB5780—GB5790等。
②铰制孔用螺栓:使用时将螺栓紧密镶入铰制成的孔内,以防止工件错位,见GB27等③止转螺栓:有方颈、带椎之分,见GB12—15等④特殊用途螺栓:如T型槽用螺栓,见GB37;活节螺栓,见GB798;地脚螺栓,见GB799;等⑤钢结构用高强度螺栓连接副:一般用于建筑、桥梁、塔架、管道支架及起重机械等钢结构的摩擦型连接的场合,见GB3632等⑫螺母:①一般用途螺母:主要指六角螺母,另有方螺母,品种很多,见GB41、GB6170—6177等②开槽螺母:主要指六角开槽螺母,即在六角螺母上方加工出糟。
紧固件国家标准⼿册紧固件国家标准⼿册丝规格M2 M2.5 M3 M4 M5标准扭⼒ 1.6~2 3~4 6~7.5 14.5~18 28~35(kgf?cm)○⾃攻⽛螺丝螺丝规格 1.7 2 2.3 2.6 3 3.5标准扭⼒ 1.5 3 3 3 4 4Min. Max. Min. Max. ! [ X" m. r9 X2 }; k: V1 M1.0 0.15 0.20 0.08 0.102 M1.1 0.22 0.29 0.11 0.14 / Y; W) D2 P4 s+ ^9 E3 M1.2 0.32 0.42 0.16 0.214 M1.4 0.48 0.62 0.24 0.315 M1.6 0.70 0.91 0.35 0.46 6 E0 R8 S5 Q7 o1 M/ l6 M1.8 1.10 1.43 0.55 0.727 M2.0 1.50 1.95 0.75 0.988 M2.2 2.00 2.60 1.00 1.309 M2.5 3.20 4.16 1.60 2.0810 M3.0 5.00 6.50 2.50 3.2511 M3.5 6.50 8.45 3.25 4.23 9 `- d3 R ?) s, L+ z5 t( T12 M4.0 14.00 18.20 7.00 9.1013 M4.5 20.50 26.65 10.25 13.3314 M5.0 29.00 37.70 14.50 18.8515 M6.0 49.00 63.70 24.00 31.20第⼀部分基础知识第⼀章度量当今世界上长度计量单位主要有两种,⼀种为公制,计量单位为⽶(m)、厘⽶(cm)、毫⽶(mm)等,在欧州、我国及⽇本等东南亚地区使⽤较多,另⼀种为英制,计量单位主要为英⼨(inch),相当于我国旧制的市⼨,在美国、英国等欧美国家使⽤较多。
1、公制计量:(10进制)1m =100 cm=1000 mm1 cm0 1 2 3 4 5 6 7 8 9 10 mm2、英制计量:(8进制)1英⼨=8英分1英⼨=25.4 mm 3/8''×25.4 =9.520 1/8 1/4 3/8 1/2 5/8 3/4 7/8 1 inch3、1/4''以下的产品⽤番号来表⽰其称呼径,如:4#,5#,6#,7#,8#,10#,12#第⼆章螺纹⼀、螺纹是⼀种在固体外表⾯或内表⾯的截⾯上,有均匀螺旋线凸起的形状。
常用紧固件选用指南1 范围本标准规定了常用紧固件的品种、规格及其标记。
本标准适用于照相机械、光学仪器和影视设备产品及其工艺装备所用紧固件的选用。
2 规范性引用文件下列文件中的条款通过本标准的引用而成为本标准的条款。
凡是注明日期的引用文件,其随后所有的修改单(不包括勘误的内容)或修订版均不适用于本标准,然而,鼓励根据本标准达成协议的各方研究是否可使用这些文件的最新版本。
凡是不注日期的引用文件,其最新版本适用于本标准。
GB/T 67—2000 开槽盘头螺钉GB/T 68—2000 开槽沉头螺钉GB/T 70.1—2000 内六角圆头螺钉GB/T 71—1985 开槽锥端紧定螺钉GB/T 73—1985 开槽平端紧定螺钉GB/T 75—1985 开槽长圆柱端紧定螺钉GB/T 78—2000 内六角圆锥端紧定螺钉GB/T 91—2000 开口销GB/T 93—1987 标准型弹簧垫圈GB/T 96—1985 大垫圈 A和B级GB/T 97.1—2002 平垫圈 A级GB/T 97.2—2002 平垫圈倒角型 A级GB/T 117—2000 圆锥销GB/T 119—1986 圆柱销GB/T 806—1988 滚花高螺母GB/T 807—1988 滚花薄螺母GB/T 808—1988 小六角特扁细牙螺母GB/T 815—1988 端面带孔圆螺母GB/T 816—1988 侧面带孔圆螺母GB/T 817—1988 带槽圆螺母GB/T 818—2000 十字槽盘头螺钉GB/T 819.1—2000 十字槽沉头螺钉第1部分:钢4.8GB/T 819.2—1997 十字槽沉头螺钉第2部分:钢8.8、不锈钢A2-70和有色金属CU2或CU3 GB/T 820—2000 十字槽半沉头螺钉GB/T 822—2000 十字槽圆柱头螺钉GB/T 823—1988 十字槽小盘头螺钉GB/T 827—1986 标牌铆钉GB/T 829—1988 开槽圆柱端定位螺钉GB/T 831—1988 开槽无头轴位螺钉GB/T 832—1988 开槽带孔球面圆柱头螺钉GB/T 833—1988 开槽大圆柱头螺钉GB/T 834—1988 滚花高头螺钉GB/T 836—1988 滚花小头螺钉GB/T 845—1985 十字槽盘头自攻螺钉GB/T 846—1985 十字槽沉头自攻螺钉GB/T 847—1985 十字槽半沉头自攻螺钉GB/T 848—2002 小垫圈 A级GB/T 859—1987 轻型弹簧垫圈GB/T 860—1987 鞍形弹性垫圈GB/T 867—1986 半圆头铆钉GB/T 869—1986 沉头铆钉GB/T 872—1986 扁平头铆钉GB/T 875—1986 扁平头半空心铆钉GB/T 876—1986 空心铆钉GB/T 893.1—1986 孔用弹性挡圈 A型GB/T 894.1—1986 轴用弹性挡圈 A型GB/T 895.1—1986 孔用钢丝挡圈GB/T 895.2—1986 轴用钢丝挡圈GB/T 896—1986 开口挡圈GB/T 955—1987 波形弹性垫圈GB/T 5783—2000 六角头螺栓全螺纹GB/T 5784—1986 六角头螺栓细杆B级GB/T 6170—2000 1型六角螺母GB/T 6172.1—2000 六角薄螺母GB/T 6560—1986 十字槽盘头自攻锁紧螺钉GB/T 6561—1986 十字槽沉头自攻锁紧螺钉GB/T 6562—1986 十字槽半沉头自攻锁紧螺钉GB/T 13806.1—1992 精密机械用紧固件十字槽螺钉GB/T 13806.2—1992 精密机械用紧固件十字槽自攻螺钉刮削端JIS B 2805—1962 E型挡圈3螺钉3.1 螺钉品种、规格和标记方法3.1.1螺钉的品种及其规格表1给出。
螺纹紧固件设计手册1. 螺纹紧固件设计概述螺纹紧固件依据头部、杆部、尾部及螺纹形式的不同,有非常多的种类;同时,螺栓/螺母的强度等级及表面处理也是多种多样的,工程师将依据需求来选择、设计紧固件。
一个完整的设计,需要进行如下设计校核: 1)螺纹连接轴向预紧力设计计算 2)螺栓规格及强度等级选择3)配合螺母的等级及内螺纹啮合长度确定 4)螺栓长度确定 5)表面处理选择6)头部形式及装配空间确认 7)装配工艺试验验证2. 螺纹连接预紧力设计计算螺栓/螺母连接是通过完成装配后,产生一定的轴向预紧力,来保证被连接件的固定,或传递载荷或密封等功能。
在设计选择螺栓/螺母时,对于关键的联结部位,首先必须确认需要螺栓提供的轴向预紧力的范围。
在确定预紧力时,应考虑下列因素: ——最小预紧力满足功能要求——最大等效应力不超过螺栓的破坏应力 ——螺栓的应力幅不超过疲劳极限 ——联接体装配后的变形下面是一些常见的连接形式中,最小轴向预紧力的计算:(1)螺栓的轴向力F KQ 通过配合面产生的静摩擦力,用以传递切向载荷F Q 或扭矩M Y ,q 为配合面数量。
μΤ:配合面的摩擦系数ra :摩擦半径,对于车轮螺栓为PCD/2(2)螺栓的轴向力F Kp 用于提供保证密封所需的压力F kp =A D •P iPi :密封介质的压强 A D :密封面积图1 通过配合面间的摩擦力传递载荷(3)防止张开所需的轴向力F V ,在有轴向外力FA 作用时,被联接件仍留有一压力F KR 。
图2 轴向外力在螺纹联结体上的分布图同时还要考虑工作中预紧力的变化ΔF : * 材料压陷或松弛,预紧力减小FZ* 由于温度变化,在螺栓和被连接件间产生热膨胀差,导致预紧力发生变化ΔFvth综合考虑上述所有因素,所需的螺栓最小轴向力F min =F KQ +F KP +F V +ΔF (1)3. 螺栓规格及强度等级确定螺栓在装配拧紧时,处于拉扭符合的应力状态,其屈服轴力和破坏轴力都小于单纯拉伸时螺栓的载荷。
紧固件国家标准手册 丝规格 M2 M2.5 M3 M4 M5标准扭力 1.6~2 3~4 6~7.5 14.5 ~ 18 28~35(kgf ?cm ) ○自攻牙螺丝螺丝规格 1.7 2 2.3 2.6 3 3.5 标准扭力 1.5 3 3 3 4 4Min.Max. Min. Max. ! [ X" m. r9 X2 }; k: V1 M1.0 0.15 0.20 0.08 0.102 M1.1 0.22 0.29 0.11 0.14/ Y; W) D2 P4 s+ ^9 E3 M1.2 0.32 0.42 0.16 0.214 M1.4 0.48 0.62 0.24 0.315 M1.6 0.70 0.91 0.35 0.466 E0 R8 S5 Q7 o1 M/ l6 M1.8 1.10 1.43 0.55 0.727 M2.0 1.50 1.95 0.75 0.988 M2.2 2.00 2.60 1.00 1.309 M2.5 3.20 4.16 1.60 2.0810 M3.0 5.00 6.50 2.50 3.2511 M3.5 6.50 8.45 3.25 4.239 `- d3 R ?) s, L+ z5 t( T12 M4.0 14.00 18.20 7.009.1013 M4.5 20.50 26.65 10.25 13.3314 M5.0 29.00 37.70 14.50 18.8515M6.049.0063.7024.0031.20第一 部分 基础知识 第一 章 度量当今世界上长度计量单位主要有两种,一种为公制,计量单位为米( 相当于我国旧制的市寸,在美国、英国等欧美国家使用较多1、公制计量:(10 进制)1m =100 cm=1000 mm1 cmm )、厘米( cm )、毫米 mm )等,在欧州、我国及日本等东南亚地区使用较多, 另一种为英制,计量单位主要为英寸 (inch ),0 1 234 5 67 8 9 10 mm2、英制计量:(8 进制)1 英寸=8 英分1 英寸 =25.4 mm3/8 × 25.4 =9.521/16 3/16 5/16 7/16 9/1611/16 13/16 15/160 1/8 1/4 3/8 1/25/83/4 7/81 inch3、 1/4 以下的产品用番号来表示其称呼径,如:4#, 5#, 6#, 7#, 8#,10#,12#第二章 螺 纹、螺纹是一种在固体外表面或内表面的截面上,有均匀螺旋线凸起的形状。
1278sgshe生紧固件(螺栓类)样品选型实用手册建档日期:2017.07建档部门:应用开发部紧固件基础知识一、紧固件概述二、螺栓常用材料三、紧固件国家标准及编号规则四、螺栓的生产工艺五、常用紧固件机械性能六、表面处理一、紧固件概述紧固件通常包括以下12大类零件:(螺栓、螺柱、螺钉、螺母、自攻螺钉、木螺钉、垫圈、挡圈、销、铆钉、组合件、焊钉)1.螺栓:特性:用于紧固两个(或以上)带有通孔的零件、由头部和螺杆两部分构成,通常与螺母配合,用于连接带有通孔和内螺纹的零件,可拆卸;六角头螺栓:常用的国标有以下四种:GB/T5780C级,GB/T5781(全牙)C级,GB/T5782,GB/T5783(全牙)六角头标准尺寸(S)公称尺寸六角尺寸(S)标准型小六角M5 8M6 10M8 13 12M10 16 14M12 18 17M16 24 222.螺柱:特性:没有头部的,仅有两端均外带螺纹的一类紧固件。
它的一端必须旋入带有内螺纹孔的零件中,另一端旋上螺母;螺柱常用品种:GB/T897 双头螺柱(bm=1d)GB/T900 双头螺柱(bm=2d)GB/T898 双头螺柱(bm=1.25d)GB/T901 等长双头螺柱GB/T899 双头螺柱(bm=1.5d)GB/T902.1 手工焊接螺柱3.螺钉:特性:由头部和螺杆两部份组成,螺母可要可不要,可拆卸。
用途可分三大类(机器、紧定、特殊)。
品种:以拧紧方式分:有六角头、一字槽(开槽)、十字槽、内六角、内六角花形等,以头部形状分:有六角头、半圆头、盘头、球面圆柱头、沉头、半沉头、圆柱头等,以尾端功能分:锥端、倒角端、平端、凹端、球面端、圆柱端等;螺钉常用品种:GB/T67 开槽盘头螺钉GB/T68 开槽沉头螺钉GB/T69 开槽半沉头螺钉GB/T833 开槽大圆头螺钉GB/T822 十字槽圆柱头螺钉GB/T818 十字槽盘头螺钉GB/T819.1 十字槽沉头螺钉GB/T820 十字槽半沉头螺钉GB/T70.1 内六角圆柱头螺钉GB/T70.2 内六角平圆头螺钉GB/T70.3 内六角沉头螺钉GB/T77 内六角平端紧定螺钉4.螺母:特性:属于内螺纹紧固件与螺栓、螺柱等外螺纹配合使用螺母常用品种GB/T41 六角螺母(M5起、C级)GB/T6170 I型六角螺母(M1.6起、A级)GB/T6172.1 六角薄螺母GB/T6177.1 六角法兰面螺母GB/T808 小六角特扁西亚螺母GB/T889.1 I型非金属钳件六角锁紧螺母GB/T802 组合式盖形螺母GB/T62.1 蝶形螺母(圆翼)GB/T809 嵌装圆螺母GB/T39 方形螺母GB/T6179 I型六角开槽螺母GB/T923 盖形螺母5.自攻螺钉:特性:自身有较高的硬度,用于较薄的金属构件(塑料件),头部同螺钉相同、区别在于螺纹及尾部常用自攻螺钉品种:GB/T845 十字槽盘头自攻螺钉GB/T846 十字槽沉头自攻螺钉GB/T847 十字槽半沉头自攻螺钉GB/T13806.2(ABC)精密机械用十字槽自攻螺钉GB/T2670.2 内六角花行沉头自攻螺钉GB/T5285 六角头自攻螺钉GB/T6564 内六角花行圆柱头自攻螺钉6.木螺钉:特性:自身有较高的硬度,用于一般零件与木质器材的连接,头部同自攻螺钉相同、尾部均为尖形;前提:先在一般零件上制出通孔而木质器材可以不用预制孔木螺钉常用品种:GB/T950 十字槽圆头木螺钉GB/T950 十字头沉头木螺钉GB/T952 十字头半沉头木螺钉7.垫圈:特性:属于紧固件连接的辅助零件与螺母结合使用作用:保护接触表面、改善接触面的摩擦系数、防止松动的作用垫圈常用品种:GB/T97.1 A级平垫圈GB/T848 A级小垫圈GB/T96.2 C级大垫圈GB/T93 标准型弹簧垫圈GB/T861.1 内齿锁紧垫圈GB/T862.1 外齿锁紧垫圈8.挡圈:特性:装在轴槽或孔槽中,阻止轴上或孔上零件轴向移动。
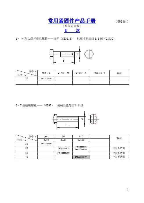
常用紧固件产品手册(008版)(单位为毫米)目次1)六角头螺杆带孔螺栓——细牙(GB31.3)机械性能等级8.8级(Q173C)2)T型槽用螺栓——(GB37)机械性能等级8.8级3)六角头螺栓——(GB5780)机械性能等级4.8级4)六角头螺栓——全螺纹(GB5781)机械性能等级4.8级(镀锌)5)六角头螺栓——(GB5782)机械性能等级8.8级(Q150B)6)六角头螺栓——全螺纹(GB5783)机械性能等级8.8级(Q150B)7)六角头螺栓——细牙(GB5785)机械性能等级8.8级(Q151C)8)六角头螺栓——细牙全螺纹(GB5786)机械性能等级8.8级(Q151C)9)六角法兰面螺栓—加大系列—B级——(GB5789)机械性能等级8.8级(Q186)10)内六角圆柱头螺钉——(GB70)机械性能等级8.8级(Q218B)11)十字槽盘头螺钉——(GB818)机械性能等级4.8级(Q214)12)十字槽沉头螺钉——(GB819)机械性能等级4.8级(Q254)13) 1型六角螺母——(GB41)机械性能等级4级14) 1型六角螺母——(GB6170)机械性能等级8级(Q340B)15) 1型六角螺母——细牙(GB6171)机械性能等级8级(Q341B)16)六角薄螺母——(GB6172.1)机械性能等级4级(Q350B)17) 1型六角开槽螺母——(GB6178)机械性能等级8级18) 1型全金属六角锁紧螺母——(GB6184)机械性能等级8级(Q334)19)全金属六角法兰面锁紧螺母——(GB/T6187.1)机械性能等级8级(Q330)20) 1型非金属嵌件六角锁紧螺母——(GB889.1)机械性能等级8级(Q328)21)非金属嵌件法兰面锁紧螺母——(GB/T6183.1)机械性能等级8级(Q338)22)盖形螺母——(GB923)机械性能等级6级23)碟形螺母——(GB62)(Q390)24)十字槽盘头自攻螺钉——(GB845)(Q271)25)十字槽沉头自攻螺钉——(GB846)(Q274)27)十字槽盘头自攻锁紧螺钉——(GB6560)(Q262)28)十字槽沉头自攻锁紧螺钉——(GB6561)(Q263)29)标准型弹簧垫圈——(GB93)(Q403)30)大垫圈——(GB96)(Q402)(镀锌)31)平垫圈——(GB97.1)(Q401)32)轴用弹性挡圈——(GB894.1)(Q431)33)特大垫圈C级——(GB5287)34)盆形圆锥垫圈——(Q416)35)开口销——(GB91)(Q500)36)半圆头铆钉——(GB867)(Q450)37)沉头铆钉——(GB869)(Q460)38)封闭型扁圆头抽芯铆钉——(GB12615)(Q442)39)封闭型沉头抽芯铆钉——(GB12616)(Q443)40)开口型扁圆头抽芯铆钉(材料HF1)——(GB12618)(Q440)41) 十字槽半沉头螺钉——(GB820)(Q256)42)钢结构用高强度大六角螺母——(GB/T 1229)43) 沉头铆螺母——(GB 17880.2)(Q374)44)平锥头铆钉——(GB868)材料:ML245) 1型六角开槽螺母(细牙)——(GB9457)机械性能等级8级(Q381B)46)六角头锥形螺塞——(Q618B)47)管夹(螺栓头形状C7)——材料:W2产品介绍:十字头形螺栓,头幅:SW=7mm宽,具有纵向槽口;材料:W2(铬钢AISI430/1.4016制成)。
机械设计手册紧固件第一部分:紧固件的概述在机械设计中,紧固件是至关重要的一部分,其作用是使各个零件能够紧密连接和固定,确保机械装置的正常运转。
紧固件包括螺栓、螺母、垫圈、销钉等,它们的种类繁多,不同的紧固件适用于不同的应用场景。
本手册将介绍不同种类的紧固件及其适用范围,以及紧固件在机械设计中的重要性和选用原则。
第二部分:螺纹连接及其应用螺纹连接是最常见的一种紧固方式,其优点是拆卸方便,能够承受一定的振动和冲击负荷。
本部分将介绍螺纹连接的基本原理,包括螺纹规格、螺纹连接的稳定性分析,以及螺纹连接在不同应用场景中的适用性。
第三部分:螺栓连接及安装要点螺栓是一种常见的紧固件,主要用于连接零部件或构件。
本部分将介绍螺栓的种类及选用原则,包括螺纹连接和摩擦连接的区别,螺栓的安装要点和预紧力的计算方法,以及在螺栓连接中避免松动和断裂的设计考虑。
第四部分:螺母和垫圈的选择及应用螺母和垫圈是螺栓连接中不可或缺的配件,它们能够提供对螺栓的支撑和保护,保证螺栓连接的牢固性。
本部分将介绍螺母和垫圈的种类和功能,包括标准螺母和特殊螺母的选择原则,垫圈的作用和分类,以及在不同工况下的螺母和垫圈的应用指南。
第五部分:其他常见的紧固件除了螺栓、螺母、垫圈之外,还有一些其他常见的紧固件,如销钉、弹簧挡圈、螺柱等。
本部分将介绍这些紧固件的特点和适用范围,以及在机械设计中的使用注意事项。
结语:紧固件在机械设计中扮演着至关重要的角色,合理选用和使用紧固件能够提升机械设备的可靠性和安全性。
希望通过本手册的介绍,读者能够对紧固件有一个更加全面的了解,为自己的机械设计工作提供更好的指导和帮助。
紧固件选用手册紧固件选用手册1、引言本手册旨在为工程师和设计师提供关于紧固件(螺栓、螺母、螺钉等)的选用指南。
通过正确选用紧固件,可以确保装配的稳定性和可靠性,从而提高产品的品质和安全性。
本手册将介绍紧固件的类型、材料、性能要求以及选用原则等相关内容。
2、紧固件的分类2.1 螺钉2.1.1 机械螺纹螺钉2.1.2 金属丝螺钉2.1.3 塑料螺钉2.2 螺栓2.2.1 全螺纹螺栓2.2.2 半螺纹螺栓2.2.3 不锈钢螺栓2.3 螺母2.3.1 平面螺母 2.3.2 螺纹螺母2.3.3 自锁螺母3、紧固件的材料3.1 碳钢3.1.1 45钢3.1.2 40Cr钢3.2 不锈钢3.2.1 不锈钢304 3.2.2 不锈钢316 3.3 铜3.4 铝合金4、紧固件的性能要求 4.1 抗拉强度4.2 屈服强度4.3 耐腐蚀性4.4 耐疲劳性4.5 耐高温性4.6 耐低温性5、紧固件的选用原则5.1 载荷计算5.2 紧固件的预加载5.3 紧固件的安装方法5.4 紧固件的可调节性5.5 紧固件的使用环境6、附件6.1 技术图纸6.2 紧固件选型表6.3 紧固件安装指南附件:本文涉及的附件包括但不限于:技术图纸、紧固件选型表、紧固件安装指南等相关资料。
法律名词及注释:1、载荷计算:根据工程的需求和应力分析,计算所需紧固件的最大承载能力。
2、预加载:在安装紧固件时,施加一定的预紧力,使紧固部位紧密连接并防止松动或失效。
3、可调节性:紧固件在使用过程中是否可以进行调整或更换,以适应不同的工作条件。
全文结束。
为规范无锡大阳电动科技有限公司电动车紧固件的选用,并结合公司PLM要求特编制了本《紧固件选用手册》,依据现实际和发展的需要,手册中选录有螺栓类、螺钉类、螺母类、垫圈类、销轴类、企标类共六大类54小类的紧固件,供大家使用。
在使用中各位对本手册有什么意见和建议,请随时向技术中心反映。
本手册编制人:编制说明1本选用手册是依据本公司电动车对紧固件的使用情况编制。
2紧固件的表面处理镀锌件按GB/T 9799-2011《金属及其他无机覆盖物钢铁上经过处理的锌电镀层》其余按GB/T 13911-2008《金属镀覆和化学处理标识方法》的规定表示:1)Fe/Z n/B —表示钢件电镀锌后漂白铬酸盐处理(漂白膜)(外观为带轻微彩虹的白色或蓝白色);2)Fe/Zn/C —表示钢件电镀锌后彩虹铬酸盐处理(彩虹膜)(外观为偏黄的彩虹色);3)Fe/Zn/D —表示钢件电镀锌后军深色铬酸盐处理(不透明膜)(外观为橄榄绿,也称军绿)4 )Fe/Zn/F —表示钢件电镀锌后黑色铬酸盐处理(黑色膜)(外观为黑色);5 )Fe/Cr20b —表示钢件电镀铬处理,光亮镀铬,镀镍层厚20卩m,镀铬层厚0.3卩m;6 )Ct.O —表示钢件进行化学氧化处理(发蓝或发黑),本公司规定只采用发黑,以后标准件中凡是采用Ct.O又未注明颜色的,均按发黑处理;7 )镀锌件铬酸盐处理后须进行封闭处理(T2),为了简化起见,代号标记里未作标注。
3电镀层厚度要求:1 )电镀锌如不标注镀层厚度,则镀锌层厚度应达到12卩m以上;2 )电镀铬如不标注镀层厚度,则镀层总厚度应达到20卩m以上;3)采购部订购紧固件时应按此要求采购,品管部按此要求验收。
4紧固件的标注按各种紧固件的标注示例进行,标准代号一律不标年份。
5. “O”符号为我司正常使用规格。
1)大类:见表1.2) 小类:见表2.表(续)表(续)3a) 一般按紧固件的直径规格,用2位数表示;b) 细牙螺纹:同一直径规格有不同螺距时,按表3规定。
圆头带介割尾自攻PWT 各种螺丝及代号沉头机牙螺丝KM半沉头机牙螺丝OM 圆头带介机牙螺丝PWM 大头平尾自攻螺丝BB 圆头带介自攻螺丝PWA 圆头平尾自攻螺丝PB 圆头带介平尾自攻PWB大扁头自攻螺丝TA 半沉头自攻螺丝OA 沉头割尾自攻螺丝KT 沉头平尾自攻螺丝KB 烤漆螺丝圆头割尾自攻螺丝PT 杯头内六角自攻HA 十一字槽半圆头机丝牙螺丝/TM 十字槽大扁头自攻螺丝/BA 薄头自攻螺丝CA 大扁头平尾自攻螺丝TB 木牙/快牙螺丝外六角自攻螺丝外六角机牙螺丝杯头内六角自攻HA杯头螺栓十字槽沉头机丝牙螺丝/FM 马车螺丝电脑螺丝大头机牙螺丝BM 大扁头机牙螺丝TM 圆头机牙螺丝PM 手拧螺丝万能角铁螺丝/马车螺丝木螺丝/快牙/木牙纤维板钉沉头自攻螺丝KA彩色开花铆钉非标螺丝/台阶螺丝盖形螺帽/螺母螺栓圆头自攻牙/PA 台阶螺丝钻尾自攻螺丝台阶螺丝铜螺帽/螺母杯头内六角机牙螺钉内六角半圆头机丝牙螺丝牙接/牙管直通内外牙螺帽/螺母音箱螺丝/音响螺丝/电器螺丝十字槽盘头自攻螺丝/PA十字槽盘头螺丝/PM 十字槽喇叭头快牙自攻/FA 薄头平尾自攻螺丝CB 干壁钉大头自攻螺丝BA 组合螺钉/带介子螺钉家具螺丝杯头内六角自攻螺丝四爪螺母/三角钉/四角钉钻尾自转螺丝带垫片组合螺丝各种平垫吊环/T 杆自锁放松螺帽/螺母内六角组合螺丝/HB/HM 紧定螺丝半空芯铆钉系列螺帽/螺母拉母双头牙蝶形螺丝接线端子/插脚/插针外六角非标件羊眼柱轴类双头牙自攻螺丝/把手螺丝/家具螺丝手机螺丝/钟表螺丝/微型螺丝/精密螺丝/小螺丝预埋螺母/塑胶镶嵌螺/滚花铜螺母铜螺母/预埋/镶嵌螺母螺丝牙型分类图解螺丝槽型分类图解◆圆头自攻螺丝PA ◆ 大头自攻螺丝BA◆ 圆头平尾自攻螺丝PB 环保/烤漆螺丝◆ 大头平尾自攻螺丝BB ◆ 大扁头自攻螺丝TA◆ 大扁头平尾自攻螺丝TB ◆ 大扁头割尾自攻螺丝TT ◆ 沉头割尾自攻螺丝KT ◆ 半沉头自攻螺丝OA◆ 圆头割尾自攻螺丝PT ◆ 圆头带介自攻螺丝PWA ◆ 圆头带介平尾自攻PWB ◆ 圆头带介割尾自攻PWT ◆ 沉头自攻螺丝KA ◆ 沉头平尾自攻螺丝KB 机丝类:◆圆头机牙螺丝PM ◆ 圆头带介机牙螺丝PWM ◆ 大扁头机牙螺丝TM ◆ 沉头机牙螺丝KM ◆ 半沉头机牙螺丝OM ◆ 大头机牙螺丝BM ◆ 薄头机牙螺丝CM ◆ 薄头自攻螺丝CA◆ 薄头平尾自攻螺丝CB ◆ 杯头内六角自攻HA ◆ 干壁钉/墙板钉/纤维钉◆杯头机牙螺栓HM。
一、螺絲通用技術條件
如無其它規定,則按本公司以下要求:
1.外觀質量檢查:
表面鍍層/氧化層均勻致密,無露底、脫落、變形、缺口、裂紋和披鋒等不良.
2.鹽霧腐蝕試驗: 350C/5%NaCl水溶液/2hrs.
3.可針對具體要求, 對樣品作扭力裝配試驗
二、分類
本公司涉及的螺絲分類如下:
2.1PA--圓頭尖腳螺絲
2.2PB--圓頭平腳螺絲
2.3PT--圓頭介腳螺絲
2.4BA—大頭尖腳螺絲
2.5BT--平腳介腳螺絲
2.6KA--平頭尖腳螺絲
2.7KB--平頭平腳螺絲
2.8KT--平頭介腳螺絲
2.9PWA/ WA--帶介子尖腳螺絲
2.10PWB /WB--帶介子平腳螺絲
2.11PWT/ WT--帶介子介腳螺絲
2.12PM--圓頭机牙螺絲
2.13KM--平頭平腳机牙螺絲
2.14六角机牙螺絲
代號說明: A-尖腳; B-大頭,平腳; M-机牙; K-平頭; P-圓頭; T-介腳; W-帶介子. 2.1 PA--圓頭尖腳螺絲
實 物 圖 片 結 構 示 意 圖
PA--圓頭尖腳螺絲標準化參數範圍 unit: mm
No. d(名義直徑)
d1(內徑) L(整數系列)
D(頭徑) H (頭高)
Remark
1 1.4 1.0 3-7 2.5 0.8 表面黑色、鍍鎳,或鍍鋅
2 1.7 1.2 4-10 3.
3 1.3 3 2 1.5 4-16 3.7 1.
4 4 2.3 1.6 5-20 3.7 1.4
5 2.
6 1.8 5-25 4.2 1.
7 6 3 2.1 6-40 5.2 2 7 3.5 2.6 6-60 5.7 2.3 8
4
3.0
6-70
6.8
2.5
注:設計和使用中應优先選用下表中已有的螺絲規格; 如無,則應使選用的螺絲符合上表的規定參數.
現有PA 圓頭尖腳螺絲參數 unit: mm
No. d d1 L D H
P/N
Remark 1 ψ1.4 1 4 2.5 0.8 24-3064-9001/9005 黑色/鍍鎳 2 ψ1.4 1 6 2.5 0.8 24-0002-9001/9005 黑色/鍍鎳 3 ψ1.4 1 6 2.5 0.8 24-0094-9001 黑色 4 ψ1.4 1 7 2.5 0.8 24-3046-9001 黑色 5 ψ1.4 1 8 2.5 0.8 24-0019-9001 牙長4,黑色 6 ψ1.4 1 8 2.5 0.8 24-0019-9005 鍍鎳 7 ψ1.7 1.2 4 3.3 1.3 24-0041-9005 鍍鎳 8 ψ2 1.5 4 3.8 1.5 24-0005-9001/9005 黑色/鍍鎳 9 ψ2 1.5 5 3.3 1.2 24-0022-9001 黑色 10 ψ2 1.5 7 3.2 1.2 24-3051-9001 黑色 11 ψ2 1.5 8 3.6 1.4 24-3109-9001 黑色 12 ψ2 1.5 9 3.8 1.4 24-3001-9005 鍍鋅 13 ψ3 2.1 6 5.2 2 24-0026-9005 鍍鎳 14
ψ3
2.1
8
5.2
2
24-0096-9005
鍍鎳
15 ψ3 2.1 16 5.3 2.2 24-3009-9005 鍍鎳 16 ψ3.5 2.6 18 5.7 2 24-3007-9005 鍍白鋅(鍍鎳) 17 ψ3.5 2.6 9 7 2.3 24-0099-9005 鍍鎳(白鋅) 18 ψ4 2.4 16 6.5 2.4 24-0083-9001/9005 黑色/鍍鎳 19 ψ4 25 6.5 2.4 24-0070-9001 黑色 20 ψ4 3 30 6.7 2.5 24-0081-9001 黑色 21 ψ4 30 6.5 2.4 24-0071-9001 黑色 22 ψ4
2.5
30
6.7
2.5
24-0081-9005
鍍鎳
2.2 PB--圓頭平腳螺絲
實 物 圖 片
結 構 示 意 圖
PB--圓頭平腳螺絲標準化參數範圍 unit: mm
No. d(名義直徑)
d1(內徑) L(整數系列)
D(頭徑) H (頭高)
Remark
1 1.4 1.0 2-6 2.5 0.8 表面黑色、鍍鎳,或鍍鋅
2 1.7 1.2 3-10 3.
3 1.3 3 2 1.5 3-16 3.7 1.
4 4 2.3 1.6 4-20 3.7 1.4
5 2.
6 1.8 4-25 4.2 1.
7 6 3 2.1 4-40 5.2 2 7 3.5 2.6 4-60 5.7 2.3 8
4
3.0
4-70
6.7
2.5
注:設計和使用中應优先選用下表中已有的螺絲規格; 如無,則應使選用的螺絲符合上表的規定參數.
現有PB 圓頭尖腳螺絲參數 unit: mm
No.
d
d1
L
D
H
P/N
Remark
2.3 PT--圓頭介腳螺絲
2.4 BA—大頭尖腳螺絲
2.5 BT—大頭介腳螺絲
2.6 KA—平頭尖腳螺絲
2.7 KB--平頭平腳螺絲
2.8 KT----平頭介腳螺絲
2.9 WA--帶介子尖腳螺絲
2.10 WB/PWB--帶介子平腳螺絲
2.11 WT/PWT---帶介子介腳螺絲
2.12 PM--圓頭机牙螺絲
2.13 KM--平頭机牙螺絲
2.14六角机牙螺絲。