模板设计计算书(一)
- 格式:doc
- 大小:28.50 KB
- 文档页数:7
一、工程概况本项目为XX建筑工程,建筑面积XX平方米,建筑高度XX米,结构形式为框架结构。
根据设计要求,本工程模板工程采用钢模板体系,模板工程量较大,施工质量要求高。
二、模板工程材料及设备1. 模板材料:Q345钢模板、铝合金模板、竹胶板等。
2. 支撑材料:Φ48×3.5钢管、扣件、U型卡、钢垫板等。
3. 钢筋材料:HPB300钢筋、HRB400钢筋等。
4. 设备:卷扬机、塔吊、泵车、砂浆搅拌机、电焊机等。
三、模板工程计算1. 模板面积计算(1)梁模板面积:XX平方米(2)板模板面积:XX平方米(3)柱模板面积:XX平方米(4)墙模板面积:XX平方米2. 支撑体系计算(1)梁支撑体系:根据设计要求,梁模板支撑体系采用满堂红支撑体系。
根据梁截面尺寸和荷载要求,选用Φ48×3.5钢管,间距为XXcm,立杆基础埋深为XXcm。
(2)板支撑体系:板模板支撑体系采用双层钢管支撑体系。
根据板厚度和荷载要求,选用Φ48×3.5钢管,间距为XXcm,立杆基础埋深为XXcm。
(3)柱支撑体系:柱模板支撑体系采用十字支撑体系。
根据柱截面尺寸和荷载要求,选用Φ48×3.5钢管,间距为XXcm,立杆基础埋深为XXcm。
3. 钢筋工程计算(1)梁钢筋工程:根据设计要求,梁钢筋采用HRB400钢筋,直径为XXmm。
根据梁截面尺寸和配筋要求,计算钢筋工程量。
(2)板钢筋工程:板钢筋采用HPB300钢筋,直径为XXmm。
根据板厚度和配筋要求,计算钢筋工程量。
(3)柱钢筋工程:柱钢筋采用HRB400钢筋,直径为XXmm。
根据柱截面尺寸和配筋要求,计算钢筋工程量。
四、施工方案1. 施工准备(1)现场场地平整,确保施工安全。
(2)材料设备准备,确保施工顺利进行。
(3)施工人员培训,提高施工技能。
2. 施工顺序(1)梁模板安装:先安装梁模板,然后安装梁钢筋,最后进行混凝土浇筑。
(2)板模板安装:先安装板模板,然后安装板钢筋,最后进行混凝土浇筑。
独立梁模板设计计算书1 计算简图2 高支模设计计算模板支架搭设高度为13.20米,基本尺寸为:梁截面 B×D=400mm×900mm,梁两侧楼板厚度0mm,梁支撑立杆的横距(跨度方向) l=0.90米,立杆的步距 h=1.50米,梁底布置3道龙骨,梁底小横杆间距0.300m,梁底增加1道承重立杆。
梁顶托采用双钢管: 48×3.5。
立杆上端伸出至模板支撑点长度:0.30米。
采用的钢管类型为48×3.5。
一、模板面板计算使用模板类型为:胶合板。
面板为受弯结构,需要验算其抗弯强度和刚度。
模板面板按照多跨连续梁计算。
(1)钢筋混凝土板自重(kN/m):q11 = 25.500×0.900×0.300=6.885kN/m(2)模板的自重线荷载(kN/m):q12 = 0.350×0.300×(2×0.900+0.400)/0.400=0.578kN/m(3)活荷载为施工荷载标准值(kN/m):q13 = 2.500×0.300=0.750kN/m均布线荷载标准值为:q = 25.500×0.900×0.300+0.350×0.300×(2×0.900+0.400)/0.400=7.463kN/m 均布线荷载设计值为:q1 = 0.9×[1.35×(6.885+0.578)+1.4×0.9×0.750]=9.917kN/m 面板的截面惯性矩I和截面抵抗矩W分别为:本算例中,截面抵抗矩W和截面惯性矩I分别为:W = 30.00×1.80×1.80/6 = 16.20cm3;I = 30.00×1.80×1.80×1.80/12 = 14.58cm4;施工荷载为均布线荷载:计算简图剪力图(kN)弯矩图(kN.m)经过计算得到从左到右各支座力分别为N1=0.744kNN2=2.479kNN3=0.744kN最大弯矩 M1 = 0.050kN.m(1)抗弯强度计算经计算得到面板抗弯强度计算值 f = 0.050×1000×1000/16200=3.061N/mm2面板的抗弯强度设计值 [f],取15.00N/mm2;面板的抗弯强度验算 f < [f],满足要求!(2)挠度计算验算挠度时不考虑可变荷载值,仅考虑永久荷载标准值,故采用均布线荷载标准值q = 7.46kN/m为设计值。
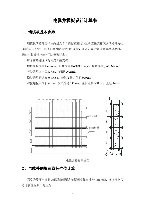
电缆井模板设计计算书1、墙模板基本参数墙模板的背部支撑由两层龙骨(横肋或竖肋)组成,直接支撑模板的龙骨为次龙骨,即内龙骨;用以支撑内层龙骨为外龙骨,即外龙骨组装成侧墙题模板时,通过对拉螺栓将墙体两片模板拉结,每个穿墙螺栓成为外龙骨的支点。
模板面板厚度h=12mm,弹性模量E=6000N/mm2,抗弯强度[f]=15N/mm2。
竖肋采用方木□50×80,间距200mm。
横肋采用圆钢管φ48×3.5,每道2根,间距600mm。
对拉螺栓单根长65cm,水平距离500mm,竖向距离500mm,直径16mm。
电缆井模板示意图2、电缆井侧墙荷载标准值计算强度验算要考虑新浇混凝土侧压力和倾倒混凝土时产生的荷载;挠度验算只考虑新浇混凝土侧压力。
新浇混凝土侧压力计算公式为下式中的较小值:其中—— 混凝土的重力密度,取26.000kN/m3;t —— 新浇混凝土的初凝时间,为0时(表示无资料)取200/(T+15),按试验结果取7h ;T —— 混凝土的入模温度,取20.000℃; V —— 混凝土的浇筑速度,取1.9m/h ;H —— 混凝土侧压力计算位置处至新浇混凝土顶面总高度,取1.9m ;1—— 外加剂影响修正系数,取1.000;2—— 混凝土坍落度影响修正系数,取0.850。
根据公式计算的新浇混凝土侧压力标准值 F1=0.22×26×7×1×0.85×√1.9=46.9kN/m2 -F2=26*1.9=49.4KN/㎡实际计算中采用新浇混凝土侧压力标准值 F1=50.000kN/m2 倒混凝土时产生的荷载标准值 F2= 6.000kN/m2。
3、侧墙模板受力计算3.1墙模板面板的计算面板为受弯结构,需要验算其抗弯强度和刚度。
计算的原则是参照竖肋的间距,拟按支撑在竖肋上的三跨连续梁计算。
面板计算简图q2002003.1.1模板强度计算= M/W < [f]其中——面板的强度计算值(N/mm2);M ——面板的最大弯距(N.mm);W ——面板的净截面抵抗矩,W = 20.00×1.20×1.20/6=4.8cm3;[f] ——面板的强度设计值(N/mm2)。
桥台模板设计计算一、概述由于肋式桥台的结构尺寸种类较多,为了便于模板的统一利用,提高利用率,模板按照最大尺寸制作。
为了保证结构的外观质量,模板采用大块定型钢模板,且沿高度方向分两节制作。
二、模板设计1、模板结构形式模板面板采用5mm钢板,竖肋采用[8槽钢,间距为50cm,内横肋采用5*80的扁钢,间距为30cm,外横肋采用2[8槽钢,间距为80cm,边框采用∠75/6的角钢。
2、荷载计算(1)砼侧压力砼采用吊斗浇注,浇注速度取 3.5m/h,入模温度取15℃,Ks 取1.15,Kw取 1.2,肋台最高为6.12m,则Pm=4+[1500/(T+30)]×Ks×Kw×3√V=4+[1500/(15+30)]×1.15×1.2×3√3.5 =73.84Kpa Pm=ΥΗ=25×6.12=153Kpa故取Pa为73.84Kpa。
(2)振捣砼时产生的荷载取 4.0Kpa计算强度荷载P1=77.84Kpa验算强度荷载P2=73.84Kpa3、面板计算Lx/Ly=50/30=1.67 按双面板计算,选三边固定,一边简支的情况计算。
(1)强度计算由《建筑工程模板施工手册》查得,当Ly/Lx=0.6时W=0.00249 Mx=0.0384 My=0.0059 Mx0=-0.0814 My=-0.0571 取 1 米宽板条作为计算单元,最大强度计算荷载为:q=77.84×1=77.84KN/mMmax=Mx0ql2=-0.0814×77.84×0.32=0.57KN·m面板截面抗弯模量 W=bh2/6=1000×52/6=4167mm3σm a x = Mm a x/W =0.57×106/4167=136.8MPa<[σ]=145Mpa强度满足要求。
(2)刚度验算F=P2=73.84Kpa h=300mB=Eh3/12(1-ν2)=2.06×105×53/[12×(1-0.32)]=2.36×106N·mmKf=W=0.00249,则fm a x =KfFl4/B=0.00249×73.84×10-3×3004/2.36×106=0.63mmfm a x与h/500=0.6相差很小,可认为满足要求。
一、编制依据1、《建筑施工模板安全技术规范》JGJ162-20082、《混凝土结构设计规范》GB50010-20103、《建筑结构荷载规范》GB50009-20124、《钢结构设计规范》GB50017-20035、《建筑施工临时支撑结构技术规范》JGJ300-20136、《施工手册》(第五版)二、工程概况三、施工部署a)技术准备1)根据施工图纸要求计算模板配制数量,确定每个部位模板施工方法,编制模板设计施工方案。
2)项目技术负责人及主管工长对操作班组做好岗前培训,明确模板加工、安装标准及要求。
3)根据施工进度,主管工长提前制定模板加工计划。
b)生产准备四、模板选型及质量要求模板设计及加工质量的标准按清水混凝土质量标准实施,清水混凝土外观要求应达到:表面平整光滑,线条顺直,几何尺寸准确(在允许偏差以内),色泽一致,无蜂窝、麻面、露筋、夹渣和明显的汽泡,模板拼缝痕迹有规律性,结构阴阳角方正且无损伤,上下楼层的连接面平整搭接,表面无需粉刷或仅需涂料罩面即可达到相当于中级抹灰的质量标准。
模板设计及加工在满足模板施工及质量要求的前提下,尽量考虑经济,施工效率等成本因素。
根据本工程施工工期较短、质量标准高的特点,同时考虑经济效益及现场实际情况,模板综合选型如下:柱模板15厚木胶板覆面模板;50×100木方作次龙骨,间距为250。
按柱截面和净高制成定型模板,用钢管柱箍,间距600,φ14螺栓对拉,钢管斜撑固定。
梁模板15mm厚竹胶板梁模板采用15厚木胶板作面板,底面次龙骨采用50×100木方间距150,主龙骨选用φ48×3.5钢管,间距600; 侧模采用15厚木胶板作面板,侧模次龙骨:50×100木方间距250;短钢管作竖楞,间距600。
顶板模板本工程地下室现浇楼板模板采用15mm 厚木胶板,次龙骨选用50×100木方间距250,主龙骨为100×100间距1200,支撑系统采用φ48×3.5满堂扣件式钢管脚手架,支撑间距为1200×1200。
福建工程学院土木工程系课程设计(《建筑施工技术》——模板设计)专业:学号:班级:姓名:指导老师:日期:目录1.工程简介 (3)2.模板选型 (3)3.施工方法 (3)4.模板安装 (4)5.保证安全生产和要求………………………………………………………6.模板设计 (6)7.模板拆除 (6)8.柱模板计算书 (9)9.墙模板计算书 (18)10.梁模板计算书 (26)11.板模板计算书 (39)模板设计一,工程简介本工程,地下1层,地面28层。
冲(钻)孔灌注桩基础,主体设计为:一~四层为裙楼,五层为转换层,A塔楼二十六层,B、C塔楼为二十八层。
裙楼为钢筋混凝土框架结构,塔楼为框肢剪力墙结构。
其中底层层高最大为4.8m,最大柱截面为0.8X1.2m,最大截面梁为0.6X0.8m楼板最大厚度为0.14m,最大柱矩为8.0x7.8m。
标准层剪力墙高2.9m 墙厚0.4m。
一~五层柱混凝土强度为C40,塔楼柱混凝土强度为C35墙和板混凝土强度为C30。
本工程采用泵送混凝土,掺有粉煤灰,坍落度为10-12cm。
不惨缓凝剂。
二、模板选型1、柱模板18厚覆面木胶和板模板,75×100松枋作木楞,用Φ48×3.5mm钢管柱箍。
按柱截面和净高制成定型模板2、墙体模板18厚覆面木胶和板模板,75×100松枋作内楞,Φ48×3.5mm钢管做外楞,M14对拉螺栓固定。
3、梁模板梁模板采用18厚覆面木胶和板作面板,75×100松枋作内外楞,用M12螺体穿梁对拉两道。
支撑系统采用φ48×3.5钢管脚手架。
4、顶板模板18厚覆面木胶和板模板,75×100松枋作木楞,支撑系统采用φ48×3.5扣件式钢管脚手架。
三、施工方法(一)施工准备1、模板安装前基本工作:(1)放线:首先引测建筑的边柱、墙轴线,并以该轴线为起点,引出各条轴线。
模板放线时,根据施工图用墨线弹出模板的中心线和边线,墙模板要弹出模板的边线和外侧控制线,以便于模板安装和校正。
墙模板计算书一、墙模板基本参数计算断面宽度400mm,高度7100mm,两侧楼板厚度200mm。
模板面板采用普通胶合板。
内龙骨间距200mm,内龙骨采用40×90mm木方,外龙骨采用双钢管48mm×3.5mm。
对拉螺栓布置14道,在断面内水平间距200+500+500+500+500+500+500+500+500+500+500+500+500+500mm,断面跨度方向间距600mm,直径14mm。
面板厚度15mm,剪切强度1.4N/mm2,抗弯强度15.0N/mm2,弹性模量6000.0N/mm2。
木方剪切强度1.3N/mm2,抗弯强度13.0N/mm2,弹性模量9000.0N/mm2。
7100m m模板组装示意图二、墙模板荷载标准值计算强度验算要考虑新浇混凝土侧压力和倾倒混凝土时产生的荷载设计值;挠度验算只考虑新浇混凝土侧压力产生荷载标准值。
新浇混凝土侧压力计算公式为下式中的较小值:其中γc——混凝土的重力密度,取24.000kN/m3;t ——新浇混凝土的初凝时间,为0时(表示无资料)取200/(T+15),取5.714h;T ——混凝土的入模温度,取20.000℃;V ——混凝土的浇筑速度,取2.500m/h;H ——混凝土侧压力计算位置处至新浇混凝土顶面总高度,取1.200m;β——混凝土坍落度影响修正系数,取0.850。
根据公式计算的新浇混凝土侧压力标准值 F1=28.800kN/m2考虑结构的重要性系数0.9,实际计算中采用新浇混凝土侧压力标准值:F1=0.9×27.000=24.300kN/m2考虑结构的重要性系数0.9,倒混凝土时产生的荷载标准值:F2=0.9×4.000=3.600kN/m2。
三、墙模板面板的计算面板为受弯结构,需要验算其抗弯强度和刚度。
模板面板的按照连续梁计算。
面板的计算宽度取6.90m。
荷载计算值q = 1.2×24.300×6.900+1.40×3.600×6.900=235.980kN/m面板的截面惯性矩I和截面抵抗矩W分别为:本算例中,截面惯性矩I和截面抵抗矩W分别为:W = 690.00×1.50×1.50/6 = 258.75cm3;I = 690.00×1.50×1.50×1.50/12 = 194.06cm4;235.98kN/mA计算简图0.944弯矩图(kN.m)变形的计算按照规范要求采用静荷载标准值,受力图与计算结果如下:167.67kN/mA变形计算受力图0.012经过计算得到从左到右各支座力分别为 N 1=18.878kN N 2=51.916kNN3=51.916kNN4=18.878kN最大弯矩 M = 0.943kN.m最大变形 V = 0.156mm(1)抗弯强度计算经计算得到面板抗弯强度计算值 f = M/W = 0.943×1000×1000/258750=3.644N/mm2面板的抗弯强度设计值 [f],取15.00N/mm2;面板的抗弯强度验算 f < [f],满足要求!(2)抗剪计算截面抗剪强度计算值T=3Q/2bh=3×28317.0/(2×6900.001×15.000)=0.410N/mm2截面抗剪强度设计值 [T]=1.40N/mm2面板抗剪强度验算 T < [T],满足要求!(3)挠度计算面板最大挠度计算值 v = 0.156mm面板的最大挠度小于200.0/250,满足要求!四、墙模板内龙骨的计算内龙骨直接承受模板传递的荷载,通常按照均布荷载连续梁计算。
石板幕墙设计计算一.基本概况:工程名称: 蛇口SCT大厦幕墙高度:50(m)基本风压:700(Pa)地区类别:A(类)层 间 高:3800(mm)支点间距:3100(mm)分格长度:1000(mm)分格宽度:1200(mm)二.确定荷载:1.风荷载:根据中华人民共和国标准《建筑结构荷载规范》GBJ 9-87,以及中华人民共和国行业标准《玻璃幕墙工程技术规范》(以下称《规范》),建筑物 表面上风荷载标准值,应按下式计算:W k =βzμzμsWo(《规范》5.2.2)式中:W k作用在幕墙上的风荷载标准值(N/m2)βz瞬时风压的阵风系数μz风压高度变化系数μs风荷载体型系数Wo基本风压(N/m2)根据本大楼的具体情况,风荷载计算的有关数据取值如下:βz =2.25μz =1.379(Z/10)^0.24=2.03μs =1.5采用重现期为50年的基本风压值,取系数1.1即:W k =1.1βzμzμsWo=1.1×2.25×2.03×1.5×700=5275.5(Pa)2.地震荷载:根据《规范》规定,垂直于幕墙平面地震作用可按下式计算:q E =βE αmaxG/A (《规范》5.2.5) 式中:q E作用于幕墙平面内的水平地震作用G幕墙构件的重量取:800A幕墙构件的面积αmax 水平地震影响系数最大值,取:βE 动力放大系数,取3.0故:q E =3×0.08×800×A/A=192三.型材断面的设计:1.立柱断面的设计:本大厦的层间高为3800(mm),根据结构的实际情况,立柱采用双支点结构安装,各 支点的距离分别为3100(mm)和 700(mm)(见图一)。
由于每一立柱为 3个支点,即立柱 为一超静定梁,为了简化计算,取两支点间距离较大的一段,并把它简化为简支梁进 行计算。
( 图 一 )根据《规范》5.5.5要求,立柱的最大允许挠度为:L/180且应小于20mm。
a.平板的计算一、参数信息:1.模板支架参数横向间距或排距(m):1.00;纵距(m):1.00;步距(m):1.50;立杆上端伸出至模板支撑点长度(m):0.10;模板支架搭设高度(m):5.38;采用的钢管(mm):Φ48×3.5 ;板底支撑连接方式:方木支撑;立杆承重连接方式:双扣件,考虑扣件的保养情况,扣件抗滑承载力系数:0.80;2.荷载参数模板与木板自重(kN/m2):0.350;混凝土与钢筋自重(kN/m3):25.000;施工均布荷载标准值(kN/m2):2.500;4.材料参数面板采用胶合面板,厚度为18mm;板底支撑采用方木;面板弹性模量E(N/mm2):9500;面板抗弯强度设计值(N/mm2):13;木方抗剪强度设计值(N/mm2):1.400;木方的间隔距离(mm):250.000;木方弹性模量E(N/mm2):9500.000;木方抗弯强度设计值(N/mm2):13.000;木方的截面宽度(mm):50.00;木方的截面高度(mm):100.00;5.楼板参数钢筋级别:二级钢HRB 335(20MnSi);楼板混凝土强度等级:C30;每层标准施工天数:8;每平米楼板截面的钢筋面积(mm2):654.500;楼板的计算长度(m):4.50;施工平均温度(℃):25.000;楼板的计算宽度(m):4.00;楼板的计算厚度(mm):170.00;图2 楼板支撑架荷载计算单元二、模板面板计算:面板为受弯构件,需要验算其抗弯强度和刚度,取单位宽度1m的面板作为计算单元面板的截面惯性矩I和截面抵抗矩W分别为:W = 100×1.82/6 = 54 cm3;I = 100×1.83/12 = 48.6 cm4;模板面板的按照三跨连续梁计算。
面板计算简图1、荷载计算(1)静荷载为钢筋混凝土楼板和模板面板的自重(kN/m):q1 = 25×0.17×1+0.35×1 = 4.6 kN/m;(2)活荷载为施工人员及设备荷载(kN/m):q2 = 2.5×1= 2.5 kN/m;2、强度计算最大弯矩考虑为静荷载与活荷载的计算值最不利分配的弯矩和,计算公式如下:其中:q=1.2×4.6+1.4×2.5= 9.02kN/m最大弯矩M=0.1×9.02×0.252= 0.056 kN·m;面板最大应力计算值σ= 56375/54000 = 1.044 N/mm2;面板的抗弯强度设计值[f]=13 N/mm2;面板的最大应力计算值为 1.044 N/mm2 小于面板的抗弯强度设计值13 N/mm2,满足要求!3、挠度计算挠度计算公式为其中q = 4.6kN/m面板最大挠度计算值v = 0.677×4.6×2504/(100×9500×48.6×104)=0.026 mm;面板最大允许挠度[V]=250/ 250=1 mm;面板的最大挠度计算值0.026 mm 小于面板的最大允许挠度1 mm,满足要求!三、模板支撑方木的计算:方木按照三跨连续梁计算,截面惯性矩I和截面抵抗矩W分别为:W=5×10×10/6 = 83.33 cm3;I=5×10×10×10/12 = 416.67 cm4;方木楞计算简图1.荷载的计算:(1)钢筋混凝土板自重(kN/m):q1= 25×0.25×0.17 = 1.062 kN/m;(2)模板的自重线荷载(kN/m):q2= 0.35×0.25 = 0.087 kN/m ;(3)活荷载为施工荷载标准值与振倒混凝土时产生的荷载(kN/m):p1 = 2.5×0.25 = 0.625 kN/m;2.强度验算:最大弯矩考虑为静荷载与活荷载的计算值最不利分配的弯矩和,计算公式如下:均布荷载q = 1.2 ×(q1 + q2)+ 1.4 ×p1 = 1.2×(1.062 + 0.087)+1.4×0.625 = 2.255 kN/m;最大弯矩M = 0.1ql2 = 0.1×2.255×12 = 0.225 kN·m;方木最大应力计算值σ= M /W = 0.225×106/83333.33 = 2.706 N/mm2;方木的抗弯强度设计值[f]=13.000 N/mm2;方木的最大应力计算值为 2.706 N/mm2 小于方木的抗弯强度设计值13 N/mm2,满足要求!3.抗剪验算:截面抗剪强度必须满足:τ= 3V/2bhn < [τ]其中最大剪力: V = 0.6×2.255×1 = 1.353 kN;方木受剪应力计算值τ= 3 ×1.353×103/(2 ×50×100) = 0.406 N/mm2;方木抗剪强度设计值[τ] = 1.4 N/mm2;方木的受剪应力计算值0.406 N/mm2 小于方木的抗剪强度设计值 1.4 N/mm2,满足要求!4.挠度验算:最大挠度考虑为静荷载与活荷载的计算值最不利分配的挠度和,计算公式如下:均布荷载q = q1 + q2 = 1.15 kN/m;最大挠度计算值ν= 0.677×1.15×10004 /(100×9500×4166666.667)= 0.197 mm;最大允许挠度[V]=1000/ 250=4 mm;方木的最大挠度计算值0.197 mm 小于方木的最大允许挠度4 mm,满足要求!四、木方支撑钢管计算:支撑钢管按照集中荷载作用下的三跨连续梁计算;集中荷载P取纵向板底支撑传递力,P = 2.48 kN;支撑钢管计算简图支撑钢管计算弯矩图(kN·m)支撑钢管计算变形图(mm)支撑钢管计算剪力图(kN)最大弯矩Mmax = 0.93 kN·m ;最大变形Vmax = 2.612 mm ;最大支座力Qmax = 10.852 kN ;最大应力σ= 930336.315/5080 = 183.137 N/mm2;支撑钢管的抗压强度设计值[f]=205 N/mm2;支撑钢管的最大应力计算值183.137 N/mm2 小于支撑钢管的抗压强度设计值205 N/mm2,满足要求!支撑钢管的最大挠度为2.612mm 小于1000/150与10 mm,满足要求!五、扣件抗滑移的计算:按照《建筑施工扣件式钢管脚手架安全技术规范培训讲座》,双扣件承载力设计值取16.00kN,按照扣件抗滑承载力系数0.80,该工程实际的旋转双扣件承载力取值为12.80kN 。
梁模板(木支撑)计算书(木支撑立杆截面类型为方木)梁模板(木支撑)计算书(木支撑立杆截面类型为方木)梁模板(木支撑)计算书1、模板参数木支撑纵距Lb (m): 0.500;立杆计算高度H (m): 3.000;立杆采用方木;立杆方木截面宽度b(mm): 80.000;立杆方木截面高度h(mm): 80.000;梁底斜撑方木截面宽度b1 (mm): 40.000:梁底斜撑方木截面高度h1 (mm): 60.000:帽木长度La(m): 1.000:帽木截面宽度b2 (mm): 60.000:帽木斜撑方木截面高度h2 (mm): 80.000:斜撑与立杆连接处到帽木的距离h0 (mm): 600.000:梁截面宽度B(m): 0.250:梁截面高度D(m): 0.500:2、荷载参数模板自重(kN/m2): 0.350;混凝土与钢筋自重(kN/m2): 25.000;振捣混凝土荷载(kN/m2): 1.000;新浇混凝土荷载侧压力(kN/m2):12.000;3、梁侧模板参数梁侧斜撑截面宽度b3 (mm): 40.000;梁侧斜撑截面高度h3 (mm): 60.000;梁侧背楞截面宽度b4 (mm): 40.000;梁侧背楞截面高度h4 (mm): 60.000;梁侧斜撑至梁侧背楞的距离Ld(m): 0.150;4、面板参数面板选用类型: 胶合面板;面板弹性模量E(N/mm2): 9500.000;面板厚度(mm): 20.000;面板抗弯设计值fm(N/mm2): 13.000;5、立杆方木参数立杆方木选用木材:杉木;方木弹性模量E(N/mm2): 9000.000;方木抗压强度设计值fv(N/mm2): 10.000;6、斜撑方木参数斜撑方木选用木材:杉木;斜撑方木弹性模量E(N/mm2): 9000.000;斜撑方木抗压强度设计值fv(N/mm2): 11.000;7、帽木方木参数帽木方木选用木材:杉木;弹性模量E(N/mm2): 9000.000;抗剪强度设计值fv(N/mm2): 1.400;抗弯强度设计值fm(N/mm2): 11.000;8、梁侧背楞参数梁侧背楞选用类型:杉木;梁侧背楞弹性模量E(N/mm2): 9000.000;梁侧背楞抗弯强度设计值fm(N/mm2): 11.000;二、梁模板荷载标准值计算1.梁侧模板荷载强度验算要考虑新浇混凝土侧压力和倾倒混凝土时产生的荷载;挠度验算只考虑新浇混凝土侧压力。
扣件式钢管支架楼板模板安全计算书一、计算依据1、《建筑施工扣件式钢管脚手架安全技术规范》JGJ130-20112、《建筑施工脚手架安全技术统一标准》GB51210-20163、《建筑施工模板安全技术规范》JGJ162-20084、《建筑施工临时支撑结构技术规范》JGJ300-20135、《冷弯薄壁型钢结构技术规范》GB50018-20025、《混凝土结构设计规范》GB50010-20106、《建筑结构荷载规范》GB50009-20127、《钢结构设计规范》GB50017-2003二、计算参数(市)基本风压值W o(kN/m^2) / 沿风荷载方向架体搭设的跨数n // 模板支撑架顶部模板高度H b(mm) / 模板支撑架顶部竖向栏杆围挡的高度H m(mm)模板荷载传递方式可调托座简图:(图1)平面图(图2)纵向剖面图1(图3)横向剖面图2三、面板验算根据《建筑施工模板安全技术规范》5.2.1,按简支跨进行计算,取b=1m宽板带为计算单元。
W m=bh2/6=1000×122/6=24000mm3I=bh3/12=1000×123/12=144000mm4由可变荷载控制的组合:q1=1.2[G1k+(G2k+G3k)h]b+1.4(Q k+κQ DK)b=1.2×(0.2+(24+1.1)×200/1000)×1+1.4×(2+1.35×0.5)×1=10.009kN/m 由永久荷载控制的组合:q2=1.35[G1k+(G2k+G3k)h]b+1.4×0.7(Q k+κQ DK)b=1.35×(0.2+(24+1.1)×200/1000)×1+1.4×0.7×(2+1.35×0.5)×1=9.668kN/m 取最不利组合得:q=max[q1,q2]=max(10.009,9.668)=10.009kN/m(图4)面板计算简图1、强度验算(图5)面板弯矩图M max=0.113kN·mσ=Υ0×M max/W=1.1×0.113×106/24000=5.161N/mm2≤[f]=31N/mm2满足要求2、挠度验算q k=(G1k+(G3k+G2k)×h)×b=(0.2+(24+1.1)×200/1000)×1=5.22kN/m(图6)挠度计算受力简图(图7)挠度图ν=0.332mm≤[ν]=300/400=0.75mm满足要求四、次楞验算次楞计算跨数的假定需要符合工程实际的情况,另外还需考虑次楞的两端悬挑情况。
模板设计计算书一.模板设计计算依据(一).模板的荷载1.模板及支架自重模板构件名称自重(kgf/m2)钢模板及连接件重量50钢模板、连接件及钢楞重量75楼板模板及支架重量(楼层高度4米以下)1102. 新灌砼重量:2500kg/m33.钢筋重量:梁板结构每M3楼板 110kgf/m3梁 150kgf/m34.施工人员、灌浇设备及砼堆集的重量:(1) 计算模板和直接支承模版的钢楞时,均布荷载为250kgf/m2,另应以集中荷载250kgf进行验算,两者产生弯距取大者。
(2) 计算直接支承钢楞的结构构件时,均布荷载为150kgf/m2。
(3) 计算支架立柱及其他支承构件时,均布荷载为100kgf/m2。
5.振捣砼时产生的荷载水平模板为 200kgf/m2;垂直模板为400kgf/m26.新浇砼对模板面的压力(见第2页)7.倾倒砼时产生的荷载供料方法水平荷载(kgf/m2)用溜槽、串筒或导管200小于0.2m3的运输器具2000.2—0.8m3的运输器具4000.8m3以上的运输器具600(二).混凝土侧压力计算公式:1.P=0.4+150/(T+30)×Ks×Kw×V1/3m=2.5H2.PmP――新灌砼最大侧压力mV―――浇筑速度T―――入模温度H―――侧压力计算点至新浇筑砼顶面总高度――坍落度修正系数Ks(现场搅拌坍落度3-5时取1.0;商品砼取1.15) Kw――外加剂修正系数(不加外加剂时 Kw=1;掺缓凝剂时 Kw=1.2)(三).钢模板及配件容许挠度钢模板面板 1.5 钢楞、柱箍 3.0 钢模板结构体系 L/1000(四).砼柱模板设计计算柱箍间距:按抗弯强度计算 L1≤8[б]W A/P m (L 22+4L 3W) 按挠度计算 L1≤384[f]EI/5P m L 24 P m ――混凝土侧压力L 2――长边柱箍跨距(=长边柱宽+两侧钢模肋高) L 3――短边柱箍跨距(=短边柱宽+两侧钢模肋高) P――柱箍受轴向拉力 A――柱箍截面积(见附表) W――截面最小抵抗矩(见附表) [б]-钢材抗拉、抗压和抗弯的容许应力 I――截面惯性矩(见附表)E――钢材弹性模量 2.1×106kgf/cm 2各种型钢力学性能表 (表一)规 格 (mm) 截面积A(cm 2) 重量(kg/m) 截面惯性矩Ix(cm 4) 截面最小抵抗矩Wx(cm 3) 扁钢 -70*5 3.5 2.75 14.29 4.08 ∠75*25*3 2.91 2.28 17.17 3.76 角 钢 ∠80*35*3 3.30 2.59 22.44 4.17 φ48*3 4.24 3.33 10.78 4.49 φ48*3.5 4.89 3.84 12.19 5.08 钢 管 φ51*3.5 5.22 4.10 14.81 5.81 □60*40*2.5 4.57 3.59 21.88 7.29 □80*40*2.0 4.52 3.55 37.13 9.28 矩形 钢管 □100*50*38.64 6.78 112.12 22.4 [ 80*40*34.50 3.53 43.9210.98冷弯槽 钢 [ 80*40*3 4.50 3.53 43.92 10.98 冷弯槽 钢 [ 100*50*3 5.70 4.47 88.52 12.2 [ 80*40*15*3. 5.08 3.99 48.92 12.23 [ 100*50*20*3 6.58 5.16 100.28 20.06 槽钢[ 8 10.248.04101.325.3二、柱模板设计实例:一高层钢筋砼柱序号4,断面1000×800mm,净高5.15m 砼浇筑速度为v=6m/h,入模温度为29℃,求作配板设计?解:(1)柱宽800方向,取2块300mm加1块200mm模板,宽1000方向,取2块300mm加2块200mm模板;(2)高度方向:取3块1500mm 加1块600mm,共计5100mm,余500mm 拼木料; (3)砼最大侧压力为:Pm=0.4+150/(29+30) ×1×1×61/3 =5.02tf/m 2(4) 求柱箍间距:取箍 100×50×20×3作柱箍,从表1中查: W=20.06 A=6.58 I=100.28L 1≤8×1600×20.06×6.58/0.502(1102×6.58+4×90×20.06) =38.76cm=388mmL 1≤384[f]EI/5P m L 24=384×0.3×2.1×106×100.28/5× 0.502×1104=66cm=660mm 所以:取柱箍380mm,共布13道。
模板受力计算书一,参数信息:1,模板支架参数;方本木的间隔距离:(㎜):300.00方木的截面宽度:(㎜):40.00方木的截面高度:(㎜):2,荷载参数:模板与木板的自重(KN/㎡):砼与钢筋自重:(KN/M3):施工均布荷载标准值(KN/㎡):3,楼板面参数:钢筋级别:二级钢HRB335(20MNSI)楼板砼强度等级:C35每平米楼板截面的钢筋的面积(㎜2)1440.000计算厚度(㎜)200.0004,板底方木参数:板底方木迁选用木材:杉木:方木弹性模量:E(N/㎜2):9000.00方木抗弯强厚设计值:FM(N/㎜2):11.000方木抗剪强度设计值:FV(N/㎜2);1.400二,模板底支撑方木的验算:本工程模板板底采用方工木作为支撑,方木按照简支梁计算:方木截面惯性矩I和截面抵抗矩W分别为:W=B×H2/6=4.000×8.0002/6=42.700㎝3I=B×H3/12=×12=㎝4木楞计算1,荷载计算⑴钢筋砼板自重红线荷载(KN/M):q1=××=M:⑵模板的自重线荷载(KN/M)q2=×=M:⑶活荷载为施工荷载标准值(KN)q3=××=2,抗弯强度验算:最大弯矩考虑为静荷载与活荷载的计算值最不利分配的弯矩之和,计算公式如下;均布荷载:q =×(q1+q2)=×+=M:集中荷载:q=×q1=×=:最大弯矩:M=q×1/4×12/8=××4+×8=最大支座力:N=q/2+q×1/2=+×2=截面应力: α=M/W== m㎡方木最大应力计算值为:MM2,小于方木抗弯强度值MM2, 满足要求。
3,抗剪强度验算:其中最大剪力:V=×2+2=:截面受剪应力计算值: T=3××103/(2××=MM2截面抗剪强度计算值:[FV]=MM2方木的最大受剪应力计算值:MM2,小于方木抗剪强度设计值:MM2,满足要求。
顶板模板设计计算书一. 荷载计算:结构顶板厚 d=0.150m①模板结构自重 0.500 KN/m 2 ②新浇混凝土自重标准值 24.0×0.150=6.000KN/m 2 ③顶板钢筋自重 1.1×0.150=0.275KN/m 2 ④施工人员和施工设备荷载 2.5KN/m 21.2×(①+②+③)+1.4×④=1.2×(0.500+6.000+0.275)+1.4×2.5=11.63N/m 2(用于计算弯矩)①+②+③+④=0.500+6.000+0.275+2.5=9.275N/m 2(用于计算挠度)二.模板计算:模板采用1.8cm 厚木胶合板,荷载折减系数取0.900按模板宽度:0.001m 单元计算;模板EI=3160000N ·mm 2模板W=54mm 3;按四跨连续梁计算模板计算跨度L=0.300m模板允许应力[σ]=20N/mm 21. 荷载q1=0.900×11.63×0.001=0.0116KN/mq2=0.900×9.275×0.001=0.0093KN/m2.模板抗弯强度验算:M=0.1250ql 2=0.1250×0.0116×0.3002=0.0001178KN ·mσ=M/W=0.0001178×106/54=2.180625N/mm2<20N/mm23.模板挠度验算:ω=0.5210 ×ql4/100EI=0.5210×0.0093×(1000×0.300)4/(100×3160000)=0.081mm允许挠度[ω]=1.5mm二.小龙骨验算:小龙骨采用5CM×10CM木龙骨 ;间距0.300m;已知条件:截面抵抗矩: W=83333mm3截面刚度: EI=45800000000N·mm2抗弯承载力:f=13N/mm2m允许挠度: [w]=L/400mm2计算跨度: L=1.200m按三跨连续梁计算q1=11.63×0.300=13.95600KN/m查内力计算手册小龙骨弯矩=0.10×ql2=0.10×13.95600×1.2002=0.452KN·mMmax小龙骨应力σ=M max/W=0.452×106/83333=5.426N/mm2<13N/mm2小龙骨挠度ω=0.667ql4/100EI=0.667×13.95600×(1.200×1000)4÷(100×45800000000) =0.5524mm< [ω]=1.200×1000/400=3.00 mm三、大龙骨强度及挠度验算大龙骨采用10CM×10CM木龙骨:间距1.200mm按三跨连续梁计算:已知条件:截面抵抗矩: W=166667mm3截面刚度: EI=91700000000N·mm2抗弯承载力:f=13N/mm2m允许挠度: [w]=L/400mm2计算跨度: L=0.6000m大龙骨荷载q=11.63×1.200=11.130KN/m大龙骨弯矩=0.10×ql2=0.10×11.130×0.60002=0.45217KN·mMmax大龙骨应力σ=M max/W=0.45217×106/166667=2.713N/mm2<13N/mm2大龙骨挠度ω=0.667ql4/100EI=0.667×11.130×(0.6000×1000)4÷(100×91700000000)=0.084mm<[ω]=L/400=0.6000×1000/500=1.200mm四.钢支柱验算:采用φ48.5钢管脚手架;间距0.6000×1.2000m;计算长度L=220cm;=215.000N/mm2允许荷载fm已知:A=489mm2 i=1.578cmN=11.63×0.6000×1.2000=6.6780KNλ=L/i =220/1.578=139.417查表:φ=0.312σ=N/φA=6.6780/(0.312×489)=49.396N/ mm2=215.000N/mm2允许荷载fm。
此计算书不含抗震计算部分,大家不需增加此部分计算,我们这组的抗震设防烈度为6度!以下为参考模板计算书1 设计基本资料1.1 初步设计资料1)工程名称:办公楼2)工程概况:建筑总高为19.8m,办公楼长度30.6m,宽度为14.4m,共5层。
第一层层高为4.3m,其余层层高3.3m。
室内外高差为0.45m。
3)相对风向:基本风压0.35kN/㎡4)水文条件:地表以下1.4m,无侵蚀性。
5)地质条件:(1)抗震设防烈度为6度,地面粗糙度为B类。
建筑结构安全等级为二级,设计基准期为50年,基础设计等级为乙级。
(2)地质资料,见表1-1地质资料表1-16)材料使用:(1)混凝土结构环境类别:上部结构为Ⅰ类,基础为Ⅱa类。
混凝土:梁、柱、板均使用C30混凝土。
(2)钢筋:纵向受力钢筋采用热轧钢筋HRB335级,其余采用HPB235级。
(3)墙体:①外墙采用240厚灰砂砖(18kN/m³),其中外墙外侧墙面为水刷石墙面(0.5kN/m³),内侧为20mm厚抹灰(17kN/m³)。
②内墙采用200厚蒸压粉煤灰加气混凝土砌块(6.5kN/m³),两侧均为20mm厚抹灰(17kN/m³)。
③卫生间隔墙同上,两侧贴瓷砖(0.5kN/m³)。
④女儿墙采用240厚灰砂砖(18kN/m³),两侧均为20mm厚抹灰(17kN/m³),墙高1100mm。
⑤窗:均为钢框玻璃窗(0.35kN/㎡)。
⑥门:除大门为玻璃门(0.35kN/㎡),办公室均为木门(0.2kN/㎡)。
1.2 结构选型1)结构体系选型:采用钢筋混凝土现浇框架结构体系。
2)屋面结构:采用现浇混凝土肋型屋盖,刚柔性结合屋面,屋面板厚为100mm。
3)楼面结构:采用现浇混凝土肋型楼盖,板厚100mm。
4)楼梯结构:采用钢筋混凝土板式楼梯。
2结构布置及计算简图2.1 梁、柱截面尺寸初选主体结构共5层,底层柱高从基础顶面算至二层楼面,基顶标高根据地质条件,室内外高差,定为﹣1.00m,二层楼面标高为3.3m,故底层柱高为4.3m,其余柱各层柱均为3.3m。
模板设计施工方案及计算书一、模板设计:计算时,取33#楼1-1轴—1-3轴及B轴—C轴开间底层及标准层跨度最大的主梁及板厚进行计算,在这取1-2轴B--C跨的框架梁进行计算,其截面为:300×800mm,梁长9m,板厚为100mm,层高为3m。
梁底板模采用25mm厚模板,梁侧模及板模采用18mm厚胶合板,50×100檩条,40×60楞方间距为0.5m,侧模立档间距为0.5m进行支模。
承托主梁底模及侧模,采用顶撑尾径为80mm,间距为800mm的木支撑进行支撑。
承托板模,采用顶撑尾径为80mm,间距为1000mm的木支撑进行支撑。
木材采用红松,查《简明施工计算手册》,木材顺纹抗压强度设计值为:f c=10MPa,木材顺纹坑剪强度设计值为:f v=1.4MPa,木材抗弯强度设计值为:f m=13MPa;(一)主梁底模计算:(1)强度验算:底板承受荷载:梁的底模设计要考虑四部分荷载:模板自重、新浇砼的重量、钢筋重及振动砼时产生的荷载,均应乘以分项系数1.2,取底模25mm厚。
底模板自重为:1.2×5×0.025×0.25=0.0375KN/M砼荷重为:1.2×25×0.25×0.6=4.5KN/M钢筋荷重为:1.2×1×0.25×0.6=0.18KN/M振动荷载为:1.2×2×0.25=0.6KN/M竖向荷载为:q=0.0375+4.5+0.18+0.6=5.3175KN/M根据《砼结构工程施工及验收规范》的规定,设计荷载值要乘以0.90的拆减系数。
所以,总竖向荷载为:q=0.9×5.3175=4.78575KN/M最长的梁总长为7.0M,底模下面楞方间距为0.5m,底模的计算简图,是一个等跨的多跨连续梁,由于模板长度有限,一般可按四跨连续梁计算(取最不利荷载进行计算),查《简明施工计算手册》附录二表中得:K m=-0.121,K v=-0.620,K f=0.967M max=K m qL2=-0.121×4.78575×0.5×0.5=-0.14477KN.m底板所须载面积抵抗矩为:W n=M max/Kf m=0.14477×106÷13=8566.272mm3选用底板截面为25×300mm2W n=1/6×bh2=1÷6×300×25×25=26041.67mm3>8566.272mm3满足要求。
模板设计计算书(一)
模板设计计算书(一)提要:计算底模承受的荷载:梁的底模设计要考虑四部分荷载,模板自重,新浇砼的重量,钢筋重量及振捣砼产生的荷载
模板设计计算书(一)
矩形梁模板和顶撑计算
梁长6.9米,截面尺寸为250*550mm,离地面高m,•梁底钢管顶撑间距为600mm,侧模板立档间距为600mm。
木材用红松:fe=10N/mm2fv=/mm2
fm=13N/mm2
1.底板计算
底板计算
抗弯强度验算
计算底模承受的荷载:梁的底模设计要考虑四部分荷载,模板自重,新浇砼的重量,钢筋重量及振捣砼产生的荷载,均乘以分项系数,设底模厚度为4mm。
底模板自重
.2×5××=/m
砼荷重
.2×24××=/m
钢筋荷重
.2×××=/m
振捣砼荷载
.2××=/m
根据《砼结构工程施工及验收规范》的规定,设计荷载值要乘以V=•的折减系数,所以q=×=/m
验算底模抗弯承载力
底模下面顶撑间距为米,底模的计算简图是一个等跨的多跨连续梁,因为模板长度有限,一般可按四等跨连续梁计算,查静力计算表得:
L=
L=
L=
L=
Mmax=-=-××=·m
按下列公式验算
Mmax/wn≤kfm
Mmax/Wn=×106/﹛250/(6×402)﹜=/mm2 满足要求
抗剪强度验算
Vmax==××=
Lmax=3Vmax/2bh=3××103/(2×250×40)=/mm2
Kfv=×=/mm2>/mm2
满足要求
挠度验算
验算挠度时,采用荷载标准值,且不考虑振捣砼的荷载
q’=++=/m
wA=×q’l4/100EI=××6004/﹛100×9×103×(1/12)×250×403﹜=•
允许挠度为h/400=600/400=>
满足要求
2、侧模板计算
(1)侧压力计算,梁的侧模强度计算,•要考虑振捣砼时产生的荷载及新浇砼对模板侧面的压力,并乘以分项系数1.2。
采用内部振捣器时,新浇筑的普通砼作用于模板的最大侧压力:F=×24×200/20+15×1×1×(2)=/m2
F=24H=24×=/m2
选择二者之中较小者取F=/m2
振捣砼时产生的侧压力为4kN/m2
总侧压力q1==/m2
化为线荷载q=×=/m
验算抗弯强度
按四跨连续梁查表得:
Mmax=-=-××=kn·m=-
钢模板静截面抵抗矩为
所以Mmax/Wh=253×103/×103=
A3钢的抗弯强度设计值为200N/mm2>/mm2
满足要求
抗剪强度验算
Vmax==××=
τmax=3V/2A=3×103/2×1040=/mm2
A3钢抗剪强度设计值为125N/mm2>/mm2
满足要求
挠度验算
q=×=/m
wa=×ql4/100EI=××6004/100××105××
04=
[w]=450/400=>
3.顶撑计算
钢楞选择直径48×的钢管,间距,在•高度的中间纵横各设两道水平支撑.
L0=/3=
i=(I/A)=(×104/×102)=
λ=L0/i=1600/=
强度验算
已知N=/2×=
N/AN=1315/×102=/mm2 满足要求
稳定验算
因为λ=查表得稳定系数ф=
N/фA0=1315/××102=/mm2 符合要求
4、插销抗剪强度验算
N/2A0=×/[2×=/mm2 模板设计计算书(一)提要:计算底模承受的荷载:梁的底模设计要考虑四部分荷载,模板自重,新浇砼的重量,钢筋重量及振捣砼产生的荷载
按最不利因素求受压稳定性计算允许荷载
N/xA+BmX/[rxwix≤f
N/+/{××[×]}≤f=215N/mm2
求得允许荷载为N=
A─套管钢管截面面积查表A=452
Ah─插管钢管截面面积查表Ak=357
x─轴心受压构件稳定系数
长细比λ=UL/i2
换算系数U=(1+h/2)=I2/I1
─等效弯矩系数
=
mx─偏心弯矩值mx==d1/2=48/2=24mm
wix─钢支柱截面抵抗矩
E─钢柱弹性模量E=×105N/mm2
d1─套管直径d1=48mm
d2─插管直径d2=43mm
其余的梁、柱的模板和支撑计算与上述方法相同,在此不作详细计算。
fc──木材顺纹抗拉强度设计值
fv──木材顺纹抗剪强度设计值
fm──木材抗弯强度设计值
mmax──最大弯矩
w──净截面抵抗矩
Vmax──最大剪力
τmax──最大剪应力
ω──受弯构件挠度
i──回转半径
η──长细比
An──净截面面积
ф──轴心受压构件稳定系数
789 56 104 43 32 1
1、垫木50厚200-300宽
2、木楔
3、水平拉条
4、木支柱(钢
支柱)间距为米5、梁钢侧模6、梁底模7、木楞(65*100)8、板底钢模9、焊接卡片直径钢筋拉杆10、剪刀撑。