第十二章 机械能和内能单元练习(Word版 含答案)
- 格式:doc
- 大小:400.50 KB
- 文档页数:18
九年级上册物理第十二章机械能和内能章末训练(Word版含解析)一、初三物理第十二章机械能和内能易错压轴题提优(难)1.某实验小组用图所示的装置粗略测量蜡的热值q,图中A桶内装有水,B为下部开了许多通气孔的罩子(1)要完成本实验,还需要的测量工具是天平、砝码和______;(2)罩子B的主要作用是______;(3)实验收集的数据为:A桶中水的质量为m水,水的初温为t1,末温为t2,蜡烛燃烧前的质量为m1,燃烧后的质量为m2。
则蜡的热值q=______(水的比热容为c水);(4)实验测出的热值会比真实值偏小,造成这一偏差的原因可能是______(至少有一个选项正确,将正确选项的字母填在横线上)。
A.蜡烛没有完全燃烧B.桶A中水的质量太多C.桶A吸收了部分热量D.蜡烛燃烧放出的热量一部分散失到空气中【答案】温度计防止热散失2112()c m t tm m--水水 ACD【解析】【分析】【详解】(1)[1]测量蜡的热值时,根据Qqm=放的原理进行实验,而蜡的质量用天平进行测量,燃烧焟放出的热量Q放在忽略热散失的情况下,等于A桶中内水吸收的热量,而Q吸=c水m(t-t0),所以还需要温度计来测量温度。
(2)[2]罩子B的作用是防止蜡燃烧放出的热量散失到空气中。
(3)[3]由题意知,水吸收的热量Q吸=c水m水(t2-t1)而Q吸=Q放,那么蜡的热值211212()c m t tQqm m m m-==--水水放(4)[4]据Qqm=放,实验中造成测量的热值比实际值偏小的原因有:蜡烛没有完全燃烧,造成放出的热量偏少,则热值偏小;桶A中吸收了部分热量造成水吸收的热量比实际放出的热量少,则热值偏小;蜡烛燃烧放出的热量一部分散失到空气中,造成测量的热量偏少,则热值偏小。
故ACD选项都有可能。
2.小明家买了一台太阳能热水器,他发现真空管是太阳能热水器的核心部件,那热水器内水吸收热量的多少与什么因素有关呢?他把问题告诉物理小组的成员,大家一起做出了如下猜想:猜想一:热水器内水吸收的热量多少与环境温度有关;猜想二:热水器内水吸收的热量多少与光照强度有关;猜想三:热水器内水吸收的热量多少与真空管的材料有关。
第十二章机械能和内能(培优篇)(Word版含解析)一、初三物理第十二章机械能和内能易错压轴题提优(难)1.某兴趣小组将一张硬卡片对折,在开口的一边剪两个小豁口A和B,然后套上橡皮筋,做成了一个会跳的卡片(如图所示)。
为了探究卡片跳起的高度与哪些因素有关,该兴趣小组提出了以下猜想:A.与卡片的质量有关B.与橡皮筋的形变量有关C.与橡皮筋的条数有关为了验证猜想,小组选用几根相同的橡皮筋和几张相同的卡片进行实验。
(1)小明将图中的卡片反过来,把它放在桌面上用手向下压,使橡皮筋伸长,迅速松开手,观察到的现象是________,这个现象说明:发生弹性形变的橡皮筋能对卡片________,因此它具有________能。
(2)为了探究卡片跳起高度与质量是否有关,应选择质量不同的卡片,控制其他实验条件相同,操作中将卡片反过来,每次把它在桌面上用手压平的目的是____________________________,实验中若观察到不同质量的卡片跳起的高度不同,则说明跳起高度与质量________(选填有关或无关)。
(3)探究卡片跳起高度与橡皮筋形变量是否有关,请你为该小组提供使橡皮筋的形变量不同的两种方法:①____________;②____________。
【答案】卡片跳起做功弹性势使每次橡皮筋的形变量相同有关分别压两个卡片时将一个卡片压平,另一个不压平使小豁口A、B的间距不相同【解析】【分析】【详解】(1)[1]橡皮筋伸长说明橡皮筋发生了弹性形变,发生弹性形变的物体想要恢复原状,就会对使它发生形变的物体施加力的作用,所以橡皮筋对硬卡片施加力,使它弹起。
[2]橡皮筋对卡片施加力,卡片弹起即在力的方向上运动了,所以橡皮筋对卡片做功。
[3]做功会引起能量的转化,橡皮筋的弹性势能转化为卡片的动能,因此橡皮筋具有弹性势能。
(2)[4]探究跳起的高度与质量是否有关,应选择质量不同的卡片,控制其它的实验条件相同,操作中将卡片反过来,根据控制变量法,每次把它在桌面上用手压平的目的是控制橡皮筋的形变量相同。
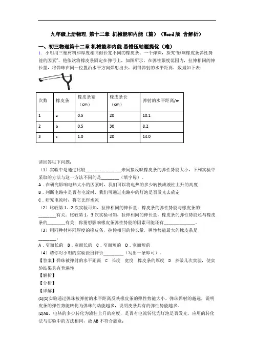
九年级物理上册第十二章机械能和内能(篇)(Word版含解析)一、初三物理第十二章机械能和内能易错压轴题提优(难)1.某同学学习了燃料的热值后,自己设计了一个实验来探究煤油和菜籽油的热值大小关系。
他实验时组装了如图8所示的两套规格完全相同的装置,并每隔1分钟记录一次杯中水的温度(见下表)。
加热的时0123456间/min甲杯水温25272932343638 /℃乙杯水温25262728293031 /℃(1)在安装、调整实验器材时,科学合理的顺序是(甲图中):先调整固定______的位置,再调整固定______的位置(均选填“A”或“B”)。
(2)为保证实验结论的可靠,实验时应控制两套装置中相同的量有加热时间和水的______;(3)通过表中记录的数据,你认为煤油和菜籽油两种燃料中,热值较大的是______;(4)该同学实验前用天平测出了烧杯中水的质量及两油灯中燃料的质量并记录了数据,利用=∆计算出了水吸收的热量,他认为通过这些数据能准确地计算出煤油和菜公式Q c m t籽油的热值。
你认为他的计算结果可靠吗?______,为什么?________。
【答案】B A质量、初温煤油不可靠燃料燃烧的热量有损失(或煤油菜籽油不能完全燃烧)【解析】【分析】【详解】(1)[1][2]在安装、调整实验器材时,需要先根据酒精灯外焰调整B的高度,再根据温度计调整A的高度,所以要先固定B的位置,再调整固定A的位置。
(2)[3]为保证实验结论的可靠,实验时应控制两套装置中相同的量有:加热时间和水的质量、水的初温。
(3)[4]通过表中记录的数据可知,加热时间相同,甲杯水温上升快,故甲杯水吸收的热量多,由Q qm =放知,相同时间内煤油燃烧放出的热量多,所以煤油和菜籽油两种燃料中,热值较大的是煤油。
(4)[5][6]不可靠。
煤油、菜籽油不可能完全燃烧,且伴有热量损失,故结果不准确。
2.小明利用图甲装置研究某燃料热值。
他取少量燃料置于燃烧皿中,测出总质量为 30g ,点燃后对100g 的热水加热4min 立即熄灭燃料,再测得燃料和燃烧皿总质量如图乙所示,并根据实验数据绘制的水温随时间变化的图像如图丙中a 线所示。
物理九年级上册第十二章机械能和内能单元测试卷(word版,含解析)一、初三物理第十二章机械能和内能易错压轴题提优(难)1.小华骑自行车下坡时,想到一个问题:“从斜面下滑物体的快慢与哪些因素有关呢?”回家后她找来了小车、停表、刻度尺和充当斜面的木板进行探究,如图所示。
首先对影响小车下滑快慢的因素做出以下猜想,猜想一:与小车的质量有关;猜想二:与斜面的高度有关;猜想三:与斜面的长度有关。
(1)根据所学知识,物体下滑时的动能是由重力势能转化而来的,而同一物体质量不变,高度越大势能越大,下滑速度________(选填越大或越小),断定猜想二是正确的。
(2)为了验证猜想一,小华设计的方案是在小车内放置不同数量的钩码,分别从高度相同的同一斜面的顶端由静止释放,用停表测出小车由顶端下滑到底端的时间.小华测量的结果如下表,她怀疑第三次测量错误,这时她想起释放时推了一下小车,对此她进行了反思:释放时推了一下小车,小车的动能________,下滑时间缩短.于是修正了这一错误并进行了重新测量,发现时间仍为2.5秒。
表中四个数据的下滑路程和时间都相同,即速度相同,说明从斜面下滑物体的快慢跟质量________(选填有关或无关),猜想一是________(选填正确或错误)的。
实验次数1234小车内放置钩码的质量m/g050100150时间t/s 2.5 2.5 2.0 2.5(3)为了验证猜想三,小华设计的方案是将同一小车分别从高度相同、长度不同的不同斜面的顶端由静止释放,用停表测出下滑到底端的时间。
她通过测量发现下滑的时间不同,于是得出速度不同、猜想三是正确的结论。
请对小华这一探究作出评价,指出她“速度不同”判断错误的原因是路程________(选填“相同”或“不同”),不能只比较时间。
正确的方法是计算出每次下滑的速度,才能下结论。
(4)小华又作出:“小车下滑的快慢还与斜面倾角有关”的猜想,你认为在斜面长度相同的条件下,她________(选填“需”或“不需”)要对这一猜想进行探究,原因是倾角是指斜面与水平面之间的夹角,夹角大小代表斜面陡与平的程度,倾角越大高度____________。
深圳深圳外国语学校物理第十二章机械能和内能单元试卷(word版含答案)一、初三物理第十二章机械能和内能易错压轴题提优(难)1.某同学学习了燃料的热值后,自己设计了一个实验来探究煤油和菜籽油的热值大小关系。
他实验时组装了如图8所示的两套规格完全相同的装置,并每隔1分钟记录一次杯中水的温度(见下表)。
加热的时0123456间/min甲杯水温25272932343638 /℃乙杯水温25262728293031 /℃(1)在安装、调整实验器材时,科学合理的顺序是(甲图中):先调整固定______的位置,再调整固定______的位置(均选填“A”或“B”)。
(2)为保证实验结论的可靠,实验时应控制两套装置中相同的量有加热时间和水的______;(3)通过表中记录的数据,你认为煤油和菜籽油两种燃料中,热值较大的是______;(4)该同学实验前用天平测出了烧杯中水的质量及两油灯中燃料的质量并记录了数据,利用=∆计算出了水吸收的热量,他认为通过这些数据能准确地计算出煤油和菜公式Q c m t籽油的热值。
你认为他的计算结果可靠吗?______,为什么?________。
【答案】B A质量、初温煤油不可靠燃料燃烧的热量有损失(或煤油菜籽油不能完全燃烧)【解析】【分析】【详解】(1)[1][2]在安装、调整实验器材时,需要先根据酒精灯外焰调整B的高度,再根据温度计调整A的高度,所以要先固定B的位置,再调整固定A的位置。
(2)[3]为保证实验结论的可靠,实验时应控制两套装置中相同的量有:加热时间和水的质量、水的初温。
(3)[4]通过表中记录的数据可知,加热时间相同,甲杯水温上升快,故甲杯水吸收的热量多,由Q qm =放知,相同时间内煤油燃烧放出的热量多,所以煤油和菜籽油两种燃料中,热值较大的是煤油。
(4)[5][6]不可靠。
煤油、菜籽油不可能完全燃烧,且伴有热量损失,故结果不准确。
2.小明利用图甲装置研究某燃料热值。
物理九年级上册第十二章机械能和内能同步单元检测(Word版含答案)一、初三物理第十二章机械能和内能易错压轴题提优(难)1.某实验小组用图所示的装置粗略测量蜡的热值q,图中A桶内装有水,B为下部开了许多通气孔的罩子(1)要完成本实验,还需要的测量工具是天平、砝码和______;(2)罩子B的主要作用是______;(3)实验收集的数据为:A桶中水的质量为m水,水的初温为t1,末温为t2,蜡烛燃烧前的质量为m1,燃烧后的质量为m2。
则蜡的热值q=______(水的比热容为c水);(4)实验测出的热值会比真实值偏小,造成这一偏差的原因可能是______(至少有一个选项正确,将正确选项的字母填在横线上)。
A.蜡烛没有完全燃烧B.桶A中水的质量太多C.桶A吸收了部分热量D.蜡烛燃烧放出的热量一部分散失到空气中【答案】温度计防止热散失2112()c m t tm m--水水 ACD【解析】【分析】【详解】(1)[1]测量蜡的热值时,根据Qqm=放的原理进行实验,而蜡的质量用天平进行测量,燃烧焟放出的热量Q放在忽略热散失的情况下,等于A桶中内水吸收的热量,而Q吸=c水m(t-t0),所以还需要温度计来测量温度。
(2)[2]罩子B的作用是防止蜡燃烧放出的热量散失到空气中。
(3)[3]由题意知,水吸收的热量Q吸=c水m水(t2-t1)而Q吸=Q放,那么蜡的热值211212()c m t tQqm m m m-==--水水放(4)[4]据Qqm=放,实验中造成测量的热值比实际值偏小的原因有:蜡烛没有完全燃烧,造成放出的热量偏少,则热值偏小;桶A中吸收了部分热量造成水吸收的热量比实际放出的热量少,则热值偏小;蜡烛燃烧放出的热量一部分散失到空气中,造成测量的热量偏少,则热值偏小。
故ACD选项都有可能。
2.探究不同物质的吸热能力(1)如图所示,在探究“不同物质的吸热能力”实验中,小雨同学在两只烧杯中装入______相同的食用油和水,用相同的酒精灯给它们加热,目的是使食用油和水在相同时间内______,从而通过______来反映吸收热量的多少;(2)小雨同学进行实验时,每隔一分钟记录食用油和水的温度,记录的实验数据如下表:升高的温度∆t/°C510152025食用油的加热时间t/min12345水的加热时间t/min246810根据实验数据可以发现______相同的不同物质,升高相同的温度,吸收的热量是______的。
上海华亭学校物理第十二章机械能和内能单元复习练习(Word版含答案)一、初三物理第十二章机械能和内能易错压轴题提优(难)1.如图甲是探究“冰熔化时温度的变化规律”的实验装置,得出温度随时间变化的图像如图乙。
(1)由图乙图像可知,冰熔化时的特点是:持续吸热,______;(2)第8min时,试管内的物质为______ (选填“固”、“固液共存”或“液”)态,AB段与CD段倾斜程度不同的原因是______;(3)实验中冰熔化共用了______min,第6min时的内能______ (选填“大于”、“小于”或“等于)第8min时的内能;(4)待冰完全熔化后,对烧杯中的水继续加热,试管中的水最终______ (选填“会”或“不会”)沸腾。
【答案】温度保持不变固液共存水和冰的比热容不同 6 小于不会【解析】【分析】【详解】(1)[1]由图乙可知,冰熔化时持续吸热,温度不变。
(2)[2]由图乙可知第8min时,冰处于熔化过程中,试管内的物质是固液共存状态。
[3]由于水的比热容比冰的比热容大,吸收相同热量下,水的升温要不冰小,所以AB段与CD段倾斜程度不同。
(3)[4]由图乙可知,冰第4min时开始熔化,第10min时熔化完,所以熔化时间持续了10min-4min=6min[5]第6min时和第8min时虽然温度相同,但在持续吸收热量,所以第6min时的内能小于第8min时的内能。
(4)[6]采用水浴法加热,烧杯中的水能够沸腾,冰完全熔化后全部变成水,此时对烧杯中的水继续加热,试管中的水和烧杯的水温度一致,试管力的水无法吸收热量,不会沸腾。
2.如图所示,甲、乙和丙三图中装置完全相同。
燃料的质量都是10g,烧杯内的液体质量和初温也相同。
(1)在“探究不同物质吸热升温的现象”实验中:①如图丁是甲、丙装置中a 、b 两种液体吸热后温度随时间变化的图象,由图可以看出,______液体的比热容较大:②小明再用50g 水和100g 水做实验,以吸收的热量Q 为纵坐标,升高的温度t ∆为横坐标,分别画出50g 和100g 水的-Q t ∆图象,它们都是过原点的直线,即Q k t =∆,进一步分析发现,这两条直线的k 值之比与对应水的______之比相等(选填“密度”或“质量”);(2)在“比较不同燃料燃烧时放出的热量”实验中:①应选择______两图进行实验,燃料完全燃烧放出的热量的多少是通过______(选填“温度”或“加热时间”)来反应的;②若想利用上述装置估测燃料的热值,那么还需要补充的仪器是______,利用此实验方法计算出的热值将比真实值偏______;③该实验在取燃料和水时都要注意适量,否则不利于得出实验结论。
九年级上册物理第十二章机械能和内能单元综合测试(Word版含答案)一、初三物理第十二章机械能和内能易错压轴题提优(难)1.某兴趣小组将一张硬卡片对折,在开口的一边剪两个小豁口A和B,然后套上橡皮筋,做成了一个会跳的卡片(如图所示)。
为了探究卡片跳起的高度与哪些因素有关,该兴趣小组提出了以下猜想:A.与卡片的质量有关B.与橡皮筋的形变量有关C.与橡皮筋的条数有关为了验证猜想,小组选用几根相同的橡皮筋和几张相同的卡片进行实验。
(1)小明将图中的卡片反过来,把它放在桌面上用手向下压,使橡皮筋伸长,迅速松开手,观察到的现象是________,这个现象说明:发生弹性形变的橡皮筋能对卡片________,因此它具有________能。
(2)为了探究卡片跳起高度与质量是否有关,应选择质量不同的卡片,控制其他实验条件相同,操作中将卡片反过来,每次把它在桌面上用手压平的目的是____________________________,实验中若观察到不同质量的卡片跳起的高度不同,则说明跳起高度与质量________(选填有关或无关)。
(3)探究卡片跳起高度与橡皮筋形变量是否有关,请你为该小组提供使橡皮筋的形变量不同的两种方法:①____________;②____________。
【答案】卡片跳起做功弹性势使每次橡皮筋的形变量相同有关分别压两个卡片时将一个卡片压平,另一个不压平使小豁口A、B的间距不相同【解析】【分析】【详解】(1)[1]橡皮筋伸长说明橡皮筋发生了弹性形变,发生弹性形变的物体想要恢复原状,就会对使它发生形变的物体施加力的作用,所以橡皮筋对硬卡片施加力,使它弹起。
[2]橡皮筋对卡片施加力,卡片弹起即在力的方向上运动了,所以橡皮筋对卡片做功。
[3]做功会引起能量的转化,橡皮筋的弹性势能转化为卡片的动能,因此橡皮筋具有弹性势能。
(2)[4]探究跳起的高度与质量是否有关,应选择质量不同的卡片,控制其它的实验条件相同,操作中将卡片反过来,根据控制变量法,每次把它在桌面上用手压平的目的是控制橡皮筋的形变量相同。
九年级上册物理第十二章机械能和内能(篇)(Word版含解析)一、初三物理第十二章机械能和内能易错压轴题提优(难)1.小明用三根材料和厚度相同但长宽不同的橡皮条、一个弹珠,探究“影响橡皮条弹性势能的因素”。
他依次将橡皮条固定在弹弓上,如图所示,在弹性限度范围内,拉伸相同的伸长量,将弹珠在同一位置沿水平方向弹射出去,测得弹射的水平距离,数据如下表:次数橡皮条橡皮条宽(cm)橡皮条长(cm)弹射的水平距离/m1a0.52010.12b0.5308.23c 1.02014.0请回答以下问题:(1)实验中是通过比较________________来间接反映橡皮条的弹性势能大小,下列实验中采取的方法与这一方法不同的是________(填字母)。
A.在研究影响电热大小的因素时,我们可以将电热的多少转换成液柱上升的高度B.判断电路中是否有电流时,我们可通过电路中的灯泡是否发光去确定C.研究电流时,将它比作水流(2)比较第1、2次实验可知,拉伸相同的伸长量,橡皮条的弹性势能与橡皮条的________有关;比较第1、3次实验可知,拉伸相同的伸长量,橡皮条的弹性势能还与橡皮条的________有关;你猜想影响橡皮条弹性势能的因素可能还有______________。
(3)用同种材料同厚度的橡皮条,拉伸相同的伸长量,弹性势能最大的橡皮条是________。
A.窄而长的 B.宽而长的 C.窄而短的 D.宽而短的(4)请你对小明的实验做出评价_________(写出一条即可)。
【答案】弹珠被弹射的水平距离C长度宽度橡皮条的厚度D多做几次实验,使实验结果具有普遍性【解析】【分析】【详解】(1)[1]实验通过弹珠被弹射的水平距离反映橡皮条的弹性势能大小,弹珠弹射的越远,说明皮条的弹性势能转化为弹珠的动能越多,说明皮条具有的弹性势能越多。
[2]AB.电热的多少转化为液柱上升的高度,是否有电流转化为灯泡是否发光,应用的转化法与实验中的方法相同,故AB不符合题意;C.研究电流时,将它比作水流,是类比法,与实验中的方法不同,故C符合题意。
九年级上册物理第十二章机械能和内能单元综合测试(Word版含答案)一、初三物理第十二章机械能和内能易错压轴题提优(难)1.小明家买了一台太阳能热水器,他发现真空管是太阳能热水器的核心部件,那热水器内水吸收热量的多少与什么因素有关呢?他把问题告诉物理小组的成员,大家一起做出了如下猜想:猜想一:热水器内水吸收的热量多少与环境温度有关;猜想二:热水器内水吸收的热量多少与光照强度有关;猜想三:热水器内水吸收的热量多少与真空管的材料有关。
(1)经查阅资料发现,真空管在内玻璃管的表面上涂有吸收涂层,用来吸收太阳辐射,其中太阳能属于________(选填“可再生”或“不可再生”)能源。
经阳光照射,太阳能转化成内能,水从涂层吸收热量,水温升高,质量________,密度________(后两空均选填“变大”“变小”或“不变”),热水向上运动。
(2)实验小组在两根完全相同的真空管内装入初温、质量________的水,分别面对太阳光放入光照强度相同但温度不同的环境中,经过相同时间后测量水温,发现水温几乎相等。
由此得出猜想一是______(选填正确或错误)的。
(3)小组成员联系实际,想到夏天如果没有阳光,热水器的水温就较低,而冬天如果有太阳,热水器内水温就很热,于是他们得出结论:热水器内水吸收热量的多少与光照强度________(选填“无关”或“有关”)。
(4)在探究猜想三的实验中,该小组找到了三根外形相同但材料不同的真空管,给管内灌满水,面对阳光,每隔相同的时间检测罐内水的温度,得到的实验数据如下表所示,为了更好地利用太阳能,你建议他家应选择________制成的热水器。
【答案】可再生不变变小相同错误有关紫金管【解析】【分析】【详解】(1)[1]再生能源是不需人为参与,可以循环再生的能源,如太阳能、水能、风能、潮汐能、地热能等。
[2][3]水从涂层吸收热量,水温升高,水的多少没有变化,所以睡得质量不变,但由于水吸收热量,水的体积会增大,所以水的密度会变小。
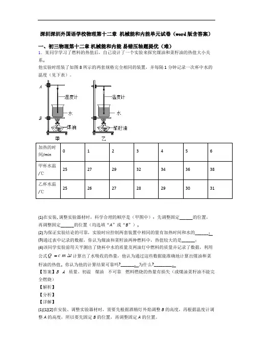
九年级物理第十二章机械能和内能章末训练(Word版含解析)一、初三物理第十二章机械能和内能易错压轴题提优(难)1.李华同学发现建筑工人在铺设水泥路时,有时要在水泥里面掺入少量纤维材料.他想通过实验来探究在水泥中掺入纤维材料是否会影响水泥路面的牢固程度.关于水泥路面的牢固程度与哪些因素有关,和同学们讨论后,他们提出了以下猜想:猜想1:与是否掺入纤维有关;猜想2:与纤维掺入量有关;猜想3:与纤维材料的种类有关。
经过思考后,他们利用图中装置,将铁锤通过电磁铁从某一高度处由静止释放,对水泥样品进行连续撞击,直至水泥样品断裂,收集的数据记录在下表中。
(1)铁锤撞击水泥样品时的动能是由________转化来的。
实验时通过__________________来比较水泥样品的牢固程度。
(2)比较实验序号1、2的两组数据,可得出的结论是:水泥路面的牢固程度与是否掺入纤维________(选填“有关”或“无关”)。
(3)比较序号2、3、4三组数据,可得出的结论是:在水泥中掺入适量纤维时,掺入纤维材料越多,水泥路面越________(选填“牢固”或“不牢固”)。
(4)比较序号2、5、6的三组数据,________(选填能或不能)比较得出:在水泥中掺入等量不同纤维材料,掺入C纤维材料水泥路面最牢固,你判断的理由是______(5)为缩短上述样品的实验时间,需减少碰撞次数,可采用的方法是_____【答案】重力势能水泥样品断裂时所承受的撞击次数有关牢固能在水泥中掺入C 纤维材料,水泥样品断裂时所承受的撞击次数最多,说明该水泥路面最牢固增加铁锤下落时的高度或增加铁锤质量【解析】【分析】【详解】(1)[1]铁锤下落过程中,重力势能转化为动能,所以铁锤撞击水泥样品时的动能由重力势能转化而来。
[2]实验通过水泥样品断裂时所承受的撞击次数反映水泥样品的牢固程度。
断裂时承受的撞击次数越多水泥样品越牢固。
(2)[3]比较实验序号1、2的两组数据,水泥样品厚度、水泥样品面积、铁锤高度相同,但第一次实验不参入纤维,第二次实验参入纤维,第二次承受的撞击次数多,可知水泥路面的牢固程度与是否掺入纤维有关。
物理九年级上册第十二章机械能和内能单元练习(Word版含答案)一、初三物理第十二章机械能和内能易错压轴题提优(难)1.小华骑自行车下坡时,想到一个问题:“从斜面下滑物体的快慢与哪些因素有关呢?”回家后她找来了小车、停表、刻度尺和充当斜面的木板进行探究,如图所示。
首先对影响小车下滑快慢的因素做出以下猜想,猜想一:与小车的质量有关;猜想二:与斜面的高度有关;猜想三:与斜面的长度有关。
(1)根据所学知识,物体下滑时的动能是由重力势能转化而来的,而同一物体质量不变,高度越大势能越大,下滑速度________(选填越大或越小),断定猜想二是正确的。
(2)为了验证猜想一,小华设计的方案是在小车内放置不同数量的钩码,分别从高度相同的同一斜面的顶端由静止释放,用停表测出小车由顶端下滑到底端的时间.小华测量的结果如下表,她怀疑第三次测量错误,这时她想起释放时推了一下小车,对此她进行了反思:释放时推了一下小车,小车的动能________,下滑时间缩短.于是修正了这一错误并进行了重新测量,发现时间仍为2.5秒。
表中四个数据的下滑路程和时间都相同,即速度相同,说明从斜面下滑物体的快慢跟质量________(选填有关或无关),猜想一是________(选填正确或错误)的。
实验次数1234小车内放置钩码的质量m/g050100150时间t/s 2.5 2.5 2.0 2.5(3)为了验证猜想三,小华设计的方案是将同一小车分别从高度相同、长度不同的不同斜面的顶端由静止释放,用停表测出下滑到底端的时间。
她通过测量发现下滑的时间不同,于是得出速度不同、猜想三是正确的结论。
请对小华这一探究作出评价,指出她“速度不同”判断错误的原因是路程________(选填“相同”或“不同”),不能只比较时间。
正确的方法是计算出每次下滑的速度,才能下结论。
(4)小华又作出:“小车下滑的快慢还与斜面倾角有关”的猜想,你认为在斜面长度相同的条件下,她________(选填“需”或“不需”)要对这一猜想进行探究,原因是倾角是指斜面与水平面之间的夹角,夹角大小代表斜面陡与平的程度,倾角越大高度____________。
九年级物理第十二章机械能和内能检测题(Word版含答案)一、初三物理第十二章机械能和内能易错压轴题提优(难)1.某兴趣小组将一张硬卡片对折,在开口的一边剪两个小豁口A和B,然后套上橡皮筋,做成了一个会跳的卡片(如图所示)。
为了探究卡片跳起的高度与哪些因素有关,该兴趣小组提出了以下猜想:A.与卡片的质量有关B.与橡皮筋的形变量有关C.与橡皮筋的条数有关为了验证猜想,小组选用几根相同的橡皮筋和几张相同的卡片进行实验。
(1)小明将图中的卡片反过来,把它放在桌面上用手向下压,使橡皮筋伸长,迅速松开手,观察到的现象是________,这个现象说明:发生弹性形变的橡皮筋能对卡片________,因此它具有________能。
(2)为了探究卡片跳起高度与质量是否有关,应选择质量不同的卡片,控制其他实验条件相同,操作中将卡片反过来,每次把它在桌面上用手压平的目的是____________________________,实验中若观察到不同质量的卡片跳起的高度不同,则说明跳起高度与质量________(选填有关或无关)。
(3)探究卡片跳起高度与橡皮筋形变量是否有关,请你为该小组提供使橡皮筋的形变量不同的两种方法:①____________;②____________。
【答案】卡片跳起做功弹性势使每次橡皮筋的形变量相同有关分别压两个卡片时将一个卡片压平,另一个不压平使小豁口A、B的间距不相同【解析】【分析】【详解】(1)[1]橡皮筋伸长说明橡皮筋发生了弹性形变,发生弹性形变的物体想要恢复原状,就会对使它发生形变的物体施加力的作用,所以橡皮筋对硬卡片施加力,使它弹起。
[2]橡皮筋对卡片施加力,卡片弹起即在力的方向上运动了,所以橡皮筋对卡片做功。
[3]做功会引起能量的转化,橡皮筋的弹性势能转化为卡片的动能,因此橡皮筋具有弹性势能。
(2)[4]探究跳起的高度与质量是否有关,应选择质量不同的卡片,控制其它的实验条件相同,操作中将卡片反过来,根据控制变量法,每次把它在桌面上用手压平的目的是控制橡皮筋的形变量相同。
九年级上册物理第十二章机械能和内能检测题(WORD版含答案)一、初三物理第十二章机械能和内能易错压轴题提优(难)1.李华同学发现建筑工人在铺设水泥路时,有时要在水泥里面掺入少量纤维材料.他想通过实验来探究在水泥中掺入纤维材料是否会影响水泥路面的牢固程度.关于水泥路面的牢固程度与哪些因素有关,和同学们讨论后,他们提出了以下猜想:猜想1:与是否掺入纤维有关;猜想2:与纤维掺入量有关;猜想3:与纤维材料的种类有关。
经过思考后,他们利用图中装置,将铁锤通过电磁铁从某一高度处由静止释放,对水泥样品进行连续撞击,直至水泥样品断裂,收集的数据记录在下表中。
(1)铁锤撞击水泥样品时的动能是由________转化来的。
实验时通过__________________来比较水泥样品的牢固程度。
(2)比较实验序号1、2的两组数据,可得出的结论是:水泥路面的牢固程度与是否掺入纤维________(选填“有关”或“无关”)。
(3)比较序号2、3、4三组数据,可得出的结论是:在水泥中掺入适量纤维时,掺入纤维材料越多,水泥路面越________(选填“牢固”或“不牢固”)。
(4)比较序号2、5、6的三组数据,________(选填能或不能)比较得出:在水泥中掺入等量不同纤维材料,掺入C纤维材料水泥路面最牢固,你判断的理由是______(5)为缩短上述样品的实验时间,需减少碰撞次数,可采用的方法是_____【答案】重力势能水泥样品断裂时所承受的撞击次数有关牢固能在水泥中掺入C 纤维材料,水泥样品断裂时所承受的撞击次数最多,说明该水泥路面最牢固增加铁锤下落时的高度或增加铁锤质量【解析】【分析】【详解】(1)[1]铁锤下落过程中,重力势能转化为动能,所以铁锤撞击水泥样品时的动能由重力势能[2]实验通过水泥样品断裂时所承受的撞击次数反映水泥样品的牢固程度。
断裂时承受的撞击次数越多水泥样品越牢固。
(2)[3]比较实验序号1、2的两组数据,水泥样品厚度、水泥样品面积、铁锤高度相同,但第一次实验不参入纤维,第二次实验参入纤维,第二次承受的撞击次数多,可知水泥路面的牢固程度与是否掺入纤维有关。
九年级物理第十二章机械能和内能单元复习练习(Word版含答案)一、初三物理第十二章机械能和内能易错压轴题提优(难)1.某同学学习了燃料的热值后,自己设计了一个实验来探究煤油和菜籽油的热值大小关系。
他实验时组装了如图8所示的两套规格完全相同的装置,并每隔1分钟记录一次杯中水的温度(见下表)。
加热的时0123456间/min甲杯水温25272932343638 /℃乙杯水温25262728293031 /℃(1)在安装、调整实验器材时,科学合理的顺序是(甲图中):先调整固定______的位置,再调整固定______的位置(均选填“A”或“B”)。
(2)为保证实验结论的可靠,实验时应控制两套装置中相同的量有加热时间和水的______;(3)通过表中记录的数据,你认为煤油和菜籽油两种燃料中,热值较大的是______;(4)该同学实验前用天平测出了烧杯中水的质量及两油灯中燃料的质量并记录了数据,利用=∆计算出了水吸收的热量,他认为通过这些数据能准确地计算出煤油和菜公式Q c m t籽油的热值。
你认为他的计算结果可靠吗?______,为什么?________。
【答案】B A质量、初温煤油不可靠燃料燃烧的热量有损失(或煤油菜籽油不能完全燃烧)【解析】【分析】【详解】(1)[1][2]在安装、调整实验器材时,需要先根据酒精灯外焰调整B的高度,再根据温度计调整A的高度,所以要先固定B的位置,再调整固定A的位置。
(2)[3]为保证实验结论的可靠,实验时应控制两套装置中相同的量有:加热时间和水的质量、水的初温。
(3)[4]通过表中记录的数据可知,加热时间相同,甲杯水温上升快,故甲杯水吸收的热量多,由Q qm 放知,相同时间内煤油燃烧放出的热量多,所以煤油和菜籽油两种燃料中,热值较大的是煤油。
(4)[5][6]不可靠。
煤油、菜籽油不可能完全燃烧,且伴有热量损失,故结果不准确。
2.如图甲是探究“冰熔化时温度的变化规律”的实验装置,得出温度随时间变化的图像如图乙。
第十二章机械能和内能一、单项选择题(共11小题;共22分)1. 如图是汽油机的工作过程,其中不依靠飞轮惯性完成的冲程是A. B.C. D.2. 如图所示,轨道光滑,弹簧固定在水平轨道末端,小球从处由静止滚下,撞击弹簧后又将沿水平轨道返回,接着滚上斜面。
在这整个过程中,机械能转化的情况是A. 重力势能动能重力势能B. 动能弹性势能动能C. 动能势能动能势能动能D. 重力势能动能弹性势能动能重力势能3. 在国际单位制中,热量的单位是A. 库仑()B. 焦耳()C. 瓦特()D. 牛顿()4. 如图,用酒精灯给试管中的水加热,一段时间后橡皮塞被冲开,下列说法正确的是A. 酒精灯中酒精的质量越大,酒精的热值越大B. 酒精燃烧放出的热量能全部被试管中的水吸收C. 试管中水的内能是通过热传递的方式增加的D. 橡皮塞被冲开的过程与内燃机的压缩冲程都是内能转化为机械能的过程.5. 利用如图所示的装置,运用控制变量法,通过观察现象即可比较酒精和碎纸热值大小。
为完成实验,要求A. 酒精和碎纸的质量相同,两只烧杯内水的质量相同B. 酒精和碎纸的质量不同,两只烧杯内水的质量不同C. 酒精和碎纸的质量相同,两只烧杯内水的质量不同D. 酒精和碎纸的质量不同,两只烧杯内水的质量相同6. 如图四种车辆中适合使用汽油机做动力的是A. B.C. D.7. 为了提高锅炉的效率,某工厂的工人想了以下一些方法,其中正确的是A. 把大的煤块送进炉膛,并加大送风量B. 把煤粉送进炉膛,并加大送风量C. 把大的煤块送进炉膛,并减小送风量D. 把煤粉送进炉膛,并减小送风量8. 如图所示,为某—天中央电视台天气预报的截图。
图中显示的四个地方,内陆地区的温差比沿海地区的温差大,造成这种差别的主要原因是A. 水的比热容比泥士、砂石的比热容大B. 水的内能比泥土、砂石的内能大C. 水的密度比泥士、砂石的密度小D. 水的温度比泥士、砂石的温度低9. 关于热机中的能量转化,下列说法中正确的是A. 热机是将机械能转化为内能的机器B. 热机是将内能转化为机械能的机器C. 热机是将燃料的化学能转化为内能的机器D. 热机是将化学能转化为内能10. 下面是某同学“物理学习笔记”中的摘录,其中错误的是A. 物体的内能与温度有关B. 温度越高的物体含有的热量越多C. 燃料的热值与燃料的质量没有关系D. 做功和热传递在改变物体的内能上是等效的11. 初温相等的甲、乙两物体,在放出相同的热量后,甲的温度高于乙的温度,那么,这两个物体的质量和比热容不可能是A. ,B. ,C. ,D. ,二、填空题(共8小题;共24分)12. 用手反复弯折铁丝,弯折处的温度,分子热运动,这是通过的方式改变铁丝的内能。
北京市石景山区实验中学物理第十二章机械能和内能单元复习练习(Word版含答案)一、初三物理第十二章机械能和内能易错压轴题提优(难)1.某同学学习了燃料的热值后,自己设计了一个实验来探究煤油和菜籽油的热值大小关系。
他实验时组装了如图8所示的两套规格完全相同的装置,并每隔1分钟记录一次杯中水的温度(见下表)。
加热的时0123456间/min甲杯水温25272932343638 /℃乙杯水温25262728293031 /℃(1)在安装、调整实验器材时,科学合理的顺序是(甲图中):先调整固定______的位置,再调整固定______的位置(均选填“A”或“B”)。
(2)为保证实验结论的可靠,实验时应控制两套装置中相同的量有加热时间和水的______;(3)通过表中记录的数据,你认为煤油和菜籽油两种燃料中,热值较大的是______;(4)该同学实验前用天平测出了烧杯中水的质量及两油灯中燃料的质量并记录了数据,利用=∆计算出了水吸收的热量,他认为通过这些数据能准确地计算出煤油和菜公式Q c m t籽油的热值。
你认为他的计算结果可靠吗?______,为什么?________。
【答案】B A质量、初温煤油不可靠燃料燃烧的热量有损失(或煤油菜籽油不能完全燃烧)【解析】【分析】【详解】(1)[1][2]在安装、调整实验器材时,需要先根据酒精灯外焰调整B的高度,再根据温度计调整A的高度,所以要先固定B的位置,再调整固定A的位置。
(2)[3]为保证实验结论的可靠,实验时应控制两套装置中相同的量有:加热时间和水的质量、水的初温。
(3)[4]通过表中记录的数据可知,加热时间相同,甲杯水温上升快,故甲杯水吸收的热量多,由Q qm 放知,相同时间内煤油燃烧放出的热量多,所以煤油和菜籽油两种燃料中,热值较大的是煤油。
(4)[5][6]不可靠。
煤油、菜籽油不可能完全燃烧,且伴有热量损失,故结果不准确。
2.如图甲是探究“冰熔化时温度的变化规律”的实验装置,得出温度随时间变化的图像如图乙。
第十二章机械能和内能单元练习(Word版含答案)一、初三物理第十二章机械能和内能易错压轴题提优(难)1.某实验小组用图所示的装置粗略测量蜡的热值q,图中A桶内装有水,B为下部开了许多通气孔的罩子(1)要完成本实验,还需要的测量工具是天平、砝码和______;(2)罩子B的主要作用是______;(3)实验收集的数据为:A桶中水的质量为m水,水的初温为t1,末温为t2,蜡烛燃烧前的质量为m1,燃烧后的质量为m2。
则蜡的热值q=______(水的比热容为c水);(4)实验测出的热值会比真实值偏小,造成这一偏差的原因可能是______(至少有一个选项正确,将正确选项的字母填在横线上)。
A.蜡烛没有完全燃烧B.桶A中水的质量太多C.桶A吸收了部分热量D.蜡烛燃烧放出的热量一部分散失到空气中【答案】温度计防止热散失2112()c m t tm m--水水 ACD【解析】【分析】【详解】(1)[1]测量蜡的热值时,根据Qqm=放的原理进行实验,而蜡的质量用天平进行测量,燃烧焟放出的热量Q放在忽略热散失的情况下,等于A桶中内水吸收的热量,而Q吸=c水m(t-t0),所以还需要温度计来测量温度。
(2)[2]罩子B的作用是防止蜡燃烧放出的热量散失到空气中。
(3)[3]由题意知,水吸收的热量Q吸=c水m水(t2-t1)而Q吸=Q放,那么蜡的热值211212()c m t tQqm m m m-==--水水放(4)[4]据Qqm=放,实验中造成测量的热值比实际值偏小的原因有:蜡烛没有完全燃烧,造成放出的热量偏少,则热值偏小;桶A 中吸收了部分热量造成水吸收的热量比实际放出的热量少,则热值偏小;蜡烛燃烧放出的热量一部分散失到空气中,造成测量的热量偏少,则热值偏小。
故ACD 选项都有可能。
2.小明利用如图装置研究做功与能量的转化关系。
重物通过细绳与木块相连,细绳不可伸长,AQ 为水平面,AP 段长为L ,表面光滑;PQ 段粗糙,实验开始时,木块的细绳拉直,质量为M 的木块位于P 点,质量为m 的重物恰好置于地面,将木块从P 向右拉至A ,放手后木块向左运动,最终停在B 点,PB 长为x 。
不计空气阻力、滑轮摩擦。
(1)木块在AB 段运动过程中,重物的重力做功为(用字母表示)___________;木块经过PB 段内能______________(选填“不变”、“增大”或“减小”);(2)观察实验并联系生活实际,小明提出猜想:重物和木块获得的总动能与重物重力做功多少有关。
他提出猜想的生活依据是:________________ ;(3)为了验证猜想,小明做了以下实验,重物100g m =,木块900g M =,改变木块从P 点右移的距离L ,测得一组数据,记录如下:(g 取10N/kg ) 序号1 2 3 4 5 6 PA 的长/m L0.10.150.20.350.450.5木块在P 点的速度平方()221/m sv -⋅0.2 0.3 0.4 0.7 0.9 1.0①已知物体动能的表达式为212mv ,分析重物和木块获得的总动能与重物的重力做功的多少,可知猜想是____________(选填“正确”或“错误”)的,得出的结论是__________。
在AP 段滑行的过程中,该系统(重物和木块)的机械能____________(选填“守恒”或“不守恒”);②利用实验信息分析,当0.7m L =时,木块M 在P 点获得的动能是___________________J ;(4)如果上述结论具有普遍性,则一个物体从高为h 的光滑斜面顶端,由静止开始滑下,不计空气阻力,物体滑到斜面底端时的速度v =_____________(用字母表示)。
【答案】mgL 增大 物体下落过程中速度越来越快 正确 重物和木块获得的总动能与重物重力做功的多少相等 守恒 【解析】 【分析】 【详解】(1)[1]由题意可知,重物的重力是G mg =,木块在AB 段运动过程中,重物下降的高度是L ,那么重物的重力做功大小是W mgL =重[2]木块经过PB 段由于受到摩擦力的作用,内能会增大。
(2)[3]重物和木块获得的总动能与重物重力做功多少有关,随着重物重力做功越来越大,速度也越来越大,所以这个依据是物体下落过程中速度越来越快。
(3)[4]由表中数据可看到,PA 的数值越大,木块在P 点的速度越大,动能越大,所以猜想是正确的。
[5]由表中数据可知,第1次实验中重物和木块获得的总动能是()()2-1110.1kg 0.9kg 0.2m s 0.1J 2W =⨯+⨯⋅=总动能重物的重力做功是110.1kg 10N/kg 0.1m 0.1J W mgL ==⨯⨯=重力第2次实验中重物和木块获得的总动能是()()2-1210.1kg 0.9kg 0.3m s 0.15J 2W =⨯+⨯⋅=总动能重物的重力做功是220.1kg 10N/kg 0.15m 0.15J W mgL ==⨯⨯=重力同理,第3、4、5、6次实验也可以得到这样的数据,所以可得出结论:重物和木块获得的总动能与重物重力做功的多少相等。
[6]AP 段是光滑的,所以势能完全转化为动能,系统机械能守恒。
[7]比较表中数据可知,2v 与L 成正比,当0.1m L =时,()22-10.2m s v =⋅,那么()2-10.2m s 0.1m k ⋅=⨯解得22m/s k =,可得到222m/s v L =⨯,当0.7m L =时22222m/s 0.7m 1.4m /s v =⨯=所以可知木块M 在P 点获得的动能是222110.9kg 1.4m /s 0.63J 22W Mv ==⨯⨯= (4)[8]一个物体从高为h 的光滑斜面顶端,由静止开始滑下,不计空气阻力,则机械能是守恒的,物体重力所做的功转化为动能,可以得到关系式212mgh mv =解得2v gh =。
3.在做“观察水的沸腾”实验时,甲、乙、丙三个实验小组的同学用相同规格、酒精灯火焰大小一样的实验器材,如图A 装置进行实验。
(1)图B 中,温度计的示数为________℃;(2)三组同学都根据自己的实验数据描绘了图象(如图C ),不计能量损耗,则三烧杯中的水的质量:m a ______m b ;m b ______m c 。
由图象还可以判断水面上方的气压________一个标准大气压(以上三空均选填“>”“=”或“<”);(3)水的比热容为4.2×103 J/(kg ·℃),质量为200 g 的水从30 ℃加热到80 ℃,水吸收的热量是________J 。
【答案】47 < > < 42000 【解析】 【分析】 【详解】(1)[1]在温度计上,10℃之间有10个小格,一个小格代表1℃,所以此温度计的分度值为1℃;“50”在“40”以上,说明温度高于0℃,为47℃。
(2)[2][3][4]由图2可以看出,a 、b 、c 的沸点相同,其中a 、b 初温相同,加热到沸腾所用的时间不同,则两条图线描绘的是“初温相同质量不同的水”的加热情况;初温相同,b 的加热时间比a 的长,故b 的质量大与a 的质量;a 、c 的温度随时间变化的图象是平行的,在相同时间内升高的温度相同,故a 的质量等于c 的质量,所以可得a cb m m m =<由图象还可以得出,此时水的沸点是98℃,由液体的沸点跟气压的关系可知,此时水面上方的气压小于一个标准大气压。
(3)[5]水吸收的热量为()34.210J/(kg C)0.2kg 80C-30C =42000J Q c m t =∆=⨯⋅︒⨯⨯︒︒4.水是生命之源,保护水资源和节约用水是每个公民应尽的义务。
小明同学在学习了密度知识后,想进一步了解家里的水质,为此他向老师借来实验器材来测家里自来水的密度: (1)将天平放在水平桌面上,游码移到标尺左侧的零刻度线,然后调节_____使指针指在分度盘中央;(2)实验正确操作,测出自来水和杯子总质量为118.8g ,将部分水倒入量筒,如图甲所示,测出量筒中水的体积为_____cm 3。
测出剩余自来水和杯子的质量,如图乙所示,为_____g ;(3)根据上述实验数据,计算出自来水的密度为_____kg/m 3;(4)在向量筒倒入自来水时,如果不慎有水溅出,则测出的自来水密度会_____(选填“偏大”、“偏小”或“不变”);(5)小明还了解到水的比热容较大,人们用它的这一特征为生产、生活服务。
下列与这个特征无关的是______A .让热水流过散热器来取暖B .在落差大的河流上建水电站,用水发电C .内陆地区早晚温差比沿海地区大D .汽车发动机用水循环冷却【答案】平衡螺母 60 58.2 1.01×103 偏大 B 【解析】 【分析】 【详解】(1)[1]使用天平时,游码移到标尺左侧的零刻度线后,通过调节平衡螺母使指针指在分度盘中央。
(2)[2]由图甲知,量筒中水的体积为60cm 3。
[3]如图乙知,剩余自来水和杯子的质量为58.2g 。
(3)[4]量筒中的水的质量m =118.8g-58.2g=60.6g则自来水的密度333360.6g 1.01g/cm 1.0110kg/m 60cmm V ρ====⨯ (4)[5]在向量筒倒入自来水时,如不慎有水溅出,则测出的自来水体积偏小,但测量的质量不变,那么测得的密度偏大。
(5)[6]因为水的比热容较大,所以可以用水来取暖、冷却,而且水也可调节气温,即沿海地区早晚温差较小,而在落差大的河流上建水电站,是利用水能发电,故B不是利用水的比热容较大来工作的。
5.如图所示,在“探究物体的动能跟哪些因素有关”的实验中,将小钢球从高度为h的同一斜面上由静止开始滚下,推动同一小木块向前移动一段距离s后停下。
完成甲、乙、丙所示的三次实验,其中h1=h3>h2,m A=m B<m C。
(1)本实验探究的是_______(选填“钢球”或“木块”)的动能与哪些因素有关;(2)甲、乙两图中,改变小球出发的高度是为了探究________对动能的影响;(3)乙、丙实验中木块滑动时受到的摩擦力_______(选填“乙大”、“丙大”或“一样大”);(4)ABC三个小球从斜面滚下时,_______球重力做功最多。
【答案】钢球速度一样大 C【解析】【分析】【详解】(1)[1]本实验探究的是钢球的动能与哪些因素有关,因为钢球从斜面冲下的情况不同,其动能不同。
(2)[2]甲乙图中,两小球的质量相同,在斜面上的高度不同,是为了让小球冲下的速度不同,所以是探究速度对动能的影响。
(3)[3]乙、丙实验中,木块滑动时受到的摩擦力一样大,因为同一木块在同一接触面上滑动,其压力和接触面的粗糙程度相同。