给排水管道图形符号(学习建筑)
- 格式:doc
- 大小:362.00 KB
- 文档页数:6
给排水工程图形符号说说一般常用的:给水管道-J,如果分高低区通常用首字母表示即高区-G,低区-D。
排水管道-W表示污水。
也有-F,就是废水。
很少见有用-P表示的。
消火栓管道-XH自动喷淋管道-Z或者-ZP.雨水管道-Y采暖管道-R, —般实线表示供水管,虚线表示回水管。
压力排水-PY冷凝水管道-N。
管道立管-L.另外设备的型号字母:Q流量或者风量H-扬程N-功率P-压力QW潜污泵其他阀门、器具之类的都是用图形区分。
JL-给水管;WL污水管;YL-雨水管;RJL-热给水; RHL T 热回水1)给水排水H 程圈形符号 GB6-- 2 图例口WA[J3-&图例说明 给水管 室外消火栓(地下) 塞外消火栓(地上) 察内消火栓(单口) 室内消火栓{双口) 诜脸盆 拖布池蹲式便需 斗式小便器 自动冲洗水箱 妇女卫生盆 坐式便器 透气帽检杳井 洗涤盆 浴盆水表(井) 水泵 水嘴 胆阀它eTL ◎说明MitW止回1« 排水借地歸检晝口 诛着头2)采I®工程图彪符号GB6-・63J^L图例藏汽管 热水管 凝结、回水管 地沟内管逍 保护套骨 固定支座 活动支崖方形伸缩器套骨伸縮挪 保泡骨道 埋地管道立式集气S6卧式集气懺 除污器 光面散热需 方真朋 散热器4卫—+O<|-jft 明敌热裾 柱珮散热器 散热器放气阀 暧风机压力表 变经骨 调压板 薛簧安全阀 觅蒔安全阀 自功放气阀 混合器 丝堵三通 管道坡度流虽表 手插泵凝结水管 热水伶 热水回水骨 温度计 疏水器装代。
给排水管道图形符号
管道及附件
软管 可挠曲橡胶接头 管道固定支架 管道立管 排水明沟 排水暗沟 弯折管 弯折管 U1 存水弯 方型地漏 自动冲洗箱 □3— [p 表示管道向后弯90 ° 表示管道向前弯90 ° 管道的连接 图形符号 说明 XXX 拆除管 tt 法兰连接 承插连接
管堵 图形符号 地沟管 防护套管 检查口 清扫口 通气帽 雨水斗 排水漏斗 圆形地漏 阀门套筒 挡墩 说明 活接头 转动接头 管接头
法兰堵盖偏心异径管
异径管乙字管喇叭口1 応
弯官
正三通
斜三通
正四通
斜四通4
螺纹连接
温度调节阀1i弹簧安全阀
禺压力调节阀平衡锤安全阀
电磁阀© Q自动排气阀
止回阀浮球阀
气开隔膜阀t3a气闭隔膜阀
4 延时自闭冲洗阀p脚踏开关
放水龙头111疏水器
皮带龙头—室外消火栓
洒水龙头—0室内消火栓(单口)■缶化验龙头T室内消火栓(双口)肘式开关r水泵接合器
消防喷头(开式)Q .
消防报警阀
消防喷头(闭式)
卫生器具及水池
图形符号说明图形符号说明
n水盆水纸
立式洗脸盆
用于一张图只有一。
给排水管道图形符号管道及附件图形符号说明图形符号说明管道:用于一张图内只有一种管道四通连接管道:用汉语拼音字头表示管道类别流向导管:用图例表示管道类别坡向交叉管:指管道交叉不连接,在下方和后面的管道应断开套管伸缩器三通连接波形伸缩器弧形伸缩器管道滑动支架方形伸缩器保温管也适用于防结露管防水套管多孔管软管拆除管可挠曲橡胶接头地沟管管道固定支架防护套管管道立管检查口排水明沟清扫口排水暗沟通气帽弯折管雨水斗表示管道向后弯90°弯折管排水漏斗表示管道向前弯90°存水弯圆形地漏方型地漏阀门套筒自动冲洗箱挡墩管道的连接图形符号说明图形符号说明法兰连接活接头承插连接转动接头管堵管接头法兰堵盖弯管偏心异径管正三通异径管斜三通乙字管正四通喇叭口斜四通螺纹连接阀门图形符号说明图形符号说明阀门电动阀用于一张图内只有一种阀门角阀液动阀三通阀气动阀四通阀减压阀闸阀旋塞阀截止阀底阀球阀消声止回阀隔膜阀碟阀温度调节阀弹簧安全阀压力调节阀平衡锤安全阀电磁阀自动排气阀止回阀浮球阀气开隔膜阀气闭隔膜阀延时自闭冲洗阀脚踏开关放水龙头疏水器皮带龙头室外消火栓洒水龙头室内消火栓(单口)化验龙头室内消火栓(双口)肘式开关水泵接合器消防喷头(开式)消防报警阀消防喷头(闭式)卫生器具及水池图形符号说明图形符号说明水盆水纸用于一张图只有一种水盆或水池立式洗脸盆洗脸盆浴盆化验盆、洗涤盆挂式小便器带蓖洗涤盆蹲式大便器盥洗槽坐式大便器污水池淋浴喷头妇女卫生盆矩形化粪池HC为化粪池代号立式小便器圆形化粪池除油池YC为除油池代放气井号沉淀池CC为沉淀池代号泄水井降温池JC为降温池代号水封井中和池ZC为中和池代号跌水井雨水口水表井本图例与流量计相同设备及仪表图形符号说明图形符号说明泵用于一张图只有一种泵管道泵离心水泵热交换器真空泵水-水热交换器手摇泵开水器定量泵喷射器磁水泵集气罐过滤器除污器上图:平面下图:立面水锤消除器暖风机浮球液位器温度计搅拌器水流指示器散热器压力表上图:平面下图:立面自动记录压力表自动记录流量计电接点压力表转子流量计流量计减压孔板。
给排水工程图形符号
给排水工程图形符号
说说一般常用的:
给水管道-J,如果分高低区通常用首字母表示即高区-G,低区-D。
排水管道-W,表示污水。
也有-F,就是废水。
很少见有用-P表示的。
消火栓管道-XH。
自动喷淋管道-Z或者-ZP. 雨水管道-Y.
采暖管道-R,一般实线表示供水管,虚线表示回水管。
压力排水-PY. 冷凝水管道-N。
管道立管-L.
另外设备的型号字母: Q-流量或者风量 H-扬程 N-功率 P-压力 QW-潜污泵
其他阀门、器具之类的都是用图形区分。
JL-给水管;WL-污水管;YL-雨水管;RJL-热给水;RHL-热回水。
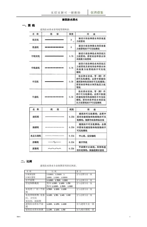
建筑给水排水一、图线建筑给水排水常用线型图例表。
二、比例建筑给水排水专业制图常用的比例表。
名称比例备注区域规划图区域位置图1:50000、1:25000、1:10000、1:5000、1:20000宜与总图专业一致总平面图1:1000、1:500、1:300 宜与总图专业一致管道纵断截面竖向1:200、1:100、1:50纵向1:1000、1:500、1:300宜与总图专业一致水处理(厂站)平面图1:500、1:200、1:100 宜与总图专业一致水处理构筑物、设备间、卫生间泵房间、剖面图1:100、1:50、1:40、1:30 宜与总图专业一致建筑给水排水平面图1:200、1:150、1:200 宜与建筑专业一致建筑给水排水轴测1:150、1:100、1:50 宜与相应图纸一致图详图1:50、1:30、1:20、1:10、1:5、1:2、1:1、2:1三、标高的标注1、室内工程应标注相对标高;室外工程宜标注绝对标高,当无绝对标高资料时,可标注相对标高,但应总图专业一致。
2、压力管道应标注中心标高;重力流管道和沟渠宜标注管(沟)内底标高。
标高单位以m计时,可注写到小数点后第二位。
3、标高的标注方法应符合下列规定:(1)平面图中,管道标高应按下图中的方式标注;平面图中管道标高标注法(2)平面图中,沟渠标高应按下图的方式标注平面图中沟渠标高标注法((3)剖面图中,管道及水位标高应按下图的方式标注剖面图中管道及水位标高标注法(4)、轴测图中,管道标高应按图2.3.5-4的方式标注。
轴测图中管道标高标注法(5)建筑物内的管道也可以按本层建筑地面的标高加管道安装高度的方式标注管道标高,标注方法应为H+X,XX,H 表示本层建筑地面标高。
四、管径1 、管径的单位应为mm。
2、管径的表达方式应符合下列规定:(1)水煤气输送钢管(镀锌或非镀锌)、铸铁管等管材,管径宜以工程直径DX壁厚表示;(2)无缝钢管、焊接钢管(直缝或螺旋缝)等管材,管径宜以外径DX壁厚表示;(3)钢管、薄壁不锈钢管等管材,管径宜以公称Dw表示;(4)建筑给水排水塑料管材,管径宜以外径dn表示;(5)钢筋混凝土(或混凝土)管,管径宜以内径d表示;(6)复合管、结构壁塑料管等管材,管径应按产品标准的方法表示;(7)当设计中均采用公称直径DN表示管径时,应有公称直径DN与相应产品规格对照表。
实用文档之"给排水管道图形符号"管道及附件图形符号说明图形符号说明管道:用于一张图内只有一种管道四通连接管道:用汉语拼音字头表示管道类别流向导管:用图例表示管道类别坡向交叉管:指管道交叉不连接,在下方和后面的管道应断开套管伸缩器三通连接波形伸缩器弧形伸缩器管道滑动支架方形伸缩器保温管也适用于防结露管防水套管多孔管软管拆除管可挠曲橡胶接头地沟管管道固定支架防护套管管道立管检查口排水明沟清扫口排水暗沟通气帽弯折管雨水斗表示管道向后弯90°弯折管排水漏斗表示管道向前弯90°存水弯圆形地漏方型地漏阀门套筒自动冲洗箱挡墩管道的连接图形符号说明图形符号说明法兰连接活接头承插连接转动接头管堵管接头法兰堵盖弯管偏心异径管正三通异径管斜三通乙字管正四通喇叭口斜四通螺纹连接阀门图形符号说明图形符号说明阀门电动阀用于一张图内只有一种阀门角阀液动阀三通阀气动阀四通阀减压阀闸阀旋塞阀截止阀底阀球阀消声止回阀隔膜阀碟阀温度调节阀弹簧安全阀压力调节阀平衡锤安全阀电磁阀自动排气阀止回阀浮球阀气开隔膜阀气闭隔膜阀延时自闭冲洗阀脚踏开关放水龙头疏水器皮带龙头室外消火栓洒水龙头室内消火栓(单口)化验龙头室内消火栓(双口)肘式开关水泵接合器消防喷头(开式)消防报警阀消防喷头(闭式)卫生器具及水池图形符号说明图形符号说明水盆水纸立式洗脸盆用于一张图只有一种水盆或水池洗脸盆浴盆化验盆、洗涤盆挂式小便器带蓖洗涤盆蹲式大便器盥洗槽坐式大便器污水池淋浴喷头妇女卫生盆矩形化粪池HC为化粪池代号立式小便器圆形化粪池除油池YC为除油池代号放气井沉淀池CC为沉淀池代号泄水井降温池JC为降温池代号水封井中和池ZC为中和池代号跌水井雨水口水表井本图例与流量计相同设备及仪表图形符号说明图形符号说明泵用于一张图只有一种泵管道泵离心水泵热交换器真空泵水-水热交换器手摇泵开水器定量泵喷射器磁水泵集气罐过滤器除污器上图:平面下图:立面水锤消除器暖风机浮球液位器温度计搅拌器水流指示器散热器上图:平面下图:立面压力表自动记录压力表自动记录流量计电接点压力表转子流量计流量计减压孔板。
给排水管道图形符号管道及附件图形符号说明图形符号说明管道:用于一张图内只有一种管道四通连接管道:用汉语拼音字头表示管道类别流向导管:用图例表示管道类别坡向交叉管:指管道交叉不连接,在下方和后面的管道应断开套管伸缩器三通连接波形伸缩器弧形伸缩器管道滑动支架方形伸缩器保温管也适用于防结露管防水套管多孔管软管拆除管可挠曲橡胶接头地沟管管道固定支架防护套管管道立管检查口排水明沟清扫口排水暗沟通气帽弯折管雨水斗表示管道向后弯90°弯折管排水漏斗表示管道向前弯90°存水弯圆形地漏方型地漏阀门套筒自动冲洗箱挡墩管道的连接图形符号说明图形符号说明法兰连接活接头承插连接转动接头管堵管接头法兰堵盖弯管偏心异径管正三通异径管斜三通乙字管正四通喇叭口斜四通螺纹连接阀门图形符号说明图形符号说明阀门用于一张图内只电动阀有一种阀门角阀液动阀三通阀气动阀四通阀减压阀闸阀旋塞阀截止阀底阀球阀消声止回阀隔膜阀碟阀温度调节阀弹簧安全阀压力调节阀平衡锤安全阀电磁阀自动排气阀止回阀浮球阀气开隔膜阀气闭隔膜阀延时自闭冲洗阀脚踏开关放水龙头疏水器皮带龙头室外消火栓洒水龙头室内消火栓(单口)化验龙头室内消火栓(双口)肘式开关水泵接合器消防喷头(开式)消防报警阀消防喷头(闭式)卫生器具及水池图形符号说明图形符号说明水盆水纸立式洗脸盆用于一张图只有一种水盆或水池洗脸盆浴盆化验盆、洗涤盆挂式小便器带蓖洗涤盆蹲式大便器盥洗槽坐式大便器污水池淋浴喷头矩形化粪池妇女卫生盆HC为化粪池代号立式小便器圆形化粪池除油池放气井YC为除油池代号沉淀池泄水井CC为沉淀池代号降温池水封井JC为降温池代号中和池跌水井ZC为中和池代号水表井雨水口本图例与流量计相同设备及仪表图形符号说明图形符号说明泵用于一张图只有一种泵管道泵离心水泵热交换器真空泵水-水热交换器手摇泵开水器定量泵喷射器磁水泵集气罐过滤器除污器上图:平面下图:立面水锤消除器暖风机浮球液位器温度计搅拌器水流指示器散热器上图:平面下图:立面压力表自动记录压力表自动记录流量计电接点压力表转子流量计流量计减压孔板。
给排水管道图形符号
管道及附件
图形符号说明图形符号说明
管道:
用于一张图内只有一种管道
四通连接
管道:
用汉语拼音字头表示管道类别
流向
导管:
用图例表示管道类别
坡向
交叉管:
指管道交叉不连接,在下方和后
面的管道应断开
套管伸缩器三通连接波形伸缩器
弧形伸缩器管道滑动支架
方形伸缩器保温管
也适用于防结露管
防水套管多孔管软管拆除管可挠曲橡胶接头地沟管管道固定支架防护套管管道立管检查口排水明沟清扫口
排水暗沟通气帽
弯折管
雨水斗表示管道向后弯90°
弯折管
排水漏斗表示管道向前弯90°
存水弯圆形地漏
方型地漏阀门套筒
自动冲洗箱挡墩
管道的连接
图形符号说明图形符号说明
法兰连接活接头
承插连接转动接头
管堵管接头
法兰堵盖弯管
偏心异径管正三通
异径管斜三通
乙字管正四通
喇叭口
斜四通
螺纹连接
阀门
图形符号说明图形符号说明
阀门
电动阀
用于一张图内只
有一种阀门
角阀液动阀
三通阀气动阀
四通阀减压阀
闸阀旋塞阀
截止阀底阀
球阀消声止回阀
隔膜阀碟阀
温度调节阀弹簧安全阀
压力调节阀平衡锤安全阀
电磁阀自动排气阀
止回阀浮球阀
气开隔膜阀气闭隔膜阀
延时自闭冲洗阀脚踏开关
放水龙头疏水器。