库存现金监盘表.docx
- 格式:docx
- 大小:21.89 KB
- 文档页数:2
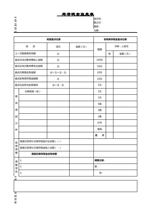
库存现金监盘表被审计单位:项目:编制:日期:索引号:ZA1-1财务报表截止日/期间:复核:日期:检查盘点记录实有库存现金盘点记录项目项次人民币美元某外币面额人民币美元某外币上一日账面库存余额①1000 元张金额张金额张金额盘点日未记账传票收入金额②500 元盘点日未记账传票支出金额③盘点日账面应有金额④ =①+②-③100 元盘点实有库存现金数额⑤50 元盘点日应有与实有差异⑥=④- ⑤10 元差异白条抵库(张) 5 元原因 2 元分析 1 元0.5 元0.2 元0.1 元合计追溯报表日至审计日库存现金付出总额调整报表日至审计日库存现金收入总额报表日库存现金应有余额报表日账面汇率报表日余额折合本位币金额本位币合计出纳员:会计主管人员:监盘人:检查日期:审计说明:第一部分 认定、审计目标和审计程序对应关系一、 审计目标与认定对应关系表财务报表认定审计目标存 权利 计价 列在 完整性报和义务 和分摊 A 资产负债表中记录的货币资金是存在的。
√B 应当记录的货币资金均已记录。
√D 记录的货币资金由被审计单位拥有或控制。
√C 货币资金以恰当的金额包括在财务报表中, 与之相√关的计价调整已恰当记录。
E 货币资金已按照企业会计准则的规定在财务报表√中作出恰当列报。
二、审计目标与审计程序对应关系表审计 可供选择的审计程序 索引号目标( 一) 库存现金1. 核对库存现金日记账与总账的金额是否相符,检查非记账本位币 D略库存现金的折算汇率及折算金额是否正确。
2. 监盘库存现金:(1) 制定监盘计划,确定监盘时间;(2) 将盘点金额与现金日记账余额进行核对,如有差异,应要求被审计单位查明原因并作适当调整, 如无法查明原因, 应要求被审计单位按管理权限批准后作出调整;ZA1-1ABDC (3) 在非资产负债表日进行盘点时,应调整至资产负债表日的金额;(4) 若有充抵库存现金的借条、未提现支票、未作报销的原始凭证,需在盘点表中注明,如有必要应作调整。
书山有路
答:
编制库存现金盘点表
该单位在库存现金管理上存在的问题有:
1、现金管理不合理。
出纳人员对手续不完备的凭证都先付款,不符合现金管理办法。
建议加强企业现金管理制度,加强对出纳人员的监督,以杜绝再出现类似的情况;
2、现金帐处理务不及时。
出纳人员没有及时登记现金收支明细帐。
导致突查时,尚有多张已付的凭证尚未进行帐务处理。
建议应督促财务人员实行“日清日结”的帐务习惯,及时将现金收支帐务登记清楚;
3、现金帐与实际盘点的金额不一致。
出纳现金帐目混乱,现金余额与实际盘点不相等。
为确保现金“帐实相符”,应加强对出纳人员的管理,并对其所做帐务进行清查,以追查现金帐实不符的原因。
若有违法行为,则需按规定追究责任。
审计意见:白条抵现应予以纠正,不予以报销。
1。
谢谢你的阅读
库
存
现
金
监
盘
表
被审计单位:
项目: 编制: 日期:
检查盘点记录
项目
项次
上一日账面库存余额
①
盘点日未记账传票收入金额
②
盘点日未记账传票支出金额
③
盘点日账面应有金额
④=①+②-③
人民币
索引号: ZA1-1
财务报表截止日/期间: 复核: 日期:
实有库存现金盘点记录
美元 某外币 面额 人民币
美元
某外币
1000 元 张 金额 张 金额 张 金额
500 元
100 元
盘点实有库存现金数额 盘点日应有与实有差异 差 异 白条抵库(张) 原因 分析
=2⑤-3 ⑥=④-⑤
追 溯 报表日至审计日库存现金付出总额 调整 报表日至审计日库存现金收入总额
报表日库存现金应有余额 报表日账面汇率 报表日余额折合本位币金额
50 元 10 元 5元 2元 1元 0.5 元 0.2 元 0.1 元 合计
本位币合计 出纳员:
审计说明:
会计主管人员:
监盘人:
检查日期:
第一部分 认定、审计目标和审计程序对应关系
一、 审计目标与认定对应关系表
审计目标
财务报表认定
谢谢你的阅读
A 资产负债表中记录的货币资金是存在的。
B 应当记录的货币资金均已记录。
谢谢你的阅读
存
权利 计价 列
完整性
在
和义务 和分摊 报
√
√
D 记录的货币资金由被审计单位拥有或控制。
√
C 货币资金以恰当的金额包括在财务报表中,与之相 关的计价调整已恰当记录。
E 货币资金已按照企业会计准则的规定在财务报表 中作出恰当列报。
二、审计目标与审计程序对应关系表
审计 目标
可供选择的审计程序
(一)库存现金
√ √
索引号
D ABDC ABD
1.核对库存现金日记账与总账的金额是否相符,检查非记账本位币 略
库存现金的折算汇率及折算金额是否正确。
2.监盘库存现金:
(1)制定监盘计划,确定监盘时间;
(2)将盘点金额与现金日记账余额进行核对,如有差异,应要求被审
计单位查明原因并作适当调整,如无法查明原因,应要求被审计
单位按管理权限批准后作出调整;
ZA1-1
(3)在非资产负债表日进行盘点时,应调整至资产负债表日的金额;
(4)若有充抵库存现金的借条、未提现支票、未作报销的原始凭证,
需在盘点表中注明,如有必要应作调整。
(特别关注数家公司混
用现金保险箱的情况。
)
3.抽查大额库存现金收支。
检查原始凭证是否齐全、记账凭证与原
始凭证是否相符、账务处理是否正确、是否记录于恰当的会计期间 ZA2-6
等项内容。
4.根据评估的舞弊风险等因素增加的其他审计程序。
谢谢你的阅读
。