几种开挖方法简介
- 格式:doc
- 大小:16.50 KB
- 文档页数:2
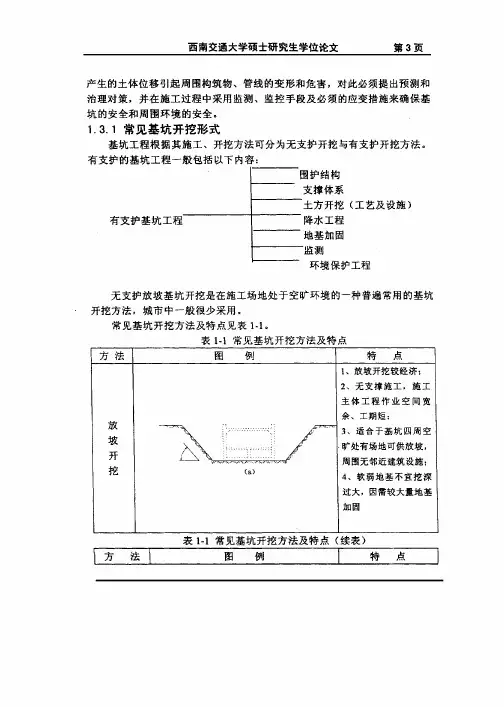
基坑开挖方法开挖方法主要有放坡分层挖土、有支撑分层挖土、盆式挖土、中心岛式挖土等几种,应根据基坑面积大小、开挖深度、支护结构形式、环境条件等因素选用。
(1)放坡分层开挖:分层挖土是将基坑按深度分为多层进行逐层开挖,这种开挖方式适合于四周空旷、有足够放坡场地、周围没有建筑设施或地下管线的情况。
分层厚度,软土地基应开挖方法主要有放坡分层挖土、有支撑分层挖土、盆式挖土、中心岛式挖土等几种,应根据基坑面积大小、开挖深度、支护结构形式、环境条件等因素选用。
1)放坡分层开挖:分层挖土是将基坑按深度分为多层进行逐层开挖,这种开挖方式适合于四周空旷、有足够放坡场地、周围没有建筑设施或地下管线的情况。
分层厚度,软土地基应控制在2m以内;硬质土可控制在5m以内为宜。
开挖顺序可从基坑的某一边向另一边平行开挖,可从基坑两头对称开挖,或从基坑中间向两边平行对称开挖,也可交替分层开挖,这些均可根据工作面和土质情况决定。
在采用放坡开挖时,要求基坑边坡在施工期间保持不乱。
基坑边坡坡度应按照土质、基坑深度、开挖办法、留置工夫、边坡荷载、排水情况及场地大小确定。
放坡开挖应有降低坑内水位和防止坑外水倒灌的措施。
若土质较差且基坑施工工夫较长,边坡坡面可采用钢丝网喷浆等措施进行护坡,以保持基坑边坡不乱。
在软土地基下,不宜挖深过大,一般控制在6~7m 左右,坚固土层则不受此限定。
放坡值应符合规范要求。
放坡开挖施工方便,挖土机作业无障碍,工效高,基础开挖后基础结构作业空间大,施工工期短,经济效益好。
但在城市或人口密集地区施工,条件往往不允许采用这种开挖方式。
2)有支护基坑开挖:有支护的基坑开挖包括有内支撑和无内支撑支护的基坑开挖。
无内支撑支护有悬臂式、拉锚式、重力式、土钉墙等,该种支护的土壁可垂直向下开挖,不需要在基坑边四周有很大的场地,可用于场地狭小、土质又较差的情况。
同时,在地下结构完成后,其基坑土方回填工作量也小。
有内支撑支护基坑土方开挖比较困难,其土方分层开挖必须考虑与支撑结构施工的相和谐。
开挖技术知识点总结一、开挖技术的概念及作用开挖技术是指利用机械设备进行土方开挖、挖掘和平整的工程技术。
主要作用是在工程施工中进行土石挖掘,以形成地基、挖运渠路、沟渠、盲渠、采矿,等。
一般可分为创开挖、续挖和复挖三种。
二、开挖技术分类1. 地面开挖技术地面开挖是指开展地下设施工程之前进行的挖掘作业。
属于土方开挖领域,一般挖掘的深度不大,所属机械设备配置不多,用于建筑、道路工程等。
2. 地下开挖技术地下开挖是指地下设施的挖掘工作。
属于土质、岩石挖掘领域,如隧洞、矿井、隧道等工程。
3. 水上开挖水上开挖是指水下进行的挖掘工作。
属于水下清淤、疏浚领域。
比如河道、湖泊和港口等水域的清淤和挖掘工作。
4. 特殊开挖特殊开挖是指在特殊环境下进行的挖掘工作。
比如高空开挖、微地形开挖、湿地开挖、动力开挖等。
三、开挖作业的流程1. 工程勘察在进行开挖作业前,需要进行地质勘察和工程设计,了解开挖土质、地下水位、地下管线分布等情况,以便为施工提供依据。
2. 施工准备施工前需要进行场地准备、机械设备配置、人员安排等工作,确保施工顺利进行。
3. 开挖作业按照设计要求和施工计划进行土方开挖、挖掘和平整工作,保证施工质量。
4. 后续工程完成开挖后,需进行后续工程,如地基处理、管线敷设、混凝土浇筑等。
四、开挖机械设备1. 挖掘机挖掘机是开挖施工中常用的机械设备,它能够进行土方开挖和挖土作业。
常见的挖掘机有履带式和轮式挖掘机。
2. 推土机推土机主要用于大面积的平整作业,也可用于开挖土方施工,属于土方开挖的主要设备之一。
3. 装载机装载机是一种多功能性较强的机械设备,可进行土方开挖、装载、平整等多种作业。
4. 铲运机铲运机主要用于矿石、煤矿、建筑垃圾、煤渣等物料的搬运和装卸作业。
5. 钻机钻机主要用于地下开挖、地质钻探等工作。
根据工作原理的不同,分为旋挖钻机、液压顶管钻机、循环钻机等多种类型。
6. 钻爆机钻爆机是一种集钻孔、装药、起爆、排石等多种功能于一体的机械设备,用于开挖岩石和矿石。
施工方法简介:(一)全断面开挖法1.全断面开挖法适用于围岩稳定的隧道施工,一般用于Ⅱ、Ⅲ级围岩。
2.全断面开挖法采取自上而下一次开挖成形,沿着轮廓开挖,按施工方案一次进尺并及时进行初期支护。
3.全断面开挖法的优点是可以减少开挖对围岩的扰动次数,有利于围岩天然承载拱的形成,工序简便;缺点是对地质条件要求严格,围岩必须有足够的自稳能力。
(二)台阶开挖法1.台阶开挖法一般适用于Ⅳ级围岩,有时遇Ⅲ级围岩偏弱或断面较大时也可采用(但Ⅲ级围岩时一般采用上下台阶法)。
2.台阶开挖法一般有上下台阶法、三台阶法或多台阶法。
根据地层条件和机械配套情况,台阶法又可分为正台阶法和中隔壁台阶法等。
正台阶法能较早使支护闭合,有利于控制其结构变形及由此引起的地面沉降。
3.台阶开挖法优点是具有足够的作业空间和较快的施工速度,灵活多变,适用性强。
上下台阶法三台阶法(三)环形开挖预留核心土法1.环形开挖预留核心土法适用于一般土质或易坍塌的软弱围岩、断面较大的隧道施工,适用于Ⅳ级或Ⅴ级围岩。
2.一般情况下,将断面分成环形拱部、上部核心土、下部台阶等三部分。
根据断面的大小,环形拱部又可分成几块交替开挖。
环形开挖进尺为0.5~1,Om.不宜过长。
台阶长度一般以控制在1D内(D-般指隧道跨度)为宣。
3.施工作业流程:用人工或单臂掘进机开挖环形拱部一架立钢支撑,喷混凝土。
在拱部初次支护保护下,为加快进度,宜采用挖掘机或单臂掘进机开挖核心土和下台阶,随时接长钢支撑和喷混凝土、封底。
视初次支护的变形情况或施工步序,安排施工二次衬砌作业。
(四)单侧壁导坑法L.单侧壁导坑法适用于断面跨度大,地表沉陷难于控制的软弱松散围岩中隧道施工,一般适用于Ⅴ级围岩。
2.单侧壁导坑法是将断面横向分成3块或4块:侧壁导坑(1)、上台阶(2)、下台阶(3),侧壁导坑尺寸应本着充分利用台阶的支撑作用,并考虑机械设备和施工条件而定。
3.一般情况下侧壁导坑宽度不宜超过0.5倍洞宽,高度以到起拱线为宜,这样导坑可分二次开挖和支护,不需要架设工作平台,人工架立钢支撑也较方便。
土石方工程施工中的土方开挖与回填方法土石方工程是指在土地开发、基础设施建设、道路建设等工程中,进行土方开挖和回填的施工过程。
土方开挖与回填是土石方工程中最基本的环节之一,合理的施工方法对工程的质量和进度有着重要的影响。
本文将介绍土方开挖和回填的常用方法和注意事项。
一、土方开挖方法1. 机械开挖法机械开挖法是土方工程常用的开挖方法之一,它可以利用挖掘机、装载机等机械设备进行土方开挖作业。
机械开挖法具有施工速度快、效率高的优点,适用于大量土方的开挖工作。
在进行机械开挖时,需要注意挖掘机操作人员应具备相关证书,并按照操作规程进行操作,确保施工安全。
2. 爆破法爆破法是适用于土方中有岩石或硬土等难以被机械开挖的情况下的一种开挖方法。
通过进行爆破作业可以有效地破碎坚硬的土石,便于后续的土方开挖。
在进行爆破作业时,需要注意请专业爆破单位进行作业,确保安全可靠。
3. 手工开挖法手工开挖法适用于小型土方工程中的开挖作业,如管线维修、模板基坑的开挖等。
该方法要求劳动力较大,施工周期较长,但具有灵活性强、成本较低的特点。
在进行手工开挖时,施工人员应参照规范要求进行施工,并采取相应的安全措施,确保作业人员的安全。
二、土方回填方法1. 均质回填法均质回填法是指将挖掘出的土方通过机械设备进行回填,回填过程中对土方进行密实处理,使得回填后的地面平整紧实。
这种方法适用于土方的回填量较大、工期紧迫的情况。
在进行均质回填时,需要注意土方回填的厚度和层次,保证回填土方达到设计要求的密实度和均匀度。
2. 分层回填法分层回填法是将挖掘出的土方按照一定的层次进行回填,每一层都要进行适当的加固和压实处理,保证回填土方的稳定性和整体性。
这种方法适用于土方回填量相对较小、地质条件复杂的情况。
在进行分层回填时,需要注意每一层回填土方的厚度和压实度,确保回填土方与周边土地的结合牢固。
3. 增加回填法增加回填法是指在土方回填过程中,将一部分较好的土方进行加工处理后再次回填,以提高回填土方的质量和稳定性。
土方开挖施工方法.doc土方开挖是工程建设中常见的一种土方工程,其施工方法决定了土方开挖的质量、工期和效益。
本文将介绍土方开挖施工方法,包括开挖方法、土方倒运方法和透水排水方法。
一、开挖方法1.手工开挖法手工开挖法是一种传统的开挖方法,适用于小型深度不深的工程。
手工开挖法的施工过程是先在开挖的范围内挖深1-2米的试坑,根据试坑的情况来调整挖土的深度和宽度。
手工开挖法需要人力劳动,耗时耗力,但挖出的土方质量较好。
2.机械开挖法机械开挖法是在大型工程中使用的一种开挖方法,使用机械设备来完成土方的开挖作业。
机械开挖法具有快速、高效、节约人力和物力的优点。
根据需要挖掘的深度和宽度选择不同的机械设备,确保施工质量。
3.爆破开挖法爆破开挖法是在需要挖掘颗粒较硬的土石混合物和岩石时使用的一种开挖方法。
在施工开挖区域进行钻孔,然后在钻孔内填充炸药,进行爆破使土石混合物和岩石裂开。
爆破开挖法需要具有专业培训的人员,以确保施工安全和操作准确性。
二、土方倒运方法1.手推小车运输方法手推小车运输方法适用于小型工程。
在开挖完成后,工人使用手推小车将土方运输到指定的堆放场所。
手推小车运输方法的优点是操作简单,成本低,但需要人力劳动,费时费力。
三、透水排水方法土方开挖时,如果没有对土方进行排水处理,很容易出现水土流失、挖方坍塌等问题,影响施工质量。
为了解决这些问题,需要采取透水排水的方法。
1.斜井排水法斜井排水法使用斜井将水引导到预定的位置,通过排水管排除水分。
斜井排水法需要在进行大型工程的挖掘时使用,需要在开挖现场进行定位和设计。
2.表层排水法表层排水法是通过对土壤表面进行排水,排除表层水分。
在进行大型工程的时候,需要在开挖之前对现场进行改造,确保表面排水不会影响施工和挖掘作业。
3.下沉排水法下沉排水法是将排水管埋在开挖区域下方,在排水管中引导水流。
针对不同的地质情况和工程要求,采用不同的排水管和排水方法。
土方开挖施工方法在土木工程中,土方开挖是一个重要的施工环节,它指的是将土壤、岩石等物质从地下或地面上挖掘出来,为后续的工程建设创造条件。
土方开挖的方法多种多样,根据具体的地质条件和工程需求选择合适的开挖方法十分重要。
本文将介绍几种常用的土方开挖施工方法,包括机械开挖、人工开挖和爆破开挖。
一、机械开挖机械开挖是目前土方开挖最常用的方法之一,它利用各种大型挖掘机械进行施工。
机械开挖的优点是效率高、作业速度快,适用于大规模土方开挖和大面积挖掘工程。
常用的挖掘机械包括挖掘机、装载机、推土机等。
在使用机械开挖时,需要根据工程要求选择合适的挖机型号和配套的铲斗、铲刀等工具。
挖机的操作人员还需要具备丰富的施工经验和安全意识,确保施工过程中不发生事故。
二、人工开挖人工开挖是一种传统的土方开挖方法,其主要依靠人工使用各种工具进行挖掘。
人工开挖的优点是适用于较小规模的土方开挖,对环境影响较小。
在人工开挖中,工人需要使用锹、镐、铲等工具进行挖掘,并根据需要进行分类、清理、堆放等作业。
人工开挖需要工人具备一定的体力和耐力,同时还需要关注施工安全,避免挖掘时发生意外。
三、爆破开挖爆破开挖是一种特殊的土方开挖方法,适用于岩石较硬或者存在严重地质条件的地区。
它利用爆破药剂产生爆炸作用,将岩石炸碎,然后再进行挖掘。
爆破开挖需要专业的爆破团队进行操作,他们需要根据地质勘察报告确定合适的爆破方案,并采取相应的安全措施。
在爆破开挖过程中,需要严格按照爆破时间表和安全距离进行施工,保证施工过程中不会对周围环境和人员造成伤害。
需要说明的是,土方开挖施工方法的选择应该充分考虑工程的情况和实际需求,同时还需要遵守相关的法律法规和环境保护要求。
在施工过程中,还应该加强安全管理,确保施工人员的人身安全,避免事故的发生。
此外,土方开挖施工后还需要进行土方的处理和回填,恢复原状,并进行必要的环境保护措施,以确保工程质量和生态环境的良好。
总结起来,土方开挖施工方法包括机械开挖、人工开挖和爆破开挖。
基坑开挖方法与要点基坑开挖是建筑工程中的一项重要工作,它为建筑物的基础施工提供了必要的条件。
在进行基坑开挖时,我们需要考虑多种因素,包括土质情况、地下水位、周边环境等。
本文将介绍一些常用的基坑开挖方法和要点。
一、常用的基坑开挖方法1. 机械开挖:机械开挖是目前最常用的基坑开挖方法之一。
通过使用挖掘机、推土机等大型机械设备,可以快速、高效地完成基坑的开挖工作。
机械开挖适用于土质较好、坚硬的地层,能够满足大部分建筑工程的需求。
2. 爆破开挖:在某些情况下,土质较硬或者存在岩石时,机械开挖可能效果不佳。
这时可以考虑使用爆破开挖的方法。
爆破开挖需要专业的爆破工程师进行设计和操作,确保安全性和效果。
爆破开挖可以迅速破坏地下硬质土层或岩石,为后续施工提供便利条件。
3. 冻结法开挖:在地下水位较高的情况下,机械开挖和爆破开挖可能会受到限制。
这时可以采用冻结法开挖。
冻结法开挖是通过在基坑周围埋设冷冻管,将地下水冻结成冰,形成一道固体壁,以防止土层塌方。
冻结法开挖适用于地下水位较高、土质较松软的情况。
二、基坑开挖的要点1. 土质勘察:在进行基坑开挖前,需要对土质进行详细的勘察和分析。
了解土质的性质和分布情况,可以帮助我们选择合适的开挖方法和施工措施。
同时,还需要对土层的稳定性进行评估,确保基坑开挖过程中不会发生塌方等安全事故。
2. 地下水位控制:地下水位是基坑开挖中需要重点关注的因素之一。
在地下水位较高的情况下,需要采取相应的措施,如冻结法开挖或设置护壁等,以防止地下水涌入基坑并引起塌方。
同时,还需要进行地下水的排水处理,确保基坑内的工作环境干燥。
3. 周边环境保护:基坑开挖可能会对周边环境造成一定的影响,如噪音、震动等。
在进行开挖工作时,需要采取相应的措施,减少对周边居民和建筑物的影响。
可以采用降噪设备、振动隔离措施等,保证施工过程的环境友好性。
4. 安全施工:基坑开挖是一项复杂的工程,施工过程中需要严格遵守相关的安全规范和操作规程。
开挖的技术有哪些?一、机械开挖技术机械开挖技术是指利用各种机械设备进行挖掘工程的一种技术。
机械开挖技术被广泛应用于公路、铁路、城市建设等领域。
通过机械设备的协调配合,可以高效地完成大量的开挖工作。
常见的机械开挖技术包括挖掘机开挖、拆分锤开挖、爆破开挖等。
1. 挖掘机开挖挖掘机开挖是目前最常用的机械开挖技术之一。
挖掘机以其强大的施工能力和灵活性,广泛应用于各类土方工程。
在挖掘机开挖过程中,操作人员需要熟练掌握挖掘机的操作技巧,确保挖掘机能够准确地进行挖掘工作。
2. 拆分锤开挖拆分锤开挖是一种采用拆分锤进行挖掘的技术。
拆分锤是一种常见的挖掘工具,它通过高速冲击力将岩石或土壤疏松,从而实现开挖的目的。
拆分锤开挖适用于一些特殊的地质条件下,例如需要对坚硬的岩石进行开挖时,可以使用拆分锤进行挖掘。
3. 爆破开挖爆破开挖是一种通过使用爆炸药物进行开挖的技术。
爆破开挖通常适用于对岩石等坚硬材料的开挖。
在进行爆破开挖之前,需要对工地周围的环境进行详细的调查和分析,确保爆破操作的安全性。
同时,还需要采取一系列的安全措施,以确保工作人员和周围环境的安全。
二、人工开挖技术人工开挖技术是指通过人工操作进行开挖的一种技术。
人工开挖技术在一些复杂的地质环境下具有很高的适应性。
它可以根据实际情况进行灵活的调整和改变,从而满足不同工程的需求。
1. 手工开挖手工开挖是一种最基本的人工开挖技术。
它主要依靠工人的体力进行挖掘工作。
手工开挖适用于一些不宜使用机械设备的狭小空间或者特殊地质条件下的开挖。
2. 引爆开挖引爆开挖是一种通过使用爆炸物进行开挖的人工技术。
与机械爆破类似,引爆开挖也需要对施工环境进行详细调查和安全评估,以确保爆破操作的安全性。
三、水平开挖技术水平开挖技术是指在地下进行水平方向的开挖工作。
水平开挖技术在城市建设和地铁工程中得到广泛应用。
1. 剥离爆破剥离爆破是一种常见的水平开挖技术。
它通过在地下进行爆破,将岩石或土壤剥离出来,从而实现地下空间的开挖。
五种隧道开挖方式
以下是五种常见的隧道开挖方式:
1. 钻爆法:使用钻孔机对隧道所经过的地层进行预先钻孔,并在钻孔中注入炸
药,然后引爆炸药,以炸碎和挖掘地层。
2. 掘进机法:使用掘进机(如隧道掘进机或盾构机)进行隧道的开挖。
掘进机通过不断推进和切割地层,同时运输已经挖掘出来的土壤或岩石。
3. 全断面法:全断面法是指一次性将整个隧道的断面全部挖掘完毕。
这种方法通常用于较小的隧道和具有相对稳定地质条件的情况。
4. 预制法:在预制法中,隧道的部分或全部预先制成,然后通过推进或组装的方式进行安装。
这种方法适用于需要考虑施工时间和工作空间限制的情况。
5. 冻结法:冻结法是指通过在地下注入冷冻液体(如液氮)来冻结地层,然后
在冻结的地层内进行挖掘。
这种方法主要用于在强烈涌水或松散地层中进行隧道开挖。
不同地质基坑开挖技术总结一、引言基坑开挖是建筑工程中的重要环节,针对不同地质条件,需要采取相应的开挖技术。
本文将分别对土质基坑、岩石基坑、软土基坑、深基坑和复杂环境基坑的开挖技术进行总结。
二、土质基坑1. 放坡开挖:适用于土质较好、开挖深度较浅的基坑。
采用放坡开挖时,应控制坡度,确保坡体稳定。
2. 支护开挖:对于开挖深度较大、土质较差的基坑,可以采用支护结构进行开挖。
常见的支护结构有钢板桩、水泥土墙等。
三、岩石基坑1. 爆破开挖:对于岩石地质的基坑,可以采用爆破开挖。
爆破前应进行详细的爆破设计,并采取安全措施,确保作业人员的安全。
2. 机械开挖:对于岩石较软或破碎的基坑,可以采用机械开挖。
机械开挖效率高,但应注意机械操作的安全。
四、软土基坑1. 排水固结法:对于软土基坑,可以采用排水固结法进行处理。
该方法通过排水降低软土的含水量,提高其强度和稳定性。
2. 真空预压法:通过真空吸力作用,将软土中的水分排出,提高地基承载力。
该方法适用于大面积软土基坑的处理。
五、深基坑1. 支护结构:深基坑开挖时,应采取有效的支护结构,如地下连续墙、钢板桩等,确保基坑的稳定性。
2. 降水措施:深基坑开挖前,应采取降水措施,降低地下水位,减少对基坑的影响。
3. 信息化施工:深基坑开挖过程中,应采用信息化施工方法,实时监测基坑的变形和应力变化,确保施工安全。
六、复杂环境基坑1. 环境保护:在复杂环境下进行基坑开挖时,应采取环境保护措施,减少对周围环境的影响。
2. 地下管线保护:在复杂环境下进行基坑开挖时,应注意对地下管线的保护,避免对管线造成破坏。
3. 施工组织设计:在复杂环境下进行基坑开挖时,应进行详细的施工组织设计,合理安排施工顺序和施工方法,确保施工安全和顺利进行。
七、结论不同地质条件的基坑开挖需要采取不同的技术措施。
本文总结了土质基坑、岩石基坑、软土基坑、深基坑和复杂环境基坑的开挖技术要点。
在实际施工过程中,应根据具体情况选择合适的开挖技术措施,确保施工安全和顺利进行。
动土开挖的方法是哪些呢动土开挖是指在土地上进行开挖工作,主要用于建筑、工程和土地开发等领域。
下面将介绍动土开挖的方法。
1. 人工开挖法:即通过人工使用铲、镐、锹等工具进行开挖。
这种方法适用于小块面积的开挖工作,例如小规模的园林景观改造或小型建筑施工等。
2. 机械开挖法:机械开挖常用的设备包括挖掘机、推土机、装载机等。
这些设备具有高效、快速和大规模开挖的优势,适用于大面积的土方工程、道路施工和基础设施建设等。
3. 动力开挖法:动力开挖法主要通过爆破技术进行土壤开挖。
在这种方法中,先使用爆破器械将挖掘区域的岩石或混凝土等硬质材料破碎,再使用机械进行清理。
这种方法适用于需要开挖坚硬地层或需要速度快的情况。
4. 液压分离法:液压分离法是使用高压水射流将土壤进行破碎和分离的开挖方法。
通过喷嘴将高压水射流对准开挖区域,水流的力量能快速地将土壤破碎并抬离开挖区域,然后通过其他设备进行清理。
这种方法适用于需要保护附近环境的地区,如市区内的施工工地。
5. 冲积扩展法:冲积扩展法主要用于需要扩大河道或湿地面积的情况。
通过人工或机械将水源引入挖掘区域,利用水流冲刷土壤并扩大开挖面积。
这种方法适用于需要增加水域面积或改变水体流向的工程项目。
6. 钻孔法:钻孔法是一种通过使用钻探设备在土层中钻孔并用其他工具将土壤抬出的开挖方法。
这种方法适用于需要进行钻取样本或密集开挖的情况,如桩基工程。
7. 锤击法:锤击法是通过使用打桩机将重锤锤击地面,使土壤破碎并抬离开挖区域的方法。
这种方法适用于开挖较硬的地层,如岩石地层。
以上是常见的动土开挖方法,不同的情况下可以选择适合的开挖方法来进行工期可控、质量可靠的工程开挖。
常见的土方开挖方式有以下几种:
1. 直接挖除法:对于较浅或较小的土方,可以直接使用铁锹、反铲或推土机等直接挖掘并运走。
2. 爆破法:对于较深的土方,可以使用爆破方式进行挖掘。
在需要挖掘的土方区域内,按照设计好的炸药量和爆破方案进行爆破,然后用挖掘机械将土方运走。
3. 机械挖掘法:使用挖掘机、推土机等机械进行土方挖掘,适用于较大规模的土方工程。
根据机械类型和土质情况,可以选择正铲、反铲、拉铲、抓铲等不同类型的挖掘机械进行作业。
4. 人工挖掘法:对于一些小型的土方工程,可以采取人工挖掘的方式。
使用铁锹、镐等工具,由人工进行挖掘和清理。
5. 水力挖掘法:使用高压水流将土方冲松并挖除的方法,适用于松散的土质和黏土。
6. 静态爆破法:对于坚硬的岩石或混凝土结构,可以采用静态爆破法进行挖掘。
使用静态爆破剂,按照设计好的方案进行静态爆破,然后用机械或人工将破碎物清理干净。
在选择土方开挖方式时,需要根据工程的具体情况、地质条件、工期、成本等多方面因素综合考虑,选择最合适的方法。
同时,在开挖过程中需要注意安全,做好防护措施,避免发生事故。
挖掘工程土方开挖施工方法1. 引言挖掘工程土方开挖是土方工程的重要环节之一。
合理的土方开挖施工方法能够确保工程的顺利进行,并有效地控制施工过程中的风险和安全问题。
本文将介绍一些常用的土方开挖施工方法。
2. 直角开挖法直角开挖法是挖掘工程中常用的一种开挖方法。
该方法适用于场地较为平坦且土质较为均匀的情况下。
具体步骤如下:- 标定挖掘区域:确定开挖区域的边界,并进行标定。
- 疏导地下水:如有地下水存在,需要进行疏导,以防止水位过高影响开挖施工。
- 机械开挖:使用适当的机械设备进行开挖,保证开挖的准确性和平整度。
- 清理并检查开挖区域:清理开挖区域的杂物和碎石,并对开挖的土方进行检查,确保施工质量。
3. 梯形开挖法梯形开挖法适用于地形变化较大的工程场地,可以有效地控制土方开挖的坡度和斜率。
具体步骤如下:- 标定挖掘区域:确定开挖区域的边界,并进行标定。
- 疏导地下水:如有地下水存在,需要进行疏导,以防止水位过高影响开挖施工。
- 根据地形要求进行切坡:根据要求的坡度和斜率,进行适当的切坡工作。
- 机械开挖:使用适当的机械设备进行开挖,保证开挖的准确性和平整度。
- 清理并检查开挖区域:清理开挖区域的杂物和碎石,并对开挖的土方进行检查,确保施工质量。
4. 长边先挖开挖法长边先挖开挖法适用于需要便于清理和控制土方开挖质量的场合。
具体步骤如下:- 标定挖掘区域:确定开挖区域的边界,并进行标定。
- 疏导地下水:如有地下水存在,需要进行疏导,以防止水位过高影响开挖施工。
- 机械开挖:先对长边进行开挖,确保开挖的准确性和平整度。
- 清理并检查开挖区域:清理开挖区域的杂物和碎石,并对开挖的土方进行检查,确保施工质量。
- 开挖短边:在长边开挖完成后,再对短边进行开挖,确保开挖的准确性和平整度。
5. 结论挖掘工程土方开挖施工方法的选择应根据工程场地的具体情况和要求进行。
本文介绍了直角开挖法、梯形开挖法和长边先挖开挖法三种常用的施工方法。
基坑开挖的几种施工方法及注意事项有支护的深基坑开挖,往往因为平面尺寸或开挖修整中需设支护等限制,不能像一般放坡基坑那样,能较多地采用大型挖掘设备,而是必须根据具体情况采取多种方法综合开挖。
下面介绍几种开挖的方法。
一般当沉积岩稳定且渗水量不大,而坑壁能止水,坑底渗水量小于1米3/小时/米2时,可采取排水开挖,否则宜采用不排水开挖,开挖方法的最合适可参考表1.3.3。
一、人工开挖人工开挖虽然方法原始,劳动强度大。
但基坑开挖中还是常常莱用此法比较现实可靠。
即使采用大型机械开挖也还往往要以人工开挖作为辅助。
人工开挖关键是解决好出碴提升和坑内排水问题。
较常采用的碴斗升降是以吊车或坑顶立架拖拉机卷扬机提升,也有采用斜放轮缘出碴的,见图1.3。
10所示。
如天津钢厂第二炼钢车间细15.5来的旋流沉淀池、深11米的泵站和太原钢铁公司第三炼钢车间深16.6米的连铸玩都是采用人工修筑开挖,吊车提缝斗出土的,每天出土约1.10米3,平均每人约出土5米3。
另外,对于较硬的砂砾石等可先用压力0.3~0.4MPa的压力水将其冲松,然后再装斗运出,对于风化岩石等可先用风镐松动,人工装斗运出;对于孤石可在坑内放小炮碎块运出,装药量应在0.2公斤以内,并在其上面挂草袋等,以免沉箱损坏抗壁支护如是沉井施工,炮眼应与刃脚斜面平行,禁止将炸药放在孤石爆炸物面临空爆炸。
二、机械开挖有支护基坑的机械开挖常采用抓斗,对于大型基坑也可采用.正反铲,并铺以推土机等。
1.用抓斗-挖土抓斗的形式,重量与容量的砂质关系应根据土质而定,它的形式有∶(1)不带掘齿的双瓣抓斗,宜用于松散砂士。
(2)带掘齿的双瓣抓斗。
宜用于胶结较紧密的上层。
(3)四瓣抓斗适用于挖掘卵石对于同样容量的抓斗,用于较结实的土层应选取重量较大的。
斗中央开合用的平衡锤必须有足够重量,使其伸缩操作灵活。
抓斗尺寸应根据提升能力和开挖基坑大小的确定。
抓斗一般以吊机(见图1.3.1所示)或双筒卷扬机操作。
地基工程中的土方开挖施工方法地基工程是建筑施工的重要一环,其中土方开挖是一个关键步骤。
土方开挖施工方法的选择和实施对工程质量和进度有着重要影响。
本文将介绍几种常见的土方开挖施工方法,以供参考。
1. 手工开挖手工开挖是最为传统的土方开挖方法之一。
它适用于小型工程,如房屋基坑、管道沟槽等。
手工开挖的优点是灵活性高,可以根据实际情况进行调整,同时也便于控制开挖质量。
然而,手工开挖的工作效率较低,耗时较长,对劳动力的要求较高。
2. 机械开挖机械开挖是目前大部分地基工程中常用的开挖方法。
常见的机械包括挖掘机、装载机等。
相比于手工开挖,机械开挖具有工作效率高、作业速度快、劳动力需求少等优势。
不过,在选择机械设备时,需要考虑开挖场地的条件和土壤的性质,以确保机械设备能够适应施工需求。
3. 爆破开挖在某些特殊情况下,如遇到较硬的岩石或有大量爆破条件限制时,采用爆破开挖是一种有效的方法。
爆破开挖需要进行详细的爆破设计,确保施工安全。
在实施爆破开挖时,需要合理控制爆破量、爆破顺序和爆破频率,以减少对周边环境的影响。
4. 抛土法开挖抛土法开挖是一种适用于较大规模开挖的方法。
它利用挖掘机将土方抛至远离开挖区域的地方。
这种方法可以提高工作效率,减少开挖现场的拥挤情况。
同时,需要注意控制土方的抛掷距离和方向,避免对周边环境和人员的危害。
5. 挖土运输和填筑土方开挖后,需要进行土方运输和填筑。
挖土运输的方式有多种,可以使用卡车、铲车等机械设备进行运输,也可以利用输送带等辅助设备进行运输。
填筑时,需要注意土方的均匀分布和夯实程度,以确保地基的稳定性。
在实际施工中,需要根据地基工程的具体情况选择合适的土方开挖施工方法。
这包括考虑地面状况、土壤性质、施工时间、工程规模等因素。
同时,在施工过程中,需要做好现场管理和安全措施,确保施工质量和人员安全。
以上是地基工程中的一些常见土方开挖施工方法的简要介绍。
不同的工程情况需要选择适合的开挖方法,以确保施工顺利进行并达到预期效果。
常见的土方开挖方式土方开挖是指通过机械设备对土壤进行挖掘和清理,以达到特定的工程目的。
在建筑、道路、水利等工程中,土方开挖是一个重要的施工环节。
下面将介绍几种常见的土方开挖方式。
1. 挖土机开挖挖土机是土方开挖中常用的机械设备之一。
它通过铲斗对土壤进行挖掘和装载,具有作业效率高、作业范围广等优点。
挖土机可以根据需要选择不同型号和尺寸,适用于各种规模的土方开挖工程。
2. 推土机开挖推土机也是常见的土方开挖机械之一。
它通过推动刀刃对土壤进行推挖,具有作业力大、作业速度快等特点。
推土机适用于较大面积的土方开挖工程,可以快速地将土壤推到指定位置。
3. 铲斗挖掘机开挖铲斗挖掘机是一种多功能的土方开挖机械。
它具有挖掘、装载、平整等功能,适用于各种土壤的开挖工作。
铲斗挖掘机操作简单灵活,可以根据需要调整操作方式和挖掘深度。
4. 手工开挖在一些狭小空间或特殊地形的土方开挖工程中,常采用手工开挖的方式。
手工开挖主要依靠人工劳动,通过铁锹、镐等工具对土壤进行挖掘和清理。
手工开挖虽然效率较低,但在某些情况下是不可替代的选择。
5. 爆破开挖对于一些特殊的土方开挖工程,如岩石爆破、隧道开挖等,常采用爆破开挖的方式。
爆破开挖通过引爆炸药,使土壤产生破碎和松动,便于后续的清理和处理。
爆破开挖需要专业的爆破工程师进行设计和施工,确保安全和效果。
总结起来,常见的土方开挖方式包括挖土机开挖、推土机开挖、铲斗挖掘机开挖、手工开挖和爆破开挖。
根据不同的工程需求和现场条件,选择合适的开挖方式可以提高施工效率和质量。
在实际施工中,还需要注意安全和环保等方面的要求,确保土方开挖工程顺利进行。
(一)全断面开挖法
1.全断面开挖法适用于围岩稳定的隧道施工,一般用于Ⅱ、Ⅲ级围岩。
2.全断面开挖法采取自上而下一次开挖成形,沿着轮廓开挖,按施工方案一次进尺并及时进行初期支护。
3.全断面开挖法的优点是可以减少开挖对围岩的扰动次数,有利于围岩天然承载拱的形成,工序简便;缺点是对地质条件要求严格,围岩必须有足够的自稳能力。
(二)台阶开挖法
1.台阶开挖法一般适用于Ⅳ级围岩,有时遇Ⅲ级围岩偏弱或断面较大时也可采用(但Ⅲ级围岩时一般采用上下台阶法)。
2.台阶开挖法一般有上下台阶法、三台阶法或多台阶法。
根据地层条件和机械配套情况,台阶法又可分为正台阶法和中隔壁台阶法等。
正台阶法能较早使支护闭合,有利于控制其结构变形及由此引起的地面沉降。
3.台阶开挖法优点是具有足够的作业空间和较快的施工速度,灵活多变,适用性强。
上下台阶法
三台阶法
(三)环形开挖预留核心土法
1.环形开挖预留核心土法适用于一般土质或易坍塌的软弱围岩、断面较大的隧道施工,适用于Ⅳ级或Ⅴ级围岩。
2.一般情况下,将断面分成环形拱部、上部核心土、下部台阶等三部分。
根据断面的大小,环形拱部又可分成几块交替开挖。
环形开挖进尺为~1,Om.不宜过长。
台阶长度一般以控制在1D内(D-般指隧道跨度)为宣。
3.施工作业流程:用人工或单臂掘进机开挖环形拱部一架立钢支撑,喷混凝土。
在拱部初次支护保护下,为加快进度,宜采用挖掘机或单臂掘进机开挖核心土和下台阶,随时接长钢支撑和喷混凝土、封底。
视初次支护的变形情况或施工步序,安排施工二次衬砌作业。
(四)单侧壁导坑法
L.单侧壁导坑法适用于断面跨度大,地表沉陷难于控制的软弱松散围岩中隧道施工,一般适用于Ⅴ级围岩。
2.单侧壁导坑法是将断面横向分成3块或4块:侧壁导坑(1)、上台阶(2)、下台阶(3),侧壁导坑尺寸应本着充分利用台阶的支撑作用,并考虑机械设备和施工条件而定。
3.一般情况下侧壁导坑宽度不宜超过倍洞宽,高度以到起拱线为宜,这样导坑可分二次开挖和支护,不需要架设工作平台,人工架立钢支撑也较方便。
(五)双侧壁导坑法
1.双侧壁导坑法又称眼镜工法。
当隧道跨度很大,地表沉陷要求严格,围岩条件特别差,单侧壁导坑法难以控制围岩变形时,可采用双侧壁导坑法,双侧壁导坑法一般适用于洞口浅埋且难以成洞地段。
2.双侧壁导坑法一般是将断面分成四块:左、右侧壁导坑、上部核心土(2)、下台阶(3)。
导坑尺寸拟定的原则同前,但宽度不宜超过断面最大跨度的l,3。
左。
、右侧导坑错开的距离,应根据开挖一侧导坑所引起的围岩应力重分布的影响不致波及另一侧已成导坑的原则确定。
3.施工顺序:开挖一侧导坑,并及时地将其初次支护闭合。
相隔适当距离后开挖另一侧导坑,并建造初次支护。
开挖上部核心土,建造拱部初次支护,拱脚支承在两侧壁导坑的初次支护上。
开挖下台阶,建造底部的初次支护,使初次支护全断面闭合。
拆除导坑临空部分的初次支护。
施作内层衬砌。
(六)中隔壁法和交叉中隔壁法
1.中隔壁法也称CD工法,主要适用于地层较差和不稳定岩体、且地面沉降要求严格的地下工程施工。
2.当CD工法不能满足要求时,可在CD工法基础上加设临时仰拱,即所谓的交叉中隔壁法(CRD工法)。
3.CD工法和CRD工法在大跨度隧道中应用普遍,在施工中应严格遵守正台阶法的施工要点,尤其要考虑时空效应,每一步开挖必须快速,必须及时步步成环,工作面留核心土或用喷混凝土封闭,消除由于工作面应力松弛而增大沉降值的现象。