电路原理 江缉光 刘秀成 第七章 课后 习题 解答 清华
- 格式:pdf
- 大小:5.36 MB
- 文档页数:9
第七章习题参考答案7- 1采用图P7-1(a)、(b)所示调制信号进行角度调制时,试分别画出调频波和调相波的瞬时频率与瞬时相位变化波形图及已调波的波形图。
图P7-1解:(a))0II I - 1图P7-1J7 — 2有一调角波数学表示式v = 12sin( 108t-0.03cos10°t)V,试问这是调频波求中心角频率,调制角频率以及最大角频偏?[参考答案:As m = 300rad/s]解:一个角度调制波既可以是调频波又可以是调相波,关键是看已调波中瞬时相位厶惟)的表达式与调制信号的关系,与调制信号成正比为调相波,与调制信号的积分成正比为调频波。
由调角波的表达式v = 12sin(108t — 0.03cos104t)得知△惟)=—0.03cos104t,若调制信号v Q = V m sin st,则v = 12sin(10*t— 0.03cos10°t)为调频波。
中心频率为C 108 rad/s,调制角频率为Q = 104 rad/s,最大角频偏4△ s m = M f Q = 0.03 X10 rad/s = 300rad/s 7求调制指数。
若调制频率降为20Hz,求调制指数。
[参考答案:M fi =20 ,M f2 = 104]解: 由于调制频率为10kHz,属于单音调制。
k f V Qm . 3M f = _ ,又△ s m = k f V Qm = 2 n X200 X10 ,32 nX200 X10 所以M竹=3 = 202 nX10 X102 nX200 X1034当调制频率为20Hz时,M f2 - 3 =1042 nX207 — 4 一个调相波的载波频率是7~10MHz,调制指数是20。
调制频率同上题, 求角频偏。
[参考答案:As mi = 1.26 X106rad/s , △如?= 2.5 X103rad/s]解:同样属于单音调制。
M p二k p V Q m = 20△s p = k p Q V Qm = 2 7lFk p V Qm = 2 7T FM p所以当调制信号的频率为10kHz时,△s m1 = 2 nX10 X10 X20rad/s = 1.26 X10 rad/s当调制信号的频率为20kHz时,△s m2 = 2 nX20 X203 X20rad/s = 2.51 X103rad/s7 — 5 某调角波v = 4sin(2 nX107t + 2(cos2 nX103t)V(1)试求在t = 0,t = 0.25ms时刻的瞬时频率。
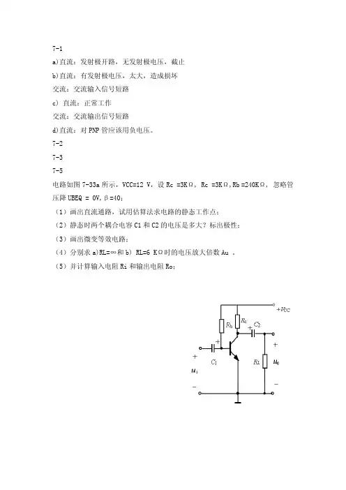
7-1a)直流:发射极开路,无发射极电压,截止b)直流:有发射极电压,太大,造成损坏交流:交流输入信号短路c) 直流:正常工作交流:交流输出信号短路d)直流:对PNP管应该用负电压。
7-27-37-5电路如图7-33a所示,VCC=12 V,设Rc =3KΩ, Rc =3KΩ,Rb=240KΩ, 忽略管压降UBEQ = 0V,β=40;(1)画出直流通路,试用估算法求电路的静态工作点;(2)静态时两个耦合电容C1和C2的电压是多大?标出极性;(3)画出微变等效电路;(4)分别求a)RL=∞和b) RL=6 KΩ时的电压放大倍数Au 。
(5)并计算输入电阻Ri和输出电阻Ro;解答步骤:(1)画出直流通路,求四个静态值CEQ EQ CQ BQ U I I I 、、、V 62312I R U2205.004 05.0240k 012V CQ C CEQ =×−=−==≈=×===Ω−=−=CC CQ EQ BQ CQ b BEQCC BQ V mA I I mAI I mA V R U V I β(2)静态时两个耦合电容C1就是发射结两端的直流电压UBEQ=0.7V静态时两个耦合电容C2有RL 时,对RL 并通过RL 与地(发射极)构成通路;就是集电极-发射极两端的直流电压UCEQ=6V。
无RL 时,对RL=∞,输出悬空,与地(发射极)不构成通路,耦合电容C2两端为等电位,没有压降,UC2=0V。
(3)画出微变等效电路;求出发射结等效电阻: Ω=++=++′=8332)(26)401(300)(26)1(b mAmV mAI mV r r EQ b be β (3)放大倍数 968336000//3000*40)6(144833//3000*40)(R //''L c '−=ΩΩΩ−=−==Ω=−=Ω∞Ω−=−==∞=−=−==be L iO L u be L iO L u be be L iO u r R U U K R A r R U U R A r R r R U U A ββββ&&&&&&(5)计算输入电阻Ri 和输出电阻Ro;Ω==Ω≈ΩΩ==Ω=Ω=K R R K K K r R R K r C O be b i be 3833.0833.0//240//833.08337-9注意:原题数据有误解答步骤:(1)画出直流通路,求四个静态值CEQ EQ CQ BQ U I I I 、、、2)画出微变等效电路;)2Re 1Re ()(V R R R U Re ReE 2e 1e BE B E CC 2b 1b 2b B ++−=+−=++==⇒≈⇒+−=+=C C CC R CC CEQ CEQ R CC CB CR I V U U V U U U U V I I I I R R U U I C C β(求出发射结等效电阻:3)放大倍数4)计算输入电阻Ri 和输出电阻Ro; )源电压放大倍数mA I mV r r EQ b be )(26)1(b β++′=(((52e be L i ou R )1(r U A β++−==•'R U βΩ==•++=K R R R r R R C O e be b b i 3])1(//[//221R β••••••••×+=×==ui S i S i i O S O uS A R R R U U U U U U A。
电路原理江缉光答案【篇一:清华大学电路原理备考经验谈】两本都看看),这二本书可以当作教材和参考书。
其实我数学复习的60%的时间都在研读这两本书。
全书(或指南)建议看三遍,每遍侧重不一样,看个人安排了。
这项工作最晚要在考前100天做完。
2.李永乐的四百题,建议做两遍,第一遍可以二天一套,一天模拟考(卡点做,把答案按考场上要求写在纸上),一天总结,结合全书上相关知识点复习。
这项工作最好一个月之内做完。
3、李永乐的冲刺1354、真题,可以不全做,做做有代表性的还有最近两年的就行。
资料就这么多,关健是要反复看,一定要勤总结。
还有一定要注意提高自己的应试能力(我主要是靠模考来提高的)。
专业课:资料:1、清华的三本参考书(官方网站上有)2、红皮书。
3、清华大学硕士研究生入学考试《电路原理试题选编》(绿皮书)小绿皮—历年试题汇编貌似是红皮的5、清华内部的讲义。
清华大学电路原理考研秘籍1. 考研基本情况初试考察电路原理这门专业课有两个系:自动化系与电动系,两系实力非常强大,纵向看,全国第一地位无人敢撼动,横向分析,两系在清华校内各专业中也是炙手可热的专业。
. 因此,每年两系竞争火热,2010年考研自动化系报名500余人,实录取17普通工学,3人强军计划工学,15名工程,电机系350余人,实录8个工学,15个工程。
2011年自动化系报名400余人,实录12工学,3人强军工学+10余名工程,电机系报名250人左右,实录8名工学,10余名工程。
2011年分数线方面,自动化复试线378,进复试48名,分4个大方向,分数分布如下:419、418、415、413、411、409、408、407、406、404、401、399、397、395、394、393、392??..自动化系电路最高分139,电机系复试线375,进复试35名左右。
高分如下:424、418、416、414、413、409、406、404、401???...电机系电路原理最高分是149分。
第一章例题分析题1.1 电路如题图1.1所示,试判断图中二极管是导通还是截止,并求出AO两端的电压UAO。
设二极管是理想的。
解:分析:二极管在外加正偏电压时是导通,外加反偏电压时截止。
正偏时硅管的导通压降为0.6~0.8V 。
锗管的导通压降为0.2~0.3V 。
理想情况分析时正向导通压降为零,相当于短路;反偏时由于反向电流很小,理想情况下认为截止电阻无穷大,相当于开路。
分析二极管在电路中的工作状态的基本方法为“开路法”,即:先假设二极管所在支路断开,然后计算二极管的阳极(P 端)与阴极(N 端)的电位差。
若该电位差大于二极管的导通压降,该二极管处于正偏而导通,其二端的电压为二极管的导通压降;如果该电位差小于导通压降,该二极管处于反偏而截止。
如果电路中存在两个以上的二极管,由于每个二极管的开路时的电位差不等,以正向电压较大者优先导通,其二端电压为二极管导通压降,然后再用上述“开路法”法判断其余二极管的工作状态。
一般情况下,对于电路中有多个二极管的工作状态判断为:对于阴极(N 端)连在一起的电路,只有阳极(P 端)电位最高的处于导通状态;对于阳极(P 端)连在一起的二极管,只有阴极(N 端)电位最低的可能导通。
图(a )中,当假设二极管的VD 开路时,其阳极(P 端)电位P U 为-6V ,阴极(N 端)电位N U 为-12V 。
VD 处于正偏而导通,实际压降为二极管的导通压降。
理想情况为零,相当于短路。
所以V U AO 6-=;图(b )中,断开VD 时,阳极电位V U P 15-=,阴极的电位V U N 12-=, ∵ N PUU < ∴ VD 处于反偏而截止∴ VU AO 12-=; 图(c ),断开VD1,VD2时∵ V U P 01= V U N 121-= 11N P U U >V U P 152-= V U N 122-= 22N P U U<∴ VD1处于正偏导通,VD2处于反偏而截止V U AO 0=;或,∵ VD1,VD2的阴极连在一起∴ 阳极电位高的VD1就先导通,则A 点的电位V U AO 0=,而 A N P U UV U =<-=2215∴ VD2处于反偏而截止 图(d ),断开VD1、VD2,∵ V U P 121-= V U N 01= 11N P U U < V U P 122-= VU N 62-= 22N P U U <;∴ VD1、VD2均处于反偏而截止。
第七章 时序逻辑电路1.电路如图P7.1所示,列出状态转换表,画出状态转换图和波形图,分析电路功能。
图P7.1 解:(1)写出各级的W .Z 。
D 1=21Q Q ,D 2=Q 1,Z=Q 2CP( 2 ) 列分析表( 3 ) 状态转换表(4)状态转换图和波形图。
图7.A1本电路是同步模3计数器。
2. 已知电路状态转换表如表P7.1所示,输入信号波形如图P7.2所示。
若电路的初始状态为Q2Q1 = 00,试画出Q2Q1的波形图(设触发器的下降沿触发)。
Q 2 Q 1 D 2 D 1 Q 2n+1 Q 1n+1 Z0 0 0 1 0 1 0 0 1 1 0 1 0 0 1 0 0 0 0 0 1 1 1 1 0 1 0 1Q 2 Q 1 Q 2n+1 Q 1n+1 Z0 0 0 1 0 0 1 1 0 0 1 0 0 0 1 1 1 1 0 1CPCP X Q 1 0Q 2 0 Z CP Q 1 0 Q 1 0Z ( b ) Q 2 Q 1 /Z( a )011解:由状态转换表作出波形图3. 试分析图P7.3所示电路,作出状态转换表及状态转换图,并作出输入信号为0110111110相应的输出波形(设起始状态Q 2Q 1 = 00)。
( a )( b )解:(1)写W .Z 列分析表J K( 2 )CPX图P7.3CPX Q 1 0 Q 1 0 Z图P7.A2(3)作出输出波形图:1 根据状态转换表,作出状态的响应序列,设y = Q 2Q 1 X : 0 1 1 0 1 1 1 1 1 0 y n : 0 02 1 0 2 13 3 3 y n+1: 0 2 1 0 2 1 3 3 3 0 Z : 1 1 1 1 1 1 1 0 0 12 根据状态响应序列画响应的输出波形。
4.。
X :Z :0 0 0 0 0 0 0 0 0 0 1 1 0 0 … 解:(1)建立原始的状态转换图和状态转换表 设:A --- 输入“0”以后的状态。
清华大学硕士电路原理-7(总分:99.99,做题时间:90分钟)一、解答题(总题数:10,分数:100.00)1.下图所示电路中,当开关S闭合时,3个电流表的读数均为1A。
求开关S打开时,电流表A 1的读数。
(分数:10.00)__________________________________________________________________________________________ 正确答案:()解析:解当S闭合时,3个电流表的读数为当S打开时,电流表A 1的读数为2.下图所示电路为一三相电路,电源为对称三相电源。
开关S闭合时,3个电流表的读数均为5A。
求开关S打开后3个电流表的读数。
(分数:10.00)__________________________________________________________________________________________ 正确答案:()解析:解当开关S闭合时,电路为对称三相电路,3个电流表中的电流均为线电流,此时每相负载中的相电流为开关S打开后,一相负载断路,其余两相负载两端的电压不变,其中的电流也不变,所以,电流表A 2的读数仍为5A。
而A 1、A 2中的电流相当于对称运行时的相电流,即此时A 1、A 3的读数为2.89A。
3.三相对称电路如下图所示,测得功率表W 1的读数为2840W,W 2的读数为1204W,电流表A的读数为7.5A,求负载参数R和L(设电源频率f=50Hz)。
(分数:10.00)__________________________________________________________________________________________ 正确答案:()解析:解两块功率表的读数是三相电路吸收的总功率,即电阻消耗的功率。
设△形连接负载中每相负载流过的电流为I ab,每相负载的阻抗角为φ。
电路原理江缉光答案电路原理是电子工程中的基础课程,它涉及了电子元器件的工作原理、电路的组成和分析、信号的处理和传输等内容。
而在电路原理中,江缉光则是一个重要的概念,它在电子设备和通信系统中有着广泛的应用。
本文将从电路原理的基本概念入手,深入探讨江缉光的相关知识,并给出一些答案和解析。
首先,我们需要了解电路原理的基本概念。
电路原理是研究电子元器件和电路行为的科学,它主要包括直流电路和交流电路两个部分。
在直流电路中,电流方向不变,而在交流电路中,电流的方向会周期性地变化。
电路原理的研究对象包括电阻、电容、电感等元器件,以及它们之间的连接方式和工作原理。
江缉光是指利用光的折射、反射、透射等特性进行信息的传输和处理。
在光纤通信中,江缉光是一种常用的传输方式,它能够实现高速、大容量的数据传输。
江缉光的原理是利用光的特性,在光纤中传输信号,通过调制和解调技术实现信息的发送和接收。
在电路原理中,江缉光的应用也是非常广泛的。
例如,在光纤通信系统中,江缉光可以实现长距离的信号传输,而且由于光的频率高、带宽宽,可以实现大容量的数据传输。
此外,在一些特殊的电子设备中,也会用到江缉光技术,比如光纤传感器、光学存储器等。
那么,对于电路原理中的江缉光问题,我们应该如何进行答案和解析呢?首先,我们需要了解江缉光的基本原理和特性,包括光的传播规律、光的调制和解调技术等内容。
其次,我们需要掌握江缉光在电路原理中的具体应用,比如光纤通信系统的工作原理、光纤传感器的设计原理等。
最后,我们还需要深入理解江缉光技术的发展趋势和未来应用方向,以便更好地应用到实际工程中。
总之,电路原理中的江缉光问题是一个重要的研究方向,它涉及了电子工程、通信工程等多个学科的知识。
通过深入学习和研究,我们可以更好地理解江缉光的原理和应用,为电子设备和通信系统的设计和优化提供技术支持。
希望本文能够对读者有所帮助,谢谢阅读!。
7-1 填空题(1) 在多级放大电路中,常见的耦合方式有(阻容)耦合、(直接)耦合和(变压器)耦合三种方式。
(2) 阻容耦合放大电路,只能放大(交流)信号,不能放大(直流)信号;直接耦合放大电路,既能放大(直流)信号,也能放大(交流)信号。
(3) 直接耦合放大电路存在的主要问题是(各级静态工作点相互影响和零点漂移严重),解决的有效措施是采用(差分)放大电路。
(4) 共集电极放大电路的主要特点是电压放大倍数(小于1但接近于1)、输入电阻(高)、输出电阻(低)。
(5) 共集电极放大电路,因为输入电阻高,所以常用在多级放大器的(第一)级,以减小信号在(内阻)上的损失,因为输出电阻低,所以常用于多级放大器的(最后)级,以提高(带负载)的能力。
(6) 差模信号是指两输入端的信号(大小相等、极性相反)的信号,共模信号是指两输入端的信号(大小相等、极性相同)的信号。
(7) 差模信号按其输入和输出方式可分为(双端输入双端输出)、(单端输入双端输出)、(双端输入单端输出)和(单端输入单端输出)四种类型。
(8) 交流负反馈有(电压串联负反馈)、(电流串联负反馈)、(电压并联负反馈)和(电流并联负反馈)四种类型。
(9) 对于一个放大器,欲稳定输出电压应采用(电压)负反馈、欲稳定输出电流应采用(电流)负反馈、欲提高输入电阻应采用(串联)负反馈、欲降低输出电阻应采用(电压)负反馈、欲降低输入电阻而提高输出电阻应采用(电流并联)负反馈。
(10) 正弦波振荡器振幅平衡条件是(||1AF =)、相位平衡条件是(2A F n ϕϕπ+= 0,1,2,n =±±);正弦波振荡器四个基本组成部分是(基本放大器A)、(正反馈网络F)、(选频网络)和(稳幅环节)。
(11) 逻辑变量只有(逻辑1)和(逻辑0)两种对立的状态。
(12) 三种基本的逻辑运算是指(与)、(或)和(非)。
(13) 1+1=1是(或)运算,1+1=10是(二进制加法)。
《电⼯电⼦学》第7章习题答案第7章习题答案7.1.1 选择题。
(1)功率放⼤电路的最⼤输出功率是在输⼊电压为正弦波时,输出基本不失真情况下,负载上可能获得的最⼤___A____。
A. 交流功率B. 直流功率C. 平均功率(2)功率放⼤电路的转换效率是指___B____。
A. 输出功率与晶体管所消耗的功率之⽐B. 最⼤输出功率与电源提供的平均功率之⽐C. 晶体管所消耗的功率与电源提供的平均功率之⽐(3)在选择功放电路中的晶体管时,应当特别注意的参数有__B D E____。
A. βB. I CMC. I CBOD. U(BR)CEOE. P CMF.f T(4)在OCL⼄类功放电路中,若最⼤输出功率为1 W,则电路中功放管的集电极最⼤功耗约为___C____。
A. 1 WB. WC. W(5)与甲类功率放⼤器相⽐较,⼄类互补推挽功放的主要优点是____B_____。
A. ⽆输出变压器B. 能量转换效率⾼C. ⽆交越失真(6)所谓能量转换效率是指____B_____。
A. 输出功率与晶体管上消耗的功率之⽐B. 最⼤不失真输出功率与电源提供的功率之⽐C. 输出功率与电源提供的功率之⽐(7) 功放电路的能量转换效率主要与___C______有关。
A. 电源供给的直流功率B. 电路输出信号最⼤功率C. 电路的类型(8) ⼄类互补功放电路存在的主要问题是___C______。
A. 输出电阻太⼤B. 能量转换效率低C. 有交越失真(9) 为了消除交越失真,应当使功率放⼤电路的功放管⼯作在____B_____状态。
A. 甲类B. 甲⼄类C. ⼄类(10) ⼄类互补功放电路中的交越失真,实质上就是__C_______。
A.线性失真B. 饱和失真C. 截⽌失真(11) 设计⼀个输出功率为20W的功放电路,若⽤⼄类互补对称功率放⼤,则每只功放管的最⼤允许功耗PCM⾄⼩应有____B_____。
A. 8WB. 4WC. 2W(12) 在题图7.1.1所⽰功率放⼤电路中。
习题七67习题七7-1试证明两串联的互感线圈不可能出现0221≤-+M L L 。
7-2试求图7-2电路中ab 端口的等值参数。
7-3 试求图7-3电路中对于工频的输入阻抗, 答:Ω∠=65.2354.809i Z 7-4图7-4电路中已知V 314sin 210t u s =,H 11=L ,H 42=L ,H 5.0=M ,Ω=5001R ,Ω=10002R ,试求①各支路电流、输入阻抗;②等效去耦电路。
答:A 41.27018.01-∠=I ;A 83.380072.02-∠=I ;A 65.30025.0-∠=I Ω∠=65.30400i Z解314.7515.195096.1884500616.3145001∠=+=⨯+=j j Z图7-2习题7-2题图图7-3 习题7-3题图图7-4 习题7-4题图习题七Ω∠=∠∠=+∠=++∠⨯=65.2354.80949.5196.240814.75195015096.1884150014.751950150100096.188450014.7515.19501000j j Z i解4 等效去耦电路 回路法求解()[]()[]SSU I M M L j R I M j U I M j I M M L j R =-+++-=--++22212111ωωωω[][]010431410005.03140105.03143145002121∠=⨯++⨯-∠=⨯-+I j I j I j I j[][]01047.5147.160515701015713.3242.5902121∠=∠+-∠=-∠I I j I j I [][][]A 41.27018.012.8273.95096471.5453.173102.94199458.13031071.5453.173********.94199458.1056613.1412986.10000246496.836.94790115703.1255986.100002464947.5147.160513.3242.5901015747.5147.1605101-∠=∠∠=+∠=+++=+∠++=+∠∠⨯+∠⨯=j j j j j j I [][][]A 83.380072.012.8273.95096429.4309.6869246492.94199458.1056611.471093.4999246496.836.94790115701.314093.49992464947.5147.160513.3242.5901015713.3242.590102-∠=∠∠=+++=+∠++=+∠∠⨯+∠⨯=j j j j j I()()A65.30025.00128.00216.00045.00056.00083.0016.083.380072.041.27018.021 -∠=-=-+-=-∠+-∠=+=j j j I I I Ω∠=-∠∠=65.3040065.30025.0010i Z习题七7-5试写出图7-4电路中2U 、3U 、4U 的表达式。
电路原理江缉光答案
电路原理是电子工程中的重要基础知识,而江缉光答案则是电路原理中的一个重要概念。
在学习电路原理时,理解江缉光答案的概念对于掌握电路原理有着重要的意义。
接下来,我们将详细介绍电路原理中的江缉光答案,并探讨其在实际应用中的重要性。
江缉光答案是指在电路中,当电流通过导体时,会产生一定的磁场。
而当磁场发生变化时,会产生感应电动势。
这种现象就是江缉光答案。
江缉光答案是电磁感应现象的重要表现,它揭示了电流与磁场之间的密切关系,为电磁学的发展提供了重要的实验依据。
在实际应用中,江缉光答案有着广泛的应用。
例如在变压器中,江缉光答案的原理被用来实现电压的升降。
此外,在发电机、电动机等电气设备中,江缉光答案的原理也被充分利用,实现了能量的转换和传输。
因此,深入理解江缉光答案对于电气工程师来说至关重要。
在学习电路原理时,我们需要深入理解江缉光答案的原理,并掌握其在实际中的应用。
只有通过理论知识的学习和实践经验的积累,我们才能够更好地应用江缉光答案的原理,解决实际工程中的问题。
总之,江缉光答案是电路原理中的重要概念,它揭示了电流与磁场之间的密切关系,为我们理解电磁学提供了重要的实验依据。
在实际应用中,江缉光答案的原理被广泛应用于电气设备中,实现了能量的转换和传输。
因此,深入理解江缉光答案对于我们掌握电路原理,提高电气工程技术水平具有重要意义。
希望本文能够帮助大家更好地理解江缉光答案的概念,为电路原理的学习和应用提供帮助。