汽车电脑板端子功能速查图册(一).rar
- 格式:doc
- 大小:14.96 KB
- 文档页数:11
美国车系第一节 通用车系I 、节气门体(单点喷射)电脑接脚端子说明及检测数据(一)2.0L (VINK )、2.2L (VIN G )、2.5(VIN U/R )车种电脑端子说明及检测数据(1) 引擎电脑端子图白色连接器请依车辆识别码第八码辨别车种(二)2.5L (VINR )LUMINA TBI 电脑接脚说明及检测数据 (1) 引擎电脑接脚图黑色连接器176灰色连接器176(3)引擎电脑白色插座接脚说明及检测数据(5)引擎电脑蓝色插座接脚说明及检测数据(三)5.0L TBI(VINE)、5.7 TBI(VINF)发动机电脑端子说明及检测数据(1)发动机电脑端子图24端子32端子(2)5.0L TBI (VINE )、5.7L TBI (VINF )车种发动机电脑端子说明及检测数据II 、节气门体(多点喷射)电脑接脚端子说明及检测数据 (一)2.0L (VIN M )、2.3L (VIN A/D )电脑端子说明及检测数据(1) 引擎电脑端子图24端子黑色连接器32端子黑色连接器32端子绿色连接器(2)引擎电脑32脚黑色插座端子说明及检测数据(3)引擎电脑32脚绿色插座端子说明及检测数据(二)3.1L (VIN )、3.3L (VINN )、5.7(VIN8)引擎电脑端子说明及检测数据适用车型为贝雷塔(BERETTA )、克西嘉(CORSICA )、骑士(CA VAL IER )、名人(CELEBRITY )、火鸟(FIREBIRD )以及6000等轿车。
(1)引擎电脑端子图(2)引擎电脑24脚黑色插座端子说明及检测数据32端子黑色连接器24端子黑色连接器(3)引擎电脑32脚黑色插座端子说明及检测数据(4)引擎电脑32脚黄色或绿色接脚端子说明及检测数据(三)别克(BUICK):CENTURY(VIN4)2.2L车:雪佛兰(CHEVROLET):CA V ALIER(VIJN4)J2.2L车及奥兹莫比尔(OLDSMOBILE):CUTLASS(VIN4)2.2L车用24+32端子发动机电脑端子名称、接线颜色及检测数据。
亚洲车系丰田引擎电脑端子说明及检测数据(1)引擎电脑端子图COROLLA-4A-FE 引擎电脑座COROLLA-7A-FE-M/T 引擎电脑座COROLLA-7A-FE-A/T 引擎电脑座CAMRY-5S-FE 引擎电脑座(无电子控制A/T)CAMRY-5S-FE 引擎电脑座(有电子控制A/T)CAMRY-3VZ-FE 引擎电脑座(2)丰田引擎控制电脑端子说明及检测数据LEXUS-ES250引擎电脑座LEXUS-LS400引擎电脑座LEXUS-ES300引擎电脑座丰田皇冠(Crown)3.0轿车2JZ—GE发动机电脑插座端子说明及检测数据(1)发动机(含电控自动变速器)电脑插座端子图(2)发动机(含电控自动变速器)电脑插座端子说明*仅对电控自动变速器(3)发动机(含电控自动变速器)电脑10个故障的检测数据丰田凌志(Lexus)LS400轿车IUZ—FE发动机电脑插座端子说明及检测数据(1)发动机(含电控自动变速器)电脑插座端子图(2)发动机(含电控自动变速器)电脑插座端子说明*1:只用于欧洲、澳大利亚和香港规格的汽车*2:只用于G.C.C、南非和一般国家规格的汽车(2)发动机(含电控自动变速器)电脑插座端子检测数据*1:只用于欧洲、澳大利亚和香港规格汽车4Y—E发动机控制系统的电脑板端子数据说明左侧插座有10端子中间插座有18个端子右侧插座有14个端子ECU插销有关插孔的标准电压值ECU 插头有关插孔的标准电阻值2VF —FE 发动机电脑插座端子说明及检测数据19丰田5S-FE、 3S-FE发动机电脑板端子说明及检测数据丰田凌志(LEXUS)ES300电脑端子说明、接线颜色及检测数据(1)ECU端子(2)ES300主电脑端子说明(3)ES300主电脑接线颜色及检测数据丰田子弹头2TZ-FE发动机电脑插座端子说明及检测数据(1)发动机(含电控自动变速器)电脑插座端子图(2)发动机(含电控自动变速器)电脑插座端子说明*1:仅对电控自动变速器*2:仅对美国加利福尼亚出口的车注:连接端子代号及名称与皇冠基本相同,但各端子在插座上位置与皇冠不同。
宝来轿车仪表板接线端子功能说明宝莱轿车的仪表板后面一共有三组接线插接器,其中有两个32孔的插座,一个20孔的插座。
具体功能简介如下:绿色32孔插座——用于扩展功能;蓝色32孔插座——用于基本功能;红色20孔插座——用于Highline型仪表。
99年4月以前各端子功能说明如下:一、蓝色32孔插头端子功能:1——接线柱15,电源正极。
2——右转向灯指示灯。
3——电子车速表述出信号1。
4——挂车指示灯。
5——燃油量指示。
6——安全气囊。
7——接线柱31,传感器搭铁线。
8——冷却液温度指示。
9——接线柱31,搭铁,工作地线。
10——机油压力开关。
11——转速信号。
12——发电机指示灯,接线柱61。
13——预热时间指示灯,(仅指柴油发动机)14——后雾灯指示灯。
15——空,未使用。
16——行李箱盖打开警告灯,(仅用于某些国家)17——远光灯指示灯,接线柱56a。
18——左转向指示灯。
19——防抱死制动系统,ABS。
20——组合仪表照明,接线柱58b。
21——司机车门打开信号。
22——冷却液不足传感器信号输入。
23——电源,接线柱30。
24——搭铁,接线柱31。
25——自诊断数据线。
26——右停车灯。
27——左停车灯。
28——电子车速表输入信号。
29——制动指示灯。
30——S触点。
31——安全带警报系统。
32——废气警报灯。
二、绿色32孔插头端子功能:1——未使用。
2——防盗器1的读出线圈。
3——停车灯指示灯。
4——CAN数据总线,用于输入信号屏蔽。
5——W线。
6——清洗液不足信号输入。
7——制动衬片磨损信号输入。
8——外部蜂鸣器。
9——外部锣声,(安全带报警系统)10——燃油剩余量警报,(仅用于特殊需要)11——停车时间信号。
12——空调切断。
13——手制动指示灯。
14——驱动防滑调解,(ASR,等车辆稳定装置)15——电子油门故障警告灯。
16——防盗器,继电器输出。
17——防盗器2,读出线圈。
18——机油温度/机油油面警告信号输入。
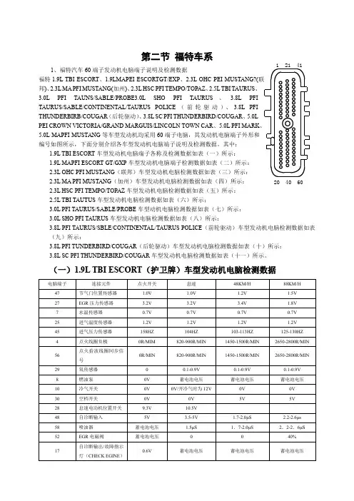
第二节 福特车系1、福特汽车60端子发动机电脑端子说明及检测数据福特1.9L TBI ESCORT 、1.9LMAPEI ESCORTGT/EXP 、2.3L OHC PEI MUSTANG?(邦)、2.3L MA PFI MUSTANG(加州)、2.3L HSC PFI TEMPO/TOPAZ 、2.5L TBI TAURUS 、3.0LPFITAUNS/SABLE/PROBE3.0LSHOPFITAURUS 、 3.8LPFITAURUS/SABLE/CONTINENTAL/TAURUS POLICE (前轮驱动)、3.8L PFI THUNDERBIRB/COUGAR (后轮驱动)、3.8L SC PFI THUNDERBIRD/COUGAR 、5.0L PEI CROWN VICTORIA/GRAND MARGUIS/LINCOLN TOWN CAR 、5.0L PFI MARK 5.0L MAPFI MUSTANG 等车型发动机均采用60端子电脑,其发动机电脑端子外形和编号如图所示,下面分别介绍各车型发动机电脑端子说明及检测数据。
其中:1.9L TBI ESCORT 车型发动机电脑端子各称及检测数据如表(一)所示: 1.9L MAPFI ESCORT GT/GXP 车型发动机电脑端子检测数据如表(二)所示:2.3L OHC PFI MUSTANG (联邦)车型发动机电脑检测数据如表(三)所示: 2.3L MA PFI MUSTANG (加州)车型发动机电脑检测数据如表(四)所示: 2.3L HSC PFI TEMPO/TOPAZ 车型发动机电脑检测数据如表(五)所示: 2.5L TBI TAUTUS 车型发动机电脑检测数据如表(六)所示;3.0L PFI TAURUS/SABLE/PROBE 车型动机电脑检测数据如表(七)所示: 3.0L SHO PFI TAURUS 车型发动机电脑检测数据如表(八)所示:3.8L PFI TAURUS/SBLE/CONTINENTAL/TAURUS POLICE (前轮驱动)车型发动机电脑检测数据如表(九)所示:3.8L PFI TUNDERBIRD/COUGAR (后轮驱动)车型发动机电脑检测数据如表(十)所示: 3.8L SC PFI THUNDERBIRD/COUGAR 车型发动机电脑检测数据如表(十一)所示。
最新汽车电脑维修芯片级维修资料语言:中文Chinese /英文English。
宝马F0/F02全车电脑模块端子定义及针脚芯片图汽车电脑板维修图册9个品牌公司汽车电脑针脚bmw-bosch(电脑内部电路图)奔驰宝马奥迪车系电脑维修图集常用集成电路速查手册发动机电脑内部工作原理图集发动机电脑维修图解丰田电脑维修图集丰田汽车电脑维修资料.高级轿车电脑维修进阶大典马自达汽车电脑维修资料品牌汽车电脑维修资料汽车电脑板端子功能速查图册一汽车电脑板端子功能速查图册二汽车电脑板端子功能速查图册三汽车电脑板芯片维修图册汽车电脑图集汽车电脑维修彩色图解汽车电脑维修经验锦集2012汽车电脑维修经验锦集(高清版)汽车电脑维修书籍21章汽车电脑维修资料彩色图解大全集汽车电脑维修资料图集大全汽车电脑原理与检修.汽车发动机电脑板端子功能速查图汽车发动机电脑接脚精华汽车发动机电脑接脚维修精华全套汽车各车系发动机电脑针脚电压. 日产汽车电脑维修资料三菱汽车电脑维修资料最新汽车电脑维修彩图.CPU芯片数据和引脚资料M1541原理动画编程器读码片数据分析方法.博世发动机ECU应用系统线束端子图常见发动机电脑技术培训德尔福3代CPU接线图电子元件速查发动机电脑内部工作原理图集各种汽车电脑的ECU芯片数据帕萨特电脑内部图解.汽车ECU芯片数据汽车电脑的检测培训汽车电脑内部零部件汽车电脑维修电子原理手册汽车电脑芯片PDF0汽车各公司电脑原理图纸汽车密码位子十六进制编辑器(打开音响数据、里程表数据)西门子5WPX型ECUZ主板元件分析图液晶里程表调改/维修资料MON51仿真机单片机视频教程ARM的整个开发流程CAN总线技术在汽车ECU中的开发C语言教程ECU功能概况编程器读码片数据分析方法常用电子元器件手册目录单片机的40个实验德尔福防盗系统培训手册汽车电脑板维修电子元器件识别(含图片).发动机电脑工作原理图高级汽车电子培训(BBDC培训教程)高级汽车维修电工培训教材汽车常见车型的车型仪表芯片查询汽车电脑损坏原因分析及维修方法汽车电脑维修培训,数字电路汽车电脑维修培训-电脑板汽车电脑原理与维修_单片机基础教程-含MSP430和C51入门基础汽车电气技师1_2.使用万用表检测汽车电脑的方法维修汽车电脑故障的方法维修汽车电脑先要学会使用示波器23个品牌汽车密码计算器个人电子维修原作资料高清图集虚拟示波器软件寶馳名車國際服務中心Bao Chi Super luxury car International Service Center ==持久更新。
最新汽车电脑维修芯片级维修资料语言:中文Chinese /英文English。
宝马F0/F02全车电脑模块端子定义及针脚芯片图汽车电脑板维修图册9个品牌公司汽车电脑针脚bmw-bosch(电脑内部电路图)奔驰宝马奥迪车系电脑维修图集常用集成电路速查手册发动机电脑内部工作原理图集发动机电脑维修图解丰田电脑维修图集丰田汽车电脑维修资料.高级轿车电脑维修进阶大典马自达汽车电脑维修资料品牌汽车电脑维修资料汽车电脑板端子功能速查图册一汽车电脑板端子功能速查图册二汽车电脑板端子功能速查图册三汽车电脑板芯片维修图册汽车电脑图集汽车电脑维修彩色图解汽车电脑维修经验锦集2012汽车电脑维修经验锦集(高清版)汽车电脑维修书籍21章汽车电脑维修资料彩色图解大全集汽车电脑维修资料图集大全汽车电脑原理与检修.汽车发动机电脑板端子功能速查图汽车发动机电脑接脚精华汽车发动机电脑接脚维修精华全套汽车各车系发动机电脑针脚电压. 日产汽车电脑维修资料三菱汽车电脑维修资料最新汽车电脑维修彩图.CPU芯片数据和引脚资料M1541原理动画编程器读码片数据分析方法.博世发动机ECU应用系统线束端子图常见发动机电脑技术培训德尔福3代CPU接线图电子元件速查发动机电脑内部工作原理图集各种汽车电脑的ECU芯片数据帕萨特电脑内部图解.汽车ECU芯片数据汽车电脑的检测培训汽车电脑内部零部件汽车电脑维修电子原理手册汽车电脑芯片PDF0汽车各公司电脑原理图纸汽车密码位子十六进制编辑器(打开音响数据、里程表数据)西门子5WPX型ECUZ主板元件分析图液晶里程表调改/维修资料MON51仿真机单片机视频教程ARM的整个开发流程CAN总线技术在汽车ECU中的开发C语言教程ECU功能概况编程器读码片数据分析方法常用电子元器件手册目录单片机的40个实验德尔福防盗系统培训手册汽车电脑板维修电子元器件识别(含图片).发动机电脑工作原理图高级汽车电子培训(BBDC培训教程)高级汽车维修电工培训教材汽车常见车型的车型仪表芯片查询汽车电脑损坏原因分析及维修方法汽车电脑维修培训,数字电路汽车电脑维修培训-电脑板汽车电脑原理与维修_单片机基础教程-含MSP430和C51入门基础汽车电气技师1_2.使用万用表检测汽车电脑的方法维修汽车电脑故障的方法维修汽车电脑先要学会使用示波器23个品牌汽车密码计算器个人电子维修原作资料高清图集虚拟示波器软件寶馳名車國際服務中心Bao Chi Super luxury car International Service Center ==持久更新。
123456789101112131415玛瑞利SPI型发动机ECU主板元件分析图玛瑞利SPI型发动机ECU原理图联合电子M1.5.4型ECU主板元件分析图联合电子M1.5.4型ECU主板元件原理分析图联合电子M3.8.2 型ECU局部电路原理图联合电子M3.8.2型ECU局部电路原理图德尔福MT20型ECU主板元件与PCB元件分布图摩托罗拉465型ECU主板元件分析图摩托罗拉465型ECU局部电路分析图西门子5WPX型ECU主板元件分析图(应用于红旗车型)奥迪A6 1.8L ANQ发动机控制端子检测奥迪A6 1.8L ANQ发动机ECU实物分析图奥迪A6 1.8L ANQ发动机ECU内部电路图大众捷达 ATK发动机ECU主板元件分析图摩托罗拉系列01M变速器ECU主板元件分析图国产及大众车系电脑……………………………………………………………………………………………………………………………………………………………………………………………………………………………………………………………………………………………………………………………………………………………………………………………………………………………………………………………………………………………………………………………………………………丰田5A-FE 发动机ECU主板元件分析图(一汽威驰)丰田佳美5S-FE发动机与ECT电脑板分析图丰田佳美5S-FE发动机ECU端子功能及检测(2.2L)本田雅阁J24A8、飞度L15A2发动机电脑板分析图 三菱4G64发动机控制系统电脑元件分析图三菱4G64发动机ECU端子功能及检测2223马自达929发动机电脑板元件分析图马自达929轿车发动机电控单元的端子检测其它车系发动机控制电脑161718192021………………………………………………………………………………………………………………………………………………………………………………………………………………………………………………………………………………………………………………………………………富康 TU5JP/K发动机控制电脑元件分析图富康 TU5JP/K发动机ECU与外围元件电路2425……………………………………………别克君威LB8/LW9发动机ECU实物分析图26…………………………………………………………………………………………………………………………………………………………………………………………………………………………………………………………………………………………………………………………………别克君威2.0L动力系统控制模块(PCM针脚说明)日产蓝鸟U13SR20DE发动机ECCS元件解析图日产蓝鸟SR20DE发动机ECCS电路原理图日产蓝鸟SR20DE发动机ECCS芯片结构与电路原理日产蓝鸟发动机ECU检测数据表日产风度A33/A32 Vq30型发动机控制电脑简析图272829303132自动变速器控制电脑333435363738394041.............................................................................................................................................................................................马自达R4A-EL自动变速器电脑元件分析图马自达R4A-EL自动变速器ECU端子检测富康AL4自动变速器ECU元件分析图富康AL4自动变速器ECU电路原理图富康AL4自动变速器ECU芯片解析日产RE4F04B自动变速器控制电脑元件分析图日产A33变速器TCM端口检测数据 (4243)ABS控制模块三菱菱绅ABS控制单元内部元件分析图三菱菱绅ABS控制系统电路及端子检测电控空气悬架系统模块4445丰田LS400(ucF10)悬架电脑ECU元件分析图丰田LS400电控悬架电路(ucF10)及ECU端子表46丰田佳美巡航系统电脑ECU元件分析图自动巡航系统控制模块…………………………………………………………………………………………………………………………………………………………………………………………………………………………三菱F4A42自动变速器ECU元件分析图三菱F4A42自动变速器控制单元端子检测………………………………………………………………………………………玛瑞利SPI型发动机ECU主板元件分析图速电机的步数。
广州本田雅阁轿车发动机电脑板端子说明及检测数据发动机控制模块 / 动力系统控制模块( ECM/PCM)端子布置(1)ECM/PCM插头 A(32 芯)569VSS10SCMCSMCS OUT S12IM13IM14D415FL16FL17AC18MI19NE21KL22IM24STOLMPOENIND R R C L P PE A S25IM26PS27AC32BKOCDPSW S SW插座导线侧(说明:标准蓄电池电压为12V)端子导线端子名称说明信号号颜色2* 1绿/ 白MCS(发动机支架控制电磁启动发动机支架控制电磁怠速时: 0V阀)阀超过怠速时:蓄电池电压5* 9蓝/ 绿CRS(定速巡航控制信号)检测定速巡航控制信号接通点火开关 ON(II ):脉冲6* 7红PCS(EVAP净化控制电磁阀)启动 EVAP净化控制电磁阀发动机运转,发动机冷却液温度低于 75℃:蓄电池电压发动机运转:发动机冷却液温度高于 75℃: 0V 9* 1蓝/ 白VSSOUT(车速传感器输出信发送车速传感器信号取决于车速:脉冲号)10棕SCS(维修检查信号)检测维修检查插头信号(该接上端子: 0V信号触发显示 DTC)断开端子:蓄电池电压12*3粉IMOLMP(防起动装置指示控制防起动装置指示灯防起动装置指示灯亮: 0V灯)防起动装置指示灯灭:蓄电池电压13*3蓝IMOEN(防起动装置启动信发送防起动装置启动信号号)14*1绿/ 黑D4IND(D4 指示灯)控制 D4指示灯D4指示灯亮: 0VD4指示灯灭:蓄电池电压15*3绿/ 黄FLR(燃油泵继电器)控制燃油泵继电器接通点火开关 ON(II )后 2S 为0V,然后为蓄电池电压16*4绿/ 黄FLR(燃油泵继电器)启动燃油泵继电器接通点火开关 ON(II )后 2S 为0V,然后为蓄电池电压17红ACC(空调离合器继电器)启动空调离合器继电器压缩机接通: 0V压缩机关闭:蓄电池电压18绿/ 橙MIL(故障指示灯)控制 MIL MIL 亮: 0VMIL 灭:蓄电池电压19蓝NEP(发动机转速脉冲)输出发动机转速脉冲发动机运转:脉冲21浅蓝K-线路发送和接收扫描工具信号接通点火开关 ON(II ):脉冲22*8绿/ 红IMA(怠速混合气调节器)检测 IMA 信号接通点火开关 ON(II ):约为0.5-4.5V (取决于怠速混合气的情况)24蓝/ 橙STS(起动机开关信号)检测起动机开关信号接通起动机开关 ON(III ):蓄电池电压关闭起动机开关: 0 V 25*3红IMOCD(防起动装置代码)检测防起装置信号26绿PSPSW(P/S 压力开关信号)检测 PSP开关信号在怠速情况下将方向盘置于正前方位置: 0V 在怠速情况下将方向盘置于止动点位置:蓄电池电压27蓝/ 红ACS(空调开关信号)检测空调开关信号空调开关接通: 0V空调开关关闭:约为 5V 32*3白/ 黑BKSW(制动开关)检测制动开关信号松开制动踏板: 0V踏下制动踏板:蓄电池电压*1 :A/T*3 :KQ,NZ,KX,KM,KS,KB车型*4 :KQ,NZ,KX,KM,KS,KB车型除外*7 :装备有 TWC的车型*8 :未装备 TWC的车型*9 :F23A1,F23A2,F23A3,F23A5,F23A6(A/T )发动机(2)ECM/PCM插头 B(25 芯)1IGP12PG13IN4IN5IN E-8LSA J2J3J4ECR7-9IGP211I12V13I14OP17LS 18LS 10PG2TS CM2SW A-B-NJ120LG121V22L23I24OP 25LSBU G2ACV 3SW B+插座导线侧(说明:标准蓄电池电压为12V)端子导线端子名称说明信号号颜色1黄/ 黑IGPI (电源)ECM/PCM控制电路的电源接通点火开关 ON(II ):蓄电池电压关闭点火开关: 0V2黑PG1(电源地线)ECM/PCM控制电路的地线任何时间都低于 1.0V3红INJ2(2 号燃油喷射器)启动 2 号燃油喷射器4蓝INJ3(3 号燃油喷射器)启动 3 号燃油喷射器发动机运转:脉冲5黄INJ4(4 号燃油喷射器)启动 4 号燃油喷射器7* 5粉E-EGR启动 EGR阀在车辆行驶期间发动机充分升温EGR工作:进入受控状态 EGR不工作: 0V8* 1白LSA-(A/T 离合器压力控制A/T 离合器压力控制电磁阀 A接通点火开关 ON(II ):脉冲电磁阀 A-侧)电源负极9黄/ 黑IGP2(电源)ECM/PCM控制电路的电源接通点火开关 ON(II ):蓄电池电压关闭点火开关: 0V10黑PG2(电源地线)ECM/PCM控制电路的地线任何时间都低11棕INJ1(1 号燃油喷射器)启动 1 号燃油喷射器发动机运转:脉冲12*6绿/ 黄VTS(VTEC电磁阀)启动 VTEC电磁阀发动机处于低转速: 0V发动机处于高转速:蓄电池电压13黄/ 绿ICM(点火控制模块)发送点火脉冲接通点火开关 ON(II ):蓄电池电压发动机运转:约为 10V(取决于发动机转速)14*1蓝/ 黑OP2SW(第二润滑油压力开检测第二润滑油压力开关接通点火开关 ON(II ):蓄电池关)电压17*1红LSA+(A/T 离合器压力控制A/T 离合器压力控制电磁阀 A接通点火开关 ON(II ):脉冲电磁阀 A+侧)电源正极18*1绿LSB-(A/T 离合器压力控制A/T 离合器压力控制电磁阀 A接通点火开关 ON(II ):脉冲电磁阀 A-侧)电源正极20棕/ 黑LG1(逻辑地线)ECM/PCM控制电路的地线任何时间都低于 1.0V21白/ 黄VBU(备用电压)ECM/PCM控制电路的电源DTC此时为蓄电池电压存储器的电源22棕/ 黑LG2(逻辑地线)ECM/PCM控制电路的地线任何时间都低于 1.0V23黑/ 蓝IACV(怠速空气控制阀)启动 IAC 阀发动机运转:脉冲24*1蓝/ 白OP3SW(第三润滑油压力开检测第三润滑油压力开关接通点火开关 ON(II ):蓄电池关)电压25*1橙LSB+(A/T 离合器压力控制A/T 离合器压力控制电磁阀 B接通点火开关 ON(II ):脉冲电磁阀 B+侧)电源正极*1 :A/T*5 :KU,TH,KB,FO车型和 F20B5(KH车型)发动机*6 :F23A1,F23A2,F23A3,F20B5发动机(3)ECM/PCM插头 C(31 芯)1PO23KS5ALT 6EGR7SG18CKP9CKPSHTC F L P M16PH17MA18SG20TD21TDO2S P2CP CM23VS25IA26EC27TP 28VC29CY 30CYS T T S C2PP PM插座导线侧(说明:标准蓄电池电压为12V)端子号导线端子名称说明信号颜色1* 7黑/ 白PO2SHTC(前置加热氧传感器加热启动前置加热氧传感器加热接通点火开关 ON(II ):蓄电池电压充器控制)器分升温后的发动机运转: 0V 3* 6红/ 蓝KS(爆震传感器)检测 KS信号发动机爆震时:脉冲5白/ 红ALTF(交流发动机 FR信号)检测交流发电机 FR信号充分升温后的发动机运转: 0V至蓄电池电压(取决于电气负载)6* 5白/ 黑EGRL(EGR阀升程传感器)检测 EGR阀升程传感器信号怠速下:约为 1.2V7绿/ 白SGI(传感器地线)MAP传感器地线任何时间都低于 1.0V8蓝CKPP(CKP传感器 P 侧)检测 CKP传感器发动机运转:脉冲9白CKPM(CKP传感器 M侧)CKP传感器地线16*7白PHO2S(前置加热氧传感器,传感检测前置加热氧传感器(传感怠速下发动机充分升温至节气门器)器 1)信号完全打开:高于 0.6V节气门迅速关闭:低于 0.4V 17红/ 绿MAP(进气歧管绝对压力传感器)检测 MAP传感器信号接通点火开关 ON(II ):约为 3V 怠速时:约为 1.0V (取决于发动机转速)18绿/ 黑SG2(传感器地线)传感器地线任何时间都低于 1.0V 19黄/ 红VCC1(传感器电压)MAP传感器电源接通点火开关 ON(II ):约为 5V关闭点火开关: 0V 20绿TDCP(TDC传感器 P 侧)检测 TDC传感器发动机运转:脉冲21红TDCM(TDC传感器 M侧)TDC传感器地线23*2蓝/ 白VSS(车速传感器)检测 VSS信号接通点火开关 ON(II )并转动前轮:周期为 0-5V 25红/ 黄IAT (进气温度传感器)检测 IAT 传感器信号接通点火开关 ON(II ):约为 0.1-48V(取决于发动机进气温度)26红/ 白ECT(发动机冷却液温度传感器)检测 ECT传感器信号接通点火开关 ON(II ):约为 0.1-4.8V(取决于发动机冷却液温度)27红/ 黑TPS(节气门位置传感器)检测 TP传感器信号节气门完全打开:约为 4.8V节气门完全关闭:约为 0.5V 28黄/ 蓝VCC2(传感器电压)提供传感器电压接通点火开关 ON(II ):约为 5V关闭点火开关: 0V 29黄CYPP(CYP传感器 P 侧)检测 CYP传感器发动机运转:脉冲30黑CYPM(CYP传感器 M侧)CYP传感器地线*2 :M/T*5 :KU,TH,KB,FO车型和 F20B5(KH车型)发动机*6 :F23A1,F23A2,F23A3,F20B5发动机*7 :装备有 TWC的车型(4)ECM/PCM插头 D(16 芯)1LC2SHB3SHC 5VBS OL6ATP8ATP9ATP7SHA10NC11NM 12NMR D3D4SG 13AT14AT15AT16NCPNP P2P1SG插座导线侧(说明:标准蓄电池电压为12V)端子号导线端子名称说明信号颜色1* 1黄LC(锁定控制电磁阀)启动锁定控制电磁阀接通2* 1绿/ 白SHB(换档控制电磁阀 B)启动换档控制电磁阀 B接通锁定开关:蓄电池电压关闭锁定开关: 0V3* 1绿SHC(换档控制电磁阀)启动换档控制电磁阀 C发动机在 1 挡, 2 挡运转时:蓄电池电压发动机在 3 挡, 4 挡运转时:约为 0V 5* 1黑/ 黄VBSOL(电磁阀的电瓶电压)电磁阀的电源发动机在 1 挡, 3 挡运转时,蓄电池电压发动机在 2 挡, 4 挡运转时:约为 0V 6* 1白ATPR(A/T 档位位置开关)检测 A/T 档位位置开关信接通点火开关 ON(II ):蓄电池电压号关闭点火开关: 0V7* 1蓝/ 黄SHA(换档控制电磁阀 A)启动换档控制电磁阀 A在 R位置: 0V在其它位置:蓄电池电压18*粉ATPD3(A/T 档位位置开关)检测 A/T 档位位置开关信发动机在 2 挡, 3 档运转时:蓄电池号电压发动机在 1 档, 4 挡运转时:约为 0V 9* 1黄ATPD4(A/T 档位位置开关)检测 A/T 档位位置开关信在 D3位置: 0V号在其他位置:蓄电池电压10* 1蓝NC(中间轴转速传感器)检测中间轴转速传感器接通点火开关 ON(II )并转动前轮时:信号蓄电池电压11* 1红NM(主轴转速传感器)检测主轴转速传感器信发动机运转:脉冲号12* 1白NMSG(主轴转速传感器地线)主轴转速传感器地线13* 1蓝/ 白ATPNP(A/T 挡位位置开关)检测 A/T 档位位置开关信在驻车或空档位置: 0V号在其它位置:蓄电池电压14* 1蓝ATP2(A/T 档位位置开关)检测 A/T 档位位置开关信在 2 档位置: 0V号在其它位置:蓄电池电压15* 1棕ATP1(A/T 档位位置开关)检测 A/T 档位位置开关信在 1 档位置: 0V号在其它位置:蓄电池电压16* 1绿NCSG(中间轴转速传感器地中间轴转速传感器地线线)。
汽车电脑板端子功能速查图册(一).rar《汽车电脑板端子功能速查图册(1)》采用一种全新的标注方法,将一汽大众、上海大众、奇瑞、广州本田、中华等常见的180款车型的电脑板端子以实物为标准画出示意图,并直接在示意图上标明功能,同时在图的下方标出了常用端子的检测参考值,供维修人员参考,直观易懂,查找方便。
序言目前,无论进口的还是国内生产的汽车,多数已采用电子控制装置,如发动机电控燃油喷射系统、自动变速控制系统和防抱死制动系统等,而电控单元(俗称电脑板)则是该系统的核心原件。
当汽车出现故障时,维修人员要对电脑板进行检测,主要参考维修手册来进行,由于现在维修手册中的电路图较为复杂,并不是所有维修人员都能看懂,尤其是电脑板的端子,不同的车型虽然结构相同,但各端子的功能却不相同。
当前几乎所有国内外出版的书籍和维修手册中对电脑板的端子布置图都以表格的形式标注,经常给维修人员带来插头公母不好分辨的麻烦。
本书采用一种全新的标注方法,所有车型的电脑板插头都以真实的电脑板插头为标准画出示意图,并直接在示意图上标注功能,同时在图的下方用表格把常用端子的检测参考值标出,供维修人员参考,显得更直观易懂,查找方便。
查看更多请下载观看………………………….……………………………[下载地址] :汽车电脑板端子功能速查图册1.rar/file/112006165目录前言第一章一汽车系1.一汽大众开迪(1.4L)电脑板80针2.一汽大众开迪(1.6L)电脑板81+40针3.一汽大众开迪(1.9L柴油直喷)电脑板94+60针4.一汽大众开迪(2.0L柴油直喷)电脑板94+60针5.一汽大众迈腾(汽油2.0L)电脑板94+60针6.一汽大众迈腾(汽油3.2L/3.6L)电脑板94+60针7.一汽大众速腾(柴油1.9L)电脑板94+60针8.一汽大众速腾(柴油2.0L)电脑板94+60针9.一汽大众速腾(汽油1.6L)电脑板81+40针10.一汽大众速腾(汽油1.6L)电脑板94+60针11.一汽大众速腾(汽油2.0L)电脑板94+60针12.一汽大众捷达2V发动机电脑板121针13.一汽大众捷达5V发动机电脑板80针14.奥迪A6电脑板121针15.奥迪A8电脑板81+40针16.奥迪V6电脑板16+12+20+16针17.奥迪A4(2.8L)V6电脑板80针18.红旗7220/帕萨特B4电脑板68针19.红旗[VG20]电脑板16+20+20+20针20.一汽7180A2E小红旗3PT电脑板121针21.一汽奥星小解放电脑板26+16+12+22针22.一汽大众宝来电脑板121针23.一汽花冠[1NZ发动机]电脑板26+16+12+22针24.一汽花冠[1ZZ发动机]电脑板34+35+35+31针25.一汽佳宝[联合电子]电脑板55针26.一汽佳宝电脑板32+32针27.一汽轿车奔腾电脑板60+60针第二章上汽车系28.别克世纪电脑板40+40+40+40针29.桑塔纳99新秀[M154]电脑板55针30.桑塔纳2000[M154]电脑板55针31.桑塔纳3000电脑板80针32.上海大众波罗(劲情/劲取)电脑板80针33.上海大众波罗电脑板121针34.上海大众途安电脑板80针35.上海大众新帕萨特(1.8L)电脑板121针36.上海大众新帕萨特(2.8L)电脑板121针37.上海华普电脑板55针38.上海时代超人电脑板80针39.上海通用君威电脑板32+32针40.上海通用凯越电脑板64+64针41.上海通用赛欧电脑板32+32针第三章北汽车系42.北京福田战旗(单点)电脑板35针43.北京福田电脑板35针44.北京吉普P45电脑板26+16+12+22针45.北京帕杰罗越野(手动)电脑板26+16+12+22针46.北京帕杰罗越野(自动)电脑板35+26+28+30针47.北京现代圣塔非(柴油)电脑板94+60针48.北京现代圣塔非(汽油)电脑板80+80针49.北京现代索纳塔4缸(AT)电脑板35+26+28+30针50.北京现代索纳塔4缸(MT)电脑板26+16+12+22针51.北京现代索纳塔6缸电脑板9+24+52+40+9针52.北京现代途胜6缸电脑板9+24+52+40+9针53.北京现代途胜电脑板81针54.北京现代雅绅特(1.4L手动)电脑板94+60针55.北京现代雅绅特(1.4L自动)电脑板94+60针56.北京现代雅绅特(1.6L手动)电脑板94+60针57.北京现代雅绅特(1.6L自动)电脑板94+60针58.北京现代雅绅特(柴油共轨自动)电脑板94+60针59.北京现代雅绅特C01(1.4L手动)电脑板94+60针60.北京现代雅绅特C01(1.6L手动)电脑板94+60针61.北京越野车(4.0L)电脑板55针62.华泰现代(汽油3.5L)电脑板35+26+28+30针63.切诺基6缸电脑板32+32+32针64.切诺基4缸电脑板32+32+32针65.切诺基6缸电脑板60针66.切诺基4缸电脑板60针67.现代特拉卡(柴油共轨)电脑板3l+24+17针68.现代特拉卡(汽油3.5L)电脑板35+26+28+30针69.现代雅科仕(3.5L)电脑板35+26+28+30针70.现代雅科仕(4.5L)电脑板35+26+28+30针第四章二汽车系71.东风风行电脑板26+16+22针72.东风EQ6100电脑板26+22针73.东风日产阳光电脑板16+14+20+18针74.东风日产阳光电脑板116针75.东风雪铁龙赛纳电脑板32+48+32针76.东风悦达起亚嘉华电脑板35+26+28+30针77.东风悦达起亚千里马电脑板81针78.东风悦达起亚锐欧(1.4L-AT)电脑板94+60针79.东风悦达起亚锐欧(1.4L-MT)电脑板94+60针80.东风悦达起亚锐欧(1.6L-AT)电脑板94+60针81.东风悦达起亚锐欧(1.6L-MT)电脑板94+60针82.东风悦达起亚赛拉图(1.6L)电脑板94+60针83.东风悦达起亚赛拉图(1.8L)电脑板81针84.东风悦达起亚远舰电脑板9+24+52+40+9针85.东风悦达起亚远舰(手动)电脑板26+16+12+22针86.东风悦达起亚远舰(自动)电脑板35+26+28+30针87.风神蓝鸟电脑板16+14+16+18针88.东风雪铁龙爱丽舍32+48+32针89.东风雪铁龙爱丽舍55针第五章奇瑞车系90.奇瑞A113(1.3L)发动机电脑板81针91.奇瑞QQ6发动机电脑板81针92.奇瑞开瑞发动机电脑板81针93.奇瑞旗云A15(CVT)电脑板121针94.奇瑞瑞麒2(1.3L)发动机电脑板8l针95.奇瑞A516/A520[ME7.9.7]电脑板81针96.奇瑞QQ电脑板55针97.奇瑞V525(AT)电脑板26+16+12+22针98.奇瑞东方之子电脑板26+16+12+22针99.奇瑞风云[ME7.9.7]电脑板81针100.奇瑞风云[玛瑞利]电脑板80针101.奇瑞风云[摩托罗拉]电脑板24+24针102.奇瑞风云电脑板35针103.奇瑞旗云A15[MT20]电脑板3l+24+17针104.奇瑞旗云电脑板72针105.奇瑞瑞虎2.4(AT)电脑板26+16+12+22针106.奇瑞瑞虎[MT20U]电脑板73针第六章长安车系107.长安CM8[ME7.9.7]电脑板8l针108.长安奥拓电脑板55针109.长安铃木雨燕电脑板60+60针110.长安羚羊电脑板31+24+17针111.长安羚羊世纪星电脑板26+16+22针112.长安之星电脑板55针113.长安之星电脑板26+34针第七章哈飞车系114.哈飞路宝[M1.5.4]电脑板55针115.哈飞路宝[ME7.9.7优化]电脑板81针116.哈飞民意[ME7.9.7]电脑板81针117.哈飞民意[MT20]电脑板31+24+17针118.哈飞民意[MT20U]电脑板73针119.哈飞赛豹[德尔福]电脑板73针120.哈飞赛豹[联合电子]电脑板81针121.哈飞赛豹电脑板35+26+28+30针122.哈飞赛马电脑板26+16十12+22针123.哈飞松花江电脑板32+32针124.哈飞松花江[MT20U]电脑板73针125.哈飞中意[M1.5.4]电脑板55针126.哈飞中意电脑板31+24+17针127.哈飞中意电脑板32+32针128.哈飞中意[ME7.9.7]电脑板81针129.哈飞中意[MT20U]电脑板73针第八章广州本田车系130.2003款雅阁2.0/2.4L电脑板31+24+22+17+31针131.2003款雅阁3.0L电脑板31+24+22+17+31针132.雅阁2.0/2.3L电脑板32+25+31+16针133.雅阁3.0L V6电脑板32+25+31+16针134.奥德赛电脑板32+25+31+16针135.飞度电脑板31+24+22+31针第九章中华车系136.中华轿车1.8L沈阳华晨电脑板48+48+32针137.中华轿车[马瑞利]电脑板80针138.中华轿车电脑板26+16+12+22针第十章其他车系139.吉利美日3缸电脑板35针140.吉利美日3缸电脑板55针141.吉利美日4缸电脑板26+16+12针142.天津夏利3缸[大陆汽车]电脑板24+24针143.天津夏利3缸电脑板24针144.天津威驰电脑板26+16+22针145.天津夏利2000电脑板26+16+12针146.天津夏利电脑板26+22针《汽车电脑板端子功能速查图册(1)》采用一种全新的标注方法,将一汽大众、上海大众、奇瑞、广州本田、中华等常见的180款车型的电脑板端子以实物为标准画出示意图,并直接在示意图上标明功能,同时在图的下方标出了常用端子的检测参考值,供维修人员参考,直观易懂,查找方便。
目录前言第一章一汽车系1.一汽大众开迪(1.4L)电脑板80针2.一汽大众开迪(1.6L)电脑板81+40针3.一汽大众开迪(1.9L柴油直喷)电脑板94+60针4.一汽大众开迪(2.0L柴油直喷)电脑板94+60针………………第二章上汽车系28.别克世纪电脑板40+40+40+40针29.桑塔纳99新秀[M154]电脑板55针30.桑塔纳2000[M154]电脑板55针31.桑塔纳3000电脑板80针32.上海大众波罗(劲情/劲取)电脑板80针33.上海大众波罗电脑板121针34.上海大众途安电脑板80针35.上海大众新帕萨特(1.8L)电脑板121针36.上海大众新帕萨特(2.8L)电脑板121针37.上海华普电脑板55针38.上海时代超人电脑板80针39.上海通用君威电脑板32+32针40.上海通用凯越电脑板64+64针41.上海通用赛欧电脑板32+32针第三章北汽车系42.北京福田战旗(单点)电脑板35针43.北京福田电脑板35针44.北京吉普P45电脑板26+16+12+22针45.北京帕杰罗越野(手动)电脑板26+16+12+22针46.北京帕杰罗越野(自动)电脑板35+26+28+30针47.北京现代圣塔非(柴油)电脑板94+60针48.北京现代圣塔非(汽油)电脑板80+80针49.北京现代索纳塔4缸(AT)电脑板35+26+28+30针50.北京现代索纳塔4缸(MT)电脑板26+16+12+22针51.北京现代索纳塔6缸电脑板9+24+52+40+9针52.北京现代途胜6缸电脑板9+24+52+40+9针53.北京现代途胜电脑板81针54.北京现代雅绅特(1.4L手动)电脑板94+60针55.北京现代雅绅特(1.4L自动)电脑板94+60针56.北京现代雅绅特(1.6L手动)电脑板94+60针57.北京现代雅绅特(1.6L自动)电脑板94+60针58.北京现代雅绅特(柴油共轨自动)电脑板94+60针59.北京现代雅绅特C01(1.4L手动)电脑板94+60针60.北京现代雅绅特C01(1.6L手动)电脑板94+60针61.北京越野车(4.0L)电脑板55针62.华泰现代(汽油3.5L)电脑板35+26+28+30针63.切诺基6缸电脑板32+32+32针64.切诺基4缸电脑板32+32+32针65.切诺基6缸电脑板60针66.切诺基4缸电脑板60针67.现代特拉卡(柴油共轨)电脑板3l+24+17针68.现代特拉卡(汽油3.5L)电脑板35+26+28+30针69.现代雅科仕(3.5L)电脑板35+26+28+30针70.现代雅科仕(4.5L)电脑板35+26+28+30针第四章二汽车系71.东风风行电脑板26+16+22针72.东风EQ6100电脑板26+22针73.东风日产阳光电脑板16+14+20+18针74.东风日产阳光电脑板116针75.东风雪铁龙赛纳电脑板32+48+32针76.东风悦达起亚嘉华电脑板35+26+28+30针77.东风悦达起亚千里马电脑板81针78.东风悦达起亚锐欧(1.4L-AT)电脑板94+60针79.东风悦达起亚锐欧(1.4L-MT)电脑板94+60针80.东风悦达起亚锐欧(1.6L-AT)电脑板94+60针81.东风悦达起亚锐欧(1.6L-MT)电脑板94+60针82.东风悦达起亚赛拉图(1.6L)电脑板94+60针83.东风悦达起亚赛拉图(1.8L)电脑板81针84.东风悦达起亚远舰电脑板9+24+52+40+9针85.东风悦达起亚远舰(手动)电脑板26+16+12+22针86.东风悦达起亚远舰(自动)电脑板35+26+28+30针87.风神蓝鸟电脑板16+14+16+18针88.东风雪铁龙爱丽舍32+48+32针89.东风雪铁龙爱丽舍55针第五章奇瑞车系90.奇瑞A113(1.3L)发动机电脑板81针91.奇瑞QQ6发动机电脑板81针92.奇瑞开瑞发动机电脑板81针93.奇瑞旗云A15(CVT)电脑板121针94.奇瑞瑞麒2(1.3L)发动机电脑板8l针95.奇瑞A516/A520[ME7.9.7]电脑板81针96.奇瑞QQ电脑板55针97.奇瑞V525(AT)电脑板26+16+12+22针98.奇瑞东方之子电脑板26+16+12+22针99.奇瑞风云[ME7.9.7]电脑板81针100.奇瑞风云[玛瑞利]电脑板80针101.奇瑞风云[摩托罗拉]电脑板24+24针102.奇瑞风云电脑板35针103.奇瑞旗云A15[MT20]电脑板3l+24+17针104.奇瑞旗云电脑板72针105.奇瑞瑞虎2.4(AT)电脑板26+16+12+22针106.奇瑞瑞虎[MT20U]电脑板73针第六章长安车系107.长安CM8[ME7.9.7]电脑板8l 针108.长安奥拓电脑板55针109.长安铃木雨燕电脑板60+60针110.长安羚羊电脑板31+24+17针111.长安羚羊世纪星电脑板26+16+22针112.长安之星电脑板55针113.长安之星电脑板26+34针第七章哈飞车系114.哈飞路宝[M1.5.4]电脑板55针115.哈飞路宝[ME7.9.7优化]电脑板81针116.哈飞民意[ME7.9.7]电脑板81针117.哈飞民意[MT20]电脑板31+24+17针118.哈飞民意[MT20U]电脑板73针119.哈飞赛豹[德尔福]电脑板73针120.哈飞赛豹[联合电子]电脑板81针121.哈飞赛豹电脑板35+26+28+30针122.哈飞赛马电脑板26+16十12+22针123.哈飞松花江电脑板32+32针124.哈飞松花江[MT20U]电脑板73针125.哈飞中意[M1.5.4]电脑板55针126.哈飞中意电脑板31+24+17针127.哈飞中意电脑板32+32针128.哈飞中意[ME7.9.7]电脑板81针129.哈飞中意[MT20U]电脑板73针第八章广州本田车系130.2003款雅阁2.0/2.4L电脑板31+24+22+17+31针131.2003款雅阁3.0L电脑板31+24+22+17+31针132.雅阁2.0/2.3L电脑板32+25+31+16针133.雅阁3.0L V6电脑板32+25+31+16针134.奥德赛电脑板32+25+31+16针135.飞度电脑板31+24+22+31针第九章中华车系136.中华轿车1.8L沈阳华晨电脑板48+48+32针137.中华轿车[马瑞利]电脑板80针138.中华轿车电脑板26+16+12+22针第十章其他车系139.吉利美日3缸电脑板35针140.吉利美日3缸电脑板55针141.吉利美日4缸电脑板26+16+12针142.天津夏利3缸[大陆汽车]电脑板24+24针143.天津夏利3缸电脑板24针144.天津威驰电脑板26+16+22针145.天津夏利2000电脑板26+16+12针146.天津夏利电脑板26+22针查看更多请下载观看………………………….……………………………[下载地址] :汽车电脑板端子功能速查图册1.rar/file/112006165更多资料请前往361图书馆浏览下载!361图书馆> 免费图书馆>汽车汽车电脑控制设备的原理与维修.pdf汽车电脑维修教程.pdf汽车电脑板端子功能速查图册4.rar汽车电脑板端子功能速查图册3(欧美洲系列).rar汽车电脑控制设备的原理与维修.pdf汽车电脑维修教程.pdf汽车电脑板端子功能速查图册4.rar汽车电脑板端子功能速查图册3(欧美洲系列).rar汽车电脑板端子功能速查图册2(亚洲系列).rar汽车电脑故障码与数据流k80.pdf汽车电脑板维修图集.pdf汽车电脑原理与维修精华.pdf。