釉面砖墙面施工方法
- 格式:docx
- 大小:16.83 KB
- 文档页数:3
釉面砖墙面翻新方法1. 清洁和修复在进行翻新之前,首先需要彻底清洁釉面砖墙面。
可以使用温和的清洁剂和软布来清洁墙面,去除污渍和附着物。
如果墙面有明显的破损或裂缝,可以使用水泥或瓷砖胶修复。
修复后,确保充分干燥。
2. 翻新涂料一种简单而有效的翻新方法是采用翻新涂料来重新涂刷墙面。
选择合适的翻新涂料,根据墙面的材质和需要,选择合适的颜色和质地。
在涂刷之前,先进行底漆处理,使涂料能够更好地附着在墙面上。
然后,用刷子或滚筒均匀涂刷墙面,注意避免涂料滴落或刷痕。
3. 墙纸装饰如果不想使用涂料,或者墙面状况较为严重,可以考虑使用墙纸进行翻新。
墙纸有多种花纹和颜色可供选择,可以根据个人喜好和整体装饰风格进行搭配。
在选择墙纸时,注意选择质量好、易清洁和耐用的墙纸。
在贴墙纸之前,先确保墙面平整、干燥和清洁,然后根据墙纸的规格和墙面尺寸进行裁剪和粘贴。
4. 瓷砖翻新如果釉面砖墙面的问题比较严重,如剥落、损坏或渗水,可以考虑进行瓷砖翻新。
瓷砖翻新可以更换破损的瓷砖,修复墙面的问题并提升整体效果。
在进行瓷砖翻新时,需要选择与原有瓷砖相匹配的新砖,并使用合适的瓷砖胶进行粘贴。
瓷砖翻新可以由专业的装修公司或工人进行。
5. 其他注意事项在进行釉面砖墙面翻新时,还需要注意以下事项:- 定期保养墙面,避免积灰和污渍;- 避免使用过于硬物体刮擦墙面,以免破坏釉面;- 如发现墙面问题较为严重,最好咨询专业人士或装修公司的意见。
以上是几种常用的釉面砖墙面翻新方法,希望对您有所帮助。
在进行翻新之前,建议根据墙面的具体情况选择合适的方法,并咨询专业人士的指导。
祝您成功翻新墙面!。
釉面砖墙面施工工艺·1施工要求(一)材料要求1.水泥:采用P0。
32.5普通硅酸盐水泥,水泥必须有准用证明、出厂合格证。
2.砂:底灰采用中砂,用前筛过,贴面砖采用细砂。
3.勾缝材料:勾缝材料青水泥加黑色矿物质色粉。
4.粘结剂:采用绿色环保型建筑胶。
5.面砖:生产厂家必须提供产品检验报告、出厂合格证等资料。
施工前要根据规范及设计要求进行选砖:砖的品种、规格、颜色应均匀,必须是同一批号生产;砖的表面平整、方正,厚度一致,不得有缺楞、掉角、断裂等缺陷。
外墙面砖的吸水率不得大于6%(参见产品说明书)。
面砖须进场复检(复检内容:尺寸“240X60X11mm”、表面质量、吸水率、抗冻性等),不得露天堆放,做到防水防雨。
6.面砖复检标准:尺寸允许偏差应符合表2的规定表2表面质量应符合表3的规定表3砖的最大允许变形应符合表4的规定表4注:表2-表4中涂阴影的项目为本工程所要求之质量标准(二)主要机具准备(三)施工作业条件1.外墙装修脚手架应提前搭设并通过验收,其横竖杆及拉杆应离开墙面和门窗口角200mm。
架子的步高要根据工人施工要求和安全操作规程确定。
2.阳台栏杆预留孔洞及雨落管处理、安装完毕;出墙构备件、设备施工完毕;门窗框要固定好,并用1:3水泥砂浆将缝隙堵塞严实。
3.墙面基层清理干净,脚手眼、窗台等应封砌的洞口封砌完毕。
4.根据设计要求先放线并做样板墙,确定施工工艺及操作要点并向施工人员做好技术交底工作。
经质检部门鉴定合格后通知设计、甲方、监理进行验收,取得认可后再安排大面积施工。
(四)操作工艺1.工艺流程图2.基层处理混凝土梁、柱表面用掺加界面剂的水泥浆甩毛。
粘土空心砖墙用扫帚将面层上的粉尘扫净,浇水将墙浸湿。
3.吊垂直、套方找规矩、贴灰饼首先将凸出在墙面的混凝土剔除,在墙面拐角处,用特制的大线锤与火烧丝吊垂直线。
根据面砖的规格尺寸分层设点做灰饼(灰饼间距保持在1.6m ~1.8m ),横线以楼层50水平基线交圈为控制线,竖向线则以四周大角和通天柱为基线控制。
釉面砖墙面施工方案一、内墙抹灰的范围及具体做法内墙-4:釉面砖墙面(用于部位:厨房、卫生间内墙面)•墙体或钢筋砼梁柱墙体清洁找平•15厚1:3水泥砂浆,分两次抹灰•刷素水泥浆一遍内墙-5:釉面砖墙面(用于部位:厨房、卫生间加气混凝土内墙面)•墙体清洁找平•刷建筑胶素水泥浆一遍,配合比为建筑胶:水=1:4•15厚2:1:8水泥石灰砂浆,分两次抹灰二、施工准备1、抹灰用砂为中砂,平均粒径为0.35~0.5mm,使用前应过5mm 孔径的筛子,且不得含有杂质。
水泥强度为32.5矿渣水泥和普通硅酸盐水泥。
应有出厂证明或复试单,当出厂超过三个月,按试验结果使用。
2、抹灰前应检查门窗框安装位置是否正确,与墙体连接是否牢固。
连接处缝隙用1∶3水泥砂浆或1∶1∶6水泥混合砂浆分层嵌塞密实,若缝隙较大时,应在砂浆中掺少量麻刀嵌塞,使其塞缝密实;木门框需设铁皮保护。
3、将过梁、圈梁及构造柱表面凸出部分混凝土剔平。
对蜂窝、麻面、露筋等应剔到实处,刷素水泥浆一道(内掺水重10%的107胶),紧跟用1∶3水泥砂浆分层补平;脚手眼应堵严,外露钢筋头、铅丝头等要剔除,窗台砖应补齐;内隔墙与楼板、梁底等交接处应用斜砖砌严。
4、管道穿越墙洞、楼板洞应及时安放套管,并用1∶3水泥砂浆或细石混凝土填嵌密实;电线管、消火栓箱、配电籍安装完毕,并将背后露明部分钉好铅丝网;接线盒用纸堵严。
5、砌块墙基层表面的灰尘、污垢和油渍等应清除干净,并浇水湿润。
6、根据室内高度和抹灰现场的具体情况,提前准备好抹灰高凳或脚手架,架子应离开墙面及墙角200~250mm,以利操作。
7、混凝土或砌体墙面基层处理:采取如下的“毛化处理°办法,即先将表面尘土、污垢清扫干净,用10%火碱水将顶面的油污刷掉,随之用清水将碱液冲净、晾干。
然后用1∶1水泥细砂浆内掺用水量20%的107胶,喷或用笤帚将砂浆甩到顶上,其甩点要均匀,终凝后浇水养护,直至水泥砂浆疙瘩全部粘满混凝土光面上,并有较高的强度(用手掰不动)为止。
釉面砖墙面施工方法①材料准备水泥32。
5或42.5级矿渣水泥或普通硅酸盐水泥.应有出厂证明或复验合格试单,若出厂日期超过三个月而且水泥以结有小块的不得使用;白水泥应为325号以上的,并符合设计和规范质量标准的要求.砂子:中砂,粒径为0。
35~0。
5 mm,黄色河砂,含泥量不大于3%,颗粒坚硬、干净,无有机杂质,用前过筛,其他应符合规范的质量标准。
面砖:面砖的表面应光洁、方正、平整、质地坚固,其品种、规格、尺寸、色泽、图案应均匀一致,必须符合设计规定。
不得有缺楞、掉角、暗痕和裂纹等缺陷。
其性能指标均应符合现行国家标准的规定,釉面砖的吸水率不得大于10%。
石灰膏:用块状生石灰淋制,必须用孔径3mmx3mm的筛网过滤,并储存在沉淀池中,熟化时间,常温下不少于15d,用于罩面灰,不少于30d,石灰膏内不得有未熟化的颗粒和其他物质。
生石灰粉:磨细生石灰粉,其细度应通过4900孔/ cm2筛子,用前应用水浸泡,其时间不少于3d。
粉煤灰:细度过0.08mm筛,筛余量不大于5%;界面剂胶和矿物颜料:按设计要求配比,其质量应符合规范标准。
②作业条件墙面抹灰完毕,做好墙面防水层、保护层和地面防水层、混凝土垫层.搭设双排架子或钉高马凳,横竖杆及马凳端头应离开墙面和门窗角150~200mm。
架子的步高和马凳高、长度要符合施工要求和安全操作规程。
安装好门窗框扇,隐蔽部位的防腐、填嵌应处理好,并用1:3水泥砂浆将门窗框、洞口缝隙塞严实,框边缝所用嵌塞材料及密封材料应符合设计要求,且应塞堵密实,并事先粘贴好保护膜。
脸盆架、镜卡、管卡、水箱、煤气等应埋设好防腐木砖、位置正确。
按面砖的尺寸、颜色进行选砖,并分类存放备用。
统一弹出墙面上+50cm水平线,大面积施工前应先放大样,并做出样板墙,确定施工工艺及操作要点,并向施工人员做也交底工作。
样板墙完成后必须经质检部门鉴定合格后,还要经过设计、甲方和施工单位共同认定验收,方可组织班组按照样板墙壁要求施工。
内墙釉面砖施工工艺1 基层处理A. 基层为砖墙将基层表面多余的砂浆、灰尘抠净,脚手架眼等孔洞堵严,墙面浇水润湿。
B. 基层为混凝土剔凿凸出部分,光面凿毛,用钢丝刷子满刷一遍。
墙面有隔离剂、油污等,先用10%浓度的火碱水洗刷干净,再用清水冲洗干净,然后浇水润湿。
C. 基层为加气混凝土用钢丝刷将表面的粉末清刷一遍,提前1d 浇水润湿板缝,清理干净,并刷25%的107 胶水溶液,随后用1:1:6 的混合砂浆勾缝、抹平。
在基层表面普通刷一道25%的107 胶水溶液,使底层砂浆与加气混凝土面层粘结牢固。
加气板接缝宜钉150~200mm 宽的钢丝网,以减少灰层拉裂。
2 规方、贴标块贴标块,首先用托线板检查砖墙平整,垂直程度,由此确定抹灰厚度,但最薄不应少于7mm。
遇墙面凹度较大处,要分层涂抹,严禁一次抹得太厚。
一次抹灰超厚,砂浆干缩,易空臌开裂。
在2m 左右高、距两边阴角100~200mm 处,分别做一个标块,大小通常为50×50mm(或D70mm)。
厚度以墙面平整和垂直决定,一般为10~15mm。
标块所用砂浆与底子灰砂将相同,常用1:3 水泥砂将(或用水泥:石灰膏:砂=1:0.1:3的混合砂浆)。
根据上面两个标块用托线板挂垂直线做下面两个标块,或位于踢脚线上口,在两个标块的两端砖缝分别钉上小钉子,在钉子上拉横线,线距标块表面1mm,根据小线做中间标块。
厚度与两端标块一样。
标块间距为1.2~1.5m,在门窗口垛角处均应做标块。
若墙高于3.2m 以上,应两人一起挂线贴标块,一人在架子上,吊线锤,另一人站在地面根据垂直线调整上下标块的厚度。
3 设标筋墙面浇水润湿后,在上下两个标块之间先抹一层宽度为100mm 左右的水泥砂浆,稍后,再抹第二遍凸起成八字形,应比标块略高,然后用木杠两端紧贴标块左右上下来回搓动,直至把标筋与标块搓到一样平为止。
竖向为竖筋,水平方向为横筋。
标筋所用砂浆与底子灰相同。
操作时,应先检查木杠有无受潮变形,若变形应及时修理,以防标筋不平。
釉面砖施工工艺及注意事项
釉面砖是一种装饰性较强的建筑材料,常用于室内地面和墙面的装饰。
以下是釉面砖施工的工艺和注意事项:
1. 准备工作:施工前需要确认施工基面是否平整,如果不平整需要进行修补。
清理基面上的灰尘、油污等杂物,确保基面干净。
2. 砖块铺贴:根据设计要求确定铺贴方式和方向。
先将瓷砖排列在地面或墙面上,确认尺寸和布局,然后使用专业的瓷砖胶进行粘贴。
注意瓷砖之间的缝隙要均匀,以保证整体效果。
3. 排胶和擦胶:粘贴好的瓷砖表面可能会有一些胶水残留,需要及时清理。
使用专业的工具将胶水排除在瓷砖缝隙之外,并用湿布擦拭瓷砖表面,保持干净。
4. 压浆:待砖块都铺贴完成后,涂上砖缝填充剂,填满砖缝。
注意压浆要均匀且充分填满砖缝,避免留下空洞。
5. 清理:等砖缝填充剂干燥后,用湿布进行清理。
确保砖面和砖缝干净,没有污渍和胶水残留。
注意事项:
1. 选择合适的瓷砖胶和砖缝填充剂,确保质量可靠。
不同的瓷砖可能需要不同类型的胶水和填充剂。
2. 瓷砖应该避免受到外力的碰撞和摩擦,在施工过程中要小心
操作,以免造成破损和划伤。
3. 注意颜色和纹理的搭配,以达到预期的装饰效果。
4. 严格按照施工工艺操作,特别是瓷砖胶的使用量和压实程度,以免影响质量和使用寿命。
5. 在施工过程中要注意保护瓷砖表面,避免灰尘和污渍的污染。
6. 在施工完成后,需要保证瓷砖充分干燥,避免过早使用和受到水或其他液体的侵蚀。
以上就是釉面砖施工的工艺和注意事项,希望对您有所帮助。
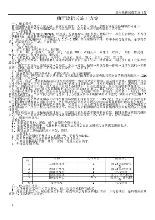
釉面墙裙砖施工方案一、施工条件:釉面墙裙砖基层经过工序交接、验收符合要求,无空鼓、油污、水磨石浮浆等影响釉面砖施工。
釉面砖施工前用水湿润墙面冲洗干净表面浮灰、油污和水磨石溅到墙面上的浮浆。
二、材料准备:1、釉面砖规格为300*450*9MM,经建设、监理单位认可的品种、规格尺寸、颜色符合规定,不得使用缺棱掉角、痕迹和缺陷的釉面砖。
产品要有合格证、进场验收记录。
2、砂子:宜选用中砂,平均粒径为0.3—0.6MM,砂子应颗粒干净,砂中不应含有树根、杂草等杂质,含泥量不应大于3%,用前过筛。
3、水:饮用水。
三、施工设施准备:1、施工机械:砂浆搅拌机、切割机。
2、工具、用具:手推车、铁锨、筛子(孔径3MM)、水桶灰斗、木抹子、铁抹子、刮杆、橡皮锤、细线、水泥钉、墨斗红铅笔、棉纱等。
3、检测装置:激光投线仪、水平尺、托线板、线坠、钢尺、靠尺、方尺、塞尺等。
四、作业条件准备:地面水磨石或地砖混凝土表面已施工完毕,墙面抹灰(或防水)施工完毕并经验收合格。
五、施工工艺流程:基层处理→吊垂直、方正→打线、贴饼→弹线分格→排砖→选砖与浸砖→粘贴面砖→勾缝、清理→验收(不合格整改再验收)→成品保护。
六、操作要求:1、清除基层面上的残存砂浆、水磨石浮灰,提前湿润墙面。
2、吊垂直线、弹控制线,确定基准面,要求粘贴好的釉面砖表面应比已粉刷好的墙面表面高出12MM (见附图)允许3—2.3、选砖、浸砖:釉面砖粘贴前应进行挑选颜色一致的面砖进行堆放,选砖时对弯曲、翘角以及几何尺寸不达标的砖不得用于贴墙裙,可做好标记另行堆放待处理,且应将用在同一面墙上或房间,浸泡面砖时,将面砖清扫干净、放入清水中浸泡2小时以上,以不泛泡为宜,取出表面晾干以备使用。
4、釉面砖粘贴:施粘前应根据墙裙上口与粉刷面12MM的要求,作好标记,再根据上口标记吊线作下边的标记以控制垂直度,然后根据标记线自下而上分层进行粘贴,粘贴前,先在最下一层的上口控制线处临时固定一个水平托尺并固定稳妥,托尺高度应稍小于所贴釉面砖的宽度。
釉面砖墙面施工方案一、概述釉面砖墙面是一种具有装饰性和耐久性的墙面材料,广泛应用于室内和室外的建筑装饰中。
本文档旨在提供一套完整的釉面砖墙面施工方案,帮助施工人员顺利完成施工任务。
二、施工前准备1.确定设计方案:在施工前,需确定设计方案,包括釉面砖的颜色、尺寸、拼贴方式等。
2.准备工具和材料:准备好必要的工具和材料,如毛刷、批刀、胶泥、美纹剂等。
3.清理墙面:清理施工墙面,确保墙面干净平整,无灰尘、油污等。
三、施工步骤1.涂刷底层胶泥:使用批刀将胶泥均匀涂刷在墙面上,待胶泥干燥并变硬。
2.处理墙面缝隙:使用批刀清理墙面缝隙,确保缝隙干净。
如有大缝隙,可用胶水填充。
3.定位布线:根据设计方案,使用水平尺或绳线确定釉面砖的安装位置和水平线。
4.砖块固定:在墙面涂上一层胶泥,将釉面砖按照设计方案依次贴在墙面上,并用木槌轻轻敲打使其牢固粘贴。
5.排列整齐:在贴砖过程中,注意保持砖块之间的间隙一致,以确保视觉效果。
6.美化处理:待釉面砖贴好后,用批刀清理砖缝,以确保缝隙干净整齐。
可根据需要使用美纹剂进行修饰。
7.防水处理:根据需要,对墙面进行适当的防水处理,确保墙面的防潮性能。
8.防腐处理:如施工墙面暴露在室外,需对墙面进行防腐处理,提高其耐久性。
9.清理整理:施工完成后,清理墙面上的杂物,将施工现场整理妥善。
四、施工注意事项1.安全第一:施工人员需使用个人防护装备,并注意施工过程中的安全事项。
2.质量检验:施工过程中,要时刻检查砖块的水平度、垂直度和均匀度,并及时调整。
3.保墙面整洁:施工人员在施工过程中,应保持墙面的整洁,防止砂浆、胶泥等污染墙面。
4.正确使用材料:使用优质的胶泥、胶水等材料,确保施工效果和墙面的耐久性。
5.面砖拼贴方式:可以采用砖块水平拼贴、垂直拼贴或交叉拼贴等方式,以达到设计要求和美观效果。
6.控制砖与砖之间的缝隙:砖与砖之间的缝隙或密缝的控制要合理,同时考虑砖缝的保温、防水等功能。
釉面砖墙面施工工艺1.施工工艺工艺流程是:基层处理一抹底层一弹线挂线一湿润墙体与釉面砖一擦缝—整理。
釉面砖面层表面光洁,便于清洗,而且具有防潮、耐碱,对墙体起保护作用。
主要用在厨房、浴室、盥洗室、厕所等经常接触水的墙面。
釉面砖的粘贴又称饰面工程,一般由饰面层、黏结层及基层组成,饰面层材料即为各类釉面瓷砖;黏结层的材料由水泥或水泥砂浆与801胶及其他胶粘剂组成;基层是建筑装饰过的墙体。
(1)主要材料包括釉面砖、水泥、砂子和配件砖。
①釉面砖。
对质量要严加检查,要求色泽一致,若尺寸有误差,或翘曲变形、掉瓷与面层上有杂质等都不能使用。
②水泥。
使用325号以上标号的水泥,存放过久的水泥不能使用。
③砂子。
以中砂或细砂为佳,平均粒径不大于O. 35mm,使用前须过筛。
④配件砖。
大面积釉面砖粘贴后,必须用有关的配件砖收口,或用腰线与压顶条装饰。
(2)施工要求分基层处理和施工要点来进行分析。
①基层处理。
混凝土墙面的清洗步骤为:先用碱或洗涤剂一再用清水刷洗后一甩上1:l水泥砂浆一再将30%801胶水70%水,拌成水泥浆一甩成小拉毛一2d后,用1:3水泥砂浆罩底层。
砖墙面清洗步骤为:清扫浮土-剔除砖墙面上多余灰浆-用清水打湿墙面-用1:3水泥砂浆罩底层。
厨房和浴厕墙面的清洗步骤为:清洗油渍污垢一用手凿毛墙面;若墙面是纸筋石灰膏层,最好将它全部凿掉。
为确保釉面砖粘贴后不整幅离墙,最上一层砖的基层需凿得稍深。
釉面砖在粘贴前几小时充分浸水湿润,保证粘贴后,不至于因吸走灰浆中水分而粘贴不牢。
另外墙面也应充分湿水。
②施工要点。
施工前,开箱检查釉面砖的品种、规格及色彩等是否符合施工要求,然后按工程要求,分层、分段、分部位使用材料。
釉面砖既可采用横平竖直通缝式粘贴施工方法.也可采用错搓缝粘贴法,具体粘贴方法应根据不同环境、不同需要加以选择。
釉面砖横竖缝宽须保证在1〜1. 5mm范围之内。
对于死角、拐角、管线穿过的部位,不允许用碎砖随意粘贴,宜用整砖对缝吻合,墙面边缘的厚度应一致。
釉面砖墙面施工方案1. 引言釉面砖是一种常见的墙面装修材料,具有坚固耐用、防水防潮等特点,被广泛应用于住宅、商业建筑等场所的墙面装饰。
本文将提供釉面砖墙面施工方案,以指导施工人员正确高效地进行该装修工作。
2. 施工准备在正式进行釉面砖墙面施工前,需要进行一些准备工作,确保施工进展顺利。
2.1 材料准备根据实际需要计算釉面砖及其相关材料的数量,确保采购到足够的材料。
常用的材料包括:•釉面砖:根据设计要求和墙面面积计算,考虑到一定的损耗,确定釉面砖的数量。
•砂浆:根据釉面砖的规格和施工需求,选择适宜的粘结砂浆。
•砂子:用于配制砂浆,确保施工质量。
•墙面基层处理材料:例如底漆、界面剂等,用于提升砂浆与墙面基层的粘结强度。
•墙角线条:用于装饰墙面拐角处。
2.2 工具准备釉面砖墙面施工需要一些基本的工具,例如:•砖弯刀:用于切割釉面砖,确保拼接效果。
•砖切机:用于切割较大尺寸的釉面砖。
•手工砖锤:用于削平墙面基层。
•砌筑工具:例如镘刀、砂浆搅拌器等。
•测量工具:例如卷尺、水平仪等。
2.3 墙面基层处理在进行釉面砖施工前,必须对墙面基层进行处理。
具体步骤如下:1.清理墙面:清除墙面上的油污、灰尘等杂物,确保墙面干净。
2.基层处理:修补墙面基层的裂缝、凹陷等问题,保证基层平整。
3.上底漆:涂刷底漆,提升墙面基层的粘结性能。
3. 施工步骤3.1 确定砖缝宽度在进行釉面砖铺贴前,需要确定砖缝的宽度。
根据设计要求和实际装修效果,选择合适的砖缝宽度。
3.2 进行铺贴1.测量墙面尺寸:使用卷尺等测量工具,准确测量墙面的高度和宽度。
2.根据尺寸裁剪砖块:根据测量结果,使用砖弯刀或砖切机将釉面砖裁剪成合适的尺寸,确保拼接效果。
3.涂抹砂浆:使用镘刀等工具,在墙面基层上涂抹一层砂浆,厚度约为5mm。
4.贴砖:将裁剪好的釉面砖按照设计要求贴在涂抹了砂浆的墙面上,注意砖与砖之间的砖缝要保持一致。
5.整齐对齐:在贴砖过程中,使用木撬等工具推动砖块,使其整齐对齐,保持墙面平整。
金属釉面砖施工工艺流程一、施工前的准备。
施工前呀,那可得好好准备一番。
咱得先把材料准备全乎喽。
金属釉面砖这玩意儿,要仔细检查,看看有没有破损呀,颜色对不对呀。
就像挑水果一样,得挑好的。
还有就是数量得够,可不能干到一半发现砖不够了,那可就抓瞎啦。
工具也不能少。
像什么瓷砖切割机呀,要是砖的尺寸不合适,就得靠它来改改。
还有水平仪,这可是保证咱们贴砖贴得平平整整的大功臣。
要是没有它,贴出来的砖歪歪扭扭的,那可就难看死了,像个喝醉酒的人在墙上走出来的脚印似的。
墙面也得处理好呢。
墙面要是不平,就得先把它弄平了。
就像给墙面做个美容,把那些坑坑洼洼的地方都填平。
要是墙上有灰尘啥的,也得清扫干净,不然砖贴上去也不牢固,就像在脏桌子上贴贴纸,肯定粘不牢呀。
二、基层处理。
基层处理可是很重要的一步哦。
咱得在基层上刷上一层水泥砂浆,这就像是给墙面和砖之间搭个桥,让它们能更好地结合在一起。
水泥砂浆的比例可得掌握好,太稀了没力气,砖贴上去容易掉;太稠了呢,又不好抹开,就像一团浆糊似的,干了还容易裂。
在刷水泥砂浆的时候呀,要均匀地刷,不能这里厚那里薄的。
就像给面包涂果酱一样,得涂得匀匀的,这样每一块砖都能享受到同样的待遇,贴得稳稳当当的。
三、金属釉面砖的铺贴。
这一步可就到了正戏啦。
先在砖的背面抹上水泥砂浆,要抹得满满的,可不能小气。
然后把砖按照设计好的位置贴到墙面上。
贴的时候呀,要轻轻按一按,让它和墙面充分接触,就像给它一个温柔的拥抱,让它在墙上安安心心地待着。
每贴一块砖,都得用水平仪检查一下,看看是不是平的。
要是有一点不平,就得赶紧调整。
可不能让它就这么歪着,不然就像一颗老鼠屎坏了一锅粥,整个墙面就不好看了。
而且相邻的砖之间的缝隙也要保持一致,不能有的大有的小,那就像参差不齐的牙齿,不好看啦。
四、砖缝处理。
砖贴好之后,就到了处理砖缝的时候喽。
这就像是给砖做个精致的收尾工作。
我们可以用美缝剂来填缝。
美缝剂的颜色要选得合适,要和砖的颜色搭配起来好看。
室内贴釉面砖施工方案(一)施工准备1、材料(1)水泥: 普通水泥或矿渣水泥。
(2)白水泥: 白水泥(3)砂子: 中砂(4)面砖:面砖的品种、规格、图案、颜色均匀性必须符合设计规定, 砖表面平整方正, 厚度一致, 不得有缺楞、掉角和断裂等缺陷, 釉面砖的吸水率不得大于18%。
(5)石灰膏: 使用前一个月将生石灰焖淋, 应过3mm孔径的筛子, 淋成石灰膏。
同时石灰膏内不应含有未熟化的颗粒及杂质。
(6)生石灰粉: 提前一周用水浸泡。
(7)粉煤灰:细度过0.08mm方孔筛, 筛余量不大于5%。
2.作业条件(1)墙体抹灰完, 做好墙面防水层, 保护层和地面防水层, 混凝土垫层。
(2)做好内隔墙和水电管线埋设, 堵好管洞。
(3)安装好门窗框并用1: 3水泥砂浆将缝隙堵塞严实, 铝合金门窗框边缝所用嵌塞材料符合设计要求, 且应塞堵密实并事先粘贴好保护膜。
(4)脸盆架, 镜钩, 管卡, 水箱等应埋设好防腐木砖, 位置准确。
(5)弹好墙面+50cm水平线。
(6)如室内层高, 量大需搭设架子时, 要提前搭设好, 最好选用双排架子, 其横竖杆及拉杆等应离开门窗角和墙面150201mm,架子的步高要符合施工要求。
(7)墙面基层清理干净, 脚手眼堵好, 窗台板等事先安装好。
(8)大面积施工前应先做样板墙和样板间, 并经质管部门检查合格后再正式镶贴。
(二)操作工艺1、选砖选砖时要求方正, 平整、无裂纹, 楞角完好, 颜色均匀, 表面无凹凸和扭翘等毛病, 不合格的砖不用。
2.基层处理与抹底灰(1)基层为混凝土墙面首先将凸出墙面的混凝土剔平, 对大钢模施工的混凝土墙面应凿毛, 并用钢丝刷满刷一遍, 再浇水湿润。
如果基层混凝土很光滑, 亦可采取如下的“毛化处理”办法, 即先将表面尘土。
污垢清扫干净, 用10%碱水将墙面的油污刷掉, 随之用净水将碱液冲净, 晾干。
然后用1: 1水泥细砂浆内掺水重20%107胶, 喷或用扫帚将砂浆甩到墙上, 其甩点要均匀。
釉面砖墙面施工方法一、施工准备1、水泥:使用水泥强度等级不宜小于32.5。
2、砂子:应符合国家现行行业标准《普通混凝土用砂质量标准及检验方法》JGJ52的规定。
配置水泥砂浆体积比(强度等级)应符合设计要求。
3、瓷砖:要选色泽一致的砖,对规格要严加检查,若尺寸有误差,翘曲变形和面层上有杂质等,均应挑出不用。
二、施工工具云石机、切砖刀、胡桃钳、手凿、水平尺、墨斗、灰板、靠尺、胶皮锤、尼龙线、薄钢片等。
三、基层处理1、混凝土墙面处理:用清水刷洗,用1:1聚合水泥砂浆甩小拉毛,2天后抹按设计要求强度等级的砂浆。
2、粘贴前,墙面应充分湿水。
四、操作规程1、抹底层:粘贴前,清理基层,凹凸不平的墙面进行剔凿和修补,然后湿润表面,做到基层表面平整而粗糙。
2、弹竖线:对室内外粘贴瓷砖的每个墙面均应弹出立线,在弹线之前应先检查墙的平整度和室内尺寸,瓷砖粘贴层厚度,一般为5-7mm。
按瓷砖尺寸加砖缝,粘贴墙面两侧竖向定位瓷砖带,然后以此作标准线逐层挂线粘贴。
3、弹水平线及表面平整线(1)水平线:可利用墙面的50线。
(2)表面平整线是在每面墙上两侧竖向定位瓷砖带,粘贴时分层挂线,使薄钢片勾住拉紧,这条拉紧的线就是表面平整线,它既能控制每行砖的平整度,也能控制每行砖的水平度。
(3)挂线:选用已弹好的立线,在下面用拖板尺垫平、垫牢,使它和墙面底砖下线相平,然后在拖板尺上划出尺杆,其目的是决定能否赶整砖。
如赶不上,不能切割窄条砖,应该计算好,用割两块砖的办法来消除窄条现象,并应将切割的砖适当粘在不明显处,这样能使墙面砖比较整齐。
在尺杆定好后,要在竖线上、下端适当处钉入钉子,挂线成为竖向表面平整线。
表面平整线、横向水平线两端用薄钢片作为钩形,勾在两端砖上拉紧使用。
挂好后,经检查无误,在水平方向由左向右,在竖向由下往上,才能层层开始粘贴瓷砖。
(4)浸砖和湿润墙面:这是保证饰面质量的一个非常重要的技术环节。
瓷砖粘贴前应放入清水中浸泡2小时以上,然后取出晾干至手按砖背无水迹时方可粘贴且砖墙要提前一天湿润好,混凝土墙可以提前3-4小时湿润,以避免吸走粘结砂浆中的水分。
釉面砖的使用方法
釉面砖是一种常见的装饰材料,其表面经过釉面处理,具有光泽度高、耐磨损、易清洁等特点,广泛应用于墙面、地面、厨房、卫生间等空间的装饰。
以下是釉面砖的使用方法:
1. 准备工作:在安装釉面砖之前,需要确保墙面或地面的平整度和结实度。
若墙面或地面存在凸凹不平的情况,需要进行打磨或找平处理。
另外,需要准备好砖胶、砖缝填充剂等安装材料。
2. 测量尺寸:对需要安装釉面砖的墙面或地面进行测量,确定需要铺设的砖块数量和大小,并进行排列布局,切割和准备砖块。
3. 涂抹砖胶:使用砖胶将釉面砖粘贴在墙面或地面上。
在涂抹前需要保证墙面或地面干燥、清洁,以确保砖胶有效粘合。
将砖胶涂抹在墙面或地面上,用工具将其压实,并通过水平仪等工具确保表面平整度。
4. 铺设砖块:将铺设好的釉面砖逐个放入砖胶中。
使用橡皮锤或木棍等工具,将砖块压实,并通过水平仪等工具确保砖块表面平整度。
5. 砖缝填充:在砖块之间留出一定宽度的缝隙,使用砖缝填充剂将其填充。
通过刮刀等工具将填充剂刮平,确保缝隙完全填充。
6. 清洁保养:在釉面砖安装完成后,需要进行清洁和保养。
定期使用清洁工具清洁砖面,避免油渍、灰尘等污染影响砖面光泽度。
另外,避免使用酸性清洁剂等对釉面砖表面有腐蚀作用的清洁剂。
以上是釉面砖的使用方法,希望对您有所帮助。
釉面砖内墙面施工1、作业准备①根据设计要求,挑选规格一致、形状方正平整、不缺棱掉角,不开裂、不脱釉,无凹凸扭曲,颜色均匀一致的面砖选出备用。
②将选出的清扫干净釉面砖放入清水中浸泡不少于2h,然后取出阴干,阴干时间以表面无水膜又有潮湿感为准。
③饰面砖施工前,墙、顶面抹灰已施工完毕,并输工序交接手续。
④水电管线已施工完毕,便盆、浴盆及脸盆架都已放好位置线。
⑤房间地面防水层已施工完毕,并做好地面防水层保护层。
⑥室内墙面已弹好+50cm水平线。
2、基层处理:①将墙面基层清扫干净,表面明显凹凸处,用1:3水泥砂将找平,不同材料的基层表面相接处,先铺钉金属网,金属网宽度以压住不同材料基层相接处各20cm为宜。
②在清扫干净的基层上用801胶:水=1:4的801胶水溶液刷一道。
③在涂刷过801胶水溶液的基层上,采用7mm厚1:8水泥石灰砂浆进行打底,并做扫毛处理。
3、预排釉面砖铺贴时先进行面砖预排,使同一墙面的横竖排列,均不得有一行以上的非整砖,并将非整砖排在次要部位或阴角处。
并在管线、灯具卫生设施支承等部位,采用整砖套割吻合,不得用非整砖拼凑镶贴,以保证饰面的美观。
4、釉面砖的铺贴①铺贴釉面砖时,先贴若干块废釉面砖作为标志块,上下用托线板找直,作为粘贴厚度的依据,横向每隔1.5m左右作一个标志块,用拉线或靠尺校正平整度。
②釉面砖铺贴从阳角开始,并由下往上进行,铺贴采用1:0.1:2.5水泥石膏砂浆作为粘贴材料,以改善砂浆的和易怦,便于施工操作。
③铺贴时,用铲刀在釉面砖背面刮满刀灰,厚度5-6mm为宜,最大不超过8mm,砂浆用量以铺贴后刚好满浆为止,将贴于墙面的釉面砖用力按压,并用橡皮锤轻轻敲击,使釉面砖紧密贴于墙面,并用靠尺按标志块将其校正平直,铺贴完整行的釉面砖后再用长靠尺机横向校正一次。
④铺贴时,对于高出标志块的应轻轻敲击,使其平齐,若低于标志块的应取下釉面砖,重新挂满刀灰再铺贴,不得在砖口处塞灰。
⑤铺贴时,按上法依次铺贴,并保持与相临釉面砖的平整。
釉面砖的施工工艺及注意事项釉面砖是一种表面经过釉料处理的陶瓷砖,通常用于墙面和地面的装饰。
以下是釉面砖的施工工艺及注意事项:施工工艺:1. 准备工作:* 在施工前,确保基层墙面或地面平整、干燥、无尘。
* 检查瓷砖,确保质量无损。
* 准备好所需的施工工具和材料,包括瓷砖胶、勾缝剂、橡皮锤、切割工具等。
2. 浸泡瓷砖:* 有些瓷砖在施工前需要浸泡于水中,以防止其在吸附瓷砖胶时过于迅速,影响粘贴效果。
根据瓷砖的特性,遵循制造商的建议。
3. 瓷砖胶施工:* 使用专业的瓷砖胶,根据产品说明调制。
* 用齿形刀在基层表面均匀涂抹瓷砖胶,确保厚度均匀。
4. 瓷砖贴附:* 将瓷砖按照设计布局依次贴附到基层表面。
* 使用橡皮锤轻轻拍打瓷砖,确保其与基层表面贴合紧密。
5. 瓷砖间隙处理:* 在瓷砖之间留适当的缝隙,使用专业的勾缝剂填充。
* 勾缝剂干燥后,用湿布擦拭多余勾缝剂。
6. 施工完成后清理:* 在瓷砖施工完成后,清理施工现场,确保瓷砖表面无胶渍或其他杂物。
注意事项:1. 基层处理:确保墙面或地面的基层平整、干燥、无尘,且没有裂缝。
如果基层不平整,可能会影响釉面砖的粘贴效果。
2. 找平层:在施工之前,可以进行找平层的处理,确保墙面或地面的水平度和垂直度。
这有助于保证砖瓷贴合得更加均匀。
3. 湿润基层:在贴砖之前,可以先用水湿润基层,这有助于提高砖与基层的附着力。
4. 选用合适的胶水:选择适用于釉面砖的粘结胶水,确保粘结牢固。
不同的胶水适用于不同类型的瓷砖,包括釉面砖。
5. 切割砖瓷:需要根据需要切割砖瓷,确保与墙角、边缘等地方的贴合。
使用专业的切割工具,注意安全。
6. 砖缝处理:在砖与砖之间留有适当的砖缝,通常为2-5毫米,以便砖瓷之间有足够的伸缩空间,避免因温度变化引起的开裂。
7. 施工环境:在施工时,确保环境通风良好,并避免直射阳光或强风吹袭,以免影响粘贴效果。
8. 定位和检查:在粘贴每块砖之前,使用水平仪和垂直仪定位,并随时检查墙面或地面的平整度。
釉面砖施工工艺
流程:
1.基层处理:基层的地面应清理干净,如果表面有浮尘或其
它杂物,应清除干净。
2.放线:在基层上弹出水平线,在墙面弹出垂直线,以控制
釉面砖的尺寸。
3.排砖:按房间的大小和形状,用弹线工具将墙面上的砖,
用手排成一条直线,每一面墙上的砖必须在同一水平线上。
4.弹线:在墙或地面的四周弹出一条与垂直线垂直的水平线。
然后根据房间的长宽尺寸和墙面、地面的形状、高度,按线铺贴。
5.铺贴:在弹线完成后,根据弹线控制好铺贴高度,用砂浆
铺贴在墙上,用橡皮锤轻击,使之与水平线接触牢固。
铺贴时不
得留有缝隙。
6.勾缝:面砖铺贴24小时后,就可以勾缝了。
勾缝时应按
施工图纸的要求选择合适的材料和方法进行。
勾完缝后应及时用
水冲洗砖面。
7.清理:勾缝完成后应及时把勾缝剂擦干净。
8.检查:勾缝完毕后,要对瓷砖表面进行检查,如发现空鼓、起砂、裂纹等现象要及时修复。
— 1 —
9.清理:面砖铺贴完毕后,要清理干净墙面上的灰尘和污垢等物。
— 2 —。
釉面砖墙面施工方法
①材料准备
水泥32.5或42.5级矿渣水泥或普通硅酸盐水泥。
应有出厂证明或复验合格试单,若出厂日期超过三个月而且水泥以结有小块的不得使用;白水泥应为325号以上的,并符合设计和规范质量标准的要求。
砂子:中砂,粒径为0.35~0.5 mm,黄色河砂,含泥量不大于3%,颗粒坚硬、干净,无有机杂质,用前过筛,其他应符合规范的质量标准。
面砖:面砖的表面应光洁、方正、平整、质地坚固,其品种、规格、尺寸、色泽、图案应均匀一致,必须符合设计规定。
不得有缺楞、掉角、暗痕和裂纹等缺陷。
其性能指标均应符合现行国家标准的规定,釉面砖的吸水率不得大于10%。
石灰膏:用块状生石灰淋制,必须用孔径3mmx3mm的筛网过滤,并储存在沉淀池中,熟化时间,常温下不少于15d,用于罩面灰,不少于30d,石灰膏内不得有未熟化的颗粒和其他物质。
生石灰粉:磨细生石灰粉,其细度应通过4900孔/ cm2筛子,用前应用水浸泡,其时间不少于3d。
粉煤灰:细度过0.08mm筛,筛余量不大于5%;界面剂胶和矿物颜料:按设计要求配比,其质量应符合规范标准。
②作业条件
墙面抹灰完毕,做好墙面防水层、保护层和地面防水层、混凝土垫层。
搭设双排架子或钉高马凳,横竖杆及马凳端头应离开墙面和门窗角150~200mm。
架子的步高和马凳高、长度要符合施工要求和安全操作规程。
安装好门窗框扇,隐蔽部位的防腐、填嵌应处理好,并用1:3水泥砂浆将门窗框、洞口缝隙塞严实,框边缝所用嵌塞材料及密封材料应符合设计要求,且应塞堵密实,并事先粘贴好保护膜。
脸盆架、镜卡、管卡、水箱、煤气等应埋设好防腐木砖、位置正确。
按面砖的尺寸、颜色进行选砖,并分类存放备用。
统一弹出墙面上+50cm水平线,大面积施工前应先放大样,并做出样板墙,确定施工工艺及操作要点,并向施工人员做也交底工作。
样板墙完成后必须经质检部门鉴定合格后,还要经过设计、甲方和施工单位共同认定验收,方可组织班
组按照样板墙壁要求施工。
安装系统管、线、盒等安装完并验收。
室内温度应在+5℃以上。
③施工工艺
基层处理:将凸出墙面的混凝土剔平,对于基体混凝土表面很光滑的要凿毛,或用可掺界面剂胶的水泥细砂浆做小拉毛墙,也可刷界面剂、并浇水湿润基层。
10mm厚1:3水泥砂浆打底,应分层分遍抹砂浆,随抹随刮平抹实,用木抹搓毛。
待底层灰六、七成干时,按图纸要求,釉面砖规格及结合实际条件进行排砖、弹线。
排砖:根据大样图及墙面尺寸进行横竖向排砖,以保证面砖缝隙均匀,符合设计图纸要求,注意大墙面、柱子和垛子要排整砖,以及在同一墙面上的横竖排列,均不得有小于1/4砖的非整砖。
非整砖行应排在次要部位,如窗间墙或阴角处等。
但亦注意一致和对称。
如遇有突出的卡件,应用整砖套割吻合,不得用非整砖随意拼凑镶贴。
用废釉面砖贴标准点,用做灰饼的混合砂浆贴在墙面上,用以控制贴釉面砖的表面平整度。
垫底尺、计算准确最下一皮砖下口标高,底尺上皮一般比地面低1cm左右,以此为依据放好底尺,要水平、安稳。
选砖、浸泡:面砖镶贴前,应挑选颜色、规格一致的砖;浸泡砖时,将面砖清扫干净,放入净水中浸泡2h以上,取出待表面晾干或擦干净后方可使用。
粘贴面砖:粘贴应自下而上进行。
抹8 mm厚1:0.1:2.5水泥石灰膏砂浆结合层,要刮平,随抹随自上而下粘贴面砖,要求砂浆饱满,亏灰时,取下重贴,并随时用靠尺检查平整度,同时保证缝隙宽度一致。
贴完经自检无空鼓、不平、不直后,用棉丝擦干净,用钩缝胶、白水泥或拍干白水泥擦缝,用布将缝的素浆擦匀,砖面擦净。
④质量标准
饰面砖的品种、规格、颜色、图案和性能必须符合设计要求。
饰面砖粘贴工程的找平、防水、粘结和勾缝材料及施工方法应符合设计要求、
国家现行产品标准、工程技术标准及国家环保污染控制等规定。
饰面砖镶贴必须牢固。
满粘法施工的饰面砖工程应无空鼓、裂缝。
饰面砖表面应平整、洁净、色泽一致,无裂痕和缺陷。
阴阳角处搭接方式、非整砖使用部位应符合设计要求。
墙面突出物周围的饰面砖应整砖套割吻合,边缘应整齐。
墙裙、贴脸突出墙面的厚度应一致。
饰面砖接缝应平直、光滑,填嵌应连续、密实;宽度和深度应符合设计要求。
⑤成品保护
要及时清擦干净残留在门框上的砂浆,施工人员应加以保护,不得碰坏。
认真贯彻合理的施工顺序,少数工种(水、电、通风、设备安装等)的工作应做在前面,防止损坏面砖。
如果面砖上部为涂料,宜先做涂料,然后贴面砖,以免污染墙面。
若需先做面砖时,完工后必须采取贴纸或塑料薄膜等措施,防止污染。
各抹灰层在凝结前应防止风干、水冲和振动,以保证各层有足够的强度。
搬、拆架子时注意不要碰撞墙面。
装饰材料和饰件以及饰面的构件,在运输、保管和施工过程中,必须采取措施防止损坏。