2001年发改委585号文件
- 格式:doc
- 大小:27.00 KB
- 文档页数:6
国家计委、财政部关于全面整顿住房建设收费取消部分收费项目的通知计价格〔2001〕585号各省、自治区、直辖市人民政府,国务院各部门:近年来,各级政府针对住房建设领域收费混乱的问题采取了一系列整顿措施,取得了一定成效。
但从各地反映的情况看,住房建设收费过多,仍是当前影响住房建设和消费的一个突出问题,企业和群众意见很大。
为深入贯彻《国务院批转国家计委关于加强房地产价格调控加快住房建设意见的通知》(国发〔1998〕34号)精神,切实减轻房地产开发企业和购房者负担,加快住房建设和销售步伐,促进经济发展,经报请国务院批准,决定进一步开展整顿住房建设收费工作。
现将有关事项通知如下:一、整顿住房建设收费的范围和重点。
整顿住房建设收费的范围,包括住房建设项目规划、立项、征地、建设、销售及使用全过程的各种收费。
整顿的重点是,取消所有未按规定权限和程序设置的收费项目;取消虽按规定权限和程序设置,但与现行产业政策、行政管理体制变化情况不相符合已失去合理性的收费项目及重复设置的收费项目。
二、取消一批不合法、不合理的收费项目。
各地执行的行政事业性收费项目,凡与本通知公布取消的收费项目(见附件)性质、内容相类似的,不论冠以何种名称,一律取消。
同时,1999年财政部、国家计委在批复地方涉及企业负担的行政事业性收费项目时,已明确规定到2000年底取消的收费项目,必须取消。
除统一公布取消的及限期取消的收费项目外,其他涉及住房建设的行政事业性收费项目,各地也要进行逐项清理,由省、自治区、直辖市人民政府财政、价格主管部门提出取消、保留、合并、降低收费标准的意见,报省、自治区、直辖市人民政府(以下简称省级人民政府)批准、公布,并报财政部、国家计委备案。
对明令取消的收费项目,价格部门要随即办理收费许可证注销手续,财政部门要及时收缴已发放的行政事业性收费票据。
上述收费项目取消后,有关部门履行政府规定的行政管理职能所需必要的经费开支,由同级财政部门通过预算酌情予以安排。
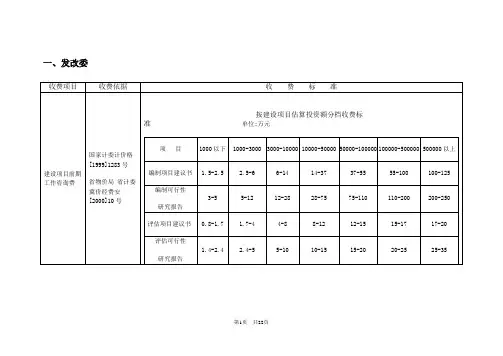
江苏移动通信工程设计预算指导意见总则为进一步加强通信工程成本管理,统一全省通信工程设计预算编制,规范设计、施工、监理费用结算,合理指导工程物资选择,省公司依据国家相关规定和相关框架协议,结合实际建设需求,汇编形成了《江苏移动通信工程设计预算指导意见(2017年版)》,供各分公司参考执行。
适用专业如下:无线网工程(含2G/3G无线网工程、4G无线网工程、室内分布系统、小基站及配套工程)、传送网工程(含传输设备、传输管线工程)、核心网工程、承载网工程、业务网工程、支撑网工程、通信机楼电源及机房配套工程。
编制依据如下:1、《工程勘察设计收费管理规定》(计价格【2002】10号文);2、《建设工程监理与相关服务收费管理规定》(发改价格【2007】670号);3、财政部、国家发改委《关于公布取消和停止征收100项行政事业性收费项目的通知》(财综【2008】78号);4、《国家发展改革委关于进一步放开建设项目专业服务价格的通知》(发改价格【2015】299号);5、工业与信息化部关于发布《通信建设工程概算、预算编制办法》及相关定额的通知(工信部规【2008】75号);6、工业与信息化部关于发布《无源光网络(PON)等通信建设工程补充定额》(工信部通【2011】426号);7、工业和信息化部通信工程定额质监中心发布《关于营业税改增值税后通信建设工程定额相关内容调整的说明》(中心造【2016】08号);8、工业与信息化部发布《关于印发信息通信建设工程预算定额、工程费用定额及工程概预算编制规程的通知》(工信部通信【2016】451号);9、国家的其他相关文件规定;10、江苏移动与各设计、施工、监理单位签订的框架协议。
目录第一章工程设计预算计取基准 (4)一、表一说明 (4)二、表二说明 (4)(一)直接工程费 (4)(二)措施项目费 (5)(三)间接费 (10)(四)利润 (11)(五)销项税额 (11)三、表三说明 (12)四、表四说明 (12)五、表五说明 (12)第二章设计、施工、监理费结算计取基准 (16)第一节工程勘察设计费计取基准 (16)一、勘察设计费计取基准总则 (16)(一)设计费 (17)(二)勘察费 (18)(三)总体设计费及主体设计协调费 (19)(四)编制可行性研究报告收费 (20)二、无线网工程 (20)(一)2G/3G/4G无线网工程/小基站工程 (20)(二)BSC/RNC/OMCR/4G OMCR (21)(三)室内分布系统 (21)(四)小土建工程 (22)三、传送网工程 (22)四、核心网工程 (22)五、承载网工程 (22)六、业务网工程 (23)七、支撑网工程 (23)八、通信机楼电源及机房配套工程 (23)九、其他 (23)第二节工程施工费计取基准 (23)一、工程施工费总则 (23)二、无线网工程 (25)(一)宏站/小基站主设备/配套 (25)(二)室内分布系统(含信源) (27)(三)小土建配套 (29)三、传送网工程 (30)(一)施工费费用构成 (30)(二)常见争议工日释疑 (33)(三)定额套用说明 (34)四、核心网工程 (35)(一)工程范畴 (35)(二)核心网常用定额 (35)(三)取费说明 (35)五、承载网工程 (36)(一)承载网常用定额 (36)(二)取费说明 (36)六、业务网工程 (37)(一)业务网常用定额 (37)(二)取费说明 (37)七、支撑网工程 (38)(一)支撑网常用定额 (38)(二)取费说明 (38)八、核心机房配套工程 (39)(一)常用定额 (39)(二)取费说明 (39)第三节工程监理费计取基准 (39)一、工程监理费计取基准总则 (39)二、无线网工程 (40)三、核心网工程 (40)四、承载网工程 (40)五、业务网工程 (41)六、传送网工程 (40)七、支撑网工程 (41)第三章工程材料选取原则及列表 (41)一、设计材料选取总则 (41)二、辅材、乙供材列表 (42)(一)无线网工程辅材列表 (42)(二)传送网工程管道乙供材列表 (42)(三)传送网工程线路乙供材列表 (42)(四)核心网工程辅材列表 (43)(五)承载网工程辅材列表 (43)(六)业务网、支撑网工程辅材列表 (43)(七)核心机房配套工程 (43)第一章工程设计预算计取基准一、表一说明表一供编制单项(单位)工程概算(预算)使用。
各设区市工商行政管理局政研法规科(处):按省局通知在本月27—29日在鹰潭龙虎山开案例分析会。
之前各设区市局均提供了案例分析材料,因有些市提供的案件不存在争议,故没有纳入本次会议讨论。
现将汇总的案例分析材料的电子材料发给你们,请参会人员认真研究,在会议上积极发言。
请参会人员自带此材料。
案例一材料:乐安县海峡液化气有限公司销售不符合国家强制性标准液化气案,对于此案争议的问题是:1、该案适用法律存在争议。
意见之一是适用《产品质量法》第49条处罚,意见之二是适用《标准化法》处罚。
2、该案在调查取证中存在争议。
意见之一是办案机构不能抽检的方式开展调查,所抽查的13瓶液化石油气的结果不能说明当事人销售的60吨液化石油气全部不符合国家强制性标准。
意见之二是办案机构可从公司有关单位(公证机关)进行抽查,其调查结果和公证书足以证实当事人的违法事实。
3、液化气短斤少两是市场上常见的违法行为,牵涉到千家万户,我局也多次接到消费者投诉,如何正确处理这种违法行为是摆在大家面前的一道难题。
案例二材料:某县房地产公司在建造商品楼时,制作了写有:“美苑小区,高档典雅,黄金地段,欢迎选购”等字样的横幅多条,并将它悬挂在自己建造的楼房上。
后来其行为被该县工商局执法人员发现,并接受了调查。
执法人员在调查中发现,该广告未经工商部门登记,便责令该房地产公司经历曾某将该广告拆除。
而曾某认为,虽然该广告未该县工商局进行登记属实,但是该广告并没有在一些公告场合悬挂,只是在自己建造的楼房上悬挂,而且该楼房在自己单位的围墙内,不应认定为户外广告。
同样的情况还存在自有的汽车上做广告要登记吗?案例三材料:2008年1月25日,某区工商局接消费者投诉,反映某超市销售的安福火腿涉嫌作引人误解的虚假宣传,为查明事实,遂立案调查。
经查实,该超市于2008年1月10日从安福某火腿厂购进12盒火腿。
该火腿属普通食品,但其外包装盒和产品说明书上分别标注“具有分健脾开胃、生津益血、壮肾阳、固骨髓等功效”的广告字样。
开封市人民政府关于印发开封市城市基础设施配套费征收管理办法的通知文章属性•【制定机关】开封市人民政府•【公布日期】2010.06.17•【字号】汴政[2010]94号•【施行日期】2010.07.01•【效力等级】地方规范性文件•【时效性】现行有效•【主题分类】城市建设正文开封市人民政府关于印发开封市城市基础设施配套费征收管理办法的通知(汴政[2010]94号)各县、区人民政府,市人民政府有关部门:《开封市城市基础设施配套费征收管理办法》已经市政府第27次常务会议研究通过,现印发给你们,请认真贯彻执行。
二○一○年六月十七日开封市城市基础设施配套费征收管理办法第一条为规范城市基础设施配套费(以下简称城市配套费)的征收、使用和管理,促进城市基础设施建设,根据原国家计委、财政部《关于全面整顿住房建设收费取消部分收费项目的通知》(计价格〔2001〕585号)和河南省发改委、河南省财政厅《关于开封市城市基础设施配套费收费标准及有关问题的批复》(豫发改收费〔2001〕671号)文件精神,结合本市实际,制定本办法。
第二条城市配套费是指按城市总体规划要求,为筹集城市基础设施建设资金所收取的费用。
其用途是专项用于城市道路、桥涵、供气、供热、给排水、路灯照明、环卫设施、园林绿化、公用消防设施等城市基础设施建设。
第三条凡在本市城市规划区内新建、扩建和改建建设项目(不含城市规划建设用地范围以外的农民在宅基地建设住宅房项目)的单位和个人,均应按照本办法缴纳城市配套费。
第四条本市城市规划区内的城市配套费由市财政部门作为征收机关负责征收管理,征收机关应按规定到市价格主管部门办理《收费许可证》,公开收费项目和收费标准。
征收城市配套费应使用省财政厅统一监制的行政事业性收费基金票据,所征收资金纳入基金预算,实行“收支两条线”管理。
第五条城市配套费的征收标准按建设项目的建筑面积计征,每平方米征收120元;对没有热力、天燃气配套设施或配套设施不全的建设项目,其城市配套费分类核减计征,将来热力、天燃气配套后再予以补缴。
福建省人民政府关于印发福建省城市基础设施配套费征收管理规定的通知各市、县(区)人民政府,省政府各部门、各直属机构,各大企业,各高等院校:省物价局、财政厅制定的《福建省城市基础设施配套费征收管理规定》已经省人民政府研究同意,现印发给你们,请遵照执行。
福建省城市基础设施配套费征收管理规定省物价局、省财政厅为了进一步规范城市基础设施配套费的征收管理,促进我省城市基础设施建设,根据《国家计委、财政部关于全面整顿住房建设收费取消部分收费项目的通知》(计价格[2001]585号)和《福建省人民政府贯彻国家计委、财政部关于全面整顿住房建设收费取消部分收费项目的通知》(闽政文[2001]158号)精神,现对我省城市基础设施配套费征收管理重新规定如下:一、凡在我省城市(含县城、建制镇)规划区范围内进行各类工程建设(包括新建、扩建和改建)的单位和个人,均应按本规定缴交城市基础设施配套费(以下简称“配套费”)。
二、配套费主要用于建设项目以外的市政公用配套设施,包括城市主次干道、给排水、供电、供气、路灯、公共交通、环境卫生和园林绿化等项目的建设和维护,是市政基础设施建设资金的补充,与各项城市建设资金统筹安排使用。
城市基础设施配套费由城市建设行政主管部门会同财政部门编制年度资金使用计划,报当地人民政府批准实施。
三、新建项目的配套费按建设工程规划许可证核准的建筑面积征收;扩建、改建项目的配套费按新增建筑面积征收。
对于容积率小于1的建设项目,配套费按容积率为1的建筑面积征收;容积率大于4的建设项目,配套费按容积率为4的建筑面积征收。
四、配套费应一次性缴纳,由市、县、镇建设部门负责收取。
建设单位和个人凭缴纳配套费的收据到规划部门办理建设工程规划许可证或建筑工程施工许可证。
对以招标、拍卖、挂牌交易方式出让土地的建设项目,土地出让价格中已包含配套费的,配套费的具体额度按照容积率折算成建筑面积,结合征收标准测算。
土地出让后,应将配套费转入财政专户,专款用于城市市政基础设施建设。
国家计委财政部关于全面整顿住房建设收费取消部分收费项目的通知国家发展计划委员会文件财政部计价格〔2001〕585号各省、自治区直辖市人民政府,国务院各部门:近年来,各级政府针对住房建设领域收费混乱的问题采取了一系列整顿措施,取得了一定成效。
但从各地反映的情况看,住房建设收费过多,仍是当前影响住房建设和消费的一个突出问题,企业和群众意见很大。
为深入贯彻《国务院批转国家计委关于加强房地产价格调控加快住房建设意见的通知》(国发〔1998〕34号)精神,切实减轻房地产开发企业和购房者负担,加快住房建设和销售步伐,促进经济发展,经报请国务院批准,决定进一步开展整顿住房建设收费工作。
现将有关事项通知如下:一、住房建设收费的范围和重点整顿住房建设收费的范围,包括住房建设项目规划、立项。
征地、建设、销售及使用全过程的各种收费。
整顿的重点是取消所有未按规定权限和程序设置的收费项目;取消虽按规定权限和程序设置,但与现行产业政策、行政管理体制变化情况不符合已失去合理性的收费项目及重复设置的收费项目!二、取消一批不合法、不合理的收费项目。
各地执行的行政事业性收费项目,凡与本通知公布取消的收费项目,凡与本通知公布取消的收费项目(见附件)性质、内容相类似的,不论冠以何种名称,一律取消。
同时,1999年财政部、国家计委在批复地方涉及企业负担的行政事业性收费项目时,已明确规定到2000年底取消的收费项目,必须取消。
除统一公布取消的及限期取消的收费项目外,其他涉及住房建设的行政事业性收费项目,各地也要进行逐项清理,由省、自治区、直辖市人民政府财政、价格主管部门提出取消、保留、合并、降低收费标准的意见,报省、自治区、直辖市人民政府(以下简称省级人民政府)批准公布,并报财政部、国家计委备案。
对明令取消的收费项目,价格部门要随即办理收费许可证注销手续,财政部门要及时收缴已发放的行政事业性收费票据。
上述收费项目取消后,有关部门履行政府规定的行政管理职能所需必要的经费开支,由同级财政部门通过预算酌情予以安排。
国家计委财政部关于全面整顿住房建设收费取消部分收费项目的通知国家发展计划委员会文件财政部计价格〔2001〕585号各省、自治区直辖市人民政府,国务院各部门:近年来,各级政府针对住房建设领域收费混乱的问题采取了一系列整顿措施,取得了一定成效。
但从各地反映的情况看,住房建设收费过多,仍是当前影响住房建设和消费的一个突出问题,企业和群众意见很大。
为深入贯彻《国务院批转国家计委关于加强房地产价格调控加快住房建设意见的通知》(国发〔1998〕34号)精神,切实减轻房地产开发企业和购房者负担,加快住房建设和销售步伐,促进经济发展,经报请国务院批准,决定进一步开展整顿住房建设收费工作。
现将有关事项通知如下:一、住房建设收费的范围和重点整顿住房建设收费的范围,包括住房建设项目规划、立项。
征地、建设、销售及使用全过程的各种收费。
整顿的重点是取消所有未按规定权限和程序设置的收费项目;取消虽按规定权限和程序设置,但与现行产业政策、行政管理体制变化情况不符合已失去合理性的收费项目及重复设置的收费项目!二、取消一批不合法、不合理的收费项目。
各地执行的行政事业性收费项目,凡与本通知公布取消的收费项目,凡与本通知公布取消的收费项目(见附件)性质、内容相类似的,不论冠以何种名称,一律取消。
同时,1999年财政部、国家计委在批复地方涉及企业负担的行政事业性收费项目时,已明确规定到2000年底取消的收费项目,必须取消。
除统一公布取消的及限期取消的收费项目外,其他涉及住房建设的行政事业性收费项目,各地也要进行逐项清理,由省、自治区、直辖市人民政府财政、价格主管部门提出取消、保留、合并、降低收费标准的意见,报省、自治区、直辖市人民政府(以下简称省级人民政府)批准公布,并报财政部、国家计委备案。
对明令取消的收费项目,价格部门要随即办理收费许可证注销手续,财政部门要及时收缴已发放的行政事业性收费票据。
上述收费项目取消后,有关部门履行政府规定的行政管理职能所需必要的经费开支,由同级财政部门通过预算酌情予以安排。
第一章建设工程费用组成建设工程费由直接费、间接费、利润和税金四局部组成。
组成简图如下:〔详图见定额〕一、直接费由直接工程费和措施工程费组成。
〔一〕直接工程费:是指施工过程中消耗的构成工程实体的各项费用。
包括人工费、材料费、施工机械使用费。
1、人工费:是指直接从事建设工程施工的生产工人开支的各项费用。
内容包括:⑴根本工资:是指发放给生产工人的根本工资。
⑵工资性补贴:是指按规定标准发放的物价补贴,煤、燃气补贴,交通补贴,住房补贴,流动施工津贴,自备工具购置、补贴等。
⑶生产工人辅助工资:是指生产工人年有效施工天数以外非作业天数的工资,包括职工学习、培训期间的工资,调开工作、探亲、休假期间的工资,因气候影响的停工工资,女工哺乳时间的工资,病假在六个月以内的工资及产、婚、丧假期的工资。
⑷职工福利费:是指按规定标准计提的职工福利费。
⑸生产工人劳动保护费:是指按规定标准发放的劳动保护用品的购置及修理费,徒工服装补贴,防暑降温费,在有碍身体健康环境中施工的保健费用等。
2、材料费:是指施工过程中消耗的构成工程实体的原材料、辅助材料、构配件、零件、半成品的费用。
内容包括:⑴材料原价〔或供给价格〕⑵材料运杂费:是指材料自来源地运至工地仓库或指定堆放地点所发生的费用。
⑶运输损消耗:是指材料在运输装卸过程中不可防止的损耗。
⑷采购及保管费:是指为组织采购、供给和保管材料过程中所需要的各项费用。
包括:采购费、仓储费、工地保管费、仓储损耗。
⑸检验试验费:是指对建筑材料、构件和建筑安装物进行一般鉴定、检查所发生的费用,包括自设试验费和建设单位对具有出厂合格证明的材料进行检验,对构件做破坏性试验及其他特殊要求检验试验的费用。
3、施工机械使用费:是指施工机械作业所发生的机械使用费以及机械安拆费和场外运费。
施工机械台班单价由以下七项费用组成:⑴折旧费:指施工机械在规定的使用年限内,陆续收回其原值及购置资金的时间价值。
⑵大修理费:指施工机械除大修理以外的各级保养和临时故障排除所需的费用。
关于全面整顿住房建设收费取消部分收费项目的通知》计价格(2001)585号各省、自治区、直辖市人民政府,国务院各部门:近年来,各级政府针对住房建设领域收费混乱的问题采取了一系列整顿措施,取得了一定成效。
但从各地反映的情况看,住房建设收费过多,仍是当前影响住房建设和消费的一个突出问题,企业和群众意见很大。
为深入贯彻《国务院批转国家计委关于加强房地产价格调控加快住房建设意见的通知》(国发〔1998〕34号)精神,切实减轻房地产开发企业和购房者负担,加快住房建设和销售步伐,促进经济发展,经报请国务院批准,决定进一步开展整顿住房建设收费工作。
现将有关事项通知如下:一、整顿住房建设收费的范围和重点。
整顿住房建设收费的范围,包括住房建设项目规划、立项、征地、建设、销售及使用全过程的各种收费。
整顿的重点是,取消所有未按规定权限和程序设置的收费项目;取消虽按规定权限和程序设置,但与现行产业政策、行政管理体制变化情况不相符合已失去合理性的收费项目及重复设置的收费项目。
二、取消一批不合法、不合理的收费项目。
各地执行的行政事业性收费项目,凡与本通知公布取消的收费项目(见附件)性质、内容相类似的,不论冠以何种名称,一律取消。
同时,1999年财政部、国家计委在批复地方涉及企业负担的行政事业性收费项目时,已明确规定到2000年底取消的收费项目,必须取消。
除统一公布取消的及限期取消的收费项目外,其他涉及住房建设的行政事业性收费项目,各地也要进行逐项清理,由省、自治区、直辖市人民政府财政、价格主管部门提出取消、保留、合并、降低收费标准的意见,报省、自治区、直辖市人民政府(以下简称省级人民政府)批准、公布,并报财政部、国家计委备案。
对明令取消的收费项目,价格部门要随即办理收费许可证注销手续,财政部门要及时收缴已发放的行政事业性收费票据。
上述收费项目取消后,有关部门履行政府规定的行政管理职能所需必要的经费开支,由同级财政部门通过预算酌情予以安排。
一、发改委
第1页共22页
二、环保局:
(一)项目建设环境咨询收费标准(冀价格[2002]125号)
注:编制环境影响报告书:占地面积10万平方米以上,敏感区;
建筑面积10万平方米以上,敏感区
第2页共22页
(二)多项稽查
第3页共22页
三、规划局:
第4页共22页
四、土地局:
第5页共22页
第6页共22页
五、建设局
第7页共22页
第8页共22页
第9页共22页
附件2城市道路挖掘修复收费标准
附件3:城市道路挖掘修复收费标准
备注:1、挖掘新建2年以内道路掘路修复费加收2倍;新建3-5年的道路加收1倍;6年以上道路按上表收费。
2、冬季(11月15日至翌年3月5日)掘路;在规定年限加收基础上再加收1倍掘路修复费。
3、经批准掘路后,掘路单位和个人须按掘路修复
和回填费总价的1.5倍向市政设施管理部门预交掘路保证金,工程完工,经市政设施管理部门验收合格后,以保证金冲抵应交费用,多退少补。
六、气象局:
第13页共22页
七、人防办:
八、质量技术监督局
第14页共22页
九、广播电视局:
第15页共22页
十、燃气公司
十一、热力公司
第16页共22页
十二、散装水泥办
十三、地震局
第17页共22页
十四、给排水公司
第18页共22页
十五、房管局:
第19页共22页
十七、开工前缴纳竣工后返还的费用
十八、开工前缴纳,随支付工程抵扣的费用
第20页共22页
十九、乙方(施工企业)缴纳费用
第21页共22页
二十、消防支队
二十一、供电公司
第22页共22页。
设计概算中工程建设其他费用取费项目的界定【摘要】初步设计概算中工程建设其他费用在不同的建设项目中,其取费项目并不完全一致,经常有漏项缺项的情况发生,本文从实用角度出发,全面分析并总结了目前我国概算工作中其他费用取费项目的整体状况。
【关键词】初步设计;概算;其他费用;取费项目1 概述工程建设其他费用是指应在建设项目的建设投资中开支的,从工程筹建起到工程竣工验收交付使用为止的除建筑安装工程费用和设备及工、器具购置费用以外的固定资产其他费用、无形资产费用和其他资产费用。
这三种其他费用中,有的是与土地使用有关的其他费用,有的是与工程建设有关的其他费用,有的是与未来企业生产经营有关的其他费用。
不论采用何种分类方法,这些费用计费项目的确定、计费的方法和依据,都需要根据建设项目实际情况,依据取费项目的发布部门、适用范围、有效期等逐一进行确认。
2 工程建设其他费用涉及的取费项目在工程建设其他费用的计算中,由于不同地区、不同时期、不同工程涉及的取费项目均有不同程度的差异,本文重点没有放在对这些取费项目的分类探讨上,而是以分析及总结取费项目的整体状况为主,以下按照概算总表中需要记取费用的项目逐一进行说明:2.1建设管理费建设管理费是指建设单位从项目筹建开始直至工程竣工验收合格或交付使用为止发生的项目建设管理费用。
此项费用包括以下两项:2.1.1建设单位管理费:按照财建[2003]724号文件的解释,是指建设单位从筹建之日起至办理竣工财务决算之日止发生的管理性质开支,按财建[2002]394号文件,以工程总概算为基数,分档计算。
此项费用所有建设项目均要求计入工程建设其他费用。
2.1.2工程监理费:是指建设单位委托工程监理单位实施工程监理的费用。
此项费用应按国家发展改革委、建设部关于印发《建设工程监理与相关服务收费管理规定》(发改价格[2007]670号)文件计算。
概算阶段工程监理费一般按照建设项目工程概算投资额分档定额计费,按直线内插法计算。
附件贵州广电网络建设工程预算定额编制指导意见(暂行)一、编制依据(一)国家广播电影总局[2008]69号配套文件包括:《广播电视传输网络系统安装工程预算定额 GY5212-2008》《广播电视传输网络系统费用定额及费用组成》《广播电视传输网络系统施工机械、仪器仪表台班定额、材料预算单价(第二期)》(二)配套法规文件1、建筑安装工程费相关法规文件关于印发《建筑安装工程费用项目组成》的通知(建标[2003]206号)建筑工程施工发包与承包计价管理办法(建设部令第107号)关于印发《建筑工程安全防护、文明施工措施费用及使用管理规定》的通知(建办[2005]89号)国家重大建设项目文件归档要求与档案整理规范(行业标准DA/T 28-2002)中华人民共和国劳动保险条例中华人民共和国失业保险条例(国务院令第258号)国务院关于建立统一的企业职工基本养老保险制度的决定(国发[1997]26号)关于调整基本养老保险个人缴费比例的通知(劳社部发[2003]6号)国务院关于修改《住房公积金管理条例》的决定(国务院令第350号)财政部关于印发《中央基本建设投资项目预算编制暂行办法》的通知(财建[2002]338号)2、工程建设其他费计价依据相关法规文件中华人民共和国土地管理法(主席令第28号)财政部关于印发《基本建设财务管理规定》的通知(财建[2002]394号)财政部关于解释《基本建设财务管理规定》执行中有关问题的通知(财建[2003]724号)国家计委关于印发建设项目前期工作咨询收费暂行规定的通知(计价格[1999]1283号)国家计委、建设部关于发布《工程勘察设计收费管理规定》的通知(计价格[2002]10号)国家发展计划委员会、国家环境保护总局关于规范环境影响咨询收费有关问题的通知(计价格[2002]125号)国家计委、财政部关于整顿和规范招标投标收费的通知(计价格[2002]520号)国家计委关于印发《招标代理服务收费管理暂行办法》的通知(计价格[2002]1980号)国家发展改革委办公厅关于招标代理服务收费有关问题的通知(发改办价格[2003]857号)国家发展改革委、建设部关于印发《建设工程监理与相关服务收费管理规定》的通知(发改价格[2007]670号)国家计委、财政部关于全面整顿住房建设收费取消部分收费项目的通知(计价格[2001]585号)建设项目(工程)劳动安全卫生预评价管理办法(劳动部令第10号)财政部、国家发展改革委关于发布2007年全国性及中央部门和单位行政事业性收费项目目录的通知(财综[2008]10号)中华人民共和国价格法(主席令第92号)(三)相关合同协议施工企业招投标结果及相应的合同规定设计企业招投标结果及相应的合同规定监理企业招投标结果及相应的合同规定集中采购物资招投标结果及相应的合同规定贵州省广播电视网络建设公司关于建设项目管理的相关文件要求二、适用范围及作用本指导意见仅适用与《国家广播电影总局[2008]69号配套文件》配合使用,可用于贵州广电网络建设工程中大、中、小型新建、改建和扩建广播电视传输网络系统前端设备安装工程、传输干线(有线、无线)线路工程、城域网线路工程以及广播电视接入网系统设备安装工程、闭路电视监控系统工程的施工图预(概)算、竣工结算、工程招标、投标标底的编制。
广西壮族自治区物价局文件广西壮族自治区财政厅桂价费字[2001]250号★关于转发国家计委、财政部全面整顿住房建设收费取消部分收费项目的通知各地、市、县人民政府,区直各部门:最近,国家计委、财政部发出《关于全面整顿住房建设收费取消部分收费项目的通知》(计价格[2001]585号),决定进一步开展整顿住房建设收费工作。
自治区人民政府办公厅批示,由自治区物价局、财政厅在全区范围内认真组织贯彻执行,为此,现将该文转发你们,并结合我区实际情况,将有关事项通知如下,请一并贯彻执行:一、根据国家计委、财政部计价格[2001]585号文精神,取消自治区物价局、财政厅批准设立的9项行政事业性收费项目(见附件一)。
同时,自治区财政厅、物价局桂预外财综字[1999]066号文规定执行到2000年底的“建筑施工队伍管理费”和“建筑工程施工招标投标管理费”,从2001年元月1日起停止执行。
对清理取消的收费项目,物价部门要抓紧办理收费许可证注销手续,财政部门要及时收缴已发放的行政事业性收费票据。
二、各地、市、县物价、财政部门按照国家计委、财政部计价格[2001]585号文规定的规范和重点,对其他涉及住房建设的行政事业性收费进行逐项清理,由地、市物价、财政部门提出取消、保留、合并、降低收费标准的意见,于2001年8月15日前报自治区物价局、财政厅,经自治区物价局、财政厅汇总审核后报自治区人民政府批准。
三、降低土地部门的征地管理费,建设部门的房屋折迁管理费、工程质量监督费,劳动部门的劳动合同签证费收费标准(见附件2)。
四、其他有关事项,按国家计委、财政部计价格[2001]585号文的规定执行。
五、请各地、市人民政府将本地区贯彻落实本通知的情况,于2001年8月底前报自治区物价局、财政厅。
广西壮族自治区物价局广西壮族自治区财政厅二OO一年七月十二日附件一:取消以下经自治区物价局、财政厅批准设立的收费项目收费部门和收费项目原批准收费文号建设部门(一)房屋租赁鉴证管理费桂价房字[1997]078号(二)房屋赠与鉴证费桂价房字[1997]078号(三)房屋典当、抵押鉴证费桂价房字[1997]078号(四)房屋买卖鉴证费桂价房字[1997]078号(五)房屋交换鉴证费桂价费字[1993]066号(六)房屋继承、分折鉴证费桂价费字[1993]066号土地部门(七)征地不可预见费桂价涉字[1994]210号劳动部门(八)外来劳动力管理费桂价费字[1995]034号卫生防疫部门(九)工程卫生学综合评价费桂价费字[1993]169号附件二:降低标准后的收费项目、标准表序号收费项目计费单位原收费标准降低后收费标准原批准收费文号(一)征地管理费桂价涉字[1994]210号1 全包方式(1)耕地1000亩以上非耕地2000亩以上征地费总额3% 2.1%(2)耕地1000以下非耕地2000亩以下征地费总额4% 2.8%2 半包方式(1) 耕地1000亩以上非耕地2000亩以上征地费总额2% 1.4%(2) 耕地1000亩以下非耕地2000亩以下征地费总额 2.5% 1.8%3 单包方式(1) 耕地1000亩以上非耕地2000亩以上征地费总额 1.5% 1%(2) 耕地1000亩以下非耕地2000亩以下征地费总额2% 1.4%(二)房屋拆迁管理费拆迁补偿安置费0.3%-0.6% 0.2%-0.4% 桂价费字[1997]447号(三)工程质量监督费桂价费字[1993]066号1 南宁、桂林、柳州建安工作量 2.5‰ 1.8‰2 其他地级市建安工作量3‰ 2.1‰3 县城、乡镇建安工作量 3.5‰ 2.5‰(四)劳动合同鉴证费元/份 3 2。
国务院办公厅关于实施《国家行政机关公文处理办法》涉及的几个具体问题的处理意见国办函〔2001〕1号各省、自治区、直辖市人民政府,国务院各部委、各直属机构:为确保国务院发布的《国家行政机关公文处理办法》(国发〔2000〕23号)的贯彻施行,现就所涉及的几个具体问题提出如下处理意见:1.关于“意见”文种的使用。
“意见”可以用于上行文、下行文和平行文。
作为上行文,应按请示性公文的程序和要求办理。
所提意见如涉及其他部门职权范围内的事项,主办部门应当主动与有关部门协商,取得一致意见后方可行文;如有分歧,主办部门的主要负责人应当出面协调,仍不能取得一致时,主办部门可以列明各方理据,提出建设性意见,并与有关部门会签后报请上级机关决定。
上级机关应当对下级机关报送的“意见”作出处理或给予答复。
作为下行文,文中对贯彻执行有明确要求的,下级机关应遵照执行;无明确要求的,下级机关可参照执行。
作为平行文,提出的意见供对方参考。
2.关于“函”的效力。
“函”作为主要文种之一,与其他主要文种同样具有由制发机关权限决定的法定效力。
3.关于“命令”、“决定”和“通报”三个文种用于奖励时如何区分的问题。
各级行政机关应当依据法律的规定和职权,根据奖励的性质、种类、级别、公示范围等具体情况,选择使用相应的文种。
4.关于部门及其内设机构行文问题。
政府各部门(包括议事协调机构)除以函的形式商洽工作、询问和答复问题、审批事项外,一般不得向下一级政府正式行文;如需行文,应报请本级政府批转或由本级政府办公厅(室)转发。
因特殊情况确需向下一级政府正式行文的,应当报经本级政府批准,并在文中注明经政府同意。
部门内设机构除办公厅(室)外,不得对外正式行文的含义是:部门内设机构不得向本部门机关以外的其他机关(包括本系统)制发政策性和规范性文件,不得代替部门审批下达应当由部门审批下达的事项;与相应的其他机关进行工作联系确需行文时,只能以函的形式行文。
“函的形式”是指公文格式中区别于“文件格式”的“信函格式”。
胡志兴与常州港华燃气有限公司侵权责任纠纷二审民事判决书【案由】民事侵权责任纠纷【审理法院】江苏省常州市中级人民法院【审理法院】江苏省常州市中级人民法院【审结日期】2020.09.16【案件字号】(2020)苏04民终2620号【审理程序】二审【审理法官】陈如霞龙孝云熊艳【审理法官】陈如霞龙孝云熊艳【文书类型】判决书【当事人】胡志兴;常州港华燃气有限公司【当事人】胡志兴常州港华燃气有限公司【当事人-个人】胡志兴【当事人-公司】常州港华燃气有限公司【代理律师/律所】蒋宏嘉江苏常联律师事务所【代理律师/律所】蒋宏嘉江苏常联律师事务所【代理律师】蒋宏嘉【代理律所】江苏常联律师事务所【法院级别】中级人民法院【字号名称】民终字【原告】胡志兴【被告】常州港华燃气有限公司【本院观点】行为人因过错侵害他人民事权益,应当承担侵权责任。
【权责关键词】欺诈合同过错证据不足新证据证明责任(举证责任)诉讼请求维持原判【指导案例标记】0【指导案例排序】0【本院认为】本院认为,行为人因过错侵害他人民事权益,应当承担侵权责任。
本案中,胡志兴主张港华公司侵权,应当对港华公司存在侵权行为、损害后果、侵权行为与损害后果之间存在因果关系、港华公司存在过错承担举证责任。
综合本案,胡志兴未有充分证据证明港公司存在侵权事实,故胡志兴的上诉请求,证据不足,本院不予支持。
综上,胡志兴的上诉理由不成立。
原审判决认定事实清楚,适用法律正确,本院依法予以维持。
依照《中华人民共和国民事诉讼法》第一百七十条第一款第(一)项之规定,判决如下【裁判结果】驳回上诉,维持原判。
上诉案件受理费80元,由胡志兴负担。
本判决为终审判决。
【更新时间】2021-11-03 19:05:51【一审法院查明】一审法院认定事实:胡志兴为常州市五星乡新中村委上村53号房屋、常州市金禧园某某某某某某房屋所有权人。
2020年3月26日,胡志兴向该院提起诉讼,要求判令:1.给常州市新中上村53号房屋安装燃气管道进户;2.给常州市钟楼区金禧园x幢x单元x室房屋安装燃气管道进户。
温州市人民政府关于废止与修改2001年底以前发布的
部分市政府令的决定
文章属性
•【制定机关】温州市人民政府
•【公布日期】2002.06.09
•【字号】温州市人民政府令第58号
•【施行日期】2002.06.09
•【效力等级】地方规范性文件
•【时效性】失效
•【主题分类】法制工作
正文
温州市人民政府令
(第58号)
现发布《温州市人民政府关于废止与修改2001年底以前发布的部分市政府令的决定》,自发布之日起施行。
市长钱兴中
二○○二年六月九日温州市人民政府关于废止与修改2001年底
以前发布的部分市政府令的决定
为了适应社会主义市场经济体制及我国加入世贸组织新形势的需要,市人民政府对2001年底以前发布的市人民政府令进行了清理。
经市人民政府常务会议审议,决定如下:
一、废止《温州市企业集团组建和管理实施办法》(市政府令第10号)与《温州市发展高新技术产业和建设高新技术产业园区暂行办法》(市政府令第25号)。
二、修改以下市政府令:
1.删除《温州市名牌产品认定和管理实施办法》(市政府令第16号)第十八条。
2.删除《温州市政府采购暂行办法》(市政府令第28号)第十五条中“优先选用市内投标单位的市内产品”规定。
3.删除《温州市知名商标认定和保护暂行办法》(市政府令第41号)第二十五条。
4.删除《温州市旅游管理办法》(市政府令第53号)第二十条、二十四条、二十九条。
国家计委、财政部关于全面整顿住房建设收费取消部分收费项目的通知
计价格[2001]585号文
(2001年4月16日)
各省、自治区、直辖市人民政府,国务院各部门:近年来,各级政府针对住房建设领域收费混乱的问题采取了一系列整顿措施,取得了一定成效。
但从各地反映的情况看,住房建设收费过多,仍是当前影响住房建设和消费的一个突出问题,企业和群众意见很大。
为深入贯彻《国务院批转国家计委关于加强房地产价格调控加快住房建设意见的通知》(国发【1998】34号)精神,切实减轻房地产开发企业和购房者负担,加快住房建设和销售步伐,促进经济发展,经报请国务院批准,决定进一步开展整顿住房建设收费工作。
现将有关事项通知如下:
一、整顿住房建设收费的范围和重点。
整顿住房建设收费的范围,包括住房建设项目规划、立项、征地、建设、销售及使用全过程的各种收费。
整顿的重点是,取消所有未按规定权限和程序设置的收费项目;取消虽按规定权限和程序设置,但与现行产业政策、行政管理体制变化情况不相符合已失去合理性的收费项目及重复设置的收费项目。
二、取消一批不合法、不合理的收费项目。
各地执行的行政事业性收费项目,凡与本通知公布取消的收费项目(见附
件)性质、内容相类似的,不论冠以何种名称,一律取消。
同时,1999年财政部、国家计委在批复地方涉及企业负担的行政事业性收费项目时,已明确规定到2000年底取消的收费项目,必须取消。
除统一公布取消的及限期取消的收费项目外,其他涉及住房建设的行政事业性收费项目,各地也要进行逐项清理,由省、自治区、直辖市人民政府财政、价格主管部门提出取消、保留、合并、降低收费标准的意见,报省、自治区、直辖市人民政府(以下简称省级人民政府)批准、公布,并报财政部、国家计委备案。
对明令取消的收费项目,价格部门要随即办理收费许可证注销手续,财政部门要及时收缴已发放的行政事业性收费票据。
上述收费项目取消后,有关部门履行政府规定的行政管理职能所需必要的经费开支,由同级财政部门通过预算酌情予以安排。
三、整顿城市基础设施配套费。
凡在《国家计委、财政部门关于取消部分建设项目收费进一步加强建设项目收费
管理的通知》(计价费【1996】2922号)颁布前,已按规定的审批权限批准征收城市基础设施配套费及其他专项配套
费的,由省级财政、价格主管部门对各类专项配套费进行整顿,将其统一归并为城市基础设施配套费;取消与城市基础设施配套费重复收取的水、电、气、热、道路以及其他各种名目的专项配套费。
统一归并后的城市基础设施配套费,由
省级价格、财政部门根据近年来公用事业价格改革和调整情况,按照从严控制、逐步核减的原则重新核定收费标准。
凡是未按规定审批权限批准征收的城市基础设施配套费或其他各类专项配套费,以及计价费【1996年】2922号文件颁布后,地方各级人民政府或有关部门出台的城市基础设施配套费或其他专项配套费,一律取消。
四、合并部分收费项目,适当降低收费标准。
已征收城市污水处理费的地区,不得再征收城市排水设施有偿使用费。
将现行“工程定额编制管理费”和“工程劳动定额测定费”合并为“工程定额测定费”,收费标准按照建安工作量的0.4‰~1.4‰收取,西部地区建安工作量较小的城市最高不超过1.5‰。
降低政府部门收取的征地管理费、房屋拆迁管理费、工程质量监督费、劳动合同鉴证费、建筑合同鉴证费、工程承包合同鉴证费,收费标准均按现行收费标准的70%计收,并由省级价格、财政部门逐项予以重新核定。
按照从严控制住房建设收费的原则,改革白蚁防治费、地震安全性评价费、核设施环境影响评价费、房屋所有权登记费等收费项目的计费方式,重新核定收费标准,具体办法由国家计委、财政部另行制定。
整顿规范住房交易服务收费。
勘察设计、工程监理、房地产评估、委托拆迁服务等经营服务性收费要坚持自愿委托的原则,严格按规定的收费办法执行。
五、规范垄断企业价格行为。
对住房开发建设过程中,
经营燃气、自来水、电力、电话、有线或光缆电视(简称“两管三线”)等垄断企业的价格行为进行全面整顿。
“两管三线”安装工程要打破垄断,引入竞争,由房地产开发企业向社会公开招标,自主选择有相应资质的企业承担安装工程;所需设备材料由承担安装工程的单位自主或委托中介组织采购。
省级价格主管部门应加强对“两管三线”材料费、安装工程费等相关价格的管理,规范垄断企业价格行为。
严厉查处垄断企业强制推销商品和服务及强制收费的价格违法行为。
六、严格控制住房建设收费。
为促进住房建设和消费,各地要采取切实措施将住房建设中行政事业性收费占住房
价格的比重控制在10%以内。
除国家法律、法规规定外,近期内不再出台新的涉及住房建设的行政事业性收费项目,保留的收费项目的收费标准不得提高。
各地要在清理整顿的基础上,进一步完善房地产开发企业交费登记卡制度,加强对住房建设收费的管理。
七、加强监督检查。
各省、自治区、直辖市人民政府要组织价格、财政等有关部门对公布取消的收费项目和降低的收费标准进行检查。
对不按规定取消收费、降低收费标准或变相继续收费的,要依照有关规定从严查处;对有关责任人,要按照《违反行政事业性收费和罚没收入收支两条线管理规定行政处分暂行规定》给予行政处分。
国家计委、财政部将会同有关部门对各地贯彻落实本通知情况进行抽查。
八、整顿住房建设收费,进一步规范住房价格构成,保持住房价格合理稳定,关系到党中央、国务院关于推动住房消费,积极扩大内需政策的贯彻落实,对加快住房制度改革和住房商品化进程,促进住房建设健康发展,纠正行业不正之风、反对腐败具有重要意义。
各地区、各部门应当从大局出发,高度重视,把此项工作列入重要议事日程,切实抓紧抓好。
各省、自治区、直辖市人民政府要将贯彻落实本通知的情况,于2001年9月底前报国家计委、财政部。
附件:
国家计委、财政部公布经国务院批准取消的涉及住房建设的行政事业性收费项目
房屋开发管理费,房屋租赁管理费,城建档案装具成本费,城市卫生管理费,建筑工程综合规划保证金,城市绿化建设保证金,临时占路保证金,临时建筑保证金,开发项目保证金,经济适用住房税费减免保证金,建安工程质量保修押金,伐树工程费,房产交易管理鉴证费,工程造价审查费,预制构件质量监督费,暖气集资费,城市给水建设费,新房进住手续费,拆房手续费,房屋兑换管理费,公园建设费,园林绿化管理费,优质工程奖励基金,合作建房管理费,城市规划管理业务费,勘察设计监督管理费,征地安置不可预见费,征地农业人口安置管理费,使用外地劳动力单位管理费,房地产抵押管理费,建筑垃圾弃土倾倒
管理费,水表立表费,房地产转让交易管理费,房改商品房交易管理费,外省施工企业调节金,节水保证金,电负荷控制费,供电入网费,安全用电费,人防工程建设押金,外来流动人口管理服务费,使用散装水泥保证金,教育基础设施配套费,教师住房建设费,城镇中小学校舍修建附加费,建筑设计卫生学评价行政性收费,建设项目卫生审批费。