基于单片机的直流斩波电路的设计说明
- 格式:doc
- 大小:1.17 MB
- 文档页数:19
直流降压斩波电路的设计摘要: 本实验设计的是Buck降压斩波电路,采用全控型器件IGBT。
根据降压斩波电路设计任务要求设计主电路、控制电路、驱动及保护电路。
关键词:降压斩波,主电路、控制电路、驱动及保护电路。
引言:直流传动是斩波电路应用的传统领域,而开关电源则是斩波电路应用的新领域,是电力电子领域的一大热点。
DC/DC变换是将固定的直流电压变换成可变的直流电压,也称为直流斩波。
直流变换电路的用途非常广泛,包括直流电动机传动、开关电源、单相功率因数校正,以及用于其他领域的交直流电源。
斩波器的工作方式有:脉宽调制方式,频率调制方式和混合型。
脉宽调制方式较为通用。
当今世界软开关技术使得DC/DC变换器发生了质得变化和飞跃。
美国VICOR公司设计制造得多种ECI软开关DC/DC 变换器,最大输出功率有300W、600W、800W等,相应得功率密度为(6.2、10、17)W/cm3,效率为(80—90)%。
日本NemicLambda公司最新推出得一种采用软开关技术得高频开关电源模块RM系列,其开关频率为200—300KHz,功率密度已达27W/cm3,采用同步整流器(MOS-FET代替肖特基二极管),使整个电路效率提高到90%。
1设计目的直流斩波电路(DC Chopper)的功能是将直流电变为另一固定电压或可调电压的直流电,也称为直接直流—直流变换器(DC/DC Converter)。
直流斩波电路一般是指直接将直流电变为另一直流电的情况,不包括直流—交流—直流的情况,其中IGBT 降压斩波电路就是直流斩波中最基本的一种电路,是用IGBT作为全控型器件的降压斩波电路,用于直流到直流的降压变换。
IGBT是MOSFET与GTR的复合器件。
它既有MOSFET 易驱动的特点,输入阻抗高,又具有功率晶体管电压、电流容量大等优点。
其频率特性介于MOSFET与功率晶体管之间,可正常工作于几十千赫兹频率范围内,故在较高频率的大、中功率应用中占据了主导地位。
直流斩波电路原理实验一、实验目的(1)加深理解斩波器电路的工作原理。
(2)掌握斩波器主电路、触发电路的调试步骤和方法。
(3)熟悉斩波器电路各点的电压波形。
二、实验所需挂件及附件序号型号备注1 DJK01 电源控制屏该控制屏包含“三相电源输出”等几个模块。
2 DJK05直流斩波电路该挂件包含触发电路及主电路两个部分。
3 DJK06 给定及实验器件该挂件包含“给定”等模块。
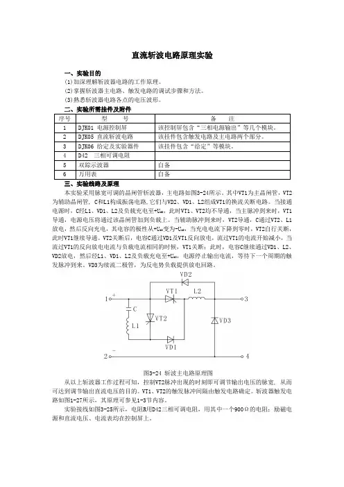
4 D42 三相可调电阻5 双踪示波器自备6 万用表自备三、实验线路及原理本实验采用脉宽可调的晶闸管斩波器,主电路如图3-24所示。
其中VT1为主晶闸管,VT2为辅助晶闸管, C和L1构成振荡电路,它们与VD2、VD1、L2组成VT1的换流关断电路。
当接通电源时,C经L1、VD1、L2及负载充电至+U d0,此时VT1、VT2均不导通,当主脉冲到来时,VT1导通,电源电压将通过该晶闸管加到负载上。
当辅助脉冲到来时,VT2导通,C通过VT2、L1放电,然后反向充电,其电容的极性从+U d0变为-U d0,当充电电流下降到零时,VT2自行关断,此时VT1继续导通。
VT2关断后,电容C通过VD1及VT1反向放电,流过VT1的电流开始减小,当流过VT1的反向放电电流与负载电流相同的时候,VT1关断;此时,电容C继续通过VD1、L2、VD2放电,然后经L1、VD1、L2及负载充电至+U d0,电源停止输出电流,等待下一个周期的触发脉冲到来。
VD3为续流二极管,为反电势负载提供放电回路。
图3-24 斩波主电路原理图从以上斩波器工作过程可知,控制VT2脉冲出现的时刻即可调节输出电压的脉宽, 从而可达到调节输出直流电压的目的。
VT1、VT2的触发脉冲间隔由触发电路确定。
斩波器触发电路如图1-27所示,其原理可参见1-3节内容。
实验接线如图3-25所示,电阻R用D42三相可调电阻,用其中一个900Ω的电阻;励磁电源和直流电压、电流表均在控制屏上。
图3-25 直流斩波器实验线路图四、实验内容(1)直流斩波器触发电路调试。
实验四直流斩波电路实验一.实验目的1.加深理解斩波器电路的工作原理2.掌握斩波器的主电路,触发电路的调试步骤和方法。
3.熟悉斩波器各点的波形。
二.实验内容1.触发电路调试2.斩波器接电阻性负载。
3.斩波器接电阻—电感性负载。
三.实验线路与原理本实验采用脉宽可调逆阻型斩波器。
其中VT1为主晶闸管,当它导通后,电源电压就加在负载上。
VT2为辅助晶闸管,由它控制输出电压的脉宽。
C和L1为振荡电路,它们与VT2、VD1、L2组成VT1的换流关断电路。
斩波器主电路如图4-14所示。
接通电源时,C经VD1,负载充电至+Udo,VT1导通,电源加到负载上,过一段时间后VT2导通,C和L1产生振荡,C上电压由+Vdo变为-Vdo,C经VD1和VT1反向放电,使VT1、VT2关断。
从以上斩波器工作过程可知,控制VT2脉冲出现的时刻即可调节输出电压的脉宽,从而达到调压的目的,VT1、VT2的脉冲间隔由触发电路决定。
四.实验设备及仪器1.MCL系列教学实验台主控制屏。
2.MCL—18组件(适合MCL—Ⅱ)或MCL—31组件(适合MCL—Ⅲ)。
3.MCL—33组件或MCL—53组件(适合MCL—Ⅱ、Ⅲ、Ⅴ)。
4.MCL—06组件或MCL—375.MEL—03三相可调电阻器(或自配滑线变阻器450 ,1A)6.双踪示波器7.万用表五.注意事项1.斩波电路的直流电源由三相不控整流桥提供,整流桥的极性为下正上负,接至斩波电路时,极性不可接错。
2.实验时,每次合上主电源前,须把调压器退至零位,再缓慢提高电压。
3.实验时,若负载电流过大,容易造成逆变失败,所以调节负载电阻,电感时,需注意电流不可超过0.5A。
4.若逆变失败,需关断主电源,把调压器退至零位,再合上主电源。
5.实验时,先把MCL-18的给定调到0V,再根据需要调节。
六.实验方法1.触发电路调试打开MCL—06面板右下角的电源开关(或接人MCL—37低压电源)。
调节电位器RP,观察“2”端的锯齿波波形,锯齿波频率为100Hz左右。
直流斩波电路工作原理分析直流斩波电路的主要是实现直流电能的变换,对直流电的电压或电流进行控制。
按照输入电压与输出电压之间的关系,可以分为六种不同的形式,分别为降压斩波电路(BUCK )、升压斩波电路(BOOST )、升降压斩波电路(BUCK-BOOST )、Cuk 斩波电路、Sepic 斩波电路和Zeta 斩波电路。
下面分别对它们的工作原理进行简单的介绍。
一.降压斩波电路降压斩波(BUCK )电路的拓扑结构图如1-1所示。
U io图1-1 BUCK 电路拓扑结构分析在开关器件导通和关断时,电路的动态工作过程。
图1-1中实线部分表示开关器件导通时的回路,虚线部分表示器件关断时的续流回路。
在续流过程中,根据电感中的电流的不同分为,电感电流连续(CCM )和断续(DCM )两种情况。
由此可以得到降压斩波电路的动态工作过程如图1-2所示。
U ioa) S 导通时等效电路oCob) S 关断,i L ≠0时等效电路c) S 关断,i L =0时等效电路图1-2 BUCK 电路动态工作过程在工作过程中,驱动信号以及电感上的电压和电流波形如图1-2所示。
u Su Li Li La) 电感电流连续时波形b) 电感电流断续时波形图1-3 BUCK 电路的工作原理图由电感器件的伏秒平衡原理,可以得出在电流连续和断续两种情况下,BUCK 斩波电路的输出电压。
a) 电感电流连续时,有()(1)0i o o U U D U D ---= (1-1)化简可得o i U DU = (1-2)b) 电感电流断续时,有1()0i o o U U D U --∆= (1-3)化简可得1o i DU U D =+∆ (1-4) 由此可以看出,电感电流断续情况下的输出电压更高。
二.升压斩波电路升压斩波(BOOST )电路的拓扑结构如图2-1所示。
U iLo图2-1 BOOST 电路拓扑结构在图2-1中,实线部分表示开关器件导通时的回路,虚线部分表示开关器件关断时的回路,由此可以得到升压斩波电路的动态工作过程如图2-2所示。
标准文案大全本科毕业设计(论文)题目单片机控制的直流斩波器院系专业名称电子信息工程年级班级学生姓名指导教师年月日摘要传统开关电源是模数结合的硬件为主的控制方式,其控制精度、响应速度等都由电路拓扑结构和器件本身的参数决定,很难进一步提升其性能。
随着微处理器处理技术的日趋成熟,开关电源的软硬件结合的控制技术得到了广泛的关注,它呈现出纯硬件控制方式无法比拟的优点。
本论文以单片机为控制核心对开关电源进行了可编程控制的设计。
首先介绍了开关电源数控技术的研究现状及趋势;对整个系统的硬件电路进行了各模块的设计及对应器件的选型;在此基础上,对软件部分实现过程进行了详细阐述。
【关键词】单片机,开关电源AbstractConventional switching power supply is combined with hardware-based module control mode, the control accuracy, response speed by the circuit topology and device parameters of the decision itself, it is difficult to further improve its performance. With the microprocessor processing technology matures, switching power supply control software and hardware combination technology has been widespread concern, it presents a pure hardware control mode can not match advantage.In this thesis, the core of the microcontroller for the control of switching power supply for the programmable control of the attempt. First introduced the technique of switching power supply CNC status and trends; on the whole system has briefly introduces the hardware design and partial implementation of the software process described in detail.Key words: microcontroller, switching power supply目录目录 (3)第一章前言 (5)1.选题目的和意义 (5)2.国内外综述 (5)第二章系统硬件设计 (1)2.1系统原理 (1)2.2硬件的选取 (2)2.3半桥输出的PWM波产生电路 (3)2.4A/D采样及调理电路 (4)2.41电压采样电路 (4)2.42 电流采样调理电路 (5)2.5矩阵键盘电路 (5)2.6液晶LCD显示电路 (7)2.61 液晶1602显示器介绍 (7)2.62本系统中1602的应用 (8)第三章系统软件设计 (1)3.1软件设计总体思路 (2)3.2系统主程序模块 (2)3.21 始初化模块 (3)3.22 PWM波发生模块 (3)3.23 A/D转换模块 (7)3.24 PID算法处理模块 (11)3.25 LCD液晶显示模块 (13)3.26 按键处理模块 (14)3.3中断服务程序模块 (15)3.31 中断程序原理及框图 (15)3.32 数字滤波算法 (16)第四章结论 (18)致谢 (20)参考文献 (21)附录 (23)目录?前言1.选题目的和意义直流斩波电路(DC Chopper)的功能是将直流电变为另一固定电压或可调电压的直流电。
示波器使用注意:如两个波形不共地,不能同时测量,根据波形幅值大小,有的波形需要选择*10档。
实验三直流斩波电路(设计性)的性能研究一.实验目的熟悉六种斩波电路(buck chopper 、boost chopper 、buck-boost chopper、cuk chopper、sepic chopper、zeta chopper)的工作原理,掌握这六种斩波电路的工作状态及波形情况。
二.实验内容1 SG3525芯片的调试2 斩波电路的连接3 斩波电路的波形观察及电压测试三.实验设备及仪器1 电力电子教学试验台主控制屏2 MMCL-22组件3 示波器4 万用表四.实验方法按照面板上各种斩波器的电路图,取用相应的元件,搭成相应的斩波电路即可.1. SG3525性能测试先按下开关s1(1)锯齿波周期与幅值测量(分开关s2、s3、s4合上与断开多种情况)。
测量“1”端。
记录不同频率时锯齿波的周期及幅值。
(2)输出最大与最小占空比测量。
测量“2”端。
2.buck chopper(1)连接电路。
将UPW(脉宽调制器)的输出端2端接到斩波电路中IGBT管VT的G端, 4端接到斩波电路中IGBT管VT的E端。
分别将斩波电路的1与3,4与12,12与5,6与14,15与13,13与2相连,照面板上的电路图接成buck chopper斩波器。
(2)观察负载电压波形。
经检查电路无误后,按下开关s1、s8,用示波器观察VD1两端12、13孔之间电压,调节upw的电位器rp,即改变触发脉冲的占空比,观察负载电压的变化,并记录电压波形(3)观察负载电流波形。
用示波器观察并记录负载电阻R4两端波形(4)改变脉冲信号周期。
在S2、S3、S4合上与断开多种情况下,重复步骤(2)、(3)(5)改变电阻、电感参数。
可将几个电感串联或并联以达到改变电感值的目的,也可改变电阻,观察并记录改变电路参数后的负载电压波形与电流波形,并分析电路工作状态。
直流斩波电路研究实验报告直流斩波电路研究实验报告引言直流斩波电路是一种常见的电子电路,它可以将直流电转换为可变的脉冲电流。
在本次实验中,我们将研究直流斩波电路的原理和性能,并通过实验验证其工作效果。
一、实验目的本次实验旨在通过搭建直流斩波电路,研究其工作原理和性能,并通过实验结果验证理论分析的正确性。
二、实验原理直流斩波电路由三个主要部分组成:输入直流电源、可变电阻和输出负载。
当输入直流电压经过可变电阻调节后,通过开关控制,形成一系列脉冲电流,最后通过输出负载得到所需的电压波形。
三、实验步骤1. 搭建直流斩波电路:将输入直流电源与可变电阻相连,并接入开关和输出负载。
2. 调节可变电阻:通过调节可变电阻的阻值,控制输出电压的大小。
3. 控制开关:通过控制开关的开关频率和占空比,调节输出脉冲的频率和宽度。
4. 观察输出波形:使用示波器观察输出波形,并记录实验数据。
四、实验结果与分析通过实验观察和数据记录,我们得到了直流斩波电路的输出波形。
根据理论分析,我们可以得出以下结论:1. 输出波形的频率和宽度与开关的开关频率和占空比有关。
当开关频率较高且占空比较大时,输出波形的频率较高且宽度较宽。
2. 输出波形的幅值与输入直流电压和可变电阻的阻值有关。
当输入直流电压较高且可变电阻的阻值较小时,输出波形的幅值较大。
五、实验结论通过本次实验,我们验证了直流斩波电路的工作原理和性能。
我们发现,通过调节可变电阻和控制开关,我们可以得到不同频率、宽度和幅值的输出波形。
这种电路在实际应用中具有广泛的用途,例如在电力变换、电子通信和电动机控制等领域都有重要的应用。
六、实验总结通过本次实验,我们对直流斩波电路有了更深入的了解。
我们通过实验验证了理论分析的正确性,并掌握了搭建和调节直流斩波电路的方法。
在实验过程中,我们还学会了使用示波器观察和记录波形数据的技巧。
这些实验技能对我们今后的学习和研究都具有重要的意义。
七、参考文献[1] 张三, 李四. 直流斩波电路原理与应用[M]. 北京:电子工业出版社,2010.[2] 王五, 赵六. 电子电路实验指导[M]. 北京:高等教育出版社,2015.以上为直流斩波电路研究实验报告的主要内容。
第24卷 第1期宝鸡文理学院学报(自然科学版)Vol.24 No.1 2004年3月Journal of Baoji University of Arts and Sciences(Natural Science)Mar.2004单片机控制的直流斩波电路Ξ李军生(宝鸡文理学院电气系,陕西宝鸡721007)摘 要:介绍了一种基于C504单片机控制的三相三重直流斩波电路的组成和控制原理,由于C504自身的功能特点,使系统外围器件少、结构简单、精度高、可靠性高等优点,具有较高的性能价格比和实用价值。
关键词:直流斩波电路;C504;脉宽调制;脉频调制中图分类号:TP273 文献标识码:A 文章编号:100721261(2004)0120057203The DC chopper controlled by single chip microcomputerLI Jun2sheng(Dept.Electronics&Elect.Engn.,Baoji Univ.Arts&Sci.,Baoji721007,Shaanxi,China)Abstract:The composition and control principle of the three phases three2fold DC chopper based on C504are introduced,the system has a little devices,simple configuration,high reliability,the advantages of high accuracy and performance becauce of the outstanding features of C504.Key words:DC chopper;C504;PWM;PFM 直流斩波电路由于它具有效率高体积小、重量轻、成本低等优点,被广泛地用作直流电机调速的直流可调电源。
电力电子技术课程设计说明书题目直流斩波电路的设计学院:电气与信息工程学院前言直流斩波器(DC Chopper)又称为截波器,它是将电压值固定的直流电,转换为电压值可变的直流电源装置,是一种直流对直流的转换器(DC/DC Converter)已被被广泛使用,如直流电机之速度控制、交换式电源供应器(Switching-Power-Supply)等。
直流斩波是将固定的直流电压变换成可变的直流电压,也称为DC/DC变换。
斩波器的工作方式有两种,一是脉宽调制方式,Ts(周期)不变,改变Ton (通用,Ton为开关每次接通的时间),二是频率调制方式,Ton不变,改变Ts (易产生干扰)。
其具体的电路由以下几类:降压斩波器(Buck Chopper电路),其输出平均电压Uo小于输入电压Ui,输出电压与输入电压极性相同。
升压斩波器(Boost Chopper电路),其输出平均电压Uo大于输入电压Ui,输出电压与输入电压极性相同降压或升压斩波器(Buck-Boost Chopper电路)降压或升压斩波器(Cuk Chopper电路)Sepic斩波电路Zeta斩波电路,其中前两种是最基本的电路。
复合斩波电路——不同基本斩波电路组合多相多重斩波电路——相同结构基本斩波电路组合直流传动是斩波电路应用的传统领域,而开关电源则是斩波电路应用的新领域,前者的应用是逐渐萎缩,而后者的应用方兴未艾、欣欣向荣,是电力电子领域的一大热点。
用直流斩波器代替变阻器可节约电能(20~30)%。
直流斩波器不仅能起调压的作用(开关电源),同时还能起到有效地抑制电网侧谐波电流噪声的作用。
当今软开关技术使得DC/DC发生了质的飞跃,美国VICOR公司设计制造的多种ECI 软开关DC/DC变换器,其最大输出功率有300W、600W、800W等,相应的功率密度为(6、2、10、17)W/cm^3,效率为(80-90)%。
日本NemicLambda公司最新推出的一种采用软开关技术的高频开关电源模块RM系列,其开关频率为(200-300)kHz,功率密度已达到27W/cm^3,采用同步整流器(MOS-FET代替肖特基二极管),是整个电路效率提高到90%。
基于单片机的直流斩波电路的设计说明基于单片机的直流斩波电路的设计本文介绍了基于单片机的直流斩波电路的基本方法,直流斩波电路的相关知识以及用单片机产生PWM波的基本原理和实现方法。
重点介绍了基于MCS 一51单片机的用软件产生PWM 信号以及信号占空比调节的方法。
对于实现直流斩波提供了一种有效的途径。
本次设计中以直流降压斩波电路为例。
关键词:单片机最小系统; PWM ;直流斩波:直流降压斩波电路的原理斩波电路的典型用途之一是拖动直流电动机,也可带蓄电池负载,两种情况下负载中均会出现反电动势,如图3-1中Em 所示工作原理,两个阶段t=0时V 导通,E 向负载供电,uo=E ,io 按指数曲线上升t=t1时V 关断,io 经VD 续流,uo 近似为零,io 呈指数曲线下降为使io 连续且脉动小,通常使L 值较大数量关系电流连续时,负载电压平均值E E T t E t t t U on off on on o α==+=a ——导通占空比,简称占空比或导通比Uo 最大为E ,减小a ,Uo 随之减小——降压斩波电路。
也称为Buck 变换器(Buck Converter )。
负载电流平均值R E U I m o o -= (3-2)电流断续时,uo 平均值会被抬高,一般不希望出现斩波电路有三种控制方式:1)保持开关周期T 不变,调节开关导通时间t on ,称为脉冲宽度调制或脉冲调宽型:2)保持导通时间不变,改变开关周期T ,成为频率调制或调频型;3)导通时间和周期T 都可调,是占空比改变,称为混合型。
其原理图为:图3-1降压斩波电路的原理图及波形a)电路图b)电流连续时的波形c)电流断续时的波形驱动电路更加复杂。
设计方案:用单片机为控制核心,以电力电子器件IGBT为主电路关键器件,完成直流斩波器的电路设计,包括控制程序设计、电力电子器件驱动、信号隔离及其它的一些保护部分。
指标要求:输入电压要求:AC220V50Hz输出电压为0——180V输出功率:1KW设计框图本设计总体框图如图所示,系统分为五部分:主电路、控制电路、集中隔离与驱动电路等。
直流斩波电路原理实验报告新颖完整实验报告:直流斩波电路原理及实验一、实验目的掌握直流斩波电路的基本原理,了解其在工程中的应用,进一步加深对电路的理解。
二、实验器材1.直流电源2.电阻、电容、二极管、晶体管等元器件3.示波器、万用表等测试仪器三、实验原理四、实验步骤1.搭建直流斩波电路按照实验原理搭建直流斩波电路,将直流电源连接到斩波器的输入端,然后将输出端连接到滤波电路。
2.测量电路参数使用万用表等测试仪器,依次测量电阻、电容、二极管等元器件的电阻值、电容值、正向电压降等参数。
3.进行示波器测量将示波器的探头分别连接到斩波器的输入端和输出端,观察输入信号和输出信号的波形,并记录下相关数据。
4.更换元器件在保持电路基本结构不变的情况下,更换其中一元器件,并观察输出信号的变化,记录下相关数据。
五、实验数据记录及分析1.电路参数记录测得的电阻、电容、二极管等元器件的电参数。
2.示波器测量数据记录输入信号和输出信号的波形,并分析其频率、幅值等特征。
3.元器件更换实验数据记录更换元器件后输出信号的波形,并分析其变化原因。
六、实验结果讨论通过实验数据的记录和分析,得出直流斩波电路的输入信号和输出信号的关系,进一步认识到电路中各元器件的作用与影响。
七、实验心得通过本次实验,我深入理解了直流斩波电路的原理和应用,并通过实际操作了解了不同元器件对输出信号的影响,加深了对电路的认识。
这次实验让我更加熟悉了直流斩波电路的特点,培养了动手实验的能力,提高了解决问题的能力。
希望今后能在工程中更好地应用直流斩波电路的知识。
直流斩波电路的设计摘要:本文主要介绍的是直流斩波电路的设计,通过对直流源,控制电路,驱动电路和保护电路的设计完成整个直流斩波电路的设计。
关键词:直流斩波;控制;驱动;保护引言直流斩波器(DC Chopper)又称为截波器,它是将电压值固定的直流电,转换为电压值可变的直流电源装置,是一种直流对直流的转换器(DC/DC Converter)已被被广泛使用,如直流电机之速度控制、交换式电源供应器(Switching-Power-Supply)等。
直流斩波是将固定的直流电压变换成可变的直流电压,也称为DC/DC变换。
斩波器的工作方式有两种,一是脉宽调制方式,Ts(周期)不变,改变Ton (通用,Ton为开关每次接通的时间),二是频率调制方式,Ton不变,改变Ts (易产生干扰)。
其具体的电路由以下几类:降压斩波器(Buck Chopper电路),其输出平均电压Uo小于输入电压Ui,输出电压与输入电压极性相同。
升压斩波器(Boost Chopper电路),其输出平均电压Uo大于输入电压Ui,输出电压与输入电压极性相同降压或升压斩波器(Buck-Boost Chopper电路)降压或升压斩波器(Cuk Chopper电路)Sepic斩波电路Zeta斩波电路,其中前两种是最基本的电路。
复合斩波电路——不同基本斩波电路组合多相多重斩波电路——相同结构基本斩波电路组合直流传动是斩波电路应用的传统领域,而开关电源则是斩波电路应用的新领域,前者的应用是逐渐萎缩,而后者的应用方兴未艾、欣欣向荣,是电力电子领域的一大热点。
用直流斩波器代替变阻器可节约电能(20~30)%。
直流斩波器不仅能起调压的作用(开关电源),同时还能起到有效地抑制电网侧谐波电流噪声的作用。
当今软开关技术使得DC/DC发生了质的飞跃,美国VICOR公司设计制造的多种ECI 软开关DC/DC变换器,其最大输出功率有300W、600W、800W等,相应的功率密度为(6、2、10、17)W/cm^3,效率为(80-90)%。
目录1 选题背景1.1 Buck电路的发展状况、基本原理及应用 (1)1.2基本设计任务 (1)1.2.1 基本要求 (1)1.2.2 设计步骤 (1)1.2.3设计方法 (2)2 设计方案论证 (2)3 各主要电路及部件工作原理 (2)3.1控制电路 (2)3.1.1 SG3525芯片介绍 (2)3.2驱动电路 (6)3.3降压斩波主电路.........................................................................................4原理总图...............................................................................................................5 元器件清单...........................................................................................................6设计结果与分析...................................................................................................7设计体会及今后的改进意见...............................................................................7.1 体会..........................................................................................................错误!未定义书签。
7.2 本方案特点及存在的问题......................................................................错误!未定义书签。
实验五:直流斩波电路实验报告摘要:本实验通过搭建直流斩波电路,探究斩波电路的工作原理和特性。
实验过程中分别采用了负载电阻和电感作为负载,测量了负载电压和负载电流的波形,并对实验结果进行了分析和总结。
一、实验目的:1. 熟悉直流斩波电路的基本原理和组成;2. 探究负载对直流斩波电路性能的影响;3. 学习使用示波器测量电路中的电压和电流波形。
二、实验仪器与材料:1. 电压信号发生器2. 直流电源3. 电阻4. 电感5. 整流二极管6. 电容7. 示波器8. 万用表9. 连接线三、实验原理:直流斩波电路是一种可以将直流电信号转换为脉冲电信号的电路。
其基本原理是利用一个开关元件(如开关管)对直流信号进行开关控制,通过对开关的开关和关断,可以产生近似方波的脉冲信号。
斩波电路一般由直流电源、开关元件、负载电阻、滤波电路等组成。
四、实验内容:1. 搭建直流斩波电路;2. 分别设置负载电阻和电感作为负载;3. 设置电压信号发生器输出直流信号;4. 调节直流电源的输出电压,观察负载电压和负载电流的波形;5. 利用示波器测量并记录负载电压和负载电流的波形;6. 分析实验结果,总结实验现象和规律。
五、实验步骤:1. 将直流电源和电容连接成充电电路,电容两端接地;2. 将电容两端接入斩波电路,与负载电阻或电感串联;3. 将电容两端连接到示波器,观察负载电压的波形;4. 将负载电阻或电感两端接入示波器,观察负载电流的波形;5. 调节电压信号发生器输出直流信号,设置合适的频率和幅度。
六、实验结果与分析:在负载电阻为负载时,通过示波器观察到负载电压为一周期的方波信号,频率与信号发生器设置的频率相同,幅度由直流电源的输出电压决定。
过渡过程中存在电阻的上升和下降,但变化很快并趋于平稳。
在电感为负载时,观察到负载电压和电流呈现一周期的正弦波信号。
电感的存在使得电流与电压之间存在相位差,并且电感会给斩波电路引入一个时间常数,导致波形的变化较为平缓。
实验五直流斩波电路实验报告一、实验目的1、熟悉直流斩波电路的工作原理。
2、掌握直流斩波电路的基本组成和结构。
3、学会使用实验设备对直流斩波电路进行测试和分析。
4、深入理解斩波电路中占空比与输出电压之间的关系。
二、实验设备1、直流电源2、示波器3、信号发生器4、电阻、电容、电感等电子元件5、数字万用表三、实验原理直流斩波电路是将直流电源电压斩成一系列脉冲电压,通过改变脉冲的宽度或频率来控制输出电压的平均值。
常见的直流斩波电路有降压斩波电路(Buck 电路)、升压斩波电路(Boost 电路)和升降压斩波电路(BuckBoost 电路)等。
以降压斩波电路为例,其工作原理如下:当开关管导通时,电源向负载供电,电感储存能量;当开关管截止时,电感释放能量,二极管续流,维持负载电流连续。
通过调节开关管的导通时间与周期的比值(即占空比 D),可以改变输出电压的平均值。
输出电压的平均值$U_{o}$与输入电压$U_{in}$的关系为:$U_{o} = D \times U_{in}$,其中 D 为占空比。
四、实验步骤1、按照实验电路图连接好电路,仔细检查电路连接是否正确,确保无误。
2、调节直流电源,使其输出一个合适的电压值,作为输入电压。
3、设置信号发生器,产生合适的控制信号,控制开关管的导通与截止。
4、用示波器观察输入电压和输出电压的波形,测量并记录其幅值、频率和占空比。
5、改变占空比,重复步骤 4,记录不同占空比下的输出电压值。
6、对升压斩波电路和升降压斩波电路进行同样的实验操作。
五、实验数据记录与分析|占空比 D |输入电压$U_{in}$(V)|输出电压$U_{o}$(V)|理论计算值$U_{o}$(V)|误差|||||||| 02 | 10 | 20 | 20 | 0% || 04 | 10 | 40 | 40 | 0% || 06 | 10 | 60 | 60 | 0% || 08 | 10 | 80 | 80 | 0% |从实验数据可以看出,实际测量值与理论计算值基本相符,误差在可接受范围内。
直流斩波电路课程设计目录第一章方案的选择和电路的整体结构 (1)1.1 方案的选择 (1)1.2 电路的整体结构 (2)第二章主电路的设计 (3)2.1 主电路的原理 (3)第三章驱动电路的设计 (4)3.1 驱动芯片的选择 (4)3.2 驱动芯片的介绍 (5)3.3 驱动电路的设计 (6)第四章控制电路的设计 (6)4.1 控制电路的设计原理 (6)4.2控制电路原理图 (7)第五章保护电路的设计 (8)5.1 IGBT的栅极保护 (8)5.2 IGBT的集电极和发射极的保护 (9)5.3 IGBT的过热保护 (10)第六章结论 (10)心得体会 (11)附录:ATMEGA16设计源程序 (12)参考文献 (14)第一章方案的选择和电路的整体结构1.1 方案的选择1.1.1 主电路的选择本次设计的内容是直流可调电源,目的是实现输出电源的可调节,有以下两种主电路的方案,现对这两种方案进行分析比较。
方案一:桥式全控整流电路桥式全控直流电路采用四个晶闸管桥式连接,通过控制晶闸管的导通时间使得输出的平均电压降低,实现电压可调。
优点:可以直接用市电进行整流调节。
缺点:晶闸管属于半控器件,控制不灵活。
输出电压不稳定,有波动。
输入端与输出端进行隔离。
方案二:直流斩波电路直流斩波电路属于DC-DC变换电路,通过控制电力电子器件IGBT或MOSFET 的通断时间来实现电压大小的可调节。
缺点:不能直接用市电进行设计,需要有恒定的直流电源。
优点:输入端与输出端不用进行隔离,IGBT和MOSFET为全控器件,可以随意的控制其开通或者关断,并且电路结构简单,容易实现。
综上所述,本次设计采用直流斩波电路为设计主电路,并且使用IGBT作为开关器件。
1.1.2 控制电路的选择控制电路的功能是控制电力电子器件IGBT的通断,现有两种主电路的设计方案,现进行比较分析。
方案一:采用UC3842芯片UC3842是一种PWM发生芯片,是一种高性能的固定频率电流型控制器,单端输出单端输出单端输出单端输出可直接驱动可直接驱动可直接驱动可直接驱动IGBT。
基于单片机的直流斩波电路的设计本文介绍了基于单片机的直流斩波电路的基本方法,直流斩波电路的相关知识以及用单片机产生PWM波的基本原理和实现方法。
重点介绍了基于MCS 一51单片机的用软件产生PWM 信号以及信号占空比调节的方法。
对于实现直流斩波提供了一种有效的途径。
本次设计中以直流降压斩波电路为例。
关键词:单片机最小系统; PWM ;直流斩波:直流降压斩波电路的原理斩波电路的典型用途之一是拖动直流电动机,也可带蓄电池负载,两种情况下负载中均会出现反电动势,如图3-1中Em 所示 工作原理,两个阶段t=0时V 导通,E 向负载供电,uo=E ,io 按指数曲线上升t=t1时V 关断,io 经VD 续流,uo 近似为零,io 呈指数曲线下降为使io 连续且脉动小,通常使L 值较大数量关系电流连续时,负载电压平均值E E T t E t t t U on off on on o α==+=a ——导通占空比,简称占空比或导通比Uo 最大为E ,减小a ,Uo 随之减小——降压斩波电路。
也称为Buck 变换器(Buck Converter )。
负载电流平均值R E U I m o o -= (3-2)电流断续时,uo 平均值会被抬高,一般不希望出现斩波电路有三种控制方式:1)保持开关周期T 不变,调节开关导通时间t on ,称为脉冲宽度调制或脉冲调宽型:2)保持导通时间不变,改变开关周期T ,成为频率调制或调频型;3)导通时间和周期T 都可调,是占空比改变,称为混合型。
其原理图为:图3-1降压斩波电路的原理图及波形a)电路图b)电流连续时的波形c)电流断续时的波形驱动电路更加复杂。
设计方案:用单片机为控制核心,以电力电子器件IGBT为主电路关键器件,完成直流斩波器的电路设计,包括控制程序设计、电力电子器件驱动、信号隔离及其它的一些保护部分。
指标要求:输入电压要求:AC220V50Hz输出电压为0——180V输出功率:1KW设计框图本设计总体框图如图所示,系统分为五部分:主电路、控制电路、集中隔离与驱动电路等。
主电路即直流斩波电路,这个电路把输入的220V电压变为0到180V的输出电压:控制电路实现变换控制器的实时控制,综合给定和反馈信号,微控制器处理后为斩波开关器件提供开通、判断信号和保护功能;信号隔离驱动电路完成信号的隔离和为斩波开关器件提供驱动信号;采集电压信号,输出电压模拟量,通过AD转换器转换成微控制吕能处理的数字量;电流保护电路防止系统过电流而损坏器件;低压电源电路为系统提供稳定的工伯电压;续流电路的作用为:当斩波开关关断时,电路中电流能连续流过负载。
主电路形式与控制算法根据设计任务的要求:主电路输入电压为220V,输出电压为180V最大,所以采用降压斩波电路。
降压直流斩波电路可以分为隔离型降压直流斩波电路和非隔离型降压直流斩波电路。
隔离型降压直流斩波电路的能量输出是由高频变压器耦合完成的,该变压器可以使斩波的输入电源与负载之间实现电气隔离;非隔离型降压直流斩波电路在工作期间输入源和输出共用一个共同的电流通路。
根据设计任务的要求,本设计选择隔离型DC-DC斩波器。
系统的控制核心为微控制器,由于控制新芯片的指令执行速度是一定的,其输出脉冲最小宽度受到限制,因此在控制算法——调整占空比的实施中拟采用保持脉冲宽度不变,而调整脉冲周期的做法。
即斩波开关的关断时间不变,当根据输入电压的要求而相应的改变导通时间,这样同样可以得到通过电压而控制占空比的要求。
IGBT的特性:作为主电路的关键器件,IGBT的特性对于电路的工作有重要的影响。
主电路工作原理与原理图:主电路如图所示,控制电路产生开关信号控制斩波开关IGBT导通与关断,电感电容起到低通虑波的作用,在斩波开关V关断期间由二极管完成续流。
在实际工作时,当单片机产生的PWM脉冲使V导通后,电容开始充电,输出电压回到负载两端。
在电容充电过程中,电感的电流逐渐增加,储存的磁场能量也逐渐增加,此时,续流二极管因反向偏而关断,经过开通时间后,当控制信号使IGBT关断时,在L两端产生的感应电势使二极管导通,L储存的能量便通续流二极管完成续流,同时将能量供给负载,经过关断时间,控制脉冲又使IGBT导通,上述过程重复发生。
设计主电路的参数与选型斩波开关IGBT参数的计算与选型:根据要求输入的220V交流电,经三相不可控整流后输出的电压为514V,为了安全器件留有一定的裕量,所以选择IGBT的额定工作电压为正常工作电压峰的2-3倍,即额定电压为VE=1000V,根据功率为1000W,Vmax为180V,最大输出电流为5.5A,选择IGBT额定电流大于其即可。
经查询相关的数据,选择西门子的BSM25GB120DN2型IGBT,其最大工作电流为25A,额定工作电压为1200V,这样器件的安全系数就大。
电感L的计算:主电路中的L的作用就是为虑波、能量转换与减小电流变换率的作用,直流斩波电路输入电压最大值为500V,输出最大为180V,IGBT开通时间为512us,由以上数据可得最大开关周期=512/0.35=1.5ms ,又因为电阻R为180/5.5=33欧,根据算行得L>50mh,所以取L为50mH.电容C的计算:电容C2是虑波电容,它可以使输出电压稳定,通常设计时是按负载的情况来选择电容的大小,使,由上面可知R=33欧,T=1.5ms,算得C=25uf,为使虑波效果更好,我们取C2=1000uf。
二极管D的计算:D的作用是在IGBT判断时起到续流的作用,迅速的释放电感L中存储的能量,防止因电感L的能量无法释放而感应出高电压而击穿开关器件。
主电路的输入电压为514V,当IGBT导通时D承受的反向电压即为514V,为保留一定的裕度,我们取D的反向电压为1.5*514V=700V,当IGBT判断期间,L的续流大小为5.5A,可选择型号为HFA15TB60的快速恢复二极管。
控制电路的组成与功能:控制电路如下图所示,控制电路由单片机与AD转换器加外围电路组成。
控制电路实现变换器的实时控制,综合给定,经处理后为开关器件提供开通、判断信号与保护信号,控制电路实现实时控制,产生PWM信号。
控制选用单片机与电钟信号电路与复位电路、报警电路。
电钟电路与复位电路电单片机系统的必要组成,控制单片机的机器周期与功能复位。
由单片机的一个输出位品输出占空比可调的俯冲信号,经三极管进行俯冲放大,用脉冲变压器进行电气隔离,进而控制IGBT的与判断。
控制电路的核心——ADC转换单片机系统:由于系统电路工作于高速开关状态,电力电子器件工作于强脉冲电流,电磁干扰严重,因此微处理器选型从如下方面考虑:满足功能要求;满足抗干扰要求;满足速度要求;良好的性价比。
单片微机系统作为自动控制装置的核心,具有功能强、体积小、可靠性高、易开发、易于扩展等优点,尤以ATMEL公司司生产的89C51应用比较广泛,89C51也可以满足上述的要求。
其电路原理图为:控制主电路控制电路其它部分过电流过电压保护电路、过电压过电流报警电路、模数转换电路组成。
过电流与过电压保护电路:保护电路在系统中不可缺少,良好的保护措施可以大提高系统的可靠性。
过电流出现的原因是系统电路或负载不正常,因此必须保证电路中有可靠的过电流保护电路,该电路的作用是防止电路中电流过磊而损坏元件。
过电流判断采用比较器,将输入电流信号和参考信号进行比较,得到过流信号送到单片机的位口P3.2,单片机作出过流处理响应,判断IGBT,起到过电流保护作用。
过电流保护电路由比较器,二极管、滑动变阻器、电阻组成。
(过电流与过电压保护电路)过电流与过电压保护报警电路过电流过电压报警电路由发光二极管和电阻组成,起到过电流过电压报警的作用,工作原理:通过程序控制单片机I/O端口电平的高低,进而控制发光二极管的亮灭。
系统通过对P1.3与P1.6端口的置1或置0,控制端口电平的高或低,当端口电平为高电平时,发光二极管两端压差为0,发光二极管不亮;当二极管电平为低时,发光二极管被驱动,灯亮。
(过电流与过电压保护报警电路)模数转换器模数转换器ADC0809与单片机89C51的接口电路如上图所示,ADC0809与单片机的接口可以采用查询方式和中断方式。
本系统采用中断方式,这样可使控制参数——占空比紧随输入而变。
当转换结束时,EOC输出高电平脉冲,经单片机中断后,读取AD转换结果并存储到定时器中,随后产生相应的方波,然后启动ADC0809的下一次转换。
由于ADC0809片无时钟,所以必须外接一个振荡电路提供时钟信号,这里采用单片机的时钟信号。
当选择地址时,给ADC一个信号以启动它的转换和转换结束后取相应的数据。
作为改变占空比而设置的输入电压为从0到5V代表着占空比从0到35%,通过改变可调电阻,ADC输入通道IN0的电压大小不一样,ADC将其转换成相应的数字量并送到单片机中进行要示求的产生脉冲信号,进而变成可调占空比的脉冲信号。
在本次设计中当电压达到最大5V时,代表占空比最大复位电路与时钟电路上电复位电路要求接通电源后,单片机实现复位操作,开机瞬间必须保证RST引脚上出现10了上的稳定电压,单片机就可以进行可靠的复位操作,单片机的复位操作使单片机进入初始化状态,即程序计数器PC=0000H,程序从0000H地址单元开始。
复位电路还有另一作用即:在发生过电流过电压时,要进行复位退出报警循环,判断电路。
信号隔离与驱动电路如图报示,它由电阻R1,三极管,变压器,稳压管组成。
脉冲变压器耦合方式其特点为隔离后可以直接驱动IGBT,不必再次充立驱动电路,使电路结构简单。
当单片机的位口P1.0输出为高电平时,三极管导通,变压器初级得到驱动信号并耦合到次级,进而驱动IGBT:当单片机的位口P1.0输出为低电平时,三极管不导通,进而判断IGBT。
相关参数的选择:电阻R8为使三极管的基极限流电阻,为使三极管导通时间可靠的进入饱和状态,应使基极电流为5ma为宜,所以电阻R=(5-0.7)/5=1K电阻R6是门极阻尼电阻,作用是使开关器件IGBT更好的导通和判断,减小寄生振荡。
电阻R可取为10IGBT的栅电压为2~6V,为此将电压钳制在5V左右,所以取D6D9的电压为5V。
系统原理图,系统程序系统主电路图. .. .. ..过电流过电压佑护电路过电流过电压报警电路.系统程序:*****ORG 0000HLJMP MAINORG 0003HLJMP IT0PORG 0013HLJMP IT1PMAIN: MOV SP,#60H ******系统程序初始化****MOV TMOD,#11HSETB IT0SETB IT1SETB EASETB EX1SETB EXOSETB PX0MOV DPTR,#7FF8H **发送ADC地址**MOVX DPTR,AWAIT: AJMP WAITIT0P: CLR P1.0 ****过电流电压时佑护程序,判断IGBT** LOOP: CLR P1.3ACALL DELAYSETB P1.3CLR P1.5ACALL DELAYSETB P1.5AJMP LOOPRETIIT1P: CLR P1.0 **产生950us的低电平程序** MOV TL1,#4AHMOV THO,#0FCHSETB TRODLY: JNB TF0,DLYSETB P1.0 **根据输入产生相应时间的高电平*** CLR TR0CLR TFOMOV DPTR,#7FF8HMOVX A,DPTRMOV TL0,AMOV TH0,#0FFHCLR ASETB TR0DLY1: JNB TFO,DLY1CLR TF0CLR TR0MOVX A,DPTRRETIDELAY: MOV TL1,#18H **1ms延时程序**MOV TH1,#OFCHSETB TR1DLY2: JNB TF1,DLYCLR TR1CLR TF1RET设计的心得体会作了一周的课程设计,使我有了很多的心得体会,可以说这次直流斩波电路的性能研究的课程设计是在大家共同努力和在老师的精心指导下共同完成的。