函数信号发生器的使用方法规定
- 格式:doc
- 大小:91.00 KB
- 文档页数:1
VC2002函数信号发生器使用说明书VC2002是胜利公司生的一种精密的测试仪器。
它可以连续的输出正弦波,三角波和方波等函数波形。
它的频率和幅度均可连续调节。
本仪器是工程师、电子实验室、生产线及教学需配备的理想设备。
1.主要特征a.采用单片微处理器CPU控制整机运行和显示,智能化程度高,便于操作和使用。
b.采用了大规模的单片集成精密函数发生器,使得整机性能优越,性能价格比高。
c.采用大规模集成电路设计,保证仪器高可靠性和高稳定性。
2.技术参数a.输出频率:频率:0.2Hz – 2MHz,按每档十倍频程覆盖率分类,共分7档,具体频率如下:1档0.2Hz – 2Hz2档2Hz – 20Hz3档20Hz – 200Hz4档200Hz – 2KHz5档2KHz – 20KHz6档20KHz – 200KHz7档200KHz – 2MHzb.输出信号阻抗:50Ωc.输出信号波形:正弦波、三角波、方波d.输出信号幅度:(1MΩ负载)正弦波:不衰减(1Vp-p – 18Vp-p)±10% 连续可调衰减20dB(0.1Vp-p –1.8Vp-p)±10% 连续可调衰减40dB(10mVp-p – 180mVp-p)±10% 连续可调方波:不衰减(1Vp-p –20Vp-p)±10% 连续可调衰减20dB(0.1Vp-p – 2Vp-p)±10% 连续可调衰减40dB(10mVp-p – 200mVp-p)±10% 连续可调三角波:不衰减(1Vp-p –16Vp-p)±10% 连续可调衰减20dB(0.1Vp-p – 1.6Vp-p)±10% 连续可调衰减40dB(10mVp-p – 160mVp-p)±10% 连续可调说明:对于50Ω负载,数值应为上述值的二分之一。
e.函数输出占空比调节20% - 80% ±5% 连续可调。
函数信号发生器操作规程
一、注意事项
1、本仪器采用大规模集成电路,修理时禁用二芯烙铁,校准测试时,测量仪器
或其它设备的外壳应接地良好,以免意外损坏。
2、在更换保险丝时应切断电源,严禁带电操作。
3、简单故障可自己处理,重大故障及严重损坏与厂家联系维修。
4、使用前确认仪器的供电电源为AC220V。
二、使用方法
1、打开电源开关,调节旋纽,“关”为TTL电平,打开则为CMOS电平,输出幅
度可从5V到15V。
2、按函数输出波形选择按钮可选择正弦波、三角波、脉冲波输出。
3、按“扫描/计数“按钮可选择扫描方式和外测频方式。
4、仪器上的函数信号输出幅度衰减开关,“20dB”、“40dB”键均不按下,输出
信号不经衰减,直接输出到插座口。
“20dB”、“40dB”分别按下,则可选择20dB或40dB衰减。
同时按下时为60dB衰减。
5、由信号电平设定器选定输出信号所携带的直流电平。
6、由信号幅度选择器选定和调节输出信号的幅度。
7、由频率选择按钮选定输出函数信号的频段,由频率微调旋钮调整输出信号频
率,直到所需的工作频率值。
8、点频正弦信号输出端输出标准的正弦信号,频率为100Hz,幅度为2Vp-p
中心电平为0)
连云港远洋实业公司
2008.5.01。
实验三函数信号发生器的使用一、实验目的(1)熟悉函数信号发生器的面板及面板部件的功能; (2)会用函数信号发生器输出符合要求的信号;二、实验设备(1)TH-SG02型函数信号发生器; (2)双踪示波器1台;三、实验原理1.TH-SG02型函数信号发生器的面板、功能及技术指标 (1)面板及面板部件的功能(略)(2)主要技术指标频率范围:0.2Hz~2MHz,分七档输出波形:正弦波、三角波、方波、脉冲波、斜波占空比调节:20%~80%输出幅度:20Vp-p(1MΩ负载)、10Vp-p(50Ω负载)输出保护:短路保护,抗输入电压±35V(1分钟)频率计:六位LED显示幅度显示:三位LED 外测频范围:0.1Hz~50MHz 外测频灵敏度:100mV三、实验原理2.TH-SG02型函数信号发生器的使用方法(1)接通电源前,将输出幅值调到零位,衰减开关、外测频开关和占空比开关都弹出;(2)先调频率再调幅值(注:幅值从零开始、调);(3)输出端不能短路,以免损坏仪器;四、实验内容1.熟悉函数信号发生器的面板及面板部件的功能2.函数信号输出3.外测频率四、实验内容2.函数信号输出(正弦波、三角波、方波)实验步骤:(1)开机预热十分钟(注:占空比开关、测频开关、衰减开关都事先弹出);(2)将信号输出端通过连线接到示波器Y通道输入端(统一用CH1通道);(3)调节信号发生器,输出1kHz、2.0Vp-p的方波;(4)适当调节示波器,观测信号,记录测量结果; 输出1kHz、2.0Vp-p的方波四、实验内容由图示可得测量值:Vp-p=______,T=______;t/DivV/Div四、实验内容(5)调节信号发生器,输出10kHz、3Vp-p的三角波;(6)适当调节示波器,观测信号,记录测量结果;V/Divt/Div由图示可得测量值:Vp-p=______,T=______;四、实验内容(7)打开占空比开关,调节占空比旋钮,从示波器上观测输出波形的改变,记录实验现象;实验现象:______________________________;四、实验内容(8)调节信号发生器,输出100kHz、10Vp-p的正弦波;(9)适当调节示波器,观测信号,记录测量结果;t/Div由图示可得测量值:Vp-p=______,T=______;四、实验内容(10)20dB衰减后的实验现象记录:示波器上显示Vp-p1=_____,实际信号Vp-p2=____ _;40dB衰减后的实验现象记录:示波器上显示Vp-p1=_____,实际信号Vp-p2=____ _;四、实验内容3.外测频率实验步骤:(1)将一台函数信号发生器A产生1KHz,2.0Vp-p的方波信号;(2)将另一台函数信号发生器B的外测频率开关打开(滤波键需按下、占空比开关关闭);(3)将A输出的信号接到B的外测输入端口;四、实验内容(4)记录B显示窗口的数据测量结果,完成下表;五、实验报告要求1.写出实验目的、设备和内容;2.正确记录实验现象和数据;3.简述如何输出1KHz,2.0Vp-p的正弦波信号?。
任务3 使用函数信号发生器函数信号发生器是一种多波形信号源,能够输出正弦波、方波、三角波、锯齿波等多种波形的信号,其输出波形均可用数学函数来描述,所以称为函数信号发生器。
函数信号发生器的输出频率范围很宽,一般可从几赫至几十兆赫。
由于函数信号发生器具有以上特点,它在很多情况下能够替代正弦信号发生器、脉冲信号发生器等,在生产、测试、维修和实验等工作中得到越来越广泛的应用。
本任务分别要求输出三种不同频率、幅度的波形,可采用函数信号发生器来实现。
EE1641C型函数信号发生器是一款广泛使用的函数信号发生器。
1. EE1641C型函数信号发生器的外形EE1641C型函数信号发生器的外形如图2-3-1 所示。
图2-3-1 EE1641C型函数信号发生器的外形【任务分析】【认识仪器】2. EE1641C型函数信号发生器的面板EE1641C型函数信号发生器的面板如图2-3-2 所示,各部件的功能见表2-3-1。
输入输出端子频率与幅度显示窗口选择按键与调节旋钮图2-3-2 EE1641C型函数信号发生器的面板表2-3-1 EE1641C型函数信号发生器面板各部件的功能部件功能频率显示窗口显示输出信号或外测信号的频率,其中,左侧显示信号波形,右侧显示信号频率的单位,下方为当前所选的频段指示灯幅度显示窗口显示输出信号的幅度,右侧显示输出信号的幅度单位和类型,下方为当前所选的输出衰减指示灯频率微调旋钮改变输出频率的 1 个频程内的频率范围占空比旋钮改变输出信号的对称性。
当此旋钮处在中心位置或关闭位置时,输出对称信号直流电平旋钮幅度调节旋钮扫描宽度/调制度旋钮扫描速率旋钮CMOS 电平调节旋钮频挡选择按键续表波形选择按键衰减选择按键幅值选择按键方式选择按键单脉冲按键电源开关按键外部输入端子函数输出端子同步输出端子单次脉冲端子点频输出端子(选件)功率输出端子(选件)3. EE1641C型函数信号发生器的性能指标EE1641C型函数信号发生器的性能指标见表2-3-2。
函数信号发生器的实现方法和使用方法信号发生器是如何工作的函数信号发生器是一种可以供应精密信号源的仪器,也就是俗称的波形发生器,最基本的应用就是通过函数信号发生器产生正弦波/方波/锯齿波/脉冲波/三角波等具有一函数信号发生器是一种可以供应精密信号源的仪器,也就是俗称的波形发生器,最基本的应用就是通过函数信号发生器产生正弦波/方波/锯齿波/脉冲波/三角波等具有一些特定周期性(或者频率)的时间函数波形来供大家作为电压输出或者功率输出等,它的频率范围跟它本身的性能有关,一般情况上都是可以从几毫赫甚至几微赫,甚至还可以显示输出超低频直到几十兆赫频率的波形信号源。
下面,大家就和我来了解一下它吧!函数信号发生器的实现方法:(1)用分立元件构成的函数发生器:通常是单函数发生器且频率不高,其工作不很稳定,不易调试。
(2)可以由晶体管、运放IC等通用器件制作,更多的则是用专门的函数信号发生器IC产生。
早期的函数信号发生器IC,如L8038、BA205、XR2207/2209等,它们的功能较少,精度不高,频率上限只有300kHz,无法产生更高频率的信号,调整方式也不够快捷,频率和占空比不能独立调整,二者相互影响。
(3)利用单片集成芯片的函数发生器:能产生多种波形,达到较高的频率,且易于调试。
鉴于此,美国美信公司开发了新一代函数信号发生器ICMAX038,它克服了(2)中芯片的缺点,可以达到更高的技术指标,是上述芯片望尘莫及的。
MAX038频率高、精度好,因此它被称为高频精密函数信号发生器IC。
在锁相环、压控振荡器、频率合成器、脉宽调制器等电路的设计上,MAX038都是优选的器件。
(4)利用专用直接数字合成DDS芯片的函数发生器:能产生任意波形并达到很高的频率。
但成本较高。
产生所需参数的电测试信号仪器。
按其信号波形分为四大类:①正弦信号发生器。
紧要用于测量电路和系统的频率特性、非线性失真、增益及灵敏度等。
按其不同性能和用途还可细分为低频(20赫至10兆赫)信号发生器、高频(100千赫至300兆赫)信号发生器、微波信号发生器、扫频和程控信号发生器、频率合成式信号发生器等。
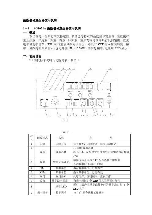
函数信号发生器使用说明1-1 SG1651A函数信号发生器使用说明一、概述本仪器是一台具有高度稳定性、多功能等特点的函数信号发生器。
能直接产生正弦波、三角波、方波、斜波、脉冲波,波形对称可调并具有反向输出,直流电平可连续调节。
TTL可与主信号做同步输出。
还具有VCF输入控制功能。
频率计可做内部频率显示,也可外测1Hz~10.0MHz的信号频率,电压用LED显示。
二、使用说明2.1面板标志说明及功能见表1和图1图1DC1641数字函数信号发生器使用说明一、概述DC1641使用LCD显示、微处理器(CPU)控制的函数信号发生器,是一种小型的、由集成电路、单片机与半导体管构成的便携式通用函数信号发生器,其函数信号有正弦波、三角波、方波、锯齿波、脉冲五种不同的波形。
信号频率可调范围从0.1Hz~2MHz,分七个档级,频率段、频率值、波形选择均由LCD显示。
信号的最大幅度可达20Vp-p。
脉冲的占空比系数由10%~90%连续可调,五种信号均可加±10V的直流偏置电压。
并具有TTL电平的同步信号输出,脉冲信号反向及输出幅度衰减等多种功能。
除此以外,能外接计数输入,作频率计数器使用,其频率范围从10Hz~10MHz(50、100MHz[根据用户需要])。
计数频率等功能信息均由LCD显示,发光二极管指示计数闸门、占空比、直流偏置、电源。
读数直观、方便、准确。
二、技术要求2.1函数发生器产生正弦波、三角波、方波、锯齿波和脉冲波。
2.1.1函数信号频率范围和精度a、频率范围由0.1Hz~2MHz分七个频率档级LCD显示,各档级之间有很宽的覆盖度,如下所示:频率档级频率范围(Hz)1 0.1~210 1~20100 10~2001K 100~2K10K 1K ~20K100K 10K ~200K1M 100K ~2M频率显示方式:LCD显示,发光二极管指示闸门、占空比、直流偏置、电源。
b、频率精度:±(1个字±时基精度)2.1.2 正弦波失真度10~30Hz,〈3%30Hz~100KHz,≤1%2.1.3 方波响应前沿/后沿≤100ns(开路)2.1.4 同步输出信号的幅度与前沿a、幅度(开路):≥3Vp-pb、前沿:Tr≤35ns2.1.5 最大输出幅度(开路)a、F〈1MHz 最大输出幅度≥20Vp-pb、1MHz≤F≤2MHz 最大输出幅度≥16Vp-p2.1.6 直流偏置(开路),最大直流偏置±10V2.1.7 输出阻抗Z Zo=50±5Ω2.1.8 占空比脉冲的占空比与锯齿波的上升,下降沿可连续变化,其变化范围在10%~90%。
函数信号发生器使用方法
函数信号发生器是一种用于产生各种波形信号的电子设备。
以下是使用函数信号发生器的一般步骤:
1. 首先,确保函数信号发生器与所需设备(如示波器、测试测量仪器等)连接正确。
通常,函数信号发生器具有一个输出端口,您需要使用合适的电缆将其连接到设备上。
2. 打开函数信号发生器的电源,并设置所需的输出波形类型。
函数信号发生器可提供多种波形选择,如正弦波、方波、三角波、锯齿波等。
3. 设置所需的频率或周期。
函数信号发生器可根据需要产生不同频率的信号。
您可以使用仪器的旋钮或按键设置所需的频率或周期。
4. 调整幅度或幅值。
函数信号发生器还可以调整信号的幅度或幅值。
您可以根据需要增加或减少信号的振幅。
5. 可选地,您还可以设置相位或延迟。
某些函数信号发生器还可以调整信号的相位或延迟。
这可以用于对不同信号进行时间校准或调整。
6. 当设置完成后,您可以将函数信号发生器的输出端口连接到所需的设备上,并调整设备上的任何其他参数以适应您的实验需求。
7. 最后,您可以检查连接和调整设备以确保它们按预期工作。
使用示波器或其他测试测量仪器观察产生的信号,并根据需要对设置进行微调。
请注意,具体的函数信号发生器型号和使用方法可能会有所不同,因此最好参考所使用的设备的用户手册以获取详细说明。
信号发生器的使用条件及操作规程信号发生器的使用条件信号发生器又称信号源或振荡器,在生产实践和科技领域中有着广泛的应用。
各种波形曲线均可以用三角函数方程式来表示。
能够产生多种波形,如三角波、锯齿波、矩形波(含方波)、正弦波的电路被称为函数信号发生器。
一、信号发生器的分类:1、正弦信号发生器:正弦信号紧要用于测量电路和系统的频率特性、非线性失真、增益及灵敏度等。
按频率覆盖范围分为低频信号发生器、高频信号发生器和微波信号发生器;按输出电平可调整范围和稳定度分为简易信号发生器(即信号源)、标准信号发生器(输出功率能精准地衰减到—100分贝毫瓦以下)和功率信号发生器(输出功率达数十毫瓦以上);按频率更改的方式分为调谐式信号发生器、扫频式信号发生器、程控式信号发生器和频率合成式信号发生器等。
2、高频信号发生器:频率为100千赫~30兆赫的高频、30~300兆赫的甚高频信号发生器。
一般接受LC调谐式振荡器,频率可由调谐电容器的度盘刻度读出。
紧要用途是测量各种接收机的技术指标。
输出信号可用内部或外加的低频正弦信号调幅或调频,使输出载频电压能够衰减到1微伏以下。
3、微波信号发生器:从分米波直到毫米波波段的信号发生器。
信号通常由带分布参数谐振腔的超高频三极管和反射速调管产生,但有渐渐被微波晶体管、场效应管和耿氏二极管等固体器件取代的趋势。
仪器一般靠机械调谐腔体来更改频率,每台可覆盖一个倍频程左右,由腔体耦合出的信号功率一般可达10毫瓦以上。
4、扫频和程控信号发生器:扫频信号发生器能够产生幅度恒定、频率在限定范围内作线性变化的信号。
在高频和甚高频段用低频扫描电压或电流掌控振荡回路元件(如变容管或磁芯线圈)来实现扫频振荡;在微波段早期接受电压调谐扫频,用更改返波管螺旋线电极的直流电压来更改振荡频率,后来广泛接受磁调谐扫频,以YIG铁氧体小球作微波固体振荡器的调谐回路,用扫描电流掌控直流磁场更改小球的谐振频率。
扫频信号发生器有自动扫频、手控、程控和远控等工作方式。
函数信号发生器的使用函数信号发生器是一种用于产生各种类型信号的电子设备。
它可以产生正弦波、方波、三角波等各种波形,可以调节频率、幅度、相位等参数,广泛应用于电子、通信、测量等领域。
本文将介绍函数信号发生器的基本原理、使用方法以及注意事项。
一、函数信号发生器的基本原理函数信号发生器是由振荡器、放大器、滤波器等电路组成的。
其中振荡器是最核心的部分,它产生原始的信号波形。
振荡器的基本原理是利用反馈电路实现自激振荡。
反馈电路将一部分输出信号送回到输入端,形成正反馈,使得振荡器产生周期性的振荡。
振荡器的频率由反馈电路和外部电路共同决定。
函数信号发生器的放大器和滤波器主要是为了增强信号的幅度和滤除杂波。
放大器将振荡器产生的信号放大到足够的幅度,以便于后续的处理和使用。
滤波器则可以滤除信号中的高频成分和噪声,使得信号更加稳定和准确。
二、函数信号发生器的使用方法函数信号发生器的使用方法比较简单,主要是设置频率、幅度、相位等参数,选择波形类型,连接到被测电路中。
下面将详细介绍函数信号发生器的使用步骤。
1. 首先,将函数信号发生器接通电源,打开电源开关。
2. 选择所需要的波形类型,可以是正弦波、方波、三角波等。
3. 设置信号的频率。
一般情况下,函数信号发生器的频率范围比较广,可以设置从几赫兹到几百兆赫的频率。
频率的设置可以通过旋钮、按键或者数字输入方式完成。
4. 设置信号的幅度。
幅度是指信号的电压大小,一般可以设置为几毫伏到几十伏不等。
幅度的设置也可以通过旋钮、按键或者数字输入方式完成。
5. 设置信号的相位。
相位是指信号的时间延迟或提前量,一般可以设置为0度到360度不等。
相位的设置也可以通过旋钮、按键或者数字输入方式完成。
6. 连接函数信号发生器到被测电路中。
连接方式可以使用万用表、示波器等测试仪器,也可以直接连接到被测电路的输入端。
7. 调节信号的参数,观察被测电路的响应情况。
如果需要调节信号参数,可以反复进行上述步骤。
总结实验中所用函数信号发生器的调节与使用方法下载提示:该文档是本店铺精心编制而成的,希望大家下载后,能够帮助大家解决实际问题。
文档下载后可定制修改,请根据实际需要进行调整和使用,谢谢!本店铺为大家提供各种类型的实用资料,如教育随笔、日记赏析、句子摘抄、古诗大全、经典美文、话题作文、工作总结、词语解析、文案摘录、其他资料等等,想了解不同资料格式和写法,敬请关注!Download tips: This document is carefully compiled by this editor. I hope that after you download it, it can help you solve practical problems. The document can be customized and modified after downloading, please adjust and use it according to actual needs, thank you! In addition, this shop provides you with various types of practical materials, such as educational essays, diary appreciation, sentence excerpts, ancient poems, classic articles, topic composition, work summary, word parsing, copy excerpts, other materials and so on, want to know different data formats and writing methods, please pay attention!实验中函数信号发生器的调节与使用方法在电子电路实验中,函数信号发生器是一种常用的仪器,用于产生各种波形信号,如正弦波、方波、三角波等。
总结实验中所用函数信号发生器的调节与使用方法在实验中,我们经常需要使用函数信号发生器来产生各种波形信号。
那么,如何调节和使用这个设备呢?下面我将从三个方面进行介绍:一、基本参数的调节我们需要了解函数信号发生器的基本参数,包括频率、振幅、相位等等。
这些参数直接影响到产生的波形信号的质量和特性。
因此,在开始实验之前,我们需要对这些参数进行适当的调节。
以频率为例,我们可以通过旋转频率旋钮来改变信号的频率。
一般来说,频率越高,波形越尖锐;反之则越低沉。
而振幅则是控制信号的幅度大小,通常用电子刻度尺进行调节。
需要注意的是,过大或过小的振幅都可能导致信号失真或无法产生。
至于相位,则是控制信号的正负极性,可以通过旋转相位旋钮来进行调整。
二、高级功能的使用除了基本参数的调节外,函数信号发生器还具有一些高级功能,如扫频、波形扩展、滤波等等。
这些功能可以帮助我们更好地控制和分析信号。
比如说,扫频功能可以让我们在一个指定的频率范围内扫描不同的频率值。
这对于测试设备的响应速度和稳定性非常有用。
而波形扩展功能则可以将单个波形分成多个部分,以便更细致地观察其变化过程。
滤波功能则可以用来去除信号中的杂乱噪声,提高信号的质量。
三、注意事项及维护保养我们还需要关注一些注意事项和维护保养问题。
要注意安全问题,避免电击和短路等情况的发生。
要定期清洁设备内部和外部的灰尘和污垢,以保持设备的正常工作状态。
还要注意设备的存放环境和温度条件,避免受到过度潮湿或高温的影响。
函数信号发生器是实验中不可缺少的重要设备之一。
通过正确的调节和使用方法,我们可以获得高质量、高稳定性的波形信号,为科研工作提供有力支持。
函数信号发生器的使用函数信号发生器是一种常用的电子测试仪器,用于产生各种波形的信号,之后将信号送往待测试电路,以检测电路在不同的工作条件下的性能表现。
本文将分步骤介绍如何使用函数信号发生器。
一、准备工作在使用函数信号发生器之前,首先需要了解设备的外部构建、掌握主要的操作按钮功能。
检查设备是否正常,以及清洁仪器表面。
同时,需要确保连接信号发生器与待测试电路的线路具备良好的接地,这将有助于避免由于浮动导致的干扰。
二、设置波形类型函数信号发生器能够产生多种类型的波形,包括正弦波、方波、三角波等等。
所以,在各种测试中,需要选择适当的波形类型。
在选择波形类型后,需要设置波形的频率、振幅和偏移量,这将有助于更好地处理电路并获得所需的测试数据。
三、设置波形参数在进行测试时,需要根据待测试的电路和测试要求,选择适当的波形参数。
这些参数包括水平分辨率、时间分辨率、通道数等。
在设置了这些参数后,需要进行迭代测试,以确定波形是否正确。
四、设置延时模式波形信号的延时模式可以帮助用户更好地理解信号在电路中传输的路径。
设置延时模式时,可以根据需要将波形延后或提前一定的时间,这将使波形在进行测试时更加直观。
需要注意的是,当波形信号在电路中传输时,需要考虑是否会与其他信号发生干扰。
五、记录测试数据在测试过程中,需要记录信号的基本信息,如频率、振幅、偏移量等。
同时,还需要记录电路的响应和任何异常情况。
这些数据的记录将有助于后续的分析和处理。
总之,使用函数信号发生器是一个重要的测试工具,能够帮助用户检测电路的性能。
在使用时,需要了解设备的基本操作方法,根据理论知识和测试要求来选择合适的波形参数。
此外,还需要注意测试方法的正确性,以获得可靠的测试数据。
实验四函数信号发生器的使用一、实验导读函数信号发生器是一种多波形信号源,它能产生某种特定的周期性时间函数波形。
可输出很低频率的信号,也称为低频信号发生器或波形发生器。
工作频率从几毫赫兹直至向十兆赫兹。
一般能产生正弦波,方波和三角波,有的还可以产生锯齿、矩形波(宽度和重复周期可调)、正负尖脉冲等波形。
它能进行调频,因而可成为低频扫频信号源。
函数信号发生器能在生产、测试、仪器维修和实验时作信号源使用。
产生信号的方法有3种,一种是用施密特电路产生方波,然后经变换得到三角波和正弦波,第二种是先产生正弦波再得到方波和三角波,第三种是先产生三角波再转换为方波和正弦波。
★★YB1600系列函数信号发生器使用说明安全警告1、仪器交流供电电源必须符合产品给定要求(AC220±10%V 50Hz)2、仪器交流供电电源必须有安全接地端3、更换电源保险丝必须符合产品给定要求4、各输出、输入端口,不可触接交流供电电源5、各输出、输入端口,不可触接±35V以上直流或交流电源6、输出端口尽量避免长时间短路(≤1分钟)7、为了确保仪器精度,请避免强磁电场Ⅰ、概述YB1600系列函数信号发生器,是一种新型高精度信号源,仪器外形美观、新颖、操作直观方便,具有数字频率计、计数器及电压显示功能,仪器功能齐全、各端口具有保护功能,有效地防止了输出短路和外电路电流的倒灌对仪器的损坏,大大提高了整机的可靠性。
广泛适用于教学、电子实验、科研开发、邮电通信、电子仪器测量等领域。
主要特点:1、率计和计数器功能(5位LED显示)。
2、输出电压指示(3位LED显示)。
3、轻触开关、面板功能指示、直观方便。
4、采用金属外壳,具有优良的电磁兼容性,外形美观坚固。
5、内置线性/对数扫频功能。
6、数字频率微调功能,使测量更精确。
7、50 Hz正弦波输出,方便于教学实验。
8、外接调频功能。
9、VGF压控输入。
10、所有端口具有短路和抗输入电压保护功能。
总结实验中所用函数信号发生器的调节与使用方法哎呀,今天咱们聊聊实验中那些函数信号发生器的调节与使用方法。
这可是个技术活,不过别担心,我会尽量用大白话跟你说清楚的。
咱们得知道啥是函数信号发生器吧?简单来说,它就是一种能产生各种波形的电子设备。
咱们在实验中用它来模拟各种声音、光信号等,方便我们观察和分析。
好了,废话不多说,咱们开始进入正题吧!咱们得找到一个合适的函数信号发生器。
这个东西可不是随便买买就行的,得根据咱们实验的需求来选择。
比如说,如果咱们需要产生高频信号,那就要选一个频率范围比较窄的;如果需要产生低频信号,那就要选一个频率范围比较广的。
选对了函数信号发生器,实验效果会事半功倍哦!接下来,咱们得学会如何调节函数信号发生器的参数。
这些参数包括振幅、频率、相位等等。
调节这些参数的目的是为了得到咱们想要的波形。
比如说,如果咱们想让信号发生器的输出波形是一个正弦波,那咱们就需要设置振幅、频率和相位等参数。
当然了,这些参数的设置方法因函数信号发生器的不同而有所区别,所以咱们得先看看使用说明书哦!除了调节参数之外,咱们还可以通过连接其他设备来扩展函数信号发生器的功能。
比如说,咱们可以将函数信号发生器与示波器相连,这样就可以观察到信号发生的波形变化了;还可以将函数信号发生器与耳机相连,这样就可以听到信号发出的声音了。
当然了,这些设备的连接方法也需要参考使用说明书哦!咱们还得学会如何关闭函数信号发生器。
这个步骤看似简单,但其实也是很重要的哦!因为如果不正确关闭函数信号发生器,可能会对实验设备造成损坏,甚至危及人身安全。
所以呢,在实验结束后,一定要按照正确的步骤关闭函数信号发生器哦!好啦,今天的实验小技巧就分享到这里啦!希望对你们有所帮助哦!记得多动手实践一下,才能真正掌握这些技能呢!下次再见啦!。
总结实验中所用函数信号发生器的调节与使用方法嘿,伙计们!今天我们要聊聊一个非常有趣的话题——实验中所用的函数信号发生器的调节与使用方法。
别看这个东西看起来挺高级的,其实它的用处可大了!它可以帮助我们在实验室里产生各种各样的信号,让我们的研究变得更加丰富多彩。
那么,我们就一起来了解一下这个神奇的小玩意儿吧!我们来说说函数信号发生器的构造。
它通常由一个叫做“振荡器”的部件和一个叫做“放大器”的部件组成。
振荡器的作用是产生一个周期性的信号,而放大器则负责将这个信号放大,以便我们可以在实验中观察到它。
现在的函数信号发生器已经做得越来越高级了,有些甚至可以模拟出各种复杂的信号,比如正弦波、方波、三角波等等。
那么,如何调节函数信号发生器呢?这里我们就需要用到一些基本的知识了。
我们需要知道什么是频率和振幅。
频率是指单位时间内振动的次数,而振幅则是指振动的最大幅度。
在调节函数信号发生器时,我们需要根据实验的需求来选择合适的频率和振幅。
比如,如果我们需要产生一个高频率的信号,那么我们就需要将振荡器的频率调得更高;如果我们需要产生一个较大的信号,那么我们就需要将放大器的增益调得更高。
除了频率和振幅之外,我们还需要关注一些其他的因素。
比如,我们需要注意函数信号发生器的相位。
相位是指信号从零点开始到达最大值的时间差。
在某些实验中,相位的选择会对实验结果产生很大的影响。
我们还需要注意函数信号发生器的稳定性。
稳定性是指在长时间运行过程中,信号发生器的输出是否会发生变化。
为了保证实验的准确性,我们需要选择一个稳定的信号发生器。
好了,现在我们已经了解了如何调节函数信号发生器。
那么,接下来我们就要说说如何使用它来进行实验了。
在使用函数信号发生器时,我们通常需要先将其连接到我们的实验设备上。
这可能需要一些电子知识和技能,但是不用担心,只要跟着说明书一步一步来,你也可以轻松完成这个任务。
连接好之后,我们就可以开始实验了。
在实验过程中,我们需要不断地调整函数信号发生器的参数,以便得到我们想要的信号。
函数信号发生器使用说明函数信号发生器主要由信号产生电路、信号放大电路等部分组成。
可输出正弦波、方波、三角波三种信号波形。
输出信号电压幅度可由输出幅度调节旋钮进行调节,输出信号频率可通过频段选择及调频旋钮进行调节。
其外形如下图:使用说明:电源开关:将电源开关按键弹出即为“关”位置,将电源线接入,按电源开关,以接通电源。
LED显示窗口:此窗口指示输出信号的频率,当“外测”开关按入,显示外测信号的频率。
如超出测量范围,溢出指示灯亮。
频率调节旋钮:调节此旋钮改变输出信号频率,顺时针旋转,频率增大,逆时针旋转,频率减小,微调旋钮可以微调频率。
占空比调节:占空比开关,占空比调节旋钮,将占空比开关按入,占空比指示灯亮,调节占空比旋钮,可改变波形的占空比。
波形选择开关:按对应波形的某一键,可选择需要的波形。
衰减开关:电压输出衰减开关,二档开关组合为20dB、40dB、60dB。
频率范围选择开关(并兼频率计闸门开关):根据所需要的频率,按其中一键。
计数、复位开关:按计数键,LED显示开始计数,按复位键,LED显示全为0计数/频率端口:计数、外测频率输入端口。
外测频开关:此开关按入LED显示窗显示外测信号频率或计数值。
电平调节:按入电平调节开关,电平指示灯亮,此时调节电平调节旋钮,可改变直流偏置电平。
幅度调节旋钮:顺时针调节此旋钮,增大电压输出幅度。
逆时针调节此旋钮可减小电压输出幅度。
电压输出端口:电压输出由此端口输出。
TTL/CMOS输出端口:由此端口输出TTL/CMOS信号。
功率输出端口:功率输出由此端口输出。
扫频:按入扫频开关,电压输出端口输出信号为扫频信号,调节速率旋钮,可改变扫频速率,改变线性/对数开关可产生线性扫频和对数扫频。
电压输出指示:3位LED显示输出电压值,输出接50Ω负载时应将读数÷2。
函数信号发生器的使用方法规定
1、目的:为操作人员作操作指导。
2、范围:适用于函数信号发生器操作人员。
3、操作步骤:
3.1注意事项
仪器在只使用“电压输出端”时应将“输出衰减”开关置于“0dB”~“80dB”内的位置,以免功率指示电压表指示过大而损坏。
3.2使用方法
3.2.1开机:在未开机前应首先检查仪器外接电源是否为交流220V±10%,50Hz±5%,
并检查电源插头上的地线脚应与在地接触良好,以防机壳带电。
面板上的电源开关
应放在“关”位置,“电平调节”旋钮置中间,输出衰减旋钮置“0dB”,频段开关设
置在你所需要的频段。
3.2.2频率选择:首先将频段开关设置在你所期望的频率范围内,然后调节频率调谐旋钮
和频率微调旋钮,至数码管上指示你所需要的频率为止。
3.2.3波形选择:波形开关在“~”位置,可在电压输出端获得全频段的电压正弦信号,在
功率输出端可获得20Hz~100kHz的功率输出;波形开关在“”位置,在电压输
出端可获得全频段的电压方波信号。
输出衰减在功率输出端8Ω档同样可以获得
20Hz~100kHz的方波功率输出。
3.2.4输出电压调整:电压输出端的输出电压可通过“电平调节”旋钮连续可调。
3.2.5功率输出调整:功率输出端的输出同由“电平调节”旋钮控制调节,并可通过“输
出衰减”进行80 dB的衰减。
“输出衰减”控制开关上有8Ω和600Ω二档匹配档,
用以匹配低阻和较高负载以获取最大输出功率。
3.2.6功率的平衡输出:本仪器600Ω功率输出档可进行平衡输出,方法是可将面板上中间
红色接线柱和黑色接线柱之间的接地片取下,接在两个红色接线柱上即可,但本仪器连接的其它仪器也应不接在“地”电位。