钢筋机械连接工艺试验(最新版)
- 格式:doc
- 大小:23.00 KB
- 文档页数:2
钢筋机械连接试验报告京沪高速铁路钢筋机械连接试验报告委托单位:中铁十八局集团第一工程样品来源:施工现场报告编号:JHTJ1-ZT18JLC10-有限公司沧县制梁 GJLJ-20081025-001工程名称:青沧特大桥接头类型:滚轧直螺连接接头委托编号:GJLJ-20081025-001 使用部位:预制箱梁母材级别:?455MPa 试验日期:2008-10-25 生产厂家:河北栋梁代表数量:485个报告日期:2008-10-25试件编号标准项目规定值 1 2 3 4 5 6取样部位 / 同一根钢筋上截取现场截取试件种类 / 母材接头公称直径a(mm) / 16 16 16 16 16 162公称面积S(mm) / 201.1 201.1 201.1 201.1 201.1 201.1母材 ?455 抗拉强度 540 550 565 560 570 560 拉σ(MPa) b 接头 ?500或实际母材强度伸断口位置 / / / / 断于母材断于母材断于母材试验断裂特征 / / / / 延性延性延性检测评定依据: 试验意见:JG163-2004 《滚轧直螺钢筋连接接头》经检验,该批滚轧直螺连接接头单向拉伸试验合格。
JGJ107-2003《钢筋机械连接通用技术规程》GB/T228-2002《金属材料室温拉伸实验方法》试验: 复核: 技术负责人: 单位(章京沪高速铁路钢筋机械连接试验报告委托单位:中铁十八局集团第一工程样品来源:施工现场报告编号:JHTJ1-ZT18JLC10-有限公司沧县制梁 GJLJ-20081025-002工程名称:青沧特大桥接头类型:滚轧直螺连接接头委托编号:GJLJ-20081025-002 使用部位:预制箱梁母材级别:?455MPa 试验日期:2008-10-25 生产厂家:河北栋梁代表数量:480个报告日期:2008-10-25试件编号标准项目规定值 1 2 3 4 5 6取样部位 / 同一根钢筋上截取现场截取试件种类 / 母材接头公称直径a(mm) / 20 20 20 20 20 202公称面积S(mm) / 314.2 314.2 314.2 314.2 314.2 314.2母材 ?455 抗拉强度 555 560 570 565 575 570 拉σ(MPa) b 接头 ?500或实际母材强度伸断口位置 / / / / 断于母材断于母材断于母材试验断裂特征 / / / / 延性延性延性检测评定依据: 试验意见:JG163-2004 《滚轧直螺钢筋连接接头》经检验,该批滚轧直螺连接接头单向拉伸试验合格。
引江济淮工程(安徽段)江水北送段H001(河渠)标直螺纹钢筋机械连接工艺性试验方案批准:审核:编制:中国水利水电第十一工程局有限公司引江济淮工程江水北送段H001标项目经理部目录一、工程概况 (1)二、试验目的 (2)三、编制的依据 (2)四、施工准备 (2)五、适用范围 (3)六、工艺原理 (3)七、工艺流程及操作要点 (3)八、质量要求 (5)九、钢筋连接接头检验 (6)十、安全及环保措施 (7)直螺纹钢筋机械连接工艺性试验方案一、工程概况本标段为引江济淮工程(安徽段)江水北送段 H001(河渠)标,本标段由A水利工程和 B 公路工程组成。
其中 A 水利工程由 H001(河渠)标水利工程部分组成;B 公路工程包括杨村集桥、展沟桥、阚疃集闸交通桥、S224 西淝河桥四座跨河桥梁。
(2)主要施工内容1)西淝河阚疃南站~刘张庄(桩号50+193~30+281),河道长19.912km;2)西淝河下段阚疃集闸~西淝河北站(桩号61+543~73+457),河道长11.914km;3)新建阚疃南站和阚疃南闸工程的土建及安装工程;4)新建西淝河北站和防洪闸工程的土建及安装工程;5)西淝河封闭配套工程共15座建筑物,其中西淝河下段共6座建筑物,西淝河上段共9座建筑物;6)西淝河下段改建桥梁3座、加固桥梁1座。
主体混凝土合同工程量约13.5万m3,钢筋制安约1.1万t,根据工程实际,我方充分考虑钢筋连接施工质量要求,为便于施工,主体工程中直径Ф22以上螺纹钢筋(包括Ф22钢筋)连接采用机械连接,即钢筋套筒连接方式。
二、试验目的通过滚轧直螺纹工艺性试验确定各项参数,确保现场钢筋机械连接的质量。
三、编制的依据(1)《钢筋机械连接通用技术规程》JGJ107-2016。
(2)《滚轧直螺纹钢筋连接接头》G/T 163-2013。
(3)引江济淮工程(安徽段)江水北送段H001(河渠)标工程设计图纸。
四、施工准备1、机械设备机械连接主要设备是AX-40C型直螺纹滚丝机。
赤峰市中环路快速化改造工程PPP项目钢筋剥肋滚轧直螺纹连接工艺试验报告一、施工准备1、材料(1)钢筋:HRB400级B28钢筋,力学性能及直径均达到规范要求,有出场合格证及质量证明书,钢筋无锈蚀和油污。
(2)直螺纹连接套:型号G C22,规格A32.6mm×55mm,适用品种HRB500、HRB400,连接接头性能等级为Ⅰ级,有产品合格证、套筒及套筒原材质量证明书及型式检验报告。
2、设备(1)主要设备:GY-40C-11型钢筋剥肋滚轧直螺纹套丝机(功率4KW、电压380V)(2)其它设备:管钳、断筋机、力矩扳手、通规、止规等。
3、作业条件(1)操作人员熟悉钢筋机械连接通用技术规程(JGJ107-2016)和相关条款。
(2)380V三相交流电源。
(3)套筒无锈蚀、油脂、裂缝节疤等缺陷,尺寸符合产品质量标准要求,丝扣干净,完好无损。
(4)操作手要熟悉设备的操作规程,具备安全防护能力,防止发生挤伤、触电等事故。
4、主要参数主要的参数有:接头性能等级、咬合丝扣数。
二、机械连接方法简介1、机械连接机械连接是通过钢筋与连接件的机械咬合作用或钢筋端面的承压作用,将一根钢筋中的力传递至另一根钢筋的连接方法。
钢筋机械连接技术是一项新型钢筋连接工艺,被称为继绑扎、电焊之后的“第三代钢筋接头”。
钢筋剥肋滚轧直螺纹套筒连接是机械连接中的一种,是将钢筋连接端头采用专用剥肋滚轧设备和工艺,通过剥肋滚丝机将钢筋端头滚轧成直螺纹,并用相应的连接套筒将两根待连接钢筋连接成一体的钢筋连接。
2、机械连接的特点(1)设备投资少,螺纹加工简单,接头强度高于钢筋母材,生产效率高,无污染,节省钢材,现场施工方便。
(2)节省电能(设备功率仅为4KW),不受钢筋可焊性制约,不受季节影响,不用明火,无水灾和爆炸安全隐患。
(3)连接质量受人为因素影响小,工艺性能良好和接头质量可靠度高等。
三、工艺流程工艺流程如下:现场钢筋母材检验→钢筋端部平头→初选连接参数→剥肋滚轧螺纹→直螺纹扣丝检验→套筒连接→送检→确定连接参数。
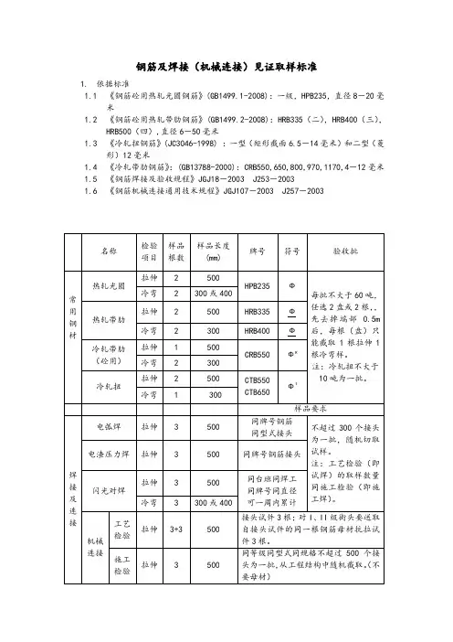
一、检测依据:JGJ 107-2010 《钢筋机械连接通用技术规程》二、评定标准:JGJ 108-96 《带肋钢筋套筒挤压连接技术规程》JG/T 3057-1999 《镦粗直螺纹钢筋接头》JGJ 109-96 《锥螺纹接头技术规程》JG 163—2004 《滚轧直螺纹钢筋连接接头》三、试验目的:为了检验混凝土结构中使用钢筋机械连接,接头试件在拉伸过程中的最大拉力能否满足要求,确保工程质量。
四、钢筋机械连接方式:带肋钢筋套筒挤压连接、镦粗直螺纹钢筋接头、锥螺纹接头、滚轧直螺纹连接拉伸试验。
试验温度:10~35℃室温下进行。
五、仪器设备:1、试验机能满足标准测定力学性能的要求。
WAW-600型电液伺服万能试验机测量范围 0~600KNWAW-1000型电液伺服万能试验机测量范围 0~1000KNWAW-2000型电液伺服万能试验机测量范围 0~2000KN试验机测力示值误差不大于±1%2、根据式样尺寸测量精度的要求选用相应精度的量具或仪器。
游标卡尺:0~300mm 精确度0.02mm3、试验机及测量工具或仪器必须由计量部门定期检查。
六、检测过程:1.试验前观察温室度计,在仪器使用记录上做好温湿度记录。
2.根据钢筋级别、直径选用适配的拉力试验机。
3.接通电源,开机,按仪表板的电源开关,电源开关指示灯亮。
4.按下“启动油泵”开关,启动油泵电机,通过手动控制盒上的按钮控制升降电机,带动丝杠移动下横梁于适当位置,调好夹持空间后,按手动控制盒上的按钮控制上夹头的“紧”按钮将试样夹紧。
(依据试样的直径和宽度,选择适当的钳口,不可用大试样的钳口夹持小试样。
钳口夹持试样的长度,应不小于钳口总长的2/3。
否则造成横梁的钳口部位卷边损坏。
)5.清零和数据输入。
6.工艺检验还需要将残余变形装置安装在试样上,定位、夹持好后,变形、负荷清零。
7.在电脑上点击‘测试’,此时试样的负荷值、位移量及试验速率分别在负荷、位移、速率显示器上显示(测试残余变形试验速率为2~10MPa•S-1,抗拉强度为0.05L/min)直至试验结束。
钢筋连接工艺试验方案1、工程概况本工程是北京市房山区大石河水环境综合治理PPP项目琉璃河污水处理厂提标改造工程,工程地址房山区琉璃河镇祖村。
本工程主要建设内容为:一个新建调节池,一个新建膜设备间。
调节池为钢筋混凝土结构,钢筋均为三级钢,依据设计图纸要求,基础底板及墙体钢筋Φ16-Φ25规格钢筋连接采用直螺纹连接施工。
膜设备间为框架结构,基础底板、柱子及屋面等部位钢筋均为三级钢,基础底板钢筋及柱子钢筋中Φ16-Φ25规格连接采用直螺纹连接施工。
依据该工程施工特点及施工情况,同时为保证施工质量,做出本施工方案。
2、试验目的、适用范围根据JGJ18-2018强制性条文要求,在工程开工或者每批钢筋正式接头试件力学性能试验(拉伸、弯曲等)结果应符合质量检验与验收时的要求。
每种牌号、每种规格钢筋至少做1组试件。
若第1次未通过,应改进工艺,调整参数,直至合格为止。
在直螺纹连接施工过程中,如果钢筋牌号、直径发生变更,应同样进行直螺纹连接工艺试验。
3、试验依据1、《混凝土结构工程施工质量验收规范》(GB50204-2015)2、《钢筋机械连接通用技术规程》JGJ107-20163、《滚轧直螺纹钢筋连接接头》JG163-20174、钢筋直螺纹连接4.1本次试验需要连接的类别4.2试验准备和作业条件4.2.1 材料准备1、钢筋要求钢筋的级别、直径必须符合设计要求,有出厂证明书及复试报告单。
钢筋应无老锈和油污。
3、直螺纹套筒钢筋连接直螺纹套筒为定型产品。
套筒母材质为45#钢。
每批套筒进场时须核实其产品合格证,两端有保护套进行保护,经进场质检员复核合格后方可用于施工。
材质应符合有关钢材的现行国家标准及《钢筋机械连接通用技术规程》JGJ107-2016的有关规定。
4.2.2 设备机具准备表1:机械设备表4.2.3 作业条件1、操作人员必须持有有效的上岗资格证。
2、钢筋端头间隙、接头位置以及钢筋轴线应符合规定。
3、电源应符合要求。
直螺纹连接(1)工艺流程:钢筋就位→拧下钢筋保护帽→接头拧紧→作标记→施工检验(JGJ107-96)(2)操作要点1)钢筋就位:将丝头检验合格的钢筋(丝扣干净,完好无损)搬运待连接处;2)接头拧紧:接头的连接用力矩扳手进行施工,将两个钢筋丝头在套筒中间位置相互顶紧,接头拧紧符合规定,力矩扳手精度±5%3)作标记:经拧紧后的滚压直螺纹接头应作标记,与未拧紧的接头区分开,单边外露丝扣长度不应超过2个丝扣。
4)施工检验:对施工完的接头进行现场取样检验。
电渣压力焊连接(1)引弧过程:当接通电源的瞬时,上下钢筋端头开始打火引弧。
起弧方法有两种:一种是辅助引弧法,即用铁丝球或小段电焊条夹住在上下钢筋之间,通电时铁丝烧化,引起电弧。
另一种是直接引弧法,即上下钢筋顶住,在通电瞬间,上提钢筋2~4㎜,即能引起电弧。
(2)电弧过程:电弧引燃后,继续维持电弧稳定燃烧,产生大量热量,使上下钢筋端头熔化,周围焊剂也随同熔化。
随着电弧燃烧使钢筋端部逐渐烧平,熔化的金属形成熔池,熔化的焊剂成为渣池,液态的渣池覆盖在金属溶池上,随着电弧过程的延长,渣池和熔池不断扩大加深。
(3)电渣过程:电弧燃烧到一定时间使渣池达到一定深度时,上钢筋直接向下深入液态渣池中,电弧熄灭,进入电渣熔炼阶段。
由于电流经过渣池放出大量电阻热,使上下钢筋端头熔化的速度加快,最终形成微凸形平整的形状。
(4)顶压过程:钢筋熔化到一定量,迅速下送上钢筋,使其端部压入金属熔池,使液态金属和熔渣从接头处挤压出去,这时未熔焊剂包敷挤出的溶液,断电后逐渐冷却成为固态,熔渣形成外面的渣壳,液态金属形成焊包,完全冷却后敲去渣壳就能见到黑蓝光泽的焊包。
钢筋机械连接检验实施细则一、检测依据:JGJ107-2003 《钢筋机械连接通用技术规程》二、评定标准:JGJ108-96 《带肋钢筋套筒挤压连接技术规程》JG/T 3057-1999 《镦粗直螺纹钢筋接头》JGJ109-96 《锥螺纹接头技术规程》JG 163—2004 《滚轧直螺纹钢筋连接接头》三、试验目的:为了检验混凝土结构中使用钢筋机械连接,接头试件在拉伸过程中的最大拉力能否满足要求,确保工程质量。
四、钢筋机械连接方式:带肋钢筋套筒挤压连接、镦粗直螺纹钢筋接头、锥螺纹接头、滚轧直螺纹连接拉伸试验。
试验温度:10~35℃室温下进行。
五、仪器设备:1、试验机能满足标准测定力学性能的要求。
WA-100B 液压万能试验机测量范围0~100KNWA-1000B 液压万能试验机测量范围0~1000KN试验机测力示值误差不大于±1%2、根据式样尺寸测量精度的要求选用相应精度的量具或仪器。
游标卡尺:0~100mm 精确度0.02mm3、试验机及测量工具或仪器必须由计量部门定期检查。
六、检测过程:1、试验前观察温室度计,在仪器使用记录上做好温湿度记录。
2、根据钢筋级别、直径选用适配的拉力试验机。
3、接通电源,开机,按仪表板的电源开关,电源开关指示灯亮。
4、按下“启动油泵”开关,启动油泵电机,通过手动控制盒上的按钮控制升降电机,带动丝杠移动下横梁于适当位置,调好夹持空间后,按手动控制盒上的按钮控制上夹头的“紧”按钮将试样夹紧。
(依据试样的直径和宽度,选择适当的钳口,不可用大试样的钳口夹持小试样。
钳口夹持试样的长度,应不小于钳口总长的2/3。
否则造成横梁的钳口部位卷边损坏。
)5、清零和数据输入。
6、将引伸计安装在试样上,定位、夹持好后,变形、负荷清零,将下夹头加紧。
此时不可再清零,否则会引起测量误差。
7、试验过程:关闭回油阀,监视速率显示,开始送油阀进行加荷,使速率显示基本稳定在一定范围内,此时试样的负荷值、变形量及试验速率分别在负荷、变形、速率显示器上显示,直至试验结束。
钢筋机械连接施工工艺试验方案试验目的本试验旨在验证滚轧直螺纹钢筋机械连接工艺的可行性和可靠性,为工程实际应用提供技术支持和保障。
编制的依据本试验方案参照国家相关标准和规范,包括《钢筋机械连接技术规程》(107-2010)等。
施工准备在试验前,应对设备进行检查和维护,确保其正常运行。
同时,应准备好试验所需的材料和工具,并对试验场地进行清理和消毒。
适用范围本试验适用于滚轧直螺纹钢筋机械连接工艺在排水箱涵等钢筋混凝土结构中的应用。
工艺原理滚轧直螺纹钢筋机械连接工艺是通过钢筋加工设备将钢筋进行加工,形成直螺纹,再通过机械连接器将两根钢筋连接在一起,从而达到钢筋连接的目的。
工艺流程及操作要点1.钢筋加工:将钢筋经过清洗、切割和滚轧等工艺加工,形成直螺纹。
2.连接器安装:将连接器安装在钢筋上,并根据连接器型号和钢筋直径选择合适的连接器。
3.连接器压接:使用连接器压接机对连接器进行压接,确保连接牢固。
4.拉伸试验:对连接后的钢筋进行拉伸试验,检测连接的强度和可靠性。
质量要求1.连接强度:连接后的钢筋拉伸强度应不低于钢筋本身的屈服强度。
2.连接可靠性:连接后的钢筋应具有良好的抗震性和抗裂性能。
3.连接效率:连接工艺应具有高效、便捷的特点,能够提高工程施工效率。
钢筋连接接头检验对连接后的钢筋进行拉伸试验和冲击试验,检测连接的强度和韧性。
同时,对连接后的钢筋进行外观检查和尺寸检查,确保连接质量符合要求。
结论本试验结果表明,滚轧直螺纹钢筋机械连接工艺在排水箱涵等钢筋混凝土结构中应用可行,连接强度和可靠性良好,且连接效率高。
安全及环保措施在试验过程中,应加强现场安全管理,确保操作人员安全。
同时,应注意环境保护,避免对环境造成污染。
附页本试验方案所用材料和设备清单:1.滚轧直螺纹钢筋加工设备2.钢筋连接器及压接机3.拉伸试验机和冲击试验机4.清洁消毒用品5.环保材料和设备。
材料准备:进场钢筋、连接套筒、焊条等必须符合相关标准和要求,并经过复核和检测。
第页共页
钢筋机械连接试验检测报告JB011002试验室名称:报告编号:工程名称工程部位/用途
施工单位监理单位
样品名称规格型号
生产厂家/产地代表数量
取样地点样品描述
报告日期试验日期
试验依据判定依据
主要仪器设备
及编号
套筒长度(mm)套筒直径(mm)
试验编号
公称
直径
(mm)
公称
面积
(mm²)
抗拉强度(MPa)断口
距套
筒距
离
(mm)
断裂
形式
试验
结果
ⅠⅡⅢ
技术
指标
检测
结果
技术
指标
检测
结果
技术
指标
检测
结果
检测结论:监理意见:
备注:
试验:审核:签发:日期:年月日(专用章)。
钢筋机械连接质量标准和检验办法1.接头的型式检验1.1接头应根据抗拉强度、残余变形以及高应力和大变形条件下反复拉压性能的差异,分为下列三个等级:I级:接头抗拉强度等于被连接钢筋实际抗拉强度或不小于1.10倍钢筋抗拉强度标准值,残余变形小并具有高延性及反复拉压性能。
Ⅱ级:接头抗拉强度不小于被连接钢筋抗拉强度标准值,残余变形较小并具有高延性及反复拉压性能。
Ⅲ级:接头抗拉强度不小于被连接钢筋屈服强度标准值的1.25倍,残余变形较小并具有延性及反复拉压性能。
1.2 下列情况时应进行型式检验:1、确定接头性能等级时;2、材料、工艺、规格进行改动时;3、型式检验报告超过4年时;4、业主提出需做型式检验的要求时;5、国家质量监督机构提出需做型式检验的要求时。
1.3接头的现场检验应按验收批进行,同一施工条件下采用同一批材料的同等级、同型式、同规格接头,应500个位一个验收批进行检验与验收,不足500个也应作为一个检验批。
1.4每种型式、级别、规格、材料、工艺的钢筋机械连接接头,形式检验不应小于9个:其中单向拉伸试件不应小于3个,高应力反复拉压试件不应小于3个,大变形反复拉压试件不应小于3个。
同时应另取3根钢筋试件做抗拉强度试验。
全部试件应在同一根钢筋上截取。
1.5 钢筋套筒做型式检验报告时的试验(见表A)1、接头单向拉伸时的强度和变形时接头的基本性能;2、高应力反复拉压性能(风荷载及小地震情况下承受高应力反复拉压的能力);3、大变形反复拉压性能(结构在强烈地震情况下钢筋进入塑性变形阶段接头的受力性能)。
表A 接头试件型式检验的加载制度1.6 用于形式检验的套筒接头试件应散件送达检测单位,由型式检验单位或在其监督下使用效核用扭力扳手效核拧紧扭矩,拧紧扭矩值应符合表B规定:表B直螺纹接头安装时的最小拧紧扭矩值1.7 型式检验的试验方法1.7.1 强度检验:每个接头试件的强度实测值均应符合表C中相应接头等级的强度要求:表C 接头的抗拉强度表D规定:表D 接头的变形性能1.7.3 型式检验应由国家、省部级主管部门认可的检测机构进行,并出具检验报告和评定结论。
钢筋机械连接检验实施细则一、检测依据:JGJ107-2003 《钢筋机械连接通用技术规程》二、评定标准:JGJ108-96 《带肋钢筋套筒挤压连接技术规程》JG/T 3057-1999 《镦粗直螺纹钢筋接头》JGJ109-96 《锥螺纹接头技术规程》JG 163—2004 《滚轧直螺纹钢筋连接接头》三、试验目的:为了检验混凝土结构中使用钢筋机械连接,接头试件在拉伸过程中的最大拉力能否满足要求,确保工程质量。
四、钢筋机械连接方式:带肋钢筋套筒挤压连接、镦粗直螺纹钢筋接头、锥螺纹接头、滚轧直螺纹连接拉伸试验。
试验温度:10~35℃室温下进行。
五、仪器设备:1、试验机能满足标准测定力学性能的要求。
WA-100B 液压万能试验机测量范围0~100KNWA-1000B 液压万能试验机测量范围0~1000KN试验机测力示值误差不大于±1%2、根据式样尺寸测量精度的要求选用相应精度的量具或仪器。
游标卡尺:0~100mm 精确度0.02mm3、试验机及测量工具或仪器必须由计量部门定期检查。
六、检测过程:1、试验前观察温室度计,在仪器使用记录上做好温湿度记录。
2、根据钢筋级别、直径选用适配的拉力试验机。
3、接通电源,开机,按仪表板的电源开关,电源开关指示灯亮。
4、按下“启动油泵”开关,启动油泵电机,通过手动控制盒上的按钮控制升降电机,带动丝杠移动下横梁于适当位置,调好夹持空间后,按手动控制盒上的按钮控制上夹头的“紧”按钮将试样夹紧。
(依据试样的直径和宽度,选择适当的钳口,不可用大试样的钳口夹持小试样。
钳口夹持试样的长度,应不小于钳口总长的2/3。
否则造成横梁的钳口部位卷边损坏。
)5、清零和数据输入。
6、将引伸计安装在试样上,定位、夹持好后,变形、负荷清零,将下夹头加紧。
此时不可再清零,否则会引起测量误差。
7、试验过程:关闭回油阀,监视速率显示,开始送油阀进行加荷,使速率显示基本稳定在一定范围内,此时试样的负荷值、变形量及试验速率分别在负荷、变形、速率显示器上显示,直至试验结束。
钢筋机械连接工艺性能检测验收中的几个问题发表时间:2020-12-08T12:30:34.463Z 来源:《城镇建设》2020年8月第24期作者:史松涛[导读] 对钢筋机械连接工艺性能的试验检测, 应按照《规程》中有关规定正确地贯彻实施。
史松涛莱州市建筑工程质量检测站山东省莱州市 261400摘要:现行《钢筋机械连接通用技术规程》( JGJ107- 2003 )( 以下简称《规程》) 定义, 钢筋机械连接是通过钢筋与连接件的机械咬合作用或钢筋端面的承压作用, 将一根钢筋的力传递至另一根钢筋的连接方法, 其接头长度是接头连接件长度加连接件两端钢筋横截面变化区段的长度。
对钢筋机械连接工艺性能的试验检测, 应按照《规程》中有关规定正确地贯彻实施。
本文结合多项建筑工程中钢筋机械连接工艺性能验收的事例, 以所列类型接头的接头长度为套筒长度加两端外露丝扣长度举证, 对存在问题加以分析与研究。
关键词: 钢筋机械连接; 钢筋抗拉强度; 破坏形态1 《规程》中对钢筋机械连接接头试验检测的规定( 1 ) 《规程》第 3.0.5 条要求 , Ⅰ级、Ⅱ级、Ⅲ级钢筋机械连接接头的抗拉强度应符合图 1 的要求。
图1 钢筋机械连接接头的抗拉强度( 2 ) 《规程》第 6.0.2 条要求, 钢筋连接工程开始前及施工过程中, 应对每批进场钢筋进行接头工艺检验 , 工艺检验应符合下列要求: 每种规格钢筋的接头试件不应少于 3根; 钢筋母材抗拉强度试件不应少于 3 根, 且应取自接头试件的同 1 根钢筋; 3 根接头试件的抗拉强度均应符合表 1 的规定, 对于Ⅰ级接头, 试件抗拉强度尚应大于等于钢筋抗拉强度实测值的 0.95 倍, 对于Ⅱ级接头则应大于 0.90 倍。
( 3 ) 《规程》第 6.0.5 条要求, 对接头的每一验收批 , 必须在工程结构中随机截取 3 个接头试件作抗拉强度试验,按设计要求的接头等级进行评定。
如果 3 个接头试件的抗拉强度均符合表 1 中相应等级的要求, 该验收批评为合格;若有 1 个试件的强度不符合要求, 应再取 6 个试件进行复检, 复检中如仍有 1 个试件的强度不符合要求, 该验收批评为不合格。