柱包角钢加固施工方案
- 格式:doc
- 大小:68.00 KB
- 文档页数:8
柱外包钢施工方案在进行外XXX加固前,需要对原结构砼柱进行打磨处理,以保证外XXX的牢固性和稳定性。
4.3、型钢安装:选用Q235级别L75×6和L80×5的角钢,按照设计图纸要求进行精确测量和切割,然后焊接在原结构砼柱四周,形成外包钢结构。
4.4、封边胶堵缝:采用改良性环氧树脂A级型建筑灌注结构胶进行封边和堵缝,以防止胶水泄漏和空气进入。
4.5、灌注胶水:在型钢安装和封边胶堵缝后,采用改良性环氧树脂A级型建筑灌注结构胶进行灌注,以固定外XXX,增强柱的承载力和刚度、强度。
4.6、维护保养:在灌注胶水后,需要进行维护保养,确保外XXX结构的稳定性和牢固性。
4.7、交工验收:在施工完成后,需要进行交工验收,以确保工程质量符合设计要求和技术规范要求。
第五章、安全措施在施工过程中,需要采取以下安全措施:1、严格遵守安全生产法律法规和公司安全管理制度。
2、钢材切割和焊接时,必须戴防护眼镜和手套,防止火花溅落和烟尘刺激。
3、施工现场必须设置防护网和警示标志,确保工人和行人的安全。
4、使用环氧树脂胶时,必须戴口罩和手套,避免对身体造成危害。
5、严格控制施工现场的噪声和粉尘污染,保障环境卫生。
第六章、施工进度计划1、本工程计划施工周期为60天。
2、施工进度分为以下几个阶段:准备工作——砼面打磨处理——型钢安装——封边胶堵缝——灌注胶水——维护保养——交工验收。
3、每个阶段的施工周期和质量要求,均按照设计要求和技术规范要求进行严格控制。
4、施工进度计划将根据实际情况进行动态调整,确保工程按时按质完成。
结语:本工程采用外包钢加固技术,具有施工周期短、质量控制简单、相对加大断面法节约空间等优点,可以有效提高原结构砼柱的承载力和稳定性,保证工程质量符合设计要求和技术规范要求。
在施工过程中,我们将严格遵守安全生产法律法规和公司安全管理制度,确保工人和行人的安全,保障环境卫生,力争将工程按时按质完成。
柱包角钢加固施工方案1. 引言本文档旨在提供柱包角钢加固施工方案,以帮助工程施工人员完成相关加固工作。
柱包角钢加固是常见的建筑加固措施之一,可以有效提升建筑结构的承载能力和抗震性能。
本方案将介绍加固施工的前期准备、具体实施步骤以及安全措施等内容。
2. 施工前期准备在进行柱包角钢加固施工前,需要进行相关准备工作。
具体步骤如下:2.1 施工图纸和设计方案准备施工图纸和相关设计方案,根据实际结构情况确定角钢型号、数量和加固位置等。
确保施工符合设计要求。
2.2 材料和设备准备准备所需的角钢材料、螺栓、焊接电极等施工材料,确保其质量符合相关标准要求。
同时,准备好所需的施工设备,如焊割设备、吊装设备等。
2.3 施工人员培训和安全措施对施工人员进行必要的培训,使其了解施工方案和操作要求。
同时,制定施工安全措施,包括施工现场的安全防护、人员的安全意识培养等。
3. 施工步骤在进行柱包角钢加固施工时,需要按照以下步骤进行具体操作:3.1 确定加固位置根据施工图纸和设计方案确定柱包加固的具体位置。
在使用角钢加固柱包时,要确保角钢与柱包之间有足够的接触面,并采用适当的连接方式。
3.2 准备工作清理施工现场,确保无杂物和安全隐患。
同时,准备好所需的施工材料和设备,并进行必要的检查。
3.3 角钢安装将角钢按照设计要求和施工图纸的指导进行安装。
根据具体情况选用合适的焊接或螺栓连接方式,确保角钢与柱包紧密连接。
3.4 焊接或螺栓连接根据设计要求选择适当的连接方式,进行焊接或螺栓加固。
在焊接操作中,要严格按照焊接工艺规范进行操作,保证焊缝的质量;在螺栓连接中,要确保螺栓的紧固力符合设计要求。
3.5 检查和整理完成加固后,进行检查和整理工作。
检查焊缝和螺栓连接的质量,确保无缺陷和松动。
整理施工现场,清理垃圾和杂物。
4. 安全措施在进行柱包角钢加固施工时,要注意以下安全措施:•施工现场要设置明显的警示标志,限制非施工人员进入;•严格按照施工操作规程进行作业,避免操作失误;•在焊接操作中,要采取防火措施,防止火源引发事故;•使用吊装设备时,要保证安全使用,遵守相关操作规定;•确保施工人员佩戴好个人防护装备,如安全帽、防护眼镜等。
角钢加固施工方案一、背景介绍房屋结构施工中,为了提高建筑物的抗震能力和承载力,常常需要对建筑物进行加固处理。
在许多情况下,采用角钢加固是一种较为常见且有效的方法。
本文将介绍关于角钢加固施工方案的相关内容。
二、加固方案设计角钢加固方案的设计需要符合建筑结构工程设计规范,并根据实际情况和需要进行调整。
在选择具体的加固方案时,需要充分考虑建筑结构的特点以及所要达到的加固效果。
三、材料准备角钢加固中所使用的材料主要包括角钢、连接件、螺栓等。
在施工之前,需要对这些材料进行准备,并确保其质量符合规定标准。
四、施工步骤1.准备工作在施工前,需对施工场地进行清理,确保施工区域的安全和整洁。
2.定位标高根据设计图纸要求,对加固位置进行标高定位,确定加固方案。
3.局部处理针对需要加固的部位,先进行局部处理,如清理表面油污、刷底漆等。
4.角钢安装将预先加工好的角钢按照设计要求进行安装,使用螺栓等连接件固定。
5.质量检查完成角钢安装后,进行质量检查,确保加固效果符合设计要求。
6.清理收尾施工完成后,对施工现场进行清理,并做好收尾工作。
五、施工注意事项1.安全第一施工过程中需注意安全,佩戴好安全防护用具。
2.质量控制施工过程中严格按照设计要求进行施工,确保加固效果达到预期。
3.施工人员培训施工人员需经过专业培训,熟悉施工规范和操作要点。
六、总结角钢加固是一种有效的建筑物加固方法,通过合理的设计和施工,可以提高建筑物的抗震能力和承载力,保障建筑物的安全。
在进行角钢加固施工时,需要严格按照要求进行操作,确保施工质量和效果达到预期。
柱包钢加固施工工法
随着城市的不断扩大和建设的不断进步,现有的建筑物面临着越
来越大的挑战,其中一个重要问题就是建筑物的老化和损坏。
为了保
证建筑物的稳定性和安全性,柱包钢加固成为了一种常见的施工工法。
柱包钢加固施工工法是指在建筑物某些部位,特别是柱子周围,
使用钢材对其进行加固的工作。
这种工法不仅能够提高建筑物的抗震
能力,还能够增加其承重能力,从而保障建筑物的使用寿命和安全性。
柱包钢加固施工工法的具体步骤包括以下几个方面:
1. 首先需要对建筑物进行全面的检查和评估,以确定需要加固的
位置和方法。
2. 在确定有加固需求的柱子周围,进行必要的拆除和清理工作,
包括清理表面污垢和松散物,剔除已经损坏的部分。
3. 对柱包进行加固,可以使用不同类型的钢材,如角钢、带钢和
槽钢等,根据需要进行加固。
同时,需要在柱子周围做好支撑措施,
以确保钢材能够牢固地固定在柱子上。
4. 完成柱包钢加固后,还需要进行合理的表面修补,使之与原来
的建筑风格和颜色相符合。
柱包钢加固施工工法在实际建筑工作中具有很大的指导意义。
它
不仅可以有效地提高建筑物的抗震和承重能力,还可以为建筑物的使
用寿命和安全性提供长期的保障。
此外,该施工工法还可以适用于不
同类型的建筑物,包括民用和商用建筑,如公共建筑、医院、学校等。
总之,针对当前建筑物老化和损坏的问题,柱包钢加固施工工法
是一种可靠的解决方案。
它不仅能够提高建筑物的抗震和承重能力,
还能够为建筑物的长期使用提供保障,是一种能够体现现代建筑科技
发展的施工技术。
柱加固方案一、工程概况某选煤厂建于1986年,年入选原煤300万吨,原设计采用跳汰、浮选、重介、压滤工艺。
随着选煤工艺的不断发展,2003年领导决定采用新工艺——无压三产品重介旋流器选煤工艺,因此须对主厂房结构构件进行加固处理。
原厂房结构为多层钢筋混凝土框架,地基条件良好。
原施工质量良好,使用期间维修良好。
经对工程结构检测后,根据现场检测提供数据,以可靠性鉴定标准为依据,对已有工程结构的可靠性进行了鉴定,认定经加固后能满足使用要求,提出了对其局部的梁、板、柱的加固处理方案。
二、加固方案1.柱子加固:采用外粘型钢法,将角钢、钢板箍通过螺栓和灌环氧树脂与混凝土柱可靠地连结成一个整体,钢板上部包裹铁丝网,抹高强度等级砂浆防腐。
2.梁加固:加大截面法,部分只加高梁高度(如图1所示);部分梁宽度、高度同时加大(如图2所示)。
附加主筋与柱子的连接采用植筋方法。
3.板加固:不符合要求的板拆除,重新浇筑。
板钢筋与梁的连接采用植筋技术。
三、加固施工工艺(一)柱外粘型钢加固施工工艺外粘型钢法加固法,是在型钢与原构件之间留有一定间隙,关在其间灌填环氧砂浆,使二者粘结成整体,协同工作。
外粘型钢法加固,使原柱子混凝土的横向变形受到型钢骨架的约束。
其优点是,构件的截面尺寸扩大不多,但承载力提高幅度大,且由于纵横向外粘型钢的约束,使构件的延性有较大提高。
1.施工前必须将结构面清理干净,在混凝土表面按设计图纸弹出粘钢位置线。
2.按照弹出的位置线,将混凝土表面打磨至完全露出坚实新结构面。
3.钢材表面必须进行除锈和粗糙处理。
4.角钢与原结构柱尽量贴紧,与缀板焊接,焊缝要符合设计及《建筑钢结构焊接规程》要求。
5.验收焊缝现场负责人检查焊接工作,请总包及监理验收,填写《隐检记录单》。
6.注胶。
(1)焊缝施工并验收后,钢材边缘用环氧砂浆封严。
在角钢和缀板上钻φ6注胶孔,孔间距为500mm;(2)结构胶严格按说明书提供的配比配制,搅拌均匀后方可使用。
柱包角加固施工方案1.在需要包钢加固的柱子边搭设牢固的施工用脚手架。
2.根据设计施工图纸要求在需要粘钢加固的部位准确放线定位。
3.基层处理,包括两部分:a.混凝土粘贴面处理,将原有混凝土表面面层铲除,用角磨机和钢丝刷磨去混凝土表面浮浆层,用毛刷蘸丙酮刷拭表面,混凝土表面平整度每平米不大于5mm。
b.钢板粘贴面处理,对于钢板粘贴面有轻微锈迹,需用角磨机打磨,直至露出金属光泽,钢板应打磨的越粗糙越好,打磨的纹路应与钢板受力方向垂直,而后用丙酮刷拭钢材表面。
4. 用4*L80*5的角钢包柱柱子的四角,角钢之间用4mm厚100mm宽的钢板条缀板连接,加密区净间距200,非加密区净间距400,采用焊接连接。
5.柱角钢根部采用18厚锚板对角钢进行锚固,角钢与锚板连接采用焊接,焊缝高度为8mm,锚板之间需坡口焊接。
6.结构层与钢板、角钢间的缝隙用环氧胶泥密封,留出排气孔,并在有利灌浆处粘贴灌浆嘴。
7.结构胶调制:将结构胶按胶的配方比例配合(4:1),用转数100—300转/分的搅拌器或手工搅拌,搅拌至胶内无单组分颜色即可,胶在配制过程中应避免杂物混入容器,混合容器内不得有油污与水。
8.灌注胶:将配制好的环氧树脂以0.2至0.4Mpa的压力将环氧从灌浆嘴压入,当排气孔出现胶液后,停止加压,以环氧胶泥封堵,再以较低压力维持一段时间。
9.验收:根据施工规范和设计规范的要求,锚固区粘结面积不小于90%,非锚固区粘结面积不小于70%。
加固尺寸与实际尺寸有出入时,以实际尺寸或洽商为准。
10. 固化养护:结构胶固化为在现在的温度下24—48小时可固化,3 天后可受力使用。
3.2柱包钢施工3.2.1总的流程:钢板下料加工→钻孔(锚栓安装孔、注浆孔)→植化学锚栓→钢板安装→注浆3.2.1.1施工准备施工前应认真阅读设计施工图,必须要将结构面清理干净,按设计图纸,在混凝土粘钢位置测放打磨控制线,待打磨工作完成后补加包钢位置线。
3.2.1.2.砼表面打磨打磨掉混凝土浮层,并磨去1~2mm面层,直至完全露出坚实新结构面,混凝土表层出现剥落、空鼓、蜂窝、腐蚀等劣化现象的部位应予以剔除,用指定材料修补,裂缝部位应首先进行封闭处理。
柱加固方案一、工程概况某选煤厂建于1986年,年入选原煤300万吨,原设计采用跳汰、浮选、重介、压滤工艺。
随着选煤工艺的不断发展,2003年领导决定采用新工艺——无压三产品重介旋流器选煤工艺,因此须对主厂房结构构件进行加固处理。
原厂房结构为多层钢筋混凝土框架,地基条件良好。
原施工质量良好,使用期间维修良好。
经对工程结构检测后,根据现场检测提供数据,以可靠性鉴定标准为依据,对已有工程结构的可靠性进行了鉴定,认定经加固后能满足使用要求,提出了对其局部的梁、板、柱的加固处理方案。
二、加固方案1.柱子加固:采用外粘型钢法,将角钢、钢板箍通过螺栓和灌环氧树脂与混凝土柱可靠地连结成一个整体,钢板上部包裹铁丝网,抹高强度等级砂浆防腐。
2.梁加固:加大截面法,部分只加高梁高度(如图1所示);部分梁宽度、高度同时加大(如图2所示)。
附加主筋与柱子的连接采用植筋方法。
3.板加固:不符合要求的板拆除,重新浇筑。
板钢筋与梁的连接采用植筋技术。
三、加固施工工艺(一)柱外粘型钢加固施工工艺外粘型钢法加固法,是在型钢与原构件之间留有一定间隙,关在其间灌填环氧砂浆,使二者粘结成整体,协同工作。
外粘型钢法加固,使原柱子混凝土的横向变形受到型钢骨架的约束。
其优点是,构件的截面尺寸扩大不多,但承载力提高幅度大,且由于纵横向外粘型钢的约束,使构件的延性有较大提高。
1.施工前必须将结构面清理干净,在混凝土表面按设计图纸弹出粘钢位置线。
2.按照弹出的位置线,将混凝土表面打磨至完全露出坚实新结构面。
3.钢材表面必须进行除锈和粗糙处理。
4.角钢与原结构柱尽量贴紧,与缀板焊接,焊缝要符合设计及《建筑钢结构焊接规程》要求。
5.验收焊缝现场负责人检查焊接工作,请总包及监理验收,填写《隐检记录单》。
6.注胶。
(1)焊缝施工并验收后,钢材边缘用环氧砂浆封严。
在角钢和缀板上钻φ6注胶孔,孔间距为500mm;(2)结构胶严格按说明书提供的配比配制,搅拌均匀后方可使用。
梁、柱外包型钢加固、加大截面加固方案梁、柱的加固是建筑结构施工和改造工程中常见的重要环节。
在加固中,采用外包型钢加固和加大截面加固是一种常见的方法。
本方案将详细介绍梁、柱外包型钢加固和加大截面加固的原理、方法和步骤。
一、梁外包型钢加固方案1.原理:梁外包型钢加固是在梁底部和侧面采用钢板进行包裹,以增强梁的承载能力和刚度。
钢板的选择应根据工程需要和结构特点进行合理选择,常用的钢板有角钢、工字钢等。
2.方法:(1)梁底部加固:首先,对梁底部进行清理和处理,确保无松动杂物。
然后,根据设计要求,选择合适的钢板进行加固。
钢板与梁底面应采用焊接或螺栓连接,确保连接牢固。
(2)梁侧面加固:对于需要增强梁的侧面承载能力的情况,可以在梁侧面焊接或固定钢板。
钢板应与梁侧面保持平行,连接牢固。
在钢板与梁之间应设置适当的间隙和填充材料,以提高钢板与梁的紧密度。
3.步骤:(1)梁外表面清理首先,对梁底部和侧面进行彻底清理,去除松动的混凝土、锈蚀物和其他污物,以保证外包型钢与梁底面和侧面的黏结牢固。
(2)钢板制作和加固根据结构设计图纸和需要,制作钢板,并将其加固到梁的底部和侧面。
对于焊接连接,应确保焊接质量和焊缝的牢固性。
对于螺栓连接,应选择适当的螺栓和螺栓等紧固件,并保证其紧固力度。
(3)检查和验收加固完成后,应进行全面检查,确保加固效果满足设计要求。
同时,应进行验收,确保加固质量符合相关标准和规范。
二、柱加大截面加固方案1.原理:柱加大截面加固是通过在原有柱外面或内部设置钢筋混凝土或钢板以增加柱截面的面积,从而增强柱的承载能力和抗震性能。
2.方法:(1)柱外包型加固:首先,对柱进行清理和处理,确保表面无松动杂物。
然后,在柱四周焊接或固定钢板,将其与柱外表面组成整体。
钢板的连接方式应根据工程要求选择,并确保连接牢固。
(2)柱内加固:首先,对柱进行清理,确保内部无杂物。
然后,在柱内部加固,可以采用灌浆和包裹钢筋混凝土等方法。
框架柱外包钢的施工方案及工艺方法柱加固采用外包钢方法,具体施工遵循以下顺序和方法:1、材料准备1)结构加固用胶,必须是粘结强度高、耐久性好、温度变形较小的刚性胶种。
本工程采用A级建筑结构胶。
2)加固用角钢、钢板,根据图纸采用Q235钢板为宜。
钢板、连接螺栓及焊缝强度的设计值,应按现行国家标准《钢结构设计规范》规定采用。
1.1机具设备准备粘钢加固的机具设备,视现场情况及施工面积和工期要求合理配置。
一个台套所需主要机具设备参见下表。
施工机具表钢板制作→基底处理→卸荷→配胶→粘贴→固定及加压灌胶→固化→检验→防腐处理。
各工序操作要点。
1)钢板制作按设计图纸要求,根据混凝上构件的实际尺寸对钢板进行下料、成型、钻孔(钻孔以混凝土构件上螺栓孔位置为准)。
2)基底处理,表面处理包括加固构件结合面处理及钢板贴合面处理。
对于混凝土构件结合面,应根据构件表面的新旧程度,坚实程度,干湿程度,分别按以下情况处理:①对表面有浮油污物的混凝土构件的粘合面,应先用硬毛刷沾丙酮刷除表面浮油污物,后用冷水冲洗,再对粘合面进行打磨,除去2~3mm厚表层,直至完全露出新面,并用压缩空气吹除粉粒,处理后,若表面严格凹凸不平,可用高强树脂砂浆修补。
②对表面已碳化的旧混凝土构件的粘合面,直接对粘合面进行打磨,去掉1~2mm 厚表层,用压缩空气除去粉尘或用清水冲洗干净,待完全干燥后用脱脂棉沾丙酮擦拭表面即可。
③对于新混凝土粘合面,先用钢丝刷将表面松散浮渣刷去,再用硬毛刷沾洗涤剂洗刷表面,或用清水冲洗,待完全干后即可。
④对于湿度较大的混凝土构件或龄期在3个月内的混凝上构件,因一般树脂类胶粘剂在潮湿的基层上粘结强度会大幅度降低,故除满足上述要求外,尚须进行人工干燥处理。
⑤对于露筋的混凝土表面,需用钢丝刷(将钢筋表面的锈蚀除去,再剔除松动的混凝土,用清水冲洗润湿,用高强树脂砂浆修补。
⑥对于本身空鼓的混凝土构件,应将空鼓处剔除,用清水冲洗润湿,用高强树脂砂浆修补混凝土。
角钢施工方案介绍角钢是一种常用的建筑结构材料,具有良好的机械性能和耐腐蚀性能。
在建筑施工中,角钢被广泛应用于框架结构、支撑结构和梁柱连接等方面。
本文将介绍角钢的施工方案,包括材料准备、工具选择、施工流程和注意事项等内容。
材料准备角钢施工需要准备以下材料:1.角钢:根据设计要求选择合适规格的角钢,一般为热轧角钢。
2.螺栓:用于连接角钢的螺栓,应符合设计规范。
3.螺母:与螺栓配套使用的螺母,用于固定螺栓。
4.墙地脚螺栓:用于连接角钢与墙地之间的螺栓。
5.焊条和焊接材料:如需进行焊接施工,需要准备相应的焊条和焊接材料。
6.其他配件:如垫圈、固定件等。
工具选择角钢施工需要使用以下工具:1.磁力座:用于检测和定位钢构件的磁性部分。
2.铅垂线:用于标记和调整构件的垂直位置。
3.手锤:用于调整和对齐构件。
4.扳手:用于拧紧螺栓和螺母。
5.焊接设备:如需要进行焊接施工,需要准备相应的焊接设备。
6.钢尺、卷尺等测量工具:用于测量和标记构件的尺寸和位置。
7.手工电动工具:如电钻、角磨机等,便于加工和处理角钢。
施工流程角钢施工的基本流程如下:1.测量标记:根据设计要求和施工图纸,使用钢尺、卷尺等工具测量和标记角钢的尺寸和位置,确定施工位置。
2.准备角钢:根据测量和标记结果,从材料准备中选择合适规格的角钢,并根据需要进行加工和处理,确保符合设计要求。
3.定位安装:使用磁力座和铅垂线等工具,将角钢定位到正确的位置,并使用手锤等工具调整和对齐构件。
4.连接固定:根据设计要求,选择合适规格的螺栓和螺母,将角钢连接固定。
使用扳手等工具,逐步拧紧螺栓和螺母,确保连接牢固。
5.焊接处理:如需要进行焊接施工,使用焊接设备和焊条等材料,对角钢进行焊接处理。
注意安全操作,确保焊接质量。
6.检查验收:施工完成后,对角钢进行检查和验收,保证施工质量符合要求。
注意事项在角钢施工过程中,需要注意以下事项:1.安全操作:施工人员应掌握相关安全操作知识和技能,佩戴防护装备,并按照相关规定操作。
************建设项目三层柱两根构件柱包角钢加固专项方案编制:审核:审批意见:公司总工程师:**********建筑工程有限责任公司2020年7月26日**********建设项目三层柱两根构件柱包角钢加固专项方案一、编制依据1、结构施工图2、《混凝土结构加固技术规范》(CECS:90)二、工程概况1、工程名称:*********建设项目2、建设单位:**********3、施工单位:***********建筑工程有限责任公司4、工程情况说明:三层2根框架柱进行加固恢复到设计强度,根据有关责任主体单位意见对加固柱采用包角钢加固的施工工艺加固。
三、加固方案1.在需要包钢加固的柱子边搭设牢固的施工用脚手架。
2.根据设计施工图纸要求在需要粘钢加固的部位准确放线定位。
3.基层处理,包括两部分:a.混凝土粘贴面处理,将原有混凝土表面面层铲除,用角磨机和钢丝刷磨去混凝土表面浮浆层,用毛刷蘸丙酮刷拭表面,混凝土表面平整度每平米不大于5mm。
b.钢板粘贴面处理,对于钢板粘贴面有轻微锈迹,需用角磨机打磨,直至露出金属光泽,钢板应打磨的越粗糙越好,打磨的纹路应与钢板受力方向垂直,而后用丙酮刷拭钢材表面。
4. 用4*L80*5的角钢包柱柱子的四角,角钢之间用4mm厚100mm宽的钢板条缀板连接,加密区净间距200,非加密区净间距400,采用焊接连接。
5.柱角钢根部采用18厚锚板对角钢进行锚固,角钢与锚板连接采用焊接,焊缝高度为8mm,锚板之间需坡口焊接。
6.结构层与钢板、角钢间的缝隙用环氧胶泥密封,留出排气孔,并在有利灌浆处粘贴灌浆嘴。
7.结构胶调制:将结构胶按胶的配方比例配合(4:1),用转数100—300转/分的搅拌器或手工搅拌,搅拌至胶内无单组分颜色即可,胶在配制过程中应避免杂物混入容器,混合容器内不得有油污与水。
8.灌注胶:将配制好的环氧树脂以0.2至0.4Mpa的压力将环氧从灌浆嘴压入,当排气孔出现胶液后,停止加压,以环氧胶泥封堵,再以较低压力维持一段时间。
柱子外包钢加固步骤1.前期准备工作首先,需要进行工程测量,确定需要加固的柱子的位置、形状和尺寸。
然后,根据结构设计要求,选择合适的钢材型号和规格。
同时,还需要准备好加固所需的焊接设备、切割工具和脚手架等。
在准备工作完成后,可以正式开始加固工作。
2.表面清理和处理在对柱子进行加固前,首先需要对柱子表面进行清理和处理。
清理表面的灰尘、锈蚀和油污等物质,以便后续的焊接和粘接工作能够顺利进行。
可以使用刷子、水枪等工具进行清洗。
3.预制钢板和焊接根据测量结果,将钢板切割成适当的尺寸,预制成需要的形状。
然后,将预制的钢板用焊接设备焊接到柱子的表面,形成一个牢固的加固层。
焊接过程中需要注意保持焊接接头的质量,确保焊接位置牢固可靠。
4.注浆填充在钢板焊接完成后,可以进行注浆填充操作。
注浆主要是为了增加柱子的承载能力。
选择适当的注浆材料,将其注入柱子的孔洞中。
注浆过程中需注意注浆量和注浆压力的控制,确保注浆充实并且均匀分布在钢板和柱子之间的空隙中。
5.整体检查和质量验收在加固工作完成后,需要对加固后的柱子进行整体检查和质量验收。
检查焊接接头的质量和注浆充实情况,确保加固工作的质量符合设计和施工要求。
如发现问题,需要及时进行修补和调整。
6.加固后的保养和维护加固工作完成后,需要对加固后的柱子进行保养和维护。
定期检查柱子的状态,防止出现新的损坏或缺陷。
保持柱子表面的清洁,防止锈蚀和腐蚀。
如有需要,及时进行维修和加固。
总结:柱子外包钢加固是一种常见的结构加固方法,通过焊接钢板和注浆填充,可以提高柱子的承载能力和抗震性能。
加固过程中需要进行前期准备工作,包括工程测量和材料选择等。
然后进行表面清理和处理,预制钢板和焊接,注浆填充等步骤。
最后进行整体检查和质量验收,以及加固后的保养和维护工作。
这些步骤的完成将保证加固工作的质量和可靠性,提高建筑物的安全性。
柱子角钢加固做法嘿,朋友们!今天咱就来讲讲柱子角钢加固做法这档子事儿。
你说这柱子啊,就好比是房子的脊梁骨,要是它不结实,那可就麻烦啦!就像人要是腰板不直,那干啥都不得劲呀!这时候,角钢加固就派上大用场了。
想象一下,角钢就像是给柱子穿上了一层坚固的铠甲。
咱先得把柱子清理干净,就像给它洗个澡似的,把那些灰尘啊、杂质啊都弄走,这样角钢才能和柱子紧紧贴在一起呀。
然后呢,根据柱子的尺寸,选好合适的角钢。
这可不能马虎,要是角钢选大了或选小了,那不就成了聋子的耳朵——摆设啦!选好角钢后,把它放在柱子旁边比划比划,看看合不合适。
接下来就是安装啦!用螺栓把角钢紧紧地固定在柱子上,就好像给柱子系上了安全带。
这螺栓可得拧紧喽,不能松松垮垮的,不然怎么能起到加固的作用呢?在安装的过程中,可得注意角度问题。
要是歪了扭了,那可不行,得让它端端正正的,像个站岗的士兵一样。
这就好比你走路,要是东倒西歪的,那还怎么走得稳呢?还有啊,焊接也是很重要的一步。
这焊接就像是给角钢和柱子之间打了个牢牢的结,让它们再也分不开。
焊接的时候要小心,别把柱子给烫伤了,那就不好啦。
等都安装好、焊接好,可别以为就大功告成了。
还得检查检查,看看有没有哪里没弄好,有没有松动的地方。
这就跟你出门前得照照镜子,看看衣服有没有穿整齐是一个道理。
你说这柱子角钢加固是不是挺重要的?要是不重视,等出了问题可就晚啦!咱可不能等房子摇摇晃晃了才想起来要加固柱子呀。
所以啊,大家在做柱子角钢加固的时候,一定要认真仔细,不能有一点马虎。
这可是关系到房子安全的大事,可不能当儿戏。
就像那句话说的:“千里之堤,毁于蚁穴。
”咱可不能让小小的疏忽酿成大错呀!总之,柱子角钢加固做法虽然不复杂,但每一个步骤都要做好,这样才能让我们的房子稳稳当当的,住起来也安心呀!大家说是不是这个理儿呢?。
外包型钢加固法1. 外包型钢加固法,按其与原构件的连接方式分为:外粘结型钢加固法和无粘结外包型钢加固法;均适用于需要大幅度提高截面承载能力和抗震能力的钢筋混凝土柱及梁的加固。
但对使用环境的温度和湿度有要求。
外包钢加固法的优点是构件截面尺寸增加不多,但其承载能力和抗震能力可大幅度提高;加固后原构件上的混凝土因受外包钢缀板的约束变成三向受力的约束混凝土,构件的延性得到提高;施工不需要模板,施工速度较快。
外包钢加固法受使用环境限制,费用较高,有时需要特制的夹具,同时外包钢需进行防腐处理,以提高耐久性。
2.当工程要求不使用结构胶粘剂时,宜使用无粘结外包型钢加固法(不使用结构胶或仅使用水泥砂浆堵塞混凝土与型钢缝隙),也称干式外包型钢加固法。
其设计应符合下列规定: 2.1当原柱完好,但需提高其设计荷载时可按原柱与型钢构架共同承担荷载进行计算。
此时,型钢构架与原柱所承受的外力,可按各自截面刚度比例进行分配。
柱加固后总承载力为型钢构架承载力与原柱承载力之和。
2.2当原柱尚能工作,但需降低原设计承载力时,原柱承载力降低程度由可靠性鉴定结果进行确定;其不足部分由型钢构架承担。
2.3当原柱存在不适合继续承载的损伤或者严重缺陷时,可不考虑原柱的作用,全部荷载由型钢骨架承担。
2.4型钢骨架承载力按《钢结构设计规范》计算,并乘以与原柱协同工作的折减系数。
注意:无粘结外包型钢加固法,属于组合结构范畴;由于型钢与原构件之间无有效连接,其所受的外力,只能按原柱和型钢的刚度进行分配,而不能视为复合构件受力,很费刚材,仅在不宜使用胶粘的场合使用。
故型钢加固主要以外粘型钢加固法为主。
3.外粘型钢加固法的作用原理3.1对梁的加固对梁的加固,可理解成在加固混凝土梁的外围,套一个弹性空间钢桁架结构组成的组合结构,通过粘胶使梁与空间钢桁架协同工作。
采用粘钢双筋梁方案,粘钢加固的计算钢板面积亦是外套钢桁架弦杆的用钢面积,规整后参照构造要求选择型钢型材,组成加固型钢桁架的弦杆。
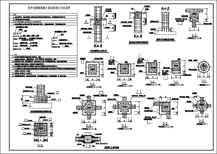
1.2包角钢加固在原柱子四角包E 100×10角钢,并用乳胶水泥砂浆使角钢与柱混凝土紧密粘贴牢固。
沿柱高再将扁钢箍(间距450mm)与角钢焊接牢固(图1)。
具体作法如下.图1柱包角钢加固作法(1)配制乳胶水泥时,要求乳胶(聚醋酸乙烯乳液)含量为水泥重量的5%~10%,加水适量,呈膏状体。
(2)采用乳胶水泥粘贴外包型钢时,应先在柱角(预先应做处理)上抹厚5mm 的乳胶水泥,随即贴上角钢.为防止角钢松脱,应用特制夹具在柱的两个方向将4根角钢与柱子牢牢夹紧(夹具间距以500mm 为宜),然后将扁钢(-50×5)箍与角钢焊接,并应交错施焊,防止过热,在乳胶水泥初凝前必须完成。
(3)如上下柱子均需用此方法加固时,应使用通长角钢,不要断开。
所有外包型钢施工完毕后应在型钢表面抹一层1∶2水泥砂浆(厚20mm),抹面层时严格按北京市《分部项目工程工艺规程》执行,防止空鼓、裂缝。
(4)柱上下与楼板连接处可根据柱子受力要求加角钢套箍(图2),以加强柱子受力性能.图2柱脚角钢套箍1.3柱综合加固法除以上两种柱子加固方法外,还有一小部分采用综合加固方法,即把以上两种方法综合使用,如图3所示。
图3柱综合加固方法2 钢筋混凝土梁的加固梁加固比柱子加固复杂,操作也较困难,部分楼板需开大洞(作管道间使用),因此除楼板加固外,还需要新增加次梁。
根据受力情况,梁的加固可分为以下几类。
2.1新增加次梁一般在两根主梁的跨间加一根次梁.由于楼层荷载有较大幅度增长(如增加隔断墙和卫生间设备等),且增设次梁后主梁受力情况也发生改变,故主梁也需进行加固。
次梁加固方法如下:(1)支护楼板(留出新次梁的位置),然后沿梁长按梁宽度凿去楼板混凝土;(2)安装主梁与次梁交接处的钢板套箍(用作次梁支座用,见图4);(3)焊上托钢筋的小块钢板,安装次梁主筋;(4)支新次梁底模,绑扎梁钢筋、箍筋等,再合上侧模,加支撑;(5)浇筑新次梁混凝土及养护。
引言:钢结构在建筑领域中得到广泛应用,其优点包括高强度、轻质、可塑性好等。
随着时间的推移和使用条件的变化,钢结构可能出现老化、疲劳或受力不均等问题,需要进行加固以保证其结构安全性。
本文将阐述如何加固钢柱,重点介绍了加固钢柱的常用方法和技术。
概述:正文:1.钢柱加固方法选择1.1结构评估和问题分析1.2加固方案选择原则1.3围护剥离法1.4钢板外包法1.5捆扎加固法1.6节段替换法1.7组合加固法2.加固材料的选择2.1高强度钢板2.2碳纤维复合材料2.3玻璃纤维增强塑料2.4钢板粘贴材料2.5加固剂3.钢柱预处理3.1表面清洗和防锈处理3.2缺陷修补和填充3.3防火涂料处理3.4补强筋贴装处理4.加固方法的施工步骤4.1施工前的准备工作4.2钢板加固施工4.3碳纤维复合材料加固施工4.4玻璃纤维增强塑料加固施工4.5捆扎加固施工4.6节段替换加固施工4.7组合加固施工5.加固效果评估与检测方法5.1加固效果的定性与定量评估方法5.2加固结构的动态监测技术5.3加固效果的静力试验验证总结:钢柱加固是保证建筑物结构安全的重要步骤。
本文以钢结构加固为背景,详细介绍了钢柱加固的方法选择、材料选择、预处理、施工步骤和效果评估与检测方法。
正确选择适用方法和材料,高质量的施工工艺以及有效的检测方法将确保加固钢柱所达到的加固效果,并提高整个建筑物的安全性。
在实际工程中,需要根据具体情况综合考虑各种因素,确保加固钢柱的可行性和实施效果。
钢结构加固如何加固钢柱引言:钢结构是一种常见且重要的建筑结构形式,具有高强度、轻质、抗震性能好等特点。
在长期使用和外界环境影响下,钢结构中的钢柱可能会出现损伤、老化和疲劳等问题,进而影响整个建筑的安全性和使用寿命。
因此,针对钢结构中的钢柱进行加固是非常必要和重要的工作。
概述:本文将从钢柱的检测和评估开始,深入探讨如何针对不同类型的钢柱进行加固,并提供了一些常用的加固方法和技术。
这些方法包括增加加强筋、外加加固材料以及加固杆件等。
柱包角加固施工方案1.在需要包钢加固的柱子边搭设牢固的施工用脚手架。
2.根据设计施工图纸要求在需要粘钢加固的部位准确放线定位。
3.基层处理,包括两部分:a.混凝土粘贴面处理,将原有混凝土表面面层铲除,用角磨机和钢丝刷磨去混凝土表面浮浆层,用毛刷蘸丙酮刷拭表面,混凝土表面平整度每平米不大于5mm。
b.钢板粘贴面处理,对于钢板粘贴面有轻微锈迹,需用角磨机打磨,直至露出金属光泽,钢板应打磨的越粗糙越好,打磨的纹路应与钢板受力方向垂直,而后用丙酮刷拭钢材表面。
4. 用4*L80*5的角钢包柱柱子的四角,角钢之间用4mm厚100mm宽的钢板条缀板连接,加密区净间距200,非加密区净间距400,采用焊接连接。
5.柱角钢根部采用18厚锚板对角钢进行锚固,角钢与锚板连接采用焊接,焊缝高度为8mm,锚板之间需坡口焊接。
6.结构层与钢板、角钢间的缝隙用环氧胶泥密封,留出排气孔,并在有利灌浆处粘贴灌浆嘴。
7.结构胶调制:将结构胶按胶的配方比例配合(4:1),用转数100—300转/分的搅拌器或手工搅拌,搅拌至胶内无单组分颜色即可,胶在配制过程中应避免杂物混入容器,混合容器内不得有油污与水。
8.灌注胶:将配制好的环氧树脂以0.2至0.4Mpa的压力将环氧从灌浆嘴压入,当排气孔出现胶液后,停止加压,以环氧胶泥封堵,再以较低压力维持一段时间。
9.验收:根据施工规范和设计规范的要求,锚固区粘结面积不小于90%,非锚固区粘结面积不小于70%。
加固尺寸与实际尺寸有出入时,以实际尺寸或洽商为准。
10. 固化养护:结构胶固化为在现在的温度下24—48小时可固化,3 天后可受力使用。
3.2柱包钢施工3.2.1总的流程:钢板下料加工→钻孔(锚栓安装孔、注浆孔)→植化学锚栓→钢板安装→注浆3.2.1.1施工准备施工前应认真阅读设计施工图,必须要将结构面清理干净,按设计图纸,在混凝土粘钢位置测放打磨控制线,待打磨工作完成后补加包钢位置线。
3.2.1.2.砼表面打磨打磨掉混凝土浮层,并磨去1~2mm面层,直至完全露出坚实新结构面,混凝土表层出现剥落、空鼓、蜂窝、腐蚀等劣化现象的部位应予以剔除,用指定材料修补,裂缝部位应首先进行封闭处理。
角部磨成小圆角,打磨完毕后,采用吹风机或压缩空气吹净浮尘。
最后用棉丝沾丙酮擦拭表面,待粘贴面完全干燥后备用。
3.2.1.3.钢材表面须进行除锈和粗糙处理。
用砂轮磨光机打磨出金属光泽。
打磨粗糙度越大越好,打磨纹路应与钢材受力方向垂直,其后用棉丝沾丙酮擦拭干净。
待干燥后备用。
3.2.1.4.按设计图纸锚栓位置及间距要求,采用台钻或磁力钻预先钻出锚栓安装孔(Ф16mm),按纵横间距500-1000 mm的原则在钢板上预先钻Ф30mm注浆孔并接焊200mm长Ф40注浆管待用。
3.2.1.5.组装焊接根据图纸或洽商要求结合现场实际情况对钢材进行组装焊接,按设计图纸要求保证施焊后的截面尺寸,如原结构柱出现较大偏差,应进行顺直找平处理,焊缝应符合设计及《建筑钢结构焊接规程》要求。
3.2.1.6.验收焊缝现场负责人检查焊接工作,请总包及监理验收,填写《隐检记录单》。
3.2.1.7.埋管注浆a.焊缝检验合格后,用环氧砂浆沿钢材边缘封严。
b.严格按结构胶生产厂家说明书提供的配比配制,采用专用搅拌器搅拌、搅拌均匀后方可使用。
一次配胶量不宜过多,以40~50分钟用完为宜。
c.采用专用柱塞式注浆泵通过预设注浆管灌注结构胶,注浆时竖向按从下向上的顺序,水平方向按同一方向的顺序,注浆时待下一注浆管(孔)溢出浆为止,依次注浆,直至所有注浆管(孔)均注完。
最后一个注浆管(孔)用于出气孔,可不注浆,注浆结束后清理残留废胶。
d.检查验收:结构胶固化后用小锤轻轻敲击钢板表面,从音响判断灌浆效果,如有个别空洞声,表明局部不密实,须再次高压注浆方法补实,必要时可采取钻孔取样的方法验证灌注密实度、与混凝土及钢板基面的连接效果。
3.2.2材料的选择:3.2.2.1 根据施工图纸,本工程钢板采用6mm,角钢采用∠63×6、∠75×6、∠90×10、∠75×10角钢,[25b均采用Q235钢材,其质量标准符合国家标准。
3.2.2.2 其他附件均采用市场优质产品,满足设计文件的要求。
3.2.2.3 本工程材料使用原则:a.钢材应附有质量证明书并符合设计文件的要求。
b.钢材表面不应出现锈蚀、麻点和划痕,对局部出现的锈蚀、麻点和划痕深度不应大于该种材料厚度负偏差的一半。
如果钢材断口处有分层缺陷,应立即报废该种材料。
c.连接材料(焊条、焊丝、焊剂、螺栓)应附有质量证明书。
d.严禁使用药皮脱落或焊芯生锈的焊条,受潮结块或已经熔烧过的焊剂以及锈蚀、碰伤或混批的高强螺栓。
3.2.3 钢材验收是保证钢结构工程质量的重要环节,验收的内容主要有:3.2.3.1 钢材数量、品种、规格、性能要与定货单一致。
3.2.3.2 钢材质量保证书是否与钢材上打印的记号一致,质量证明书应写明钢材的炉号、钢号、化学成分和机械性能。
3.2.3.3 核对钢材的规格尺寸,各类钢材外形尺寸应符合容许的偏差。
3.2.3.4 化学锚栓及药剂的品种、规格、性能要符合设计要求。
3.2.3.5钢材的堆放必须遵守以下原则:a.节约场地、减少变形和锈蚀,并保证使用方便。
b.尽量减少钢材的露天堆放,本工程钢材制作加工堆放全部位于室内,减少雨雪的侵蚀。
c.钢材堆放的底层设置枕木。
保证堆放的稳固,并留有适当的通道。
每种材料必须在显著位置进行标识。
d. 选取材料严禁乱翻,保证原材料的外观质量。
3.2.4 焊接a、埋弧自动焊采用焊丝,手工焊采用E4303型焊条。
b、焊缝采用手工焊。
c、焊接时,应严格遵守焊接工艺进行施焊,并应符合GB50205-95的有关标准。
d、支撑等构件的焊缝长度不得低于图纸设计长度。
e、当焊接采用手工电弧焊时,焊接参数见下表。
手工电弧焊焊接参数:注:立、仰、横焊电流应比平焊小10%左右。
3.2.5矫正与修正3.2.5.1矫正a. 机械矫正前,应先检查其厚度并清除表面上的毛刺等。
b.焊接成型后,用翼缘矫直机进行矫直,并检查合格后方可进入下道工序。
c. 矫正采用机械和火焰加热相结合的方法。
d. 碳素结构钢和低合金结构钢在加热矫正时,加热温度不得超过900℃,低合金结构钢在加热矫正后应缓慢冷却。
e. 矫正后的质量偏差应符合下表的规定3.2.5.2修整a. 气割和剪切边缘出现气孔等局部缺陷时,可按下表规定进行修整。
补焊后的表面应磨平,不补焊的修整面应平缓过度,而且其斜率不大于1:10。
b.制孔后应清除孔边毛刺,清除孔边毛刺是不得使孔塌边和凹陷。
c.连接件,接触面上的毛刺飞边,焊瘤飞溅等影响接触面密帖的突出物,必须彻底清除。
3.2.6编号钢构件的除锈、打磨应在制作质量检验合格后进行。
在构件上标注构件的原编号;3.2.7检验、工艺流程及质量控制3.2.7.1检验a. 由专职质检员随时对构件制作的每一工序进行检验,合格后方可进行下一步工序。
b. 构件制作完成后,由技术负责人、质检员、技术员进行联合检查、评定、验收合格后达到安装条件。
3.2.7.2 构件焊接连接3.2.7.3焊接节点形式、材料及焊缝a.本工程所有钢材均采用 Q235钢。
b.手动焊时:针对各种钢材使用对应焊条,不得混用。
c.焊缝质量必须满足相应的国家规范和标准。
3.2.7.4 焊接工艺及施工a.根据现场焊接作业的条件,所有现场焊接采用手工电弧焊,焊接电源选用42KVA 交流电焊机,配备100m 电焊把线,电焊机集中设置,有利于安全保护并可设专人集中负责,按各电焊工的焊接部位、工艺要求及各人习惯调节焊接电源。
b.为保证构件现场焊接质量,在施焊前应进行相应的试件焊接,并确立焊接参数。
焊接参数:c.焊条使用前需在烤箱中焙烘1.5小时,然后放入低温烘箱保持温度,随用随取,烘干加热温度为350-400℃。
d.焊接设备必须完好,各项参数必须稳定,其网路电压波动值应在±5% 以内,超过时应增设专用变压器或稳压装置。
e.对接和T 形连接的焊接,两端应设置焊缝引弧板和引出板,其板厚、材质、坡口型式及尺寸应与焊件相同。
f.手工电弧焊的焊缝引弧和引出长度不小于20mm ;埋弧自动焊的焊缝引弧和引出长度不小于60mm ;待焊接完成后,将引弧和引出板用气割切除,并对焊件边缘进行修磨,严禁用锤击落、损伤母材。
g.焊接工艺流程3.2.7.5焊接质量控制措施a.所有参加焊接作业的电焊工必须是持有全位置焊接操作合格证的焊工,并在焊接施工前经过培训;超声波检验人员应是有经验的持证上岗人员。
b.施工所使用的焊接机、仪器、工具必须状况良好,运转正常,且仪器检测在检定有效期内。
c.施工所用焊条必须经过烘干,且置于保温筒内备用,焊条领用应随用随领,同一焊条在烘干后有效期内不被使用时,只能再烘干一次备用,烘干二次以上焊条不能使用。
d.焊接作业前,首先应检查焊缝处坡口角度和间隙是否符合焊接工艺要求规定,并检查点焊固定焊缝是否有开裂等不合格情况,然后清除坡口及其两侧的锈蚀和油污,方可施焊作业。
e.钢材表面潮湿时必须先用烤枪烘干,施工中突遇风雨天气时,刚刚焊接完成的焊缝必须用石棉布遮盖,进行保护。
f.严格按照施工要领及工艺要求规定的焊接顺序施焊,各方面设计要求应满足设计图纸要求,并符合规范规程要求。
g.焊接完成并冷却至室温后,进行焊缝外观检查,对于要求探伤的焊缝,应在24h后进行探伤检查,合格后进行焊缝表面的打磨工作。
3.2.7.6 焊缝检验a.焊缝外观:全部焊缝。
b.超声波检验:对接焊缝,T形熔透焊缝,二级焊缝抽检20%,如不合格扩检,直至全长。