挡土墙稳定分析计算书
- 格式:doc
- 大小:98.50 KB
- 文档页数:6
挡土墙稳定性验算doc文档全文预览(一)引言概述:挡土墙是一种常用的土木结构,用于抵抗土壤的侧向压力,并保持土壤的稳定。
为保证挡土墙的设计和施工安全可靠,稳定性验算是必不可少的步骤。
本文将以挡土墙稳定性验算为主题,从土壤力学原理出发,分析挡土墙在水平和垂直力作用下的稳定性,并介绍相应的验算方法。
正文内容:一、土壤力学原理1. 应力与应变关系2. 土壤强度特性3. 侧向土压力分布理论二、挡土墙在水平力作用下的稳定性验算1. 水平力的作用机理分析2. 挡土墙的抗滑稳定性验算3. 挡土墙的抗倾覆稳定性验算4. 挡土墙的抗翻转稳定性验算5. 挡土墙的水平位移控制三、挡土墙在垂直力作用下的稳定性验算1. 垂直载荷的作用机理分析2. 挡土墙的抗沉陷稳定性验算3. 挡土墙的抗浮起稳定性验算4. 挡土墙的抗渗稳定性验算5. 挡土墙的变形控制四、挡土墙的材料选择和施工要求1. 挡土墙的材料选择要点2. 挡土墙的基础设计要求3. 挡土墙的结构设计要求4. 挡土墙的施工方法介绍5. 挡土墙的监测与维护五、实例分析与案例分享1. 挡土墙稳定性验算实例分析2. 挡土墙稳定性验算的典型案例分享3. 挡土墙稳定性验算的工程应用案例总结:通过对挡土墙的稳定性验算进行详细讨论和分析,我们可以更全面地了解挡土墙的设计和施工要求。
合理的稳定性验算可以确保挡土墙在运行过程中的安全稳定性,提高工程的可靠性和耐久性。
在实际工程中,根据具体情况进行验算和监测,并及时修正设计或施工方案,以确保挡土墙的设计和施工质量。
挡土墙稳定分析(—)浆砌石挡土墙稳定分析(1)计算简图:(2)荷载计算计算参数土的容重γ土=19.0kN/m³、水的容重γ水=19.0kN/m³、土的内摩擦角φ=30°、土的粘聚力C=30KPa、填土深度h1=1.15m、填土倾角β=0°、墙后水深h2=0.0m、砌体容重γ=23.0kN/m³、墙顶宽B1=0.3m、墙高H1=1.15m、墙底宽B2=0.645m、墙前水深h0=0.377m、库伦主动土压力系数K0=0.46、墙背与铅垂面夹角ε=16.7°、墙背与填土摩擦角δ=15、地基承载力设计值fa=180kpa。
①静水压力计算运用公式:p=1/2×γW×H水2P水=0.5×9.81×0.377×0.377P水=0.697kN②扬压力计算运用公式:U=γW×AP扬=0.5×0.981×0.377×0.645P扬=1.193kN③土压力计算运用公式:Pa=1/2×γ土×H土2×KaPa=0.5×19×1.15×1.15×0.46Pa=2.984kN所以Pax=2.539kN ,Pay=1.568kN④自重计算运用公式:W=γ×AW1=0.3×1.15×23W1=7.935kNW2=0.5×0.345×1.15×23W2=4.563kN(3)抗滑稳定验算墙底对地基的摩擦系数u,查表5.4得u=0.3 。
Ka=(W+Pay-P扬)/(Pax-P 水)得抗滑稳定安全系数Ka=(W+Pay-P扬)/(Pax-P水)Ka=(12.498+1.568-1.193)×u/(2.539-0.697)Ka=2.1>1.3,安全。
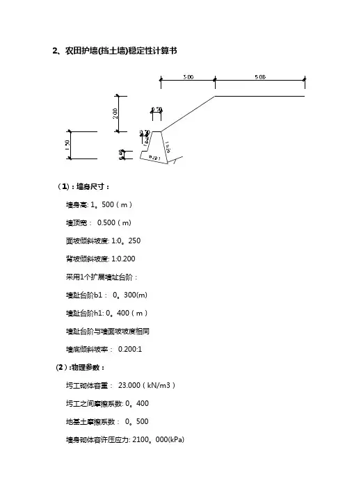
2、农田护墙(挡土墙)稳定性计算书(1):墙身尺寸:墙身高: 1。
500(m)墙顶宽:0.500(m)面坡倾斜坡度: 1:0。
250背坡倾斜坡度: 1:0.200采用1个扩展墙址台阶:墙趾台阶b1:0。
300(m)墙趾台阶h1: 0。
400(m)墙趾台阶与墙面坡坡度相同墙底倾斜坡率:0.200:1(2):物理参数:圬工砌体容重:23.000(kN/m3)圬工之间摩擦系数: 0。
400地基土摩擦系数:0。
500墙身砌体容许压应力: 2100。
000(kPa)墙身砌体容许剪应力: 110.000(kPa)墙身砌体容许拉应力: 150.000(kPa)墙身砌体容许弯曲拉应力: 280。
000(kPa)(3):挡土墙类型:一般挡土墙墙后填土内摩擦角: 35.000(度)墙后填土粘聚力: 0。
000(kPa)墙后填土容重:19。
000(kN/m3)墙背与墙后填土摩擦角:17。
500(度)地基土容重: 18。
000(kN/m3)修正后地基土容许承载力: 500。
000(kPa) 地基土容许承载力提高系数:墙趾值提高系数:1。
200墙踵值提高系数:1。
300平均值提高系数: 1.000墙底摩擦系数:0.500地基土类型: 土质地基地基土内摩擦角: 30.000(度)土压力计算方法: 库仑(4):坡线土柱:坡面线段数: 2折线序号水平投影长(m) 竖向投影长(m)换算土柱数1 3.000 2.000 02 5。
000 0.000 0坡面起始距离:0.000(m)地面横坡角度:20.000(度)墙顶标高:0。
000(m)(5):稳定性计算书:第1 种情况: 一般情况[土压力计算] 计算高度为1。
807(m)处的库仑主动土压力按实际墙背计算得到:第1破裂角: 38.300(度)Ea=21.071 Ex=18。
463 Ey=10。
154(kN) 作用点高度Zy=0.615(m)因为俯斜墙背,需判断第二破裂面是否存在,计算后发现第二破裂面存在:第2破裂角=10.021(度) 第1破裂角=39.550(度)Ea=23。
挡土墙计算书概述挡土墙是一种常用的土木结构,用于抵抗土体的水平推力并防止坡面的崩塌。
在设计挡土墙时,需要进行一系列的计算,包括土体的力学特性、挡土墙的稳定性和安全性等方面。
本文档将介绍挡土墙的计算方法和步骤,帮助工程师有效地设计挡土墙。
土体力学参数的确定在进行挡土墙计算之前,需要确定土体的力学参数,包括土的单位重量、内摩擦角、Cohesion等参数。
这些参数可以通过室内试验或现场勘测等方法来确定。
一般情况下,可以通过下面的公式来计算土的体积重量:γ = G / V其中,γ表示土的体积重量,G表示土的总重量,V表示土的体积。
挡土墙的稳定性计算挡土墙的倾覆稳定性计算挡土墙的倾覆稳定性是指抵抗土体推力导致挡土墙倾覆的能力。
倾覆力矩可以通过以下公式计算得出:M = q * h * (H/2)其中,q表示土的推力,h表示挡土墙的有效高度,H表示挡土墙的总高度。
为了保证挡土墙的稳定性,倾覆力矩必须小于等于抵抗倾覆力矩。
可以通过下面的公式计算出抵抗倾覆力矩:M_resistance = W * e其中,W表示挡土墙的有效重量,e表示挡土墙的倾覆系数。
挡土墙的滑动稳定性计算挡土墙的滑动稳定性是指抵抗土体推力导致挡土墙沿坡面滑动的能力。
滑动力可以通过以下公式计算得出:F = γ * A * P其中,γ表示土的体积重量,A表示挡土墙的投影面积,P 表示投影面积内土的水平推力。
为了保证挡土墙的稳定性,滑动力必须小于等于抵抗滑动力。
抵抗滑动力可以通过下面的公式计算得出:F_resistance = W * tan(θ)其中,W表示挡土墙的有效重量,θ表示土的内摩擦角。
挡土墙的安全系数计算挡土墙的安全系数是指挡土墙在各个方向稳定性均满足要求时的抗推力能力与土体推力的比值。
安全系数越大,表明挡土墙越稳定。
挡土墙的安全系数可以通过以下公式计算得出:FS = F_resistance / F其中,F_resistance表示挡土墙的抗推力能力,F表示土的推力。
挡土墙设计计算书一、工程概况本工程为_____挡土墙,位于_____地段,其主要作用是为了防止土体坍塌,保障周边建筑物和道路的安全。
挡土墙高度为_____m,长度为_____m,墙体采用_____材料砌筑。
二、设计依据1、《建筑地基基础设计规范》(GB 50007-2011)2、《砌体结构设计规范》(GB 50003-2011)3、《工程地质勘察报告》三、荷载计算1、土压力计算主动土压力系数:根据土的物理力学性质,通过公式计算得出主动土压力系数 Ka =_____。
土压力强度:按照库仑土压力理论,计算出土压力强度分布,最大土压力强度位于墙底,其值为_____kPa。
2、墙身自重计算墙体材料的重度γ =_____kN/m³,根据墙体尺寸计算出墙身自重 G =_____kN。
3、其他荷载考虑可能存在的地面活荷载 q =_____kN/m²。
四、稳定性验算1、抗滑移稳定性验算抗滑移安全系数计算公式为:Ks =(∑Nf +∑Ep)/∑Ea其中,∑N 为垂直于基底的合力,f 为基底摩擦系数,∑Ep 为被动土压力的合力,∑Ea 为主动土压力的合力。
经计算,抗滑移安全系数 Ks =_____,大于规范规定的允许值Ks =_____,满足抗滑移稳定性要求。
2、抗倾覆稳定性验算抗倾覆安全系数计算公式为:Kt =(∑M稳)/(∑M倾)其中,∑M稳为抗倾覆力矩,∑M倾为倾覆力矩。
经计算,抗倾覆安全系数 Kt =_____,大于规范规定的允许值Kt =_____,满足抗倾覆稳定性要求。
五、地基承载力验算1、基底平均压力计算公式为:p =(Fk + Gk)/A其中,Fk 为作用在基础顶面的竖向力标准值,Gk 为基础自重和基础上的土重标准值,A 为基础底面积。
经计算,基底平均压力 p =_____kPa。
2、基底最大压力计算公式为:pmax =(Fk + Gk)/A + Mk/W其中,Mk 为作用在基础底面的弯矩标准值,W 为基础底面的抵抗矩。
挡土墙计算书一、工程概述本次设计的挡土墙位于_____(具体位置),主要用于支撑土体,防止土体坍塌,保证周边建筑物和道路的安全。
挡土墙的高度为_____米,长度为_____米,墙体采用_____(材料)建造。
二、设计依据1、《建筑地基基础设计规范》(GB 50007-2011)2、《混凝土结构设计规范》(GB 50010-2010)(2015 年版)3、《砌体结构设计规范》(GB 50003-2011)4、相关地质勘察报告三、荷载计算1、土压力计算主动土压力:根据库仑土压力理论,计算主动土压力系数 Ka,主动土压力的分布呈三角形,计算公式为:Ea =05 × γ × H² × Ka ,其中γ为填土的重度,H 为挡土墙的高度。
考虑地面超载 q 时,土压力增加值为:ΔEa = q × H × Ka 。
2、水压力计算若墙后有地下水,需计算水压力。
水压力分布呈三角形,计算公式为:Ew =05 × γw × hw² ,其中γw 为水的重度,hw 为地下水位至墙顶的距离。
3、地震作用当工程所在地区为抗震设防区时,需考虑地震作用对挡土墙的影响。
地震作用可通过增加水平地震力来计算。
四、稳定性验算1、抗滑移稳定性验算抗滑移安全系数 Ks =(μ × G + Ean)/(Eat Ewn),其中μ为基底摩擦系数,G 为挡土墙自重,Ean 为主动土压力在水平方向的分力,Eat 为主动土压力在水平方向的分力,Ewn 为水压力在水平方向的分力。
Ks 应大于规范规定的最小值。
2、抗倾覆稳定性验算抗倾覆安全系数 Kt =(G × x0 + Ean × zf )/(Eat × x ),其中 x0 为挡土墙重心至墙趾的水平距离,zf 为主动土压力作用点至墙趾的垂直距离,x 为主动土压力作用点至墙趾的水平距离。
引言概述:
本文将对挡土墙的稳定性进行验算、分析和评估。
挡土墙是一种用于固定土方或防止土体侵蚀的结构工程,其稳定性是确保工程安全性的重要因素。
文中将通过计算和分析挡土墙的自重、土体压力、抗滑承载力、抗倾覆承载力以及抗拔承载力等各项指标,对挡土墙的稳定性进行全面评估。
正文内容:
1.挡土墙的设计参数
1.1持倚高度、挡土墙的宽度和坡度
1.2用于挡土墙的土体特性
1.3构建挡土墙的材料选择
2.挡土墙的自重和土体压力计算
2.1自重的计算方法
2.2土体压力的计算方法
2.3与挡土墙稳定性有关的自重和土体压力的影响因素
3.挡土墙的抗滑稳定性验算
3.1抗滑力的计算方法
3.2滑动稳定性验算的基本原理
3.3挡土墙稳定性验算的应力状态分析
4.挡土墙的抗倾覆稳定性验算
4.1抗倾覆力的计算方法
4.2倾覆稳定性验算的基本原理
4.3挡土墙抗倾覆稳定性验算的力平衡分析
5.挡土墙的抗拔稳定性验算
5.1抗拔力的计算方法
5.2拔出稳定性验算的基本原理
5.3挡土墙抗拔稳定性验算的形状效应考虑
总结:
挡土墙的稳定性是工程建设中的重要问题,该文通过对挡土墙的自重、土体压力、抗滑承载力、抗倾覆承载力以及抗拔承载力的计算和分析,对挡土墙的稳定性进行了全面的验算和评估。
在实际工程中,必须根据具体情况仔细选择适当的设计参数和材料,并严格按照设计要求进行建设,以确保挡土墙的稳定和安全。
挡土墙抗滑稳定计算(一)引言概述:
挡土墙是一种用于土方工程中的重要结构,其主要功能是防止土体的滑动和崩塌,确保土方工程的稳定性。
为了保证挡土墙的抗滑稳定性能,需要进行详细的计算和分析。
本文将从五个方面对挡土墙的抗滑稳定性进行计算与分析。
正文内容:
一、土体参数计算
1. 确定土体的物理性质,包括土壤类型、密度、角度内摩擦角等参数。
2. 测定土体的剪切强度参数,如黏聚力、内摩擦角等。
二、确定挡土墙的受力特性
1. 确定挡土墙的尺寸和几何形状,包括挡土墙的高度、底宽、顶宽等。
2. 计算挡土墙的自重和土压力,确定挡土墙的受力情况。
三、计算挡土墙与地基的摩擦力
1. 确定挡土墙与地基之间的紧密度,包括地基的摩擦角、侧向土压力系数等。
2. 计算挡土墙与地基之间的摩擦力和剪切力。
四、计算挡土墙的侧向稳定性
1. 考虑挡土墙自重、土压力和水力等因素,计算挡土墙的倾覆稳定性。
2. 考虑挡土墙与地基之间的摩擦力和剪切力,计算挡土墙的滑动稳定性。
五、分析挡土墙的整体稳定性
1. 综合考虑挡土墙的倾覆稳定性和滑动稳定性,分析挡土墙的整体稳定性。
2. 针对可能的失稳问题,提出合理的加固措施,并进行相应的计算和验证。
总结:
通过对挡土墙抗滑稳定性计算的分析,可以确定挡土墙的稳定性,预测挡土墙在不同条件下的变形和破坏情况。
这些计算结果对于土方工程的设计和施工具有重要的参考价值,可以确保土方工程的安全性和稳定性。
同时,本文所述的挡土墙抗滑稳定计算还需继续深入研究和实践,以提高土方工程的质量和效益。
挡土墙设计1.1设计资料1.1.1墙身构造本设计任务段中有许多处横断面路基高度太高,为了收缩边坡,增强路基的稳定性,在本路段按需求设计路堤挡土墙,其尺寸与分布见平面图与横断面图。
拟采用浆砌片石俯斜式路堤挡土墙,墙高H=7.22米,墙顶填土高为7.54米,墙顶宽1.5米,底水平宽4.5米,墙背俯斜坡度为0.416。
δ=φ/21.1.2土壤地质情况填土为粘性土,土的粘聚力C=24kpa,采用等效内摩擦角35oϕ=,容重为317/K N mγ=粘性土地基,容许承载力为[]=0σ400Kpa,基底摩擦系数f=0.4。
1.1.3墙身材料采用7.5号砂浆砌25号片石,砌体容重为γk =21.56KN/m 3;按规范:砌体容许压应力为[]=a σ600KPa,容许剪应力为[]=τ100KPa,容许拉应力为[]wl σ=60KPa 。
1.1.4车辆荷载根据<<路基设计规范>>(JTGD30-2004),车辆荷载为计算方便,可简化换算为路基填土的均布土层,并采用全断面布载。
换算土层厚:h 0=q/r=13.475/17=0.793γ为墙后填土容重 γ=17KN/m1.2墙背土压力计算对于墙趾前土体的被动土压力Ep ,在挡土墙基础一般埋深的情况下,考虑到各种自然力和人畜活动的作用,以偏于安全,一般均不计被动土压力,只计算主动土压力。
本设计任务段的路堤挡土墙,采用一级台阶,分析方法采用“力多边形法”,按粘性土的公式来计算土压力;边坡坡度为1:1.5,('1()33421.5a r e tg β==).其计算如下:图1-1墙截面尺寸图1.2.1破裂面计算假设破裂面交于荷载中部,则:()()()()()()()()00022227.5411.3120.79311.310.757.227.2227.5420.7930.4167.227.547.227.5420.7930.096a b h b dHH a h tg A H a H a h α++-++=+++⨯+⨯⨯+-⨯+⨯+⨯⨯=+⨯++⨯=()()B o tg tg c tg tg tg A oθψϕψψ=-±++75.09(3575.09)(0.09675.09)tg ctg tg tg =-︒+︒+︒⨯+︒=0.713其中: ψ=ϕ+δ+α=35+17.5+22.587=79.05则θ=arctg θ=32.826°1.2.2破裂面的验算:堤顶破裂面距墙踵距离 (H+a )tg θ =(7.22+7.54)⨯0.713 =10.524m 荷载内边缘距墙踵距离 b+d-H tg α=11.31+0.75-7.22⨯0.416 =9.056m荷载外边缘距墙踵 b+d+l 0- H tg α=11.31+0.75+24.5-7.22⨯0.416 =32.806m由以上数据知3.949<6.131<28.449, 破裂面交于路基面的中部。
挡土墙稳定计算挡土墙稳定计算1. 引言挡土墙是土木工程中常见的结构,用于控制土体的稳定,防止土体滑动、塌方等不稳定情况的发生。
本文将介绍挡土墙的稳定计算方法。
2. 挡土墙的结构类型挡土墙的结构类型多种多样,常见的有重力式挡土墙、加筋土壤墙、悬臂式挡土墙等。
每种结构类型有其合用的工程情况和稳定计算方法。
3. 土体参数的确定在进行挡土墙的稳定计算前,需要确定土体的参数,包括土体的抗剪强度、重度和内磨擦角等。
这些参数可以通过实验室试验或者现场测试得到。
4. 土体侧压力的计算土体侧压力是挡土墙稳定计算中重要的参数之一。
根据土体的性质和墙体结构类型,可以采用不同的方法来计算土体的侧压力。
5. 挡土墙的稳定计算方法根据挡土墙的结构类型和土体参数,可以采用不同的稳定计算方法,包括平衡法、弹性法、极限平衡法等。
根据具体工程情况,选择合适的稳定计算方法进行计算。
6. 挡土墙的稳定性分析在进行挡土墙的稳定性分析时,需要考虑墙体的稳定性和土体的稳定性。
通过计算墙体的滑动稳定性和倾覆稳定性,判断挡土墙的整体稳定性。
7. 挡土墙的设计和加固措施根据挡土墙的稳定性分析结果,设计合理的挡土墙结构,并加固不稳定部份。
常用的挡土墙加固措施包括加筋、加固层等。
8. 挡土墙的施工与监测挡土墙的施工需要按照设计要求进行,同时需要进行监测,及时发现问题并采取措施。
监测内容包括挡土墙的变形、土体的应力等。
9. 结论对挡土墙的稳定计算方法进行了详细的介绍,并提出了设计和施工上的注意事项。
附件:1. 挡土墙稳定计算表格(示例)2. 挡土墙设计图纸(示例)3. 挡土墙施工合同(示例)法律名词及注释:1. 土木工程法:土木工程专门处理土木结构的设计、施工和维护等方面的法律法规。
2. 挡土墙设计规范:国家制定的挡土墙设计规范,规定了挡土墙的设计要求和计算方法等。
专业课程设计公路路基设计学号:班级:姓名:日期:挡土墙设计阐明书本次设计重点放在重力式挡土墙。
挡土墙样式如图所示,个别桩号填土高度不不小于3m,不设置挡土墙,改成设置边坡,尚有个别桩号填土高度不不小于10m,设置衡重式挡土墙,不小于8M 旳填土高度旳,设置成多层挡土墙,在验算时,先计算第一层挡土墙稳定性,后验算下一层(多层挡土墙设计措施:先设第一层,8米左右,然后设护坡道,继续设计第二道挡土墙,护坡道够宽,则不计入第一层旳荷载,假如护坡道较窄,则把第一层挡土墙自重和上部活载作为荷载作用在第二道挡土墙上!宽窄是通过计算挡土墙旳破裂角来判断旳。
详细见计算书:挡土墙计算书桩号0+000,截面尺寸如图所示,第一层挡土墙尺寸12128,0.8, 2.088, 2.788,0.5,1,0.558, 1.2s h m b m b m b m b m h m h m =======埋深米第二层挡土墙尺寸: 1217, 1.4, 2.64, 2.5,0.5,0.8, 1.2s h m b m b m b m b m h m ======埋深米墙面坡度1:0.2,墙底与地基旳交角0.2:1,基地摩擦系数f=0.5(1)汽车荷载当量换算L B=Nb+(N-1)d=4 3.5+30.5=15.5m 4550h 0.531815.515NQ m BL γ汽车前后轮总距(2)破裂角 与土压力旳计算()()12t 000353570700.639632.6cos()cos(32.635)()(32.60)sin()sin(32.635)0.264112A g tg tg tg KK tg tg tg tg E H KK ψαδϕθψθθϕθαθϕγ=-==++=++==-=-+==++=+=+++====01=2主动土压力系数3主动土压力E2h K 1+H()20111880.264152.0642cos()152.064cos(035)124.56sin()152.064sin(035)87.224 2.6733X y y E E E E h H Z K αδαδ⨯⨯⨯==+=⨯+==+=⨯+==+=y土压力作用点位置Z(3)挡土墙自重G1234()23(5.16 4.154 2.5880.712)290.11()G A A A A A KN γγ==+++=⨯+++=12342.19,0.93, 1.69, 1.13X m X m X m X m ====1234118.68,95.45,59.53,16.37G KN G KN G KN G KN ====(4) 挡土旳抗滑稳定性验算 yc Xyu N E K E N G E +=→=+∑∑∑其中N 作用于基底竖向力的代数和(KN)即()cos sin cos ()sin y X c X y u G E E K E G E αααα++==-+∑0.5((290.1187.22)cos11.3124.56sin11.3) 2.04124.56cos11.3(290.1187.22)sin11.3⨯+⨯+⨯=⨯-+⨯>1.3(满足规定) (5).挡土墙旳抗倾覆稳定性验算11223344118.68 2.1895.540.9359.53 1.6916.37 1.1387.22 2.588124.56 2.671.95 1.5y x l a f G X G X G X G X E Z K E Z ++++⨯=⨯+⨯+⨯+⨯+⨯=⨯=> (6) 基底偏心距与基底应力计算:0118.68 2.1895.540.9359.53 1.6916.37 1.1387.22 2.588124.56 2.67 1.24290.112.588/2 1.240.0540.647()24y nn M M Z N B B e Z m -=⨯+⨯+⨯+⨯+⨯-⨯===-=-=<=∑∑∑满足要求126290.1187.2260.054(1)(1)2.588 2.588164.05800()127.55y G E N M e A W B B KPa σσ++⨯=±=±=±=<∑∑满足要求(7) 墙身截面验算法向应力及偏心距e 验算1-1截面;23 3.61883.21i G A kN γ==⨯=1221118 3.2250.26424.71222cos()24.712cos(035)20.243sin()24.712sin(035)14.174i X i y i E H KK KN E E KNE E KNγαδαδ==⨯⨯⨯==+=⨯+==+=⨯+=1212123.87,59.34,0.21, 1.041.075, 1.444397.3823.870.2159.34 1.0414.174 1.44487.19.i i g g i xi yi i I YI yi i gi yi yi G kN G kN Z m Z mH Z m Z m N G E KN M G Z E Z KN m ========+==+=⨯+⨯+⨯=∑∑20.243 1.07521.76.87.1921.760.67297.38Oi xi xi yi oi ni I ME Z kN M M M Z m N ==⨯=--===∑∑∑∑ 0.720.6720.0482i i ni B e Z m =-=-=<0.35B=0.50(满足规定) 12697.3860.048(1)(1)1.444 1.44480.88800()53.98i N e B B KPa σσ⨯=±=±=<∑满足要求2-2截面:239.314214.2i G A kN γ==⨯=1221118 6.450.26498.84722cos()98.847cos(035)80.97sin()98.847sin(035)56.7i X i y i E H KK KN E E KNE E KN γαδαδ==⨯⨯⨯==+=⨯+==+=⨯+=12121118.68,95.54,1.688,0.8582.15, 2.0883270.92118.68 1.68895.540.85856.7 2.088400.69.i i g g i xi yi i I YI yi i gi yi yi G kN G kN Z m Z mH Z m Z m N G E KN M G Z E Z KN m ========+==+=⨯+⨯+⨯=∑∑80.97 2.15174.08.400.69174.080.836270.92Oi xi xi yi oi ni I ME Z kN M M M Z m N ==⨯=--===∑∑∑∑ 1.0440.8360.2082i i ni B e Z m =-=-=<0.35B=0.50(满足规定) 126270.9260.208(1)(1)2.088 2.088215.56800()52.2i N e B B KPa σσ⨯=±=±=<∑满足要求(8),剪应力验算水平方向剪切验算1-1截面剪切面上水平剪力等于1-1截面以上墙身折受水平土压力,则:120.24314.021601.444ixi i i T E kpa kpa B B τ====<∑∑ 2-2截面剪切面上水平剪力等于2-2截面以上墙身折受水平土压力,则:180.9738.781602.088i xi i i T E kpa kpa B B τ====<∑∑ 第二层挡土墙验算:t 000353570700.639632.6A g tg tg tg ψαδϕθψθ=-==++=++==-=-+== 荷载换算:0495.23/8.59 3.218q h m r === ()()122cos()cos(32.635)()(32.60)sin()sin(32.635)0.2643.2 1.91111870.264 1.91222.3622cos()222.36cos(035)182.15sin()222.36sin X y KK tg tg tg tg E H KK kn E E E E θϕθαθϕγαδαδ++=+=+++=⨯===⨯⨯⨯⨯==+=⨯+==+=⨯1=2主动土压力系数3主动土压力E2K 1+7()1(035)127.544 3.2 2.89332.5y X H Z m K Z m+==+==y土压力作用点位置Z (4) 挡土旳抗滑稳定性验算yc Xyu N E K E N G E +=→=+∑∑∑其中N 作用于基底竖向力的代数和(KN)即()y c X u G E K E +==∑0.5(225.4127.54) 1.51182.15⨯+=>1.3(满足规定) (5).挡土墙旳抗倾覆稳定性验算11223344118.68 2.1895.540.9359.53 1.6916.37 1.1387.22 2.588 1.95 1.5124.56 2.67y x l a f G X G X G X G X E Z K E Z ++++⨯=⨯+⨯+⨯+⨯+⨯==>⨯ (6) 基底偏心距与基底应力计算:0118.68 2.1895.540.9359.53 1.6916.37 1.1387.22 2.588124.56 2.67 1.24290.112.588/2 1.240.0540.647()24y n n M MZ N B B e Z m -==⨯+⨯+⨯+⨯+⨯-⨯==-=-=<=∑∑∑满足要求126290.1187.2260.054(1)(1)2.5882.588164.05800()127.55y G E N M e A W B B KPa σσ++⨯=±=±=±=<∑∑满足要求(7) 墙身截面验算法向应力及偏心距e 验算1-1截面;23 3.61883.21i G A kN γ==⨯=1221118 3.2250.26424.71222cos()24.712cos(035)20.243sin()24.712sin(035)14.174i X i y i E H KK KNE E KN E E KN γαδαδ==⨯⨯⨯==+=⨯+==+=⨯+=1212123.87,59.34,0.21, 1.041.075, 1.444397.3823.870.2159.34 1.0414.174 1.44487.19.i i g g i xi yi i I YI yi i gi yi yi G kN G kN Z m Z mH Z m Z m N G E KN M G Z E Z KN m ========+==+=⨯+⨯+⨯=∑∑20.243 1.07521.76.87.1921.760.67297.38Oi xi xi yi oi ni I ME Z kN M M M Z m N ==⨯=--===∑∑∑∑ 0.720.6720.0482i i ni B e Z m =-=-=<0.35B=0.50(满足规定) 12697.3860.048(1)(1)1.444 1.44480.88800()53.98i N e B B KPa σσ⨯=±=±=<∑满足要求 2-2截面:23 3.61883.21i G A kN γ==⨯=1221118 6.450.26498.84722cos()98.847cos(035)80.97sin()98.847sin(035)56.7i X i y i E H KK KN E E KNE E KNγαδαδ==⨯⨯⨯==+=⨯+==+=⨯+= 12121118.68,95.54,1.688,0.8582.15, 2.0883270.92118.68 1.68895.540.85856.7 2.088400.69.i i g g i xi yi i I YI yi i gi yi yi G kN G kN Z m Z mH Z m Z m N G E KN M G Z E Z KN m ========+==+=⨯+⨯+⨯=∑∑80.97 2.15174.08.400.69174.080.836270.92Oi xi xi yi oi ni I ME Z kN M M M Z m N ==⨯=--===∑∑∑∑ 1.0440.8360.2082i i ni B e Z m =-=-=<0.35B=0.50(满足规定)126270.9260.208(1)(1)2.088 2.088215.56800()52.2i N e B B KPa σσ⨯=±=±=<∑满足要求(8),剪应力验算水平方向剪切验算1-1截面剪切面上水平剪力等于1-1截面以上墙身折受水平土压力,则:120.24314.021601.444ixi i i T E kpa kpa B B τ====<∑∑ 2-2截面剪切面上水平剪力等于2-2截面以上墙身折受水平土压力,则:180.9738.781602.088i xi i i T E kpa kpa B B τ====<∑∑ 第二层 0 5.223/1.93 3.4418q h m r ⨯=== (2)破裂角θ与土压力旳计算()()2t 000353570700.639632.6cos()cos(32.635)()(32.60)sin()sin(32.635)0.264 1.9812A g tg tg tg KK tg tg tg tg E H K ψαδϕθψθθϕθαθϕγ=-==++=++==-=-+==++=+=+++===01=2主动土压力系数3主动土压力E2h K 1+H()120111870.264 1.98230.522cos()230.53cos(035)188.83sin()230.53sin(035)132.224 2.91333.14X y y x K E E E E h H Z K Z mαδαδ=⨯⨯⨯⨯==+=⨯+==+=⨯+==+==y土压力作用点位置Z(4) 挡土旳抗滑稳定性验算yc Xyu N E K E N G E +=→=+∑∑∑其中N 作用于基底竖向力的代数和(KN)即()y c X u G E K E +==∑0.6(478.048132.22) 1.51188.83⨯+=>1.3(满足规定) (5).挡土墙旳抗倾覆稳定性验算112233199.64 2.4488.412 1.3357.77 1.5132.22 3.14 2.0 1.5188.83 2.91y x l a f G X G X G X E Z K E Z ++++⨯=⨯+⨯+⨯+⨯==>⨯(6) 基底偏心距与基底应力计算:0199.64 2.4488.412 1.3357.77 1.5132.22 3.14188.83 2.910.913478.048132.223.14/20.9130.6570.785()24y nn M M Z N B B e Z m -=⨯+⨯+⨯+⨯-⨯==+=-=-=<=∑∑∑满足要求126478.048132.2260.657(1)(1)3.14 3.14438.35800()49.6380y G E N M e A W B B KPa KPaσσ++⨯=±=±=±<=->-∑∑满足要求(7) 墙身截面验算法向应力及偏心距e 验算1-1截面;23 5.27121.21i G A kN γ==⨯=1221118 3.10.264 1.9845.2122cos()45.21cos(035)37sin()45.21sin(035)25.9i X i y i E H KK KN E E KNE E KNγαδαδ==⨯⨯⨯⨯==+=⨯+==+=⨯+=1212199.8,21.39,1.32,0.4131.033,2.023147.1199.8 1.3221.390.41325.9 2.02192.88.i i g g i xi yi i I YI yi i gi yi yi G kN G kN Z m Z mH Z m Z m N G E KN M G Z E Z KN m========+==+=⨯+⨯+⨯=∑∑37 1.03338.22.192.8838.22 1.05147.11Oi xi xi yi oi ni I ME Z kN M M M Z m N ==⨯=--===∑∑∑∑ 1.01 1.050.042i i ni B e Z m =-=-=-<0.35B=0.50(满足规定) 126147.1160.04(1)(1)2.02 2.0281.48800()64.17i N e B B KPa σσ⨯=±=±=<∑满足要求2-2截面:2312.524288.05i G A kN γ==⨯=1221118 6.20.264 1.98180.8422cos()180.84cos(035)148.14sin()180.84sin(035)103.72i X i y i E H KK KN E E KNE E KNγαδαδ==⨯⨯⨯⨯==+=⨯+==+=⨯+=12121199.64,88.42,1.94,0.832.06, 2.643391.77199.64 1.9488.420.83103.72 2.64734.50.i i g g i xi yi i I YI yi i gi yi yi G kN G kN Z m Z mH Z m Z m N G E KN M G Z E Z KN m========+==+=⨯+⨯+⨯=∑∑148.14 2.06305.17.734.50305.17 1.096391.77Oi xi xi yi oi ni I ME Z kN M M M Z m N ==⨯=--===∑∑∑∑ 1.32 1.0960.2242i i ni B e Z m =-=-=<0.35B=0.924(满足规定) 126391.7760.224(1)(1)2.64 2.64223.9800()72.8i N e B B KPa σσ⨯=±=±=<∑满足要求(8),剪应力验算水平方向剪切验算1-1截面剪切面上水平剪力等于1-1截面以上墙身折受水平土压力,则:13718.31602.02ixi i i T E kpa kpa B B τ====<∑∑ 2-2截面剪切面上水平剪力等于2-2截面以上墙身折受水平土压力,则:1148.1456.11602.64i xi i i T E kpa kpa B B τ====<∑∑2>桩号0+020,截面尺寸如图所示,第一层挡土墙尺寸12128,0.8, 2.088, 2.788,0.5,1,0.558, 1.3,s h m b m b m b m b m h m h m =======埋深米第二层挡土墙尺寸:1217, 1.4, 2.64, 2.5,0.5,0.8, 1.3s h m b m b m b m b m h m ======埋深米墙面坡度1:0.2,墙底与地基旳交角0.2:1,基地摩擦f=0.5(1)汽车荷载当量换算L B=Nb+(N-1)d=4 3.5+30.5=15.5m 4550h 0.531815.515NQ m BL γ汽车前后轮总距(2)破裂角θ与土压力旳计算()()12t 000353570700.639632.6cos()cos(32.635)()(32.60)sin()sin(32.635)0.264112A g tg tg tg KK tg tg tg tg E H KK ψαδϕθψθθϕθαθϕγ=-==++=++==-+=-+==++=+=+++====01=2主动土压力系数3主动土压力E2h K 1+H()20111880.264152.0642cos()152.064cos(035)124.56sin()152.064sin(035)87.224 2.6733X y y E E E E h H Z K αδαδ⨯⨯⨯==+=⨯+==+=⨯+==+=y土压力作用点位置Z(3)挡土墙自重G1234()23(5.16 4.154 2.5880.712)290.11()G A A A A A KN γγ==+++=⨯+++=12342.19,0.93, 1.69, 1.13X m X m X m X m ====1234118.68,95.45,59.53,16.37G KN G KN G KN G KN ====(4) 挡土旳抗滑稳定性验算 yc Xyu N E K E N G E +=→=+∑∑∑其中N 作用于基底竖向力的代数和(KN)即()y c X u G E K E +==∑0.5(290.1187.22) 1.51124.56⨯+=>1.3(满足规定) (5).挡土墙旳抗倾覆稳定性验算11223344118.68 2.1895.540.9359.53 1.6916.37 1.1387.22 2.588 1.95 1.5124.56 2.67y x l a f G X G X G X G X E Z K E Z ++++⨯=⨯+⨯+⨯+⨯+⨯==>⨯ (6) 基底偏心距与基底应力计算:0118.68 2.1895.540.9359.53 1.6916.37 1.1387.22 2.588124.56 2.67 1.24290.112.588/2 1.240.0540.647()24y n n M M Z N B B e Z m -=⨯+⨯+⨯+⨯+⨯-⨯===-=-=<=∑∑∑满足要求126290.1187.2260.054(1)(1)2.588 2.588164.05800()127.55y G E N M e A W B B KPa σσ++⨯=±=±=±=<∑∑满足要求(7) 墙身截面验算法向应力及偏心距e 验算1-1截面;23 3.61883.21i G A kN γ==⨯=1221118 3.2250.26424.71222cos()24.712cos(035)20.243sin()24.712sin(035)14.174i X i y i E H KK KN E E KNE E KNγαδαδ==⨯⨯⨯==+=⨯+==+=⨯+=1212123.87,59.34,0.21, 1.041.075, 1.444397.3823.870.2159.34 1.0414.174 1.44487.19.i i g g i xi yi i I YI yi i gi yi yi G kN G kN Z m Z mH Z m Z m N G E KN M G Z E Z KN m ========+==+=⨯+⨯+⨯=∑∑20.243 1.07521.76.87.1921.760.67297.38Oi xi xi yi oi ni I ME Z kN M M M Z m N ==⨯=--===∑∑∑∑ 0.720.6720.0482i i ni B e Z m =-=-=<0.35B=0.50(满足规定) 12697.3860.048(1)(1)1.444 1.44480.88800()53.98i N e B B KPa σσ⨯=±=±=<∑满足要求2-2截面:239.314214.2i G A kN γ==⨯=1221118 6.450.26498.84722cos()98.847cos(035)80.97sin()98.847sin(035)56.7i X i y i E H KK KN E E KNE E KN γαδαδ==⨯⨯⨯==+=⨯+==+=⨯+=12121118.68,95.54,1.688,0.8582.15, 2.0883270.92118.68 1.68895.540.85856.7 2.088400.69.i i g g i xi yi i I YI yi i gi yi yi G kN G kN Z m Z mH Z m Z m N G E KN M G Z E Z KN m ========+==+=⨯+⨯+⨯=∑∑80.97 2.15174.08.400.69174.080.836270.92Oi xi xi yi oi ni I ME Z kN M M M Z m N ==⨯=--===∑∑∑∑ 1.0440.8360.2082i i ni B e Z m =-=-=<0.35B=0.50(满足规定) 126270.9260.208(1)(1)2.088 2.088215.56800()52.2i N e B B KPa σσ⨯=±=±=<∑满足要求(8),剪应力验算水平方向剪切验算1-1截面剪切面上水平剪力等于1-1截面以上墙身折受水平土压力,则: 120.24314.021601.444ixi i i T E kpa kpa B B τ====<∑∑ 2-2截面剪切面上水平剪力等于2-2截面以上墙身折受水平土压力,则: 180.9738.781602.088i xi i i T E kpa kpa B B τ====<∑∑ 第二层挡土墙验算:t 000353570700.639632.6A g tg tg tg ψαδϕθψθ=-==++=++==-+=-+== 荷载换算:0495.23/8.59 3.218q h m r === ()()122cos()cos(32.635)()(32.60)sin()sin(32.635)0.2643.2 1.91111870.264 1.91222.3622cos()222.36cos(035)182.15sin()222.36sin X y KK tg tg tg tg E H KK kn E E E E θϕθαθϕγαδαδ++=+=+++=⨯===⨯⨯⨯⨯==+=⨯+==+=⨯1=2主动土压力系数3主动土压力E2K 1+7()1(035)127.544 3.2 2.89332.5y X H Z m K Z m+==+==y土压力作用点位置Z (4) 挡土旳抗滑稳定性验算yc Xyu N E K E N G E +=→=+∑∑∑其中N 作用于基底竖向力的代数和(KN)即()y c X u G E K E +==∑0.5(225.4127.54) 1.51182.15⨯+=>1.3(满足规定) (5).挡土墙旳抗倾覆稳定性验算11223344118.68 2.1895.540.9359.53 1.6916.37 1.1387.22 2.588 1.95 1.5124.56 2.67y x l a f G X G X G X G X E Z K E Z ++++⨯=⨯+⨯+⨯+⨯+⨯==>⨯ (6) 基底偏心距与基底应力计算:0118.68 2.1895.540.9359.53 1.6916.37 1.1387.22 2.588124.56 2.67 1.24290.112.588/2 1.240.0540.647()24y n n M M Z N B B e Z m -=⨯+⨯+⨯+⨯+⨯-⨯===-=-=<=∑∑∑满足要求126290.1187.2260.054(1)(1)2.588 2.588164.05800()127.55y G E N M e A W BB KPa σσ++⨯=±=±=±=<∑∑满足要求(7) 墙身截面验算法向应力及偏心距e 验算1-1截面;23 3.61883.21i G A kN γ==⨯=1221118 3.2250.26424.71222cos()24.712cos(035)20.243sin()24.712sin(035)14.174i X i y i E H KK KNE E KN E E KN γαδαδ==⨯⨯⨯==+=⨯+==+=⨯+=1212123.87,59.34,0.21, 1.041.075, 1.444397.3823.870.2159.34 1.0414.174 1.44487.19.i i g g i xi yi i I YI yi i gi yi yi G kN G kN Z m Z mH Z m Z m N G E KN M G Z E Z KN m ========+==+=⨯+⨯+⨯=∑∑20.243 1.07521.76.87.1921.760.67297.38Oi xi xi yi oi ni I ME Z kN M M M Z m N ==⨯=--===∑∑∑∑ 0.720.6720.0482i i ni B e Z m =-=-=<0.35B=0.50(满足规定) 12697.3860.048(1)(1)1.444 1.44480.88800()53.98i N e B B KPa σσ⨯=±=±=<∑满足要求2-2截面:23 3.61883.21i G A kN γ==⨯=1221118 6.450.26498.84722cos()98.847cos(035)80.97sin()98.847sin(035)56.7i X i y i E H KK KN E E KNE E KNγαδαδ==⨯⨯⨯==+=⨯+==+=⨯+=12121118.68,95.54,1.688,0.8582.15, 2.0883270.92118.68 1.68895.540.85856.7 2.088400.69.i i g g i xi yi i I YI yi i gi yi yi G kN G kN Z m Z mH Z m Z m N G E KN M G Z E Z KN m ========+==+=⨯+⨯+⨯=∑∑80.97 2.15174.08.400.69174.080.836270.92Oi xi xi yi oi ni I ME Z kN M M M Z m N ==⨯=--===∑∑∑∑ 1.0440.8360.2082i i ni B e Z m =-=-=<0.35B=0.50(满足规定)126270.9260.208(1)(1)2.088 2.088215.56800()52.2i N e B B KPa σσ⨯=±=±=<∑满足要求(8),剪应力验算水平方向剪切验算1-1截面剪切面上水平剪力等于1-1截面以上墙身折受水平土压力,则:120.24314.021601.444ixi i i T E kpa kpa B B τ====<∑∑ 2-2截面剪切面上水平剪力等于2-2截面以上墙身折受水平土压力,则:180.9738.781602.088i xi i i T E kpa kpa B B τ====<∑∑第二层 0 5.223/1.93 3.4418q h m r ⨯=== (2)破裂角θ与土压力旳计算()()2t 000353570700.639632.6cos()cos(32.635)()(32.60)sin()sin(32.635)0.264 1.9812A g tg tg tg KK tg tg tg tg E H K ψαδϕθψθθϕθαθϕγ=-==++=++==-+=-+==++=+=+++===01=2主动土压力系数3主动土压力E2h K 1+H()120111870.264 1.98230.522cos()230.53cos(035)188.83sin()230.53sin(035)132.224 2.91333.14X y y x K E E E E h H Z K Z mαδαδ=⨯⨯⨯⨯==+=⨯+==+=⨯+==+==y土压力作用点位置Z(4) 挡土旳抗滑稳定性验算yc Xyu N E K E N G E +=→=+∑∑∑其中N 作用于基底竖向力的代数和(KN)即()y c X u G E K E +==∑0.6(478.048132.22) 1.51188.83⨯+=>1.3(满足规定) (5).挡土墙旳抗倾覆稳定性验算112233199.64 2.4488.412 1.3357.77 1.5132.22 3.14 2.0 1.5188.83 2.91y x l a f G X G X G X E Z K E Z ++++⨯=⨯+⨯+⨯+⨯==>⨯(6) 基底偏心距与基底应力计算:0199.64 2.4488.412 1.3357.77 1.5132.22 3.14188.83 2.910.913478.048132.223.14/20.9130.6570.785()24y nn M M Z N B B e Z m -=⨯+⨯+⨯+⨯-⨯==+=-=-=<=∑∑∑满足要求126478.048132.2260.657(1)(1)3.14 3.14438.35800()49.6380y G E N M e A W B B KPa KPaσσ++⨯=±=±=±<=->-∑∑满足要求(7) 墙身截面验算法向应力及偏心距e 验算1-1截面;23 5.27121.21i G A kN γ==⨯=1221118 3.10.264 1.9845.2122cos()45.21cos(035)37sin()45.21sin(035)25.9i X i y i E H KK KN E E KNE E KNγαδαδ==⨯⨯⨯⨯==+=⨯+==+=⨯+=1212199.8,21.39,1.32,0.4131.033,2.023147.1199.8 1.3221.390.41325.9 2.02192.88.i i g g i xi yi i I YI yi i gi yi yi G kN G kN Z m Z mH Z m Z m N G E KN M G Z E Z KN m ========+==+=⨯+⨯+⨯=∑∑37 1.03338.22.192.8838.22 1.05147.11Oi xi xi yi oi ni I ME Z kN M M M Z m N ==⨯=--===∑∑∑∑ 1.01 1.050.042i i ni B e Z m =-=-=-<0.35B=0.50(满足规定) 126147.1160.04(1)(1)2.02 2.0281.48800()64.17i N e B B KPa σσ⨯=±=±=<∑满足要求2-2截面:2312.524288.05i G A kN γ==⨯=1221118 6.20.264 1.98180.8422cos()180.84cos(035)148.14sin()180.84sin(035)103.72i X i y i E H KK KN E E KNE E KNγαδαδ==⨯⨯⨯⨯==+=⨯+==+=⨯+=12121199.64,88.42,1.94,0.832.06, 2.643391.77199.64 1.9488.420.83103.72 2.64734.50.i i g g i xi yi i I YI yi i gi yi yi G kN G kN Z m Z mH Z m Z m N G E KN M G Z E Z KN m========+==+=⨯+⨯+⨯=∑∑148.14 2.06305.17.734.50305.17 1.096391.77Oi xi xi yi oi ni I ME Z kN M M M Z m N ==⨯=--===∑∑∑∑ 1.32 1.0960.2242i i ni B e Z m =-=-=<0.35B=0.924(满足规定) 126391.7760.224(1)(1)2.64 2.64223.9800()72.8i N e B B KPa σσ⨯=±=±=<∑满足要求(8),剪应力验算水平方向剪切验算1-1截面剪切面上水平剪力等于1-1截面以上墙身折受水平土压力,则: 13718.31602.02ixi i i T E kpa kpa B B τ====<∑∑ 2-2截面剪切面上水平剪力等于2-2截面以上墙身折受水平土压力,则: 1148.1456.11602.64ixi i i T E kpa kpa B B τ====<∑∑ 验算成果满足规定.桩号0+060,截面尺寸如图所示,12128,0.8, 2.088, 2.788,0.5,1,0.558s h m b m b m b m b m h m h m =======墙面坡度1:0.2,墙底与地基旳交角0.2:1,基地摩擦系数f=0.5(1)汽车荷载当量换算L B=Nb+(N-1)d=4 3.5+30.5=15.5m 4550h 0.531815.515NQ m BL γ汽车前后轮总距(2)破裂角 与土压力旳计算()()12t 000353570700.639632.6cos()cos(32.635)()(32.60)sin()sin(32.635)0.264112A g tg tg tg KK tg tg tg tg E H KK ψαδϕθψθθϕθαθϕγ=-==++=++==-=-+==++=+=+++====01=2主动土压力系数3主动土压力E2h K 1+H()20111880.264152.0642cos()152.064cos(035)124.56sin()152.064sin(035)87.224 2.6733X y y E E E E h H Z K αδαδ⨯⨯⨯==+=⨯+==+=⨯+==+=y土压力作用点位置Z(3)挡土墙自重G1234()23(5.16 4.154 2.5880.712)290.11()G A A A A A KN γγ==+++=⨯+++=12342.19,0.93, 1.69, 1.13X m X m X m X m ====1234118.68,95.45,59.53,16.37G KN G KN G KN G KN ====(4) 挡土旳抗滑稳定性验算 yc Xy u N E K E N G E +=→=+∑∑∑其中N 作用于基底竖向力的代数和(KN)即()cos sin cos ()sin y X c X y u G E E K E G E αααα++==-+∑0.5((290.1187.22)cos11.3124.56sin11.3)2.04124.56cos11.3(290.1187.22)sin11.3⨯+⨯+⨯=⨯-+⨯>1.3(满足规定)(5).挡土墙旳抗倾覆稳定性验算11223344118.68 2.1895.540.9359.53 1.6916.37 1.1387.22 2.5881.95 1.5124.56 2.67y xl a fG X G X G X G X E Z K E Z ++++⨯=⨯+⨯+⨯+⨯+⨯==>⨯(6) 基底偏心距与基底应力计算:118.68 2.1895.540.9359.53 1.6916.37 1.1387.22 2.588124.56 2.67290.111.242.588/2 1.240.0540.647()24yn n M MZ NB Be Z m -=⨯+⨯+⨯+⨯+⨯-⨯===-=-=<=∑∑∑满足要求126290.1187.2260.054(1)(1)2.588 2.588164.05800()127.55y G E N M e A W B B KPa σσ++⨯=±=±=±=<∑∑满足要求(7) 墙身截面验算法向应力及偏心距e 验算 1-1截面;23 3.61883.21i G A kN γ==⨯=1221118 3.2250.26424.71222cos()24.712cos(035)20.243sin()24.712sin(035)14.174i X i y i E H KK KNE E KNE E KNγαδαδ==⨯⨯⨯==+=⨯+==+=⨯+=1212123.87,59.34,0.21, 1.041.075, 1.444397.3823.870.2159.34 1.0414.174 1.44487.19.i i g g ixi yi i I YI yii gi yi yi G kN G kN Z m Z m H Z m Z m N G E KN MG Z E Z KN m========+==+=⨯+⨯+⨯=∑∑20.243 1.07521.76.87.1921.760.67297.38Oixi xi yioiniIME Z kN MM M Z mN==⨯=--===∑∑∑∑ 0.720.6720.0482ii ni B e Z m =-=-=<0.35B=0.50(满足规定) 12697.3860.048(1)(1)1.444 1.44480.88800()53.98i N e B B KPa σσ⨯=±=±=<∑满足要求2-2截面:239.314214.2i G A kN γ==⨯=1221118 6.450.26498.84722cos()98.847cos(035)80.97sin()98.847sin(035)56.7i X i y i E H KK KNE E KNE E KNγαδαδ==⨯⨯⨯==+=⨯+==+=⨯+=12121118.68,95.54,1.688,0.8582.15, 2.0883270.92118.68 1.68895.540.85856.7 2.088400.69.i i g g ixi yi i I YI yii gi yi yi G kN G kN Z m Z m H Z m Z m N G E KN MG Z E Z KN m========+==+=⨯+⨯+⨯=∑∑80.97 2.15174.08.400.69174.080.836270.92Oixi xi yioini IME Z kN MM M Z mN==⨯=--===∑∑∑∑ 1.0440.8360.2082ii ni B e Z m =-=-=<0.35B=0.50(满足规定) 126270.9260.208(1)(1)2.088 2.088215.56800()52.2i N e B B KPa σσ⨯=±=±=<∑满足要求(8),剪应力验算 水平方向剪切验算1-1截面剪切面上水平剪力等于1-1截面以上墙身折受水平土压力,则:120.24314.021601.444ixiiiT Ekpa kpa B B τ====<∑∑2-2截面剪切面上水平剪力等于2-2截面以上墙身折受水平土压力,则:180.9738.781602.088ixiiiT Ekpa kpa B B τ====<∑∑ 验算成果满足规定.0.264K0桩号K0+080(1)求破裂角及系数K 由上可知=32.6,θθ2002411118250.26459.4/223548.7/3534.1//31.6710.742332.2/20.542346/0.6 1.52320.7/10.4 1.523 6.9/20.32/30.70.47X Y Y H K KN mE E COS KN m E E SIN KN mZ H mKN m G KN m KN mG KN m X 13(2)稳定性验算E= G G γ2341.250.751.0m X m X m Xm/0///(32.24620.76.934.1)11.348.711.3146.7/20.3/4.3 1.31.8 1.5X X Y N N COS E SIN COS SIN KN mT E COS NSIN KN mN TM M c 0抗滑移验算:K 满足要求抗倾覆验算:K 满足要求ααααμ00////////1////2/// 1.5/11.3 1.530.54/20.225/50.316(1)180.56(1)11.3YN N B COS COS mM M Z m Ne B Z m B m N e Kpa BBN e KpaBB/(3)基底应力及合力偏心距验算B 满足要求满足要求ασσσσ1212210.352238.05/20.522323/20.350.2330.350.250.6111840.2649.5/229.3/1.9//30.67238.051.932.95/X Y yi iyiyi i Gi yi y G KN mG KN mX m X m E H K KN mE KN m E KN m Z H m N G E KN m M G Z E Z (4)墙身截面验算截面:ΙΙγ8.050.23230.61.90.8517.39.30.673.44ioixi xiKNM E Z KN1217.3 3.440.432.950.85/20.40.0250.30.255632.9560.025(1)(1)45.60.850.85632.9560.025(1)(1)31.90.850.859.yioiNi iiNi iiaii ia i ii iiM M Z m N e Bi Z B m N e Kpa B B N e KpaB B T B 满足要求剪切力验算:σσσστ310.90.85Kpa 满足要求τ121210.742332.2/20.542346/20.70.4730.70.250.95G KN m G KN m X m X m 截面:ΠΠ21118160.26438/2237.3/7.4//31.33X Y yE H K KN mE KN m E KN m Z H mγ85.6/67.849.60.3i i yiyi i Gi yi yi oi xi xi yioiNiiN G E KN m M G Z E Z KNM E Z KN M M Z m N 120.85/20.40.30.30.366(1)178.36(1)35.737.331.11.2iNi iiaii ia i iiiie Bi Z B mN e Kpa B B N e KpaB B T Kpa B 满足要求剪切力验算:满足要求综上所述,该挡土墙设计满足要求。
挡土墙稳定性验算.doc 文档全文预览范本一:挡土墙稳定性验算.doc1. 引言本文档旨在对挡土墙的稳定性进行验算,以确保挡土墙在承受土压力时能够保持稳定。
挡土墙是土木工程中常用的一种结构,主要用于防止土体滑坡、坍塌等现象的发生。
验算挡土墙的稳定性是设计和施工过程中至关重要的一部分,本文档将详细介绍验算的步骤和方法。
2. 挡土墙的基本参数2.1 墙体尺寸:挡土墙的高度、底宽、顶宽等参数的确定。
2.2 材料特性:挡土墙所使用的材料的物理力学性质,包括抗压强度、剪切强度等。
2.3 土体参数:挡土墙所承载的土体的特性,包括土体的重度、内摩擦角等。
3. 稳定性验算方法3.1 自由体平衡法:根据挡土墙上方的土体形成的自由体,应用力学平衡的原理进行计算。
3.2 滑动稳定性验算:考虑挡土墙底部的滑动稳定性,计算滑动面的抗力和推力的大小。
3.3 倾覆稳定性验算:考虑挡土墙的倾覆稳定性,计算倾覆面上的力矩平衡条件。
3.4 等效剪切力法:根据挡土墙所受到的土压力的特性,计算等效剪切力的大小。
4. 稳定性验算步骤4.1 确定挡土墙的几何参数和土体参数。
4.2 应用自由体平衡法计算挡土墙上方土体的水平力和竖向力。
4.3 利用滑动稳定性验算法计算挡土墙底部的滑动面抗力和推力的大小。
4.4 根据倾覆稳定性验算法计算挡土墙的倾覆面上的力矩平衡条件。
4.5 应用等效剪切力法计算挡土墙所受到的等效剪切力。
5. 稳定性验算结果根据以上的计算步骤和方法,给出挡土墙的稳定性验算结果,包括滑动安全系数、倾覆安全系数、剪切安全系数等。
6. 附件本文档涉及的附件包括挡土墙的实际设计图纸、土体参数测试报告等相关资料。
7. 法律名词及注释7.1 挡土墙:一种用于防止土体滑坡、坍塌等现象的土木工程结构。
7.2 自由体平衡法:一种通过应用力学平衡原理来计算挡土墙稳定性的方法。
7.3 滑动稳定性验算:一种通过计算挡土墙底部的滑动面抗力和推力来评估稳定性的方法。
挡土墙计算书引言挡土墙是一种常见的工程结构,用于防止土体的滑坡或坍塌。
在设计和施工挡土墙时,需要进行一系列的计算,以确保其稳定性和安全性。
本文档将介绍挡土墙的计算方法,包括挡土墙的稳定性分析、挡土墙的底部反力计算和挡土墙的支护设计。
1. 挡土墙的稳定性分析挡土墙的稳定性是设计和施工的关键考虑因素之一。
稳定性分析的目标是确定挡土墙是否能够抵抗土体的侧向压力,并保持其稳定性。
下面是进行稳定性分析时需要考虑的几个关键因素:1.1. 土体性质首先,需要了解土体的性质,包括土壤的类型、密度、压缩特性和强度参数等。
这些参数将影响挡土墙的稳定性计算。
1.2. 土压力计算在稳定性分析中,需要计算土体对挡土墙的侧向压力。
常用的土压力计算方法有:•切片法•剪切力法•等效土压力法根据具体情况选择合适的土压力计算方法,并结合土体性质进行计算。
1.3. 滑动稳定性挡土墙的滑动稳定性是指挡土墙在侧向土压力作用下是否会发生横向滑动的能力。
滑动稳定性分析需要考虑挡土墙和土体之间的摩擦力和土体的抗剪强度。
常用的滑动稳定性分析方法有:•三力法•强度平衡法•有限元法选择合适的方法进行滑动稳定性分析,并根据分析结果调整挡土墙的尺寸和支护设计。
1.4. 翻转稳定性挡土墙的翻转稳定性是指挡土墙在侧向土压力作用下是否会发生翻转的能力。
翻转稳定性分析需要考虑挡土墙的抗翻转力矩和土体对挡土墙的翻转力矩。
常用的翻转稳定性分析方法有:•杆件法•平衡法•有限元法选择合适的方法进行翻转稳定性分析,并根据分析结果调整挡土墙的尺寸和支护设计。
2. 挡土墙的底部反力计算挡土墙在承受土压力的同时,还需要承受底部的反力。
底部反力的计算是确保挡土墙稳定性和安全性的重要步骤。
以下是进行底部反力计算时需要考虑的几个关键因素:2.1. 基底摩擦力挡土墙的底部反力包括水平力和垂直力。
其中,水平力由土压力产生,垂直力由挡土墙的重力和土体重力产生。
底部反力的计算需要考虑挡土墙和基底的摩擦力。
挡土墙稳定性验算(二)引言概述:挡土墙稳定性验算是在设计和施工中必不可缺的一项工作。
本文将对挡土墙的稳定性验算进行详细阐述。
通过对挡土墙的自重、土压力、地震力以及其他荷载等多个因素进行综合考虑,并基于相关验算方法和公式,对挡土墙的稳定性进行全面的验证和评估。
正文:一、挡土墙的自重验算1. 根据挡土墙的尺寸和材料参数,计算挡土墙的自重。
2. 确定挡土墙的垂直受力面,并将其分解为水平和垂直方向的分力,进而进行力的平衡。
3. 考虑挡土墙的倾覆稳定性,计算倾覆力矩和抗倾覆力矩,进行稳定性验算。
二、挡土墙的土压力验算1. 根据土壤的性质和挡土墙的几何形状,确定土壤的侧向土压力分布。
2. 根据土压力的分布形式,计算挡土墙受到的单位长度的土压力。
3. 考虑土层的变动性和不排水条件,对土压力进行修正。
4. 根据验算方法和公式,计算挡土墙的稳定性。
三、挡土墙的地震力验算1. 根据设计地震烈度和加速度谱,确定挡土墙受到的地震作用力。
2. 考虑挡土墙的动力特性,计算挡土墙在地震作用下的弯矩、剪力和轴力等。
3. 根据验算方法和公式,对挡土墙的地震稳定性进行验算。
四、其他荷载的验算1. 考虑其他荷载如水荷载、雪荷载等对挡土墙的影响。
2. 根据荷载的特点和挡土墙的几何形状,确定其他荷载的分布和作用力。
3. 将其他荷载作用下的力与挡土墙的抗力进行比较,进行稳定性验算。
五、挡土墙稳定性验算的评估1. 综合考虑挡土墙受到的各种荷载作用,对挡土墙的稳定性进行综合验算。
2. 根据验算结果,评估挡土墙的稳定性,确定是否满足设计要求。
3. 针对挡土墙的不足之处,提出相应的加固或改进措施。
总结:挡土墙稳定性验算是确保挡土墙安全可靠的重要环节。
通过对挡土墙的自重、土压力、地震力以及其他荷载等方面的全面验算,可以评估挡土墙的稳定性,并提出相应的加固或改进措施。
建议在挡土墙的设计和施工中充分考虑这些因素,以确保挡土墙的稳定性和长期使用安全。
挡土墙课程设计计算书一、设计资料1、墙身构造拟采用重力式挡土墙,墙高为 5m,墙顶宽度为 1m,墙背仰斜坡度为 1:025(即α = 1404°),墙面垂直。
墙身材料采用浆砌块石,砌体容重为 22kN/m³,砌体容许压应力为σa = 500kPa,容许剪应力为τ =80kPa,基底摩擦系数为μ = 04。
2、填土资料墙后填土为砂性土,重度为 18kN/m³,内摩擦角为 30°,填土表面水平,无均布荷载作用。
3、地基资料地基为粉质黏土,重度为 19kN/m³,地基容许承载力为σ0 =200kPa。
二、主动土压力计算1、破裂角θ的计算假设破裂面交于荷载范围内,根据库仑土压力理论,破裂角θ应满足:\\tan\theta =\frac{\cos(\alpha +\varphi)}{\cos\alpha \sin\varphi}\\\tan\theta =\frac{\cos(1404°+30°)}{\cos1404°\sin30°}\approx 070\\\theta \approx 35°\2、主动土压力系数 Ka 的计算\Ka =\frac{\cos^2(\alpha \theta)}{\cos^2\alpha \cos(\alpha +\theta) \cos(\theta \varphi)}\\Ka =\frac{\cos^2(1404° 35°)}{\cos^21404°\cos(1404°+35°)\cos(35° 30°)}\approx 0307\3、土压力作用点高度 z 的计算\z =\frac{h}{3} \frac{\tan\alpha}{\tan\theta}\\z =\frac{5}{3} \times \frac{\tan1404°}{\tan35°}\approx 107m\4、主动土压力 Ea 的计算\Ea =\frac{1}{2}\gamma h^2 Ka\\Ea =\frac{1}{2} \times 18 \times 5^2 \times 0307 \approx 695kN/m\三、稳定性验算1、抗滑稳定性验算\F_s =\mu (G + Ey)\其中,G 为挡土墙自重,Ey 为土压力的水平分力。
挡土墙稳定性计算挡土墙稳定性计算一、引言挡土墙是土木工程中常见的一种结构形式,用来抵挡或防止土体滑倒或坍塌。
在设计挡土墙时,需要进行稳定性计算来确保其可靠性和安全性。
本文将详细介绍挡土墙稳定性计算的步骤和方法。
二、挡土墙类型挡土墙可以分为重力式挡土墙和槽式挡土墙两种类型。
重力式挡土墙通过其自重来抵抗土体的压力,而槽式挡土墙则通过其结构形式来增加稳定性。
三、稳定性计算步骤1. 确定挡土墙的几何形状和土体性质,包括挡土墙的高度、底宽、坡度以及土体的内摩擦角、凝聚力等参数。
2. 进行土体的力学参数试验,确定土体的内摩擦角和凝聚力等参数的具体数值。
3. 根据挡土墙的几何形状和土体性质,计算土体的坡面稳定性,并考虑到坡面的自重、土体的摩擦力以及水分对土体稳定性的影响。
4. 计算挡土墙的抗滑稳定性,包括计算土体的抗滑力和倾覆力,以确定挡土墙的稳定性能。
5. 根据挡土墙的抗滑稳定性计算结果,进行结构强度校核,确保挡土墙能够抵抗土体的压力和外力的作用。
四、计算方法与公式1. 坡面稳定性计算方法:根据土体内摩擦角、凝聚力以及坡面的坡度、高度等参数,可以使用库仑法则、泰勒法则等方法来计算坡面的稳定性。
2. 抗滑稳定性计算方法:根据土体的内摩擦角、凝聚力以及挡土墙的几何形状和土体的力学参数,可以使用高斯法、平衡法等方法来计算挡土墙的抗滑稳定性。
五、附件本文档所涉及的附件如下:1. 挡土墙设计图纸2. 土体力学参数试验报告3. 抗滑稳定性计算结果表格六、法律名词及注释本文档所涉及的法律名词及注释如下:1. 施工组织设计:指挡土墙施工过程中的组织安排、施工顺序、工期计划等具体内容的设计。
2. 安全监督:指对挡土墙施工过程中的安全问题进行监督和管理,确保施工过程的安全性。
18300.350.5300kpa 300kpa 0.000m -5.800m -5.000m 5.800m 0.5m 5.200m 300mm 300mm300mm 250mm1000550mm3500mm 5050mm0.330.5151.38 1.1015kN 立臂、踵板及其上覆土469.8kN 484.8kNkN kN kN kN ≥1.3满足要求1977.8156mmz=H/3=1933.3333E an =E a sin(α0)=(2)抗倾覆稳定性验算挡土墙重心到墙趾的水平距离x 0=挡土墙及其上填土总重G=G 1+G 2=三、挡土墙的稳定性验算(1)抗滑移稳定性验算Gn=Gcos(α0)=Gt=Gsin(α0)=E at =E a cos(α0)=(2)主动土压力计算E a =1/2ψa γH 2κa =挡土墙增大系数ψa=(3)挡土墙及其上覆土自重趾板及其上覆土自重G 1=踵板宽度b 3=挡土墙底板总长度B=挡土墙基底倾角α0=二、荷载计算:综合排水情况取ka=立壁高度:h 1=踵板顶面倾斜高差:h 2=底板倾斜高差:h 3=趾板、踵板端高h 4=立臂端部宽度:b=趾板宽度b1=趾板根部宽度b 2=地基承载力标准值f ak =修正后地基承载力f=墙顶标高:H1=墙底标高:H 2=挡土墙前地坪标高H 3=挡土墙总高度H=挡土墙基础埋深H F =挡土墙计算书一、几何数据及计算参数:回填土容重:γ=填料内摩擦角φ=基底摩擦系数μ=静止土压力系数:Ka=≥ 1.6满足要求65.44kN m0.13<1/6B=0.84满足要求111.40<1.2f=360满足要求p 2=G/A-M/W=80.60p=p 1+p 2=96<f=300满足要求1.2C30HRB4002.01N/mm214.3N/mm 2360kN/m 2200000N/mm 240mm 50mm 40mm50mm111.40kpa 105.30kpa49.68kN•m59.62kN•m500mm 相对受压区高度ξ=0.017<2as'/h 0=0.200368mm2拟实配A S =565mm 249.68kN•m 1.9带肋钢筋的相对粘结特11000mm 12mm 对矩形截面的受弯构A te =0.5bh=275000ρte 0.0021取ρte =0.01σsq =M q /(0.87h o A s 202N/mm2裂缝间纵向受拉钢筋应0.45取ψ=0.450.150<0.2mm80.60kpa 101.94kpa173.23kN•m207.87kN•m#VALUE!524mm 相对受压区高度ξ=#VALUE!#VALUE!2as'/h 0=0.191#VALUE!mm2拟实配@100A S =2011mm 2173.23kN•m 1.9带肋钢筋的相对粘结特11000mm 16mm矩形截面受弯构件,构件受力特征系数αcr=取1米宽墙计算,截面宽度b=受拉区纵向钢筋的等效直径deq=截面高度h=h 2+h 4-b 3*tg(α)=截面有效高度:h 0=#VALUE!②裂筋计算根据《混凝土结构设计规范》7.1.2条进行计算准永久荷载组合作用下弯矩M q =踵板倾角α2=踵板端部土反力:p 2=踵板根部土反力:p 2’=踵板根部弯矩M k =1/2*20*H*b 32-1/6(2p 2+p 2')b 32=踵板上部受拉弯矩设计值M=γG M k =ψ=1.1-0.65f tk /ρte /σsq =ωxmax = αcr ψσsq (1.9c+0.08d eq /ρte )/E s =裂缝满足要求2、踵板配筋及裂缝计算(1)踵板配筋计算②裂筋计算根据《混凝土结构设计规范》7.1.2条进行计算准永久荷载组合作用下弯矩M q =矩形截面受弯构件,构件受力特征系数αcr=取1米宽墙计算,截面宽度b=受拉区纵向钢筋的等效直径deq=趾板根部土反力:p 1’=趾板根部弯矩M k =1/6(2p 1+p 1')b 12-1/2*20*H F *b 12=弯矩设计值M=γG M k =截面有效高度:h 0=AS=M/fy(h0-as')=外侧保护层厚度:c'=外侧筋合力点位置:a s'=1、趾板配筋及裂缝计算(1)趾板配筋计算趾板端部土反力:p 1=砼抗拉强度标准值f tk =砼抗压强度设计值:f c =钢筋抗拉强度:fy=钢筋弹性模量:Es=外侧保护层厚度:c=外侧筋合力点位置:a s =基础偏心矩e=M/G=p 1=G/A+M/W=五、趾板、踵板、悬臂配筋计算立臂、踵板及趾板均按悬臂板计算恒载分项系数γG =混凝土强度等级:钢筋级别:四、地基承载力计算作用在基底的偏心弯矩M=G 1*(B/2-b 1/2)+E a *(H/3-h 3/2)-G2*(B/2-(b 1+b 2+b 3)/2)=对矩形截面的受弯构A te =0.5bh=#VALUE!ρte #VALUE!取ρte =#VALUE!σsq =M q /(0.87h o A s #VALUE!N/mm2裂缝间纵向受拉钢筋应#VALUE!取ψ=#VALUE!#VALUE!#VALUE!0.2mm立臂倾角α=8730H u =5.2031.2kN 117.52kN•m141.02kN•m 300.00250mm 相对受压区高度ξ=0.116<2as'/h 0=0.4001959mm 2拟实配@100A S =3142mm 2117.52kN•m 1.9带肋钢筋的相对粘结特11000mm 20mm 对矩形截面的受弯构A te =0.5bh=150000ρte =0.0209取ρte =σsq M q /(0.87h o A s 172N/mm2裂缝间纵向受拉钢筋应#VALUE!取ψ=#VALUE!#VALUE!#VALUE!0.2mmωxmax = αcr ψσsq (1.9c+0.08d eq /ρte )/E s =#VALUE!根据《混凝土结构设计规范》7.1.2条进行计算准永久荷载组合作用下弯矩M q =矩形截面受弯构件,构件受力特征系数αcr=取1米宽墙计算,截面宽度b=受拉区纵向钢筋的等效直径deq=ψ=1.1-0.65f tk /ρte /σsq =根部弯矩M k =1/6*q 1*cos(90-α+δ)*H u 2=弯矩设计值M=γG M k =截面高度h=b 2=截面有效高度:h 0=AS=M/fy(h0-as')=②裂筋计算3、立臂配筋及裂缝计算(1)立壁后土压力计算土对挡土墙背的摩察角δ=(2)立臂根部墙配筋及裂缝计算①立壁配筋计算立臂底部土压力q 1=καγH u =ψ=1.1-0.65f tk /ρte /σsq =ωxmax = αcr ψσsq (1.9c+0.08d eq /ρte )/E s =#VALUE!。
饿挡土墙稳定分析
根据工程的需要假设墙的高度H 为,墙顶的宽度b 为,确定墙底的宽度B 为,基础埋深2m ,前趾延长1m,后趾延长1m,坡比为1:。
选用墙身材料为浆砌石的重力式挡土墙,此类型的挡土墙具有构造简单、施工方便、就地取材等优点,是工程中常被广泛采用的一种挡土墙形式。
为防止挡土墙堤防冻融变化,挡土墙后填筑1m 宽砂砾料,坡比为1:;挡土墙设两排排水孔,孔径φ110mm ,孔距为3m,上下排间距为2m ,错开布置,排水管外填筑粗细碎石,防止换填体渗出堵塞排水管。
为避免地基不均匀沉降引起墙身开裂,需按墙高和地基性质的变异,设置沉降缝,同时,为了减少圬工砌体因收缩硬化和温度化作用而产生裂缝,需设置伸缩缝。
挡土墙的沉降缝和伸缩缝设置在一起,每隔10m 设置一道,缝宽3cm ,自墙顶做至基底,缝内宜用沥青麻絮、沥青竹绒或涂以沥青木板等具有弹性的材料。
以2+000桩号挡土墙水流最不利断面进行计算,取2+000底高程作为设计挡土墙底高程;挡土墙顶高程为,从安全计,挡土设计计算高度为。
其余尺寸见计算简图,分别对挡土墙断面结构的抗滑、抗倾覆、基底压力和结构内力进行复核
计算,根据计算结果逐渐调整确定其余断面尺寸。
左岸设计堤顶高程191.1
挡土墙断面简图
a) 第一种情况:墙前无水,墙后填土 稳定计算 1、主动土压力
按《SL379—2007水工挡土墙设计规范》中按郎肯土压力公式:
Ka h K qh P 2
1112
1a γ+=
Ka h h P 212γ=
Ka h P 2
232
1ωγ=
式中:P 1、P 2、P 3—主动土压力,KN/m;
q — 作用在墙后填土面上的换算后的均部荷载,KN/m 2; γ—土的重度, KN/m 3 , 取 KN/m 3 ; γω—水的浮重度,KN/m 3;取10KN/m 3; K a —主动土压力系数, K a =;
h 1—墙后地下水位以上土压力计算高度,m ; h 2—墙后地下水位以下土压力计算高度,m ;
经计算得P= KN/m 其中:
1) )φ。
245(tan 2-=Ka
式中:
φ—填土的内摩擦角,取28。
;计算得Ka=.
2) L
B G q h 00
γγ∑==
式中:h —墙顶面以上的等待填土高度,m ;
B 0 —不计车辆荷载作用时墙体的宽度,当墙后填土面为水平时,
αθtan tan 0H H B +=
θ—稳定岩石坡面坡角,取50。
; α—墙背摩擦角,取45。
;
L —考虑一辆重车在挡土墙纵向分布的计算长度,m (大于分段长度时L 取15m );
L 0—前后轴距加轮胎着地长度。
除汽—20级重车为外,其余均为; ∑G 0—布置在B 0×L 面板内的车轮总重。
注:该设计取公路等级为三级,车辆荷载等级为汽车—10级,履带50进行计算。
经计算得出q= KN/m 2.
2、抗滑移稳定:
按《SL379—2007水工挡土墙设计规范》中公式:
∑∑=
H
G
f K C
式中:K c —按抗剪强度计算的容许抗滑稳定安全系数;
f —挡土墙底面与地基土之间的抗剪摩擦系数,取; γ—浆砌石的重度,取 KN/m 3
ΣG —作用于挡土墙基底全部竖向荷载之和,为 KN/m ; ΣH —作用于挡土墙全部水平向荷载之和,为m ; 经计算得K c =>, 因此满足设计要求。
2、抗倾覆稳定:
按《SL379—2007水工挡土墙设计规范》中公式:
∑∑=
H
V M
M K 0
式中:ΣM V —作用于墙体的荷载对墙前趾产生的稳定力矩,为·m ; ΣM H —作用于墙体的荷载对墙前趾产生的倾覆力矩,为 KN ·m ;
K 0—抗倾稳定安全系数。
经计算得K 0=>, 因此满足设计要求。
3、地基承载力计算公式:
)
B 6e 1(min
max ±=
∑F
G σ
式中:e — 偏心距;
F — 基底面积;
[R] —地基土的容许承载力,取2000Kpa ; 经计算:
σmax = KPa <×[R]=×2000=2400KPa σmin = KPa <×[R]=×2000=2400KPa
根据以上验算结果表明,挡土墙的抗滑稳定、抗倾稳定和基底压力均满足工程设计的要求。
故不需要重新验算。
结构内力计算
重力式挡土墙墙身应按构件偏心受压及受剪验算其水平截面应力,水平截面应力计算值应小于墙身允许应力值。
按《SL379—2007水工挡土墙设计规范》中公式:
21Pl Gl M +=
W
M
A G 0min
max ±=
σ
A P =
τ 式中:M —墙身计算截面的弯矩, KN ·m ,为 KN ·m ;
G —墙身计算截面以上所有竖向荷载(包括自重)的总和, KN;
P —墙身计算截面以上所有水平向荷载的总和KN ,为;
l 1—墙身计算截面以上所有竖向荷载的合力作用点至计算截面形心
轴的距离,m;
l 2—墙身计算截面以上所有水平向荷载的合力作用点至计算截面形
心轴的距离,m;
min
max
σ —墙身计算截面的正应力最大、最小值Kpa;
A 0 —墙身计算截面的面积,m 2, 为 m 2; W —墙身计算截面的截面距,m 3, 为 m 3; τ—墙身计算截面的剪应力, Kpa;
根据砌体结构设计规范(GB —50003—2001),经计算得
σ= < f tm =130KPa τ= KPa < f v =210KPa
水平截面应力计算值小于墙身允许应力计算值,满足要求,故不需要重新验算。
b) 第二种情况:墙前有水,墙后无土 考虑到墙前有水时,按静水压力计算,由公式
Ka H P 2
42
1ωγ
算得
P 4= KN/m<P= KN/m,
因此墙靠本身的自重就能保持稳定,不需要再验算。