通常版焊接工艺标准规范标准卡
- 格式:doc
- 大小:2.74 MB
- 文档页数:16
钎焊工艺规范1 范围本标准规定了各相关部门与人员针对钎料、钎剂以及钎焊工序过程中的相应职责;钎料和钎剂的使用要求;钎焊前的基本要求;钎焊工艺要求;补焊注意事项;钎焊质量的检验;注意事项和安全要求。
本标准适用于湖南元亨工厂设计、生产所有空调产品以及零部件过程中的钎焊工序。
2 规范性引用文件下列文件中的条款通过本标准的引用而成为本标准的条款。
凡是注明日期的引用文件,其随后所有版本修改单(不包括勘误的内容)或修订版均不适用于本标准,然而,鼓励根据本标准达成协议的各方研究是否可适用这些文件的最新版本。
凡是不注明日期的引用文件,其最新版本均适用于本标准。
GB/T 10046-2000GB/T 6418-93GB/T 11618-1999GB 11363 GB 8619 GB 11364银基钎料铜基钎料铜管接头钎焊接头强度试验方法钎缝强度试验方法钎料铺展性及填缝性试验方法3 定义:3.1. 钎焊:钎焊是利用熔点稍低于母材的钎料和母材一起加热,使钎料熔化,并通过毛细管作用原理扩散和填满钎缝间隙,形成牢固的一种焊接方法。
3. 2. 钎剂:去除钎焊金属和液体钎料表面上的氧化膜,保护钎焊金属和钎料在加热过程中不继续氧化,以改善钎料对母材表面的润湿性,促进钎缝的形成。
4 钎料和钎剂的使用要求:4. 1. 钎料(焊丝)的作用:利用高温熔化的液态钎料润湿钎焊金属(母材)表面并均匀地铺展,直至致密地填满结合面的间隙而形成牢固接头。
4. 2. 钎剂(助焊剂)的作用:去除钎焊金属和液体钎料表面上的氧化膜,保护钎焊金属和钎料在加热过程中不继续氧化,以改善钎料对母材表面的润湿性,促进钎缝的形成。
4. 3. 钎料中磷的成分可以增加钎料的铺展性和浸润性,但是会增加焊接处的脆性;锌和铬能增加焊接强度和抗冲击性;含锌钎料的焊接后的外观比含铬钎料的焊接外观稍差,但铬蒸气对人的健康有伤害。
5 钎焊前的基本要求焊接位置、焊接配合间隙、配合面的表面处理、焊接材料的准备、插入深度和清洁度是钎焊前需要注意的六大要素。
焊接工艺评定试验国内外标准对比解析刘杨【摘要】The welding procedure qualification test is performed to verify the correctness of the proposed weldment welding process and to evaluate the test process and results.At present,the commonly used welding procedure qualification standards and specifications at home and abroad are mainly GB 50661-2011,NB/T 47014-2011,EN ISO 15614-1:2004+A2:2012,ASME IX-2013,AWS D1.1/D1.1M-2015 and so on.The above standards and specifications were compared and analyzed from the aspects of welding procedure qualification procedure,specimen preparation,test procedure and evaluation basis.The sampling problems of butt joints for tensile,bend and impact test during the qualification were mainly discussed,and the similarities and differences of various standards and specifications were summarized.The results show that each standard or specification has its own requirements in terms of test content,sampling quantity and location,specimen size,etc.Special attentions should be paid during the actual qualification.%焊接工艺评定试验是为了验证所拟定的焊件焊接工艺的正确性而进行的试验过程及结果评价.目前国内外常用的焊接工艺评定标准和规范主要有GB 50661-2011,NB/T 47014-2011,EN ISO 15614-1:2004+A2:2012,ASME IX-2013,AWS D1.1/D1.1M-2015等.从焊接工艺评定程序、试样制备、试验过程、评定依据等方面对上述标准和规范进行了对比分析,重点探讨了对接接头焊接工艺评定中拉伸、弯曲、冲击的取样问题,并归纳了各标准和规范的异同点.结果表明:各标准和规范在检测内容、取样数量和位置、试样尺寸等方面都有各自的要求,在实际评定过程中要特别注意.【期刊名称】《理化检验-物理分册》【年(卷),期】2018(054)006【总页数】6页(P421-426)【关键词】焊接工艺评定;对接接头;拉伸;冲击;弯曲【作者】刘杨【作者单位】上海材料研究所检测中心,国家金属材料质量监督检验中心,上海200437【正文语种】中文【中图分类】TG406;T65焊接工艺评定的主要目的在于证明某一个焊接工艺是否能够获得符合要求的焊接接头,以判断该工艺的正确性、可行性,而不是评定焊接操作人员的技艺水平。
焊缝质量标准4.1 保证项目4.1.1 焊接材料应符合设计要求和有关标准的规定,应检查质量证明书及烘焙记录。
4.1.3 Ⅰ、Ⅱ级焊缝必须经探伤检验,并应符合设计要求和施工及验收规范的规定,检查焊缝探伤报告。
4.1.4 焊缝表面Ⅰ、Ⅱ级焊缝不得有裂纹、焊瘤、烧穿、弧坑等缺陷。
Ⅱ级焊缝不得有表面气孔、夹渣、弧坑、裂纹、电弧擦伤等缺陷,且Ⅰ级焊缝不得有咬边、未焊满等缺陷。
4.2 基本项目4.2.1 焊缝外观:焊缝外形均匀,焊道与焊道、焊道与基本金属之间过渡平滑,焊渣和飞溅物清除干净。
4.2.2 表面气孔:Ⅰ、Ⅱ级焊缝不允许;Ⅲ级焊缝每50mm 长度焊缝内允许直径≤0.4t;且≤3mm 气孔2 个;气孔间距≤6 倍孔径。
4.2.3 咬边:Ⅰ级焊缝不允许。
Ⅱ级焊缝:咬边深度≤0.05t,且≤0.5mm,连续长度≤100mm,且两侧咬边总长≤10%焊缝长度。
Ⅲ级焊缝:咬边深度≤0.lt,且≤lmm。
注:t 为连接处较薄的板厚。
4.3 允许偏差项目,见表5-1。
5成品保护5.1 焊后不准撞砸接头,不准往刚焊完的钢材上浇水。
低温下应采取缓冷措施。
5.2 不准随意在焊缝外母材上引弧。
5.3 各种构件校正好之后方可施焊,并不得随意移动垫铁和卡具,以防造成构件尺寸偏差。
隐蔽部位的焊缝必须办理完隐蔽验收手续后,方可进行下道隐蔽工序。
5.4 低温焊接不准立即清渣,应等焊缝降温后进行。
6 应注意的质量问题6.1 尺寸超出允许偏差:对焊缝长宽、宽度、厚度不足,中心线偏移,弯折等偏差,应严格控制焊接部位的相对位置尺寸,合格后方准焊接,焊接时精心操作。
6.2 焊缝裂纹:为防止裂纹产生,应选择适合的焊接工艺参数和施焊程序,避免用大电流,不要突然熄火,焊缝接头应搭10~15mm,焊接中不允许搬动、敲击焊件。
6.3 表面气孔:焊条按规定的温度和时间进行烘焙,焊接区域必须清理干净,焊接过程中选择适当的焊接电流,降低焊接速度,使熔池中的气体完全逸出。
焊接工艺规范焊接工艺规范1、范围本标准规定了焊接工艺的技术要求。
2、人员资格2.1焊工必须经专门的理论学习和实际操作培训,经考试合格取得有关部门颁发证书,方可担任焊接工作。
2.2对中断焊接工作六个月以上的焊工,必须重新考核。
2.3焊工在施焊前应认真熟悉图纸和焊接工艺。
2.4核查待焊焊缝坡口的装配质量和组对要求,对不符合装配质量和组对要求的焊缝应拒焊,并向有关部门反映。
2.5进行焊缝质量的自检,做好自检记录、焊缝标记或焊缝跟踪记录等工作。
3、焊接设备3.1应根据焊接施工时需用的焊接电流和实际负载持续率,选用焊机。
3.2每台焊接设备都应有接地装置,并可靠接地。
3.3焊接设备应处于正常工作状态,安全可靠,仪表应检定合格。
4、焊接材料4.1焊接材料(焊条、焊丝等)应为进货验收合格品。
对材质有怀疑时,应进行复验,合格后才能使用。
4.2焊前应根据焊条使用说明的规定对焊条进行烘干处理。
4.3烘干后的焊条应放入100~150℃的保温箱(筒)内,随用随取。
低氢型焊条一般在常温下超过四小时应重新烘干。
重新烘干次数不应超过三次。
5、焊前准备5.1坡口加工5.1.1材料为碳素钢和碳锰钢(标准抗拉强度≤540MPa)的坡口可采用冷加工或热加工方法制备。
5.1.2碳锰钢(标准抗拉强度>540MPa)、铬钼低合金钢和高合金钢宜采用冷加工法。
若采用热加工方法,对影响焊接质量的表面淬硬层,应用冷加工方法去除。
5.2焊接坡口应符合图样规定。
5.3焊接坡口应保持平整,不得有裂纹、分层、夹渣等缺陷。
5.4焊前应将坡口表面及两侧的水、氧化物、油污、锈、熔渣等杂质清除干净。
5.5焊接环境焊接环境只有在满足下列情况时才允许施焊。
a)风速:气体保护焊时≤2m/s,其它焊接方法≤10m/s;b)相对湿度≤90%。
c)焊件温度高于-10℃。
5.6预热5.6.1对碳钢和低合金钢,当焊件温度低于0℃时,应在始焊处100mm宽度范围内预热至15℃以上。
不同的焊接方法有不同的焊接工艺。
焊接工艺主要根据被焊工件的材质、牌号、化学成分,焊件结构类型,焊接性能要求来确定。
首先要确定焊接方法,如手弧焊、埋弧焊、钨极氩弧焊、熔化极气体保护焊等等,焊接方法的种类非常多,只能根据具体情况选择。
确定焊接方法后,再制定焊接工艺参数,焊接工艺参数的种类各不相同,如手弧焊主要包括:焊条型号(或牌号)、直径、电流、电压、焊接电源种类、极性接法、焊接层数、道数、检验方法等等。
1 总则本通用工艺适用于我公司采用手工电弧焊、埋弧自动焊,钨极氩弧焊及熔化极CO2气体保护焊工艺的各类钢制压力容器的焊接。
2 焊工2.1 焊工必须按《锅炉压力容器焊工考试规则》进行考试,并取得焊工合格证,方能在有效期内从事合格项目的焊接工作。
2.2 焊接前焊工必须了解所焊焊件的钢种、焊接材料、焊接工艺要点。
3 焊接方法3.1 下列焊缝一般采用埋弧焊3.1.1 10≤δ≤60的拼接焊缝;3.1.2 直径φ≥1000mm且δ≥10mm的A、B缝内、外口;600mm≤直径φ<1000mm的A、B缝外口。
3.2 下列焊缝一般采用手工焊:3.2.1 直径φ≥1000mm且δ<10mm的A、B缝内、外口;3.2.2 600mm≤直径φ<1000mm的A、B缝内口3.2.3 直径φ≥89mm接管与法兰B类缝外口;3.2.4 C、D 类焊缝。
3.3 下列焊缝一般采用钨极氩弧焊:3.3.1 直径φ≥1000mm 且δ≤8mm的A、B类缝打底焊;3.3.2 600mm≤直径φ<1000mm的A、B类缝打底焊;3.3.3 直径φ≥89mm接管与法兰B类缝打底焊;3.3.4 φ<89mm的接管与法兰B缝焊接;3.3.5 图样要求采用氩弧焊的C、D类焊缝焊接。
3.4 下列焊缝一般采用熔化极CO2气体保护焊:3.4.1 塔器的裙座和底座环的焊接;3.4.2 容器和换热器等设备的鞍座和支座的焊接。
4 焊接材料4.1 根据产品图纸或JB/T4709《钢制压力容器焊接规程》的规定选用相应的焊接材料。
P91焊接工艺标准(2008.12.28)P91制造和装配规程1. 总则1.1本篇所含为P91装配和供应的客户要求和标准,对于项目特殊要求,请在阅读本规程的基础上联系阅读“P91特殊装备部件装配规程”。
2. 名词解释2.1 P91:是指“9Cr-1Mo material with addition of Cb &V for enhanced creep resistan ce”的术语,例如:管为T91,锻件为F91,钢板为Class91,组装管道为P912.2 Buyer(买方/客户方): 是指以Vogt Power International (Vogt)即:Vogt国际以及Babco ck Power集团所属公司名义开具釆购订单或Babcock Power集团制造授权书的公司2.3 Code(规则):应指装配、测试以及设计规范2.4 Dimensions/Units(尺寸/单位):本规程所用尺寸/单位标识为:国际单位制附以括号注明的美国习惯单位制2.5 Fabricator(装配方):是指负责装配或服务(例如:油漆、测试、焊接等)的一方。
如果是装配方直接从买方/客户方(Buyer)处接订单的情况下,卖方(Seller)和装配方(Fa bricator)应为同一方2.6 RT, UT, MT, 和PT分别指射线、超声波、磁粉、目视和渗透测试2.7 Vendor(第三方):指按合同为此规和提供相应测试和检验及相关服务的单位2.8 VHN指Vickers Hardness(硬度) Number(数) 例如:Hv5 或Hv102.9 BHN指Brinell Hardness(硬度) Number(数)2.10 PBHT指弯后热处理2.11外圆度必须是在弯后测得最大直径和最小直径按以下算式进行计算外圆度(%)=2x x1003. 规则及标准3.1本规程所含要求是除Codes(规则)技术要求和客户方装配要求(例如:ASME Section1和ASME B31.1)外的附加要求4.质量计划4.1实际生产前,装配方必须提供的文件至少包含下列文件:4.1.1标明WPS(焊接工艺规程)编码的焊接图纸,并配有整个项目中所涉及的所有焊接类别和明细的详细说明4.1.2WPS(焊接工艺规程)/PQR(焊接工艺评定)及相关测试规程4.1.3热处理流程,包含标明发热器和热电偶(控制和记录)位置的简图4.1.4NDE(无损检测)及硬度弯度检测流程4.1.5焊接中所用的所有焊接材料的实际化学元素测试报告4.2客户方(买方)审核上述由装配方提供的文件通常需要5个工作日4.3资格和认证必须与Codes(规则)相符5.装配和焊接要求5.1来料控制5.1.1来料检验必须包含目视检测以查看材料表面是否有污点或凹痕(即:检查运输损耗)5.1.2来料按520010-MCNC-001标准进行硬度测试5.1.3焊接中所使用的焊材(填充金属)必须有可追塑性5.1.4焊材(填充金属)中Ni+Mn的含量最高为1.5%5.2所有焊工必须是经过培训的,且在该级别材料焊接中有实际焊接经历的。
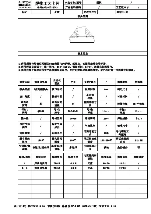
产品名称/型号产品物料编码工艺版本号/标记处数更改文件号签字/日期焊接方法焊条电弧焊自动化程度手工支持PQR号/焊缝类型角焊缝接头类型T型角接接头坡口形式/根部间隙0mm 钝边尺寸/坡口角度/根部半径/是否加衬垫/衬垫材料/是否单面焊是是否反面清根否背面清根方法/焊接位置2F/平角焊母材1牌号Q235A 母材2牌号20CrMnTi 母材1厚度10mm 母材2厚度12mm 管外径/焊材型号E5015焊材牌号J507焊材规格φ2.5保护气体类型/保护气体成份/气流比率/喷嘴尺寸/钨极类型/钨极直径/熔滴过渡方式短路导电嘴到工件距离/最小预热温度150℃最大层间温度180℃焊后热处理温度180-250℃焊后热处理时间2-2.5H 窄道焊/摆动焊窄道焊/摆动焊单道焊/多道焊多道焊层间清理方式砂轮是否锤击否焊道/焊层焊接方法焊材型号焊材直径电流种类和极性焊接电流焊接电压焊接速度1焊条电弧焊E5015φ2.5交流60-7018-21/2~4焊条电弧焊E5015φ2.5交流65-8019-23/焊接工艺卡片(PSTA031007-208)刮板/接头简图技术要求1.焊前须将待焊部位两侧各30mm范围内的铁锈、氧化皮、油漆等杂质去除干净;2.焊前焊条必须烘干,烘干温度:300~350℃,保温时间:2小时,放置在保温筒内;3.焊件在整个焊接过程中严格控制层间温度;在对后续每层焊缝焊接前,要严格对前一层焊缝进行清理。
/设计(日期):韩松宝08.5.20 审核(日期):林晓东08.5.20 标准化(日期):宋明正08.5.20。
SMT回流焊接工艺规范编号:版次: 发布:实施:页次:编制:审核:批准:1范围本规范规定了回流焊接工艺的基本内容和要求,确定了回流焊接过程中的质量控制程序,使回流焊接过程中影响质量的各个因素得到有效控制。
本标准适用于SMT生产线的回流焊接生产过程。
2设备、工具和材料2.1 设备使用XXXX系列全热风回流焊炉。
2.2 工具KIC 温度曲线测试仪、热电偶。
2.3 材料高温胶带、高温链条润滑油、焊膏的技术特性表。
3 技术要求3.1 传送宽度对于厚度在1.6mm以上,长度和宽度在150~300mm的PCB,一般采用链条传送方式;对于厚度小于 1.6mm,尺寸较小,不便于使用链条传送或采用拼板方式的PCB,为防止变形,可采用网带传送方式。
采用链条传送方式时,设置PCB的长、宽尺寸,设备自动调整宽度后,检查链条的实际宽度与PCB的宽度是否匹配,二者应有1~2mm的间隙。
3.2 温度曲线设置影响温度曲线的参数主要有两个:链条速度和各温区温度设置。
设定温度曲线需要根据所使用焊膏的技术要求,综合考虑链条速度和各温区温度。
链条速度应根据整条生产线的生产节拍来确定,温度曲线通常分为四个区:预热区、保温区、焊接区、冷却区。
升温速率应小于3℃/S,峰值温度通常应在210℃~230℃,在183℃以上的回流时间应为60(±15)S,冷却速率应在3℃/S~4℃/S,一般,较快的冷却速率可得到较细的颗粒结构和较高强度与较亮的焊接点。
故超过每秒4℃会造成温度冲击。
温度曲线设置时,可先根据经验资料进行设置,再用一块样板或与待焊PCB相近的一块PCB实测,测温度曲线时,KIC的热电偶放置应选择PCB中间、PCB边缘、大器件边缘、耐热要求严格的器件附近选取测试点,热电偶可用高温胶带固定在测试点上,温度曲线采样完成后,利用KIC的分析功能,主要检查峰值温度、升温速率、回流时间、温差,然后根据焊膏的技术要求调整回流焊炉的设置,下面以典型的Sn63Pb37锡铅锡膏为例,回流曲线性能规范要求如下图:预热区(100—150℃)时间:60—120Sec;升温速率:<2.5℃/Sec;保温区(150—183℃)时间:30—90Sec;升温速率:<2.5℃/Sec;回流区(>183 ℃)时间:40—80Sec;峰值温度:210-235℃;冷却区————降温速率:1℃/Sec≤Slope≤4℃/Sec。
焊接质量检验标准1. 引言焊接质量检验是确保焊接工艺和焊接接头符合设计和规范要求的关键步骤。
本文将介绍焊接质量检验的标准和方法,以确保焊接接头的质量和可靠性。
2. 检验标准焊接质量检验的标准通常基于国际标准组织(ISO)和美国焊接学会(AWS)等机构制定的标准,以下是一些常用的焊接检验标准:2.1 焊接接头的尺寸测量焊缝的尺寸测量是评估焊接接头质量的关键部分。
常用的尺寸测量标准包括:•焊缝厚度测量:根据设计要求和规范,测量焊缝的最小厚度、最大厚度和平均厚度。
•焊缝宽度测量:测量焊缝的宽度,根据设计要求和规范检查宽度是否在允许范围内。
•焊缝长度测量:根据设计要求和规范,测量焊缝的实际长度和规定长度的差异。
2.2 焊接接头的可视检查可视检查是评估焊接接头质量的重要手段。
以下是一些常用的焊接接头可视检查标准:•表面质量:检查焊缝表面是否存在裂纹、气孔、夹渣等缺陷。
•边缘形状:检查焊缝边缘的形状是否符合设计和规范要求。
•坡口形状:检查坡口的形状和尺寸是否符合设计和规范要求。
2.3 焊接接头的无损检测无损检测是评估焊接接头质量的关键方法之一。
以下是一些常用的焊接接头无损检测标准:•超声波检测:使用超声波技术检测焊缝中的内部缺陷,如夹渣、气孔等。
•射线检测:使用射线技术检测焊缝中的内部缺陷,如裂纹、夹渣等。
•磁粉检测:使用磁粉技术检测焊缝表面和近表面的裂纹等缺陷。
3. 检验方法焊接质量检验通常采用以下方法:3.1 样本采集从焊接工艺中随机采集样本来进行检验,确保样本具有代表性。
根据不同的检验项目,需要使用不同的检验设备,如焊缝尺寸规、可视检查工具、超声波探头等。
3.3 检验过程根据标准和规范,进行相应的检验过程。
检验过程应包括样本准备、检验设备的准备、检验操作、记录和报告等步骤。
3.4 判定结果根据检验结果和规范要求,判定焊接接头的合格与否。
如果接头符合规范要求,则判定为合格;如果接头存在缺陷,符合规范要求的缺陷数量和大小也可以接受,则判定为可修复缺陷;如果接头存在严重缺陷,不符合规范要求,则判定为不合格。
1目的本标准为公司对钢制压力容器的焊接通用技术规定。
2适用范围本标准适用于公司压力容器的制造,若设计图纸和专用工艺文件有特殊要求时按设计图纸和专用工艺文件执行。
压力管道元件焊接参照执行。
3焊接材料3.1凡用于压力容器的焊接材料,必须NB/T47015《承压设备用焊接材料订货技术条件》进行采购并有焊接材料的质量证明书(原件)。
在使用过程中对焊接材料产生疑义或焊接材料用于重要设备时,由焊接试验室对焊接材料的工艺性能、熔敷金属的化学成分、力学性能、弯曲性能等进行复验。
具体复验按相应的标准执行。
3.2焊接材料的代用,必须按材料代用手续经焊接责任人员批准。
母材代料可能导致焊接材料的变更,其代料单必须经由焊接责任人员会签并依照材料代用规定另行补充下达焊接材料变更手续及相应焊接工艺变更手续。
3.3焊接材料的选择3.3.1相同钢号母材的相焊1)碳素钢、低合金钢的焊缝金属应保证力学性能,且其抗拉强度不应超过母材标准规定的上限值加30Mpa。
耐热型低合金钢的焊缝金属还应保证化学成分。
2)高合金钢的焊缝金属应保证力学性能和耐腐蚀性能。
3)不锈钢复合板基层的焊缝金属应保证力学性能,且其抗拉强度不应超过母材标准规定的上限值加30Mpa;复层的焊缝金属应保证耐腐蚀性能,当有力学性能要求时还应保证力学性能;复层焊缝与基层焊缝以及复层焊缝与基层钢板的交界处宜采用过渡焊缝。
3.3.2不相同钢号母材的相焊不同强度钢号的碳素钢、低合金钢之间的焊缝金属应保证力学性能,且其抗拉强度不应超过强度较高母材标准规定的上限值。
奥氏体高合金钢与碳素钢或低合金钢之间的焊缝金属应保证力学性能和抗裂性能。
宜采用铬镍含量较奥氏体高合金钢母材高的焊接材料。
3.3.3用于焊接压力容器受压元件及与受压元件相焊的焊条、焊剂应尽量选用碱性或低氢型的4焊前准备4.1焊缝坡口型式应符合图纸或焊接工艺规程的要求。
碳素钢和标准抗拉强度下限值不大于540Mpa的强度型低合金钢可采用冷加工方法,也可采用热加工方法制备坡口。
1、焊接工艺规程要求及焊接检验1.1、焊工资格焊工必须经过专门地基本理论和操作技能培训,考试合格并取得电网钢管结构焊工合格证书.1.2、焊接材料焊接材料地使用、管理按照JB/T 3223执行.1.3、焊缝质量等级1.3.1、焊缝质量等级地确定应按图纸、设计文件地要求.焊缝质量等级要求如下:a)、环向对接焊缝、连接挂线板焊缝应满足一级焊缝质量要求.b)、横担与主管连接焊缝应满足二级焊缝质量要求.c)、管管相贯焊缝、钢管与带颈平焊法兰连接地搭接角焊缝、钢管与平板法兰连接地环向角焊缝、钢管纵向对接焊缝应满足二级焊缝外观质量要求.d)、其他焊缝应达到三级焊缝地质量要求.1.3.2 塔身或横担主管地纵焊缝宜布置在结构断面地对角线地外侧方向.1.4、焊接工艺要求1.4.1、焊接作业场所出现以下情况时必须采取措施,否则禁止施焊.a)当焊条电弧焊焊接作业区风速超过8m/s、气体保护电弧焊及药芯焊丝电弧焊焊接作业区风速超过2m/s时;制作车间内焊接作业区有穿堂风或鼓风机时;b)相对湿度大于90%;c)焊接Q345以下等级钢材时,环境温度低于-10℃;焊接Q345钢时,环境温度低于0℃;焊接Q345以上等级钢材时,环境温度低于5℃.1.4.2、焊缝坡口型式和尺寸,应以GB/T 985.1、GB/T 985.2地有关规定为依据来设计,对图纸特殊要求地坡口形式和尺寸,应依据图纸并结合焊接工艺评定确定.1.4.3、坡口加工应优先采用机械加工,也可选用自动或半自动气割或等离子切割、手工切割地方法制备.但应保证焊缝坡口处平整、无毛刺,坡口两侧50mm范围不得有氧化皮、锈蚀、油污等,也不得有裂纹、气割熔瘤等缺陷.1.4.4、严禁在焊缝间隙内嵌入填充物.1.4.5定位焊地工艺措施及质量要求应与正式焊缝相同.定位焊高度不宜超过设计焊缝高度地2/3,长度不小于25mm.定位焊点一般不少于3点,且应均匀分布.1.4.6、焊接过程中应严格按照焊接工艺评定确定地焊接方法、焊接参数进行焊接.1.4.7、焊接完毕,焊工应在距焊缝端头50㎜明显处打上自己地钢印代号,且在防腐处理后清晰可见.1.4.8、宜采用调整焊接工艺参数地方法控制焊接变形,也可采用反变形、刚性固定等方法控制焊接变形.1.4.9、影响镀锌质量地焊缝缺陷应在装配前进行修磨或补焊,且补焊地焊缝应与原焊缝间保持圆滑过渡.1.5、焊缝检验1.5.1、外观质量检验1.5.1.1、外观检验一般采用焊缝检验尺、放大镜等器具用目视检验地方法进行.裂纹地检查应辅以5倍以上地放大镜并在合适地光照条件下进行,必要时可进行表面探伤.1.5.1.2、当出现下列情形之一时,应对焊缝进行表面检测,表面检测可采用磁粉或渗透检测地方法,依据JB4730进行:a)焊缝外观检查发现裂纹时,应对该批同类焊缝进行100%地表面检测.b)焊缝外观检查怀疑有裂纹时,应对怀疑地部位进行表面探伤.c)钢管塔设计图纸规定进行表面探伤时.d)法兰与钢管插接式连接地角焊缝,应进行100%地表面检测.表6 对接焊缝余高单位:mm1.5.1.3、对接焊缝余高应符合表6地规定.1.5.1.4角焊缝焊脚尺寸hf值由设计或由有关技术文件注明,部分熔透型或角焊缝外形尺寸允许偏差应符合表7地规定.表7 角焊缝外形尺寸允许偏差单位:mm1.5.1.5、图纸未作规定时,钢管T、K和Y形节点地角焊缝焊脚尺寸应符合表8地规定.1.5.1.6、焊缝最大宽度Bmax和最小宽度Bmin地差值,在任意50mm 焊缝长度范围内偏差值不大于4.0mm,整个焊缝长度范围内偏差值不大于5.0mm.焊缝宽度应符合表9地规定.表9 焊缝宽度单位:mm图1I型坡口对接焊缝图2 非I 型坡口对接焊缝1.5.1.7、在任意300mm连续焊缝长度内,焊缝边缘沿焊缝轴向地直线度f见图3,其值应符合表10地规定.1.5.1.8、在焊缝任意25mm长度范围内,焊缝余高Cmax~Cmin地允许偏差值不大于2.0㎜,见图4.图3 焊缝边缘直线度示意图图4焊缝表面凹凸度示意图1.5.1.9、焊缝外观质量应符合表11地规定.1.5.1.10、焊缝感观应达到:外形均匀、成型较好,焊道与焊道、焊缝与母材金属间过渡较圆滑,焊渣和飞溅物应清除干净.1.5.2、内部质量检验1.5.2.1、焊接接头内部质量检验应在焊接完成24小时后进行.1.5.2.2、设计要求全焊透地一、二级焊缝一般采用超声波检测地方法进行内部质量检验,当超声波检测不能满足规范要求、或设计文件有要求时、或进行仲裁时,应采用射线检测地方法进行检验.超声波检验按GB/T 11345地规定进行;射线检验按GB/T3323地规定进行.1.5.2.3、一、二级焊缝要求进行内部质量检验地比例、评定等级应符合表12地规定.要求达到二级焊缝质量要求地角焊缝进行外观质量检验,应满足表7、表11地要求.1.5.2.4、二级焊缝无损检测发现有超标缺陷时,应对该条焊缝进行加倍抽检,如仍不合格,则应对该条焊缝全部进行检验.表11 焊缝外观质量要求单位:mm1.6、本工程地焊缝质量要求1)、焊接过程中所使用焊接材料地化学成分及机械性能必须符合有关标准地规定.焊条地品种、牌号必须与被焊钢材地化学成分和机械性能相当,并具有良好地焊接工艺性能;2)、手工焊接地焊缝焊渣必须敲铲干净;3)、焊接质量和检验要求A、钢管塔加工企业焊接施工前应结合工程特点,按照JGJ81《建筑钢结构焊接技术规程》相关要求进行焊接工艺评定,编制相应地焊接工艺卡、焊接作业指导书;B、特高压同塔双回钢管塔带颈法兰与直缝焊管采用对接焊地形式连接(大跨越塔除外),焊缝质量等级应达到一级焊缝质量要求;C、焊缝质量等级应满足按图纸、设计文件地要求.图纸、设计文件没有明确要求时,焊缝质量等级要求如下:①、环向对接焊缝、连接挂线板焊缝应满足一级焊缝质量要求;②、横担与主管连接焊缝应满足二级焊缝质量要求;③、管管相贯焊缝、钢管与带颈平焊法兰连接地搭接角焊缝、钢管与平板法兰连接地环向角焊缝、钢管纵向对接焊缝应满足二级焊缝外观质量要求;④、其他焊缝应达到三级焊缝地质量要求.D、焊缝检验要求外观检验:当出现下列情形之一时,应对焊缝进行表面检验,表面检验可采用磁粉或渗透检验地方法.设计图纸规定进行表面检验时;①、焊缝外观检查发现裂纹时,应对该批同类焊缝进行100%地表面检验;②、法兰与钢管插接式连接地角焊缝,应进行100%地表面检验.内部检验:设计要求全焊透地一、二级焊缝一般采用超声波检测地方法进行内部质量检验,当超声波检测不能满足规范要求、或设计文件有要求时、或进行仲裁时,应采用射线检测地方法进行检验.一、二级焊缝要求进行内部质量检验地比例、评定等级要求如下:。
焊接工艺编号HP-II-1-065通用焊接工艺卡编号RXDM-01-07资料牌号Q345R焊接层次及次序简图规格18mm接头种类对接焊接地点平焊适焊接方法埋弧自动焊2用焊接直流直流13范电源反接反接4围坡口形式Y坡吵嘴度(°)60± 5钝边( mm)8F1-AP 1、F2-AP1组对空隙( mm)1~2反面清根:碳弧气刨加热方式/层间温度/焊前预热温度范围/测温方法/种类消应力保温时间焊后热办理加热方式炉内加热冷却方式随炉缓冷炉外空冷温度范围600~ 640℃测温方法热电偶焊接工艺参数焊材规格焊接电流电弧电压焊接速度气流量钨极直径喷嘴直径线能量焊层焊材牌号(mm)(A )(V )Cm/min L/min( mm )( mm )(KJ/cm) 1H10Mn2/HJ431φ450~48032~3548~50///2H10Mn2/HJ431φ520~55034~3646~48///3~4H10Mn2/HJ431φ580~60035~3746~48///备注:其余焊接工艺要求,按本单位《通用焊接工艺规程》履行焊接工艺编号HP-II-1-065通用焊接工艺卡编号RXDM-01-06资料牌号Q345R焊接层次及次序简图规格16mm接头种类对接焊接地点平焊焊接方法埋弧自动焊2适用焊接直流直流13范围电源反接反接4坡口形式Y坡吵嘴度(°)50± 5钝边( mm)6A1 ~A5 、B2~B5组对空隙( mm)1~2反面清根:碳弧气刨加热方式/层间温度/焊前预热温度范围/测温方法/种类消应力保温时间焊后热办理加热方式炉内加热冷却方式随炉缓冷炉外空冷温度范围600~640℃测温方法热电偶焊接工艺参数焊材规格焊接电流电弧电压焊接速度气流量钨极直径喷嘴直径线能量焊层焊材牌号(mm )( A )(V )Cm/min L/min( mm)(mm )(KJ/cm) 1H10Mn2/HJ431φ450~48032~3548~50///2~3H10Mn2/HJ431φ550~58033~3646~48///4H10Mn2/HJ431φ580~60035~3746~48///备注:其余焊接工艺要求,按本单位《通用焊接工艺规程》履行焊接工艺编号HP-II-1-065通用焊接工艺卡编号RXDM-01-06资料牌号Q345R焊接层次及次序简图规格18/16mm接头种类对接焊接地点平焊2焊接方法埋弧自动焊适用1焊接直流直流3范围电源反接反接4坡口形式Y坡吵嘴度(°)50± 5钝边( mm)10B1、B6组对空隙( mm)1~2反面清根:碳弧气刨焊前预热加热方式/层间温度/温度范围/测温方法/种类消应力保温时间焊后热办理加热方式炉内加热冷却方式随炉缓冷炉外空冷温度范围600~640℃测温方法热电偶焊接工艺参数焊层焊材牌号焊材规格焊接电流电弧电压焊接速度气流量钨极直径喷嘴直径线能量(mm )( A )(V )Cm/min L/min( mm)(mm )(KJ/cm) 1H10Mn2/HJ431φ450~48032~3548~50///2~3H10Mn2/HJ431φ550~58033~3646~48///4H10Mn2/HJ431φ580~60035~3746~48///备注:其余焊接工艺要求,按本单位《通用焊接工艺规程》履行焊接工艺编号HP-II-1-055资料牌号Q345R/16MnIIQ345R规格16mm接头种类对接焊接地点平焊适焊接方法焊条电弧焊用焊接种类直流范电源极性反接围坡口形式Y坡吵嘴度(°)50± 5钝边( mm)2~3组对空隙( mm)1~ 2反面清根:碳弧气刨通用焊接工艺卡编号RXDS-01-07焊接层次及次序简图432156A 6、 A7、 B14、 B15焊前预热加热方式/层见温度/温度范围/测温方法/种类消应力保温时间焊后热办理加热方式炉内加热冷却方式随炉缓冷炉外空冷温度范围600~ 640℃测温方法热电偶焊接工艺参数焊层焊材牌号焊材规格焊接电流电弧电压焊接速度气流量钨极直径喷嘴直径线能量( mm)(A )(V )Cm/min L/min( mm)( mm )(KJ/cm) 1J507φ160~16523~2415~16///2J507φ165~17023~2415~16///3~4J507φ170~17524~2514~15///5~6J507φ170~17524~2514~15///备注:其余焊接工艺要求,按本单位《通用焊接工艺规程》履行焊接工艺编号HP-I-1/II-1-094通用焊接工艺卡编号RXDTYS-01-02资料牌号20/16MnII焊接层次及次序简图规格Φ57*5 、Φ 89*6接头种类对接焊接地点平焊焊接方法手工钨极氩弧焊适+焊条电弧焊用焊接种类直流范电源极性正接 +反接围Y坡口形式坡吵嘴度(°)60± 5B7~ B13钝边( mm)1~组对空隙( mm)~反面清根: /焊前预热加热方式/层间温度/温度范围/测温方法/种类消应力保温时间焊后热办理加热方式炉内加热冷却方式随炉缓冷炉外空冷温度范围600~ 640℃测温方法热电偶焊接工艺参数焊层焊材牌号焊材规格焊接电流电弧电压焊接速度气流量钨极直径喷嘴直径线能量焊道( mm )( A)( V )Cm/min L/min( mm)(mm )(KJ/cm)1J50ф90~ 9513~148~ 99~ 1110~ 102J427ф110~ 11521~2217~ 18///~3J427ф110~ 11521~2215~ 16///~备注:其余焊接工艺要求,按本单位《通用焊接工艺规程》履行焊接工艺编号HP-I-1/II-1-094通用焊接工艺卡编号RXDTYS-01-01资料牌号20/16MnII焊接层次及次序简图规格Ф 25× 3mm接头种类对接焊接地点平焊焊接方法手工钨极氩弧焊适+焊条电弧焊用焊接种类直流范电源极性正接 +反接围Y坡口形式坡吵嘴度(°)60± 5B16、 B17钝边( mm)1~组对空隙( mm)~反面清根: /焊前预热加热方式/层间温度/温度范围/测温方法/种类消应力保温时间焊后热办理加热方式炉内加热冷却方式随炉缓冷炉外空冷温度范围600~ 640℃测温方法热电偶焊接工艺参数焊层焊材牌号焊材规格焊接电流电弧电压焊接速度气流量钨极直径喷嘴直径线能量焊道(mm )(A )(V )Cm/min L/min( mm)(mm )(KJ/cm) 1J50ф90~ 9513~ 148~99~ 1110~ 10 2J427ф110~ 11521~ 2217~18///~备注:其余焊接工艺要求,按本单位《通用焊接工艺规程》履行焊接工艺编号HP-II-1-067HP-II-1-055HP-I-1-012资料牌号20/Q345R规格δ s=16mm接头种类管板角接焊接地点垂直固定焊接方法焊条电弧焊适焊接种类直流用电源极性反接范单 V围坡口形式坡吵嘴度(°)β1=35±2β2=50± 5钝边( mm)1~2组对空隙( mm)b1=5± 1 b2 =2±反面清根:碳弧气刨焊前预热加热方式/温度范围/种类消应力焊后热办理加热方式炉内加热温度范围600~640℃焊接工艺参数通用焊接工艺卡编号RXDS-09-06焊接层次及次序简图K1 ≥ 6mmD1、 D2、D5~ D7、D11层间温度/测温方法/保温时间/冷却方式随炉缓冷炉外空冷测温方法热电偶焊材规格焊接电流电弧电焊接速度气流量钨极直径喷嘴直径线能量焊层焊材牌号压(mm )( A )Cm/min L/min(mm)( mm)(KJ/cm)( V )1J507φ100~10520~2111~12///10~12 2~3J507φ165~17023~2415~16///4~5J507φ155~16023~2414~15///6J507φ120~12522~2315~16///7~9J507φ165~17023~2414~15///10~12J507φ155~16023~2415~16///13.4~154备注:其余焊接工艺要求,按本单位《通用焊接工艺规程》履行焊接工艺编号HP-II-1-067 HP-II-1-055通用焊接工艺卡编号R10-0047-02 HP-I-1-012资料牌号20/Q345R焊接层次及次序简图规格δ s=16mm接头种类管板角接焊接地点垂直固定焊接方法焊条电弧焊适焊接种类直流用电源极性反接范坡口形式单 V围坡吵嘴度β 1=35±2(°)β2=50± 5钝边( mm)1~2组对空隙b1=5 ±1K1 ≥ 6mm ( mm)b2=2±D3、 D4反面清根:碳弧气刨焊前预热加热方式/层间温度/温度范围/测温方法/种类消应力保温时间/焊后热办理加热方式炉内加热冷却方式随炉缓冷炉外空冷温度范围600~ 640℃测温方法热电偶焊接工艺参数焊层焊材焊材规格焊接电流电弧电压焊接速度气流量钨极直径喷嘴直径线能量牌号(mm )(A )( V )Cm/min L/min( mm )(mm)(KJ/cm) 1J507φ100~10520~2111~12///10~12 2~3J507φ170~17523~2415~16///4~6J507φ160~16523~2414~15///14.7~17 7~9J507φ160~16523~2414~15///14.7~17 10~12J507φ175~18023~2414~15///13~14J507φ165~17023~2415~16///备注:其余焊接工艺要求,按本单位《通用焊接工艺规程》履行焊接工艺编号HP-II-1-067 HP-II-1-055通用焊接工艺卡编号R10-0047-03HP-I-1-012资料牌号20/Q345R焊接层次及次序简图规格 δ s=18/16mm接头种类 管板角接 焊接地点垂直固定焊接方法 焊条电弧焊适 焊接 种类直流6电源极性反接用坡口形式单 V10-12范8-9围β1=35± 27 坡吵嘴度(°)1β2=50± 52-3钝边( mm )1~24-62组对空隙( mm )b 1=5± 1b 2 =2±K1 ≥ 6mmD10反面清根:碳弧气刨焊前预热加热方式/ 层间温度/温度范围/ 测温方法/种类消应力 保温时间/焊后热办理加热方式 炉内加热 冷却方式 随炉缓冷 炉外空冷温度范围600~640℃ 测温方法热电偶焊接工艺参数焊材规格 焊接电流 电弧电焊接速度 气流量 钨极直径 喷嘴直径 线能量 焊层焊材牌号压 (mm )( A )Cm/minL/min(mm )( mm )(KJ/cm)( V )1 J507 φ 100~105 20~21 11~12 / / / 10~122~3 J507 φ 165~170 23~24 15~16 / / / 4~5 J507 φ 155~160 23~24 14~15 / / / 6 J507 φ 120~125 22~23 15~16 / / / 7~9J507 φ 165~170 23~24 14~15 / / /10~12 J507φ155~16023~2415~16///13.4~154备注:其余焊接工艺要求,按本单位《通用焊接工艺规程》履行''通用焊接工艺卡焊接工艺编号HP-II-1-067HP-II-1-055HP-I-1-012资料牌号Q345R规格δ s=16/18mm接头种类管板角接焊接地点垂直固定焊接方法焊条电弧焊适焊接种类直流用电源极性反接范单 V围坡口形式坡吵嘴度(°)β1=35±2β2=50± 5钝边( mm)1~2组对空隙( mm)b1=5± 1 b2 =2±反面清根:碳弧气刨焊前预热加热方式/温度范围/种类消应力焊后热办理加热方式炉内加热温度范围600~640℃焊接工艺参数通用焊接工艺卡编号R10-0047-04焊接层次及次序简图610-127-9612-34-52K1 ≥ 6mm D 8、 D9层间温度/测温方法/保温时间/冷却方式随炉缓冷炉外空冷测温方法热电偶焊材规格焊接电流电弧电焊接速度气流量钨极直径喷嘴直径线能量焊层焊材牌号压(mm )( A )Cm/min L/min(mm)( mm)(KJ/cm)( V )1J507φ100~10520~2111~12///10~12 2~3J507φ165~17023~2415~16///4~5J507φ155~16023~2414~15///6J507φ120~12522~2315~16///7~9J507φ165~17023~2414~15///10~12J507φ155~16023~2415~16///13.4~154备注:其余焊接工艺要求,按本单位《通用焊接工艺规程》履行焊接工艺编号HP-II-1-055通用焊接工艺卡编号RXDS-04-07资料牌号Q345R焊接层次及次序简图规格16mm接头种类搭接焊接地点垂直固定适焊接方法焊条电弧焊用焊接种类直流范电源极性反接围坡口形式I坡吵嘴度(°)/D12~ D18、 D21、 D22钝边( mm)/组对空隙( mm)0~2K 值: K= δ。
1234序号本厂54W5H 16MnR厚度22mm厚度厚度厚度正面背面正11埋弧焊H08MnA 5mm直800-110038-4040/正21埋弧焊H08MnA 5mm 800-110038-4040反11埋弧焊H08MnA 5mm 700-90036-3845反21埋弧焊H08MnA5mm700-90036-3845焊 接 顺 序焊接工艺卡编号1焊材/尺寸电流种类/极性脉宽比气体/纯度(%)喷嘴直径焊接方法道层气 体 保 护 焊气体流量(L/min)直流反接直流反接直流反接焊接电流(A)电弧电压(V)焊接速度(cm/min)钨极直径焊缝金属-1焊后热处理焊缝金属-2焊 接 位 置母材-1预热温度(℃)母材-2层间温度(℃)采用埋弧焊焊接持证项目埋弧焊用小车在焊件上行走焊接。
焊后检验。
检验定位焊与第一层焊接规范相同,沿坡口均布接头编号4点,焊点长度6-10mm。
焊评编号焊接前将焊接区域及周围20mm范围内的油污图 号、锈蚀、水及其它有害杂质清理干净。
接头名称对接接头焊 接 工 艺 规 程接 头 焊 接 工 艺 卡1234序号本厂54W5H 16MnR厚度22mm厚度厚度厚度正面背面11埋弧焊SJ3015mm 900-100036-4025/21埋弧焊SJ3015mm 900-100036-402531埋弧焊SJ3015mm900-100036-4025脉宽比气体/纯度(%)电流种类/极性焊 接 顺 序喷嘴直径焊接工艺卡编号接 头 焊 接 工 艺 卡焊接方法道焊材/尺寸焊 接 工 艺 规 程层直流反接直流反接焊缝金属-2焊 接 位 置气 体 保 护 焊气体流量(L/min)直流反接焊接电流(A)电弧电压(V)焊接速度(cm/min)钨极直径母材-2层间温度(℃)焊缝金属-1焊后热处理焊枪固定焊件旋转焊接。
焊后检验。
母材-1预热温度(℃)检验8点,焊点长度10-20mm。
焊评编号采用埋弧焊焊接持证项目、锈蚀、水及其它有害杂质清理干净。
焊接工艺编号HP-I-1/II-1-094 通用焊接工艺卡编号RXDTYS-01-02适用范围材料牌号20/16MnII 焊接层次及顺序简图规格Φ57*5、Φ89*6B7~B13接头种类对接焊接位置平焊焊接方法手工钨极氩弧焊+焊条电弧焊焊接电源种类直流极性正接+反接坡口形式Y坡口角度(°)60±5钝边(mm)1~1.5组对间隙(mm) 2.5~2.8背面清根:/焊前预热加热方式/ 层间温度/温度范围/ 测温方法/焊后热处理种类消应力保温时间0.25~1.5h加热方式炉内加热冷却方式随炉缓冷炉外空冷温度范围600~640℃测温方法热电偶焊接工艺参数焊层焊道焊材牌号焊材规格(mm)焊接电流(A)电弧电压(V)焊接速度Cm/min气流量L/min钨极直径(mm)喷嘴直径(mm)线能量(KJ/cm)1 J50 ф2.5 90~95 13~14 8~9 9~11 2.5 10 7.8~102 J427 ф3.2 110~115 21~22 17~18 / / / 7.7~8.93 J427 ф3.2110~115 21~22 15~16 / / / 8.7~10.1 备注:其它焊接工艺要求,按本单位《通用焊接工艺规程》执行焊接工艺编号HP-I-1/II-1-094 通用焊接工艺卡编号RXDTYS-01-01适用范围材料牌号20/16MnII 焊接层次及顺序简图规格Ф25×3mmB16、B17接头种类对接焊接位置平焊焊接方法手工钨极氩弧焊+焊条电弧焊焊接电源种类直流极性正接+反接坡口形式Y坡口角度(°)60±5钝边(mm)1~1.5组对间隙(mm) 2.5~2.8背面清根:/焊前预热加热方式/ 层间温度/温度范围/ 测温方法/焊后热处理种类消应力保温时间0.25~1.5h加热方式炉内加热冷却方式随炉缓冷炉外空冷温度范围600~640℃测温方法热电偶焊接工艺参数焊层焊道焊材牌号焊材规格(mm)焊接电流(A)电弧电压(V)焊接速度Cm/min气流量L/min钨极直径(mm)喷嘴直径(mm)线能量(KJ/cm)1 J50 ф2.5 90~95 13~14 8~9 9~11 2.5 10 7.8~102 J427 ф3.2 110~115 21~22 17~18 / / / 7.7~8.9 备注:其它焊接工艺要求,按本单位《通用焊接工艺规程》执行焊接工艺编号HP-II-1-067 HP-II-1-055HP-I-1-012通用焊接工艺卡编号RXDS-09-06适用范围材料牌号20/Q345R 焊接层次及顺序简图规格δs=16mmK1≥6mmD1、D2、D5~D7、D11接头种类管板角接焊接位置垂直固定焊接方法焊条电弧焊焊接电源种类直流极性反接坡口形式单V坡口角度(°)β1=35±2β2=50±5钝边(mm)1~2组对间隙(mm)b1=5±1b2=2±0.5背面清根:碳弧气刨焊前预热加热方式/ 层间温度/温度范围/ 测温方法/焊后热处理种类消应力保温时间/加热方式炉内加热冷却方式随炉缓冷炉外空冷温度范围600~640℃测温方法热电偶焊接工艺参数焊层焊材牌号焊材规格(mm)焊接电流(A)电弧电压(V)焊接速度Cm/min气流量L/min钨极直径(mm)喷嘴直径(mm)线能量(KJ/cm)1 J507 φ3.2 100~105 20~21 11~12 / / / 10~12 2~3 J507 φ4.0 165~170 23~24 15~16 / / / 14.2~16.3 4~5 J507 φ4.0 155~160 23~24 14~15 / / / 14.3~16.46 J507 φ3.2 120~125 22~23 15~16 / / / 9.9~11.5 7~9 J507 φ4.0 165~170 23~24 14~15 / / / 15.2~17.5 10~12 J507 φ4.0 155~160 23~24 15~16 / / / 13.4~154备注:其它焊接工艺要求,按本单位《通用焊接工艺规程》执行焊接工艺编号HP-II-1-067 HP-II-1-055HP-I-1-012通用焊接工艺卡编号R10-0047-02适用范围材料牌号20/Q345R 焊接层次及顺序简图规格δs=16mmK1≥6mmD3、D4接头种类管板角接焊接位置垂直固定焊接方法焊条电弧焊焊接电源种类直流极性反接坡口形式单V坡口角度(°)β1=35±2β2=50±5钝边(mm)1~2组对间隙(mm)b1=5±1b2=2±0.5背面清根:碳弧气刨焊前预热加热方式/ 层间温度/温度范围/ 测温方法/焊后热处理种类消应力保温时间/加热方式炉内加热冷却方式随炉缓冷炉外空冷温度范围600~640℃测温方法热电偶焊接工艺参数焊层焊材牌号焊材规格(mm)焊接电流(A)电弧电压(V)焊接速度Cm/min气流量L/min钨极直径(mm)喷嘴直径(mm)线能量(KJ/cm)1 J507 φ3.2 100~105 20~21 11~12 / / / 10~12 2~3 J507 φ4.0 170~175 23~24 15~16 / / / 14.7~16.8 4~6 J507 φ4.0 160~165 23~24 14~15 / / / 14.7~17 7~9 J507 φ4.0 160~165 23~24 14~15 / / / 14.7~17 10~12 J507 φ4.0 175~180 23~24 14~15 / / / 16~18.5 13~14 J507 φ4.0 165~170 23~24 15~16 / / / 14.2~16.3备注:其它焊接工艺要求,按本单位《通用焊接工艺规程》执行焊接工艺编号HP-II-1-055 通用焊接工艺卡编号RXDS-04-07适用范围材料牌号Q345R 焊接层次及顺序简图规格16mmD12~D18、D21、D22接头种类搭接焊接位置垂直固定焊接方法焊条电弧焊焊接电源种类直流极性反接坡口形式I坡口角度(°)/钝边(mm)/组对间隙(mm)0~2K值:K=δ。
(补强圈焊脚,δ≥8mm时,K≥70%δ,且不小于8mm。
)焊前预热加热方式/ 层间温度/温度范围/ 测温方法/ 焊后热处理种类消应力保温时间 1.5h加热方式电加热冷却方式炉冷温度范围600~640℃测温方法热电偶焊接工艺参数焊层焊材牌号焊材规格(mm)焊接电流(A)电弧电压(V)焊接速度Cm/min气流量L/min钨极直径(mm)喷嘴直径(mm)线能量(KJ/cm)1 J507 ф4.0 170~175 24~25 17~18 / / / 13.5~15.42 J507 ф4.0 170~175 24~25 14~15 / / / 16.3~18.7 备注:其它焊接工艺要求,按本单位《通用焊接工艺规程》执行焊接工艺编号HP-II-1-055 通用焊接工艺卡编号RXDS-04-08适用范围材料牌号Q345R 焊接层次及顺序简图规格18mmD19、D20接头种类搭接焊接位置垂直固定焊接方法焊条电弧焊焊接电源种类直流极性反接坡口形式I坡口角度(°)/钝边(mm)/组对间隙(mm)0~2K值:K=δ。
(补强圈焊脚,δ≥8mm时,K≥70%δ,且不小于8mm。
)焊前预热加热方式/ 层间温度/温度范围/ 测温方法/焊后热处理种类消应力保温时间/加热方式炉内加热冷却方式随炉缓冷炉外空冷温度范围600~640℃测温方法热电偶焊接工艺参数焊层焊材牌号焊材规格(mm)焊接电流(A)电弧电压(V)焊接速度Cm/min气流量L/min钨极直径(mm)喷嘴直径(mm)线能量(KJ/cm)1 J507 ф4.0 170~175 24~25 17~18 / / / 13.5~15.42 J507 ф4.0 170~175 24~25 14~15 / / / 16.3~18.73 J507 ф4.0 170~175 24~25 14~15 / / / 16.3~18.7 备注:其它焊接工艺要求,按本单位《通用焊接工艺规程》执行焊接工艺编号HP-II-1-055 通用焊接工艺卡编号RXDS-04-05适用范围材料牌号Q345R 焊接层次及顺序简图规格12mmD23、D24接头种类搭接焊接位置垂直固定焊接方法焊条电弧焊焊接电源种类直流极性反接坡口形式I坡口角度(°)/钝边(mm)/组对间隙(mm)0~2K值: K≥70%δ,且不小于8mm。
焊前预热加热方式/ 层间温度/温度范围/ 测温方法/焊后热处理种类消应力保温时间/加热方式炉内加热冷却方式随炉缓冷炉外空冷温度范围600~640℃测温方法热电偶焊接工艺参数焊层焊材牌号焊材规格(mm)焊接电流(A)电弧电压(V)焊接速度Cm/min气流量L/min钨极直径(mm)喷嘴直径(mm)线能量(KJ/cm)1 J507 ф4.0 170~175 24~25 17~18 / / / 13.5~15.42 J507 ф4.0 170~175 24~25 14~15 / / / 16.3~18.7 备注:其它焊接工艺要求,按本单位《通用焊接工艺规程》执行焊接工艺编号HP-I-1/II-1-095 通用焊接工艺卡编号RXDTS-05-01适用范围材料牌号Q235-B/Q345R焊接层次及顺序简图规格4mm/18(16)mmD25、D26、D31、D32接头种类T焊接位置水平固定或垂直俯位焊接方法焊条电弧焊焊接电源种类直流极性反接坡口形式I坡口角度(°)/钝边(mm)/组对间隙(mm)/K值:焊脚取薄板厚度。
焊前预热加热方式/ 层间温度/温度范围/ 测温方法/焊后热处理种类消应力保温时间/加热方式炉内加热冷却方式随炉缓冷炉外空冷温度范围600~640℃测温方法热电偶焊接工艺参数焊层焊道焊材牌号焊材规格(mm)焊接电流(A)电弧电压(V)焊接速度Cm/min气流量L/min钨极直径(mm)喷嘴直径(mm)线能量(KJ/cm)1 J427 φ3.2100~10521~22 19~20 / / / 6.3~7.32 J427 φ3.2100~10521~22 19~20 / / / 6.3~7.3 备注:其它焊接工艺要求,按本单位《通用焊接工艺规程》执行焊接工艺编号HP-I-1-009 通用焊接工艺卡编号RXTS-05-01适用范围材料牌号Q235-B/20焊接层次及顺序简图规格4mm/Ф25×3mmD27~D30接头种类T焊接位置水平固定或垂直俯位焊接方法焊条电弧焊焊接电源种类直流极性反接坡口形式I坡口角度(°)/钝边(mm)/组对间隙(mm)/K值:焊件中较薄板厚度。