钢结构焊缝超声波探伤检测报告.docx
- 格式:docx
- 大小:16.80 KB
- 文档页数:2
钢结构超声波探伤报告一、背景介绍。
钢结构在建筑、桥梁、船舶等领域中得到广泛应用,而超声波探伤技术作为一种非破坏性检测方法,被广泛用于钢结构的质量检测和缺陷评估。
本报告旨在对某钢结构进行超声波探伤检测,并对检测结果进行分析和评估,为钢结构的安全运行提供可靠的技术支持。
二、超声波探伤仪器和方法。
本次超声波探伤采用的仪器为XX型超声波探伤仪,工作频率为5MHz,采用脉冲回波法进行检测。
探伤方法为直接接触法,探头与被测材料表面紧密接触,通过超声波的传播和回波信号的接收来检测材料内部的缺陷情况。
三、检测结果分析。
在本次超声波探伤中,共检测到钢结构中的几类缺陷,包括气孔、夹杂、裂纹等。
通过对回波信号的分析和处理,我们得到了缺陷的位置、形状、大小等信息,并对其进行了评估。
根据评估结果,对于一些较大的缺陷,我们建议进行修补处理,以确保钢结构的安全运行。
四、缺陷评估和建议。
针对本次检测中所发现的缺陷,我们进行了详细的评估,并提出了相应的处理建议。
对于气孔和夹杂等小型缺陷,我们建议进行局部修补处理,以防止其扩大和影响结构的使用寿命。
对于裂纹等较大型的缺陷,我们建议进行焊接或更换受损部位,以确保结构的安全性和稳定性。
五、结论。
通过本次超声波探伤检测,我们对钢结构的内部缺陷进行了全面的评估和分析,为钢结构的安全运行提供了重要的技术支持。
针对检测结果,我们提出了相应的处理建议,以确保钢结构的安全性和稳定性。
希望本报告能为相关部门和单位提供参考,为钢结构的维护和管理提供技术支持。
六、参考文献。
1. XXX. 超声波探伤技术及应用[M]. 北京,机械工业出版社,2018.2. XXX. 钢结构检测技术手册[M]. 上海,上海科学技术出版社,2019.七、致谢。
在本次超声波探伤检测过程中,感谢相关部门和单位的支持和配合,也感谢参与检测工作的各位工作人员的辛勤付出。
同时也感谢各位专家学者对本次检测工作的指导和帮助。
(CMA章)钢结构超声波检测检测报告工程名称:铁路器材厂车修分厂延长跨工程地点:铁路器材厂委托单位:铁路器材厂检测日期:2010年3月16日报告总页数:12 页报告编号:合同编号:工程检测有限公司2010年4 月23 日首页工程检测有限公司2010年3月16日钢结构超声波检测检测人员:(上岗证号)报告编写:(上岗证号)复核:(上岗证号)审核:(上岗证号)授权签字人:声明: 1. 本报告涂改、错页、换页、漏页无效;2. 检测单位名称与检测报告专用章名称不符者无效;3. 本报告无我单位相关技术资格证书章无效;4. 本报告无检测、审核、授权签字人签字无效;5.未经书面同意不得部分复制或作为他用;6.如对本检测报告有异议或需要说明之处,可在报告发出后15 天内向本检测单位书面提出,本单位将于5日内给予答复。
检测单位:地址:邮编:联系人:目录一项目概况二检测依据及方法三检测结果附件-、项目概况二、检测依据及方法1.检测依据(1)《钢焊缝手工超声波探伤方法和探伤结果的分级》GB11345-1989;(2)《钢结构工程施工及验收规范》GB50205-2001;(3)《建筑钢结构焊接技术规程》JGJ 81-2002;(4)设计文件。
2.检测方法该工程钢结构材质为Q345,根据设计要求采用埋弧自动焊、气体保护焊及手工电弧焊的方法进行焊接。
结构平面示意图如图1所示,所有全熔透对接焊缝应符合《建筑钢结构焊接技术规程》(JGJ81-2002)规定的二级焊缝质量标准。
根据厂房现有情况及相关规范,本次检测共对1条焊缝进行了超声波探伤,所检测构件位置如图1及图2所示。
图1 立柱焊缝位置示意图图2 梁焊缝位置示意图焊缝超声波探伤采用斜探头横波法进行检测。
检测仪器型号为RSM -NT1型超声波探伤仪,探头主频2.5MHz,晶片直径15mm。
检测前预先将检测表面清理平整。
检测时用机油作为耦合剂,将探头置于焊缝一侧表面进行探伤。
焊缝探伤等级为GB/T 11345-1989 B级。
焊缝超声波探伤报告.doc金属无损探伤检测报告平煤集团机电安装处年月日焊缝超声波探伤报告告编号:告日期2006年10月11日产品名称:首山一矿副井井架安装工程(组装)令号:工件名称:斜架工件编号:G101T-G102连接材料:Q235B 厚度:14 mm 焊缝种类:●平板○环缝●纵缝●T型○管座焊接方法:手电弧焊接焊缝数量:4条探伤面:平面、打磨检验范围:100%焊缝种类:●修整○扎制○机加检验规程:GB50205-2001 检测标准:GB/T11345-1989探伤时机:●焊后○热处理后○水压实验后●打磨后仪器型号:SMART-220超声仪耦合剂:●机油○甘油○浆糊探伤方式:●垂直●斜角●单探头○双探头○串列探头扫描细节:○深度●水平○声程比例:1:1 试块:CSK-IIIA 探伤部位示意图:见附图探伤结果及焊缝编号检验长度显示情况一次返修缺陷编号此条焊缝评定等级说明:N1:无应记录缺陷R1:有应记录缺陷1# 800×2 ●N1 ○R1 ○U1I返修情况2#1050×2●N1 ○R1 ○U1IIU1:有应返修缺陷检验焊缝总长:4228 mm,一次返修总长mm。
备注:结论:●合格○不合格检验人姓名:证书编号:114-0049 级别:UT-II 审核人姓名:焊缝超声波探伤报告告编号:告日期2006年10月11日产品名称:首山一矿副井井架安装工程(组装)令号:工件名称:斜架工件编号:G101H-G102连接材料:Q235B 厚度:14 mm 焊缝种类:●平板○环缝●纵缝●T型○管座焊接方法:手电弧焊接焊缝数量:4条探伤面:平面、打磨检验范围:100%焊缝种类:●修整○扎制○机加检验规程:GB50205-2001 检测标准:GB/T11345-1989探伤时机:●焊后○热处理后○水压实验后●打磨后仪器型号:SMART-220超声仪耦合剂:●机油○甘油○浆糊探伤方式:●垂直●斜角●单探头○双探头○串列探头扫描细节:○深度●水平○声程比例:1:1 试块:CSK-IIIA 探伤部位示意图:见附图探伤结果及返修情况焊缝编号检验长度显示情况一次返修缺陷编号此条焊缝评定等级说明:N1:无应记录缺陷R1:有应记录缺陷U1:有应返修缺陷1# 800×2 ●N1 ○R1 ○U1I2#1050×2○N1 ●R1 ●U1350mm II检验焊缝总长:4228 mm,一次返修总长350 mm。
钢结构超声波探伤检测报告( 无表式)
GD2105006
内容:
一、工程概况
工程名称、地点、委托单位、检测日期、报告编号等
二、检测依据
《钢结构工程施工质量验收规范》GB 50205 -2001 《钢焊缝手工超声波探伤方法和探伤结果的分级》GB 11345 -89
《压力容器无损检测》JB 4730 -94
《螺栓球节点钢网架焊缝超声波探伤及质量分级法》JG/T 3034.2 -1996 《焊接球节点钢网架焊缝超声波探伤及质量分级法》JG/T 3034.1 -1996 《建筑钢结构焊接技术规程》JGJ 81 -91
三、取样数量
l.普通钢结构 ( 轻钢、桥梁、钢屋架、空间钢结构 ) 如下表:
一、二级焊缝质量等级及缺陷分级
焊缝质量等级一级二级
评定等级ⅡⅢ
内部缺陷超声波探伤验收等级B级B级
探伤比例100﹪20﹪
评定等级ⅡⅢ
内部缺陷射线探伤验收等级AB级AB级
探伤比例100%20%
注:探伤比例的计数方法应按以下原则确定: (1) 对工厂制作焊缝,应按每条焊缝计
算百分比,且探伤长度不应小于 200mm,当焊缝长度不足 200mm时,应对整条焊
缝进行探伤; (2) 对现场安装焊缝,应按同一类型、同一施焊条件的焊缝条数计算百
分比,探伤长度应不小于 200mm,并不少于 1条焊缝。
2.钢网架
焊接球焊缝的 5%,且不应少于 3个;
焊缝无损检测,检测比例为每种钢管规格的 5%。
四、仪器设备
名称、型号、仪器设备检测设定及参数。
五、检测结果。
钢结构焊缝探伤报告
《钢结构焊缝探伤报告》
检测单位:XXXXX有限公司
报告编号:1234567890
报告日期:2020年5月8日
检测项目:钢结构焊缝探伤
检测设备:XXXXX探伤仪
检查范围:焊缝焊缝
检查对象:钢结构
【检测结果】
1、目测检查:
(1)焊缝形式:整体焊接
(2)外观检查:焊缝表面光洁,无明显变形。
2、磁粉检查:
(1)焊缝及对接缝处,磁粉检查结果正常,无明显异常。
3、高频探伤检查:
(1)检查结果:焊缝及对接缝处,探伤结果正常,无明显异常。
【结论】
通过目测检查、磁粉检查及高频探伤检查,经检测,钢结构焊缝无明显缺陷,焊接质量合格。
- 1 -。
钢结构超声波探伤报告一、引言。
钢结构在工程中扮演着重要的角色,而其安全性和可靠性对于工程的稳定运行至关重要。
超声波探伤作为一种非破坏性检测技术,被广泛应用于钢结构的质量检测和缺陷评估中。
本报告旨在对某钢结构进行超声波探伤检测,并对检测结果进行分析和总结,为钢结构的安全运行提供参考依据。
二、检测对象及方法。
本次超声波探伤检测的对象为某钢结构,检测方法采用了常规的超声波探伤技术。
具体操作步骤为,首先,利用超声波探伤仪器对钢结构进行扫描,获取超声波信号数据;然后,对数据进行分析和处理,识别出可能存在的缺陷和问题;最后,根据分析结果进行评估和判定。
三、检测结果分析。
经过超声波探伤检测,我们发现了钢结构中一些可能存在的缺陷和问题。
具体包括,局部腐蚀、焊接接头质量不佳、疲劳裂纹等。
这些问题可能会对钢结构的强度和稳定性产生影响,需要及时采取相应的修复和加固措施。
四、问题解决建议。
针对上述发现的问题,我们建议采取以下措施进行修复和加固,对于局部腐蚀,应及时清理并进行防腐处理;对于焊接接头质量不佳,应重新进行焊接或加固处理;对于疲劳裂纹,应进行局部补强或更换受损部位。
同时,还需要对整个钢结构进行全面的安全评估和监测,确保其在运行过程中的安全性和可靠性。
五、总结。
通过本次钢结构超声波探伤检测,我们发现了一些存在的问题,并提出了相应的解决建议。
超声波探伤技术作为一种有效的非破坏性检测手段,对于钢结构的质量评估和安全监测具有重要意义。
希望本报告能为相关部门和工程人员提供参考,促进钢结构的安全运行和可靠性保障。
六、致谢。
在本次超声波探伤检测过程中,得到了相关部门和工程人员的大力支持和配合,在此表示诚挚的感谢。
七、参考文献。
[1] 超声波探伤技术在钢结构检测中的应用,XX杂志,20XX年。
[2] 钢结构安全监测与评估手册,XX出版社,20XX年。
以上为钢结构超声波探伤报告内容,谢谢阅读。
部位名称钢柱/钢梁检测仪器编号PXUT-350C探头型号 2.5P10*16K2.5 试块型号/评定灵敏度Ф1× 10 12dB检测方法/扫描法反射法耦合剂洗洁精补偿+4dB检测标准GB11345-89(B 级) 检测比例20%检测部位(区段)及缺陷位置抽样人员检测部位(腹板翼板对接以及腹板与腹板拼接角焊缝均为全熔透焊缝,焊缝等级为 2 级),所有角焊缝其表面缺陷应符合二级焊缝规定。
抽检比例执行标准: DL5017-93超声波检测结果评定表(抽验比例为 20%)检测长度(mm)600钢梁1-001150*4钢梁2-002钢梁3-003钢梁4-004钢梁5-005钢梁6-006钢梁7-007钢梁8-008钢梁9-009钢梁10-0010钢梁11-0011钢梁12-0012钢梁13-0013钢梁14-0014钢梁15-0015钢梁16-0016对接缝钢梁17-0017150*4检测结果:超声波检测未发现缺陷备注:所有拼接处跟都按照工艺进行,严格根据图纸加工,其中对接处都是 K 型破口。
检测:日期:年月日审核:日期:检测结果表(续上)评定等级IIIIIIIIIIIIIIIIIIIIIIIIIIIIII年月备注/////////////////日150*4 150*4 150*4 150*4 150*4 150*4 150*4 150*4 150*4 150*4 150*4 150*4 150*4 150*4 150*4 600600600600600600600600600600600600600600600600595121141112111212/12111212101010101010101010101088888IIIIIIIIIIIIIIIIIIIIIIIIIIII焊缝长度(mm) 对接缝板材厚度(mm)10反射波幅(区)II指示长度(mm)12焊缝编号板材厚度(mm)8GZ001-021200*4对接缝GZ002-022200*4 GZ003-023 GZ004-024 GZ005-025 GZ006-026 GZ007-027 GZ008-028 GZ009-029 GZ0010-030 GZ0011-031 GZ0012-032 GZ0013-033 GZ0014-034 GZ0015-035 GZ0016-036 GZ0017-037 GZ0018-038 GZ0019-039 GZ0020-040 GZ0021-041 GZ0022-042 GZ0023-043 GZ0024-044 GZ0025-045 GZ0026-046 GZ0027-047 GZ0028-048备注检测结果:超声波检测未发现缺陷 备注:所有拼接处跟都按照工艺进行,严格根据图纸加工,其中对接处都是 K 型破口。
受控编号:
工程质量检测报告
工程名称:
检测内容: 钢结构超声波检测
单位名称
委托单位:
设计单位:
施工单位:
见证单位:
检测单位:
声明
1、本报告无检验检测报告专用章及其骑缝章无效;
2、本报告无检测、审核、批准人签名无效;
3、本报告涂改、增删无效;
4、报告复印页数不全、未加盖检验检测报告专用章无效;
5、对本报告若有异议,应于收到报告之日起十五日内向本检测单位提出。
检测单位资质证书编号:
检测单位地址:
邮政编码:
电话:
钢结构超声波检测结果
检测: (证号: ) (证号: ) 审核:
批准:
钢结构超声波检测结果汇总表
附图:检测构件/节点/焊缝示意图
现场检测工作及关键节点照片
附件
说明:1、本表由见证单位填写,作为检测报告的附件。
2、见证单位由监理单位担任,如无监理单位则由委托方担任。
首次
检测
一次返修检测
二次返修检测
√
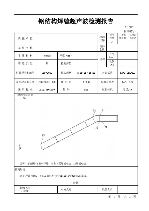
工 程 名 称构件名称
本 体 材 料 Q345B
厚度(mm)
长度(mm)焊 缝 类 型
Ⅱ
检测部位
比例(%)
仪器型号和编号CTS-2020探头规格 2.5P 13×13 K2表面状态和补偿砂轮打磨/+4dB 耦 合 剂 C M C 采 用 标 准GB11345-1989
级 别
BII
检测部位示意图:
检测结论:
批准人员(日期)
审核人员
钢结构焊缝超声波检测报告
委托编号: 合格!
检验人员
对比试块
RB-2/CSK-IA
检测灵敏度DAC+16dB 第 1 页 共 2 页
委 托 单 位检测次序检测
检测时机
焊后24h
说明:示意图中F表示焊缝,A1上下翼缘板对接,A2腹板对接。
经超声波检测,以上各部位均符合GB11345-1989标准要求。
报告编号: 焊缝超声波探伤检测报告工程名称:
委托单位:
审批页
检测人员/资格:(UT级)日期:年月□审核/资格:(UT级)R期:年月R
批准/资格:(UT级)日期:年月日(检测专用章)
声明:1、本检测报告涂改、换页无效,报告内容若有涂改亦无效;2、如对本检测报告有异议,可在收到报告之日起十五日向本公司书面提请复议, 逾期视为认可检测结果;
3、检测单位名称与检测专用章名称不符者无效,未加盖专用章亦无效;
4、未经本公司书面批准,不得复制本检测报告;
5、报告仅对被检测产品的被检测项目负责。
检测示意图
工程名称
报告编号
制图人: 审核人:。
谢谢观赏
谢谢观赏
钢结构焊缝超声波探伤检测报告
委托编号 检验编号 工程名称 收样日期 委托单位 检验日期 建设单位 报告日期 施工单位 使用部位 见证单位 见 证 人
材 质 检验规程 仪器型号/编号 焊缝种类 验收标准 探 头 表面状态 焊缝级别 试 块 坡口形式 合格级别 探伤方法 表面补偿 检验等级 扫查方式 定量灵敏度
耦 合 剂
检 测 面
检 验 结 论
备注
检测 单位
(检验专用章)
批准
校核
检验
本表由检测机构提供,建设单位、施工单位、城建档案馆各保存一份。