导线水平角观测原始记录表(标准) (2)
- 格式:xls
- 大小:26.00 KB
- 文档页数:15
导线测量平差最近更新导线测量平差最近发布4.2版,主要增加或更新了以下功能:(如表格显示不正常,请刷新)一、表格输出。
表格输出到WORD,支持表格中的列向下错开半行(如方位角、边长),所有表格输出到WORD后与软件中显示的样式一样。
如下表:导线严密平差计算表工程名称:附合及水准示例等级:城市二级计算者:杨运英校核者:日期:2003.08.28二、导线采用近似平差且方位角边长不进行反算时的表格样式。
原表格中显示的是坐标增量改正数,现增加了一个选项,可以选择显示改正后的坐标增量,以满足一些工程要求格式统一的要求。
导线平差计算表工程名称:附合及水准示例等级:城市二级计算者:杨运英校核者:日期:2003.08.28、坐标导线平差。
指使用全站仪直接观测坐标、高程的闭、附合导线,其中平面坐标完全差的分配方式可以选用“按边长”、“按坐标增量”、“坐标转换”等方式。
坐标导线平差计算表工程名级:城市二级:杨运英校核者:日期:200四、单面单程水准记录计算已知点较密时线路中间也可以穿过已知点。
当含有中视时可以用于中平测量等,表格形式如下:水准测量记录计算表测线:仪器:观测:天气:地点:记录:计算者:校核者:日期:不含有中视时可用于五等、等外水准等的记录、计算。
表格形式如下:水准测量记录计算表测线:仪器:观测:天气:地点:记录:计算:校核:日期:部测量知点设站,后视另一已知点,观测各碎部点,计算其坐标、高程,绘制图形并可输出到CAD。
方式可以选用“斜距+天顶距”、“平距+高差”或“视距+天顶距”。
距+高差”方式表格如下:碎部测量记录后视:B 测站高程:仪高:气:复核:距”(或“斜距+天顶距”)表格如下:碎部测量记录后视:B 测站高程:指标差:0" 天气:记录:日期:坐标转换于同椭球的不同坐标系间进行转换。
比如同椭球的国家坐标系与工程独立坐标系的转换。
坐标转换计算表工程名第页计算:复核:日期:支导线计算里指输入方位角与边长计算坐标的支导线,如需输入水平角、边长计算各点坐标,请使用“平差计算”模块中的支导线进行计算。
水平角方向观测法记录表日期: _____ 年 ___ 月 ___ 日天气: _____ 仪器型号: __________ 组号: ________ 观测者: _______________ 记录者: _______________ 立测杆者: _____________________水平角方向观测法记录表日期: _____ 年 ___ 月 ___ 日天气: _____ 仪器型号: __________ 组号: ________ 观测者: _______________ 记录者: _______________ 立测杆者: _____________________竖直角观测记录表日期:仪器型号:观测者:时间:天气:记录者:竖直角观测记录表日期:仪器型号:观测者:时间:天气:记录者:竖直角观测记录表日期:仪器型号:观测者:时间:天气:记录者:点号转折角°′″改正数°′″改正角°′″坐标方位角°′″距离m增量计算值改正后增量坐标值点号∆x/m∆y/m∆x/m∆y/m x/m y/m1234=2+35678910111213AB1234CD辅助计算点号转折角°′″改正数°′″改正角°′″坐标方位角°′″距离m增量计算值改正后增量坐标值点号∆x/m∆y/m∆x/m∆y/m x/m y/m1234=2+35678910111213AB1234CD辅助计算(注:本资料素材和资料部分来自网络,仅供参考。
请预览后才下载,期待你的好评与关注!)。
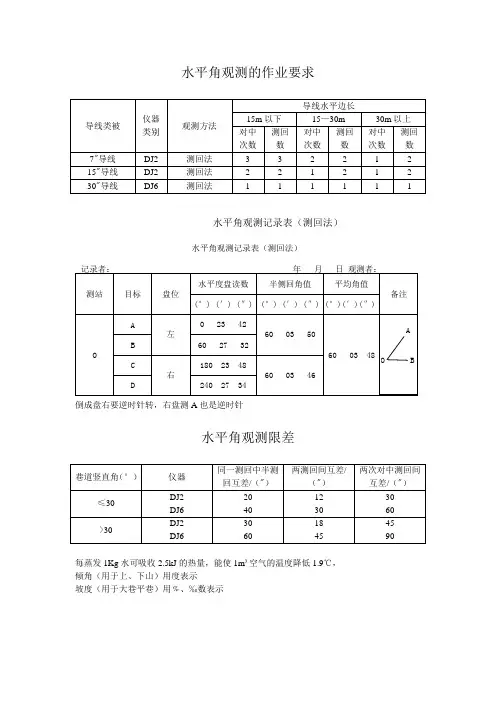
水平角观测的作业要求水平角观测记录表(测回法)水平角观测记录表(测回法)倒成盘右要逆时针转,右盘测A也是逆时针水平角观测限差每蒸发1Kg水可吸收2.5kJ的热量,能使1m³空气的温度降低1.9℃,倾角(用于上、下山)用度表示坡度(用于大巷平巷)用﹪、‰数表示经纬仪使用一、整平:可允许气泡有不超过一格的偏差二、对中(再整平)误差在2mm以内三、读数:顺时针测左角(后视-前视是测角)方位角=已知方位+180+测角(右角要减)方位求法求方位=已知方位+180度+左转角(-360度)坐标增量:X=S*COSαY=S*sinα施测采用的方法和精度报监理工程师,起算数据、外业记录和计算成果检查对算,重要的测量工作必须独立地进行两次或以上的测量和计算。
井筒中心及十字中心线设定后应以5″导线检查测量。
两条十字中心线垂直度允许误差为±10″,测量精度必须与设备安装要求的限差相适应。
要保证测角中误差小于±5″精度,必须复测。
前方交会的计算步骤一、根据A、B两点的坐标,计算A、B边的坐标方位角和边长北αY B—Y AαtgαAB=X B—X ABPY B—Y A X B—X Ad AB= =sinαAB cosαAB二、根据已知,推算AP和BP边的坐标、方位角和边长从图得知αAP=αAB-ααBP=αBA+βdAPsinβAP、BP边长为d AP=sinγdAPsinαd BP=sinγ式中γ=180°-(α+β)三、分别由A、B两点推算出P点坐标X P = X A+ d AP COS ApYP= YA+ d AP sinAPX P = X B+ d BP COS αBPYP= YB+ d BP sinBPA、B两点求出的XP、YP应相等岩巷不超过10m,半煤岩、煤巷不超过5m控制干密度Pd、压实度取90、实际干密度PoJS-500型强力搅拌机、PLD-1200型电子自动计量系统上料通风方式抽出式通风系统中央并列式矿井分量290m3/s开采顺序、盘区前进式煤综掘400 煤炮掘150m 岩炮掘120/月峒室500m3/月YC-YBTagαBC=XC-XBYC-YB Xc-XbS BC= =SinαBC CosαBC增量X=Cosα*BC计算机输入时的错误改正COMP普通计算、SD显示状态、指数显示3*(5*10-9 )等号前“)求880的百分之几为660求2500增加15%求3500减少25%增量后的重量为原重量的百分之几(300+500)/500*100=160% 8的阶乘40320 X!键收集详细的井检查孔地质资料,了解施工区域相邻矿井地层地质及水文地质,明确瓦斯、煤层参数,标定煤层位置、做好、施工过程中的地质预测、预报工作,制定过煤层、含水层、断层、破碎带等特殊地层条件下的施工安全技术措施;做好冒顶、片帮、涌水、瓦斯等灾害预防工作。