钢筋混凝土管规格尺寸及外压荷载系列表
- 格式:doc
- 大小:26.50 KB
- 文档页数:3
钢筋混凝土排水管管体结构尺寸与配筋设计图册××××××××有限公司二○○七年七月钢筋混凝土排水管管体结构尺寸(GB/T11836-1999《混凝土和钢筋混凝土排水管》)图纸目录×××××××××××有限公司×××××××××××有限公司×××××××××××有限公司×××××××××××有限公司×××××××××××有限公司×××××××××××有限公司×××××××××××有限公司×××××××××××有限公司钢筋混凝土排水管截面配筋设计图纸目录(注:以下图纸页次栏数字为原图册页次)表Ⅱ-01 Ⅱ级D200-1200钢筋混凝土排水管表Ⅱ-02 Ⅱ级D1350-3000钢筋混凝土排水管表Ⅱ-03 Ⅱ级D200-1500钢筋混凝土排水管配筋表Ⅱ-04 Ⅱ级D1600-3000钢筋混凝土排水管配筋表Ⅲ-01 Ⅲ级D200-1200钢筋混凝土排水管表Ⅲ-02 Ⅲ级D1350-3000钢筋混凝土排水管表Ⅲ-03 Ⅲ级D200-1500钢筋混凝土排水管配筋表Ⅲ-04 Ⅲ级D1600-3000钢筋混凝土排水管配筋表Ⅲ-05 Ⅲ级D2600-3000钢筋混凝土排水管配筋A×××××××××××有限公司3.1根据现行标准、规范、规程对管体配筋进行计算及图表的编制。
各类钢筋混凝土管参数及技术要求
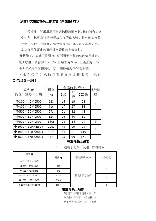
一、钢筋混凝土涵管
适用于公路、交通、铁路排水。
二、承插口式钢筋混凝土排水管(柔性接口管)
柔性接口管采用滑动耐腐蚀橡胶圈密封。
接口可有1.5度转角,抗震及抗地基不均匀沉降能力强。
具有施工安装方便、快捷;抗渗漏、综合造价低、抗压强度高等优点。
是符合环保要求的雨污排水管道的首选管材。
开槽施工,基础可采用90度弧形素土基础或砂垫层基础,覆土厚度I级管为0.7—2m、Ⅱ级管为3.5m、Ⅲ级管为5.5m。
还土时采用中松侧实还土法,侧部达到95%密实度。
(柔性接口)承插口钢筋混凝土排水管执行GB/T11836—1999
三、平口式钢筋混凝土排水管(刚性接口管)
I 级管适合开槽施工混凝土带形基础,适用于各种潮湿土壤以及地基软硬不均匀的排水管道。
当覆土厚度在0.7—2.5m 时采用90度混凝土基础;覆土厚度在2.6—4m 时采用135度混凝土基础,覆土厚度在4.1—6m 时采用180度混凝土基础。
Ⅱ级、Ⅲ级管可采用90度弧形素土基础或砂垫层基础。
(刚性接口)平口钢筋混凝土排水管执行GB/T11836—1999。
90度混凝土基础
180度混凝土基础
四、钢筋混凝土顶管
适用于非开挖顶进施工法。
有刚性接口平口管;(柔性接口)钢承口(F型接口)管。
(柔性接口)钢承口顶管具有不渗漏,施工简单,顶进方向准确,可靠性强等优点,是顶进施工法的首选管材。
(柔性接口)钢承口顶管
(刚性接口)平口顶管。
钢筋混凝土排水管管体结构尺寸与配筋设计图册6.2图表每个级别、每种规格管分管参数、配筋图表两幅。
分别给出了混凝土用量、管重量、配筋面积、钢筋骨架的几何尺寸及钢筋用量。
6.3依据04S 516《混凝土排水管道基础及接口》图册,综合了Ⅰ、Ⅱ、Ⅲ级管在混凝土基础、砂(或土)基础时不同支承角度条件下的允许覆土厚度、管道顶进施工允许覆土厚(见附录二,排水管实际工程条件)。
7. 图册应用7.1 图册中给出的各项数据都是按每米管长计算的,将图表中数据乘以实际管长(米)即可得出产品实际应用数据。
7.2 实用中如果所用钢筋直径与图册不一致时,可根据表中给出的最小配筋面积重新计算每米管长的钢筋根数,并核算裂缝;使用冷拔低碳甲级钢丝,考虑其设计强度为400N/mm2,高于冷轧或热轧带肋钢筋强度,钢筋用量减小,减小量首先按冷轧钢筋与冷拔低碳甲级钢丝设计强度比值即360/400=0.9,乘图册给出的配筋面积,再按管道结构计算规程给定公式核算裂缝开展宽度,按钢筋用量计算裂缝宽度≤0.2mm为止。
7.3 实用中如果混凝土强度等级高于C30,一般钢筋用量不作调整。
按计算结果分析,当混凝土等级为C40时,钢筋用量可降低3%。
7.4 钢筋骨架设保护层卡,其形状、数量分布不作具体规定。
可按行间隔约500mm、两行交错分布考虑。
7.5 表中钢筋用量只是环向钢筋与纵向钢筋的计算用量,不包括两端密绕两环的增加值和辅助钢筋用量。
8. 用于顶进施工的管截面配筋为适应管道顶进施工用管的需要,本图册给出了用于顶进施工的钢筋混凝土排水管截面配筋设计图表。
混凝土设计强度采用C40。
在图册附录中给出了顶进施工用管的控制顶力和管口局部加强的钢筋配置参考图。
钢管混凝土承载力计算表
钢管外径 d800柱实际长度 l17M110钢管壁厚 t12柱计算长度系数μ1M210钢管材料信息:16Mn柱计算长度l017柱端弯距0抗压强度设计值 fa310柱等效长度系数k1柱端轴力8250屈服强度 fy345柱等效长度le17e0:0弹性模量 Ea:206000β1
混凝土材料信息:C40
抗压强度设计值 fc19.5满足
弹性模量 Ec:32500不满足
构造要求:
1.混凝土强度等级不宜低于C30.满足
2.钢管外径不宜小于100毫米,壁厚不宜小于4毫米.满足
3.d/t宜在20~85*SQRT(235/fy)之间满足
4.套箍指标θ宜在0.3~3之间.满足
5.容许长细比l/d不宜超过表3.1.5的限值(20).不满足
套箍指标θ:0.99855294
长细比折减系数φl0.52236913
偏心率折减系数φe1
N0:27647.4325
承载力设计值 Nμ:14442.1652
说明:
1. 本表根据中国工程建设标准化协会标准《钢管混凝土结构设计与施工规程》编写.
2. 本表用于计算圆形截面钢管混凝土柱承载力.
3. 钢管柱按无侧移框架柱计算.
4. 轴心受压柱时,取M1=M2
5. M1是柱端弯距设计值较小者,M2是柱端弯距设计值较大者,M1<M2.
6. 若柱为单曲压弯,β为正,若柱为双曲压弯,β为负.
7.截面尺寸单位:mm;柱长:m;材料信息:N/mm2;弯距:KN-M;轴力、承载力:KN;
规程》编写.。
顶管钢筋混凝土管用规范1范围本标准规定了顶进施工法用混凝土排水管(以下简称管子)的产品分类、技术要求、检验方法、检验规则、标志、包装、运输和贮存。
本标准适用于公称内径600~3000mm顶进施工法排水管道用钢筋混凝土及顶进施工保护套管用钢筋混凝土管。
本标准适用于雨水、污水、引水及农田排灌等重力管道的管子。
凡有内压或耐腐蚀要求用的排水管,由供需双方参考本标准另行商定。
2引用标准GB 175 硅酸盐水泥、普通硅酸盐水泥GB 199 快硬硅酸盐水泥GB 343 一般用途低碳钢丝GB 701 普通低碳钢热扎圆盘条GB 748 抗硫酸盐硅酸盐水泥GB 1344 矿渣硅酸盐水泥、火山灰质硅酸盐水泥及粉煤灰硅酸盐水泥GB 1596 用于水泥和混凝土中的粉煤灰GB 8076 混凝土外加剂GB 11836 混凝土和钢筋混凝土排水管GB 11837 混凝土管用混凝土抗压强度实验方法GB 50204 混凝土工程施工及验收规范GB/T 14684 建筑用砂GB/T 14685 建筑用卵石和碎石GBJ 119 混凝土外加剂应用技术规范JGJ 28 粉煤灰在混凝土和砂浆中应用技术规程JGJ 63 混凝土拌和用水标准JC/T 540 混凝土制品用冷轧低碳螺纹钢丝3产品分类3.1产品按管子接口型式分为:平口式(P)、企口式(Q)、双插口式(S)、钢承口式(G)四种。
注:经供需双方协议,也可生产其他规格尺寸的钢筋混凝土管。
企口管规格尺寸mm表2注:经供需双方协议,也可生产其他规格尺寸的钢筋混凝土管。
双插口管规格尺寸mm表3钢承口管规格尺寸mm表4②钢圈须采取防腐措施,在有腐蚀性介质的条件下,适当加大钢圈厚度。
3.2顶进施工法用钢筋混凝土管,按其外压荷载分为Ⅰ级、Ⅱ级、和Ⅲ级,各级外压荷载见表5。
外压荷载表53.3顶进施工法用钢筋混凝土管,按尺寸偏差和内水压分为优等品(A)、一等品(B)和合格品(C)。
3.4产品按名称(DRC)、尺寸(内径×长度)、接口型式、外压荷载级别、产品等级和标准编号顺序进行标记。
钢筋混凝土排水管管体结构尺寸与配筋设计图册管截面配筋设计分册Ⅰ级管配筋设计分发号:××××××××有限公司二○○七年七月×××××××××××有限公司土压力、侧向土压力、管内水重、堆积荷载等。
进行强度计算时按CECS143:2002规程确定各分项系数。
管断面内层钢筋按受弯构件计算;管断面外层钢筋按大偏心受压构件计算;按正常使用极限状态验算裂缝,允许最大裂缝宽度Wmax≤0.2mm。
5.3材料强度混凝土强度等级取C30,轴心抗压设计强度f t=14.3N/mm2;轴心抗拉标准强度f tk=2.01N/mm2。
冷轧及热轧带筋钢筋标准强度f yk=550N/mm2,抗拉设计强度fy=360N/mm2。
5.4管壁厚<100mm的管子可配单层筋,环向钢筋中心位置应在距离管内表面五分之二管壁厚处(2/5×t)管壁厚≥100mm的管子,应配双层钢筋,其内、外环向钢筋净保护层为20mm。
对于直径1000mm、管壁厚为100mm的Ⅰ级管经验证明,也可用单层筋。
5.5钢筋骨架按滚焊机焊接成型计算。
钢筋骨架两端的环向钢筋应1~2圈,最大螺距不大于150mm。
5.6纵向钢筋直径原则上应与环向环向钢筋一致,但在环向钢筋直径小于5mm时,为保证钢筋骨架的纵向刚度,也取5mm。
纵向钢筋根数按GB/T11836-1999标准规定:滚焊机成型的钢筋骨架相邻纵向的间距不得大于400mm,并不得少于6根。
本设计采用6、8、12、16、24、32根系列,实际生产中可随滚焊机设置,但必须满足GB/T11836-1999标准中纵向钢筋间距的规定。
纵向钢筋两端混凝土净保护层为10mm。
6. 图册内容6.管规格除国标规定的直径200~3000mm 21个规格外,又增加了1400、1600两规格。
承插口式钢筋混凝土排水管(柔性接口管)
柔性接口管采用滑动耐腐蚀橡胶圈密封。
接口可有1.5度转角,抗震及抗地基不均匀沉降能力强。
具有施工安装
方便、快捷;抗渗漏、综合造价低、抗压强度高等优点。
是符合环保要求的雨污排水管道的首选管材。
开槽施工,基础可采用90度弧形素土基础或砂垫层基础,
覆土厚度I级管为0.7—2m、Ⅱ级管为3.5m、Ⅲ级管为5.5m。
还土时采用中松侧实还土法,侧部达到95%密实度。
(柔性接口)承插口钢筋混凝土排水管执行GB/T11836—1999
? 适用于公路、交通、铁路排水
?适用于非开挖顶进施工法。
有
刚性接口平口管;(柔性接口)
钢承口(F型接口)管。
(柔性
接口)钢承口顶管具有不渗漏,施工简单,顶进方向准确,可靠性强等优点,是顶进施工法的首选管材
(柔性接口)钢承口顶管
(刚性接口)平口顶管
堆放层数
4
3
2
1
I 级管适合开槽施工混凝土带形基础,适用于各种潮湿土壤
以及地基软硬不均匀的排水管道。
当覆土厚度在0.7—2.5m 时采用90度混凝土基础;覆土厚度在2.6—4m 时采用135度混凝土基础,覆土厚度在4.1—6m 时采用180度混凝土基础。
Ⅱ级、Ⅲ级管可采用90度弧形素土基础或砂垫层基础。
(刚性接口)平口钢筋混凝土排水管执行GB/T11836—1999
135度混凝土基础180度混凝土基础。