艾默生UPS操作手册
- 格式:docx
- 大小:291.02 KB
- 文档页数:19
艾默生UPS开关机操作说明UPS开机步骤1.确认Q1、Q2、Q5处于断开状态。
2.闭合旁路开关Q2 和UPS输出开关Q5。
3.闭合输入开关Q1。
整流器启动,整流器指示灯呈绿色闪烁。
约15秒后,整流器开始正常运行,整流器指示灯转绿色常亮。
4.闭合外部电池开关。
5.系统检测到电池的状态后,红色电池指示灯灭。
6.持续按INVERTER ON(逆变启动)按钮2秒钟。
7.检查确认LCD显示屏右上角无任何告警信息。
UPS关机步骤1.持续按INVERTER OFF(逆变停止)按钮2秒钟。
2.断开输入开关Q1。
3.断开外部电池开关,该开关位于电池开关盒内。
4.断开输出开关Q5。
5.断开旁路开关Q2。
6.断开其外部市电配电开关。
单机故障跳旁路恢复正常供电方法如果发生供电故障后导致UPS非正常跳自动旁路无法正常工作(或完全掉电),首先要保障负载迅速供电,即首先给负载提供一路电源,分两种状况:1、自动旁路状态:首先检查整流器是否开启,其次开启逆变器是否正常工作,如都正常工作,可直接切换至主电源供电模式,即可以马上给负载提供一个稳定的电源。
(检查顺序为逆变,电池,整流器,保险丝,参考故障记录判断)2、彻底断电状态:确认UPS已无输出,马上人工将切换开关换至维修旁路状态,即可给负载提供电源,并检查整流器与逆变器是否可以正常工作,如一切正常后可切换至自动旁路状态并进行尝试开启整流器与逆变器。
(参考步骤1)注意事项:1、主机在逆变器供电模式禁止手动切换至维修旁路模式!!操作手动旁路前检查逆变器状态(必须处于关闭状态)。
2、各个步骤操作禁止操之过急,按规定步骤逐步实施,并在实施每一步后观察机器5-10秒钟,机器稳定后进行下一步操作!!!3、禁止同时开启UPS所有负载(应逐个开启)!。
艾默生NX250KVA UPS并机系统开机操作:
开机前先确保UPS维修旁路开关Q3及外部维修开关已断开!
单台UPS按以下步骤依次,操作对应上图序号。
1、依次闭合外部输出开关、UPS主机上输出开关Q5→外部旁路开关、旁路开关Q2→外部电源主路开关、主路开关Q1。
2、待面板启动且整流器指示灯不闪烁→闭合电池开关BCB→面板按住INVERTER ON键3S→确认逆变器指示灯亮。
3、完成该UPS启动。
其它并机UPS按照以上步骤完成开机。
艾默生NX250KVA UPS并机系统关机操作:
1、通过UPS主机面板按住INVERTER OFF键3S→确认逆变器指示灯不亮→断开电池组开关BCB→外部电源主路开关、主路开关Q1→外部旁路开关、旁路开关Q2→外部输出开关、UPS主机上输出开关Q5
2、完成该UPS的关机。
其它并机UPS按照以上步骤完成关开机。
注:以上操作前提是系统设备正常,如果有故障或启动过程无法完成,请检查当前告警内容或请寻求技术支持!福建泰格电子技术有限公司:4000-0591-09。
AC Power Systems
for Business-Critical Continuity
™
艾默生UH31系列三进单出UPS(10-20KVA)
高性价比的业务支撑方案
(相电压120~276V)
的告警继电器输出能力,可直接驱动各类报警器
(50HZ±10%),方便燃油发动机接入
DSP全数字控制技术
32位DSP数字信号处理器,数据处理速度快、精度高
DSP控制技术专利
UPS功能设置、电源事
RS232、RS485、SNMP卡接口,监控软件具备电源事件记录和分析功能,支持
Internet/Intranet上的远程监控
E-mail和手机短信报警
Shutdown软件,当市电出现故障或电池即将用尽时,可以出色的节能环保特性
艾默生网络能源
关键业务全保障™的全球领导者
AC Power Systems
for Business-Critical Continuity
™
艾默生网络能源和艾默生网络能源标识 均为艾默生电气公司的注册商标和服务标识。
©2008艾默生电气公司版权所有。
交流电源连接直流电源嵌入式计算
嵌入式电源监控户外柜电源开关和控制
精密制冷
机架和一体化机柜服务浪涌保护
艾默生UH31系列三进单出UPS(10-20KVA)
高性价比的业务支撑方案
技术指标
售后服务热线400-887-6510
获得更多的产品信息请查询
E-X6210616-1108
艾默生网络能源有限公司
深圳市南山区科技工业园科发路一号电话:86-755-86010808邮编:518057。
iTrust UL33 系列 UPS 系统20kVA/30kVA/40kVA/60kVA用户手册艾默生网络能源有限公司iTrust UL33 系列 UPS 系统用户手册资料版本BOM 编码艾默生网络能源有限企业为客户供给全方向的技术支持,用户可与就近的艾默生做事处或用户服务中心联系,也可直接与企业总部联系。
艾默生网络能源有限企业地址:深圳市南山区科技工业园科发路1号邮编: 518057企业网址:主编:郑凯编委:周岩峰周党生杨志洵审核:郑大鹏肖学礼柏子平吴波杨勇华赵广涛责任编写:周溶版权申明艾默生网络能源有限企业版权所有,保存全部权益在没有获得本企业书面同意时,任何单位和个人不得私自摘抄、复制本书(软件等)的一部分或所有,不得以任何形式(包含资料和第一版物)进行流传。
版权所有,侵权必究。
内容若有变动,恕不另行通知。
Copyright by Emerson Network Power Co., Ltd.All rights reserved.The information in this document is subject to change without notice. No part of this document may in any form or by any means (electronic, mechanical, micro-copying, photocopying, recording or otherwise) be reproduced, stored in a retrieval system or transmitted without prior written permission from Avansys Power Co., Ltd..第一版说明内容介绍本手册主要介绍iTrust UL33 系列 UPS系统及其构成部分的特色、功能、技术参数、机械参数等,详尽说了然外面连结端口的尺寸和电气性能。
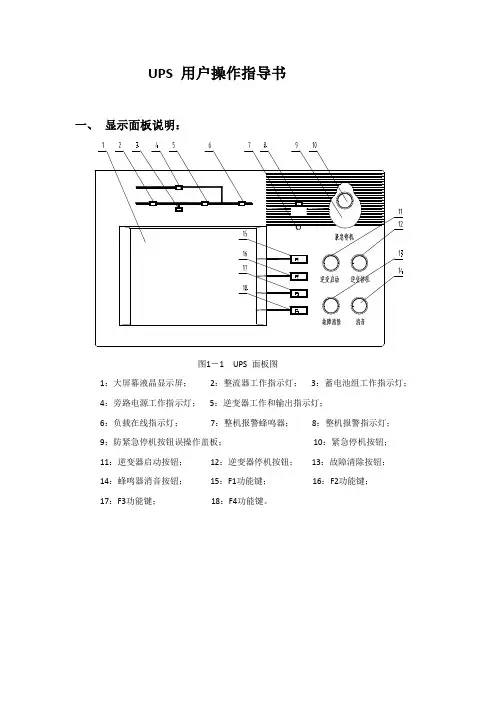
UPS 用户操作指导书一、显示面板说明:图1-1 UPS 面板图1:大屏幕液晶显示屏;2:整流器工作指示灯;3:蓄电池组工作指示灯;4:旁路电源工作指示灯;5:逆变器工作和输出指示灯;6:负载在线指示灯;7:整机报警蜂鸣器;8:整机报警指示灯;9:防紧急停机按钮误操作盖板;10:紧急停机按钮;11:逆变器启动按钮;12:逆变器停机按钮;13:故障清除按钮;14:蜂鸣器消音按钮;15:F1功能键;16:F2功能键;17:F3功能键;18:F4功能键。
二、LED指示说明:F1F2F3F4逆变启动逆变停机故障清除消音告警图2-1图2-1的LED显示区的6个发光二极管(LED)作为运行状态和故障的指示灯,绿色亮表示正常,红色亮表示故障。
【旁路灯】绿色亮表示旁路正供电;红色亮表示旁路输入超出保护范围;不亮表示旁路正常但不供电。
【整流灯】绿色亮表示整流器正供电;绿色闪表示市电正常,整流器尚未供电;红色亮表示整流器故障;不亮表示市电异常,无整流器故障。
【电池灯】绿色亮表示电池正供电;绿色闪表示电池放电终止预告警;红色亮表示电池异常(包括电池过温、电池需更换、电池接触器未闭合);不亮表示电池正常但不供电。
【逆变灯】绿色亮表示逆变器正供电;绿色闪表示逆变器工作但处于待供电状态;红色亮表示逆变器故障;不亮表示逆变器未开启,且无故障。
【负载灯】绿色亮表示本机正常输出;红色亮表示本机因过载关机;不亮表示无输出;橙色亮(实际是红绿同亮)表示本机处于过载输出供电中。
【告警灯】红色亮表示系统有告警发生;绿色亮表示无任何告警。
三、功能键说明:图2-1所示的功能键控制区包括五个按钮:【紧急关机键】紧急彻底关掉本机输出,并关掉整流模块、逆变模块、电池输入。
【逆变启动键】逆变器具备启动条件时,按此键可启动逆变器工作;否则此键按下无效。
【逆变停机键】当逆变器正在工作时,按此键可关闭逆变器。
【故障清除键】当系统故障或紧急关机导致UPS电源关闭后,如故障已经排除,按此键可重新启动系统工作。
UPS基本操作手册V(070625)艾默生网络能源有限公司用户培训中心二○○七年六月机房管理规定细则1. 对此《细则》中之规定,请学员、教师及相关人员照章遵守。
2. 学员上机时要遵守纪律,要服从教师的安排和管理,按照教师的规定和要求进行操作。
3. 学员上机时要注意安全,不得触摸设备上带电的金属,不得做对人身安全有害的操作。
4. 上机完成后,学员应将桌椅、工具、板件等布置整齐,归放原位。
5. 上机完成后要将设备的总闸关掉,保证安全。
6. 上机完成后要将电池的负载断开,以免电池放电,负载发热。
7. 上机完成后要将机房的总开关关掉,保证安全。
8. 最后离开机房的人员,要关灯、关空调。
附:万用表的使用注意事项1. 测量前首先应确定测量的参数种类,严禁使用电阻档或二级管档测量电压,严禁使用电流档测量电压。
(包括交流电压和直流电压)2. 当万用表显示为“1”时表示超出本档位量程。
应加大量程进行测量。
3. 测量前表笔不能插错位置。
或红黑表笔插反。
4. 不许带电测量电阻。
5. 不许在测量同时转换档位。
6. 测量时,表笔应与测点接触良好。
7. 测量时,手要稳定,不要发抖,以免表笔相碰短路而打火。
8. 万用表使用完毕必须关掉,以免电池放电。
目录第一章 UPS系统结构与原理 (1)一、上机内容 (1)二、上机重点 (1)三、上机步骤 (1)四、上机练习题 (1)五、上机附录 (2)附录1:系统结构图 (2)附录 2:系统原理框图 (6)附录3:UL33单机主电路原理图 (6)第二章UPS操作与使用 (7)一、上机内容 (7)二、上机重点 (7)三、上机步骤 (7)四、上机练习题 (7)五、上机附录 (8)附录1:显示控制面板示意图 (8)附录2:显示控制面板功能划分示意图 (9)附录3:菜单功能键 (9)附录4:液晶显示屏区域划分示意图 (10)附录5:Hipulse 操作显示面板示意图 (10)第一章 UPS系统结构与原理一、上机内容1. 系统整体结构及电路流向2. UPS四大开关的位置和作用3. UPS各重要器件位置与功能二、上机重点1. 系统结构、及重要器件的作用2. 系统电路流向三、上机步骤第一步:学员对照UL33结构图熟悉UL33 UPS内部结构第二步:学员对照UPS原理框图熟悉系统电路流向四、上机练习题1.UPS的双变换回路是和,指出其位置。
爱默生UPS操作规程以及维护保养爱默生UPS操作规程1.UPS电源开关UPS的电源开关位于UPS后面板,包括:市电开关、旁路开关、维修开关。
功能描述如下:2.UPS上电UPS上电步骤如下:1)检查确认UPS的输入输出接线和外置电池接线(仅适于长延时系统)正确。
2)闭合外置电池开关(仅适于长延时系统)。
3)闭合UPS市电开关和旁路开关。
此时UPS启动,内部风扇运转,UPS开始自检。
UPS自检完成以后,蜂鸣器鸣叫2声,表示UPS启动正常,UPS进入旁路模式,面板市电指示灯和旁路指示灯亮。
3.设置系统参数系统上电以后,重复按循环键。
当LCD显示“回主菜单”时,按确认键返回“运行参数”菜单。
再重复按循环键,当LCD显示“功能设置”时,持续按确认键5S以上进入“功能设置”菜单。
“功能设置菜单提供6”个功能参数:语言菜单、均充功能、温度补偿设置、电池容量设置、主从单机设置、交替工作时间。
用户可根据实际情况设置。
当系统设置完成以后,请确认如下操作保存:1)确认UPS处于旁路模式,断开市电开关和旁路开关。
2)等待30S,机内风扇完全停止运转,LCD屏幕无任何显示。
3)重新合上市电开关和旁路开关。
此时UPS启动,设置参数已经保存。
4.UPS开机正常模式开机执行完上电操作以后,UPS一旁路模式运行。
此时,持续按开机/消音键1秒钟,直到听到“滴~~~”的提示音。
数秒后,面板旁路指示灯灭,逆变指示灯亮,表示UPS进入正常运行模式。
电池模式开机在没有市电的情况下,可将UPS直接开机到电池模式,UPS通过电池向负载供电。
操作方法:持续按开机/消音键1秒钟,直到听到“滴~~~”的提示音。
数秒后,面板旁路指示灯灭,逆变指示灯亮;同时蜂鸣器每3S叫一声,表示系统以电池模式运行。
5.UPS关机正常模式关机正常模式下持续按关机键1秒钟,知道听到“滴——”一声逆变器关闭,UPS转旁路模式。
此时逆变指示灯灭,旁路指示灯亮。
UPS转旁路模式运行以后,如需给UPS完全下电,断开UPS的市电开关和旁路开关。
iTrust UPS系列1kVA/2kVA/3kVA用户手册资料版本 V2.3归档时间 2004-06-30BOM 编码 31010283艾默生网络能源有限公司为客户提供全方位的技术支持,用户可与就近的艾默生网络能源有限公司办事处或客户服务中心联系,也可直接与公司总部联系。
艾默生网络能源有限公司版权所有,保留一切权利。
内容如有改动,恕不另行通知。
艾默生网络能源有限公司地址:深圳市南山区科技工业园科发路一号邮编:518057公司网址:客户服务热线:0755-********E-mail: info@安全须知禁止事项1.电源内部有高压,非本公司或本公司授权的技术人员,请勿擅自打开面板或机箱盖,否则会有触电的危险,同时失去保修权利。
2.应用于下述负载设备前,务请事先与经销商讨论,其应用、设置、管理和维护等等必须有特别的考虑和设计:z与病人生命有直接关联的医疗仪器;z电梯等有可能危及人身安全的设备;z类似于上述的设备。
3.电池严禁置于火中,以免爆炸。
安全注意事项1.电源设备内含电池,即使在未接交流市电的情况下,其输出端仍可能会有电压存在。
2.当UPS需要移动或重新配线时,必须切断输入,并保证UPS完全停机,否则输出仍可能有电,有触电的危险。
3.为确保用户的人身安全,本系列电源产品必须有良好的接地保护,在使用之前首先要可靠接地。
4.使用环境及保存方法对本产品的使用寿命及可靠性有一定影响,因此,请注意避免长期在下列工作环境中使用:z超出技术指标规定(温度0℃~40℃,相对湿度5%~95%)的高、低温和潮湿场所;z阳光直射或靠近热源的场所;z有振动、易受撞的场所;z有粉尘、腐蚀性物质、盐份和可燃性气体的场所。
5.请保持进、排气孔的通畅。
进、排气孔的通风不畅会导致UPS内部的温度升高,使机器中元器件的寿命缩短,从而影响整机寿命。
6.液体或其他外来物体绝对不允许进入电源机箱内。
7.万一周围起火,请使用干粉灭火器,若使用液体灭火器会有触电危险。
艾默生10KVUPS日常使用维护手册艾默生10KV UPS 日常使用维护手册LED 显示面板的功能操作键和指示灯:LED 显示面板位于UPS 前面板上。
LED 显示面板提供给用户2个功能操作键和10个指示灯,如图1-1所示,其中的数字为指示灯编号。
图1-1 LED 显示面板示意图1.1 功能操作键两个功能操作键为开机/消音键和关机键。
各操作键的功能说明见表1-1。
表1-1 操作键的功能说明注意按开机/消音键1s 可消除告警音,再按1s 又可恢复告警音鸣叫。
1.2 指示灯前面板上的十个指示灯根据用途分为两组:● UPS 状态指示灯包括五个指示灯:故障指示灯、交流输入指示灯、电池指示灯、旁路指示灯和逆变器指示灯,其中故障指示灯为红色,其他四个指示灯为绿色。
● UPS 负载电池容量及故障定位指示灯负载状态、电池剩余容量显示或故障定位指示灯,包括五个指示灯,其中绿色灯四个,黄色灯一个,黄色灯用以显示UPS 负载容量过大或者电池容量过低。
开机/消音键电池等级指示灯(从左至右:1~5):旁路指示灯671.2.1 UPS状态指示灯UPS状态指示灯(位置和编号如图1-1所示)用于指示UPS的运行和故障状态,详细描述见表1-2。
表1-2 UPS状态指示灯描述1.2.2 UPS负载电池容量及故障定位指示灯UPS负载电池及故障定位指示灯用以显示UPS带负载量的大小,在电池模式时用以显示电池容量的高低,UPS出现故障时,则和UPS 的状态指示灯联合定位UPS的故障类型。
10个指示灯联合指示UPS的工作状态和故障类型,具体定义见表1-3。
表1-3 指示灯联合指示UPS故障类型表注意5号灯为黄色灯,6号灯为红色灯,其余均为绿灯。
UPS常见操作本节介绍UPS上电前检查内容、上电、开机和日常操作方法。
1.3 上电前检查UPS上电前,需要检查以下内容:1.UPS输入输出电缆是否正确、可靠连接;UPS输入电缆无反序。
2.电池电缆的正负极是否正确。
艾默生iTrust UL33 UPS产品说明1.艾默生UPS性能简介a. 简介iTrust UL33系列UPS系统是连接在输入电源和负载之间,为重要负载提供不受电网干扰、稳压、稳频的电力供应的电源设备,在市电掉电后,UPS可将电池能量逆变给负载,继续提供一段时间供电。
UL33系列UPS采用带输出隔离变压器的高频双变换结构和先进的全数字控制技术,输出稳定、洁净、不间断的电源,具备完备的网络管理功能。
b. 基本组成UL33系列UPS系统主要包括由整流模块(REC和逆变模块(INV组成的AC-DC-AC变换主回路、由反向并联的可控硅组成的旁路静态开关、维修旁路空开Q3BP、输出隔离变压器和逆变静态开关、蓄电池组以及输入Q1/输出空开Q5等。
系统组成如图1-1所示,其中,空气断路器Q1控制主路交流电源输入,整流模块将交流电源变成直流电源,逆变模块进行DC/AC变换,将整流模块和蓄电池提供的直流电源变换成交流电源,经过隔离变压器输出。
蓄电池组在交流停电时通过逆变向负载供电。
输入电源也可以通过旁路静态开关从旁路回路向负载供电。
另外,要求对负载供电不间断而对UPS内部进行维修时,可使用维修旁路开关Q3BP。
c. 工作原理UL33系列UPS单机系统主电路如图1-2所示。
主路输入电源从空气断路器Q1输入,通过熔断器,经自耦变压器降压,通过输入电感进入高频六管整流单元,高频整流将三相交流电变换为稳定的直流电源,实现功率因数校正,整流器同时具有充电器的功能;该部分电路采用延时软启动和DSP实时处理的全数字控制技术,提高了系统的抗冲击能力和直流母线电压的稳定性,可减小蓄电池充电纹波,延长蓄电池的寿命。
蓄电池通过接触器接入,只有在直流母线电压达到一定阀值时接触器才能将蓄电池组与直流母线并联接通,蓄电池通过直流滤波电路向逆变器提供直流电源。
逆变器采用DSP实时处理的全数字矢量控制技术,通过SVPWM调制六只IGBT功率开关器件,把直流母线电源变换成三相交流。
艾默生Hipulse UPS操作手册1.1 简介UPS可处于下列几种运行方式之一:●正常运行-----所有相关电源开关闭合,UPS带载。
●维修旁路-----UPS关断,负载通过维修旁路开关直接连接到旁路电源。
●关机----所有电源开关断开,负载断电。
●静态旁路----负载由静态旁路市电供电,这种供电方式可以看做是负载在逆变器供电和维修旁路供电之间相互转换的一种中间供电方式,或异常工作状态的供电方式。
●经济模式----所有相关电源开关及电池开关均处于闭合状态,负载通过UPS静态转换开关由旁路市电供电,逆变器处于后备状态。
本章介绍在上述运行方式之间互相切换,复位及开关逆变器的操作等。
1.1.1 备注注1:所有操作步骤中所涉及到的面板显示和按键及电源开关,在第四章都已介绍注2:在上述运行方式切换的操作过程中,会出现蜂鸣器报警。
按“Alarm Reset”键,可静音。
注3:当UPS采用传统的注水铅酸电池时,HIPULSE UPS系统提供自动均充充电的可选功能。
当选用上述电池时,在市电长时间断电后恢复供电时,电池充电电压要比正常充电电压高(对380V交流系统,432Vdc;400V交流系统,446Vdc;415V交流系统,459Vdc)。
这是正常的,几个小时充电后,电池充电电压将恢复正常值。
1.1.2 电源开关UPS柜内安装的电源开关可用钥匙打开前门后看到。
各电源开关的位置如图5-1所示,它们包括:Q1-输入开关:将UPS与输入市电连接。
Q2-旁路开关:将UPS与旁路电源连接。
Q3-维修旁路开关(带锁):可在维修UPS时,由旁路直接给负载进行供电。
如UPS系统由两个以上UPS单机并联组成,千万不要使用内部维修旁路开关。
Q4-输出开关:将UPS输出与负载连接。
注:电池断路器不装于UPS内,应安装在各电池的附近。
图1-1 电源开关位置示意图1.2 UPS开机步骤(不中断负载供电)此步骤用于UPS开机以及将负载从外部维修旁路状态切换到逆变器供电状态。
艾默生Hipulse UPS操作手册1.1 简介UPS可处于下列几种运行方式之一:●正常运行-----所有相关电源开关闭合,UPS带载。
●维修旁路-----UPS关断,负载通过维修旁路开关直接连接到旁路电源。
●关机----所有电源开关断开,负载断电。
●静态旁路----负载由静态旁路市电供电,这种供电方式可以看做是负载在逆变器供电和维修旁路供电之间相互转换的一种中间供电方式,或异常工作状态的供电方式。
●经济模式----所有相关电源开关及电池开关均处于闭合状态,负载通过UPS静态转换开关由旁路市电供电,逆变器处于后备状态。
本章介绍在上述运行方式之间互相切换,复位及开关逆变器的操作等。
1.1.1 备注注1:所有操作步骤中所涉及到的面板显示和按键及电源开关,在第四章都已介绍注2:在上述运行方式切换的操作过程中,会出现蜂鸣器报警。
按“Alarm Reset”键,可静音。
注3:当UPS采用传统的注水铅酸电池时,HIPULSE UPS系统提供自动均充充电的可选功能。
当选用上述电池时,在市电长时间断电后恢复供电时,电池充电电压要比正常充电电压高(对380V交流系统,432Vdc;400V交流系统,446Vdc;415V交流系统,459Vdc)。
这是正常的,几个小时充电后,电池充电电压将恢复正常值。
1.1.2 电源开关UPS柜内安装的电源开关可用钥匙打开前门后看到。
各电源开关的位置如图5-1所示,它们包括:Q1-输入开关:将UPS与输入市电连接。
Q2-旁路开关:将UPS与旁路电源连接。
Q3-维修旁路开关(带锁):可在维修UPS时,由旁路直接给负载进行供电。
如UPS系统由两个以上UPS单机并联组成,千万不要使用内部维修旁路开关。
Q4-输出开关:将UPS输出与负载连接。
注:电池断路器不装于UPS内,应安装在各电池的附近。
图1-1 电源开关位置示意图1.2 UPS开机步骤(不中断负载供电)此步骤用于UPS开机以及将负载从外部维修旁路状态切换到逆变器供电状态。
假设UPS安装完毕,已经由工程师调试正常,且外部电源开关已闭合。
电源开关Q1-Q4位置请参见图5-1。
请确保相序正确1. 合维修旁路开关Q3及外部开关(维修旁路内)合向负载侧。
2. 合输出电源开关Q4及旁路电源开关Q2。
屏幕显示如下信息:初始窗口:当UPS加电且闭合电源开关后,LCD显示初始信息,并持续约5秒,其间系统加载控制软件,然后显示各种信息,且在底行显示时间和日期。
面板上的旁路电源正常指示灯(1)闪烁,20秒后,旁路带载指示灯(6)闪烁,红灯(13)亮。
显示窗将显示UPS当前状态信息。
3. 合整流器输入开关Q1注:经济模式下,屏幕将不显示“LOAD ON BYPASS”。
4. 等待20秒后合电池开关。
面板上无电池指示灯(3)灭,电池容量指示灯根据实际容量点亮。
整流器逐步启动并稳定在浮充电压。
5. 断开维修旁路电源开关Q3,并上锁。
面板上旁路带载指示灯(6-琥珀色)闪烁。
显示窗将显示UPS当前状态信息。
6. 5秒后,面板上逆变器带载指示灯(5-稳态绿灯)亮,旁路带载指示灯(6)灭。
注:经济模式下,面板上旁路市电带载指示灯(6)亮,逆变器带载指示灯(5)灭。
UPS正常工作状态下,系统缺省窗口显示内容如下:UPS正常工作,负载由逆变器供电。
经济模式:UPS工作在经济模式下时,系统缺省窗口显示内容如下:此时负载由旁路市电供电。
UPS工作于经济模式,负载由旁路市电供电。
1.3 UPS开机和加载步骤(无负载的启动)此步骤用于UPS开机加载,即在UPS未对负载进行供电的情况下,对UPS进行开机(如在开始时尚未安装负载等)。
假设UPS安装完毕,已经由工程师调试正常,且外部电源开关已闭合。
电源开关Q1-Q4位置请参见图5-1。
1. 打开UPS门,以便操作电源开关。
2. 合整流器输入开关Q1面板LED指示交流输入正常(2-稳态绿灯),约20S后,逆变器输出正常指示亮(4-稳态绿灯)、无电池指示灯(3)及红灯(13)亮。
屏幕显示如下信息:初始窗口:当UPS加电且闭合电源开关Q1后,LCD将显示上面初始信息,并持续约5秒,其间系统加载控制软件,然后显示各种信息,且在底行显示时间和日期。
注:若UPS已加电,而屏幕无显示,说明微处理器没有工作,请与您的经销商联系。
警告以下步骤将给负载加电-操作前请确保安全无误。
3. 合UPS输出电源开关Q4。
面板上逆变器带载指示灯(5-稳态绿灯)、无电池指示(3)及红灯(13)亮。
注:经济模式下,逆变器带载指示灯(5)灭。
屏幕显示如下信息:4. 合旁路开关输入Q2面板上的旁路电源指示灯(1-稳态绿灯)亮,20S后,逆变器与市电旁路同步。
5. 在合电池开关前,检查直流母线电压,在上屏状态下,按“ENTER”键。
主菜单将显示:把箭头移到“MEASUREMENT”选项,按“ENTER”键。
选择“BATTERY”选项,显示直流母线电压,若电压符合要求(对380V交流系统,432Vdc;400V交流系统,446Vdc;415V交流系统,459Vdc),重复按ESCAPE键,直到退回到初始窗口。
6. 手动闭合电池开关面板上无电池指示灯(3)灭,电池容量指示(17)根据实际容量点亮。
电池开关闭合,逆变器工作稳定后,屏幕将显示缺省窗口缺省窗口:当UPS正常工作时,屏幕显示如下信息:上面三行显示UPS运行状态;出错时,显示报警信息,第四行显示时间和日期。
UPS正常工作,负载由逆变器供电。
经济模式:UPS工作在经济模式下时,系统缺省窗口显示内容如下:此时负载由旁路市电供电。
UPS工作于经济模式,负载由旁路市电供电。
1.4 UPS从正常运行到维修旁路的步骤此步骤第一部分详细介绍了如何选择关闭逆变器,通过静态开关由旁路市电给负载进行供电。
该步骤用于将负载从UPS逆变器输出切换到维修旁路,这在UPS维护时可能会用到。
正常运行状态:用此步骤将负载从逆变器输出切换到维修旁路。
经济模式:用此步骤将负载从输出切换到维修旁路。
小心可通过以下窗口来选择逆变器开启或关闭。
操作前,请阅读显示信息,确保旁路电源正常,并且逆变器与旁路同步,以免造成负载供电中断。
如您对操作没有完全把握,则请勿执行此操作。
1. 按位于控制面板左侧的INV开关。
2. 通过如下LCD显示确认此操作:持续按“ENTER”键1S将确认关闭逆变器,持续按“ESC”键1S将取消操作。
3. 如按“ENTER”键:面板上逆变器带载指示灯(5)灭,旁路带载指示灯(6-琥珀色)闪烁,红灯(3)闪烁,同时,通常伴有声音告警。
此时,如按告警消音键,则取消声音告警,但LCD告警显示信息继续存在,直到告警状态消除。
正常运行:4.a UPS逆变器关闭,负载被切换到旁路供电。
面板上旁路带载指示灯(6-琥珀色)闪烁,逆变器带载指示灯(5)灭。
负载正由静态旁路供电。
经济模式:4.b 此时,UPS逆变器关闭,但负载继续由旁路市电供电。
面板上旁路带载指示灯(6-黄色)闪烁,逆变器带载指示灯(5)灭。
负载正由静态旁路供电。
5. 取下锁,扳动内部锁定杆,并合上维修旁路电源开关Q3。
断开整流器输入电源开关Q1、输出电源开关Q4、旁路电源开关Q2和电池开关(位于电池柜内或电池架附近)。
此时,UPS下电,但负载将继续由手动维修旁路供电。
警告警告:等约5分钟,使内部直流母线电容电压放电。
警告UPS内部以下部件带电:●旁路交流输入端子和母线●维修旁路电源开关●静态旁路电源开关●UPS输出端子和母线输入和输出端子有金属盖板保护。
负载现在由维修旁路供电,UPS已完全关机。
1.5 UPS在维修旁路下的开机步骤参见5.2节“UPS开机步骤(不中断负载供电)”,从第2点步骤开始。
1.6 UPS完全关机步骤本节介绍UPS的完全关机,且使负载断电的操作,所有电源开关将断开,且不再对负载供电:小心以下操作步骤将切断负载电源。
1. 断开电池开关和整流器输入电源开关Q1逆变器带载指示灯(5)灭,旁路带载指示灯(6)闪烁,无电池指示灯(3)亮,电池容量的所有指示灯灭。
屏幕显示有关信息(如旁路带载,电池开关断,整流器输入电源开关断等)注:经济模式下,信息“LOAD ON BYPASS”不显示。
2. 断开UPS输出开关Q4和旁路电源开关Q2。
经一段时间延时,内部辅助电源消失后,所有面板指示灯及LCD显示灭。
3. 若要UPS与市电完全隔离,则应断开外部市电配电开关(如整流器和旁路分别配有输入开关,则为两个)。
应在市电配电板(通常在离UPS较远的地方)上贴上标签,告知维护人员UPS正在维修。
警告等约5分钟,使直流母线电容电压放电。
此时,UPS已完全下电。
重要UPS关机状态下,如有需要,可随时合上维修旁路电源开关,给负载接通维修旁路电源。
当负载由维修旁路供电时,负载无电源异常保护。
1.7 UPS复位步骤当使用了EPO(紧急关机)或因自动切换后导致关机,根据显示屏上提示的告警信息采取措施清除故障后,要使UPS恢复正常工作状态,需要复位操作。
自动切换后系统关机的原因可能是:使用了EPO,逆变器过温,过载关机,电池过压,切换次数过多(BYP:XFER COUNT BLOCK),等。
按ENTER。
注:经济模式下,显示屏不显示“LOAD ON BYPASS”。
选择FUNCTION,按ENTER。
输入正确的口令,按ENTER。
选择NEXT PAGE,按ENTER。
按ENTER。
选择RESET ALARMS,按ENTER。
重复按ESCAPE,直到显示屏回到默认窗口。
以上操作步骤对逻辑电路进行复位,使整流器,逆变器和静态开关重新正常运行。
注:若是EPO后的复位,则还需用手动合上电池开关。
警告如EPO系统采用了外部交流输入电源开关跳闸装置,RESET键将无效。
首先合上外部交流输入电源开关,UPS可正常启动,因为电源恢复时逻辑电路将自动复位。
1.8 给系统增加UPS单机此操作应由接受过培训的维护人员完成。
1.9 使用显示控制面板的UPS开/关机步骤1. 在缺省窗口下,按“ENTER”键,显示主菜单。
2. 选择“FUNCTION”选项,按“ENTER”:操作“FUNCTION”选项之前需输入口令;可用UP/DOWN键输入口令,UP键用来选择所需输入的字符,使用DOWN键将光标移动到下一位(重复使用UP/DOWN键,直至完成8位口令的输入),口令输入后,按“ENTER”。
小心此操作将允许操作人员修改UPS运行模式,建议只有接受过培训的合格人员才可进行此操作。
3. 现在您可进入所有“FUNCTION”选项。
按DOWN键,直到光标选中“NEXT PAGE”,按“ENTER”。
4. 按DOWN键,选择“ON/OFF UPS CONTROL”,按“ENTER”。
小心通过以下窗口,可进行开/关逆变器,开/关整流器,选择整流器手动或浮充电压及切断负载旁路供电等操作。