供应商不良行为记录汇总表
- 格式:docx
- 大小:13.08 KB
- 文档页数:1
规章制度编号:国网(物资/4)249-2017 国家电网公司供应商不良行为处理管理细则第一章总则第一条为进一步落实国家电网公司(以下简称公司)规范招标采购要求,提升《国家电网公司供应商关系管理办法》(国家电网法〔2013〕1082号之国网(物资/2)128-2013,以下简称办法)的操作性,细化公司供应商不良行为处理管理要求,特制定本细则。
第二条《办法》第二十七条规定的供应商不良行为,包括货物、工程、服务等供应商的不良行为。
第三条对供应商不良行为的处理主要依据《中华人民共和国招标投标法》、《中华人民共和国招标投标法实施条例》等国家有关法律法规及《国家电网公司安全事故调查规程》(国家电网安监〔2011〕2024号)、《国家电网公司质量事件调查管理办法》(国网(安监/4)603-2016)等公司相关规章制度。
第四条供应商不良行为处理遵循“及时规范、处理适当、公平公正”的原则。
第五条本细则适用于公司总(分)部、省(自治区、直辖市)电力公司、直属单位(以下简称“省公司”)及所属各级单位的供应商不良行为处理工作。
公司控股单位的供应商不良行为处理参照执行。
第二章职责分工第六条国网物资部作为公司供应商不良行为处理的归口管理部门,主要职责是:(一)负责制定有关供应商不良行为处理的管理制度;(二)负责收集公司总部招标采购有关供应商不良行为信息,组织召开供应商不良行为处理专题会议,研究提出对供应商的处理意见,并报公司相关领导审批;(三)负责督促有关供应商进行整改,并协调组织相关单位和部门对供应商整改情况进行跟踪和验收;(四)负责总部供应商不良行为处理结果的发布。
第七条国网安质部、运检部、营销部(农电工作部)、基建部、交流部、直流部、信通部、后勤部、国调中心等相关部门负责本部门专业管理范围内涉及的供应商不良行为的收集和责任认定,定期报送国网物资部;参加国网物资部组织召开的供应商不良行为处理专题会议,负责组织对相关供应商的整改情况进行验收并出具验收报告。
1.目的为了约束供应商不规范行为,建立异常发生时向供应商进行索赔的处理机制,提高供应商的供货品质和服务水平。
2.适用范围适用于所有为三利谱提供原材料、包材的供应商.3.术语和定义3。
1 欺骗行为:伪造证、章、单据、报告、记录等类似行为。
3。
2混料:不同物料混在一起,所送物料或标签与采购订单要求不符。
3.3 短装:重量、数量或面积不足。
3.4 违反流程:未签订样品或未经核准而直接出货。
3。
5 连带损失:由于来料质量问题导致我司质量成本增加的费用。
4.职责4。
1 生产部:负责对原材不良品及成品不良实物及数据的汇总,并报告质量部主管。
4。
2 质量部:负责主导分厂不良品取样及索赔数据的统计。
4.3 品保部:负责主导厂内及客户端不良数据的收集、整理,以及与供方的索赔谈判,并负责依据处罚规定对供方开索赔单。
4.4 PMC部:负责对仓库不良品入库信息及包装确认,负责卷材退货给供应商的包装规范.4.5 采购部:协助品保部约见供方,和品保一同参与向供方的索赔谈判,并负责将供方签字索赔单给到财务部。
4。
6 市场管理部:市场管理部文员根据品保部提供的产品型号提供单价.4.7 财务部:负责索赔款项到账确认及索赔费用的归属。
5.流程图见附表26.作业内容6.1 索赔提出原材料入厂检验、制造过程和客退产品中发现不合格品时,依《不合格品控制程序》确认处理。
如果经过判定属于原材料来料问题,依《进料检验控制程序》,由MQE发出【来料不良投诉书】至供应商确认、回复。
如涉及由此造成的我司损失,须由MQE向供方提出索赔,并通知相关使用部门对不良损失明细进行统计.6.2 索赔数据收集品保部MQE根据实际情况协调相关部门完成损失统计和汇总工作。
供应商损失统计核算、赔偿依据参考附表1执行.原材料问题导致的制程中质量损失数据及不良样品由各分厂质量部负责提供。
原材料问题导致在客户端所产生的损失费用由品保部客服人员提供。
以上数据填入【供应商索赔单】中投诉内容与索赔明细栏,并经部门经理、生产副总签字审核。
供应商管理规范(试行)第一章总则1.1目的:为了规范整个公司供应商的管理,明确操作细节,客观评价供应商的履约能力,通过对供应商进行资质预审,建立公司合格供应商库,并通过此合格供应商库选择满足公司及分公司各项采购任务的供应商单位,在采购过程中及合同履约过程中对此供应商库及确认的供货单位进行跟踪、评估,日常及定期对供应商库进行管理维护,优胜劣汰,确保公司降低采购成本,提高采购物资质量,提高办事效率,促进廉洁自律,增强供应安全系数及供应可靠性。
1.2适用范围:包括为本公司、各部门及各级分子公司提供原材料、委托加工、工程类、品牌物资类、制服类、办公用品类等法人或其他组织,包括国内供应商和国外供应商。
1.3公司总部对供应商实行统一归口、三级审核,统一建立公司物资供应商档案库,实行供应商准入制度,对合格供应商定期进行评价与考核、动态管理,对供应商的经营业务范围、基本资质、经营业绩、合同履约等情况进行不定期核查,每一年度重新考核确认合格供应商资格。
1.4供应商的准入采取各部门、分子公司评审推荐、审核备案、公司总部审定添加至供应商系统模式,供应商开发的基本准则应遵循质量、成本、交付与服务并重的原则。
1.5原则上每类物资取得供货资格的供应商不得少于三家(特殊物资除外)。
公司采购作业严格遵循公开透明原则、公平竞争原则和诚实守信原则。
1.6供应商管理是企业步入轨道的重要基础之一,物料采购成本的合理性,会对经营利润产生很大的影响。
第二章机构及职责2.1供应商管理评审委员会由公司采购部、商品部、财务部组成,统筹建立合格供应商数据库,负责统一管理公司范围内各部门及各分子公司各类物资采购管理工作,其他相关部门有参与、指导、建议权。
供应商管理评审委员会主要履行以下主要职责:(一) 组织制定公司供应商管理制度;(二) 各单位供应商准入审核备案工作;(三) 监督各分子公司供应商管理的政策机制、管理办法执行情况,监管各子公司供应商管理工作。
供应商不良行为记录模板
供应商不良行为记录模板可能包括以下几部分:
供应商不良行为记录表
一、供应商信息:
1)供应商名称:
2)供应商编号:
3)联系人:
4)联系电话:
5)地址:
二、不良行为详情:
三、详细描述:
(此处对具体的不良行为进行详细的阐述,包括事实经过、影响范围、损失评估等内容)
四、证据附件:
附上与该不良行为相关的文件、图片、邮件截图等作为证据。
五、处理过程及结果:
(记录与供应商沟通的过程、供应商的反馈、改进计划以及最终的处理结果)
六、后续跟进情况:
1)是否已改正:_____
2)改正效果验证:_____
3)后续合作策略调整:_____
请注意,根据实际情况和企业内部管理规定,以上模板内容可做适当增删和调整。
在实际操作中,应确保所有记录准确无误,公正公平,并依法依规执行。
同时,对于供应商的不良行为,应及时给予警示并督促其改正,以维护供应链的稳定和高效运作。
内蒙古电力(集团)有限责任公司供应商不良行为管理办法(试行)第一章总则第一条为建立公开、有序的供应商良性竞争平台,规范供应商管理,促进供应商提高产品质量和诚信履约,加强供应商产品质量及履约表现与招标采购的动态联动,依据《中华《中华人民共和国公司法》等国家有关法、人民共和国招标投标法》律、法规及《内蒙古电力(集团)有限责任公司(以下简称“公司”)物资管理办法》等相关规章制度,制定本办法。
第二条本办法所称供应商管理对象是指参与公司招标活动的投标人,以及为公司提供物资、服务的法人单位和其他组织。
第三条本办法所称的供应商不良行为,是指供应商在参与公司招标采购活动以及在合同履约过程中,在投标响应、产品制造、发货运输、交货验收、安装调试、运行维护等环节发生的有关诚信、交货、质量等方面的问题。
第四条本办法对供应商的处理遵循“公开、公平、公正”的原则。
第五条本办法适用于公司及所属各供电单位的供应商管理工作。
第二章组织机构及职责第六条公司物资管理部是公司对供应商不良行为处理的归口管理部门,主要职责是:(一)负责制订对供应商进行管理的规章制度和办法;(二)负责收集公司有关部门及各供电单位反馈的供应商信息,并组织有关部门或单位进行分析,提出处理意见,经有关领导审批后,在招标采购中执行;(三)负责对供应商的有关处理情况进行通报;(四)负责组织对供应商的整改情况进行验收与评估;(五)负责对供应商不合格产品召回进行监督;(六)负责公司供应商信息化管理。
第七条公司安全监察部负责提供因供应商产品质量问题造成事故的信息和评价。
第八条公司生产技术部负责提供因供应商产品质量问题造成的非计划停运信息,依据资产性质由公司相关部门提供重大缺陷的评价。
第九条项目管理部门负责对供应商的售后服务产品安装调试情况进行评价。
第十条监造、检测单位负责对供应商产品的制造和抽样检测情况进行评价。
第十一条各供电单位物资管理处的职责是:(一)负责收集、汇总物资合同履约、产品质量、售后服务等相关信息,定期上报公司物资管理部;(二)负责收集、汇总项目主管部门/物资需求单位/生产单位对合同履约的有关情况反映,上报公司物资管理部;(三)其他与供应商管理有关的工作。
中国电信供应商不良行为管理规则第一章总则第一条为加强供应商管理,为中国电信汇聚优质供应资源,构建正向激励与负面惩戒相结合的供应商管理体系,遏制供应商违规失信等不良行为,淘汰劣质供应商,净化采购环境,鼓励供应商诚信经营,履行企业社会责任,根据国家相关法律法规并结合中国电信采购的具体情况,特制订本管理规则。
第二条本管理规则所称“供应商”,是指已经或有可能通过中国电信的采购活动为中国电信提供货物、服务或工程的法人或其他组织、自然人。
合作开发类、合作经营类、代收费类的合作方,不属于本管理规则所指的供应商范围。
第三条供应商不良行为管理主要包括不良行为信息目录及相关基础管理、处理规则管理、不良行为认定及信息提报、处理结果确定、台账记录及信息发布、处理结果应用等工作。
第四条依照本管理规则进行的供应商不良行为管理,主要面向在完成不良行为认定并确定处理结果以后,在采购工作中对供应商进行处理的工作。
针对在采购实施过程中发生、发现的供应商违法违规行为,按照法律法规、采购制度、采购文件进行及时处理,并按本管理规则进行不良行为认定及后续处理;针对在合同履行过程中发生、发现的供应商违约行为,按照本管理规则和合同约定处理。
依照本管理规则对供应商不良行为的处理不替代对合同项下供应商违约及其他法律责任的追究。
处理规则或处理结果与合同约定有冲突的,以合同约定为准。
如遇特殊情形,中国电信经分析研究、决策审批后,可对实际执行的处理措施做出相应调整。
第五条供应商不良行为管理遵循合法合规、“公开、公平、公正”以及严肃认真、维护采供双方合法权益、保障中国电信的生产供应、维护中国电信企业整体利益的原则。
第六条本管理规则适用于中国电信集团有限公司(以下简称电信集团公司)及其所属企业在中华人民共和国境内(不包括香港、澳门特别行政区及中国台湾地区)组织开展的供应商不良行为管理工作。
第二章机构与职责第七条中国电信机构或部门在供应商不良行为管理中的职责分工,由中国电信内部规定。
供应商黑名单管理制度一、制度目的为了加强供应商管理,维护公司良好的业务合作环境,保障公司的业务利益,制定本制度。
二、适用范围本制度适用于公司所有采购及供应商管理活动。
三、供应商黑名单管理1. 定义供应商黑名单是指有违约行为或不良记录的供应商名单。
供应商黑名单管理是指对有违约行为或不良记录的供应商进行管理和处罚的制度。
2. 黑名单原因公司在与供应商合作过程中,若供应商存在以下情况之一,公司将列入供应商黑名单:a) 严重违约,如恶意拖欠货款、拒绝退换货、提供虚假资料等;b) 质量问题,如多次交货不合格或超过交货期限;c) 服务不周,如多次不按时解决问题、态度恶劣、不遵守合同协议等;d) 不合理提高价格,损害公司利益;e) 违反法律法规,如非法行贿、偷税漏税等。
3. 黑名单管理程序a) 发现黑名单情况:公司各部门应及时上报供应商违约情况给供应链管理部门;b) 评估确认情况:供应链管理部门应对上报的情况进行评估确认,如确有违约行为,应将供应商列入黑名单;c) 通知供应商:供应链管理部门应向违约的供应商发出书面通知,告知其被列入公司供应商黑名单;d) 解除黑名单:供应商可以提供相关整改文件并接受公司评估,若经评估合格可解除黑名单;e) 黑名单时限:一旦列入黑名单,供应商将在一定期限内不得参与公司的采购业务,具体时限由供应链管理部门根据情况决定。
4. 处罚措施对于列入黑名单的供应商,公司可以采取以下处罚措施:a) 中止或终止与供应商的合作;b) 追究其违约责任,要求赔偿公司相应损失;c) 向相关商务部门或行业协会通报,加强对其信用记录的监管。
五、黑名单管理的监督公司采购及供应链管理部门应建立黑名单管理档案,每年对黑名单企业的整改情况进行跟踪监管,确保供应商整改到位。
六、其它1. 公司内部人员在管理黑名单过程中应严格遵守相关法律法规,并保持严格的保密,不得泄露黑名单信息;2. 对于供应商可能受到冤枉的情况,公司应允许供应商提出申诉并进行复核;3. 建立健全供应商管理体系,加强与供应商的沟通和合作,预防违约行为的发生;4. 鼓励供应商积极履行合同义务,通过激励机制提高供应商的责任心和服务水平。
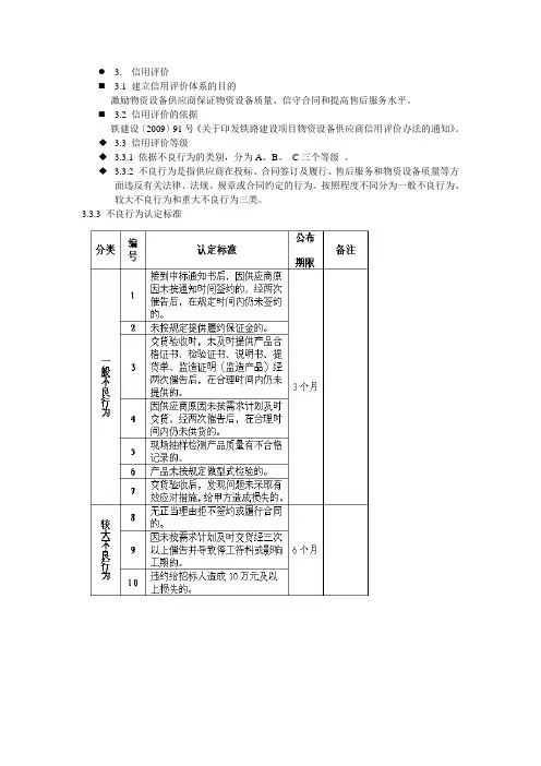
● 3. 信用评价⏹ 3.1 建立信用评价体系的目的激励物资设备供应商保证物资设备质量、信守合同和提高售后服务水平。
⏹ 3.2 信用评价的依据铁建设〔2009〕91号《关于印发铁路建设项目物资设备供应商信用评价办法的通知》。
◆ 3.3 信用评价等级◆ 3.3.1 依据不良行为的类别,分为A、B、C三个等级。
◆ 3.3.2 不良行为是指供应商在投标、合同签订及履行、售后服务和物资设备质量等方面违反有关法律、法规、规章或合同约定的行为。
按照程度不同分为一般不良行为、较大不良行为和重大不良行为三类。
3.3.3 不良行为认定标准⏹ 3.4 信用评价◆ 3.4.1不良行为的认定☐ 3.4.1.1 建设单位对不良行为进行认定,填写不良行为记录,并由两名以上检查人员签字。
参建各方、监督机构及有关部门发现不良行为应立即通知建设单位。
☐ 3.4.1.2 一般不良行为,项目管理机构将确认结果每季度末月25日前汇总,报路局,路局审核。
☐ 3.4.1.3 较大不良行,建设单位为铁路局的,项目管理机构应在确认后3日内,将物资设备供应商相关行为认定的书面材料报送铁路局,铁路局在3日内报送部物资办;建设单位为铁路公司的,公司应在确认后3日内报送部物资办。
☐ 3. 4.1. 4 重大不良行为,建设单位和发现单位立即报送部物资办。
☐ 3. 4.1. 5 路局或公司每季度前3个工作日内,将上季度不良行为汇总情况报部物资办。
☐ 3. 4.1. 6 物资办一般不良行为汇总后5日内,在铁道交易中心网站公布;较大和重大不良行为,经组织确认并经建设司和监察局审核后公布。
特殊情况,物资办可会同相关单位或部门直接调查认定。
☐ 3. 4.1. 7 信用评级➢(1)无不良行为记录的供应商信用等级为A级;➢(2)有一般不良行为记录且无较大和重大不良行为记录的供应商信用等级为B级,➢(3)连续三个评价期为B级的供应商,其第三次信用等级降为C级; 有较大不良行为记录且无重大不良行为记录的供应商信用等级为C级;➢(4)有重大不良行为记录的供应商不再进行评级。
SMT不良分析报告一、概述本报告旨在分析SMT(Surface Mount Technology,表面贴装技术)生产过程中的不良现象,并提供相应的解决方案。
SMT是一种将电子元件贴装到PCB板表面的技术,具有高效、高精度、高可靠性等优点。
然而,在实际生产过程中,由于各种原因会导致SMT不良现象的发生。
二、SMT不良现象分类1、元件贴装不良:元件贴装位置偏离、倾斜、立碑等现象。
2、焊接不良:焊接点缺陷、虚焊、冷焊等现象。
3、元件质量问题:元件本身存在缺陷,如破损、功能不良等。
4、PCB板质量问题:PCB板存在缺陷,如划伤、变形、污染等。
5、操作不当:操作人员技能不足、操作不规范等导致的不良。
三、SMT不良原因分析1、元件贴装不良原因:a)贴装设备精度不高;b)操作人员技能不足;c)定位基准不准确;d)元件本身质量问题。
2、焊接不良原因:a)温度和时间控制不当;b)焊点表面污染;c)元件和PCB板质量问题;d)焊接设备故障或参数设置不当。
3、元件质量问题原因:a)供应商质量控制不严格;b)运输和存储过程中损坏;c)生产过程中质量控制不严格。
4、PCB板质量问题原因:a)供应商质量控制不严格;b) PCB板制作过程中出现缺陷;c) PCB板运输和存储过程中损坏。
5、操作不当原因:a)操作人员技能培训不足;b)操作流程不完善;c)质量控制意识不强。
四、SMT不良解决方案1、提高设备精度:对贴装设备和焊接设备进行定期维护和校准,确保设备精度在规定范围内。
2、加强操作人员技能培训:定期组织技能培训,提高操作人员的技能水平。
3、完善操作流程:制定严格的SMT操作流程,确保操作人员严格按照规定进行操作。
4、加强来料质量控制:对供应商进行严格筛选,并对来料进行严格的质量控制。
同时,加强存储和运输过程中的保护措施,防止元件和PCB板损坏。
5、加强生产过程中的质量控制:建立完善的质量控制体系,对每个生产环节进行严格的质量监控。
供应商不良行为情形和处理措施一、采购人根据供应商不良行为的问题性质、影响范围及情节严重程度,对供应商不良行为采取如下处理措施:(1)一定期限内禁止参加市公司采购活动;(2)市公司文件规定的其他措施。
二、在采购活动中,供应商有下列一般不良行为情形之一的,有关单位(部门)应依法在1年内(含1年)禁止其参加本单位采购活动:(1)投标(响应)文件中的相关指标参数虚假或夸大响应,或采购文件中明确列出的指标参数被修改并响应,经评标委员会确认为真实;(2)投标人以可能影响合同履行的异常低价竞标,且无法证明报价的合理性,经评标委员会确认属实的;(3)签订合同时提出附加条件,或未按规定提交履约保证金;(4)违反协议分包非主体工程,或未经买方同意擅自拆箱或分包;(5)未按合同规定履行合同义务,导致交货延误、履约不全、偷工减料等;(6)未经买方同意,擅自更换合同约定或招标(响应)文件承诺的货物、原材料和部件;(7)在一个合同期内,产品或服务的质量问题经过两次以上整改仍未解决;(8)提供的产品或服务存在较严重的质量问题;(9)不配合企业管理,影响项目实施的;(10)在合同履行过程中,恶意向买方提价,或以不正当手段增加供货份额,或以不当理由拖延工程结算的;(11)项目不合格,拒不整改或整改后仍不符合要求的;(12)履约期满后,拒绝向买方提供完整的项目成果或拒绝移交新的中标(中标)单位;(13)行业认定的其他一般不良行为。
三、在采购活动中,供应商有下列严重不良行为情形之一的,有关单位(部门)应依法在1至3年内(含3年)禁止其参加本单位采购活动:(1)以他人名义投标、提供虚假材料或者以其他方式弄虚作假,经评标委员会认定情况属实的;(2)超越本单位资质等级承揽工程、未取得资质证书承揽工程或以欺骗手段取得资质证书承揽工程,经评标委员会认定情况属实的;(3)存在提供虚假材料谋取中标、成交的;(4)中标(成交)后无正当理由拒不签订合同、拖延签订合同,或者未按照采购文件确定事项签订合同,合同实质性条款与采购文件内容不一致,或者与采购人另行订立背离合同实质性内容的协议的;(5)将中标(成交)项目转让给他人的,或将中标(成交)项目肢解后分别转让给他人的;(6)擅自变更、中止或者终止合同的;(7)提供假冒伪劣产品的;(8)捏造事实、伪造材料或者以非法手段取得证明材料进行投诉,给**企业造成损失的;(9)提供的物资、服务出现严重安全隐患且拒绝整改,或者拒不承担合同约定的售后服务义务且拒绝协商解决的;(10)在项目实施过程中发现所提供的材料和服务缺失或存在明显的设计缺陷,对**企业造成不利影响;(11)采取不正当手段降低工程质量或者骗取工程资金的;(12)在工程施工过程中未按设计方案施工或擅自变更施工方案的;(13)未经授权泄露**企业商业秘密、机密信息等,给**企业造成不利影响的;(14)以不正当手段诽谤或排斥其他供应商;(15)与采购方、其他供应商或招标代理机构恶意串通;(16)贿赂或向招标代理机构提供其他不正当利益;(17)拒绝有关部门监督检查或者提供虚假信息的;(18)代理企业采购业务中存在收受贿赂、恶意串通、开标前泄露标底、伪造、涂改采购文件等违法行为;(19)其他违反法律法规或管理委员会认定的规章制度的不良行为。
规章制度编号:国网(物资/4)249-2015 国家电网公司供应商不良行为处理管理细则第一章总则第一条为进一步落实国家电网公司(以下简称公司)规范招标采购要求,提升《国家电网公司供应商关系管理办法》(国家电网法〔2013〕1082号之国网(物资/2)128-2013,以下简称办法)的操作性,细化公司供应商不良行为处理管理要求,特制定本细则。
第二条《办法》第二十七条规定的供应商不良行为,是指物资类供应商的不良行为,具体还包括供应商在生产经营活动中存在违法违规的行为。
第三条对供应商不良行为的处理主要依据《中华人民共和国招标投标法》、《中华人民共和国招标投标法实施条例》等国家有关法律法规及《国家电网公司安全事故调查规程》(国家电网安监〔2011〕2024号)等公司相关规章制度。
第四条供应商不良行为处理遵循“公开、公平、公正”的原则。
第五条本细则适用于公司总(分)部、省(自治区、直辖市)电力公司(以下简称“省公司”)及所属各级单位的供应商不良行为处理工作。
公司直属单位及控股单位的供应商不良行为处理参照执行。
第二章职责分工第六条国网物资部(国网招投标中心)作为公司供应商不良行为处理的归口管理部门,主要职责是:(一)负责制定有关供应商不良行为处理的管理制度;(二)负责收集公司总部招标采购有关供应商不良行为信息,组织召开供应商不良行为处理专题会议,研究提出对供应商的处理意见,并报公司相关领导审批;(三)负责督促有关供应商进行整改,并协调组织相关单位和部门对供应商整改情况进行跟踪和验收;(四)负责总部招标采购范围供应商不良行为处理结果的发布。
第七条总部相关管理部门负责本部门专业管理范围内涉及的供应商不良行为的收集和认定,定期报送国网物资部(国网招投标中心);参加国网物资部(国网招投标中心)组织召开的供应商不良行为处理专题会议,并参与对有关供应商的整改验收。
(一)国网安质部负责报送设备全寿命周期内因供应商责任造成的人身、电网和设备事故(事件)等信息;(二)国网运检部负责报送设备运行环节因供应商责任造成的设备故障、家族性缺陷和售后服务等问题信息;(三)国网营销部负责报送因供应商责任造成的电能表、用电信息采集系统等计量设备的质量和售后服务等问题信息;(四)国网农电部负责报送农网改造升级工程、无电地区电力建设工程中因供应商责任造成的电网设备材料质量和售后服务等问题信息;(五)国网基建部负责报送基建过程中因供应商责任造成的电网设备材料质量、交货和售后服务等问题信息;(六)国网交流部负责报送总部直管交流工程因供应商责任造成的电网设备材料质量和售后服务等问题信息;(七)国网直流部负责报送总部直管直流工程因供应商责任造成的电网设备材料质量和售后服务等问题信息;(八)国网信通部负责报送因供应商责任造成的通信、信息网络、计算机软硬件等设备的质量和售后服务等问题信息及信息化项目设计、开发、实施等服务质量问题信息;(九)国网法律部负责在供应商不良行为处理过程中提供相关法律咨询与保障;(十)国网后勤部负责报送总部办公用品等大宗通用物资因供应商责任造成的质量和售后服务问题信息;(十一)国网监察局负责报送在招标采购监督活动或办理投诉举报中查实的供应商失信行为等问题信息;(十二)国调中心负责报送因供应商责任造成的继电保护及安全自动装置、调度自动化等设备的质量和售后服务问题信息。
合格供应商登记表
供应商评价表
S7 项目供应商评估名单确认表
(技术部门填写)
填写要求:
1、“符合品质要求供应商”:由生产部门组织技术人员开会,根据供应商品质状况(含新开发供应商考查情况和在合作供应商)进行评估,并将推荐供应商名单和理由填写清楚;
2、“符合技术要求供应商”:由工程技术部门组织项目经理开会,根据供应商技术状况(含新开发供应商和在合作供应商)进行评估,并将推荐供应商名单和理由填写清楚;
3、“物料名称”和“方案公司指定供应商”须由经办采购员填写,填写内容须真实、全面反应。
3
项目供应商评估表
(采购部门填写)
方案公司名称:日期: 10-31
4
附表五:
项目合作供应商名单
(按BOM表填写)
项目:日期:物料类别:制表人:
供应商评估小组组长:
供应商评估小组成员:。