CFG桩基全套资料
- 格式:doc
- 大小:2.47 MB
- 文档页数:76
京沈客专辽宁段某标路基工程CFG桩技术培训资料1、目的明确CFG桩施工作业的工艺流程、操作要点和相应的工艺标准,指导、规范CFG桩作业施工。
2、编制依据客运专线铁路路基工程施工质量验收标准客运专线铁路路基工程施工技术指南北京至沈阳铁路客运专线兴隆西至沈阳段某标施工图纸与其设计交底3、指导施工范围京沈客专辽宁段某标内所有CFG施工,CFG桩数量为5550根,共46590.4m,具体分布详见下表。
适用的工程地质条件:⑴地层:黏土、粉质黏土、粉土、粉砂、细砂、中砂;⑵水文地质:地下水为第四系孔隙潜水,微具承压性;⑶地震度峰值加速度:0.10g。
区域内无不良地质和特殊地质。
4、设计与技术要求⑴路基段CFG桩,桩身强度等级为C20,桩径0.4m,桩间距1.6m,正方形布置,桩顶设置C35钢筋混凝土圆形桩帽,直径1.2m,厚0.35m,桩帽顶设置厚0.6m的碎石垫层,碎石垫层内铺设两层单向拉伸土工格栅(抗拉强度200KN/m)。
单桩承载力不小于220KN。
⑵涵洞、框构中桥CFG桩,桩身强度等级为C20,桩径0.4m,桩间距1.6m,正方形布置。
框构主体底板与桩顶之间设0.5m厚C40混凝土板,桩尖深入板内0.05m,板下设0.15m碎石垫层,挡墙基地设厚0.6m的碎石垫层,垫层下设桩帽,直径1.2m,0.35m厚C40钢筋混凝土。
⑶路基段CFG桩桩长9.0m,涵洞和框构中桥CFG桩须穿透软弱层至硬底,对于第四系土质地层嵌入砂类土层或硬塑粘性土深度不小于2.0m。
5、作业准备⑴技术准备①施工前熟悉施工图与工程地质、水文资料,完成相关图纸的会审工作。
②熟悉各相关的设计文件。
并组织施工人员学习和掌握所承担的CFG桩施工的目的、原理、施工工艺、技术要求、质量标准与检测方法等。
③按照要求完成三级技术交底,即项目总工程师对项目部各部室与技术人员、技术主管对作业队技术负责人、作业队技术负责人对班组长与全体作业人员的交底。
表E—3施工资料名称:瑞福园住宅小区1#楼CFG桩基工程案卷题名:竣工资料编制单位:技术主管:编制日期:自2013年4月4日起至2013年5月30日保管期限:密级:保存档号:共2册第1册表E—1施工资料卷内目录承包单位资质报审表工程名称:瑞福园住宅小区1#楼桩基工程编号:01致:建设项目管理有限公司监理部(监理单位)经考察,我方(承包单位)具有承担本工程的施工资质和施工能力,可以保证本工程项目按合同的规定进行施工。
请予以审查和批准。
附:1、承包单位资质材料(7份)2、管理、施工人员资质材料(5份)承包单位(章):-项目经理:日期:专业监理工程师审查意见:专业监理工程师:日期:总监理工程师审查意见:项目监理机构(章):总监理工程师:日期:表B5-2试验(检测)单位资质报审表工程名称:瑞福园住宅小区1#楼桩基工程编号:B5-2-1DBJ04-226-2003施工现场质量管理检查记录表A.0.1开工日期:2013年4月10日表B3-2工程材料/构配件/设备报验表工程名称:瑞福园住宅小区1#楼桩基工程编号:B3-2-1表B3-1施工组织设计(方案)报审表工程名称:瑞福园住宅小区1#楼桩基工程编号:B3-1-1瑞福园住宅小区1#楼CFG复合地基处理施工组织设计二O一三年四月1.编制依据1.1《建筑桩基技术规范》(JGJ94-2002)。
1.2《建筑地基处理技术规范》(JGJ79-2002)1.3《建筑基桩检测技术规范》(JGJ106-2003)1.4工程地质勘查报告1.5瑞福园住宅小区1#楼CFG桩平面布置图2.工程概况2.1工程概况本工程场地处于×××市城西南角,拟建建筑物为1栋地上24层,地下1层车库及1层地下室,采用框剪结构,筏片基础。
根据地质条件、本工程上部结构及场地周围施工条件地基采用CFG桩处理,施工采用长螺旋钻孔,管内泵压混合料成桩,桩径400mm,桩长14.50米,保护桩长0.5m,桩间距 1.20米,有效桩顶标高相对标高为-7.750(92.75)米,混凝土强度等级不小于C20,单桩竖向承载力特征值450KN,复合地基承载力特征值为460KPa。
CFG桩是英文Cement Fly-ash Gravel的缩写,意为水泥粉煤灰碎石桩,由碎石、石屑、砂、粉煤灰掺水泥加水拌和,用各种成桩机械制成的可变强度桩。
通过调整水泥掺量及配比,其强度等级在C5-C25之间变化,是介于刚性桩与柔性桩之间的一种桩型。
CFG桩和桩间土一起,通过褥垫层形成CFG桩复合地基共同工作,故可根据复合地基性状和计算进行工程设计。
CFG桩一般不用计算配筋,并且还可利用工业废料粉煤灰和石屑作掺和料,进一步降低了工程造价。
CFG桩的适用范围很广。
在砂土、粉土、粘土、淤泥质土、杂填土等地基均有大量成功的实例。
CFG桩对独立基础、条形基础、筏基都适用。
编辑本段CFG桩的施工应根据现场条件选用下列施工工艺:1、长螺旋钻孔灌注成桩,适用于地下水位以上的粘性土、粉土、素填土、中等密实以上的桩土.2、长螺旋钻孔、管内泵压混合料灌注成桩,适用于粘性土、粉土、砂土,以及对噪声或泥浆污染要求严格的场地.3、振动沉管灌注成桩,适用于粉土、粘性土及素填土地基.编辑本段材料要求和注意事项1、混凝土、混凝土外加剂和掺和料: 缓凝剂、粉煤灰,均应符合相应标准要求,其掺量应根据施工要求通过试验室确定.2、严格按照配合比配制混合料。
3、长螺旋钻孔、管内泵压混合料灌注成桩施工的坍落度宜为160~200mm,振动沉管灌注桩成桩施工的坍落度宜为30~50mm,振动沉管灌注成桩后桩顶浮浆厚度不宜超过200mm.4、长螺旋钻孔、管内泵压混合料成桩施工在钻至设计深度后,应准确掌握提拔钻杆时间,混合料泵送量应与拔管速度相配合,遇到饱和砂土或饱和粉土层,不得停泵待料;沉管灌注成桩施工拔管速度应按匀速控制,拔管速度应控制在1.2~1.5m/min左右,如遇淤泥或淤泥质土,拔管速度应适当放慢。
其他注意事项:1、冬期施工时混合料人孔温度不得低于5℃,对桩头和桩间土应采取保温措施。
2、施工垂直度偏差不应大于1%;对满堂布桩基础,桩位偏差不应大于0.4倍桩径;对条形基础,桩位偏差不应大于0.25倍桩径,对单排布桩桩位偏差不应大于60mm。
cfg桩基需要哪些资料cfg桩基需要哪些资料?以下带来关于cfg桩基需要哪些资料复合地基的效应优点,相关内容供以参考。
置换作用也称桩体效应,复合地基中桩体的强度和模量比桩间土大,在荷载作用下,桩顶应力比桩间土表面应力大。
桩可将承受的荷载向较深的土层中传递并相应减少了桩间土承担的荷载。
工程实践表明,复合地基置换作用的大小,主要取决于状体材料的组成。
散体桩置换作用最小,高粘结强度桩置换作用最大。
散体桩增加桩的长度,对复合地基置换作用影响不大;一般粘结强度桩,特别是高粘结强度桩,加大桩长可使复合地基置换作用明显提高。
挤密、振密作用对松散填土、松散粉细沙、粉土等采用非排土和振动成桩工艺,可使桩间土孔隙比减小、密实度增加,提高桩间土的强度。
如振动沉管挤密碎石桩、振冲碎石桩、振动沉管CFG桩。
需要指出的是,对饱和的软粘土、硬的粘性土、粉土、密实砂土,振动成桩不仅不能是桩间土挤密,反而使土体结构强度丧失,孔隙比增大、密实度减小、承载力降低。
排水作用与减载作用复合地基中的桩体,很多有良好的透水性,如碎石桩、砂桩、CFG 桩等。
桩体的排水作用,有利于孔隙水压力消散、桩间土强度和复合地基承载力提高。
对排土成桩工艺,用轻质材料取代原土成桩,在加固土层范围内,复合土层的有效重度将比原土有明显的降低。
桩对土的约束作用在群桩复合地基中,桩对桩间土具有阻止土体侧向变形的作用。
相同荷载水平条件下,无侧向约束的土的侧向形变大,从而使垂直变形加大;由于桩对土体侧向变形的限制,减少了侧向变形,也就减小了垂直变形,是复合地基抵抗垂直变形的能力有所加强。
以上是下面为建筑人士收集整理的关于“cfg桩基需要哪些资料”等建筑相关的知识可以登入建设通进行查询。
cfg桩基检测资料
cfg桩基检测资料?以下带来关于cfg桩基检测资料的材料要求,相关内容供以参考。
cfg桩桩体材料必须满足设计及规范要求,砼配合比设计见后附cfg桩配合比设计书,低应变检测强度不小于设计强度的70%且不小于15Mpa。
水泥采用普通硅酸盐水泥,混合料由拌合站统一供应,施工现场检测坍落度按160~200mm控制、满足《客运专线铁路路基工程施工技术指南》、《客运专线铁路路基工程施工质量验收暂行标准》及相应设计文件要求。
cfg桩基检测资料具体材料要求如下:
水泥:采用42.5级普通硅酸盐水泥或矿渣硅酸盐水泥。
卵石:粒径8-25mm。
砂:含泥量小于5%。
粉煤灰:等级要求III级或III级以上。
泵送剂:泵送剂用于改善拌和料泵送性能,应控制掺入量,拌和料泵送性能满足施工要求时可以不掺泵送剂。
以上是下面为建筑人士收集整理的关于“cfg桩基检测资料”等建筑相关的知识可以登入建设通进行查询。
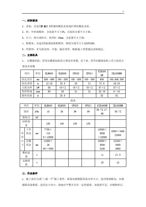
一、材料要求1、水泥:宜选用P.O32.5普通硅酸盐水泥或矿渣硅酸盐水泥。
2、砂:中砂或粗砂,含泥量不大于5%,且泥块含量不大于2%。
3、石子:卵石或碎石,粒径5~20mm,含泥量不大于2%。
4、粉煤灰:宜选用I级或II级粉煤灰,细度分别不大于12%和20%。
5、外掺剂:多为泵送剂、早强、减水剂等。
根据施工需要通过试验确定。
二、主要机具1、长螺旋钻机:常用长螺旋钻机的主要技术参数,见下表。
常用长螺旋钻机工作主机的主要技术参数续表三、作业条件1、施工前应完成“三通一平”施工条件,现场电源根据设备功率大小,选用现场配电;水源根据设备数量,选用宜大勿小;场地应平整并具有一定的强度,如强度不足,应铺垫砂石,或垫钢板以利机械行走。
地上、地下如电线、管线、旧建筑物、设备基础等障碍物均己排除处理完毕,无碍施工。
各项临时设施如照明、动力、安全设备准备就绪。
2、熟悉施工图纸及场地的土质、水文地质资料,做到心中有数。
3、按CFG桩位平面图,测设桩位轴线、定位点,用φ25钢筋在桩位处扎入深度不小于300mm 的孔,填入白灰并插上钢筋棍,标识桩位,要求所有桩位一次全部放完,并由技术负责人组织质检员、施工员、班组长共同对桩位进行检查,确认准确无误后,与甲方或监理办理预检签字手续。
基坑内施工时,边坡应外扩不小于1.0m,以利边角桩施工。
4、施工前应将水泥、砂、石子、粉煤灰、外掺剂送实验室复试,同时进行配合比试验,保证各种材料合格并提出合适的配合比。
5、施工前应对施工人员进行全面的安全技术交底,施工前对设备进行安全可靠性检查,确保施工安全。
6、施工现场应做好材料、机具摆放规划,使素混凝土输送距离最短,且输送管铺设时拐弯最少。
四、操作工艺(一)工艺流程:(二)钻孔施工:1、钻机进场后,应根据桩长来安装钻塔及钻杆,钻杆的连接应牢固,每施工2~3根桩后,应对钻杆连接处进行紧固。
2、桩机就位前进行孔位复核。
钻机定位后,钻尖封口,最好用橡皮筋箍住。
水泥粉煤灰碎石(CFG)桩复合地基质量检查原则
注意事项:1、桩顶标高一般应高于设计标高,不不不小于0.5m。
2、桩体施工完毕后应待桩体达到一定强度后(一般为3~7d)方可开挖土方;
3、截桩时,找出桩顶标高,在同一水平面按同一角度对称放置2个至4个钢钎,
用大锤同步击打,将桩头截断。
4、如浮现断桩旳状况可采用接桩旳措施。
(8-30)
5、复合地基旳分项工程按桩旳类型、工艺和施工部位划分检查批,本工程每200
根桩为一种检查批,注明桩旳编号,例:1#~200#
水泥粉煤灰碎石桩地基工程检查批质量验收登记表
GB50202-
010312□□。
CFG桩基工程技术交底一、项目概述CFG桩基工程是一项重要的地基处理工程,用于加固土地基,提高地基的承载力和稳定性。
本文将详细介绍CFG桩基工程的技术交底内容。
二、技术交底内容1. 工程概述CFG桩基工程是指采用连续搅拌桩技术进行地基处理的工程。
该工程主要包括桩基施工前的准备工作、桩基施工过程以及施工后的验收和监测工作。
2. 施工前准备(1) 桩基设计文件在施工前,施工队需要详细了解桩基设计文件,包括桩基的数量、尺寸、间距和深度等要求。
(2) 现场勘察施工队需要进行现场勘察,了解地质情况、地下水位、地基承载力等信息,以便制定合理的施工方案。
(3) 施工设备和材料准备施工队需要准备好所需的施工设备和材料,包括搅拌机、钻机、钢筋等。
3. 施工过程(1) 地面准备工作施工队需要清理施工现场,确保施工区域的平整和干燥。
(2) 桩基施工a. 钻孔施工队根据设计要求,在地面上钻孔,钻孔的直径和深度根据设计要求确定。
b. 搅拌灌注施工队将混凝土和水泥等材料按照一定比例混合,并通过搅拌机进行搅拌,然后将搅拌好的混凝土通过钻孔注入到地下。
c. 钢筋加固施工队在搅拌桩内部加入钢筋,以增加桩基的强度和稳定性。
d. 桩顶处理施工队在桩顶进行整平和修整,以便后续的建设工作。
(3) 施工记录和监测施工队需要记录施工过程中的关键参数,如钻孔深度、搅拌时间、混凝土配比等,并进行监测,以确保施工质量。
4. 施工后验收和监测(1) 施工质量验收施工队需要根据相关标准和规范,对桩基施工质量进行验收。
验收内容包括桩基的尺寸、强度、稳定性等。
(2) 监测工作施工队需要对桩基进行定期监测,包括桩基的沉降、倾斜、承载力等指标,以及地下水位的变化等。
5. 安全注意事项(1) 施工过程中,施工队需要严格按照相关安全规范进行操作,确保施工人员的安全。
(2) 施工现场需要设置警示标志,提醒周围人员注意施工区域。
(3) 施工队需要定期检查施工设备的安全性能,保证施工过程的安全。
业豪·兰考西班牙小镇16号楼CFG桩基工程竣工资料建设单位:河南业豪置业有限公司监理单位:河南海纳工程监理有限公司施工单位:河南宏鑫源智能工程有限公司2012年月日目录一、施工组织设计1、施工组织设计(方案)报审表2、施工组织设计二、公司相关资质证书复印件及报审表三、上岗人员证书复印件及报审表四、工程所用设备及仪器合格证复印件及报验单五、开工报告1、开工/复工报审表2、开工报告六、测量复核签证1、施工测量放线报验单A、工程定位测量记录B、测量复核记录七、技术、安全交底八、混凝土原材料复试报告及原材料合格证1、出厂合格证2、砼配合比检验报告3、水泥检验报告及合格证4、砂、石检验报告5、掺合料检验报告及合格证6、外加剂检验报告及合格证九、混凝土浇筑令十、检验批报验1、隐蔽工程验收记录2、CFG桩复合地基工程检验批质量验收记录3、CFG桩施工记录十一、施工见证取样及检验报告1、见证取样报告记录2、检验报告十二、混凝土试块强度汇总、评价表十三、施工日记十四、分项工程质量验收记录十五、分部(子分部)工程验收记录十六、竣工报告1、竣工报验单2、竣工报告十七、竣工图建筑工程竣工验收技术资料(施工组织设计)工程名称:业豪·兰考西班牙小镇建设单位:河南业豪置业有限公司监理单位:河南海纳工程监理有限公司施工单位:河南宏鑫源智能工程有限公司业豪·兰考西班牙小镇CFG桩基工程施工组织设计编制:审批:日期:2012年月日河南宏鑫源智能工程有限公司上岗资料证明职务姓名职称证书名称级别证号项目经理豫建安A(2009)技术负责人郭秀芬工程师0103537施工员刘二军工程师施工员41121011B00001质检员张晃潇助工质检员41010103B02636材料员张晃龙助工材料员41010105B00985安全员张武杰助工安全员41010104B01331资料员郭秀芬工程师资料员41010106B03615机械员张泉清机械员41010118B00103上岗资料证明职务姓名职称证书名称级别证号(公司资质、人员证书)工程名称:业豪·兰考西班牙小镇建设单位:河南业豪置业有限公司监理单位:河南海纳工程监理有限公司施工单位:河南宏鑫源智能工程有限公司(机械设备、仪器报审)工程名称:业豪·兰考西班牙小镇建设单位:河南业豪置业有限公司监理单位:河南海纳工程监理有限公司施工单位:河南宏鑫源智能工程有限公司进场机械设备清单序号机械或设备名称型号规格制造年份现状数量额定功率KW自有租赁1长螺旋钻机CFG252003良好1110KW自有2砼输送泵HBT-40A2001良好141KW自有3铲车Zl30B2003良好1租赁4电焊机BX1-4002010良好1自有5吊车25T2001良好1租赁6全站仪RTS6322007良好1自有7水准仪DSZ-A32X2003良好1自有进场机械设备清单序号机械或设备名称型号规格制造年份现状数量额定功率KW自有租赁1 2 3 4 5 6 7建筑工程竣工验收技术资料(开工报告)工程名称:业豪·兰考西班牙小镇建设单位:河南业豪置业有限公司监理单位:河南海纳工程监理有限公司施工单位:河南宏鑫源智能工程有限公司工程名称业豪·兰考西班牙小镇16号楼CFG桩基工程工程地点兰考县振兴路与健康路南建设单位河南业豪置业有限公司设计单位河南省城乡建筑设计研究院有限公司施工单位河南宏鑫源智能工程有限公司桩型CFG素混凝土桩有效桩长17.00m桩径400mm桩数169(根)计划开工日期: 2012年月日计划完工日期: 2012年月日开工简要说明结构定位控制点已确定,施工图纸经过图纸会审;施工组织设计已批准并进行了交底;“四通一平”已完成,施工机器及施工人员已到场。
cfg桩基资料
cfg桩基资料?以下带来关于cfg桩基资料的材料要求,相关内容供以参考。
1、混凝土、混凝土外加剂和掺和料: 缓凝剂、粉煤灰,均应符合相应标准要求,其掺量应根据施工要求通过试验室确定.
2、严格按照配合比配制混合料。
3、长螺旋钻孔、管内泵压混合料灌注成桩施工的坍落度宜为160~200mm,振动沉管灌注桩成桩施工的坍落度宜为30~50mm,振动沉管灌注成桩后桩顶浮浆厚度不宜超过200mm.
4、长螺旋钻孔、管内泵压混合料成桩施工在钻至设计深度后,应准确掌握提拔钻杆时间,混合料泵送量应与拔管速度相配合,遇到饱和砂土或饱和粉土层,不得停泵待料;沉管灌注成桩施工拔管速度应按匀速控制,拔管速度应控制在1.2~1.5m/min左右,如遇淤泥或淤
泥质土,拔管速度应适当放慢。
以上是下面为建筑人士收集整理的关于“cfg桩基资料”等建筑相关的知识可以登入建设通进行查询。
北井新城 #楼CFG桩竣工资料复合地基处理施工单位:河南超远建筑工程有限公司建设单位:内黄新新置业有限公司监理单位:河南永磊建设工程管理有限公司设计单位:上海都市建筑设计有限公司竣工日期:2018年 4月14日单位工程竣工资料汇总(复合地基处理)施工单位:河南超远建筑工程有限公司建设单位:内黄新新置业有限公司监理单位:河南永磊建设工程管理有限公司设计单位:上海都市建筑设计有限公司工程名称:内黄七里井棚户区二期北井新城23#楼桩基目录1、竣工验收报验单(附:验收报告)2、施工合同3、施工单位资质报审表(附:施工单位资质材料、施工单位现场主要负责人证件)4、工程开工报审表、开工报告5、施工组织设计报审表(附:施工组织设计)6、技术交底7、工程材料报审表(附:主要设备合格证)8、工程材料报审表(附:商品砼原材料试验及配合比试验报告单)9、见证取样单10、混凝土试块抗压强度汇总及评定表(附:混凝土试块试压报告)11、施工测量放线报验单(附:工程定位测量记录、测量复核签证、桩位图)12、隐蔽工程验收记录13、分部(子分部)工程验收记录14、分项工程验收记录15、CFG桩地基处理工程检验批质量验收记录表16、混凝土原材料及配合比设计工程检验批质量验收记录表17、混凝土施工工程检验批质量验收记录表18、CFG桩长螺旋施工记录19、施工日记工程竣工报验单编号:施工单位企业资格报审表工程名称:内黄县七里井棚户区二期北井新城23#桩基编号:工程开工报审表工程名称:内黄县七里井棚户区二期北井新城23#楼桩基编号:开工报告施工组织设计(方案)报审表工程名称:内黄县七里井棚户区二期北井新城23#楼桩基编号:内黄县七里井棚户区二期北井新城23#楼施工组织设计编制人:审核人:审批人:河南超远建筑工程有限公司2018年4月9日目录一、工程概况、施工准备、施工方案、保证质量措施、针对本工程施工特点和难点分析及控制措施二、主要施工机械及进场计划表三、施工组织机构和主要施工管理人员表四、工程材料进场计划及材料质量保证措施五、保证安全生产、文明施工、减少扰民、降低环境污染和噪声的措施六、施工现场平面图七、施工进度计划表CFG桩工程施工组织设计第一章工程概况、施工准备、施工方案、保证质量措施一、工程概况内黄县七里井棚户区二期北井新城23#楼桩基工程位于内黄县繁阳一路与纬二路交叉路北。
本工程为CFG桩,桩径为400mm,砼强度为C25。
二、施工准备1、现场准备①、根据施工总平面布置图的要求和施工需求量计划,搭设临建,安装施工机械,设置料具堆放场地等,为正式开工做准备。
②、根据业主提供在供水水源、供电电源,按施工现场用水、用电布置设临时用水、用电管线。
经计算,桩基工程现场提供430KW 的电量可满足施工需要。
③、根据施工现场实际情况布置临时性道路,便于车辆通行、砼运输等车辆的通行。
④、组织施工机具进场,根据施工机具需要量计划,按施工平面图要求,组织施工机械、设备工具进场,按规定地点和方式存放,并应进行相应的保养和式运转。
机械设备安装调试正常后请监理工程师检查,填写设备进场报验单。
2、技术准备①、组织技术人员熟悉图纸及有关资料,参加技术交底和图纸会审,进行第一次技术复核,发现问题作好记录,并及时向设计院提出修改建议。
②、为了将各项技术要求真正落实到实处,我们根据以往的惯例认真做好对作业层的技术交底工作,使作业层真正知道其所干工序的操作要求的质量标准,并召开技术交底会。
③、认真研究工程各轴线及桩位的相对关系,向业主主动索取基准点的资料,制定放线方案和措施,报监理工程师审查。
3施工执行规范《建筑地基基础工程施工质量验收规范》GB50202-2012《建筑地基处理技术规范》JGJ79-2012《建筑工程施工质量验收统一手册》GB50300-2013《建设工程文件归档整理规范》GB/T50328-2014《建设工程施工现场供用电安全规范》GB50194-2014建筑机械使用安全检查标准JGJ59-2011其它现行的工程技术、施工验收标准及规范三、施工方案1、施工工艺流程图施工工艺流程图2、桩定位放样本工程由富有经验的技术人员测量小组,负责现场的施工测量、放线工作,所用测量仪器均经过检定。
依据基础平面图、规划红线控制点。
由施工测量小组按监理工程师批准的测量放线方案,用DJ2型经纬仪结合图中尺寸进行放线定位,认真填写测量放线记录,并对重要部位进行复核。
轴线控制点埋设标志,且控制建筑物总体尺寸的四条轴线交汇点用混凝土固定木桩30cm深。
用水准仪将高程引至轴线控制点。
对桩位采用筷子定位作为标志,深度不小于300mm。
绘制测量复核签证单,经监理工程师认可后方可进行下道工序施工。
主轴线控制网允许偏差小于20mm。
3、钻机就位钻头对准桩位,成桩偏差控制在规范要求范围内,并保证钻架垂直度偏差在1%以内。
4、钻进根据施工图纸和地质资料,制定可行的进尺、速度,不断地观察各种变化,掌握好钻进深度,控制电机的电流,注意钻杆的倾斜度,若发生斜孔时应采取相应的措施进行处理,钻机下钻的速度及钻进过程中的地质情况应做好记录,发现异常立即上报。
5、终孔在钻至设计桩底标高后,经监理和质检员双方复核无误后,可进行下步工序施工。
6、润滑砼管钻孔前用水润滑砼送管及钻杆内壁。
7、灌注成桩采用管内泵压工艺,钻杆提升与灌注同时进行。
钻杆档位与砼输送速度同步,并使钻头保持在砼内尺寸1.0米以上(即钻杆内始终保持砼高度大于1.5米),防止提空,保证砼浇注质量,充盈系数控制在1.1以上。
8、砼试块制作根据工程桩施工特点,每天每班随机取样一次,每次做试块1组(每组3块;且试块应注明砼强度等级、成型日期及代表桩号;试块做好后现场养护28天时送到指定的材料试验室做强度试验。
9、确保工期的措施本桩基工程有效施工工期分别为10 日历天,任务较紧,但我公司具有较强的施工能力和组织管理能力,根据对同类型工程施工的经验,在保证质量的前提下,可以充分发挥我公司的实力,采用各种切实可行的先进施工技术,大幅度降低工人劳动强度,提高劳动生产率,保证工程进度。
我们将根据以往成功的施工管理经验,全力以赴,调动一切可以调动的力量,确保本工程按时优质地完成。
①、组织保证派有丰富施工经验、良好组织才能,责任心强的吕萌同志、担任项目经理,集中专业技术骨干,组织精干过硬的施工队伍施工。
②、制度保证实行项目经理责任制,充分发挥项目经理的工作才能,充分地向项目经理授权,全权处理施工中出现的问题。
健全施工协调制度,保证“条条渠道畅通”。
一些行之有效的协调制度措施,在本工程施工中继续加强和完善执行。
③、技术保证运用网络技术,对整个工程进行系统化、规范化施工技术管理,严格按照基建程序组织各项工程施工,认真运用我公司在历年的施工经历中摸索和制订的一套行之有效的管理制度。
④、设备、劳力保证采取动态管理措施,切实保证本工程所需各种设备和材料供应。
⑤、落实措施根据施工总体计划的总工期,分阶段进行控制,实施中明确每个阶段的目标、任务,突出重点全方位的抓落实。
项目经理除掌握总体计划外,每天下达当日施工计划并监督实施,现场负责人确保任务落实。
四、确保工程质量的技术、组织措施1、项目质量目标①、竣工工程一次交验合格率100%;②、确保工程达到现行国家质量验收规范标准;2、工程质量控制计划工程具体实施中,我公司将运用先进的施工技术、科学的管理方法、严谨的工作作风,精心组织施工,以优质产品满足业主的愿望和要求。
本工程的施工、验收评定将严格执行国家和主管部门颁发的所有现行技术规范和合同所规定的技术规范执行,争取工程一次验收合格率100%。
3、质量管理制度3.1、建立以项目经理为首的质量岗位责任责任制,项目经理是工程质量的第一责任人,项目工程师是技术负责人,项目各部门负责人履行各自的质量职能。
3.2、在质量责任制的基础上,签订质量保证书,明确岗位的质量职能、责任及权限。
3.3、定期开展质量统计分析活动,掌握工程质量动态,全面控制各分部分项工程质量。
3.4、树立全员质量意识,贯彻“谁管生产,谁管质量;谁施工,谁负责质量;谁操作,谁保证质量”的原则。
3.5、实行质量:“一票否决权”。
3.6、采用风险工资制等经济手段来辅助工程质量岗位责任制的实施。
3.7、建立健全各项技术管理制度:(1)技术交底制度;(2)取样见证制度;(3)技术复核制度;(4)质量检查验收制度;(5)技术资料归档制度;3.8、加强质量的过程控制、动态管理,全面实施过程精品战略,设置工序质量控制点,施工中要加强对各控制点监控。
3.9、严格执行“三检”制度,即自检、互检、专检。
班组在分项工程施工完毕后,必须进行自检和互检,没有自检、互检或自检不合格者,质量检查员不予核定质量等级,下道工序不准施工。
4、确保工程质量的技术保证措施4.1、图纸审核施工前项目总工组织专业技术人员认真审核设计文件和施工图纸,切实领会设计意图,对施工区域内的地质、气象、水文认真进行调查,对水、路、电等的使用进行周密部署,详尽地编制实施性施工组织设计,未经项目总工审核并签字的工程施工图纸不得使用。
4.2、工艺措施根据现场施工情况按规范要求施工,特区情况地段为了消除相邻砼桩施工间的相互影响,致使桩身砼下沉较大,拟采用拉开桩间距跳打的施工工艺。
4.3、技术交底技术人员对施工参数进行技术交底,各施工队无技术交底的工程项目不得施工。
保证技术交底的贯彻落实,技术人员应对作业人员进行施工前技术培训,从原材料使用、加工、各工序的质量标准、注意事项都要进行详尽讲解,使每个参加施工的人员对设计要求、《规范》标准、操作要领做到心中有数,避免作业中的盲目性与随意性。
4.4、测量放样拿到设计图纸后,及时对轴线、方向控制桩、水准点进行复测,做好记录,保留原始数据固桩工作,其复测精度要达到技术规范规定的要求,按规定分类存档。
施工放样所用控制点应定期检测,确保轴线、水平标高的准确性及各部位几何尺寸在允许误差之内。
4.5、材料试验现行见证取样制度对进场的材料进行送样试验配比工作。
做到:材料有试验,试验有报告,配料有试件,施工有控制,材料有分析,未经试验合格的材料不允许进场和使用。
本工程采用商品砼,按规范规定提供相关试验资料。
4.6、隐蔽工程的检查签证隐蔽工程施工时,在自检合格的基础上,必须经监理工程师检查签证后,方可进行下根桩的施工。
并在施工中及时收集各种资料,分析整理为下一步施工提供可靠的技术数据。
5、确保工程质量的组织措施我公司将组织具有丰富施工管理经验和同类桩基工程施工经验的管理人员及技术骨干,组成精干高效的施工项目经理部,为业主提供最优质的服务。
为了强化监督职能,在项目经理部的基础上成立工程指挥部,其职能是监督合同的执行情况,协调各工序之间的工作,并根据桩基工程施工需要及时从全公司范围内充实,调剂施工力量、机械设备和资金,为桩基工程顺利进行创造条件。