二建城市给水排水管道施工复习重点
- 格式:doc
- 大小:92.50 KB
- 文档页数:5
给水排水管道工程重点要点1. 基础设计在给水排水工程的基础设计中,需要考虑以下几个重点要点:1.1 管径管径的确定需要考虑到供水和排水的需求量,管道长度,水压以及泵站或调压设备的选型。
在管道设计中,需要保证足够的流量和水压,以确保正常供水和排水。
1.2 布置管道布置应该避免交叉和死角,尽量按照地势高低合理安排。
同时,应该将管道的检修口、阀门、取水口等设置在易于维修和管理的地方。
1.3 材料给水排水管道的材料应该有足够的承载能力,不易产生变形和泄漏,并且要耐腐蚀和长期使用。
常用的材料有铸铁管、钢管、塑料管等。
1.4 寿命在设计给水排水管道时,需要考虑到其使用寿命,避免出现过早老化和维修需求。
通常情况下,管道的寿命应该在20年以上。
2. 施工在给水排水工程的施工过程中,需要注意以下几个重点要点:2.1 现场勘察在施工前需要对现场进行全面勘察,如地形、地貌、建筑物、土壤等情况的了解,以便针对不同的情况选择不同的施工技术和工艺。
2.2 管道铺设管道应该严格按照设计要求进行铺设,保持管道的平整度和直线度,同时应该注意管道之间的距离和排列方式,以尽量避免出现管道交叉和死角。
2.3 管道连接在管道连接时,需要使用符合要求的连接材料和方法。
管道的连接应该牢固、不易泄漏、封闭性好,以保证够品质的施工和使用寿命。
2.4 检测和验收在施工完工后,需要对管道进行全面检测和验收,确保施工质量符合规范要求,达到设计要求。
3. 维护和管理在给水排水管道工程的维护和管理过程中,需要注意以下几个重点要点:3.1 定期检测给水排水管道的定期检测是关键的管理措施之一。
每年至少进行一次的检测,以便及时发现和修复管道的问题,避免出现重大事故。
3.2 日常维护为了保证管道的正常使用,需要对管道进行日常维护。
如保持管道清洁、修补漏损、更换损坏的部件等。
3.3 应急处置在出现紧急情况时,需要采取及时有效的应急处置措施,以减少管道事故对社会造成的危害。
2K320110 城市给水结构工程施工质量控制2K320111 掌握给水结构工程的施工方案与质量计划编制城市给水结构通常包括取水构筑物、净水构筑物、泵房、水塔等。
2K320112 了解滤池滤板施工质量控制为保持滤池的过滤效果,必须严格控制滤池滤板、滤料的施工质量:5.必须封闭滤板间以及滤板与池壁间缝隙。
7.滤头安装后须做通气试验。
9.待滤料铺装后,须做反冲洗试验,检查反冲效果。
天然的和人工破碎筛分的石英砂仍然是使用最广泛的滤料。
2K320120 城市排水结构工程施工质量控制2K320121 掌握城市排水结构工程施工方案与质量计划编制对排水构筑物在稳定性、强度、抗渗防冻和预留孔、预埋件设置等方面均有较高要求。
三、城市排水结构工程施工方案与质量计划编制从编制依据出发,遵循施工流程,编写分部分项工程的施工方案与质量计划。
编写时应注意以下要求:1.为保证工程质量,根据建筑施工的客观规律,施工顺序的安排应遵循以下原则:先地下,后地上;先主体,后围护;先结构,后装修;先土建,后设备;先干线,后支线。
2.施工流水段的划分原则:以后浇带、沉降缝、施工缝为界划分流水段。
3.(1)施工排水方案应包括以下主要内容:1)排水量的计算;2)施工排水方法的选定;3)排水系统的平面布置和竖向布置以及抽水机械的选型和数量;4)排水井的构造,井点系统的构造,排放管的管径及坡度或排放管渠的构造、断面和坡度;5)电渗降水所采用的设施及电极;6)掌握地质资料,分析排水影响范围并预测原有建筑物、构筑物可能的沉降量,设观测点及保护措施。
(2)基坑开挖、回填施工方案应包括以下主要内容:(重点内容)1)基坑施工平面布置图及开挖断面。
2)挖土、运土、采用的机械数量与型号。
3)基坑开挖的施工方法。
4)采用支撑时,支撑的形式、结构、支拆方法及安全措施。
5)基坑上堆土位置及数量,多余土方的处置,运输路线以及土方挖运,填方的平衡。
6)土方回填时间、程序、质量要求避免构筑物不均匀沉降、开裂的措施。
二建市政城市排水工程上一、重点、难点1.掌握沉井施工技术要求2.掌握现浇砼水池施工技术ﻫ二、内容讲解2K314010给水排水厂站施工ﻫ2K314011 掌握沉井施工技术要求ﻫ沉井优点:占地面积小,不需要板桩围护。
挖土量小,对邻近建筑的影响比较小,操作简便,无须特殊的专用设备。
ﻫ一、沉井类型(一)按横截面形状分类ﻫ 1.圆形沉井。
带底梁和无底梁两种形式。
ﻫ 2.矩形沉井ﻫ(1)单孔ﻫ(2)单排孔。
适合于平面尺寸大的重型建筑物基础。
(3)多排孔:适合于平面尺寸大而重的地下建筑物。
(二)按竖向剖面形状分类ﻫ 1.柱形沉井按截面形状,上、下井壁厚度是相同的,因此,适合于建筑物中建造深度不大的沉井。
但下沉过程中土壤与井间摩阻力较大。
ﻫ2.阶梯形沉井:ﻫ外壁阶梯形沉井分为单阶梯和多阶梯两类。
ﻫ外壁单阶梯沉并的优点是可以减少井壁与土体之间的摩阻力,并可向台阶以上形成的空间内输送触变泥浆;其特点是:如果不压送触变泥浆,则在沉井下沉时,对四周土体的搅动要比柱形沉井大。
ﻫ二、沉井构造ﻫ沉井一般由井壁(侧壁)、刃脚、凹槽、底梁等组成。
(一)井壁主要靠井壁的自重来克服正面阻力和侧面阻力而下沉的。
井壁厚度一般为0.4~1.2m左右。
井壁的竖向断面形状有上下等厚的直墙形井壁、阶梯井壁。
(二)刃脚井壁最下端一般都做成刀刃状的“刃脚”,其主要功能是减少下沉阻力。
ﻫ(三)底梁ﻫ在比较大型的沉井中,如果由于使用要求不能设置隔墙,可在沉井底部增设底梁,以便于构成框架作用:增加沉井在施工下沉阶段和使用阶段的整体刚度。
(四)凹槽主要作用是在沉井封底时,使封底底板与井壁更好连接,防止渗水。
三、沉井制作(一)平整场地要先将场地平整夯实,以免在灌筑沉井过程中和拆除支垫时,发生不均匀沉陷。
若场地土质松软,应加铺一层300~500mm厚的砂层,必要时,应挖去原有松软土层,然后铺以砂层。
(二)铺设垫木ﻫ 2.垫木数量及安排ﻫ刃脚下应满铺垫木。
一般常使用长短两种垫木相间布置,在刃脚的直线段应垂直铺设,圆弧部分应径向铺设。
第四章城市给水排水工程一、给水与污水处理工艺流程(一)给水处理1.常用的给水处理方法自然沉淀、混凝沉淀、过滤、消毒、软化、除铁除锰。
沉淀:(1)自然沉淀:去除水中粗大颗粒杂质;(2)混凝沉淀:用混凝药剂沉淀或澄清,去除水中胶体、悬浮杂质等2.给水处理的流程(1)常规处理流程(浊度<3mg/L的河流水):混凝→沉淀→过滤→消毒(2)水质较好:简单处理(筛网过滤或消毒)(3)水质稳定(悬浮物<100mg/L):接触过滤→消毒(4)高浊度水:预沉(预沉后的含沙量降到1000mg/L以下)→混凝→沉淀→过滤→消毒(二)污水处理1.污水有机物浓度指标生物化学需氧量(BOD5)、化学需氧量(COD)、总需氧量(TOD)、总有机碳(TOC)。
2.污水处理工艺流程(1)一级处理①处理对象:悬浮物质②处理方法——物理方法:筛滤截留、重力分离、离心分离等③处理设备:格栅、沉砂池、初沉淀池、离心机等(2)二级处理①处理对象:胶体、溶解物质②处理方法——微生物处理法(利用微生物代谢作用,去除污水中有机物质)A、活性污泥法:反应器是曝气池;氧化沟是传统活性污泥法的改型B、生物膜法③处理效果:二级处理后,BOD5去除率达90%以上,二沉池出水能达标排放(3)三级处理①处理对象:脱氮除磷(避免水体富营养化)②处理方法:生物脱氮除磷、混凝沉淀(澄清、气浮)、过滤、活性炭吸附等二、给排水构筑物的结构特点①薄壁②多筋③抗渗④整体三、现浇(预应力)混凝土水池施工技术(案例考点)全现浇和单元组合现浇筑钢筋混凝土水池(一)混凝土施工方案内容1.结构形式2.施工工艺及流程3.材料与配比4.模板及支架设计5.钢筋加工安装6.混凝土施工7.预应力施工(二)施工流程:土方开挖处地基处理→中心支柱浇筑→池底防渗层施工→浇筑池底混凝土垫层→池内防水层施工→池壁分块浇筑→底板分块浇筑→底板嵌缝→池壁防水层施工→功能性试验壁板单元间:橡胶止水带;底板单元间:聚氯乙类胶泥。
二建中常见的市政给水排水题解析在二级建造师考试中,市政给水排水是一个非常重要的考点,也是很多考生容易出错的地方。
本文将对二级建造师考试中常见的市政给水排水题进行解析和分析,帮助考生更好地备考和应对考试。
一、市政给水题解析市政给水是指城市供水系统,包括水源、净化处理、输送、储存和供应等环节。
在二级建造师考试中,市政给水题主要围绕以下几个方面展开:1. 水源选择与水量计算:市政给水系统的水源有多种选择,如自流(泉水、河水等)、抽水(地下水、河水等)和引水(水库、水渠等)。
考生需要根据题目中给出的情况进行水量计算,包括日供水量、设计峰值流量等。
2. 水质净化和处理:水质净化是市政给水系统中必不可少的环节,目的是去除水中的杂质和污染物,以获得符合卫生标准的饮用水。
常见的水质净化方法包括絮凝、沉淀、过滤、消毒等,考生需要了解这些净化方法的原理、工艺和设备选择。
3. 管网布置与设计:市政给水系统的管网布置应合理设计,以保证水流畅畅通和减少管网压力损失。
在题目中,考生通常需要进行管道布置方案的设计,包括管道的材质、直径、长度等参数的选择。
4. 水泵选择与计算:在市政给水系统中,水泵是起到输送水流作用的重要设备。
考生需要根据题目中的给定条件,进行水泵的选择和计算,包括扬程、流量、功率等参数的确定。
5. 消防给水系统设计:市政给水系统中的消防给水系统是保障火灾扑灭和安全疏散的重要组成部分。
考生需要了解消防给水系统的设计要求和计算方法,包括消防水源的选择、水压计算、消防水池和水泵房的设计等。
二、市政排水题解析市政排水是指城市污水处理和排放系统,包括污水收集、污水处理和污水排放等步骤。
在二级建造师考试中,市政排水题主要涉及以下方面:1. 污水收集系统设计:污水收集系统是将城市污水从各个排水设施(如厕所、下水道等)收集起来,输送到污水处理厂进行处理的系统。
考生需要了解污水收集系统的设计原理和方法,包括污水管道的布置、管道的材质和直径的选择等。
给水排水管道工程部分重点1污水来源可分为生活污水、工业废水和降水;生活污水:指人们日常生活中用过的水,包括从厕所,浴室,盥洗室,厨房,食堂和洗衣房处排出的水;属于污染的废水,含有较多的有机物;.工业废水:指在工业生产中排出的废水,来自车间或矿场;分为生产废水和生产污水;生产废水指在使用过程中受到轻微污染或水温稍微增高的水;生产污水指使用过程中受到严重污染的水;降水指大气降水包括固态液态降水2.排水系统分为合流制和分流制两种类型;合流制指将生活污水、工业废水和降水混合在同一管渠内排除的系统;分流制指将生活污水、工业废水和降水分别在两个或两个以上各自独立的管渠内排除的系统;比较:合流制造价低,施工容易,但不利于污水处理和系统管理;分流制系统造价高,但易于维护,利于污水处理;3.排水系统的布置形式:正交式、截流式、平行式、分区式、分散式、环绕式4.废水的综合治理:对废水进行全面规划和综合治理,有合理的生产布局和城市规划,合理利用水体土壤自然环境的自净能力,严格控制废水和污染物的排放量,做好区域性综合治理及建立区域排水系统;5.区域排水系统:将两个以上城镇地区的污水统一排除和处理的系统;优点:①污水厂数量少,处理设施大型化集中化,每单位水量的基建和运行管理费用低,因而经济;②污水厂占地面积小,节省土地③水质水量变化小,有利于运行管理④河流等水资源利用与污水排放的体系合理化,可能形成统一的水资源管理体系;缺点:①当排入大量工业废水时,有可能使污水处理发生困难②工程设施规模大造成运行管理困难,而一旦污水厂运行不当,对整个河流影响较大③工程设施规模大,发挥事业效益慢;6.排水工程的建设和设计的基本的建设程序是:1可行性研究阶段:可行性研究阶段是论证基建项目在经济上,技术上等方面是否可行;如果论证可行,按照项目隶属关系,由主管部门组织计划,设计等单位,编制计划任务书;2计划任务书阶段:是确定基建项目,编制设计文件的主要依据;计划任务书按隶属关系经上级批准后,即可委托设计单位进行设计工作;3设计阶段:根据上级有关部门批准的计划任务书文件进行设计工作,并编制概算;4组织施工阶段:建设单位采用施工招标或其他形式落实施工工作5竣工验收交付使用阶段:建设项目建成后,竣工验收交付生产使用是建筑安装施工的最后阶段;未经验收合格的工程,不能交付生产使用;7.生产污水设计流量公式:Q=nNKz/24×3600.Q居住区生活污水设计流量L/S,n居住区生活污水定额L/capdN设计人口数Kz生活污水量总变化系数8.污水管道的水利设计参数及要求:设计充满度:在设计流量下,水深h与管道直径D 的比值;满流=1不满流<1设计流速:污水管道的最小设计流速为s,金属管道的最大设计流速为10m/s,非金属的最大设计流速为5m/s,最小管径在街区和厂区内最小管径为200mm,在街道下为300mm,最小设计坡度:管径200mm的最小设计坡度,管径300mm的最小设计坡度9.污水排水系统:排除生活污水、城市污水、工业废水;按排除雨水方式不同分为①完全分流制:活水排水系统、雨水排水系统②不完全分流制:污水排水系统城市生活污水排水系统的主要组成及作用:①室内活水管道系统及设备:收集生活污水,并将其排送至室外居住小区污水管道中去②室外污水管道系统:分布在底下依靠重力流输送污水至泵站、污水厂或水体的管道系统③污水泵站及压力管道④污水厂:供处理和利用污水、污泥的一系列构筑物及所属构筑物⑤出水口及事故排出口工业废水排水系统组成及作用:①车间内部管道系统和设备:用于收集各生产设备排出和工业废水,并将其排送至车间外部的厂区管道系统中去②厂区管道系统:用以收集并输送各车间排出的工业废水③污水泵站及压力管道④废水处理站:回收和处理废水与污泥雨水排水系统的组成及作用:①建筑物雨水管道系统和设备②居住小区或工厂雨水管渠系统③街道雨水管渠系统④排洪沟⑤出水口10.覆土厚度:指管道外壁顶部到地面的距离;最小覆土厚度:无保温措施的生活污水管道或水温与生活污水接近的工业废水管道,管底可埋设在冰冻线以上,有保温措施或水温较高的管道,管底在冰冻线以上的距离可以加大,其数值应根据该地区或条件相似地区的经验确定车行道下污水管理最小覆土厚度不小于;埋设深度:管道内壁底到地面的距离; 11.设计管段的设计流量包括3种流量:1本段流量q1-是从管段沿线街坊流来的污水量2转输流量q2-是从上游管段和旁侧管段流来的污水量3集中流量q3-是从工业企业或其他大型公共建筑流来的污水量12.污水管道的衔接:水面平接,管顶平接13.初步设计阶段的管道平面图就是管道总体布置图,通常采用的比例尺1:5000~1:10000,施工图阶段的比例尺为1:1000~1:5000.;14.暴雨强度公式:q=167A11+clgP/t+bnn指数q-设计暴雨强度P-设计重现期t-降雨历时.15.降雨量:降雨的绝对量即降雨深度;降水历时指连续降雨的时段,可以指一场雨的全部降雨时间,也可指其中个别降雨时段;暴雨强度指某一连续降雨时段内的平均降雨量,即单位时间的平均降雨深度;降水面积降雨所笼罩的面积;汇水面积雨水管渠汇集雨水的面积;暴雨强度的重现期指等于或大于该值的暴雨强度可能出现一次的平均间隔时间,单位用年a表示,重现期与频率互为倒数16.雨水灌渠设计流量计算公式:Q=ψqF Q-雨水设计流量L/Sψ-径流系数,他的值小于1 F-汇水面积 q-设计暴雨强度L/shaψ:雨水径流量与总降雨量的比值称为径流系数,其值小于1.城市市区ψ=~,城市郊区ψ=~P:一般低洼地段采用的设计重现期大于高地,干管大于支管,工业区大于居住区,市区大于郊区;设计重现期的最小值不宜低于一般地区采用~3a,对于重要干道或短期积水可能造成严重损失的地区采用3~5a并与道路设计相协调;特别重要的地区可据情况采用较大的P,在同一设计区可再用同一或不同的P;T:对管道的某一设计断面,集水时间t由地面集水时间t1和管内雨水流行时间t2两部分组成t=t1+m·t2m为折减系数,管道采用2明渠陡坡~217.极限强度理论:在设计中采用的降雨历时等与汇水面积最远点雨水流达集流点的集流时间,因此设计暴雨强度q,降雨历时t,汇水面积F都是相应的极限值,这便是雨水管道设计的极限强度理论;18.极限强度法,即承认降雨强度随降雨历时的增长而减小的规律性,同时认为江水面积的增长与降雨历时成正比,而且江水面积随降雨历时的增长较降雨强度随降雨历时增长而减小的速度更快19.排洪沟:为预防洪水灾害而修筑的沟渠,拦截山洪,将洪水引出保护区;分为明渠、暗渠、截洪沟;20.污水管道定线:在城镇地区总平面图上确定污水管道的位置和走向;定线时考虑的因素:地形和用地布局;排水体制和线路数目;污水厂和出水口位置;水文地质条件;道路宽度;地下管线及构筑物位置;工业企业和产生大量污水的建筑物的分布情况;21. 雨水管渠水力计算的设计数据:1.充满度 h/D=1;2.满流时最小设计流速为s , 明渠内最小设计流速s;3.雨水管道的最小管径为300mm,相应最小坡度为,雨水口连接管最小管径为200mm,最小坡度为22. 雨水管渠系统的设计步骤:①划分排水流域和管道定线②划分设计管段③划分并计算各设计管段的江水面积④确定各排水流域的平均径流系取值⑤确定设计重现期P、地面集水时间t ⑥求单位面积径流量q ⑦列表进行雨水干管的设计流量和水力计算,以求得各管段的设计流量,及确定各管段的管径、坡度、流速、管底标高、管道埋深⑧绘制雨水管道平面图及纵剖面图;23. 合流制管渠系统的使用条件:①排水区内有一处或多处水源充沛的水体,其流量和流速都足够大,一定量的混合污水排入后对水体造成的危害程度在允许范围内;②街坊和街道建设比较完善,必须采用暗管渠排除雨水,而街道横断面较窄,管渠的设置位置受限制时;③地面有一定的坡度倾向水体,当水体高水位时,岸边不受淹没;污水在中途不需泵汲合流制管渠布置形式:直排式、截流式、雨污完全处理式;合流制系统采用截流式的布置特点:①应使所有服务面积上的生活污水、工业废水和雨水都能合理的排入管渠,并能以可能的最短距离坡向水体;②沿水体岸边布置与水体平行的截留干管,在截留干管的适当位置上设置溢流井,使超过截留干管设计输水能力的那部分混合污水能水利通过溢流井就进排入水体;③合理的确定溢流井的数目和位置以便尽可能的减少对水体的污染减少截留干管的尺寸和缩短排放渠道的长度;④在合流制管渠系统的上游排水区域内若雨水可沿地面的街道边沟排泄,则该区域可只设污水管道;只有雨水不能沿地面排泄时才考虑合流制;分流制排水系统:是在同一管渠内排除生活污水、工业废水及雨水的管渠系统;24. 截流倍数n :不从溢流井泻出的雨水量,通常按旱流流量Q 的指定倍数计算,该指定倍数称为截流倍数n ;溢流井的形式:截留槽式溢流井,溢流堰式溢流井,跳跃堰式溢流井25.对城市旧合流制排水管渠系统的改造:1改合流制为分流制2保留合流制,修筑合流管渠截流管3对溢流的混合污水进行适当处理4对溢流的混合污水量进行控制26.最常用的管渠断面是圆形;还有半椭圆形,马蹄形,矩形,梯形,蛋形;27.常用排水管渠:1混凝土管和钢筋混凝土管2陶土管3金属管4浆砌砖.石或钢筋混凝土大型管渠5其他管材28.排水管道的接口一般为柔性.刚性.半柔半刚性;常用的有水泥砂浆抹带接口,钢丝网水泥砂浆抹带接口,石棉沥青卷材接口,橡胶圈接口29.倒虹管由进水井.下行管.平行管.上行管和出水井组成;☆☆☆☆☆☆1.由高地水库供水给城市,按水源考虑为地表水给水系统,按供水方式属于自流系统;2.给水系统是保证城市、工矿企业等用水的各项构筑物和输配水管网组成的系统;分类:水源种类分为地表水和地下水给水系统;供水方式分为自流系统重力供水、水泵供水系统压力供水、和混合供水系统;使用目的分为:生活用水生产用水消防用水给水系统;服务对象分为城市给水和工业给水系统., 工业给水分为循环和复用给水系统.2.给水系统包括取水构筑物,水处理构筑物,泵站,输水管和管网,调节构筑物;大中城市中可以省去调节构筑物,水质很好可省略水处理构筑物;3.统一给水:用同一系统供应生活.生产.消防等各种用水,且应用最广泛;分质给水:可以是同一水源,经过不同的水处理过程和管网,将不同水质的水供给用户,也可以是不同水源供给用户;分压给水:由统一泵站的不同泵分别供水到水压要求高的高压管网和水压要求低的低压管网;;4.设计城市用水量:综合生活用水,包括居民生活用水和公共建筑及设施用水;工业企业生产用水和工作人员生活用水;消防用水;浇撒道路和绿地用水;未预计水量及管网漏失水量;用水量定额单位:L/capd5.日变化系数:在一年中,最高日用水量与平均日用水量的比值,Kd;时变化系数:最高一小时用水量与平均时用水量的比值,Kh城市用水变化曲线X轴是t ,Y轴是占最高日用水量的百分数6.一级泵站的流量:Q1=αQd/Tm3/h取用地下水的一级泵站α=17.二级泵站的计算流量:当管网内无水塔时,二级泵站供水量等于用水量;设水塔时,泵站每小时的供水量不等于用水量,但一天的总供水量等于最高日用水量8.给水管网:树状网:适用于小城市和小型工矿企业,供水可靠性差,管网中任一段管线损坏时,在该管段以后的所有管线就会断水;在树状网的末端,用水量小,水流慢,水质容易变坏,有出现浑水和红水的可能;环状网:当任一管段损坏时,可以关闭附近的阀门使和其他管线断开,保证供水的可靠性,还可以大大减轻因水锤作用产生的危害;现在城市建设多采用二者结合的方式,要考虑供水安全和节约投资的原则;9.输水管渠:从水源到水厂或者水厂到相距较远管网的管,渠;输水管渠定线:为保证安全供水,可以用一条输水管渠而在用水区附近建造水池进行流量调节,或者采用两条输水管渠;输水管渠条数主要根据输水量.事故时需要保证的用水量.输水管渠长度.当地有无其他水源和用水量增长而定;供水不许间断时,输水管渠一般不宜少于两条;当输水量小,输水管长,或有其他水源可以利用时,可考虑单管渠输水另加调节水池的方案;10.管网图形简化:只有一条管线连接的两管网,都可以把连接管线断开,分解成为两个独立的管网;由两条管线连接的分支管网,如它位于管网的末端且连接管线的流向和流量可以确定,例如单水源的管网,也可进行分解,管网经分解后即可分别计算;管径较小,相互平行且靠近的管线可考虑合并;管线省略时,首先是略去水利条件影响较小的管线,也就是略去管网中管径相对较小的管线,管线省略后的计算结果是偏于安全的;11.沿线流量:供给该管段两侧用户所需流量;比流量干管线单位长度的流量;节点流量:从沿线流量折算得出的并且假设是在节点集中流出的流量;12.经济流速:一定年限t投资偿还期内管网造价和管理费用之和为最小的流速;管网计算的原理是基于质量守恒和能量守恒,由此得到连续性方程和能量方程;13.多水源管网计算虚幻三个假设:1虚节点0的位置可以任意选定,其水压可假设为0.从虚节点0流向泵站的流量Qp即为泵站的供水量2虚节点到水源的虚管段,管段摩阻为0,该设有一泵站,泵站的扬程为所关联定压节点水头,泵站无阻力;3水源点节点流量设为0,其节点水头为未知量,各水源点的流量改由虚节点供应;14.管网的核算条件:1消防时的流量和水压要求2最大转输时的流量和水压要求3最不利管段发生故障时的事故用水量和水压要求15.分区给水系统原因:从技术上是使管网的水压不超过水管可以承受的压力,以免损坏水管和附件,并减少漏水量,经济上是降低供水能量费用;适用情况:在给水区很大,地形高差显着,或远距离输水时,都有可能考虑分区给水;串并联优缺点:并联分区:各区用水分别供应,安全可靠,各区水泵集中在一个泵站内,管理方便,但增加了输水管长度和造价,又因到高区的水泵扬程高,需用耐高压的输水管;串联:节约成本,泵站分散,管理不便16.泵站供水时所需的能量:①保证最小服务水头所需能量E1②克服水管摩阻所需能量E2③未利用的能量因各用水点水压过剩而浪费的能量;分区后E1E2都不能被节约,E3能被节约;17.泵站供水能量分配图是如何绘制以区域中有四个节点为例①将节点流量q1q2q3q4等值顺序按比例绘制在横坐标上;各管段流量可从节点流量求出;②纵坐标按比例绘出各节点的地面标高Z和所需的最小服务水头H,得到若干以q为底、H+Z为高的矩形面积,这些面积的总和等于保证最小服务水头所需的能量E1;③每一管段流量和相应的水头损失所形成的矩形面积总和等于客服水管摩阻所需能量E2;④剩下的面积以流量为底,过剩水压为高的矩形面积之和,这就是E318.管线穿越障碍物采取的措施:①穿越临时铁路或一般公路,或非主要路线且水管埋设较深时,可不设套管,但应尽量将铸铁管接口放在铁路两股之间,并用青铅接头,钢管应有防腐措施②穿越较重要的铁路或交通频繁的公路时,水管须放在钢筋混凝土套管内;②穿越河川山谷,可利用现有的桥梁架设水管,或铺设倒虹管,或建造水管桥;19.调节构筑物分为清水池和水塔,清水池:水厂出水及二级泵站供水;水塔:二级泵站与用户的差;20.检漏的方法:1实地观察法是从地面上观察漏水迹象2听漏法3分区检漏是用水表测出漏水点和漏水量,一般只在允许短期停水的小范围内进行;测定水压的原因:有助于了解管网工作情况和薄弱环节21.水管防腐蚀方法:1采用非金属管材2在金属表面上涂油漆.水泥砂浆.沥青,防止金属和水相接处而产生腐蚀;3阴极保护22.清垢方法:1提高流速冲洗2用压缩空气和水同时冲洗3气压脉冲射流法4刮管法5软质材料制成的清管器清通管道;6酸洗法23.维持管网水质的措施:1通过给水栓,消火栓和放水管,定期放去管网中的部分死水,并借此冲洗水管2长期未用的管线或管线尽端,在恢复使用时必须冲洗干净3管线延伸过长时,应在管网中途加氯,以提高管网边缘地区的剩余氯量,防止细菌繁殖4尽量采用非金属管道,定期对金属管道清垢,刮管,衬涂水管内壁以保证管线输水能力不致明显下降5无论在新辐管网竣工后或者旧管线检修后均应冲洗消毒;消毒之前先用高速水流冲洗水管,然后用20~30mg/L的漂白粉溶液浸泡一昼夜以上,再用清水冲洗,同时连续测定排出水的浊度和细菌,直到合格为止;6定期清洗水塔,水池和屋顶高位水箱;24.翻新技术:①内衬管法②管内壁,喷涂壁③管道翻衬法或原位内膛法④爆管衬装法1.生活污水:指人们日常生活中用过的水,包括从厕所,浴室,盥洗室,厨房,食堂和洗衣房处排出的水;属于污染的废水,含有较多的有机物;2.工业废水:指在工业生产中排出的废水,来自车间或矿场;分为生产废水和生产污水;3.排水系统分为河流制和分流制两种类型;4.废水的综合治理:对废水进行全面规划和综合治理,有合理的生产布局和城市规划,合理利用水体土壤自然环境的自净能力,严格控制废水和污染物的排放量,做好区域性综合治理及建立区域排水系统;5.区域排水系统:将两个以上城镇地区的污水统一排除和处理的系统;6.排水工程的建设和设计的基本的建设程序是:1可行性研究阶段:可行性研究阶段是论证基建项目在经济上,技术上等方面是否可行;如果论证可行,按照项目隶属关系,由主管部门组织计划,设计等单位,编制计划任务书;2计划任务书阶段:是确定基建项目,编制设计文件的主要依据;计划任务书按隶属关系经上级批准后,即可委托设计单位进行设计工作;3设计阶段:根据上级有关部门批准的计划任务书文件进行设计工作,并编制概算;4组织施工阶段:建设单位采用施工招标或其他形式落实施工工作5竣工验收交付使用阶段:建设项目建成后,竣工验收交付生产使用是建筑安装施工的最后阶段;未经验收合格的工程,不能交付生产使用;7.生产污水设计流量公式:Q=n·N·Kz/24×居住区生活污水设计流量L/S,n居住区生活污水定额L/cap·dN设计人口数Kz生活污水量总变化系数8.污水管道的最小设计流速为s,金属管道的最大设计流速为10m/s,非金属的最大设计流速为5m/s,在街区和厂区内最小管径为200mm,在街道下为300mm,管径200mm的最小设计坡度,管径300mm的最小设计坡度9.覆土厚度:指管道外壁顶部到地面的距离;埋设深度:管道内壁底到地面的距离;10.设计管段的设计流量包括3中流量:1本段流量q1-是从管段沿线街坊流来的污水量2转输流量q2-是从上游管段和旁侧管段流来的污水量3集中流量q3-是从工业企业或其他大型公共建筑流来的污水量11.污水管道的衔接:水面平接,管顶平接12.初步设计阶段的管道平面图就是管道总体布置图,通常采用的比例尺1:5000~1:10000,施工图阶段的比例尺为1:1000~1:5000.13.重现期指等于或大于该值的暴雨强度可能出现一次的平均间隔时间,单位用年a表示,重现期与频率互为倒数;14.暴雨强度公式:q=167A11+clgP/t+bnn指数q-设计暴雨强度P-设计重现期t-降雨历时15.雨水灌渠设计流量计算公式:Q=ψqF Q-雨水设计流量L/Sψ-径流系数,他的值小于1 F-汇水面积 q-设计暴雨强度L/s·ha16.极限强度理论:在设计中采用的降雨历时等与汇水面积最远点雨水流达集流点的集流时间,因此设计暴雨强度q,降雨历时t,汇水面积F都是相应的极限值,这便是雨水管道设计的极限强度理论;17.雨水管渠设计重现期的选用,应根据汇水面积的地区建设性质,地形特点,汇水面积,气象特点,一般选用~3a,对于重要管道,立交道路的重要部分,重要地区或短期积水即能引起较严重损失的地区,宜采用较高的设计重现期,一般选用2~5a,并应和管道设计协调;18.对管道的某一设计断面,集水时间t由地面集水时间t1和管内雨水流行时间t2两部分组成,t=t1+m·t2,m-折减系数,管道采用2,明渠采用,陡坡地区采用~2.20.溢流井的形式:截留槽式溢流井,溢流堰式溢流井,跳跃堰式溢流井21.对城市旧合流制排水管渠系统的改造:1改合流制为分流制2保留合流制,修筑合流管渠截流管3对溢流的混合污水进行适当处理4对溢流的混合污水量进行控制22.最常用的管渠断面是圆形;还有半椭圆形,马蹄形,矩形,梯形,蛋形;23.常用排水管渠:1混凝土管和钢筋混凝土管2陶土管3金属管4浆砌砖.石或钢筋混凝土大型管渠5其他管材24.排水管道的接口一般为柔性.刚性.半柔半刚性25.倒虹管由进水井.下行管.平行管.上行管和出水井组成;26.城市污水是指排入一个城镇活水排水系统的生活污水和工业废水;27. 污水排水系统:排除生活污水、城市污水、工业废水;按排除雨水方式的不同,分为①完全分流制:活水排水系统、雨水排水系统②不完全分流制:污水排水系。
2K315010 城市给水排水管道工程施工2K315011 开槽管道施工技术一、沟槽施工方案(一)主要内容(略)(二)确定沟槽底部开挖宽度(三)确定沟槽边坡(1)当地质条件良好、土质均匀、地下水位低于沟槽底面高程,且开挖深度在5m以内、沟槽不设支撑时。
见教材第109页表格。
二、沟槽开挖与支护(一)分层开挖及深度(1)人工开挖沟槽的槽深超过3m时应分层开挖,每层的深度不超过2m。
(2)人工开挖多层沟槽的层间留台宽度:放坡开槽时不应小于0.8m,直槽时不应小于0.5m,安装井点设备时不应小于1.5m。
(二)沟槽开挖规定(1)机械开挖时槽底预留200~300mm土层,由人工开挖至设计高程,整平。
(2)槽底不得受水浸泡或受冻,槽底局部扰动或受水浸泡时,宜采用天然级配砂砾石或石灰土回填;(5)在沟槽边坡稳固后设置供施工人员上下沟槽的安全梯。
(三)支撑与支护(2)撑板支撑应随挖土及时安装。
(3)在软土或其他不稳定土层中采用横排撑板支撑时,开始支撑的沟槽开挖深度不得超过1.0m;开挖与支撑交替进行,每次交替的深度宜为0.4~0.8m。
(6)施工人员应由安全梯上下沟槽,不得攀登支撑。
(7)拆除撑板应制定安全措施,配合回填交替进行。
三、地基处理与安管(一)地基处理(2)槽底局部超挖或发生扰动时,超挖深度不超过150mm时,可用挖槽原土回填夯实,其压实度不应低于原地基土的密实度;(3)排水不良造成地基土扰动时,扰动深度在100mm以内,宜填天然级配砂石或砂砾处理;扰动深度在300mm以内,但下部坚硬时,宜填卵石或块石,并用砾石填充空隙找平表面。
(5)柔性管道地基处理宜采用砂桩、搅拌桩等复合地基。
(二)安管(2)采用法兰和胶圈接口时,安装应严格控制上、下游管道接装长度、中心位移偏差及管节接缝宽度和深度。
(3)采用焊接接口时,两端管的环向焊缝处齐平,内壁错边量不宜超过管壁厚度的10%,且不得大于2mm。
(4)采用电熔连接、热熔连接接口时,应选择在当日温度较低或接近最低时进行;(5)金属管道应按设计要求进行内外防腐施工和施做阴极保护工程。
2023二建《给排水》重点知识复习本文档旨在帮助考生复2023年二级建造师《给排水》科目的重点知识,内容如下:一、给水系统1.给水管道材质常用的给水管道材料有:钢管、铸铁管、铜管、铝塑复合管、PE管等。
其中,PE管应用最为广泛,具有价格低廉、耐腐蚀、易连接等优点。
2.水泵水泵是给水系统的核心设备,可以按照用途分为生活用水泵、消防用水泵、压力增加泵等几类。
需要掌握水泵的选型原理、运行方式、保养和维修等知识。
3.给水设施的安装位置与高度给水设施应尽量于生活用水室或预留的位置设置,水泵房和水箱的设置应符合规范要求。
水箱应该安装在地面高于屋顶1m以上,距离离地面10m以下的位置,水泵应该设置在水源附近。
注意:管道弯曲管径应控制在局部扩大1~2倍,并保证弯曲部分直径的长轴与水平面平行。
二、排水系统1.排水管道材质常用的排水管道材料有:铸铁管、石棉水泥管、塑料管等。
其中,塑料管应用最为广泛,具有价格低廉、防腐性能好等优点。
2.排水系统设计排水系统设计应考虑到排污水的产生量、排放时间和排放方式等因素。
需要掌握污水管道的坡度、径流速度和设计排污口的尺寸、数量、布置等基本原理。
3.排水系统设备排水系统设备包括下水管、检查井、排水泵等,需要掌握其选择、布置和维护等知识。
三、其他1.防火设施给排水系统也需要考虑防火措施,如应设置给排水防火阀、检查井盖等设施。
2.相关法律法规建筑给排水工程需要遵守相关法律法规,需要了解水利法、建筑法、消防法等相关法律法规。
以上是2023年二级建造师《给排水》科目的重点知识复习,希望考生们认真复习,努力取得优异成绩!。
二级建造师考试市政工程重点内容(六)10月24日1K414000城市给水排水工程1K414010给水排水厂站施工4011掌握常用降水及布置要求工程施工中采用点井(井点)、管井、人工井降水方法。
降水井布置应符合下列要求:1、条状基坑应采用单排或双排降水井,布置在基坑外缘的一侧或两侧,在基坑端部降水井的布置外延长度应为基坑宽度的一到二倍。
2、面状基坑降水井宜在基坑外缘呈封闭状布置,距边坡上口1-2m。
3、对于长、宽度很大,降水深度不同的面状基坑,可在基坑内增设降水井,并随基坑开挖而逐步撤出。
4、在基坑运土通道应增设降水井,其外延长度不少于通道口宽度的一倍。
5、采用辐射井降水时,辐射管长度和分部应能有效满足基坑范围降水要求。
6、降水井的布置应在地下水补给方向适当加密,排泄方向适当减少。
7、选择降水方法应根据场地、水文、基坑支护、设施要求保护综合考虑,经技术经济比较择优确定。
8、有条件时,降水系统应经现场试验验证降水效果,以优化方案。
4012掌握现浇混凝土水池施工技术池壁与顶板连续施工时,池壁内膜立柱不得同时作为顶板模板立柱;顶板支架的斜杆和横向连杆不得与池壁的杆件连接;池壁模板可先安装一侧,绑完钢筋后,分层安装另一侧模板,或采用一次安装到顶而分层预留操作窗口的施工方法,采用这种方法时,应遵循下列规定:①分层安装模板,其每层层高不超过1.5m,分层留置窗口时,窗口的层高不宜超过3m,水平净距不宜超过1.5米;②当有预点击【二级建造师学习资料】或打开/category/jzs2?wenkuwd,注册开森学(学尔森在线学习平台)账号,免费领取学习大礼包,包含:①精选考点完整版留孔洞或预埋管时,宜在孔口或管口外径1/4-1/3高度处分层,孔径或管外径小于200mm时,可不受此限制;③分层模板及窗口模板应事先做好连接装置,以便迅速安装,安装一层模板或窗口模板的时间,应短于浇筑混凝土间歇时间有关规定④分层安装模板或窗口模板时,应严防杂物落入模内。
【考点】不开槽管道施工技术【重要】
一、方法选择与设备选型依据(设计、合同、详勘资料、经验)
二、施工方法与适用条件
工法
优点
密闭式顶管
精度高
盾构浅埋暗挖
适用性强
定向钻
速度快
夯管
速度快
成本较低
速度快
速度慢
成本高
缺点成本高成本高控制精度低
柔性管道
控制精度低
钢管
适用
范围
给水排水管道给水排水管道
综合管道综合管道
给水排水管道
综合管道
管径
精度
距离
300~4000 3000以上1000以上
≤30mm
较长
300~1000 200~1800
不超过
不可控
0.5Di
<±
50mm 不可控
长
较长较短短
各种土层
除硬岩外
相对均质
砂卵石及
含水地层
不适用
含水地层
不适用各种
土层
各种
土层
适用地质
顶管
砂卵石困难(1)敞口:降水管底以下0.5m
(2)密闭:控变形或无降水条件
(3)改扩建给排水管道多数采用
(4)小口径金属、无地层控制变形要求、顶力满足:一次顶进挤密土层
浅埋暗挖
城区地下障碍物
定向钻机
以较大埋深穿越道路桥涵的长距离地下管线
夯管
城镇区域下穿较窄道路
第1页/共6页。
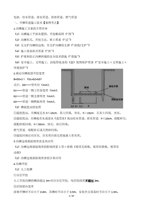
第五章 城市管道工程 包括:给水管道、排水管道、供热管道、燃气管道一、开槽管道施工技术【案例考点】1.沟槽施工方案的主要内容(1)沟槽施工平面布置图、开挖断面图(“图”)(2)沟槽形式、开挖方法、堆土要求(“法”)(3)无支护沟槽的边坡、有支护沟槽的支撑(“放坡/支护”)(4)施工设备机具要求(“机”)(5)护坡和防止沟槽坍塌的安全技术措施(“措施”)(6)安全施工、文明施工、沿线管线及构(建)筑物保护要求(“安全施工+文明施工+环境保护”)2.确定沟槽底部开挖宽度B=D0+2×(b1+b2+b3)式中,D0——管外径(mm);b1——管道一侧工作面宽度(mm);b2——管道一侧支撑厚度(mm);b3——管道一侧模板厚度(mm)。
(3)槽底扰动的处理①超挖扰动、且槽底无水h≤15cm:原土回填,夯实;h>15cm:石灰土回填,夯实。
②超挖扰动、且槽底有水或浸水(或受冻)扰动给水管道、排水管道:h≤10cm,级配碎石、级配砂砾回填;h≤30cm:块石、卵石回填。
燃气管道:级配砂石或天然砂回填。
③超挖回填后应压实,压实度应接近原地基土密实度。
3.沟槽边坡最陡坡度表及其应用(1)沟槽边坡最陡坡度的影响因素土类+荷载(坡顶无荷载、坡顶有静载、坡顶有动载)(2)沟槽边坡最陡坡度表的计算应用4.沟槽开挖(1)人工挖槽①分层开挖人工开挖沟槽的槽深超过3m时应分层开挖,每层的深度不超过2m。
②层间留台宽度放坡开槽时不应小于0.8m,直槽时不应小于0.5m,安装井点设备时不应小于1.5m。
(2)机械挖槽机械挖槽时,槽底预留20~30cm土层,由人工开挖至设计高程,整平(∵不得扰动槽底原状地基土)。
若槽底土层为杂填土、腐蚀性土,全部挖除+换填处理。
(3)槽底扰动的处理①超挖扰动、且槽底无水h≤15cm:原土回填,夯实;h>15cm:石灰土回填,夯实。
②超挖扰动、且槽底有水或浸水(或受冻)扰动给水管道、排水管道:h≤10cm,级配碎石、级配砂砾回填;h≤30cm:块石、卵石回填。
2K315010城市给水排水管道施工 P1011、管道开槽施工程序:施工准备工作、沟槽开挖、沟槽支撑、施工排水、管道基础、管道铺设、砌筑检查井及雨水口、质量检查与验收、沟槽回填、竣工验收等部分。
✪2、土方开挖前,应首先查明地下水位、土质及地下现有管道、构筑物等情况,然后制定土方开挖、调运方案及沟槽降水、支撑等安全措施。
3、沟槽开挖时注意:(1(2 0.8m)。
(3)采用吊车下管时,可在一侧堆土,另一侧为吊车行驶路线,不得堆土;(4)机械挖槽应在设计槽底高程以上保留一定余量(不小于200mm),避免超挖,余量由人工清挖。
(5)不得掩埋消火栓、管道闸阀、雨水口、测量标志及各种地下管道的井盖,且不妨碍正常使用。
(6)挖土机械应距高压线有一定的安全距离,距电缆(7(8)采用坡度板控制槽底高程和坡度时,其设置应牢固。
对于平面上呈直线的管道,坡度对于曲线管道,坡度板间距应加密;井室位置、折点和变坡点处,应增设坡度板。
坡度板距槽底的高度不宜大于3m。
4、沟槽支撑(1)支撑类型有横撑、竖撑、板桩撑。
1)横撑与竖撑:湿度小的黏性土挖土深度小时,可用断续式水平挡土板支撑;松散、湿度大的土可用连续式水平挡土板支撑;对松散和湿度很大的土可用垂直挡土板支撑。
2)板桩支撑:基坑较深、地下水位较高、可能出现流砂、未采用井点降水;既挡土又挡水(2)施工要求1)支撑要牢固可靠,符合强度和稳定性要求。
23)遇到下列情况时,支撑应加强:a.当沟槽挖深与建筑物、地下管线或其他设施的水平距离较近;b.施工便桥的桥台部位;(会有动载)c.地下水排除措施不能疏干槽底土层;d.雨期施工。
4)支撑拆除前应对沟槽两侧的建筑物、构筑物和槽壁进行安全检查。
567)在回填达到规定要求后,方可拔除钢板桩。
拔出后应及时回填桩孔;当用砂灌填时,可冲水助沉。
5、排水、降水的目的:①.防止地面水流入槽中,造成塌方;②.开挖前使地下水降低至沟槽以下。
6、7、轻型井点系统由井点滤管、直管、弯联管、总管和抽水设备组成。
城市给排水、供热、燃气管道(网)工程58个关键考点1、当地质条件良好、土质均匀、地下水位低于沟槽底面高程,且开挖深度在5m以内、沟槽可不设支撑,但沟槽边坡最陡坡度应符合相关规定(表)。
2、人工开挖沟槽的槽深超过3m时应分层开挖,每层的深度不超过2m。
3、槽底原状地基土不得扰动,机械开挖时槽底预留200~300mm土层,由人工开挖至设计高程,整平;槽底不得受水浸泡或受冻,槽底局部扰动或受水浸泡时,宜采用天然级配砂砾石或石灰土回填。
4、槽底局部超挖或发生扰动时,超挖深度不超过150mm时可用挖槽原土回填夯实,其压实度不应低于原地基土的密实度;槽底地基土壤含水量较大,不适于压实时,应采取换填等有效措施。
5、排水不良造成地基土扰动时,扰动深度在100mm以内,宜填天然级配砂石或砂砾处理;扰动深度在300mm 以内,但下部坚硬时,宜填卵石或块石,并用砾石填充空隙并找平表面。
6、给排水管道采用焊接接口时,两端管的环向焊缝处齐平,错口的允许偏差应为0.2倍壁厚,内壁错边量不宜超过管壁厚度的10%,且不得大于2mm。
7、排水管道开槽埋管工序为:沟槽开挖与支撑→施工排水和管道基础→下管→稳管→接口施工→砌筑检查井及雨水口→管道安装质量检查与验收→沟槽回填8、不开槽施工方法与适用条件(需要对密闭式顶管、盾构、浅埋暗挖、定向钻、夯管五种施工工法的特点、适用范围及管径、施工精度和距离、适用地质条件进行对比记忆)9、当周围环境要求控制地层变形或无降水条件时,宜采用封闭式的土压平衡或泥水平衡顶管机施工,目前城市改扩建给水排水管道工程多数采用顶管法施工。
10、砌筑沟道砌筑材料强度等级应符合设计要求,且机制烧结砖一般不低于MU10,石材不得小于30MPa,水泥砂浆不应低于M10。
11、给水排水管道功能性试验分为压力管道的水压试验和无压管道的严密性试验。
12、压力管道分为预试验和主试验阶段;试验合格的判定依据分为允许压力降值和允许渗水量值,按设计要求确定。
二级建造师的给排水工程管理要点给排水工程是建筑工程中不可或缺的重要环节,涉及到供水、排水、排污等方面的设计和施工。
作为二级建造师,要能够有效地管理给排水工程,需要掌握一些重要的要点。
本文将就此展开讨论。
1. 设计阶段的管理要点在给排水工程的设计阶段,二级建造师需要着重关注以下几个要点。
1.1 深入了解项目需求在开始设计之前,二级建造师应该对项目需求进行全面了解。
这包括了解建筑物的类型、规模、使用功能等,以及有关给排水方面的要求和标准。
只有充分了解项目需求,才能进行准确的设计。
1.2 确定工程的技术要求根据项目需求,二级建造师需要明确给排水工程的技术要求。
这包括确定给水管道的直径、排水设备的选型、排污系统的设计等。
在确定技术要求时,要考虑到项目的实际情况和可持续发展的原则。
1.3 合理布置给排水系统在设计阶段,二级建造师需要合理布置给排水系统的管线。
这需要考虑到建筑物的结构布局、空间利用以及水力特性等因素。
合理布置给排水系统可以确保供水和排水的畅通,提高整体工程的效果。
2. 施工阶段的管理要点在给排水工程的施工阶段,二级建造师需要重点关注以下几个要点。
2.1 确保施工质量二级建造师需要对给排水工程的施工质量进行严格的把控。
施工过程中,要确保管道的材质符合要求,管道的连接牢固可靠,以及施工过程中的细节操作。
只有确保施工质量,才能保证工程的安全使用。
2.2 监督材料的选用和验收在施工过程中,二级建造师需要监督选用的材料的质量,并进行验收。
材料的质量直接关系到工程的质量和使用寿命,因此要选用合格的材料,并进行必要的试验和检查。
2.3 协调各方的工作给排水工程的施工通常涉及到多个专业和工种的协调。
二级建造师需要充分协调各方的工作,确保各项工作按计划进行。
这包括与土建施工方、电气施工方以及监理单位的紧密合作。
3. 工程验收阶段的管理要点在给排水工程的验收阶段,二级建造师需要注意以下几个要点。
3.1 进行系统测试在工程完成后,二级建造师需要进行给排水系统的系统测试。
【考点】给水排水管道功能性试验【重要】 名称 阶段 压力 合格标准备注预试验特殊管 道可省略试验压力30min 接口、配件无漏水损坏现象给水 管段长度L ≤1km 泡管:24,48,72 回填土,露出接口(水压) 两种管材 控制最严试验压力 15min 15min 压力降不超允许值; 30min 外观检查无漏水主试验+工作压力30min准备工作(1)试验管段所有敞口应封闭,不得有渗漏水现象。
(2)试验管段不得用闸阀做堵板,不得含有消火栓、水锤消除器、安全阀等附件。
(3)水压试验前应清除管道内的杂物。
(4)应做好水源引接、排水等疏导方案。
大口径球墨铸铁管、玻璃钢管、预应力(钢筒)混凝土管:单口水压试验合格,设计无要求 24:水泥砂浆衬里、化学建材管 48:内径≤1000mm 混凝土类 72:内径>1000mm 混凝土类名称 方法 试验压力①管顶内壁加2m ②设计水头加2m ③检查井 合格标准 备注①试验段观测30min ≤5个连续井段; 渗水量排水 (严密性) 污水、特殊地质必须闭水 内渗法②内径>700mm ,不超允许值井口高度抽样1/3, 不合格加倍; ③未回填土 (水头<10m )闭气气压2000PaP ≥1500Pa内渗法:全断面整体现浇,处于地下水位以下,不开槽内径D ≥1500mm 。
闭气试验适用条件 (1)在回填土前进行。
(2)地下水位应低于管外底150mm ,环境温度为-15~50℃。
(3)下雨时不得进行闭气试验。
【考点】给排水管网维护与修复技术 一、城市管道维护 (一)城市管道巡视检查第1页/共4页。
2K315010城市给水排水管道施工 P1011、管道开槽施工程序:施工准备工作、沟槽开挖、沟槽支撑、施工排水、管道基础、管道铺设、砌筑检查井及雨水口、质量检查与验收、沟槽回填、竣工验收等部分。
✪2、土方开挖前,应首先查明地下水位、土质及地下现有管道、构筑物等情况,然后制定土方开挖、调运方案及沟槽降水、支撑等安全措施。
3、沟槽开挖时注意:(1(2 0.8m)。
(3)采用吊车下管时,可在一侧堆土,另一侧为吊车行驶路线,不得堆土;(4)机械挖槽应在设计槽底高程以上保留一定余量(不小于200mm),避免超挖,余量由人工清挖。
(5)不得掩埋消火栓、管道闸阀、雨水口、测量标志及各种地下管道的井盖,且不妨碍正常使用。
(6)挖土机械应距高压线有一定的安全距离,距电缆(7(8)采用坡度板控制槽底高程和坡度时,其设置应牢固。
对于平面上呈直线的管道,坡度对于曲线管道,坡度板间距应加密;井室位置、折点和变坡点处,应增设坡度板。
坡度板距槽底的高度不宜大于3m。
4、沟槽支撑(1)支撑类型有横撑、竖撑、板桩撑。
1)横撑与竖撑:湿度小的黏性土挖土深度小时,可用断续式水平挡土板支撑;松散、湿度大的土可用连续式水平挡土板支撑;对松散和湿度很大的土可用垂直挡土板支撑。
2)板桩支撑:基坑较深、地下水位较高、可能出现流砂、未采用井点降水;既挡土又挡水(2)施工要求1)支撑要牢固可靠,符合强度和稳定性要求。
23)遇到下列情况时,支撑应加强:a.当沟槽挖深与建筑物、地下管线或其他设施的水平距离较近;b.施工便桥的桥台部位;(会有动载)c.地下水排除措施不能疏干槽底土层;d.雨期施工。
4)支撑拆除前应对沟槽两侧的建筑物、构筑物和槽壁进行安全检查。
567)在回填达到规定要求后,方可拔除钢板桩。
拔出后应及时回填桩孔;当用砂灌填时,可冲水助沉。
5、排水、降水的目的:①.防止地面水流入槽中,造成塌方;②.开挖前使地下水降低至沟槽以下。
6、7、轻型井点系统由井点滤管、直管、弯联管、总管和抽水设备组成。
8、轻型井点系统的布置分为线状和环状,总的布置原则:将全部降水范围均包括在井点系统之内,重点保证能抽掉工程中较深的基坑(槽)的降水。
✪9、当降水深度小于5m,基坑(槽当基坑(槽)管应布置在基坑(槽)1011、管道地基应符合下列规定(1)槽底为岩石或坚硬地基时,管身下方应铺设砂垫层。
(2)当槽底地基土质局部遇有松软地基、流砂、溶洞、墓穴等,应与设计单位商定处理措施。
12、管道基础施工要求(1)铺设前,应认真复核基础底的土基标高、宽度和平整度。
(2)槽深超过 2m,基础浇筑时,必须采用串筒或滑槽来倾倒混凝土,以防混凝土发生离析现象。
13、浇筑混凝土管座的规定(1)混凝土管座的模板,可一次货两次支设,每次高度略高与混凝土的浇筑高度。
(2)管座基础留变形缝时,缝的位置应与柔性接口相一致。
14、管道安装有四项工序:下管、稳管、接口施工、质量检查。
15、管道安装应符合下列要求:(1)起重机下管时,起重机架设的位置不得影响沟槽边坡的稳定。
(2)管道应在沟槽地基、管基质量检验合格后安装,安装时应当自下游开始,承口朝向施工前进的方向。
(3)合槽施工时,先埋较深的管道,再安装相邻的管道。
(4)关节安装前应进行外观检查,发现缺陷修补并经鉴定合格后方可使用。
(5)管节安装时,应将管节的中心及内底高程(标高)逐节调整正确。
(6养护。
✪16、闭水试验(1)污水管道、雨污水合流管道、倒虹吸管、设计要求闭水的其他排水管道,必须做闭水试验。
(2)闭水试验的要求:①.闭水试验应在管道填土前进行;②.闭水试验应在管道灌满水后24h后进行;③.闭水试验的水位,应为试验段上游管道内顶以上2m;④.渗水量的测定时间不少于 30min。
17、沟槽回填(1)(2)管道两侧和管顶以上500mm范围内的回填材料,应由管槽两侧对称运入槽内,不得直接扔在管道上。
(3)管道两侧和管顶以上500mm范围内,应采用轻夯压实,管道两侧压实面的高差不应超过300mm;(4)同一沟槽内有双排或多排管道但基础底面的高程不同时,应先填基础较低的沟槽。
(5)采用压路机时,碾压的重叠宽度不得小于200mm。
18、顶管法按其顶进的方式分人工挖土、机械挖土、水力机械、挤压法。
19、顶管法的特点是顶管管道既起掘进空间的支护作用,又是构筑物的本身。
(和沉井一样)20、顶管适用范围:特别适用于黏性土、粉性土和砂土,也适用与卵石、碎石、风化残积土等非黏性土。
对于淤泥、沼泽地及岩石不适用。
21、顶管所用管材常用的有钢管和钢筋混凝土管两种。
22、顶管所用的附属工具是工具管,工具管是顶管的关键机具,一般应具有以下功能:掘进、防坍、出泥和导向等。
工具管一般采用钢板焊制。
23、工作坑位置的确定(1)根据管线设计情况确定,如排水管线可选在检查井处;(2)单向顶进时,应选在管道下游端,以利排水;(从下游往上游)(3)考虑地形和土质情况,有无可利用的原土后背等;(4)工作坑要与被穿越的建筑物有一定的安全距离;(5)便于清运挖掘出来的泥土和有堆放管材、工具设备的场所;(6)距水源、电源较近;(7)不宜设置于工厂企业、里弄出口处及高压线下方。
24、工作坑的施工工作坑的形成:①.钢板桩或普通支撑(适用于土质较好、地下水位埋深较大);②.沉井技术。
工作坑的支撑应形成封闭式框架,矩形工作坑的四角应加斜撑。
25、顶管系统包括:导轨、顶铁、千斤顶(油泵)、后背、后座墙。
(1)导轨的纵坡与管道设计坡度一直,标高略高与设计高程。
(2)顶铁是为弥补千斤顶行程不足而设置的。
弧形顶铁一般用于钢筋混凝土管顶管,环形顶铁是直接与管段接触的顶铁,作用是将顶力尽量均匀传递。
(3)千斤顶及油泵:千斤顶是顶管系统的核心。
千斤顶应左右对称布置,顶力的合力位置应该和顶进抗力(反力)的位置在同一轴线上,顶力的合力中心偏差要低于管中心约 R/4,R 为管子半径。
26、管道顶进(1)地下水位降至管底以下不小于0.5m 处。
(2)开始顶进的允许偏差为:轴线位置3mm,高程 0~+3mm。
超过允许偏差,纠正。
(3)采用手工掘进顶进时,应符合下列规定:①.工具管接触或切人土层后,自上而下分层开挖。
②.管下部 135°范围内不得超挖;管顶以上超挖量不得大于 15mm。
(4)管节接口的内侧间隙用石棉水泥、弹性密封膏或水泥砂浆密封。
①.进洞或出洞前30m,每0.3m测量不少于1次;正常顶进段,每 1.0m 测量1次,纠偏时增加。
②.全段顶完后,在每个管节接口处测量其轴线位置和高程。
(5)纠偏①.采用小角度、顶用进中逐渐纠偏。
②.纠偏方法:挖土校正法(偏差10~20mm)、木杠支撑法(偏差>20mm)、千斤顶校正法(工具管,用小千斤顶校正)27、长距离顶管技术措施:中继间和泥浆套。
泥浆套法①.②.顶进施工完成以后,将触变泥浆置换出来,以起到减少地面沉降的作用。
28、管材内壁应有统一的标识(生产企业、产品名称、公称直径、环刚度、生产日期)29、弹性密封橡胶圈及粘结剂(1)管道承插接口的弹性密封橡胶圈,应由管材生产厂配套供应。
(2)密封橡胶圈性能包括:邵氏硬度;伸长率;拉断强度;永久变形;老化系数(3)管道接口的胶粘剂应由管材生产厂配套供应。
30、沟槽(1)槽底净宽应根据管径、管道敷设方法、管两侧回填材料夯实及沟槽的排水要求确定。
当槽深>3m时,沟槽宽度可增加200mm。
(2)机械开挖中,应保留基底设计标高以上 0.2~0.3m 的原状土,待铺管前人工开挖至设计标高。
如果局部超挖,用10~15mm的砂石料或5~40mm的碎石回填。
(不能用原土回填)31、基础管道基础应采用垫层基础。
一般土质用砂垫层(中粗砂),厚度为100mm;地下水位以下的软土地基,垫层用150mm厚、颗粒尺寸为5~40mm的碎石或砾石砂,上面再铺50mm层砂垫层(中、粗砂)。
管道基础应夯实平整,其密实度不得低于90%。
凹槽应用中粗砂回填。
32、柔性管道安装(1)下管可用人工或起重机进行。
采用起重机下管时,应用非金属绳索扣系住,不得串心吊装。
(2)安装时,承插口管应将插口顺水流方向,承口逆水流方向,安装宜由下游往上游进行。
(3)橡胶圈接口应符合:DN400mm及以下管道用长撬棍斜插入基础。
(4)粘接接口应符合:插入后将管旋转1/4圈(5)管道接口后,应复核管道的高程和轴线使其符合要求。
(6)雨期施工应采取防止管材漂浮措施。
管道安装结束后可先回填至自管顶起1倍管径以上高度.33、管道与检查井的衔接(1)管道与检查井的衔接,宜采用柔性接头。
(2)管道与检查井采用砖砌或混凝土直接浇制衔接时,可采用中介层做法。
先将管壁的外表面清理干净,然后涂抹一层塑料胶粘剂,在上面撒一层干燥粗砂,固化10~20min,形成中介层。
(3)管道位于软土地基或低洼、沼泽、地下水位高的地段时,与检查井宜采用短管连接。
直接与检查井连接采用长0.5m的管段,后面再连以长度不大于 2.0m和短管,以下再与整根管连接。
34、回填(1)管内径大于800mm的柔性管道,回填土施工时应在管内设有竖向支撑。
(怕被压扁,变形)(2)宜在一昼夜中气温最低的时段。
(3)管道隐蔽竣工验收合格后应立即回填至管顶以上1倍管径的高度。
(4)管两侧和管顶以上0.5m范围内,必须人工填、人工压。
(5)管顶 0.5m以上的回填,机械从管道轴线两侧同时回填、夯实或碾压。
(6)回填前应排除沟槽积水。
不得回填淤泥、有机物及冻土。
(7)回填至设计高程时,12~24h内观测管道变形率,≤3%不做处理;3%<变形率≤5%重新回填;>5%时,应挖出管道,会同设计单位研究处理。
(报废)✪35、管道交叉,无论采用什么处理方法,都应与有关管道的主管部门进行联系并取得同意。
地下管线种类繁多,在埋设排水管道时,经常出现互相交叉的情况,排水管埋设一般比其他管道深。
36、排水管道与交叉管道高程一致时的处理原则地下的各种管道交叉时,若管道高程一致,应主动和有关单位联系,取得对方的配合,协商处理。
处理原则如下:①应满足管道间最小净距离的要求;(相邻两条边到边)②软埋电缆线(通信、电缆)让刚性管道(沟);③压力流管道让重力流管道;(首要)④小口径管道让大口径管道;⑤后敷设管道让已敷设管道;⑥支管道避让干线管道。