液压课设液压启闭机的液压系统设计样本
- 格式:doc
- 大小:204.00 KB
- 文档页数:26
课程设计课程名称机电液综合设计项目题目名称卧式半自动组合机床液压系统及其有关装置设计学生学院机电工程学院专业班级08级机电(6)班学号学生姓名指导教师2011年12 月18 日广东工业大学课程设计任务书卧式半自动组合机床液压系统及其有关装置题目名称设计学生学院机电工程学院专业班级08机电6班姓名柳展雄学号3108000566一、课程设计的内容综合应用已学的课程,完成卧式半自动组合机床的液压系统的原理设计、液压系统的设计计算、液压系统元部件的选择、液压基本回路的实验验证、液压集成油路的设计、液压集成块的设计等。
二、课程设计的要求与数据1.机床系统应实现的自动工作循环(手工上料)→(手动启动) →工件定位(插销)→夹紧工件→动力头(工作台)快进→慢速工进→快退→停止→工件拔销→松开工件→(手工卸料).要求工进完了动力头无速度前冲现象.工件的定位、夹紧应保证安全可靠,加工过程中及遇意外断电时工件不应松脱,工件夹紧压力、速度应可调,工件加工过程中夹紧压力稳定。
2.工件最大夹紧力为F j;工件插销定位只要求到位,负载力小可不予计算. 3.动力头快进、快退速度v1;工进速度为v2可调,加工过程中速度稳定;快进行程为L1,工进行程为L2;工件定位、夹紧行程为L3,夹紧时间t=1s。
4.运动部件总重力为G,最大切削进给力(轴向)为F t;5.动力头能在任意位置停止,其加速或减速时间为△t;;工作台采用水平放置的平导轨,静摩擦系数为f s,动摩擦系数为f d。
设计参数表三、课程设计应完成的工作(一)液压系统设计根据设备的用途、特点和要求,利用液压传动的基本原理进行工况分析,拟定合理、完善的液压系统原理图,需要写出详细的系统工作原理,给出电磁铁动作顺序表。
再经过必要的计算确定液压有关参数,然后按照所得参数选择液压元件、介质、相关设备的规格型号(或进行结构设计)、对系统有关参数进行验算等。
(二)系统基本回路的实验验证以小组为单位设计实验验证回路,经老师确认后,由该组成员共同去液压实验室在实验台上进行实验验证。
题目液压启闭机设计姓名余楠学号授课教师龚国芳魏建华专业机械电子专业(混合班)1.(1(2)本机操作闸门至上、下极限位置或设定的任一开度位置时,液压泵电动机应自动切断电源,特别是当闸门到达下极限位置时,应确保安全运行。
(3)闸门在全开或设定的任一局部开启位置时,启闭机的液压系统中的保压锁锭回路能可靠地将闸门固定在上极限或设定的位置处。
(4)闸门自全开位置或局部开启预置位置下滑150mm时,或双缸同步偏差超过20mm时,液压泵电动机自动投入运行,将闸门提升恢复原位。
若继续下滑至160mm,液压泵电动机尚未投入运行时,应自动接通另一组液压泵电动机,将闸门提升恢复原位;若继续下沉至200mm时,在集控室及现场均应有声光报警信号。
2.液压系统原理图该设计原理图由Eplan-fluent软件设计,如下图所示。
根据该图可以看出,本液压设计原理图可分为八部分,分别为,动力模块,总控模块,分流机构,阀门A启闭机构,阀门A锁紧机构,阀门B启闭机构,阀门B锁紧机构与极限位置保护机构。
3.设计功能说明首先对各模块依次说明,从左下角的动力模块开始,此模块包括主泵组,备用泵组,溢流阀,过滤器。
在正常运行时,主泵组的两个45KW电机运转,输出90KW功率,若压力表检测到系统失压,会通过电控模块开启备用泵组,并发出检修信号,提示检修主泵组。
动力模块提供的流量进入下面的总控模块,总控模块包括保护阀,总控制阀与节流分流机构。
保护阀供能在最后的极限位置保护机构部分会着重解释,总控阀实现油缸A、B的同步运行或异步运行。
总控模块后接分流机构,分流机构在此处着重说明,在初步设计时我查阅了相关的论文与设计,了解到了现今主流的同步回路主要有下面三种实现方法: 1、油路并联,且每路各接一个节流阀,实现各路流量一致。
2、利用伺服阀、传感器与电控系统,通过电控系统的控制算法实现精确分流。
3、使用分流集流阀,利用其机械结构按比例分流集流,实现同步。
对比上面三种方法,利用多节流阀的方法是最简单的方法,但是在实际应用中会遇到一定问题,多个节流阀之间往往很难保证一致性,故调试与安装较为复杂,且稳定性不高。
卧式单面多轴钻孔组合机床液压系统设计原始设计数据:设计一台卧式单面多轴钻孔组合机床,要求液压系统完成的工作循环是:工作台快进→工作台工进→工作台快退→停止。
钻孔Ф12.8 14个;钻孔Ф7.8 2个。
运动部件的重量为9.8╳103N ,快进、快退速度为6m /min,,最大行程为150mm,其中工进行程为50mm,采用平面导轨,往复运动加速、减速时间要求不大于0.2s,采用高速钢钻头,工件材质为铸铁(HBS=220)。
第一章 液压系统设计与计算一、工况分析 (一)、根据设计条件,绘出运动部件的速度循环图,如图1—1所示 (二)、计算液压缸所受外负载液压缸所受外负载F 包括三种类型,即a f w F F F F ++=式中 F w —工作负载,单位为N对于金属切削机床,即为沿活塞运动方向的阻力,根据切削原理和刀具的知识6.08.05.25HBS DS F w =式中 D —钻孔直径,单位为mm S —每转进给量,单位为mm/r HBS —铸铁硬度选择切削用量,钻Ф12.8孔时,取主轴钻速n 1=360r /min, 每转进给量S 1=0.147 mm/r; 钻Ф7.8孔时,取主轴转速n 2=550r /min, 每转进给量S 2=0.096 mm/r,则NHBS DS F w 26623220096.08.75.252220147.80.125.25145.256.08.06.08.06.08.0=⨯⨯⨯⨯+⨯⨯⨯⨯==F f —导轨摩擦阻力负载,启动时为静摩擦阻力,启动后动摩擦阻力。
对于平导轨F f 可由下式求得);(Rn f F G f F +=G —运动部件重量;F Rn —垂直于导轨的工作负载,在此该负载为零;f —导轨摩擦系数,取静摩擦系数为0.2,动摩擦系数为0.1。
则求得N G f F s fs 1960108.92.03=⨯⨯== N G f F d fd 980108.91.03=⨯⨯==F a —运动部件速度变化时的惯性负载,可由下式计算tvg G F a ∆∆=式中 g —重力加速度;△t —加速或减速时间,一般取△t=0.01—0.5s ; △v —△t 时间内的速度变化量N F a 20006005.068.9108.933=⨯⨯⨯=根据负载分析和上述计算结果,列出个工作阶段液压缸所受的外负载(见表1—1)。
机电信息工程瓦托水电站弧形闸门液压启闭机液压系统的设计容军蔡鹏陈亮张丹郑志国王熙(中船重工中南装备有限责任公司,湖北宜昌443000)摘要:瓦托水电站是一座以发电为主、兼顾旅游等综合利用的水电枢纽工程,表孔弧形工作闸门由2X800kN双缸悬挂式液压启闭机动水操作,该液压启闭液压系统采用计算机监控系统,瓦托水电站金属结构由施工导流、泄洪、引水发电3部分金属结构设备组成。
关键词:液压启闭机;技术参数;设计特点工程孔设2形工作闸门,每扇闸门由1台QHLY-2X800kN液压启闭机操作,启机通轴与闸门吊耳相连。
机可实现现地控制并预留远控接口,启闭机为双吊点,即一孔表孔弧形工作门由一套双缸启闭机油缸同步操作,采用“一机一泵”方式驱动和控制。
在纽工程中,表孔弧形工作门一般是由一套双缸启闭机油缸控制,对液压机结构组成及,最后分析液压机设计及动作说明。
1液压启闭机设备结构组成及布置形工作共安装2套液压机,操作启闭2扇弧形工作闸门。
每扇弧门由1套2X800kN液压启闭机启闭,2支油缸分别悬挂在左右闸墩侧墙上的悬臂餃支座上。
油缸的前端与的下 梁上吊连。
每套机设一泵和一现地控制统。
液压机泵站和控制在闸墩上泵房内。
主要技术参数序号名称参数备注1启闭机型式两端較支双吊点后拉斜吊式液压启闭机2额定启门力2X800kN3额定闭门力闸门自重4工作行程7.0m5最大行程7.2m6启门/闭门速度0.5〜06m/min7活塞杆直径*200mm 陶瓷活塞杆8油缸内径*320mm9有杆腔/无杆腔计算压力16.3/1.0MPa 10电动机额定功率〜37kW 1.1液压控制系统设计液压系统设计主要依据《NB/T35020-2013水电水利工程液压启闭机设计规范》。
液压泵站的组成部分如下:油泵电机组、油箱(不锈钢12C18N19)、温度控制器、液位控制器、空气滤清器(具有除水干燥功能'器))等。
1.2油泵电机组每套压泵2套泵机,一用一,油泵与设有避震接头连接。
精心整理题目液压启闭机设计姓名余楠学号授课教师龚国芳魏建华专业机械电子专业(混合班)1.操作要求(1)液压系统应有双缸同步及单缸动作回路(安装工况),双缸同步偏差≤20mm。
(2)本机操作闸门至上、下极限位置或设定的任一开度位置时,液压泵电动机应自动切断电源,特别是当闸门到达下极限位置时,应确保安全运行。
(3)闸门在全开或设定的任一局部开启位置时,启闭机的液压系统中的保压锁锭回路能可靠地将闸门固定在上极限或设定的位置处。
(4)闸门自全开位置或局部开启预置位置下滑150mm时,或双缸同步偏差超过20mm时,液压泵电动机自动投入运行,将闸门提升恢复原位。
若继续下滑至160mm,液压泵电动机尚未投入运行时,应自动接通另一组液压泵电动机,将闸门提升恢复原位;若继续下沉至200mm时,在集控室及现场均应有声光报警信号。
2.液压系统原理图该设计原理图由Eplan-fluent软件设计,如下图所示。
根据该图可以看出,本液压设计原理图可分为八部分,分别为,动力模块,总控模块,分流机构,阀门A启闭机构,阀门A锁紧机构,阀门B启闭机构,阀门B锁紧机构与极限位置保护机构。
3.设计功能说明首先对各模块依次说明,从左下角的动力模块开始,此模块包括主泵组,备用泵组,溢流阀,过滤器。
在正常运行时,主泵组的两个45KW电机运转,输出90KW功率,若压力表检测到系统失压,会通过电控模块开启备用泵组,并发出检修信号,提示检修主泵组。
动力模块提供的流量进入下面的总控模块,总控模块包括保护阀,总控制阀与节流分流机构。
保护阀供能在最后的极限位置保护机构部分会着重解释,总控阀实现油缸A、B的同步运行或异步运行。
总控模块后接分流机构,分流机构在此处着重说明,在初步设计时我查阅了相关的论文与设计,了解到了现今主流的同步回路主要有下面三种实现方法: 1、油路并联,且每路各接一个节流阀,实现各路流量一致。
2、利用伺服阀、传感器与电控系统,通过电控系统的控制算法实现精确分流。
液压系统设计计算举例液压系统设计计算是液压传动课程设计的主要内容,包括明确设计要求进行工况分析、确定液压系统主要参数、拟定液压系统原理图、计算和选择液压件以及验算液压系统性能等。
现以一台卧式单面多轴钻孔组合机床动力滑台液压系统为例,介绍液压系统的设计计算方法。
1 设计要求及工况分析1.1设计要求要求设计的动力滑台实现的工作循环是:快进 → 工进 → 快退 → 停止。
主要性能参数与性能要求如下:切削阻力F L =30468N ;运动部件所受重力G =9800N ;快进、快退速度υ1= υ3=0.1m/s ,工进速度υ2=0.88×10-3m/s ;快进行程L 1=100mm ,工进行程L 2=50mm ;往复运动的加速时间Δt =0.2s ;动力滑台采用平导轨,静摩擦系数μs =0.2,动摩擦系数μd =0.1。
液压系统执行元件选为液压缸。
1.2负载与运动分析(1) 工作负载 工作负载即为切削阻力F L =30468N 。
(2) 摩擦负载 摩擦负载即为导轨的摩擦阻力: 静摩擦阻力 N 196098002.0s fs =⨯==G F μ 动摩擦阻力 N 98098001.0d fd =⨯==G F μ (3) 惯性负载N 500N 2.01.08.99800i =⨯=∆∆=t g G F υ(4) 运动时间快进 s1s 1.0101003111=⨯==-υL t工进 s 8.56s 1088.0105033222=⨯⨯==--υL t快退s5.1s 1.010)50100(33213=⨯+=+=-υL L t设液压缸的机械效率ηcm =0.9,得出液压缸在各工作阶段的负载和推力,如表1所列。
表1液压缸各阶段的负载和推力工况 负载组成液压缸负载F /N液压缸推力F 0=F /ηcm /N启 动 加 速 快 进 工 进 反向启动 加 速 快 退fs F F = i fd F F F += fd F F = L fd F F F += fs F F = i fd F F F += fd F F =1960 1480 980 31448 1960 1480 9802180 1650 1090 34942 2180 1650 1090根据液压缸在上述各阶段内的负载和运动时间,即可绘制出负载循环图F -t 和速度循环图υ-t ,如图1所示。
液压课程设计模板一、教学目标本节课的教学目标是让学生了解和掌握液压系统的基本原理和组成部分,培养学生运用液压知识解决实际问题的能力。
具体目标如下:1.知识目标:(1)了解液压系统的定义、分类和应用领域;(2)掌握液压系统的四大组成部分及其功能;(3)理解液压传动的基本原理和特点。
2.技能目标:(1)能够分析液压系统的组成和作用;(2)能够运用液压知识解决实际问题;(3)具备液压系统的基本操作技能。
3.情感态度价值观目标:(1)培养学生对液压技术的兴趣和好奇心;(2)培养学生勇于探索、合作的科学精神;(3)使学生认识到液压技术在现代工业中的重要性,树立正确的技术观。
二、教学内容本节课的教学内容主要包括以下几个方面:1.液压系统的定义、分类和应用领域;2.液压系统的四大组成部分(液压泵、液压缸、控制阀、液压油)及其功能;3.液压传动的基本原理和特点;4.液压系统的基本操作技能。
三、教学方法为了提高教学效果,本节课采用多种教学方法相结合的方式:1.讲授法:教师讲解液压系统的基本原理、组成部分和操作技能;2.讨论法:学生分组讨论液压系统在实际工程中的应用案例;3.案例分析法:分析典型液压故障,培养学生解决问题的能力;4.实验法:学生在实验室进行液压系统操作,加深对知识的理解。
四、教学资源为了支持教学内容和教学方法的实施,本节课准备以下教学资源:1.教材:液压系统原理及应用;2.参考书:液压传动技术手册;3.多媒体资料:液压系统动画演示、液压故障案例视频;4.实验设备:液压实验台、液压泵、液压缸等。
通过以上教学资源的使用,丰富学生的学习体验,提高教学质量。
五、教学评估为了全面、客观地评估学生的学习成果,本节课采用以下评估方式:1.平时表现:观察学生在课堂上的参与程度、提问回答等情况,了解学生的学习态度和兴趣;2.作业:布置与课程内容相关的作业,评估学生对知识点的掌握程度;3.考试:进行液压系统知识考试,检验学生对课程内容的整体理解程度。
攀枝花学院本科课程设计(论文)液压课程设计立式组合机床液压系统设计学生姓名: ******学生学号: 20091060110**院(系):机械工程学院年级专业: 09 级机制1班指导教师: ****二〇一二年六月攀枝花学院本科学生课程设计任务书注:任务书由指导教师填写。
课程设计(论文)指导教师成绩评定表目录摘要 (Ⅰ)ABSTRACT (Ⅱ)目录 (1)1 方案的确定 (3)1.1整体性分析 (3)1.2拟定方案 (3)1.3比较方案并确定方案 (4)2工况分析 (5)2.1运动参数分析 (5)2.2动力参数分析 (5)2.3负载图和速度图的绘制 (6)3液压缸尺寸和所需流量 (7)3.1液压缸尺寸计算 (7)3.2确定液压缸所需流量 (7)4拟定液压系统图 (9)4.1确定液压传动系统的类型 (9)4.2液压回路的选择 (9)4.3拟定液压系统传动系统原理图 (13)5选择液压元件的确定辅助装置 (14)5.1选择液压泵 (14)5.2电机的选择 (14)5.3选择阀类元件 (14)5.4确定油管尺寸 (15)6油箱的设计 (16)6.1油箱容量的确定 (16)6.2估算油箱的长、宽、高 (17)6.3确定油箱壁厚 (17)6.4确定液位计的安装尺寸 (17)6.5隔板尺寸的计算 (17)6.6油箱结构的设计 (18)6.7辅助元件的选择 (19)6.8油箱其他附件的选择 (19)7液压系统的性能验算 (21)7.1回路中压力损失 (21)7.2确定液压泵工作压力 (23)7.3液压系统的效率 (23)7.4液压系统的发热温升验算 (24)结论 (25)参考文献 (26)致谢 (27)组合机床液压系统设计试设计立式组合机床的液压系统,已知切削负载为27369N,滑台工作速度为50mm/min,快进和快退速度为6.4m/min,滑台(包括动力头)的重量为117248N,往复运动的加速(减速)的时间为t =0.05 S,滑台用平面导轨,静摩擦系数fs=0.2,动摩擦系数fd=0.1,快进行程为126mm,工进行程为63mm。
1#泄洪排沙洞液压启闭机液压系统设备设计、计算说明书1、设备技术参数及技术要求额定启门力:F1=4500KN额定闭门力:F2=1200KN启门速度:V1≥0.6m/min油缸内径:D=680mm 活塞杆直径:d=380mm油缸工作行程:L=11100mm 油缸最大行程:L0=11500mm2、油缸控制回路设计、计算说明2.1主机控制回路压力、流量的计算:油缸有杆腔面积S1=π×(D2-d2)/4=0.25dm2油缸无杆腔面积S2=π×D2/4=0.363dm2油缸无杆腔与有杆腔面积比λ=S2/S1=1.45油缸启门油压P1=F1/S1=4.5/(0.25×10-2)=18MPa油缸闭门油压P2=F2/S2=1.2/(36.3×10-2)=3.3MPa油缸启门时有杆腔流量Q1=6×0.25=150L/min油缸启门时无杆腔流量Q1′=1.45×150=217.5L/min油缸提升时有杆腔流量Q1=7.4×34.34=254L/min油缸下降时无杆腔流量Q1′=1.46×254=370.8L/min油缸闭门时无杆腔流量Q2=5×50.24=251L/min2.5控制组件的设置压力继电器SP2----------------用于主机启门超压保护,当系统启门压力超过额定启门工作压力时,压力继电器向主控系统发出信号,主控报警。
压力继电器SP3---------------用于主机有杆腔失压保护,当闸门启门过程中,因管路破裂等原因而引起的系统压力下降时,压力继电器向主控系统发出信号,主控报警停机。
压力继电器SP4---------------用于主机闭门超压保护,当系统闭门压力超过额定闭门工作压力时,压力继电器向主控系统发出信号,主控报警。
压力继电器SP5--------------用于副机提升超压保护,当系统启门压力超过额定工作压力时,压力继电器向主控系统发出信号,主控报警。
液压课程设计模板《液压与⽓压传动》课程设计班级:__________________________________________________专业:_________ 机械设计制造及其⾃动化___________________学号:__________________________________________________姓名:____________________________________________________联系⽅式:___________________________________________________成绩:____________________________________________________⼀?题⽬及其要求1. 某⼯⼚设计⼀台钻镗专⽤机床,要求孔的加⼯精度为TI6级。
要求该液压系统要完成的⼯作循环是:⼯作定位、夹紧⼀动⼒头快进⼀⼯进⼀终点停留⼀动⼒头快退⼀⼯件松开、拔销。
该机床运动部件的重量为30000N快进、快退速度为6m/min,⼯进的速度为20-120mm/min可⽆级调速,⼯作台的最⼤⾏程为400mm 其中⼯进的总⾏程为150mm⼯进时的最⼤轴向切削⼒为20000N⼯作台的导轨采⽤平轨⽀撑⽅式;夹紧缸和拔销缸的⾏程都为25mm夹紧⼒为12000-80000N之间可调,夹紧时间不⼤于1秒钟。
2. 设计要求1)完成该液压系统的⼯况分析、系统计算并最终完成该液压系统⼯作原理图的设计⼯作;2)根据已经完成的液压系统⼯作原理图选择标准液压元件;3)对上述液压系统中的进给缸进⾏结构设计,完成该液压缸的相关计算和部件装配图设计,并对其中的1-2⾮标零件进⾏零件图的设计;4)对上述液压系统中的夹紧缸进⾏结构设计,完成该液压缸的相关计算和部件装配图设计,其中的1-2⾮标零件进⾏零件图设计。
5)对上述液压系统中的液压缸进⾏结构设计,完成该液压缸中的油箱部件和电机液压泵组件的相关计算和装配设计,并对其中的1-2个⾮标零件进⾏零件图的设计。
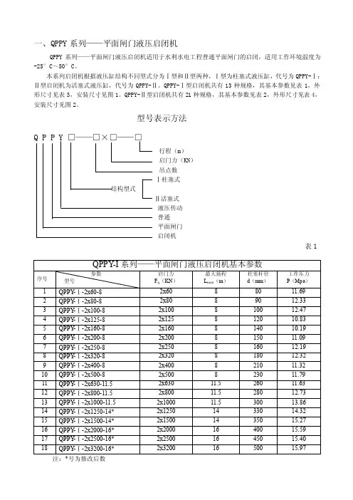
一、QPPY系列——平面闸门液压启闭机QPPY系列——平面闸门液压启闭机适用于水利水电工程普通平面闸门的启闭,适用工作环境温度为-25°C~50°C。
本系列启闭机根据液压缸结构不同型式分为Ⅰ型和Ⅱ型两种,Ⅰ型为柱塞式液压缸,代号为QPPY-Ⅰ;Ⅱ型启闭机为活塞式液压缸,代号为QPPY-Ⅱ。
QPPY-Ⅰ型启闭机共有13种规格,其基本参数见表1,外形尺寸见表3,安装尺寸见图1。
QPPY-Ⅱ型启闭机共有21种规格,其基本参数见表2,外形尺寸见表4,安装尺寸见图2。
型号表示方法Q P P Y □——□×□——□行程(m)启门力(KN)吊点数Ⅰ柱塞式结构型式Ⅱ活塞式液压传动普通平面闸门启闭机表1注:*号为修改后数表2注:*号为修改后数据。
QPPY-Ⅰ系列——平面闸门液压启闭机外形尺寸图(1)表3注:1,其中C、L3根据具体工程定,L表示行程;2,*号为修改后数据。
QPPY-Ⅱ系列——平面闸门液压启闭机外形尺寸图(2)表4注:1,其中L表示行程;2,*号为修改后数据。
二、QPKY系列——平面快速闸门液压启闭机QPKY系列液压启闭机共14种规格,适用于水利水电工程水轮发电机机组进口、调压井下游快速事故闸门的启闭,也可用于一般平面事故闸门启闭,本系列液压缸按闸门利用水柱压力或部分加重可关闭孔口而无需投运油泵电机组的条件进行设计。
本系列液压缸结构按支承型式分为Ⅰ型和Ⅱ型两种。
Ⅱ型液压缸上端可设置辅助补油箱,用户可根据总体布置的要求,从表1~表4对照图1~图3选用。
型号表示方法Q P K Y □/□—□—□液压缸支承型式Ⅰ或Ⅱ行程(m)启门力(KN)持住力(KN)液压传动快速关闭平面闸门启闭机表1注:*为修改后的数据Ⅰ型液压缸结构图图1表2 QPKY系列快速闸门液压启闭机Ⅰ型液压缸配合尺寸注:*为修改后的数据。
注:1,L0、B、d2、d3、b、l参照Ⅰ型液压缸结构图及数值;2,*为为修改后的数据。
液压传动系统课程设计指导老师:设计者:班级:机电08级学号:同组人:目录一.设计目标及参数1.设计目标2.设计要求及参数二.液压系统方案设计1、确定液压泵类型及调速方式2、选用执行元件3、快速运动回路和速度换接回路4、换向回路的设计5、组成液压系统绘原理图三.主要参数的选择设定1. 定位液压缸主要参数的确定2. 夹紧缸的主要参数设计3.主控缸主要参数确定4.液压泵的参数计算5.电动机的选择四.液压元件和装置的选择1.液压阀及过滤器的选择2.油管的选择3.油箱容积的确定五.验算液压系统的性能。
1.沿程压力损失计算∑2.局部压力损失r p∆六液压系统发热和温升验算七电气控制系统设计1.PLC控制编程图八实验报告1 实验目的2 试验设备3 试验原理4 实验步骤5 实验数据及处理九分析思考题十设计总结十一参考文献一设计目标及参数设计一专用双行程铣床。
工件安装在工作台上,工作台往复运动由液压系统实现。
双向铣削。
工件的定位和夹紧由液压实现,铣刀的进给由机械步进装置完成,每一个行程进刀一次。
机床的工作循环为:手工上料——按电钮——工件自动定位,夹紧——工作台往复运动铣削工件若干次——拧紧铣削——夹具松开——手工卸料(泵卸载)定位缸的负载200N ,行程100mm ,动作时间1s ; 夹紧缸的负载2000N ,行程15mm ,动作时间1s ; 工作台往复运动行程(100-270)mm 。
方案:单定量泵进油路节流高速,回油有背压,工作台双向运动速度相等,但要求前四次速度为01υ,然后自动切换为速度02υ,再往复运动四次。
设计参数:前四次速度为01υ,切削负载(N )为15000N ,工作台(液压缸)复复运动速度(m/min)为:0.8~8。
后四次速度为02υ,切削负载(N )为7500N,工作台(液压缸)往复运动速度(m/min)为0.4~4,结构设计为:往复运动液压缸设计二 液压系统方案设计1、确定液压泵类型及调速方式参考一般机床液压系统,选用双作用叶片泵单泵供油。
液压传动课程设计题目名称液压压力机专业班级11机制1班学生姓名孙明祥学号51101014017指导教师陈兴强机械与电子工程系二○一四年 5 月 23 日目录一、任务书 (3)二、指导教师评阅表 (4)三、设计内容 (5)(一) (5)(二) (6)(三) (13)(四) (19)(五) (23)(六) (25)四、设计小结 (26)五、参考资料 (27)蚌埠学院本科课程设计评阅表机械与电子工程系2011级机械设计制造及自动化专业(班级):11机制 1 班(一)压力机液压系统工况液压机技术参数:(1)主液压缸(a)负载制力压:压制时工作负载可区分为两个阶段。
第一阶段负载力缓慢地线性增加,达到最大压制力的10%左右,其上升规律也近似于线性,其行程为4 mm (压制总行程为10 mm)第二阶段负载力迅速线性增加到最大压制力27×105 N,其行程为6 mm。
回程力(压头离开工件时的力):一般冲压液压机的压制力与回程力之比为5~10,本压力机取为5,故回程力为F h = 5.2×105 N。
移动件(包括活塞、活动横梁及上模)质量=4000 kg。
(在实际压力机液压系统的设计之前,应该已经完成压力机的结构设计,这里假设已经设计完成压力机的机械结构,移动件的质量已经得到。
)(b)行程及速度快速空程下行:行程S l = 300 mm,速度v1=20 mm/s;工作下压:行程S2 = 6 mm,速度v2=1 mm/s。
快速回程:行程S3 = 310 mm,速度v3=18 mm/s。
(2)顶出液压缸(a)负载:顶出力(顶出开始阶段)F d=3.6×105 N,回程力F dh = 2×105 N。
(b)行程及速度;行程L4 = 120 mm,顶出行程速度v4=55 mm/s,回程速度v5=120 mm/s。
液压缸采用V型密封圈,其机械效率ηcm=0.91。
压头起动、制动时间:0.2 s。
目录引言 (2)第一章明确液压系统的设计要求 (2)第二章负载与运动分析 (3)第三章负载图和速度图的绘制 (4)第四章确定液压系统主要参数 (4)4.1确定液压缸工作压力 (4)4.2计算液压缸主要结构参数 (4)第五章液压系统方案设计 (7)5.1选用执行元件 (7)5.2速度控制回路的选择 (7)5.3选择快速运动和换向回路 (8)5.4速度换接回路的选择 (8)5.5组成液压系统原理图 (8)5.5系统图的原理 (9)第六章液压元件的选择 (11)6.1确定液压泵 (11)6.2确定其它元件及辅件 (12)6.3主要零件强度校核 (13)第七章液压系统性能验算 (15)7.1验算系统压力损失并确定压力阀的调整值 (15)7.2油液温升验算 (17)设计小结 (18)参考文献 (19)引言液压系统已经在各个部门得到越来越广泛的应用,而且越先进的设备,其应用液压系统的部门就越多。
液压传动是用液体作为来传递能量的,液压传动有以下优点:易于获得较大的力或力矩,功率重量比大,易于实现往复运动,易于实现较大范围的无级变速,传递运动平稳,可实现快速而且无冲击,与机械传动相比易于布局和操纵,易于防止过载事故,自动润滑、元件寿命较长,易于实现标准化、系列化。
液压传动的基本目的就是用液压介质来传递能量,而液压介质的能量是由其所具有的压力及力流量来表现的。
而所有的基本回路的作用就是控制液压介质的压力和流量,因此液压基本回路的作用就是三个方面:控制压力、控制流量的大小、控制流动的方向。
所以基本回路可以按照这三方面的作用而分成三大类:压力控制回路、流量控制回路、方向控制回路。
第一章明确液压系统的设计要求要求设计一台卧式单面多轴钻孔组合机床动力滑台的液压系统。
要求实现的动作顺序为:启动→快进→工进→快退→停止。
液压系统的主要参数与性能要求如下:轴向切削力Ft =20000N,移动部件总质量G=10000N;快进行程l1=100mm,工进行程l2=50mm。
《液压与气压传动》课程设计学号姓名年级专业
指导教师: 钱雪松
内容: 设计计算说明书 1份 20 页
液压系统原理图 1张
河海大学机电工程学院 - 第二学期
《液压与气压传动》课程设计任务书5
授课班号138101/2 年级专业机自指导教师钱雪松学号姓名课程设计题目5
设计一台液压启闭机液压系统, 其主要技术要求如下: 启闭力50T, 行程8000mm, 往返速度4000~10000mm/min, 加减速时间为1秒, 双缸, 用同步回路, 垂直液压缸。
1.课程设计的目的和要求
经过设计液压传动系统, 使学生获得独立设计能力, 分析思考能力, 全面了解液压系统的组成原理。
明确系统设计要求; 分析工况确定主要参数; 拟订液压系统草图; 选择液压元件; 验算系统性能。
2.课程设计内容和教师参数( 各人所取参数应有不同)
其主要技术要求如下: 启闭力50T, 行程8000mm, 往返速度4000~10000mm/min, 加减速时间为1秒, 双缸, 用同步回路, 垂直液压缸。
4. 设计参考资料( 包括课程设计指导书、设计手册、应用软件等)
●章宏甲《液压传动》机械工业出版社 .1
●章宏甲《液压与气压传动》机械工业出版社 .4
●黎启柏《液压元件手册》冶金工业出版社 .8
榆次液压有限公司《榆次液压产品》 .3
课程设计任务
明确系统设计要求; 分析工况确定主要参数; 拟订液压系统草图; 选择液压元件; 验算系统性能。
5.1设计说明书( 或报告)
分析工况确定主要参数; 拟订液压系统草图; 选择液压元件; 验算系统性能。
5.2技术附件( 图纸、源程序、测量记录、硬件制作)
5.3图样、字数要求
系统图一张( 3号图) , 设计说明书一份( ~3000字) 。
6. 工作进度计划
3.设计方式
手工
4.设计地点、指导答疑时间
待定
9.备注
目录
1 液压系统的设计步骤与要求 (1)
1.1 液压系统的设计步骤 (1)
1.2 液压系统的设计要求 (2)
2 液压系统的分析 (3)
2.1 液压系统主要参数的确定 (3)
2.2负载分析和负载图、速度图的绘制 (4)
2.3液压系统图的拟定…………………………………………6.
3 油缸内径及活塞杆直径的确定 (8)
3.1 油压的确定 (8)
3.2 确定油缸内径D 活塞杆直径d (8)
4 液压元件的选择 (10)
4.1 液压泵和电机的选择 (10)
4.2 油箱容积和尺寸的确定 (11)
4.3 液压系统所用油液的选用 (12)
4.4 油管管径的确定 (13)
4.5阀类元件及辅助元件的选择 (15)
5 液压系统性能的验算 (16)
5.1 验算系统压力损失 (16)
5.2 油液温升验算 (18)
1 液压系统的设计步骤与要求
液压传动系统是液压机械的一个组成部分, 液压传动系统的
设计要同主机的总体设计同时进行。
着手设计时, 必须从实际出发, 有机地结合各式各种传动形式, 充分发挥液压传动的优点, 力求
设计出结构简单工作可靠, 成本低、效率高、操作简单、维修
方便的液压传动系统。
本次设计主要是启闭机液压系统的设计。
综合考虑弧形工作闸门液压启闭机油缸务必垂直布置, 两端铰链连接, 而且在油缸的
上端吊头与埋件轴以及下端吊头与闸门吊耳连接处内装自润滑球
面滑动轴承, 满足使油缸自由摆动, 并能够消除启闭机或闸门由
于安装等误差造成的对油缸的不利影响。
油缸与管路之间采用硬管连接。
1.1 液压系统的设计步骤
液压系统的设计步骤并无严格的顺序, 各步骤间往往要相互
穿插进行。
一般来说, 在明确设计要求之后, 大致按如下步骤进行:
( 1) 进行工况分析, 确定系统的主要参数;
( 2) 制定基本方案, 拟定液压系统原理图;
( 3) 选择液压元件;
( 4) 确定液压执行元件的形式;
( 5) 液压系统的性能验算。
1.2 液压系统的设计要求
设计要求是进行每项工程设计的依据。
在制定基本方案并进行进一步着手液压系统各部分设计之前, 必须把设计要求以及与该设计内容有关的其它方面了解清楚。
( 1) 主机的概况: 用途、性能、工艺流程、作业环境、总体布局等;
( 2) 液压系统要完成哪些动作, 动作顺序及彼此联锁关系如何;
( 3) 液压驱动机构的运动形式, 运动速度;
( 4) 各动作机构的载荷大小及其性质;
( 5) 对调速范围、运动平稳性、转换精度等性能方面的要求;
( 6) 自动化程度、操作控制方式的要求;
( 7) 对防尘、防爆、防寒、噪声、安全可靠性的要求;
( 8) 对效率、成本等方面的要求。
本液压系统的设计、制造, 主要用于控制弧形闸门启闭机油缸开启和关闭的液压系统。
本系统具有结构紧凑、布局美观、性能可靠、能耗低的优点, 其油缸工况符合用户提供的原理要求。
本套液压系统配有压力控制器(XML)、电接点温度计(WSSX)、。