花岗岩挂贴施工工艺标准
- 格式:doc
- 大小:38.00 KB
- 文档页数:6
花岗岩地面铺装分项工程施工工艺及施工措施1材料准备:(1)花岗石块的品种、规格、质量应符合设计和施工规范要求,在铺装前应采取防护措施,防止出现污染、碰损。
(2)水泥宜选用≤42.5普通硅酸盐水泥,不宜选用高强度水泥。
受潮变质硬化的水泥不得使用;水泥品质应符合《通用硅酸盐水泥》GB175-2007的相关要求。
(3)砂:最大料径不宜超过1cm,不得含泥砂、垃圾等杂质。
2施工准备:(1)石材铺贴前应浸水湿润,天然石材铺贴前应进行对色、拼花并试拼、编号。
(2)铺贴前必须将基层清扫干净,根据设计要求确定结合层砂浆厚度,拉十字线控制其厚度和石材表面平整度,做到十字缝通顺。
3施工作法:基层处理→样板引路→20mm厚水泥砂浆抹平→养护→弹线→面层铺设→嵌缝→清理、养护4操作要点:(1)基层处理:清除基层表面的砂浆、油污和垃圾,用水冲洗、晾干。
(2)样板引路:石材铺装关键工序须执行样板引路,对关键点位、工序须提前预控,做出样板检查达标后,方能大面积进行施工,避免不必要的返工。
(3)20mm厚水泥砂浆抹平:铺砂浆前基层应浇水湿润,铺设20厚1:3水泥砂浆找平层。
(4)养护:水泥砂浆找平层铺设完毕后,进行养护。
(5)面层铺设:铺贴时从中心向外开始,逐行拉线。
铺贴前,石材背面满涂素水泥浆,按控制线位置铺贴,将地面铺平,用橡皮锤轻击使其与砂浆粘结紧密,同时调整其表面平整度及缝宽,将缝内的干水泥砂和残留的水泥浆清理干净。
(6)嵌缝:铺贴完毕24h后用1:1水泥浆灌缝,选择与地面颜色一致的颜料与白水泥拌合均匀后嵌缝。
(7)清理养护:清理残留在石材表面的剩余砂浆,铺好塑料布,防止污染、磕碰。
养护期不少于7天,养护期应封闭交通,杜绝上人、上车及堆放材料等。
5施工质量措施:(1)检查数量:按有代表性的自然间抽查10%。
(2)石材饰面的品种、规格、颜色和图案必须符合设计要求。
(3)石材饰面表面平整、洁净、色泽协调,无变色、泛碱、污痕和明显的光泽受损处。
花岗岩干挂工艺流程下载温馨提示:该文档是我店铺精心编制而成,希望大家下载以后,能够帮助大家解决实际的问题。
文档下载后可定制随意修改,请根据实际需要进行相应的调整和使用,谢谢!Download Tip: This document has been carefully written by the editor. I hope that after you download, they can help you solve practical problems. After downloading, the document can be customized and modified. Please adjust and use it according to actual needs. Thank you!花岗岩干挂工艺流程如下:①基层处理:检查墙面平整度与垂直度,对基层进行清理,确保无灰尘、油污,并按设计要求预埋挂件锚固件。
②放线定位:根据施工图,用水平仪、墨斗等工具在墙上放出石材排版线及竖向、横向控制线,确保安装精度。
③安装龙骨:依据设计要求,采用膨胀螺栓或化学锚栓固定轻钢龙骨或不锈钢龙骨于墙面,龙骨间距需符合规范,保证结构稳固。
④安装挂件:在龙骨上安装石材专用挂件,挂件种类多样,如T型挂件、背栓等,安装时需确保挂件与石材预留孔精准对接。
⑤石材加工:根据排版尺寸在工厂或现场对花岗岩进行切割、开槽(预留挂件孔)、倒角等处理,保证尺寸精确,边缘处理平滑。
⑥石材安装:使用吸盘或吊装设备将石材平稳安放在挂件上,调整位置确保缝隙均匀、表面平整,使用垫片调整高度与水平度。
⑦嵌缝处理:石材安装完毕后,采用耐候密封胶或专用石材填缝剂对缝隙进行填充、抹平,提升美观度并防止水分渗透。
⑧清洁与养护:施工结束后,对石材表面进行细致清洁,去除安装过程中留下的污迹和残留物,必要时进行打蜡养护,保持石材光泽。
花岗岩挂贴施工工艺花岗岩挂贴是指将大理石饰面板或花岗石饰面板,用锚固、灌浆和粘结等方法固定在建筑物表面的施工方法。
1、工艺流程:基层处理绑扎钢筋网弹线→施工准备→再次切割→材料拆包整理穿铜丝→钻孔剔槽→挂贴→灌浆→擦缝→清洁打蜡→成品保护⑴、施工准备:包括大理石、花岗岩、花岗石镶贴的组织措施,施工工艺交底,机具准备,材料准备等。
基层清理:镶贴或需绑扎钢筋网的基层表面的灰砂、油垢和油渍等应清除干净。
如基层为混凝土墙板应凿毛,并对预埋铁件、锚固件是否齐全,位置是否正确进行检查,对遗漏和移位的必须处理调整。
⑶、材料拆包整理:对拆包的花岗岩或花岗岩进行整理检查,凡是破碎、变色、污染的应挑出,另行堆放。
对能用的按规格、品种、颜色分别堆放,并按设计要求将花岗岩按预定的部位顺次摆开在地上,选色、对花纹,色调不一致的要挑出,换上合适,力求对花,使上下、左右、邻接之间花纹大致对上,尽量做到相似雅致。
根据预排,依据安装配置图的先后顺序编号,写在板的背面,安装对号入座。
同时核对实贴墙面与花岗岩的实际尺寸,通过实测实量,最后定出花岗岩的块数。
其中需要切割处理的,要预排好,力求做到符合设计和规范的要求。
⑷、再次切割、钻孔、剔槽等一般施工单位均按设计图纸要求规格向厂家订货,包括钻孔、剔槽、倒角、磨边等工作内容。
但是,由于设计图纸与实际施工结果不完全一样,发生误差(误差是多种原因造成的,既有设计原因,也有施工原因,其结果无法处理,只好改变花岗岩的尺寸)需改变镶面材料规格尺寸,进行再次切割、钻孔、剔槽、倒角、磨边等工作。
⑸、绑孔钢筋网柱面挂贴花岗岩,一般在基层表面绑孔钢筋网。
墙面镶贴花岗岩,先预埋支架,绑扎钢筋网。
钢筋网一般∮6.5-∮8.5㎜的线材。
横向钢筋为绑扎花岗岩板用。
第一道筋横绑在地面以上100㎜处,用作绑扎等一层花岗岩板的下口固定钢丝。
第二道横筋间距与花岗岩板的高度相同。
如采用板面直接与混凝土或砖墙面固定,先在墙面钻孔,沿基层分格线上钻∮6.5-∮8.5㎜,深度不小于60㎜的孔。
9-24 大理石、花岗石干挂施工工艺标准(924-1996)1 范围本工艺标准适用于工业与民用建筑工程的内、外饰面板干挂工艺。
该工艺是利用耐腐蚀的螺栓和耐腐蚀的柔性连接件,将大理石、花岗石等饰面石材干挂在建筑结构的外表面,石材与结构之间留出40~50mm的空腔,其构造如图9-7所示。
用此工艺做成的饰面,在风力和地震力的作用下允许产生适量的变位,以吸收部分风力和地震力,而不致出现裂纹和脱落。
当风力地震力消失后,石材也随结构而复位。
该工艺与传统的湿作业工艺比较,免除了灌浆工序,可缩短施工周期,减轻建筑物自重,提高抗震性能,更重要的是有效地防止灌浆中的盐碱等色素对石材的渗透污染,提高其装饰质量和观感效果。
此外,由于季节性室外温差变化引起的外饰面胀缩变形,使饰面板可能脱落,这种工艺可有产地预防饰面板脱落伤人事故的发生。
这种干挂饰面板安装工艺亦可与玻璃幕墙或大玻璃窗、金属饰面板安装工艺等配套应用。
现国内不少大型公共建筑的石材内外饰面板安装工程采取干挂工艺日趋普通。
1 施工准备2.1 材料要求:2.1.1 石材:根据设计要求,确定石材的品种、颜色、花纹和尺寸规格,并严格控制、检查其抗折、抗拉及抗压强度,吸水率、耐冻融循环等性能。
2.1.2 合成树脂胶粘剂:用于粘贴石材背面的柔性背衬材料,要求具有防水和耐老化性能。
2.1.3 玻璃纤维网格布:石材的背衬材料。
2.1.4 防水胶泥:用于密封连接件。
2.1.5 防污胶条:用于石材边缘防止污染。
2.1.6 嵌缝膏:用于嵌填石材接缝。
2.1.7 罩面涂料:用于大理石表面防风化、防污染。
2.1.8 膨胀螺栓、连接铁件、连接不锈钢针等配套的铁垫板、垫圈、螺帽及与骨架固定的各种设计和安装所需要的连接件的质量,必须符合要求。
2.2 主要机具:2.2.1 台钻、无齿切割锯、冲击钻、手枪钻、力矩扳手、开口扳手、嵌缝枪、专用手推车、长卷尺、盒尺、锤子、各种形状的钢凿子、靠尺、铝制水平尺、方尺、多用刀、剪子、勾缝溜子、铅丝、弹线用的粉线民、墨斗、小白线、笤帚、铁锹、开刀、灰槽、灰桶、工具袋、手套、红铅笔等。
花岗岩工程(室外)一、材料准备花岗石、([20,[12.6]槽钢、(80*6 50*5)角钢、(M16,M10)螺栓、M20膨胀螺栓、M12钢板、密封胶二、机具电焊机、电锤、冲击钻、台钻、切割机、卷尺、水准仪、无齿锯、氧气瓶、乙炔瓶、割枪、手锤等工具三、作业条件1、办理好结构验收,少数工种(水电、通风、设备安装)的活应提前完成,并准备好加工饰面板所需的水、电源等。
2、室外墙面弹好0.000或0.500线和各层水平标高控制线。
3、脚手架或外楼梯提前搭设好,宜选用双排架子,其横竖杆及拉杆等应离开门窗和墙面150-200mm,架子的步高,剪刀撑跳板铺设,安全网的挂接应符合施工要求。
4、花岗石进场后应堆整齐,下垫方木,核对数量、规格,同时应检查材料出厂质量合格证或试验报告,然后进行预铺、配花、编号,以备正式铺贴时按号取用。
5、金属结构材料、挂件、焊条等品种、型号、规格应符合设计要求,进场时应附材质合格证或试验报告,并对钢构件按设计要求,提前刷防锈漆2_3遍和镀锌钢构件。
6、再大面积施工前应先放出施工大样,并做样板,经质检部门鉴定后方可组织班组按样板要求施工。
7、施工前做人员的安全、制度、教育工作。
四、操作工艺(一)工艺流程施工准备→→→放线确定埋件位置→→→钻眼安装埋件钢板焊接安装主副龙骨架→→→安装花岗石板材→→→密封打胶、清理、养护(二)操作工艺1、应先对钢板刷防锈漆和有些钢材提前进行镀锌处理,并做好[20槽钢和[12.6槽钢,L80x6、L80x5、L50x5角钢的钻孔工作。
石材按照设计要求用冲击钻打眼、剔槽、槽深以白钢插销长度60%为宜。
石板上下各开一道槽,槽要求居中,宜可偏外但以不损坏外饰面为宜。
2、放线:首先将石材的墙面、柱面和门套用大线锤从上至下找出垂直(高层应用经纬仪找垂直),根据每层的水平线参照图纸,根据现场实际尺寸进行排版放线,在地面上顺墙弹出石材轮廓线,此线即为第一层石材安装基准线。
外墙挂贴花岗岩施工一、施工工艺流程清理基层----定位、弹线----选材、预拼、编号----锚固件连接----钻孔、剔槽穿铜丝----花岗岩安装----缝隙处理。
二、具体施工方法1、干挂花岗岩前,先备好相应的施工机具,包括:板块切割机、冲击电钻、金刚石割刀、水平尺、直角尺、靠尺、墨斗、木锤、尼龙线等;同时备好面板材料、金属丝、胶合剂等。
2、清理基层的灰尘和浮物,表面凹凸部位剔补平整。
3、按图纸要求和实际形体部位几何尺寸,根据板材的实际尺寸,弹出水平线和垂直线、找方正。
4、板材必须经过认真选择,按规格、品种、颜色、纹理图案逐块量度其几何尺寸,严格选用。
对经过选择的板材,按其天然花纹、图案进行预排后编号,使其整体花纹协调、图案自然。
5、板材与基体间均用锚固件连接。
板材与基体的连接锚固应采用镀锌或不锈钢锚固件。
6、在板块的上、下、侧面用电钻打孔,孔径5mm,深约20mm。
孔的位置应在板厚中心。
每块板的上下边均不得少于两个孔。
孔的形式由锚固方法决定,可钻成牛鼻孔或斜孔。
7、将长约200mm的铜丝的一端插到孔底并用铅皮固定牢固,然后顺槽弯曲卧入槽内,不得突出板的端面,以使相邻板的接缝严密。
8、安装板块。
安装前应找好水平线和垂直线。
先在基体下面两端找水平基准线,找平后拉横线。
安装时先装中间或角部的板材,依次向中间或两侧排板,用连接件(扣挂件)将板块连接在锚固件上。
板的内侧与基体间的距离以30mm左右为宜。
9、板块靠位后用托线板靠平,用水平尺校正,阴阳角用方尺找方。
以活动木楔调整缝宽后,用胶合剂做永久固定。
10、板块安装完毕,清除所有余痕,用湿布擦洗干净,并按板材颜色调制色浆嵌缝,边嵌边擦干净,使缝隙密实、干净,颜色一致。
擦缝时必须防止色浆污染板面。
一、花岗岩铺贴施工方法花岗岩铺贴因遵循如下施工工艺流程:准备工作→定位标定高程及基层复查→砂浆摊铺→花岗岩铺贴→灌缝→花岗岩养护1、准备工作再次检查强弱电埋管及给水管线,检查垫层的平整度和标高,并将垫层清扫干净,提前一天洒水湿润。
花岗岩质量根据设计要求及检验合格后方可进场,提前运送到铺装面附近,人工错开码放,注意应轻拿轻放码放。
施工用机械设备提前到位,叉车、装载机等随时待用,搅拌站人员配备到位,随时按配合比搅拌出所用砂浆。
2、定位标定高程及试拼和试排找平、弹线:根据设计图纸应对铺装面进行定位及标定高程。
按照设计图纸标高控制点内近引标高及平面轴线,用1:2.5水泥砂浆找平,作水平灰饼,弹线、找中、找方,每个5mX5m方格开始铺砌前,先根据位置和高程在四角各铺一块基准石材,在此甚础上在南北两侧各铺一条基准石材。
经测量检查,高程与位置无误后,再进行大面积铺砌。
试拼和试排:铺设前对每一块石材,按方位、角度进行试拼。
试拼后按两个方向编号排列,然后按编号排放整齐。
为检验板块之间的缝隙,核对板块位置与设计图纸是否相符合。
在正式铺装前,要进行一次试排。
3、砂浆摊铺砂浆用1:3干硬性水泥砂浆,用搅拌机搅拌均匀,按水平线定出砂浆虚铺厚度拉好十字线,即可铺筑砂浆,铺好后刮大杠、拍实、用抹子找平,其厚度适当高出水平线2~3mm.4、花岗岩铺贴铺贴前预先将花岗岩除尘,浸湿后阴干后备用。
在板块试铺时,放在铺贴位置上的板块对好纵横缝后用预制锤轻轻敲击板块中间,使砂浆振密实,锤到铺贴高度。
板块试铺合格后,翻开板块,检查砂浆结合层是否平整、密实。
增补砂浆,在水泥砂浆层上浇一层水灰比为0.5左右的素水泥浆,然后将板块轻轻地对准原位放下,用橡皮锤轻击放于板块上的木垫板使板平实,根据水平线用水平尺找平,接着向两侧和后退方向顺序铺贴。
铺装时随时检查,如发现有空隙,应将板材掀起用砂浆补实后再进行铺设。
5、灌缝、擦缝铺贴完后按板材的颜色用白水泥和颜料与板材色调相近的1:1稀水泥浆,装入小嘴浆壶徐徐灌入板块之间的缝隙内,流在缝边的浆液用牛角刮刀喂入缝内,至基本饱满为止,缝宽为2mm;1~2h后,再用棉纱团蘸浆擦缝至平实光滑。
花岗岩地面铺贴施工工艺及方法一、施工准备1.材料及主要机具(1)天然大理石、花岗石的品种、规格应符合设计要求,技术等级、光泽度、外观质量要求,应符合国家标准《天然大理石建筑板材》、《花岗石建筑板块》的规定。
(2)水泥:硅酸盐水泥、普通硅酸盐水泥或矿渣硅酸水泥,其标号不宜小于425号。
白水泥:白色硅酸盐水泥,其标号不小于425号。
(3)砂:中砂或粗砂,其含泥量不应大于3%。
(4)矿物颜料(擦缝用)、蜡、草酸。
(5)主要机具:铁锹、靠尺、水桶、抹子、墨斗、钢卷尺、尼龙线、橡皮锤(或木锤)、磨石机。
2.作业条件(1)大理石、花岗石板块进场后,应侧立堆放在室内光面相对、背面垫松木条,并在板下加垫木方。
详细核对品种、规格、数量等是否符合设计要求,有裂纹、缺棱、掉角、翘曲和表面有缺陷时,应予剔除。
(2)室内抹灰(包括立门口)、地面垫层、预埋在垫层内的电管及穿通地面的管线均已完成。
(3)房间内四周墙上弹好+50cm水平线。
(4)施工操作前应画出铺设大理石地面的施工大样图。
(5)冬期施工时操作温度不得低于5℃。
二、操作工艺1.工艺流程准备工作→试拼→弹线→试排→刷水泥浆及铺砂浆结合层→铺大理石板块(或花岗石板块)→灌缝、擦缝→打蜡。
2.准备工作(1)以施工大样图和加工单为依据,熟悉了解各部位尺寸和作法,弄清洞口、边角等部位之间的关系。
(2)基层处理:将地面垫层上的杂物清净,用钢丝刷刷掉粘结在垫层上的砂浆,并清扫干净。
3.试拼在正式铺设前,对每一房间的大理石(或花岗石)板块,应按图案、颜色、纹理试拼,将非整块板对称排放在房间靠墙部位,试拼后按两个方向编号排列,然后按编号码放整齐。
4.弹线为了检查和控制大理石(或花岗石)板块的位置,在房间内拉十字控制线,弹在混凝土垫层上,并引至墙面底部,然后依据墙面+50cm标高线找出面层标高,在墙上弹出水平标高线,弹水平线时要注意室内与楼道面层标高要一致。
5.试排在房间内的两个相互垂直的方向铺两条干砂,其宽度大于板块宽度,厚度不小于3cm。
大理石、花岗岩干挂工艺标准本工艺标准适用于民用及公共建筑的室内外墙面、柱面和门窗套的大理石、磨光花岗石、预制水磨石等饰面板装饰工程。
施工准备:2.1 材料要求:2.1.1 水泥:325号普通硅酸盐水泥。
应有出厂证明或复试单,若出厂超过三个月应按试验结果使用。
2.1.2 白水泥:325号白水泥。
2.1.3 砂子:粗砂或中砂,用前过筛。
2.1.4 大理石、磨光花岗石、预制水磨石等:按照设计和图纸要求的规格、颜色等备料。
但表面不得有隐伤、风化等缺陷。
不宜用易褪色的材料包装。
2.1.5 其他材料:如熟石膏、铜丝或镀锌铅丝、铅皮、硬塑料板条、配套挂件(镀锌或不锈钢连接件等);尚应配备适量与大理石或磨光花岗石、预制水磨石等颜色接近的各种石渣和矿物颜料;107胶和填塞饰面板缝隙的专用塑料软管等。
2.2 主要机具:2.2.1 磅秤、铁板、半截大桶、小水桶、铁簸箕、平锹、手推车、塑料软管、胶皮碗、喷壶、合金钢扁錾子、合金钢钻头(φ5,打眼用)、操作支架、台钻、铁制水平尺、方尺、靠尺板、底尺(3000~5000mm×40mm×10~15mm)、托线板、线坠、粉线包、高凳、木楔子、小型台式砂轮、裁改大理石用砂轮、全套裁割机、开刀、灰板和铅皮(1mm厚)、木抹子、铁抹子、细钢丝刷、笤帚、大小锤子、小白线、铅丝、擦布或棉丝、老虎钳子、小铲、盒尺、钉子、红铅笔、毛刷、工具袋等。
2.3 作业条件:2.3.1 办理好结构验收。
少数工种(水电、通风、设备安装等)的活应做在前面,并准备好加工饰面板所需的水、电源等。
2.3.2 内墙面弹好50cm水平线(室外墙面弹好±0和各层水平标高控制线)。
2.3.3 脚手架式吊篮提前支搭好,宜选用双排架子(室外高层宜采用吊篮,多层可采用桥式架子等),其横竖杆及拉杆等应离开门窗口角150~200mm。
架子步高要符合施工要求。
2.3.4 有门窗套的必须把门框、窗框立好(位置准确、垂直、牢固,并考虑安装大理石时尺寸有足够的余量)。
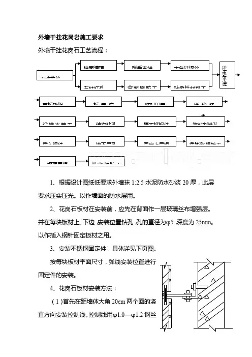
外墙干挂花岗岩施工要求外墙干挂花岗石工艺流程:1、根据设计图纸低要求外墙抹1:2.5水泥防水砂浆20厚,此层要求压实压光。
以作墙面的防水层用。
2、花岗石板材在安装前,应先在背面作一层玻璃丝布增强层。
并在每块板材上、下边,安装位置钻孔,孔的直径为φ5,深度为25mm。
以作插入钢针固定板材之用。
3、安装不锈钢固定件,具体详见下页图。
按每块板材平面尺寸,弹线安装位置进行固定件的安装。
4、花岗石板材安装方法:(1)首先在距墙体大角20cm两个面的竖直方向安装控制线。
控制线用φ1.0—φ1.2钢丝挂水平线工地堆放墙面清理石材打孔弹垂直线背面刷胶工大角挂钢丝贴柔性材料工支板托架灌砂浆临时固定板定位设排水管工结构钻孔镶不锈钢件胶粘剂灌孔插入钢件灌下层孔固定上层板插膨胀螺栓工镶顶层板嵌密封胶工吊8—10kg的垂球固定在顶部挂线架上,作为墙面的垂直平整度的控制标准。
(2)支底层花岗石板托架。
把预先加工好的支托按上平线支在将要安装的底层石板材上面。
支托要支承牢固,相互之间要连接好。
支架安好,顺支托方向钉通长的50mm厚方木板,木板上口要平齐,以保证石材上下面处在同一水平面上。
(3)安装底层花岗石板。
先从底层靠角上的一块面板开始安装。
安装时先在板材打好的孔内抹1:1.5白水泥环氧树脂,对好不锈钢舌板的圆孔。
然后插入固定钢针,调整面板,暂时固定在支托上,然后依次按顺序安装底面板,待全部底层板就位后,检查一下各板的水平是否在一条线上。
若有误差时,应进行调整。
水平缝调整后,再检查、调整垂直缝,板缝宽度按设计要求为板缝宽为8mm。
待板面的水平度、垂直度和板缝宽度均调整无误后即行固定。
再贴板缝嵌缝条后,在底层板内灌1:2.5白水泥砂浆20cm高,砂浆上设置排水管。
(4)底层板材安装好后,即可逐层按口述方法进行安装至设计标高。
但顶部最后一层板与墙体结构之间有50mm空隙,因此需进行顶部处理。
即在距顶部下250mm处,采用铅丝先吊25×25mm方条,然后在方条上嵌填聚苯板,将空隙密实,防止漏浆。
花岗岩挂贴施工方案一、施工前准备工作1.确定施工图纸和相关设计要求,进行现场勘测和测量。
2.租借或购置所需的施工设备和工具,并进行设备检查和调试。
3.组织施工人员进行岗前培训,确保施工安全和施工质量。
二、基层处理1.清理施工基面,确保基面清洁、平整,并清除任何杂物和油污。
2.对基面进行修复,如填补裂缝和坑洼,打磨凸起的部分等。
3.进行底层处理,如涂刷底漆、粘贴防潮材料等,以防止水分渗透。
三、施工工艺1.确定挂贴花岗岩的排列顺序和施工方法,并进行施工示意图的绘制。
2.进行花岗岩板材的切割和加工,根据需要进行抛光、打磨,以及对边缘进行特殊处理。
3.进行花岗岩瓷砖的施工,使用专用胶水将瓷砖粘贴在基面上。
4.拼接花岗岩板材,注意对接缝进行定位和调整,以确保整体效果和施工质量。
5.进行花岗岩板材的固定,使用专用的金属固定件或胶水将板材固定在基面上。
6.进行花岗岩板材的填缝,使用与花岗岩颜色相近的填缝剂填补板材之间的缝隙,并进行刮平和抛光处理。
7.进行花岗岩板材的保养,定期清洗和保养花岗岩表面,以确保其外观和使用寿命。
四、安全措施1.组织施工人员进行安全培训,确保他们了解安全操作规程和应急措施。
2.在施工现场设置明显的安全警示标志,如“施工区域禁止入内”、“佩戴安全帽”等。
3.使用符合国家标准的安全设备,如安全帽、安全鞋、手套等。
4.定期检查施工设备和工具,确保其正常工作和安全使用。
五、施工质量验收1.对挂贴花岗岩进行外观验收,检查其表面是否平整、光滑,并排查有无明显缺陷和损坏。
2.检查花岗岩板材和瓷砖之间的接缝是否紧密、均匀,并排查有无漏贴的情况。
3.检查填缝剂是否牢固、平整,并排查有无裂缝和松动的情况。
4.检查花岗岩板材的固定件是否正确、可靠,并排查有无锈蚀和松动的情况。
六、施工后的维护1.在施工完成后及时清理施工现场,清除施工垃圾和杂物,确保周边环境的整洁和安全。
2.对挂贴花岗岩进行定期保养和清洗,使用专用的清洁剂和工具,避免使用酸性或腐蚀性物质。
一、编制依据:1、《监理规划》2、《建设工程监理规范》(GB50319-2000)3、《建筑抗震设计规范》(GBJ11-89)4、《建筑物防雷设计规范》(GB50057-94)5、《建筑抗震设计与施工规程》(JGJ68-90)6、《建筑幕墙》(GB/T21086-2007)7、《建筑幕墙物理性能分级》(GD/T15225-94)8、《建筑装饰装修工程质量验收规范》(GB50210-2001)9、《金属与石材幕墙工程技术规范》(JGJ133-2001)10、《钢结构工程施工质量验收规范》(GB50205-2001)11、《建筑防腐蚀工程施工及验收规范》(GB50212-91)12、《建筑施工高处作业安全技术规范》(JGJ80-91)13、《建筑施工安全检查标准》(JGJ59-99)14、《工程建设标准强制性条文》二、干挂石材幕墙工艺流程图:三、干挂花岗岩,挂贴花岗岩监理方法及措施(一)事前控制1、设计方案的审查1.1、结构形式合理,具备可操作性和安全性1.2、外观效果:符合建设单位所选定方案及有关要求1.3、强度计算复核:设计荷载(风荷载、地震、温度、自重),龙骨强度石材强度(抗剪强度)、挂件、螺栓焊缝强度计算,要求在设计允许值范围内。
2、材料质量控制。
2.1、石材: a、对色差、色斑、色线文天然弊病的控制。
b、重点检查石材加工精度,包括几何此尺寸、表面光泽度平整度等,若出现超差,坚决退场。
c、石材板厚不应小于25mm,弯曲强度不应小于8.0Mpa,吸水率不应大于0.8%。
d、要求提供放射性检查报告。
2.2、螺栓:a、强度测试,抗拉抗剪实验室测试报告。
b、要求提供实验室测试报告。
2.3、龙骨、挂件:a、检查外观质量,合格证,实验报告。
b、重点检查镀锌层质量,取样送试验室检测。
c、符合设计要求。
2.4、结构、密封胶a、要求提供硅酮结构胶的认定证书和抽查合格证明;进口硅酮结构胶的商检证;国家指定检测机构出具的硅酮结构胶相容性和剥离粘结性试验报告;密封胶的耐污染性试验报告。
花岗岩地面施工工艺一、引言花岗岩地面施工工艺是指在建筑物室内外地面铺贴花岗岩板材的施工方法。
花岗岩具有硬度高、耐磨、耐酸碱、抗压强度大等优点,广泛应用于各类建筑物的地面铺装。
本文将从材料选择、施工准备、施工流程等方面,详细介绍花岗岩地面施工工艺。
二、材料选择1. 花岗岩板材:应选择符合国家标准的优质花岗岩板材,其物理性能、化学成分、外观质量等指标应达到规定要求。
板材表面应平整、光滑,无裂纹、缺角、色差等缺陷。
2. 粘结材料:应选择具有较高粘结强度、耐水、耐老化、耐腐蚀的粘结材料。
常用的粘结材料有水泥砂浆、环氧树脂等。
3. 铺设辅料:包括嵌缝剂、防护剂、填缝剂等,应根据花岗岩板材的特性选择合适的辅料。
三、施工准备1. 设计图纸:根据设计图纸,明确花岗岩地面的铺贴方式、图案、尺寸等要求。
2. 材料准备:提前准备好所需的花岗岩板材、粘结材料、铺设辅料等。
3. 施工工具:准备相应的施工工具,如切割机、磨光机、吸尘器、抹子等。
4. 施工人员:组织专业施工队伍,进行技术培训,确保施工质量。
5. 施工场地:对施工场地进行清理,确保场地平整、干净。
四、施工流程1. 基层处理:对基层进行清理,去除浮尘、油污等杂物,确保基层平整、干净。
2. 铺设垫层:在基层上铺设一层防水、防潮的垫层,如防水板、塑料薄膜等。
3. 弹线定位:根据设计图纸,在垫层上弹出花岗岩板材的铺设线,确保铺设位置准确。
4. 铺设花岗岩板材:按照弹线定位,将花岗岩板材铺贴在垫层上。
铺设过程中,要注意板材的平整度、间隙大小等,确保铺设质量。
5. 粘结材料施工:在花岗岩板材下面涂抹粘结材料,确保板材与基层牢固粘结。
6. 嵌缝施工:在花岗岩板材间隙中填充嵌缝剂,确保缝隙饱满、平整。
7. 表面处理:对花岗岩板材表面进行打磨、抛光等处理,提高其装饰效果。
8. 防水施工:在花岗岩板材表面涂抹防水剂,提高其防水性能。
9. 清洁保养:施工完成后,对花岗岩地面进行清洁、保养,确保地面整洁、美观。
挂贴花岗岩板施工方案及技术措施一、施工前的准备工作1.确认挂贴花岗岩板的规格及颜色,并按照设计图纸和工程要求进行购买。
2.对建筑外墙进行清理和基层的处理,确保墙体平整、干净,无尘、无油脂等杂质。
3.准备好所需的施工工具和材料,包括挂具、固定件、粘胶剂、防水材料等。
二、花岗岩板的挂设方法1.根据设计要求和图纸,确定花岗岩板的尺寸和位置,做好定位和标示。
2.使用专用的花岗岩板挂具,将挂具固定在墙体上,并做好水平和垂直的调整。
3.用专用的胶水或粘胶剂将花岗岩板与挂具粘贴在一起,并用力按压,确保牢固粘贴。
4.确保花岗岩板之间的缝隙均匀,并使用专用填缝胶进行填充。
三、花岗岩板的固定方式1.挂贴花岗岩板的边缘部分和拐角处需要进行后固定,使用专用的固定件进行固定。
2.在花岗岩板的正面和背面进行固定装置的加固,提高整个系统的抗风能力。
四、防水处理1.在花岗岩板与墙体之间进行必要的防水处理,使用防水材料填充缝隙和接缝,并确保完全密封。
2.防水层需要具备良好的拉伸和弹性,以适应花岗岩板的热胀冷缩和外力变形。
五、施工安全措施1.在施工现场设置安全警示标志,设置安全围栏,确保工作区域的安全。
2.施工人员必须佩戴适当的个人防护装备,如安全帽、防护手套、护目镜等。
3.对挂装设备和施工材料进行安全检查,确保其合格并具备安全性能。
4.定期检查施工现场的安全情况,及时处理安全隐患。
六、施工质量要求1.花岗岩板的表面应平整、光洁,无裂缝、砂眼等缺陷。
2.花岗岩板之间的接缝和填缝胶应均匀、紧密,无漏胶、渗胶现象。
3.完成施工后,对花岗岩板进行清理,清除施工过程中的污渍和残留物。
4.经过施工的墙体应平整、整齐,没有高低差和推北问题。
以上是挂贴花岗岩板的施工方案及技术措施,通过严格按照以上步骤进行施工,能够确保花岗岩板的牢固、平整和美观,提高外墙的抗风能力和防水效果。
施工过程中,一定要遵守相关的安全规定,并进行质量检验,确保施工质量和人员安全。
花岗岩施工工艺一、材料要求1.板材有裂缝、掉角、翘曲和表面有缺陷时应予剔除,品种不同的板材不得混杂使用;在铺设前,应根据石材的颜色、花纹、图案、纹理等按要求试拼编号。
2.铺设前,板材应浸湿,晾干并进行防污处理;结合层与板材应分段同时铺设。
3.大面积大理石、花岗岩面层铺贴根据设计要求设置变形缝。
4.砂宜采用中砂或粗砂,必须过筛,颗粒要均匀,不得含有杂质,含泥量不大于3%,粒径一般不大于5mm。
二、施工工艺1.工艺流程基层处理-→选料-→刷水泥浆-→补找平层-→铺设面层-→灌缝-→养护-→镶贴踢脚板2. 基层处理:楼地面各种孔洞缝隙应事先用细石混凝土灌填密实,并经检查无渗漏现象。
基层干净无杂物,无积水。
3.选料:同一房间、开间应按配花、品种挑选尺寸基本一致、色泽均匀、纹理通顺的板材进行预排编号,分类存放。
4. 刷水泥浆:浇水湿润基层,刷水灰比0。
5素水泥浆,水泥浆应随刷随铺砂浆,并不得有风干现象。
5.铺找平层:用1:3干硬性水泥砂浆(以手握成团,不沁水为准)铺找平层,虚铺厚度以25-30mm为宜(放上石板时高出预定完成面3-4mm为宜),用铁抹子拍实抹平。
6.铺设面层:铺设时按预排编号进行石块预铺,应对准纵横缝,用木锤着力敲击板中部,振实砂浆至铺设高度后,将石板掀起,检查砂浆表面与石板底相吻合后(如有空虚处应用砂浆填补),在砂浆表面先用喷壶适量洒水,再均匀洒一层水泥粉,把石板块对准铺贴。
铺贴时四角要同时着落,再用木锤着力敲击至平实,要求四角平整,纵横缝间隙对齐。
缝隙宽度如无设计要求时,对于花岗岩、大理石不应大于1mm。
7.灌缝:铺贴完24h后,经检查石块表面无断裂、空鼓后,用稀水泥(颜色与石板块调和)刷缝填饱满,并随即用布擦净至无残灰、污迹为止。
铺好后板块两天内禁止行人和堆放物品。
8.养护:在面层铺设后,表面应覆盖、湿润,其养护时间不应少于7d。
9.镶贴踢脚板:镶贴前先将板块刷水湿润,将基层浇水湿透,均匀涂刷素水泥浆,边刷边用1:2水泥砂浆镶贴。
挂贴花岗岩墙面施工工艺嘿,朋友!咱今天就来好好聊聊挂贴花岗岩墙面这档子事儿。
您想想,那漂亮的花岗岩墙面,平整光滑,纹理独特,往那一立,多有面子!可这好看的背后,施工工艺那可是有讲究的。
首先得把墙面给拾掇干净喽,就像咱出门得把脸洗干净一样。
要是墙面不干净,那后续的活儿可就麻烦大啦!这时候,就得把墙面上的灰尘、油污啥的都清理掉,有裂缝的地方也得补好,不然这墙面就像长了麻子的脸,能好看吗?然后就是测量放线,这就好比给墙面量身定制衣服,尺寸可得量准喽!要根据设计图纸,在墙面上标出水平线和垂直线,确定花岗岩板的位置和大小。
要是量错了,那板子挂上去不是歪了就是斜了,多闹心呐!接下来就是埋件安装啦。
这埋件就像是房子的根基,得稳稳当当的。
选用合适的埋件,用膨胀螺栓把它们固定在墙面上,一定要牢固,不然以后出了问题,那可就不是小事儿!再然后呢,就是龙骨安装。
这龙骨就像是人的骨架,支撑着整个墙面。
得把龙骨安装得横平竖直,间距均匀,这样才能保证花岗岩板挂上去稳稳当当的。
等到龙骨装好了,就该给花岗岩板钻孔开槽啦。
这可不能马虎,孔和槽的位置、大小都得恰到好处,不然板子挂不上去或者挂上去不结实,那可就糟糕啦!之后就是板材安装。
把调配好的胶粘剂涂在板子背面和墙面上,然后小心翼翼地把板子挂上去,调整好位置和垂直度。
这过程就像搭积木,得一块一块仔细地搭好。
安装完板材,还得进行勾缝处理。
把缝里的杂物清理干净,然后用专门的勾缝剂把缝填满、抹平。
这勾缝就像是给墙面化妆,得让缝看起来美观自然。
最后,可别忘了对墙面进行清洁和养护。
把墙面擦得干干净净的,让花岗岩板焕发出迷人的光彩。
然后做好养护,让墙面更加坚固耐用。
您瞧瞧,这挂贴花岗岩墙面的工艺,每一步都不能马虎。
要是哪一步出了差错,这墙面可就毁啦!所以啊,施工的时候可得瞪大了眼睛,仔仔细细地把活儿干好,这样才能有一面漂亮又耐用的花岗岩墙面!怎么样,您明白了不?。
一、花岗岩干挂安装施工方案一、施工准备(一)、施工准备1、施工准备①检查金属挂件质量及加工几何尺寸,应符合设计要求,挂件要进行防腐处理;②检查石材质和加工质量,板面光洁度和强度应符合设计要求和施工规范,板面无损伤及斑纹;③对拟安装的基层作垂直和水平的核查和处理,并清理出预埋铁件,弹出连结点位。
2、操作工艺①按照设计图纸,在连结定位,焊接角钢联接件;焊缝要饱满,平整无铰肉及焊瘤情况。
②在角钢联接件上,用螺栓联接竖向龙骨,并在竖向龙骨上,按板材竖向分块尺寸,确定每道水平龙骨间距,且预留水平龙骨安装孔。
水平龙骨固定在竖龙骨的外侧。
③水平龙骨按预留孔位安装舌板,板上下设置可调整垫片,要在水平龙骨的上下空腔内填充防火及保温板的横竖板缝。
先就根据安装位置,打好板边预留安装槽孔,并安装石板。
④调整板面平整、垂直及横竖板缝,调整好挂件舌板,紧固螺栓。
⑤密封胶勾缝:沿板面边缘贴防污条,选用2cm胶带纸粘贴,边沿要贴齐。
⑥对已安装板面板缝进行全面清理。
3、成品保护及措施①板材运输中,板面对放;严禁划伤或磕碰边角;②板材进场,分规格按编号在插放架上堆放,防碰撞及污染;③挂板完成后,其它工艺操作过程严禁划伤板面;④拆操作架子时,注意回转要慢,绝对不得碰到板面;⑤对已完工部位,应及时设专人看管,遇有危害成品行为应立即制止,对造成损坏成品者,必须进行严肃处理。
4、应注意的质量问题①金属挂件安装牢固,保证安全;②挂件的舌板上螺栓间铁件,安装齐全不得遗漏;③板材背面,认真做好板面封闭,最大限度减少使用过程中板材的裂缝;④相邻板间上、下、左、右避免出现错位;⑤板材材质认真检查,杜绝有隐线板材上墙。
5、安全、技术节约等项措施①外墙操作脚手架,随时检查,发现隐患及时处理,保证架子上安全作业;②架子上板材存放不能过于集中,杜绝超负荷堆放;③石材加工及安装均从正面、大面积、大块板材部位开始;使用过程可以先大后小,用大改小综合利用。
(二)材料要求及条件1、材料要求:1)、石材:根据设计要求,确定石材的品种、颜色、花纹和尺寸规格,并严格控制、检查其抗折抗拉及抗压强度、吸水率、耐冻融循环等性能。
花岗岩挂贴施工工艺花岗岩挂贴是指将大理石饰面板或花岗石饰面板,用锚固、灌浆和粘结等方法固定在建筑物表面的施工方法。
1、工艺流程:基层处理绑扎钢筋网弹线→施工准备→再次切割→材料拆包整理穿铜丝→钻孔剔槽→挂贴→灌浆→擦缝→清洁打蜡→成品保护⑴、施工准备:包括大理石、花岗岩、花岗石镶贴的组织措施,施工工艺交底,机具准备,材料准备等。
基层清理:镶贴或需绑扎钢筋网的基层表面的灰砂、油垢和油渍等应清除干净。
如基层为混凝土墙板应凿毛,并对预埋铁件、锚固件是否齐全,位置是否正确进行检查,对遗漏和移位的必须处理调整。
⑶、材料拆包整理:对拆包的花岗岩或花岗岩进行整理检查,凡是破碎、变色、污染的应挑出,另行堆放。
对能用的按规格、品种、颜色分别堆放,并按设计要求将花岗岩按预定的部位顺次摆开在地上,选色、对花纹,色调不一致的要挑出,换上合适,力求对花,使上下、左右、邻接之间花纹大致对上,尽量做到相似雅致。
根据预排,依据安装配置图的先后顺序编号,写在板的背面,安装对号入座。
同时核对实贴墙面与花岗岩的实际尺寸,通过实测实量,最后定出花岗岩的块数。
其中需要切割处理的,要预排好,力求做到符合设计和规范的要求。
⑷、再次切割、钻孔、剔槽等一般施工单位均按设计图纸要求规格向厂家订货,包括钻孔、剔槽、倒角、磨边等工作内容。
但是,由于设计图纸与实际施工结果不完全一样,发生误差(误差是多种原因造成的,既有设计原因,也有施工原因,其结果无法处理,只好改变花岗岩的尺寸)需改变镶面材料规格尺寸,进行再次切割、钻孔、剔槽、倒角、磨边等工作。
⑸、绑孔钢筋网柱面挂贴花岗岩,一般在基层表面绑孔钢筋网。
墙面镶贴花岗岩,先预埋支架,绑扎钢筋网。
钢筋网一般∮6.5-∮8.5㎜的线材。
横向钢筋为绑扎花岗岩板用。
第一道筋横绑在地面以上100㎜处,用作绑扎等一层花岗岩板的下口固定钢丝。
第二道横筋间距与花岗岩板的高度相同。
如采用板面直接与混凝土或砖墙面固定,先在墙面钻孔,沿基层分格线上钻∮6.5-∮8.5㎜,深度不小于60㎜的孔。
打入绑扎有双股20-18号铜丝的木塞子,两股铜丝的外露留头10㎜长,作为锚固花岗岩板用。
如果采用12-15㎜或7-8㎜的薄板镶贴,不需要钢筋网,采用粘结施工工艺固定板面。
⑹、弹线挂贴花岗岩以前,用线锤从上至下在墙面、柱面和门窗找出垂直线,应考虑花岗岩饰面板的厚度,灌注砂浆的空隙,以及钢筋所占尺寸,一般饰面板外皮与结构面的距离以50㎜为宜。
在地面上顺墙(柱)面弹出饰面板外轮廓尺寸线,作为第一层饰面板的基准线。
将编好号的花岗岩板在弹好的基准线上就位,每块板缝按设计规定留准,一般留1㎜缝隙。
⑺、挂贴花岗岩,每块板上下两个面各打2或3个眼,用中电钻打眼,孔径∮4-5㎜,深度为12㎜。
孔眼打在板宽两端的1/4处,钻孔中心与板背面的距离以㎜为宜。
钻孔后,用扁凿朝花岗岩背面孔壁轻轻剔一道槽,深5㎜左右,连同孔眼形成鼻眼状,以备埋臣铜丝之用。
施工顺序:一般墙面从边角开始,也可以中间开始,由下往上镶贴。
柱梁镶贴,一般先镶两边立柱,后镶横边梁。
边柱是由下往上分层镶贴,镶到和梁连接处,也就是边柱最上边一块石板材,要和横梁镶的端部板材配合镶贴,要实测实量施工。
如果石板长短不合适时,可采取局部切割磨光的办法,不允许堵小块的作法。
在挂贴花岗岩板时,在花岗岩的背面1:1的水泥砂浆(体积比)掺水泥重量5%的107胶搭毛。
使石板背面粗糙,易于粘贴牢固。
⑻、绑扎铜丝花岗岩饰面属于高级装饰工程,必须使用18号、10号铜丝连接,不可以用铁丝或铁件连花岗岩,因为铁要生锈,时间和节铁锈黄水浸透饰面板的表面,影响装饰效果。
用铜丝连接固定,应把铜丝剪成20㎜左右,铜丝一端伸入孔底,并有铅皮固定牢固,将铜丝顺孔槽弯曲并卧入槽内,使饰面板上下端面不能有铜丝突出,使相邻两块饰面板接缝严密。
在饰面板材对号就位后,先找饰面设计规划线(包括垂直与水平两个方向),将上口外抑,伸手到板的背面,把下口铜丝绑扎在横筋上,不可绑得太紧,应留余量,将铜丝和横筋拴牢即可。
把饰面板竖起,绑上口铜丝,用木楔子调整垫稳,用靠尺检查板垂直度,经检查合格后,拴紧铜丝,板材的两侧可塞纸或麻丝。
为了固定板的位置,可用拌制好的石膏捣成小团,紧贴在花岗岩板的接缝处,根据板的大小,一般每块板的竖缝上不少于两点,达到固定为止。
石膏凝固后,在确保不发生位移的条件下,开始灌水泥砂浆,每次灌水泥砂浆应在板上皮往下留100㎜,在上层板灌浆前,应将固定石膏顺次拆除,并用水泥擦隙,板面用湿布擦净。
第一层花岗岩板镶贴完毕以后,用直尺找垂直,用水平尺找平整,用方尺找阴阳角,使缝隙均匀,上口平直,阴阳角方正,表面平整,然后灌浆,再贴上层。
干挂花岗岩工艺干挂花岗岩是石材饰面施工中常见的一种施工工艺,多用于高级宾馆、商业写字楼,极少应用在变电站建筑物施工当中。
500kV邕州变电站是区重点工程,公司领导将本工程定位为创建国家优质工程,为了提升主控制楼的竞争力,大厅采用花岗岩饰面。
由于干挂花岗岩施工工艺性较强,不仅要求结构安全,而且要求外形美观,因此必须制定详细的施工工艺并严格控制施工质量。
1、工艺流程:采用自下而上的顺序安装:施工准备→弹线定位→金属骨架安装→花岗岩面板安装→嵌缝→清理花岗岩表面。
2、主要工艺流程及质量控制要点2.1施工准备1.1熟悉设计施工图,并计算出所需的花岗岩,用作骨架的角钢或槽钢,连接件膨胀螺栓,成品钢板连接件及嵌缝膏。
1.2准备齐安装石材所用的各种机具,如台钻、切割机、冲击钻、嵌缝栓、经纬仪、卷尺、靠尺、方尺、力矩扳手、开口板手、多用刀等。
1.3选择及采购花岗岩板材,要求无破损,规格、尺寸、力学性能及物理性能均要符合设计要求,并根据加工图和排列要求,复核加工尺寸和数量,对异形及特殊形状的板材要提出加工详图或放样加工。
1.4大面积施工前先做样板,经质检部门验收合格后,方可组织施工。
2.2弹线定位:清理基层结构表面,并进行吊直、套方、找规矩,弹出垂直线和水平线,之后根据设计并结合实际弹出安装石材的位置线和分块线,最好用经纬仪打出大角2个面的竖向控制线并弹出,以便随时检查垂直挂线的准确性,保证顺利安装。
2.3金属骨架安装:2.3.1按设计图纸及每块花岗岩留槽数位置,准确的在结构墙上打孔,在预先弹好的点上凿一个点,然后用钻打孔,深为6~8cm,若遇结构里的钢筋时,可将孔位在水平方向移动或往上抬高,成孔要求与结构表面垂直,成孔后把孔内的灰粉用小勾勺掏出,安放膨胀螺栓。
2.3.2用作骨架的角钢或槽钢预先进行防腐处理,之后用膨胀螺栓,紧固螺栓将横竖杆件与结构固定,为了保证饰面板材的安装精度,用经纬仪对横竖杆件进行贯通,安装骨架位置要准确,结合要牢固,安装后要全面检查。
2.4花岗岩面板安装2.4.1先将不锈钢连接铁件与角钢临时固定,调整不锈钢连接钢板位置,使其端头与石材插入孔对正,固定连接钢板,用力矩板子拧紧。
2.4.2面板的安装顺序从每面墙的边部竖向第一排下部第一块板开始,自下而上安装。
安放第一块时,用直尺托板和木楔找平,调整连接件使端部钢板与石材插孔对正,调整固定面板,依次顺序安装底层面板,待其全部就位后,检查上口是否水平,并进行调整上层面板暂时固定后,调整水平度,若板面上口不平,可在板底的一端下口的连接件上垫相应的双股铜丝垫,调整垂直度,并调整面板上口的不锈钢连接件的距墙空隙,直至面板垂直,每安装完五排板材,吊线检查一次,以便及时消除误差。
2.4.3顶部板安装完毕,在结构与板材的缝隙里吊一通长的20mm厚木条,木条上平为石材与墙之间塞放聚苯板,聚苯板略宽于空隙,以便填塞严实,之后在顶面灌入2 cm厚浆,作压顶盖板之用。
2.5嵌缝花岗岩之间的缝隙,用中性硅胶嵌填,首先沿面板边缘贴防污条,选用4cm左右的纸带型不干胶带,边沿要贴齐、贴严,在花岗岩板间缝处嵌弹性背衬条,嵌好后离饰面5mm,之后在背衬条外用嵌缝枪把中性硅胶打入缝内,打胶时用力要均,走枪要稳而慢,使嵌缝宽窄一致,无错台错位。
2.6花岗岩安装完毕,随架的降落进行全面检查、清洗,同时将防污条掀掉。
3、质量标准及成品保护3.1、大理石的品种、形状、几何尺寸、光洁度、颜色、图案要符合设计。
3.2、所有粘结材料,干挂配件必须符合设计要求及有关标准规定。
3.3、表面平整、洁净、颜色均匀一致,缝格均匀,板缝通顺。
3.4、面层垂直度、平整度、接缝要求、阳角方正的偏差在施工规范允许偏差内。
3.5、及时清擦残留门窗框玻璃上的污渍。
3.6、改拆架子和上料时,严禁碰撞干挂石材饰面板。
4、干挂花岗岩施工的注意事项4.1避免骨架垂直度及水平度偏差较大。
施工中首先应选用经验收合格的测量仪器,提高测量放线的精度;其次在安装过程中应加强检测和自检工作。
4.2避免石材色差较大。
色差大会直接影响到干挂石材的外观装饰效果,不能单凭小块样板确定材种,加工后要进行试铺配色。
尽可能的采用同一矿脉的石材,安装前要挑选并编号以保证石材纹理及方向正确,要求过度自然,无色差。
5、结束语干挂花岗岩施工质量的控制在于做好施工前的材料选择、安装方案设计和施工过程中的动态控制,各项验收制定一定要落实到位,通过加强质量控制,基本能够预防干挂花岗岩施工的质量通病,施工出美观的石材饰面。
参考文献:1、GB50210-2000建筑装饰装修工程质量验收规范2、《建筑施工手册》中国建筑工业出版社THANKS致力为企业和个人提供合同协议,策划案计划书,学习课件等等打造全网一站式需求欢迎您的下载,资料仅供参考。