使用声表谐振器的800米发射电路
- 格式:doc
- 大小:43.50 KB
- 文档页数:2
几款无线话筒电路来源:滕州科苑电子作者:未知字号:[大中小]编者按:本文较详尽地介绍了颇有代表性的几款业余情况下容易制作成功的88~108MHz调频广播范围内的小功率发射电路,其中有简易的单管发射电路,也有采用集成电路的立体声发射电路。
主要用于调频无线耳机、电话无线录音转发、遥控、无线报警、监听、数据传输及校园调频广播等。
单声道调频发射电路图1是较为经典的1.5km单管调频发射机电路。
电路中的关键元件是发射三极管,多采用D40,D5O,2N3866等。
工作电流为60--80mA。
但以上三极管难以购到,且价格较高,假货较多。
笔者选用其他三极管实验,相对易购的三极管C2053和C1970是相当不错的,实际视距通信距离大于1.5km。
笔者也曾将D40管换成普通三极管8050,工作电流有60--80mA,但发射距离达不到1.5km,若改换成9018等,工作电流更小,发射距离也更短,电路中除了发射三极管以外;线圈L1和电容C3的参数选择较重要,若选择不当会不起振或工作频率超出88--108MHz范围。
其中L1,L2可用0.31mm的漆包线在3.5mm左右的圆棒上单层平绕5匝及10匝,C3选用5-20pF的瓷介或涤纶可调电容。
实际制作时,电容C5可省略,L2上也可换成10-100mH的普通电感线圈。
若发射距离只要几十米,那么可将电池电压选择为1.5-3V,并将D40管换成廉价的9018等,耗电会更少,也可参考《电子报》2000年第8期第五版(简易远距离无线调频传声器)一文后稍作改动。
图1介绍的单管发射机具有电路简单,输出功率大,制作容易的特点,但是不便接高频电缆将射频信号送至室外的发射天线,一般是将0.7--0.9m的拉杆天线直接连在C5上作发射的,由于多普勒效应,人在天线附近移动时,频漂现象很严重,使本来收音正常的接收机声音失真或无声。
若将本发射机作无线话筒使用,手捏天线时,频漂有多严重就可想而知了。
图2为2km调频发射机电路。
无线电发射与接收电路————————————————————————————————作者:————————————————————————————————日期:简易无线遥控发射接收设计--- 315M遥控电路OOK调制尽管性能较差,然而其电路简单容易实现,工作稳定,因此得到了广泛的应用,在汽车、摩托车报警器,仓库大门,以及家庭保安系统中,几乎无一例外地使用了这样的电路。
早期的发射机较多使用LC振荡器,频率漂移较为严重。
声表器件的出现解决了这一问题,其频率稳定性与晶振大体相同,而其基频可达几百兆甚至上千兆赫兹。
无需倍频,与晶振相比电路极其简单。
以下两个电路为常见的发射机电路,由于使用了声表器件,电路工作非常稳定,即使手抓天线、声表或电路其他部位,发射频率均不会漂移。
和图一相比,图二的发射功率更大一些。
可达200米以上。
图一图二接收机可使用超再生电路或超外差电路,超再生电路成本低,功耗小可达100uA左右,调整良好的超再生电路灵敏度和一级高放、一级振荡、一级混频以及两级中放的超外差接收机差不多。
然而,超再生电路的工作稳定性比较差,选择性差,从而降低了抗干扰能力。
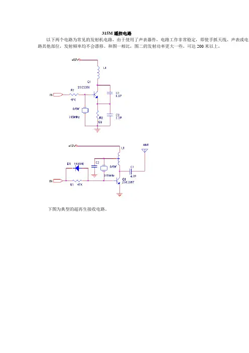
下图为典型的超再生接收电路。
超外差电路的灵敏度和选择性都可以做得很好,美国Micrel公司推出的单片集成电路可完成接收及解调,其MICRF002为MICRF001的改进型,与MICRF001相比,功耗更低,并具有电源关断控制端。
MICRF002性能稳定,使用非常简单。
与超再生产电路相比,缺点是成本偏高(RMB35元)。
下面为其管脚排列及推荐电路。
ICRF002使用陶瓷谐振器,换用不同的谐振器,接收频率可覆盖300-440MHz。
MICRF002具有两种工作模式:扫描模式和固定模式。
扫描模式接受带宽可达几百KHz,此模式主要用来和LC振荡的发射机配套使用,因为,LC发射机的频率漂移较大,在扫描模式下,数据通讯速率为每秒2.5KBytes。
固定模式的带宽仅几十KHz,此模式用于和使用晶振稳频的发射机配套,数据速率可达每秒钟10KBytes。
无线鼠标的设计与实现摘要:将机械鼠标的滚动动作和左右键的操作转换成开关信号,用方波电路产生的方波信号代替原鼠标内光敏传感器的脉冲信号,用相应的开关动作可以实现鼠标光标移动和鼠标的单双击操作!而用发射和接收电路代替原来的鼠标线,可以实现鼠标的遥控。
设计任务和要求:实现鼠标的长距离(1—50米)遥控。
其中的电路设计包括发射模块(含编码电路)、接收模块(含解码电路)、方波发生电路和开关电路等等电路的设计及它们之间的连接、匹配。
一.无线鼠标电路的设计和实现1.总体方案论证:方案一:在鼠标与电脑接口间用发射和接收电路代替了鼠标线,本方案除了要考虑发射和接收模块外,还要考虑接口协议,如下图。
考虑到时间和难度的问题,没有选择此方案。
方案二:用遥控器控制鼠标,即用遥控器的按键信号控制鼠标的上下左右移动方向和左右键。
只需要考虑发射和接收电路,不需要考虑接口协议,如下图。
选择此方案。
2.发射模块和接收模块的电路的实现方案:方案一:发射模块F05和接受模块J05C的应用。
F05采用声表谐振器稳频,工作频率为315MHZ,以AM方式调制,采用PT2262编码器240mm小拉杆天线发射信号;J05C由超外差电路结构IC芯片和温度补偿电路构成,具有较高的接收灵敏度及稳定性。
芯片内含低噪声射频放大器、混频器、本地振荡器、中频放大器、滤波器及限幅比较器,输出为数据电平信号,直接接至PT2272解码器进行解码,接收天线约22cm。
方案二:利用红外线技术实现红外信号的发射和接收。
发射部分,利用单片机AT89C2051检测坐标位移和按键动作,经过处理按一定的编码输出到发射电路。
接收部分使用红外遥控用专用接收管,如IRM8608S,对红外信号接收和解调,并输出TTL电平;TTL电平的数据流送给单片机进行处理,单片机把该数据转化为符合PS/2鼠标规范的数据报告,发送给计算机。
如图:方案三:利用无线遥控方式实现鼠标的遥控。
原理与上述方案二的原理一样,只是具体的发射和接收电路有所不同。
800米四通道遥控接收模块手持式微型无线编码遥控模块的使用距离一般为50~100m,对某些需要四五百米甚至更远操作距离的应用场合,这类遥控模块便显得无能为力。
这里介绍一种800米四通道遥控接收模块,它的特点是:发射器内部采用了声表面谐振稳频技术,可靠性达到工业级水准,空旷地实测有效距离可达800m,是目前性能较好,距离较远的遥控产品。
800米四键遥控器也可以选购遥控器挂座,可以方便地固定在墙体或其他物体上,属于选配件,每个2元。
800米四键遥控器(频率315MHZ/振荡电阻1.5M,)发射器体积体积32x17x85毫米,带有23厘米长的金属拉杆天线,使用A23电池供电,背后有活动的电池舱盖,可以方便地更换电池。
这是800米四键遥控器的内部结构,采用SC2262编码芯片,红色箭头所指的是振荡电阻,我们采用1.5M(155),电池上方是1~8位地址码切换区域,客户可以自行用焊锡短路的方法设置地址码。
发射机内部采用进口声表谐振器稳频,频率一致性非常好,稳定度极高,峰值发射功率0.25W,工作频率315MHZ频率稳定度优于10-5,使用中无需调整频点,特别适合多发一收等无线电遥控系统使用,而目前市场上的无线电遥控模块一般仍采用LC振荡器,稳定度及一致性较差,即使采用高品质微调电容,温度变化及震动也很难保证已调试好的频点不会发生偏移,造成发射距离缩短。
上图为发射器外形,面板上有A、B、C、D四位操纵按键及一个发射指示灯。
因为要满足远距离遥控,所以发射机的发射功率比较大。
接收模块:接收模块从工作方式分,可以分成超外差接收板和超再生接收板。
超再生式接收机具有电路简单、性能适中、成本低廉的优点所以在实际应用中广泛采用。
这是超再生接收机等效电路图:接收模块采用SMD贴片工艺制造生产,它内含放大整形及解码电路,产品技术特点:1。
天线输入端有选频电路,而不依赖1/4波长天线的选频作用,控制距离较近时可以剪短甚至去掉外接天线。
声表滤波器和声表谐振器的作用与差别声表滤波器(通常简称SAW)主要作用原理是利用压电材料的压电特性,利用输入与输出换能器(Transdu cer)将电波的输入信号转换成机械能,经过处理后,再把机械能转换成电的信号,以达到过滤不必要的信号及杂讯,提升收讯品质的目标。
声表滤波器和声表谐振器被广泛应用在各种无线通讯系统、电视机、录放影机及全球卫星定位系统接收器上替代LC谐振电路,用于级间耦合和滤波。
主要功用在於把杂讯滤掉,比传统的LC 滤波器安装更简单、体积更小。
其缺点是插入损耗比LC谐振电路大晶振全称为晶体振荡器,其作用在于产生原始的时钟频率,这个频率晶振经过频率发生器的放大或缩小后就成了电脑中各种不同的总线频率。
以声卡为例,要实现对模拟信号44.1kHz或48kHz的采样,频率发生器就必须提供一个44.1kHz或48kHz的时钟频率。
如果需要对这两种音频同时支持的话,声卡就需要有两颗晶振。
但是娱乐级声卡为了降低成本,通常都采用SR C将输出的采样频率固定在48kHz,但是SRC会对音质带来损害,而且现在的娱乐级声卡都没有很好地解决这个问题。
晶振一般叫做晶体谐振器,是一种机电器件,是用电损耗很小的石英晶体经精密切割磨削并镀上电极焊上引线做成。
这种晶体有一个很重要的特性,如果给它通电,它就会产生机械振荡,反之,如果给它机械力,它又会产生电,这种特性叫机电效应。
他们有一个很重要的特点,其振荡频率与他们的形状,材料,切割方向等密切相关。
由于石英晶体化学性能非常稳定,热膨胀系数非常小,其振荡频率也非常稳定,由于控制几何尺寸可以做到很精密,因此,其谐振频率也很准确。
根据石英晶体的机电效应,我们可以把它等效为一个电磁振荡回路,即谐振回路。
他们的机电效应是机-电-机-电..的不断转换,由电感和电容组成的谐振回路是电场-磁场的不断转换。
800米四通道遥控设计:手持式微型无线编码遥控模块的使用距离一般为50~100m,对某些需要四五百米甚至更远操作距离的应用场合,这类遥控模块便显得无能为力。
这里介绍一种800米四通道遥控接收模块,它的特点是:发射器内部采用了声表面谐振稳频技术,可靠性达到工业级水准,空旷地实测有效距离可达800m,是目前性能较好,距离较远的遥控产品。
800米四键遥控器也可以选购遥控器挂座,可以方便地固定在墙体或其他物体上,属于选配件,每个2元。
800米四键遥控器每个16元(频率315MHZ/振荡电阻1.5M,)(含A23电池一节)发射器体积体积32x17x85毫米,带有23厘米长的金属拉杆天线,使用A23电池供电,背后有活动的电池舱盖,可以方便地更换电池。
这是800米四键遥控器的内部结构,采用SC2262编码芯片,红色箭头所指的是振荡电阻,我们采用1.5M(155),电池上方是1~8位地址码切换区域,客户可以自行用焊锡短路的方法设置地址码。
发射机内部采用进口声表谐振器稳频,频率一致性非常好,稳定度极高,峰值发射功率0.25W,工作频率315MHZ频率稳定度优于10-5,使用中无需调整频点,特别适合多发一收等无线电遥控系统使用,而目前市场上的无线电遥控模块一般仍采用LC振荡器,稳定度及一致性较差,即使采用高品质微调电容,温度变化及震动也很难保证已调试好的频点不会发生偏移,造成发射距离缩短。
上图为发射器外形,面板上有A、B、C、D四位操纵按键及一个发射指示灯。
因为要满足远距离遥控,所以发射机的发射功率比较大。
接收模块:接收模块从工作方式分,可以分成超外差接收板和超再生接收板。
超再生式接收机具有电路简单、性能适中、成本低廉的优点所以在实际应用中广泛采用。
基于单片机的声音导航定位系统的设计关健生(厦门理工学院,福建厦门,361024)摘要:详细阐述了基于单片机的声音导航定位系统的设计过程,并给出了主要电路图。
该系统是以智能小车为运动体的声音定位测控系统,控制器由主从结构的两片STC89C52单片机构成,主芯片同时对三个处于不同位置的声音接收模块的音频信号进行处理和时间差测量,从芯片控制小车上的声源发出音频信号,根据主芯片用无线信号传送过来的误差信号,引导小车往目的地运动,也可实现路线选择及较精确定位 ,使该声音导航定位小车具有智能化。
关键词:单片机;声音定位;无线收发1 引 言 工业生产、生活的自动化都离不开智能化的机器,譬如:人们对太空的探索,对单调工作的替代,在危险环境中的操作等都需借助于智能化的行走、运动机构。
智能小车作为最常用的行走机构在工业生产与生活中得到了广泛的应用。
本文结合开发实例,阐述了基于单片机的声音导航定位系统小车的设计过程2 设计过程2. 1整个系统由2片STC89C52单片机组成,可分为以下这几个模块:周期性音频脉冲信号产生模块,声音接受、处理电路,无线电收发模块,NEC电机驱动及声光指示模块。
系统方框如图1所示。
2. 2系统的工作流程1)启动MCU1、音频接收装置及无线电发送装置。
MCU1通过音频接收装置对音频信号进行实时监控。
2)启动MCU2、音频发生装置,由音频发生装置发出一串间歇的脉冲音频信号。
3)MCU1通过音频接收装置接收音频信号,进行算法处理,将结果由无线电发送装置发送出去。
4)MCU2接收MCU1的无线电引导信号,对电机进行控置,接近目标。
当小车行驶到指定的位置时停止,并发出信号使声光指示装置响应。
压陶瓷片接收声音信号通过NE5532运放组成的音频检测放大电路。
压电陶瓷片由多晶体结构的压电材料锆钛酸铅制成。
在压电陶瓷片的两个底面加上正弦交变电压,它就会按正弦规律发生纵向伸缩,同样压电陶瓷可以在声压的作用下把声波信号转化为电信号。
简易便捷易制的Fm发射器电路集9018简易调频发射器电路上图中的发射器线圈是用1.0mm的漆包线在3.2mm的钻头上绕6-8圈,可覆盖88-108MHz,7圈时在100MHz附近。
距离不是很远,<100米(开阔地带)!虽距离不远,但对于初学者来说是很有帮助的!本无线话筒电路设计合理、造型美观大方、传声距离远、使用寿命长、经济实惠、耗电小,非常适合普通FM调频收音机接收使用。
振荡线圈L的制作:在Ф5mm的直柄钻花上用Ф0.5mm的漆包线平绕4T脱后即成。
振荡线圈L的调整:打开收音机(置于FM段)和话筒开关,然后手持话筒,一边对话筒讲话一边调收台旋钮,直到收音机中传出自己的声音为。
如果在整个频段(即88~108MHz)仍收不到自己的声音,仔细拨动振荡线圈L,拨动时只需拉开或缩小线圈每匝之间的距离,调整时应仔细。
若调整线圈的松紧仍无凑效应将L焊下来增加一匝或者减少一匝(因电子元件参数的影响),重新焊上后继续上述调整。
在准备安装制作前,请用万用表筛选一下各个元件的质量,有条件的话将各瓷片电容测量一下电容量,这样就万无一失,一装即成功。
在焊接时要保证质量,不能出现虚焊、假焊、错焊。
1)高频三极管V1和电容C3、C5、C6组成一个电容三点式的振荡器2)C4、L组成一个谐振器:谐振频率就是调频话筒的发射频率,根据图中元件的参数发射频率可以在88~108MHZ之间,正好覆盖调频收音机的接收频率,通过调整L的数值(拉伸或者压缩线圈L)可以方便地改变发射频率,避开调频电台。
发射信号通过C4耦合到天线上再发射出去。
3)R4是V1的基极偏置电阻,给三极管提供一定的基极电流,使V1工作在放大区。
4)R5是直流反馈电阻,起到稳定三极管工作点的作用。
5)话筒MIC采集外界的声音信号。
6)电阻R3为MIC提供一定的直流偏压,R3的阻值越大,话筒采集声音的灵敏度越弱,电阻越小话筒的灵敏度越高。
7)话筒采集到的交流声音信号通过C2耦合和R2匹配后送到三极管的基极。
315M遥控电路
以下两个电路为常见的发射机电路,由于使用了声表器件,电路工作非常稳定,即使手抓天线、声表或电路其他部位,发射频率均不会漂移。
和图一相比,图二的发射功率更大一些。
可达200米以上。
下图为典型的超再生接收电路。
超外差电路的灵敏度和选择性都可以做得很好,美国Micrel公司推出的单片集成电路可完成接收及解调,其MICRF002为MICRF001的改进型,与MICRF001相比,功耗更低,并具有电源关断控制端。
MICRF002性能稳定,使用非常简单。
与超再生产电路相比,缺点是成本偏高(RMB35元)。
下面为其管脚排列及推荐电路。
ICRF002使用陶瓷谐振器,换用不同的谐振器,接收频率可覆盖300-440MHz。
此为摩托车防盗报警原理,频率为315MZ,电源12V,发射距离100-200米,发射器电源电压越低,发射距离越近.。
声表面波谐振器在无线电遥控中的应用电路图快速瓶劲识别-更好的负载测试方法振荡电路也不是声表振荡电路的唯一形式。
笔者经过多年的探索,设计开发了多种可满足不同需要的声表稳频振荡发射电路,从耗电微瓦级微功率的发射机到输出功率达数瓦的单级大功率发射机,以及从ASK(幅度键控)或FSK(频移键控)调制方式的数传或遥控用发射机到AM(调幅)或FM(调频)方式的语音及图像传送用发射机均已开发成功。
现将一套发射/接收都用声表稳频的、在开阔地上最大遥控距离可达3000米的高性能无线电遥控电路介绍给广大电子爱好者。
一、发射机这是一个带地址编码的四键微型超远程遥控发射机,电路原理见图2所示。
R11~R13、Q1、Q2组成电子开关式调制电路,当编码器输出为高电平时Q1导通,振荡发射级工作;当编码器输出为低电平时Q1截止,振荡发射级停止工作,从而完成ASK调制。
R14、Q3、C1、L1、L2及声表谐振器SAW组成315MHz的功率振荡级,Q3为高频功率场效应管,在450MHz下可输出1。
5W的功率,其中L1、L2及C1组成SAW所需要的移相选频及匹配网络,使Q3与SAW在很高的效率下工作。
L3、C2及C3组成天线匹配网络,使天线阻抗与振荡级匹配,确保其稳定工作。
发射机主要技术指标如下:1)工作电压范围:3V~12V;2)工作频率:315MHz±100kHz,也可选择其它频率;3)频率稳定度:优于10-5;4)峰值发射功率:0。
5W;5)工作温度范围:-20℃~+80℃;6)地址码数:6561组不重复;7)工作方式:间断工作;8)外形尺寸:73mm×37mm×15mm。
本机编码及按键控制部分与一般遥控发射机相似,特色部分为调制级和振荡发射级采用的是本人独创的单级中功率振荡发射电路,这是本机微型化、低功耗和远距离遥控的保证。
二、接收机接收机是用声表谐振器稳频的超外差式成品板,电路原理。
接收机以集成电路RX3310为核心元件,组成ASK制解调的超外MHz式接收机,其灵敏度为-105dBm。
无线电遥控技术在我们的日常生活中已被广泛应用,无论是遥控开启电动门还是小孩子手中的玩具模型都无一例外地用到了这些技术,正可谓是人们生活在无线电波之中。
现在,随着人们生活水平的不断提高,汽车慢慢地走进了人们的生活,而遥控技术在这一领域的应用也被人们所熟悉,早先看到人家用手一按,汽车便嘟的响一下,车门就锁上了,感到非常奇怪,如今汽车遥控器已是非常普遍。
在本网站介绍的许多款无线报警器也都用到了无线遥控手柄,然而所有这些遥控手柄其工作原理是大同小异。
这些遥控器的特点是:遥控器价格低廉,发射机手柄体积小巧、外观精致,耗电省,工作稳定可靠,随身携带方便。
然而在我们的日常生活中许多场合如报警器设防、车库门遥控、摩托车、汽车的防盗报警等,这类用途要求遥控器的遥控距离并不远,一般50米足够了,这就为遥控手柄提供了广阔的用武之地。
无线遥控手柄内部采用进口声表谐振器稳频,频率一致性非常好,稳定度极高,工作频率315MHZ频率稳定度优于10-5,使用中无需调整频点,特别适合多发一收等无线电遥控系统使用,而目前市场上的一些低价位无线电遥控模块一般仍采用LC振荡器,稳定度及一致性较差,即使采用高品质微调电容,当温度变化或者震动后也很难保证已调试好的频点不会发生偏移,造成发射距离缩短。
遥控手柄的电路原理图如下:
上图为四键遥控手柄的电路图,实际使用中的手柄还有一键、二键和三键手柄,各外型和参数如下:。
采用声表面谐振器315M的无线发射电路图及制作使用声表谐振器的无线发射电路形式很多,这里推出又一款电路,这个电路是我在3年前参考电子报上的文章后,又结合了该文章介绍的那个模块的实样做的,在经过批量生产后,改进了一些参数,现在这款产品真是非常不错。
不过现在这个东东的仿制产品实在太多了,质量差别也很大,但是因为它比较简单,所以我觉得还是很有必要把它弄出来给大家,我在网上也找到许多类似的电路图,不过其中有的是有陷阱的哦,希望大家要注意学会自己辨别一些BUG。
对于这个模块,我没有测试过它的无线发射的绝对功率,不过我们开着汽车在公路上拉过距离,它和普通的315M超再生接收模块相配合,可以达到800米距离,虽然我的电路只要减小一下8050基极电阻的值,通讯距离会加大到1200米甚至更加远,但是经过大量的实验证明,那样不是很可靠的,原因我不是很清楚,可能有2方面的原因,一个是8050在R2小的时候,有轻微的导通,导致发射不能快速截止。
还有一个是R2很小,8050开通电流比较大,对供电可能是一个扰动,而达不到起振要求。
我曾经怀疑过自己的电路是不是很匹配,因此特意买了好多号称1500米的类似模块,发现它们也有一样的不可靠性,普遍表现为偶尔的不能起振或者波特率上不到2K,后来我就增加R2电阻,在大于15K时,发射一直很正常,距离和27K的差不多,所以现在就用这个电阻了,这里的L1L2,我是用0.8mm的免去漆漆包线在3毫米的钻头上绕4圈半脱胎而成。
摘要鼠标是人们日常使用的电脑外设,其技术发展备受瞩目。
传统的鼠标有机械鼠标和光电鼠标两种,他们都依赖与在平面上的工作来感知位移的变化。
二随着工作场合和客户需求的不断变化,人们越来越需要一种几倍无线功能和悬空遥控功能的鼠标,它不依赖与平面,没有连线的距离限制。
同时,在鼠标的发展中,如何缩小鼠标的体积,降低鼠标的功耗也越来越被人们所关注。
无线鼠标则是电脑周边器件与无线通信技术的完美结合物。
无线鼠标接收器作为无线鼠标的一个重要组成部分是完成无线鼠标与计算机之间的通信的媒介,对于他的设计和创新能为无线鼠标的更快的普及和发展提供有力的支持。
本文在简单介绍的鼠标的发展后,将无线鼠标的设计主要分为两部分,第一部分先介绍了无线鼠标的构成,然后详细分析了无线鼠标系统的设计。
然后经过设计制作与调制验证了系统的稳定,通信可靠。
最后做出设计的总结,并且提出几点可以改进的方向。
关键词:无线鼠标;无线编码解码;无线射频;AbstractThe mouse is a computer peripherals use Daily by People, with is high-profile technical development. Traditional mouse include a mechanical mouse and photoelectric mouse, they all perceive displacement change by work on the plane. With the changes of workplace and customer’s demand, people are need a better wireless function and impending remote function, and it does not depend on the way of working of traditional mouse. Meanwhile, in rat mark developing, people take more attention to t narrow the mouse volume, reduce the power consumption.Wireless mouse is the perfect combination of wireless communication technology things as computer peripheral devices. Wireless mouse receiver as wireless mouse is an important component of media among the complete wireless mouse and computer communication, and for his design and innovation for wireless mouse fast, the popularity and development provide strong support. After the brief introduction of the development of the mouse after the design of wireless mouse, will mainly divided into two parts, the first part of the first introduces wireless mouse, then constitute a detailed analysis on the wireless mouse system. Then after design and modulation system stability, verified communication and reliable. Finally make a design summary, and puts forward the direction of several can improve.Key: Wireless Mouse,Wireless coding and decoding, Wireless RF目录1 绪论 (1)1.1 设计的内容 (1)1.2 课题研究目的与意义 (1)2 鼠标发展介绍 (3)2.1 鼠标的发展历史 (3)2.2 鼠标发展现状 (5)3 设计方案 (6)3.1 方案论证 (6)3.1.1 利用红外线技术 (6)3.1.2 利用蓝牙技术 (6)3.1.3 利用射频技术 (7)3.2 方案选择 (8)4 系统设计 (9)4.1 无线鼠标整体设计 (9)4.2 光电鼠标的控制 (9)4.2.1 控制的实现 (9)4.2.2 鼠标控制的元器件 (11)4.3 编解码电路 (16)4.3.1 编解码芯片介绍 (16)4.3.2 地址的设定与修改 (19)4.3.3 抗干扰处理 (19)4.4 无线发射接受模块 (20)4.4.1 发射模块 (20)4.4.2 接收模块 (22)5 实物制作与调试 (26)5.1 实物制作 (26)5.1.1 鼠标控制模块 (26)5.1.2 无线发射模块 (26)5.1.3 无线接收模块 (27)5.2 实物调试 (28)5.2.1 调试过程 (28)5.2.2 调试结果 (29)6 总结 (30)7 致谢 (32)8 参考文献 (33)1绪论1.1设计的内容本课题要求设计了一套无线遥控鼠标硬件电路,通过设计将光电鼠标的左右移动动作和对左键或右键选中的操作转换成开关信号,用方波电路产生的方波信号代替原鼠标内光敏传感器的脉冲信号,用相应的开关动作可以实现鼠标光标移动和鼠标的单、双击操作。
声表谐振器应用手册声表谐振器是一种用于增强声音效果的设备,通常用于演讲、音乐表演、录音和广播等领域。
本应用手册将介绍声表谐振器的工作原理、使用方法以及常见问题的解决方案。
## 第一部分:声表谐振器的工作原理声表谐振器通过将声音引导到特定的共振腔体中,从而增强特定频率的声音。
它包括一个共振腔体和一个与之连接的声音传感器。
当声音通过传感器进入共振腔体时,腔体内的空气质量和位置会导致特定频率的声音被放大。
## 第二部分:声表谐振器的使用方法使用声表谐振器可以按照以下步骤进行:1. 将声表谐振器放置在合适的位置。
通常建议将其放置在演讲者或表演者面前的适当位置,以便更好地接收声音。
2. 调整共振腔体的开启程度。
通常可以通过旋转或拨动特定按钮来调整共振腔体的开启程度。
开启程度越高,声音放大效果越明显,但也可能导致声音失真。
3. 测试声音效果。
使用演讲或表演的预设声音进行测试,观察是否有明显的声音增强效果。
如果效果不理想,可以尝试调整共振腔体的开启程度或位置。
## 第三部分:常见问题的解决方案### 问题1:声音失真或杂音过大解决方案:首先检查共振腔体的开启程度是否适当,如果开启程度过高可能导致声音失真。
尝试调整开启程度,使其适合当前的声音输入。
如果问题仍然存在,可能是共振腔体内部的杂音导致的,建议清洁共振腔体或更换新的共振腔体。
### 问题2:声音效果不明显解决方案:首先确保共振腔体正确连接到声音传感器,如果连接不稳定可能会导致声音不被放大。
其次,检查声音源的音量是否适当,声音太小可能无法有效放大。
此外,再次尝试调整共振腔体的开启程度和位置,以获得更好的效果。
### 问题3:声表谐振器无法正常工作解决方案:首先检查声表谐振器的电源是否正常连接,如果电池电量不足可能导致无法正常工作。
其次,检查声音传感器和共振腔体之间的连接是否稳定,如果连接松动可能会导致设备无法正常工作。
如果以上问题都不存在,可能是设备本身出现故障,建议联系售后服务进行维修或更换。
使用声表谐振器的800米发射电路使用声表谐振器的无线发射电路形式很多,这里推出又一款电路,这个电路是我在3年前参考电子报上的文章后,又结合了该文章介绍的那个模块的实样做的,在经过批量生产后,改进了一些参数,现在这款产品真是非常不错。
不过现在这个东东的仿制产品实在太多了,质量差别也很大,但是因为它比较简单,所以我觉得还是很有必要把它弄出来给大家,我在网上也找到许多类似的电路图,不过其中有的是有陷阱的哦,希望大家要注意学会自己辨别一些BUG。
对于这个模块,我没有测试过它的无线发射的绝对功率,不过我们开着汽车在公路上拉过距离,它和普通的315M超再生接收模块相配合,可以达到800米距离,虽然我的电路只要减小一下8050基极电阻的值,通讯距离会加大到1200米甚至更加远,但是经过大量的实验证明,那样不是很可靠的,原因我不是很清楚,可能有2方面的原因,一个是8050在R2小的时候,有轻微的导通,导致发射不能快速截止。
还有一个是R2很小,8050开通电流比较大,对供电可能是一个扰动,而达不到起振要求。
我曾经怀疑过自己的电路是不是很匹配,因此特意买了好多号称1500米的类似模块,发现它们也有一样的不可靠性,普遍表现为偶尔的不能起振或者波特率上不到2K,后来我就增加R2电阻,在大于15K时,发射一直很正常,距离和27K的差不多,所以现在就用这个电阻了,这里的L1L2,我是用0.8mm的免去漆漆包线在3毫米的钻头上绕4圈半脱胎而成在制作的时候,或许在PCB布线上还是有些问题的,提醒大家,线路要尽量简单,做到布线越短越好,元件要选好的,PCB板可以用1点5毫米厚的。
如果大家在做的时候有问题,或者自己不想做的话,这里有现成的,价格呢也会很令你惊喜的。
我的邮箱是孔雀石。
还有一个关键的东西没有说明,RF01是2SC3357好了,再没有什么好东西了,该你自己动手了吧!。
声表滤波器和声表谐振器的作用与差别声表滤波器(通常简称SAW)主要作用原理是利用压电材料的压电特性,利用输入与输出换能器(Transducer)将电波的输入信号转换成机械能,经过处理后,再把机械能转换成电的信号,以达到过滤不必要的信号及杂讯,提升收讯品质的目标。
声表滤波器和声表谐振器被广泛应用在各种无线通讯系统、电视机、录放影机及全球卫星定位系统接收器上替代LC谐振电路,用于级间耦合和滤波。
主要功用在於把杂讯滤掉,比传统的 LC 滤波器安装更简单、体积更小。
其缺点是插入损耗比LC谐振电路大晶振全称为晶体振荡器,其作用在于产生原始的时钟频率,这个频率晶振经过频率发生器的放大或缩小后就成了电脑中各种不同的总线频率。
以声卡为例,要实现对模拟信号44.1kHz或48kHz的采样,频率发生器就必须提供一个44.1kHz或48kHz的时钟频率。
如果需要对这两种音频同时支持的话,声卡就需要有两颗晶振。
但是娱乐级声卡为了降低成本,通常都采用SRC将输出的采样频率固定在48kHz,但是SRC会对音质带来损害,而且现在的娱乐级声卡都没有很好地解决这个问题。
晶振一般叫做晶体谐振器,是一种机电器件,是用电损耗很小的石英晶体经精密切割磨削并镀上电极焊上引线做成。
这种晶体有一个很重要的特性,如果给它通电,它就会产生机械振荡,反之,如果给它机械力,它又会产生电,这种特性叫机电效应。
他们有一个很重要的特点,其振荡频率与他们的形状,材料,切割方向等密切相关。
由于石英晶体化学性能非常稳定,热膨胀系数非常小,其振荡频率也非常稳定,由于控制几何尺寸可以做到很精密,因此,其谐振频率也很准确。
根据石英晶体的机电效应,我们可以把它等效为一个电磁振荡回路,即谐振回路。
他们的机电效应是机-电-机-电..的不断转换,由电感和电容组成的谐振回路是电场-磁场的不断转换。
在电路中的应用实际上是把它当作一个高Q值的电磁谐振回路。
由于石英晶体的损耗非常小,即Q值非常高,做振荡器用时,可以产生非常稳定的振荡,作滤波器用,可以获得非常稳定和陡削的带通或带阻曲线。
使用声表谐振器的800米发射电路
使用声表谐振器的无线发射电路形式很多,这里推出又一款电路,这个电路是我在3年前参考电子报上的文章后,又结合了该文章介绍的那个模块的实样做的,在经过批量生产后,改进了一些参数,现在这款产品真是非常不错。
不过现在这个东东的仿制产品实在太多了,质量差别也很大,但是因为它比较简单,所以我觉得还是很有必要把它弄出来给大家,我在网上也找到许多类似的电路图,不过其中有的是有陷阱的哦,希望大家要注意学会自己辨别一些BUG。
对于这个模块,我没有测试过它的无线发射的绝对功率,不过我们开着汽车在公路上拉过距离,它和普通的315M超再生接收模块相配合,可以达到800米距离,虽然我的电路只要减小一下8050基极电阻的值,通讯距离会加大到1200米甚至更加远,但是经过大量的实验证明,那样不是很可靠的,原因我不是很清楚,可能有2方面的原因,一个是8050在R2小的时候,有轻微的导通,导致发射不能快速截止。
还有一个是R2很小,8050开通电流比较大,对供电可能是一个扰动,而达不到起振要求。
我曾经怀疑过自己的电路是不是很匹配,因此特意买了好多号称1500米的类似模块,发现它们也有一样的不可靠性,普遍表现为偶尔的不能起振或者波特率上不到2K,后来我就增加R2电阻,在大于15K时,发射一直很正常,距离和27K的差不多,所以现在就用这个电阻了,这里的L1L2,我是用0.8mm的免去漆漆包线在3毫米的钻头上绕4圈半脱胎而成
在制作的时候,或许在PCB布线上还是有些问题的,提醒大家,线路要尽量简单,做到布线越短越好,元件要选好的,PCB板可以用1点5毫米厚的。
如果大家在做的时候有问题,或者自己不想做的话,这里
有现成的,价格呢也会很令你惊喜的。
我的邮箱是孔雀石。
还有一个关键的东西没有说明,RF01是2SC3357
好了,再没有什么好东西了,该你自己动手了吧!。