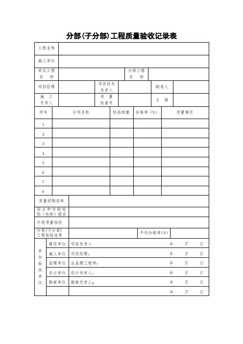
子分部、分项工程质量验收记录表
- 格式:doc
- 大小:57.50 KB
- 文档页数:2
混凝土结构分部(子分部)工程质量验收记录表填表说明一、本表适用于混凝土结构子分部工程的施工质量验收记录。
二、本表由施工单位填写,施工、勘察、设计、监理(建设)、分包单位共同验收后签署验收意见。
三、混凝土结构子分部工程质量验收应由总监理工程师(建设单位项目专业负责人)组织施工项目负责人和有关勘察、设计单位项目负责人进行验收。
四、填写说明:1.施工单位检查评定应由项目专业质量(技术)负责人根据各分项工程的检验批检查评定结果填写是否“合格”;2.验收意见应由总监理工程师(建设单位项目专业负责人)根据各分项工程检查评定结果和验收组意见填写是否“合格”的意见;质量控制资料以及安全和功能检验(检测)报告应填写是否“完整”;观感质量验收情况应填写“好”、“一般”或“差”;3.表头部分的工程名称、施工单位应填写全称,与检验批、分项工程、单位工程等验收表相一致;4.表格中的层数应分别注明地下或地上的层数,技术部门负责人和质量部门负责人填写施工单位技术部门负责人和质量部门负责人;5.分包单位的填写,有分包单位时才填写,没有就不填。
主体结构不得进行分包。
五、混凝土结构子分部工程施工质量验收合格应符合下列规定:1.有关分项工程施工质量验收合格;2.应有完整的质量控制资料;3.观感质量验收合格;4.结构实体检验结果满足规范要求。
六、混凝土结构子分部工程,在混凝土试件28天强度未出来时,如果其它记录和工程实体均符合设计和规范要求,验收组应予以签字验收,同意后续了稚施工,同时注明待混凝土试件28天强度出来后再补签。
七、由于模板在子分部工程验收时已不在结构中,且结构实体外观质量、尺寸偏差等项目的检验反应了模板工程的质量,因此,模板工程分项工程可不参与混凝土结构子分部工程质量的验收。
八、本表一式四份,建设单位、施工单位、监理单位、城建档案馆各一份。
分部、子分部工程质量验收记录1. 引言本文档为分部、子分部工程质量验收记录,对于工程的合格率和建设单位的验收有着重要的作用。
验收记录从分部、子分部的角度出发,详细叙述了各项工作的验收情况,以及问题发现后所采取的措施,对于进一步提高工程质量具有积极的意义。
2. 分部工程质量验收记录2.1 分部工程概述分部名称分部编号xxx 01xxx 02xxx 032.2 验收记录工程项目规格、型号级别合格不合格备注xxx工程xxx I级√xxx工程xxx II级√xxx工程xxx II级√xxx工程xxx II级√需要重新修改2.3 问题处理•针对不合格工程项目,采取以下措施–xxx操作或者修补–xxx操作或者修补•工程项目重新修补/修改后,重新进行验收,合格率达到100%3. 子分部工程质量验收记录3.1 子分部工程概述子分部名称分部编号工程名称工程分类xxx 01 xxx xxxxxx 02 xxx xxxxxx 03 xxx xxx3.2 验收记录工程项目规格、型号级别合格不合格备注xxx工程xxx I级√xxx工程xxx II级√xxx工程xxx II级√xxx工程xxx II级√需要重新修改3.3 问题处理•针对不合格工程项目,采取以下措施–xxx操作或者修补–xxx操作或者修补•工程项目重新修补/修改后,重新进行验收,合格率达到100%4. 和建议本次分部、子分部工程质量验收记录工作完成后,发现存在部分问题需要及时处理。
在今后的工作中,需要加强对于工程质量的管控和检查,保证整个工程的质量符合标准和要求,以便建设单位进行验收。
同时,加强对于工程的管理和监督,确保工程按照规定的时间节点交付使用。
建筑电气分部(子分部)工程验收记录
电缆头制作、接线和线路绝缘测试分项工程质量验收记录表
避雷引下线安装
分项工程质量验收记录表
建筑等电位安装 分项工程质量验收记录表
接闪器安装分项工程质量验收记录表
电线管敷设安装分项工程质量验收记录表
建筑物通电运行分项工程质量验收记录表
成套配电箱安装分项工程质量验收记录表
开关、插座安装分项工程质量验收记录表
普通灯具安装分项工程质量验收记录表
建筑物通电运行分项工程质量验收记录表
建筑给水、排水分部(子分部)工程验收记录
室内给水管及配件分项工程质量验收记录表
室内排水管及配件分项工程质量验收记录表
室外雨水管及配件分项工程质量验收记录表
卫生洁具排水管分项工程质量验收记录表。
分部、分项工程质量验收记录地基与基础分部工程质量验收记录工程名称:大王安置小区8#楼结构类型:框架结构层数:六层质量部门负责人:XXX分包技术负责人:无验收意见:齐全、合格序号分项工程名称施工单位检查评定1 XXX开挖合格2 XXX回填合格3 砂石垫层合格4 模板合格5 钢筋合格6 混凝土合格7 现浇结构合格质量控制资料、安全和功能检验报告、观感质量验收均符合要求。
主体结构分部工程质量验收记录工程名称:大王安置小区8#楼结构类型:框架结构层数:六层质量部门负责人:XXX分包技术负责人:无验收意见:齐全、合格序号子分部工程名称分包单位施工单位检查评定1 混凝土结构合格2 砌体结构合格3 无4 无5 无6 无7 无质量控制资料、安全和功能检验报告、观感质量验收均符合要求。
装饰分部工程质量验收记录工程名称:大王安置小区8#楼结构类型:框架结构层数:六层质量部门负责人:XXX分包技术负责人:无验收意见:无序号子分部工程名称施工单位检查评定1 无2 无3 无4 无5 无6 无7 无质量控制资料、安全和功能检验报告、观感质量验收均符合要求。
屋面分部工程质量验收记录工程名称:大王安置小区8#楼结构类型:框架结构层数:六层质量部门负责人:XXX分包技术负责人:无验收意见:无序号子分部工程名称施工单位检查评定1 无2 无3 无4 无5 无6 无7 无质量控制资料、安全和功能检验报告、观感质量验收均符合要求。
经过整理,以下是修改后的文章:序号。
子分部工程名称。
施工单位。
检查评定。
验收意见1.卷材防水屋面。
4.齐全、合格。
符合要求、合格。
好合格。
质量控制资料。
安全和功能检验(检测)报告。
观感质量验收分包单位。
验收单。
项目经理。
年月日施工单位。
收单。
监理(建设单位)总监理工程师(建设单位项目专业负责人)。
年月日工程名称:大王安置小区10#楼。
结构类型:框架结构序号。
分项工程名称。
施工单位。
检查评定1.钢筋。
齐全、合格。