水利生产经营单位安全生产检查表[市水务局]
- 格式:docx
- 大小:14.61 KB
- 文档页数:2
水利水电建设工程安全生产管理资料检查表表一注:一、按照水利部规定,危险较大的工程指:1、基坑支护与降水工程;2、土方和石方开挖工程;3、模板工程;4、起重吊装工程;5、脚手架工程;6、拆除、爆破工程;7、围堰工程;8其他危险性较大的工程。
二、上述表格施工单位应每月自检一次,监理人员不定期检查,但每季度不得少于一次。
三、检查中如果发现带★的项目不合格,监理立即下达停工通知,责成施工单位整改。
四、本表一式2份,监理单位、施工单位各存一份。
水利水电建设工程施工现场安全生产检查表表二注:一、该检查表施工单位专职安全员每天检查一次,监理人员不定期检查,但是至少每月检查2次,检查完毕填写好本表存档。
二、监理单位在检查过程中发现带★的项目不合格,必须采取立即下达停工通知,责成施工单位整改。
三、本表一式2份,监理单位、施工单位各存一份。
水利水电建设工程土石方边坡开挖及基坑开挖安全检查表表三★的项目合格,三方签证以后才能进行基础的覆盖施工。
2、本检查项目施工单位专职安全员每天进行检查。
监理单位不定期检查,每一个月不得少于2次,检查完毕填写好本表存档。
3、当带★检查项目检查发现不合格时,监理单位必须下达该施工部位的停工通知。
注:1、本检查项目施工单位专职安全员每天进行检查,监理单位必须不定期检查,但每月不得少于2次,检查完毕填写好本表存档。
2、监理单位在检查过程中,如发现带★的项目不合格,必须下达整个工程停工整改通知。
三方签字以后才能投入使用。
现场监理每月检查不少于2次,有一项不合格就下达整个脚手架部分的停工整改通知。
2、本表一式2分,监理和施工单位各存一份。
水利水电建设工程高处作业安全生产检查表表六注:1、在高处作业脚手架搭设完毕,投使用前,业主、监理、施工等单位对照上述检查内容进行全面检查,带★号的项目检查不合格,不得投入使用。
2、施工单位专职安全员必须按照本有内容每天进行检查,监理单位不定期检查,但每月检查不少于2次,检查完毕填写好本表格存档,发现带★号的项目检查不合格,立即下达该部分工程的停工整改通知。
水利水电工程安全检查表格水利水电工程安全检查表格水利安全生产大检查情况统计表填报单位(盖章):填报日期:年月日水利安全生产大检查组次:检查工程项目(单位)数量:其中在建工程项目检查数量:审核人:填报人:联系电话:水利安全生产隐患排查治理情况统计表单位负责人(签字):填表(签字):联系电话:注:表中数据关系:(8)小于或等于(5)-(6);(9)、(10)、(11)、(12)、(13)分别小于或等于(8)。
水利工程建设安全生产检查表被检查单位(签字):检查组组长(签字):表五:施工现场安全生产检查表被检查单位(签字):检查组组长(签字):水利工程运行管理安全生产检查表被检查单位(签字):检查组组长(签字):各市(区)水利(水务)局,厅直各单位安全生产大检查报告提纲一、本单位开展水利安全生产大检查基本情况(一)组织发动情况主要介绍宣传发动、组织领导、责任分工、制订方案、安排人员、协调推动等情况。
(二)检查情况主要介绍检查总体情况。
本地区、本单位各级共派出检查组次、检查工程项目(单位)个数,其中:自查单位个数、自查工程项目个数、自查次数;各级(含本级)水行政主管部门分别派出抽查组次、抽查工程项目(单位)个数、占总数的百分比。
------汇总和填写附件1,填写附件3、附件4和其他附表,附于报告后。
(三)隐患排查治理情况主要介绍隐患排查治理总体情况。
自查和抽查发现问题隐患个数、落实整改个数、整改到位率,其中:自查发现问题隐患个数、落实整改个数、整改到位率;各级(含本级)水行政主管部门抽查发现问题隐患个数、落实整改个数、整改到位率。
重大安全隐患挂牌督办和“五落实”情况。
对非法违法生产经营建设行为“四个一律”情况。
对检查发现的重大问题及时报告和跟踪督导情况。
------汇总和填写附件2,附于报告后。
二、各地各单位检查情况详细介绍各单位检查抽查情况。
包括组织安排、抽查方式、抽查数量、发现问题隐患及整改、自查整改情况的核查和建档等情况。
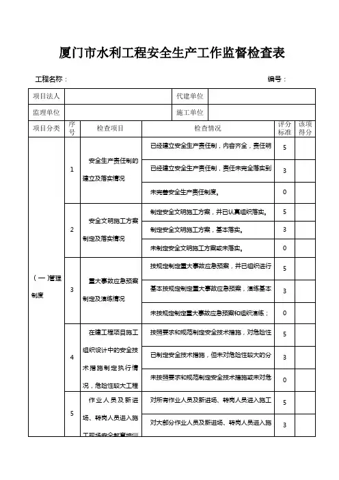
水利工程建设安全生产监督检查表水利工程建设安全生产监督检查表1:基本信息1.1 工程名称:1.2 工程地址:1.3 建设单位:1.4 监理单位:1.5 施工单位:1.6 安全生产监管部门:2:安全组织管理2.1 施工单位是否成立安全管理部门?2.2 安全管理部门是否制定了相关管理制度和规章制度?2.3 施工单位是否建立安全教育培训制度?2.4 建设单位、施工单位和监理单位是否建立了安全联席会议制度?2.5 安全生产管理人员是否持有相关安全生产管理证书?3:安全技术措施3.1 是否制定了安全生产方案,并已报批?3.2 是否落实了安全技术措施和操作规程?3.3 是否建立了安全警示标识、警示线和警示标志?4:安全生产教育培训4.1 施工单位是否进行了安全生产教育培训?4.2 是否建立了安全生产教育培训档案?4.3 是否进行了定期的安全教育培训?5:安全生产现场管理5.1 是否落实了安全生产管理责任制?5.2 是否指定了专人负责安全生产?5.3 是否建立了安全生产记录和台账?5.4 是否定期进行安全巡查和检查?5.5 是否建立了应急救援预案和安全生产事故报告制度?6:现场安全设施6.1 施工现场是否设置了标志牌和警示标识?6.2 是否按要求设置了安全警戒线和隔离带?6.3 施工现场是否配备了必要的安全防护设施和器材?6.4 是否建立了安全设施维护制度?7:安全生产考核与奖惩7.1 是否建立了安全生产考核制度?7.2 是否按规定开展了安全生产考核?7.3 是否建立了事故隐患排查与整改制度?7.4 是否进行了安全生产事故的调查和处理?附件:- 安全生产方案文件- 安全教育培训档案- 安全生产记录和台账法律名词及注释:- 安全生产管理证书:指依法颁发的具有安全生产管理专业知识和能力的证书。
- 安全生产方案:指针对具体工程项目的安全生产安排和措施。
- 安全警示标识:指用于提醒人们注意安全的标识。
- 安全生产教育培训:指对从业人员进行的安全教育和培训。