水利工程施工现场安全生产检查表--实用 (2).docx
- 格式:docx
- 大小:39.56 KB
- 文档页数:2
施工单位水利工程安全生产检查表格施工单位水利工程安全生产检查表格日期:检查人:工程名称:施工单位:序号检查项目检查内容检查情况备注1 安全管理制度施工单位是否建立了水利工程安全管理制度,并定期进行检查和更新。
□符合要求□不符合要求2 安全生产培训施工单位是否对施工人员进行了安全生产培训,并做好培训记录。
□符合要求□不符合要求3 安全防护设施施工现场是否设置了必要的安全防护设施,如警示标志、安全网、防护栏等。
□符合要求□不符合要求4 施工人员着装施工人员是否统一着装,并佩戴好安全帽、安全鞋等个人防护用品。
□符合要求□不符合要求5 施工现场清洁施工现场是否保持整洁,杂物是否及时清理。
□符合要求□不符合要求6 施工设备检查施工单位是否对使用的设备进行了定期检查和维护,确保其正常运行。
□符合要求□不符合要求7 动火作业管理是否存在动火作业,若存在是否采取了相应的安全防护措施。
□符合要求□不符合要求8 临时用电管理施工单位是否对临时用电进行了管理,是否存在违规用电的行为。
□符合要求□不符合要求9 高处作业管理是否有高处作业,若有是否采取了相应的安全措施,如操作人员是否系好安全带等。
□符合要求□不符合要求10 施工现场交通施工现场交通是否畅通,是否有设置人行通道和车辆通道,并做好标识。
□符合要求□不符合要求11 现场应急措施施工单位是否制定了应急预案,并进行了演练。
现场是否配备了相应的应急设备。
□符合要求□不符合要求12 施工工期管理施工单位是否合理安排工期,并确保按时完成任务,避免出现赶工现象。
□符合要求□不符合要求13 施工场地环境保护施工单位是否对施工场地进行环境保护,如垃圾分类、河流水污染防治等。
□符合要求□不符合要求14 其他安全管理措施施工单位是否存在其他安全管理措施,并是否落实到位。
□符合要求□不符合要求检查结果:□合格□不合格检查人签名:施工单位负责人签名:备注:。
水利工程施工安全检查表水利工程施工安全检查表建设工程施工安全检查表工程名称施工单位监理单位责任监督员检查项目检查内容1、安全生产责任制建立及落实情况;2、安全生产事故应急预案制定及演练情况;3、项目经理、项目技术负责人、专职安全员履工程类别劳务公司检查日期形象进度现场检查情况检查结论□符合□不符合要求□符合□不符合要求□符合□不符合要求□符合□不符合要求□符合□不符合要求□符合□不符合要求□符合□不符合要求□符合□不符合要求□符合□不符合要求□符合□不符合要求□符合□不符合要求单施责情况位工4、企业对项目的关键环节的安全生产管理情况:安企业对项目安全隐患排查、大型机械等验收;全5、现场作业人员安全教育效果抽查管6、劳务公司的安全教育及管理理1、实施工程监理过程发现和督促消除安全隐患监情况;理安全生产资金保障2、关键环节的安全监理人员到位情况;1、合同是否明确安全文明施工费金额、支付和使用;2、建设方是否按合同支付安全文明施工费;3、施工单位安全文明施工费投入使用情况;1、工程项目应根据建筑工程特点编制临时用电施工用电施工组织设计并经单位技术负责人和总监理工程师审核审批,并按规定组织实施2、施工用电应为TN-S系统,三级配电两级保护供电,确保施工用电安全。
1、工程项目应根据建筑工程特点编制预防高处坠落事故的专项施工方案,并组织实施;2、临边、洞口的安全防护设施应做到定型化、工具化,并实行专人负责制;3、通道口等搭设安全防护棚;□符合□不符合要求□符合□不符合要求□符合□不符合要求□符合□不符合要求□符合□不符合要求□符合□不符合要求高处坠落4、特种作业人员应持证上岗,施工单位应为作业人员提供合格的安全帽、安全带等必备的安全防护用具,作业人员应按规定正确佩戴和使用;5、高处作业前,应对安全防护设施进行验收;悬空作业必须遵守相关规定;6、需要临时拆除或变动安全设施的,应经审批后方可组织实施。
7、交叉作业的安全条件;8、接料平台、悬挑式钢平台搭设安全;1、塔吊、电梯、井字架等特种设备的检测登记□符合□不符合要求□符合□不符合要求□符合□不符合要求□符合□不符合要求特种2、塔吊、电梯、井字架等特种设备的注册登记设备3、塔吊、电梯、井字架等特种设备的使用登记1、塔吊、外用电梯、井字架应按规定编制安装拆卸施工方案,由符合资质的单位进行安装和拆卸;2、大型垂直运输设备使用管理应当建立健全日常检查制度,维修保养制度,持证上岗制度,方案审批制度和设备登记制度,确保每台设备安全使用;3、井字架上料口和卸料平台应装设有联锁装置的安全门,同时采用断绳保护装置或安全停靠装塔吊型号:高度:数量:外用电梯:高度:数量:井字架:高度:数量□符合□不符合要求□符合□不符合要求□符合□不符合要求起重机械伤害置;4、塔吊各种限位、保险装置应灵敏可靠,附墙装置按规定设置,自由高度符合说明书要求,安装、顶升、加节、拆除作业应严格按照操作规程进行,不得违章冒险作业;5、多塔作业必须制定可靠的防碰撞措施;6、大型机械设备应编制应急救援预案;7、施工外用电梯各种限位应灵敏可靠,楼层门应采取防止人员和物料坠落措施,电梯上下运行行程内应保证无障碍物;8、机具设备的相关部位应配备完好的防护装置。
附件1水利工程建设安全生产检查表项目法人安全生产检查表(1)水利工程建设安全生产检查表项目法人安全生产检查表(1)被检查单位(签字):检查组组长(签字):水利工程建设安全生产检查表勘察(测)、设计单位安全生产检查表( 2)被检查单位(签字):检查组组长(签字):水利工程建设安全生产检查表建设监理单位安全生产检查表(3)被检查单位(签字):检查组组长(签字):水利工程建设安全生产检查表施工单位安全生产检查表(4)水利工程建设安全生产检查表施工单位安全生产检查表(4)水利工程建设安全生产检查表施工单位安全生产检查表(4)施工单位安全生产检查表(4)被检查单位(签字):检查组组长(签字):施工单位安全生产检查表(4)被检查单位(签字):检查组组长(签字):水利工程建设安全生产检查表施工现场安全生产检查表(5)水利工程建设安全生产检查表施工现场安全生产检查表(5)水利工程建设安全生产检查表施工现场安全生产检查表(5)被检查单位(签字):检查组组长(签字):水利工程建设安全生产检查表施工现场安全生产检查表(5)被检查单位(签字):检查组组长(签字):附件2水利工程运行管理安全生产检查表水利工程运行管理安全生产检查表被检查单位(签字):检查组组长(签字):附件3水利安全生产大检查情况统计表填报单位(盖章):填报日期:2013年月日水利安全生产大检查组次:检查工程项目(单位)数量: 其中在建工程项目检查数量:审核人: 填报人: 联系电话:附件4水利安全生产隐患排查治理情况统计表填报单位(盖章):填报日期:2013年月日单位负责人(签字):填表(签字):联系电话:注:表中数据关系:(8)小于或等于(5)-(6);(9)、(10)、(11)、(12)、(13)分别小于或等于(8)。
水利工程建设项目安全检查表
一、安全检查项目
1. 施工现场安全
a. 施工现场是否设置明显的安全警示标志
b. 施工现场是否配备必要的安全防护设施
c. 施工现场是否存在安全隐患,如有,请说明
2. 施工人员安全
a. 施工人员是否具备相应的职业资格证书
b. 施工人员是否参加安全教育培训
c. 施工人员是否存在违规操作,如有,请说明
3. 施工设备安全
a. 施工设备是否具备有效的安全检验合格证明
b. 施工设备是否进行定期检查、维护和保养
c. 施工设备是否存在安全隐患,如有,请说明
4. 施工材料安全
a. 施工材料是否符合国家相关标准和要求
b. 施工材料是否进行严格的质量检验
c. 施工材料是否存在安全隐患,如有,请说明
5. 施工方案安全
a. 施工方案是否充分考虑施工安全因素
b. 施工方案是否进行安全评审
c. 施工方案是否存在安全隐患,如有,请说明
6. 应急预案与事故处理
a. 是否制定应急预案
b. 是否定期进行应急演练
c. 事故处理机制是否完善
二、检查结果评价
1. 符合要求(√)
2. 存在问题(×)
3. 需要改进(△)
三、安全检查结论
1. 整体评价:
(请填写评价结果,如:优秀、良好、一般、较差)
2. 存在的主要问题:
(请详细说明存在的安全问题,以及可能导致的后果)
3. 整改措施及期限:
(请针对存在的安全问题提出具体的整改措施,并注明整改期限)
4. 复查建议:
(请提出针对性的复查建议,以确保整改措施的实施效果)
备注:本检查表一式两份,一份由检查单位留存,一份交被检查单位。
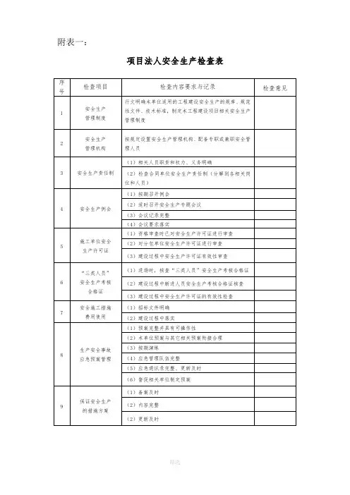
单位名称 :序号检查项目1文明施工2施工管理措施3脚手架4施工支护5爆破作业6临时用电水利工程施工现场安全生产检查表检查内容要求与记录(1)建筑材料、构件、料具按总平面布局堆放;料堆应挂名称、品种、规格等标牌;堆放整齐,做到工完场地清(2)易燃易爆物品分类存放(3)施工现场应能够明确区分工人住宿区、材料堆放区、材料加工区和施工现场、材料堆放加工应整齐有序(1)爆破、吊装等危险作业有专门人员进行现场安全管理(2)人、车分流,道路畅通,设置限速标志。
场内运输机动车辆不得超速、超载行驶或人货混载(3)在建工程禁止住人(4)集体宿舍符合要求,安全距离满足要求(1)架管、扣件、安全网等合格证及检测资料(2)有脚手架、卸料平台施工方案(3)验收记录(含脚手架、卸料平台、安全网、防护棚、马道、模板等)(1)深度超过 2m的基坑施工有临边防护措施(2)按规定进行基坑支护变形监测,支护设施已产生局部变形应及时采取措施调整(3)人员上下应有专用通道(4)垂直作业上下应有隔离防护措施(1)爆破作业和爆破器材的采购、运输、贮存、加工和销毁(2)爆破人员资质和岗位责任制、器材领发、清退制度、培训制度及审批制度(3)爆破器材储存专用仓库内(1)施工现场应做好供用电安全管理,并有临时用电方案。
配电箱开关箱符合三级配电两级保护(2)设备专用箱做到“一机、一闸、一漏、一箱”;严禁一闸多机(3)配电箱、开关箱应有防尘、防雨措施(4)潮湿作业场所照明安全电压不得大于 24V;使用行灯电压不得大于36V;电源供电不得使用其他金属丝代替熔丝;(5)配电线路布设符合要求,电线无老化、破皮(6)有备用的“禁止合闸、有人工作”标志牌(7)电工作业应配戴绝缘防护用品,持证上岗检查时间: 年月日检查结果备注是否是否是否是否是否是否是否是否是否是否是否是否是否是否是否是否是否是否是否是否是否是否是否是否(1)塔吊应有力矩限制器、限位器、保险装置及附墙装置与夹轨钳(2)制定安装拆卸方案;安装完毕有验收资料或责任人签字7吊装作业(3)有设备运行维护保养记录(4)起重吊装作业应设警戒标志,并设专人警戒8安全警示标志在建工程生产场所 , 安全警示标志设置明显(1)在建工程应有预留洞口的防护措施(2)在建工程的临边有防护措施(3)在高处外立面,无外脚手架时,应张挂安全网9安全防护设施(4)防护棚搭设与拆除时,应设警戒区,并应派专人监护。
水利工程安全生产隐患排查表一、背景介绍水利工程的安全生产是保障国家水资源的可持续利用和人民生命财产安全的重要任务。
为了及时发现和消除潜在的安全隐患,确保水利工程的安全运行,制定本排查表。
二、排查内容1. 水利工程基础设施及设备是否齐全,是否存在老化、损坏等情况。
2. 水利工程周边环境是否存在潜在的自然灾害威胁,如山体滑坡、洪水等。
3. 水利工程紧急疏散通道是否畅通,是否存在堵塞或破损情况。
4. 水利工程运营过程中是否存在人员安全管理不到位、操作失误等问题。
5. 水利工程安全防护设施是否完善,如警示标志、护栏等是否存在缺失或损坏。
6. 水利工程周边是否存在未经授权的建筑物、路障等可能对安全产生影响的情况。
7. 水利工程水位、压力等关键参数是否正常,是否存在泄露或异常情况。
8. 水利工程运营过程中是否存在违反相关法律法规的行为。
三、排查方式1. 定期组织对水利工程进行全面巡查,包括设施、设备、环境等方面。
2. 建立健全隐患排查记录,记录发现的隐患情况、整改措施和责任人。
3. 设立隐患排查责任制度,明确相关人员的职责和权限。
4. 配备专业人员对水利工程进行技术评估,发现隐患及时整改。
四、排查结果处理1. 发现隐患后,立即采取措施进行整改,确保消除安全隐患。
2. 对于重大隐患,及时上报相关部门,协调解决,确保人民生命财产安全。
3. 对整改措施进行跟踪检查,确保整改到位,并记录整改情况。
五、总结水利工程安全生产的隐患排查表是确保水利工程安全运行的重要工具。
通过定期排查和及时整改,可以提前发现和解决潜在的安全隐患,保障水利工程的正常运行,并保障人民生命财产的安全。
同时,建议对排查结果进行定期总结和分析,以进一步完善安全管理工作。
水利工程现场安全检查表检查项目1. 施工现场布置2. 施工设备及工具3. 劳动保护用品和设施4. 施工人员岗前培训和资质5. 施工作业操作规程6. 现场交通安全7. 施工工艺及操作规程8. 强电、弱电安全9. 水工结构安全10. 施工材料安全使用11. 破碎设备操作规程12. 现场应急预案和演练13. 设备、工具、机械定期检测和维护14. 现场人员安全管理15. 工地卫生保洁16. 生活区安全管理检查内容1. 施工现场布置- 施工区域是否设置明确的标志牌和警示标识- 施工场地是否平整、整洁- 施工区域是否设置临时围挡和安全通道- 施工材料是否存放整齐、稳固、安全- 施工现场是否存在明显的危险隐患2. 施工设备及工具- 施工设备是否经过定期检验、保养,具备完好的工作状态- 施工工具是否符合标准,有无破损、变形等情况- 有无大型机械设备行驶或作业时是否设置明确的警戒标志3. 劳动保护用品和设施- 施工人员是否佩戴统一规范的劳动保护用品- 是否提供安全帽、安全鞋、眼镜、手套等必要的劳动保护用品- 有无安装警示标识和标识牌,指示紧急出口、灭火器等设施4. 施工人员岗前培训和资质- 施工人员是否具备相应的资格证书和操作证书- 施工人员是否接受过必要的安全培训和技能培训- 施工人员是否了解作业规程和安全操作规程5. 施工作业操作规程- 施工作业是否符合规划和方案要求- 施工作业操作过程中是否存在违反规定的行为- 作业区域是否有明确的划定和隔离,禁止非作业人员进入6. 现场交通安全- 施工现场交通道路是否畅通,配有清晰的标线和交通标志- 施工道路和作业区域是否进行有效的隔离,避免行人和车辆闯入- 车辆和机械设备是否按规定的路线行驶,是否保持安全间距和速度7. 施工工艺及操作规程- 施工过程是否按照工艺和规程进行,操作是否按照程序执行- 有无操作不慎导致的危险情况发生,如坍塌、倾倒、滑坡等- 是否定期进行现场工艺检查和操作指导,防止事故发生8. 强电、弱电安全- 施工现场的电气设备是否按照规程安装、接地和绝缘- 施工场地充电设施是否符合要求,并有专人进行管理- 有无明火作业或非安全操作导致的电气事故隐患9. 水工结构安全- 水利工程结构物是否符合设计要求,有无明显的安全隐患- 施工过程中对于水工结构的操作是否谨慎,避免破坏和事故发生- 施工过程中是否采取防护措施,避免结构物倒塌和人员被困10. 施工材料安全使用- 施工过程中是否使用符合标准和质量要求的材料- 施工材料的存放是否整齐、规范,并做好防潮、防火措施- 施工材料的使用过程中是否存在安全隐患和变形破损情况11. 破碎设备操作规程- 施工现场是否存在破碎设备,是否符合安全要求安装和使用- 破碎设备操作人员是否具备相应的操作证件和经验- 破碎设备操作过程中是否存在违规操作和不安全操作12. 现场应急预案和演练- 施工现场是否编制了应急预案,并有专人负责现场应急工作- 是否进行定期的应急演练,提高施工人员应对突发情况的能力- 施工现场应急设施是否齐全、可用,并定期检查和维护13. 设备、工具、机械定期检测和维护- 施工设备是否按照规定进行定期检测和维护- 工具和机械设备是否定期进行校准和维修,保持良好的使用状态- 有无长时间未使用或过期的设备、工具、机械14. 现场人员安全管理- 施工现场是否有专人负责安全管理工作- 工地人员是否佩戴有效的身份标志和工作证- 施工人员是否按照规定配戴安全带等安全防护装备15. 工地卫生保洁- 施工现场的卫生情况是否良好,有无垃圾和废物堆积- 是否有专人负责工地卫生保洁工作,定期进行清洁- 是否提供洗手间、饮水设施等基本生活用品和设施16. 生活区安全管理- 施工现场是否有统一规划和合理布置的生活区- 生活区域是否能满足施工人员的基本生活需求- 生活区是否有安全防护设施,如防火设施、疏散通道等安全检查结果根据上述检查内容,对每项检查项目进行评估和记录。
水利工程施工安全检查表水利工程施工安全检查表建设工程施工安全检查表工程名称施工单位监理单位责任监督员检查项目检查内容1、安全生产责任制建立及落实情况;2、安全生产事故应急预案制定及演练情况;3、项目经理、项目技术负责人、专职安全员履工程类别劳务公司检查日期形象进度现场检查情况检查结论□符合□不符合要求□符合□不符合要求□符合□不符合要求□符合□不符合要求□符合□不符合要求□符合□不符合要求□符合□不符合要求□符合□不符合要求□符合□不符合要求□符合□不符合要求□符合□不符合要求单施责情况位工4、企业对项目的关键环节的安全生产管理情况:安企业对项目安全隐患排查、大型机械等验收;全5、现场作业人员安全教育效果抽查管6、劳务公司的安全教育及管理理1、实施工程监理过程发现和督促消除安全隐患监情况;理安全生产资金保障2、关键环节的安全监理人员到位情况;1、合同是否明确安全文明施工费金额、支付和使用;2、建设方是否按合同支付安全文明施工费;3、施工单位安全文明施工费投入使用情况;1、工程项目应根据建筑工程特点编制临时用电施工用电施工组织设计并经单位技术负责人和总监理工程师审核审批,并按规定组织实施2、施工用电应为TN-S系统,三级配电两级保护供电,确保施工用电安全。
1、工程项目应根据建筑工程特点编制预防高处坠落事故的专项施工方案,并组织实施;2、临边、洞口的安全防护设施应做到定型化、工具化,并实行专人负责制;3、通道口等搭设安全防护棚;□符合□不符合要求□符合□不符合要求□符合□不符合要求□符合□不符合要求□符合□不符合要求□符合□不符合要求高处坠落4、特种作业人员应持证上岗,施工单位应为作业人员提供合格的安全帽、安全带等必备的安全防护用具,作业人员应按规定正确佩戴和使用;5、高处作业前,应对安全防护设施进行验收;悬空作业必须遵守相关规定;6、需要临时拆除或变动安全设施的,应经审批后方可组织实施。
7、交叉作业的安全条件;8、接料平台、悬挑式钢平台搭设安全;1、塔吊、电梯、井字架等特种设备的检测登记□符合□不符合要求□符合□不符合要求□符合□不符合要求□符合□不符合要求特种2、塔吊、电梯、井字架等特种设备的注册登记设备3、塔吊、电梯、井字架等特种设备的使用登记1、塔吊、外用电梯、井字架应按规定编制安装拆卸施工方案,由符合资质的单位进行安装和拆卸;2、大型垂直运输设备使用管理应当建立健全日常检查制度,维修保养制度,持证上岗制度,方案审批制度和设备登记制度,确保每台设备安全使用;3、井字架上料口和卸料平台应装设有联锁装置的安全门,同时采用断绳保护装置或安全停靠装塔吊型号:高度:数量:外用电梯:高度:数量:井字架:高度:数量□符合□不符合要求□符合□不符合要求□符合□不符合要求起重机械伤害置;4、塔吊各种限位、保险装置应灵敏可靠,附墙装置按规定设置,自由高度符合说明书要求,安装、顶升、加节、拆除作业应严格按照操作规程进行,不得违章冒险作业;5、多塔作业必须制定可靠的防碰撞措施;6、大型机械设备应编制应急救援预案;7、施工外用电梯各种限位应灵敏可靠,楼层门应采取防止人员和物料坠落措施,电梯上下运行行程内应保证无障碍物;8、机具设备的相关部位应配备完好的防护装置。
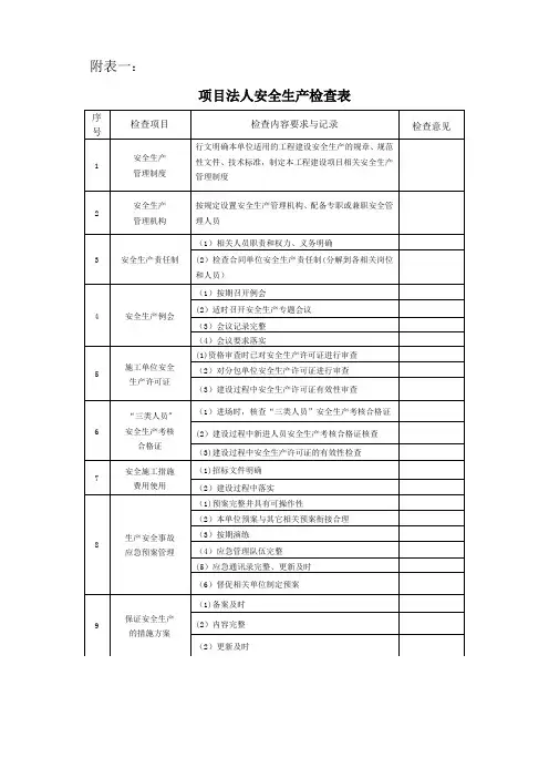
单位名称 :
序号检查项目
1文明施工
2施工管理措施
3脚手架
4施工支护
5爆破作业
6临时用电
水利工程施工现场安全生产检查表
检查时间 :年月日检查内容要求与记录检查结果备注
(1)建筑材料、构件、料具按总平面布局堆放;料堆应挂名称、品种、规格等标牌;堆
是否
放整齐,做到工完场地清
(2)易燃易爆物品分类存放是否
(3)施工现场应能够明确区分工人住宿区、材料堆放区、材料加工区和施工现场、材料
是否
堆放加工应整齐有序
(1)爆破、吊装等危险作业有专门人员进行现场安全管理是否
(2)人、车分流,道路畅通,设置限速标志。
场内运输机动车辆不得超速、超载行驶或
是否
人货混载
(3)在建工程禁止住人是否
(4)集体宿舍符合要求,安全距离满足要求是否
(1)架管、扣件、安全网等合格证及检测资料是否
(2)有脚手架、卸料平台施工方案是否
(3)验收记录(含脚手架、卸料平台、安全网、防护棚、马道、模板等)是否
(1)深度超过 2m 的基坑施工有临边防护措施是否
(2)按规定进行基坑支护变形监测,支护设施已产生局部变形应及时采取措施调整是否
(3)人员上下应有专用通道是否
(4)垂直作业上下应有隔离防护措施是否
(1)爆破作业和爆破器材的采购、运输、贮存、加工和销毁是否
(2)爆破人员资质和岗位责任制、器材领发、清退制度、培训制度及审批制度是否
(3)爆破器材储存专用仓库内是否
(1)施工现场应做好供用电安全管理,并有临时用电方案。
配电箱开关箱符合三级配电
是否
两级保护
(2)设备专用箱做到“一机、一闸、一漏、一箱”;严禁一闸多机是否
(3)配电箱、开关箱应有防尘、防雨措施是否
(4)潮湿作业场所照明安全电压不得大于24V;使用行灯电压不得大于 36V;电源供电不
是否
得使用其他金属丝代替熔丝;
(5)配电线路布设符合要求,电线无老化、破皮是否
(6)有备用的“禁止合闸、有人工作”标志牌是否
(7)电工作业应配戴绝缘防护用品,持证上岗是否
7吊装作业(1)塔吊应有力矩限制器、限位器、保险装置及附墙装置与夹轨钳
(2)制定安装拆卸方案;安装完毕有验收资料或责任人签字
(3)有设备运行维护保养记录
(4)起重吊装作业应设警戒标志,并设专人警戒
是否
是否
是否
是否
8安全警示标志在建工程生产场所,安全警示标志设置明显
(1)在建工程应有预留洞口的防护措施
(2)在建工程的临边有防护措施
(3)在高处外立面,无外脚手架时,应张挂安全网
9安全防护设施
(4)防护棚搭设与拆除时,应设警戒区,并应派专人监护。
严禁上下同时拆除
(5)对进行高处作业的高耸建筑物,应事先设置避雷设施
(1)进入生产经营现场按规定正确佩戴安全帽,穿防,护服装;从事高空作业应当正确10个体安全防护使用安全带
(2)电气作业应当穿戴绝缘防护用品
(1)有维护、保养、检测记录;能保证正常运转
11安全设备(2)有易燃、易爆气体和粉尘的作业场所,应当使用防爆型电气设备或者采取有效的防爆技术措施
(1)制定消防安全制度、消防安全操作规程
(2)防火安全责任制,确定消防安全责任人
(3)对职工进行消防宣传教育
(4)防火检查,及时消除火灾隐患
12消防安全管理(5)建立防火档案,确定重点防火部位,设置防火标志
(6)灭火和应急疏散预案,定期演练
(7)按规定配备相应的消防器材、设施
(8)消防通道畅通、消防水源保证
(9)消防标志完整
施工现场安全
(1)施工现场进出口应有大门,有门卫
13(2)非施工人员不得进入现场
保卫
(3)施工现场必要遮挡围栏
通过现场检查发现以上多项问题隐患,你单位对上述第项中的
是否
是否
是否
是否
是否
是否
是否
是否
是否
是否
是否
是否
是否
是否
是否
是否
是否
是否
是否
是否
是否
是否
条问题立即整改;并于年月日前整改完毕,
把整改报告书附整改照片(包括整改前照片与整改后照片)加盖单位公章报区安委会。
逾期不整改的,依法给予行政处罚;由此造成事故的,依法追究有关人员的责任。
被检查单位(签字):检查人员(签字):。