水利水电工程安全生产检查表汇总
- 格式:doc
- 大小:110.50 KB
- 文档页数:20
水利水电工程安全生产
检查表
-CAL-FENGHAI-(2020YEAR-YICAI)_JINGBIAN
水利水电工程安全生产检查表
工程名称:
建设单位:负责人签字:
设计单位:负责人签字:
监理单位:负责人签字:
施工单位:负责人签字:
检查组长:人员:
检查时间:
贵州省水利建设工程质量与安全监督监测中心
2009年2月
水利水电工程安全生产检查表
建设表1
水利水电工程安全生产检查表
建设表2
对建设单位的安全检查意见表
水利水电工程安全生产检查表
设计表1
对设计单位的安全检查意见表
水利水电工程安全生产检查表
施工表1
水利水电工程安全生产检查表
施工表2
对施工单位的安全检查意见表
水利水电工程安全生产检查表
监理表1
水利水电工程安全生产检查表
监理表2
对监理单位的安全检查意见表
.。
水利工程施工安全检查表第一章水利工程施工安全总论 (3)1.1 工程概况 (3)1.1.1 工程背景 (3)1.1.2 工程简介 (3)1.1.3 工程特点 (3)1.1.4 安全管理组织 (4)1.1.5 安全管理职责 (4)第二章施工现场安全管理 (5)第一节施工现场安全规章制度 (5)1.1.6 概述 (5)1.1.7 施工现场安全规章制度内容 (5)1.1.8 概述 (5)1.1.9 施工现场安全培训与教育内容 (6)1.1.10 施工现场安全培训与教育方式 (6)第三章工程施工前期准备 (6)1.1.11 程序性审核 (6)1.1.12 编制依据与目标审查 (6)1.1.13 规范、规程和相关文件的审查 (7)1.1.14 施工组织设计内容的审查 (7)1.1.15 环境概况评估 (7)1.1.16 重大危险源评估与防范 (7)1.1.17 安全管理组织机构审查 (7)1.1.18 应急预案审查 (7)第四章施工场地布置 (7)1.1.19 施工场地选址 (7)1.1.20 施工场地规划布局 (8)1.1.21 临时设施布置 (8)1.1.22 永久设施布置 (8)1.1.23 施工场地绿化与环保 (9)第五章施工机械设备安全管理 (9)1.1.24 选型原则 (9)1.1.25 设备验收 (9)1.1.26 维护保养原则 (10)1.1.27 维护保养内容 (10)1.1.28 维护保养措施 (10)第六章施工用电安全管理 (10)1.1.29 设计原则 (10)1.1.30 设计内容 (10)1.1.31 设备安装 (11)1.1.32 设备维护 (11)第七章施工现场环境保护 (12)1.1.34 施工期间粉尘(扬尘)的污染控制 (12)1.1.35 有害气体排放量控制 (12)1.1.36 建筑施工废弃物控制 (12)1.1.37 施工期间水土污染(废水)控制 (12)1.1.38 施工期光污染控制 (12)1.1.39 施工期间噪声的防治 (12)1.1.40 施工期间固体废物的防治 (13)1.1.41 施工及施工生活用水的污水对地下水源污染 (13)1.1.42 施工扬尘造成的周围及城市空气污染 (13)1.1.43 施工生活垃圾造成土壤及环境污染 (13)1.1.44 施工机具的震动造成周围建筑的裂缝和破坏 (13)1.1.45 施工降水及基坑开挖造成周围建筑的裂缝和倾斜 (13)1.1.46 基坑支护失稳造成安全 (13)1.1.47 监测内容 (14)1.1.48 监测方法 (14)1.1.49 监测频率 (14)1.1.50 监测数据分析与处理 (14)第八章施工现场防火安全管理 (14)1.1.51 防火设施概述 (14)1.1.52 消防器材配置 (14)1.1.53 消防通道设置 (15)1.1.54 消防水源配置 (15)1.1.55 疏散指示标志设置 (15)1.1.56 防火安全教育 (15)1.1.57 防火安全培训 (15)1.1.58 防火安全演练 (15)1.1.59 防火安全检查 (15)第九章施工现场安全防护设施 (15)1.1.60 设计原则 (15)1.1.61 设计内容 (16)1.1.62 设计要求 (16)1.1.63 施工准备 (16)1.1.64 施工过程 (16)1.1.65 验收标准 (17)第十章施工现场应急预案与处理 (17)1.1.66 应急预案的编制原则 (17)1.1.67 应急预案的主要内容 (17)1.1.68 应急预案的制定流程 (17)1.1.69 报告 (18)1.1.70 现场保护 (18)1.1.71 调查与处理 (18)1.1.72 整改与预防 (18)第十一章施工现场职业健康与卫生 (18)1.1.74 监测内容 (18)1.1.75 监测措施 (19)1.1.76 卫生管理制度 (19)1.1.77 宿舍卫生管理 (19)1.1.78 施工现场卫生管理 (19)1.1.79 健康宣传教育 (19)第十二章施工安全检查与整改 (20)1.1.80 安全检查的目的与意义 (20)1.1.81 安全检查的类型与要求 (20)1.1.82 安全检查的内容与标准 (20)1.1.83 安全整改措施的制定与实施 (20)1.1.84 安全整改效果的评价 (20)第一章水利工程施工安全总论1.1 工程概况1.1.1 工程背景我国社会经济的快速发展,水利工程建设在国民经济中的地位日益重要。
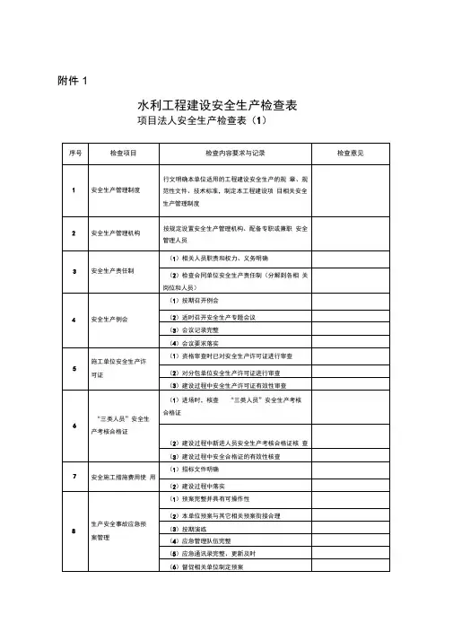
附件1水利工程建设安全生产检查表项目法人安全生产检查表(1)水利工程建设安全生产检查表项目法人安全生产检查表(1)被检查单位(签字):检查组组长(签字):水利工程建设安全生产检查表勘察(测)、设计单位安全生产检查表( 2)被检查单位(签字):检查组组长(签字):水利工程建设安全生产检查表建设监理单位安全生产检查表(3)被检查单位(签字):检查组组长(签字):水利工程建设安全生产检查表施工单位安全生产检查表(4)水利工程建设安全生产检查表施工单位安全生产检查表(4)水利工程建设安全生产检查表施工单位安全生产检查表(4)施工单位安全生产检查表(4)被检查单位(签字):检查组组长(签字):施工单位安全生产检查表(4)被检查单位(签字):检查组组长(签字):水利工程建设安全生产检查表施工现场安全生产检查表(5)水利工程建设安全生产检查表施工现场安全生产检查表(5)水利工程建设安全生产检查表施工现场安全生产检查表(5)被检查单位(签字):检查组组长(签字):水利工程建设安全生产检查表施工现场安全生产检查表(5)被检查单位(签字):检查组组长(签字):附件2水利工程运行管理安全生产检查表水利工程运行管理安全生产检查表被检查单位(签字):检查组组长(签字):附件3水利安全生产大检查情况统计表填报单位(盖章):填报日期:2013年月日水利安全生产大检查组次:检查工程项目(单位)数量: 其中在建工程项目检查数量:审核人: 填报人: 联系电话:附件4水利安全生产隐患排查治理情况统计表填报单位(盖章):填报日期:2013年月日单位负责人(签字):填表(签字):联系电话:注:表中数据关系:(8)小于或等于(5)-(6);(9)、(10)、(11)、(12)、(13)分别小于或等于(8)。
附件1水利安全生产大检查情况统计表填报单位(盖章):填报日期:年月日水利安全生产大检查组次:检查工程项目(单位)数量:其中在建工程项目检查数量:附件2水利安全生产隐患排查治理情况统计表填报单位(盖章):填报日期:年月日word整理版word整理版单位负责人(签字)填表(签字)联系电话: 注:表中数据关系:(8)小于或等于(5)- (6);(9)、(10)、(11 )、(12 )、(13)分别小于或等于(8)word整理版附件3水利工程建设安全生产检查表续表一:被检查单位(签字):_______________ 检查组组长(签字): _____________表二:勘察(测)、设计单位安全生产检查表勘察(测)、设计单位名称被检查单位(签字):检查组组长(签字):表三:建设监理单位安全生产检查表监理单位名称被检查单位 (签字):_______________ 检查组组长 (签字):____________________________被检查单位(签字):_______________ 检查组组长(签字): ______________表五:施工现场安全生产检查表工程名称续表五:范文范例学习指导被检查单位(签字):_______________ 检查组组长(签字):_______________附件4水利工程运行管理安全生产检查表被检查单位(签字):检查组组长(签字):附件5各市(区)水利(水务)局,厅直各单位安全生产大检查报告提纲一、本单位开展水利安全生产大检查基本情况(一)组织发动情况主要介绍宣传发动、组织领导、责任分工、制订方案、安排人员、协调推动等情况。
(二)检查情况主要介绍检查总体情况。
本地区、本单位各级共派出检查组次、检查工程项目(单位)个数,其中:自查单位个数、自查工程项目个数、自查次数;各级(含本级)水行政主管部门分别派出抽查组次、抽查工程项目(单位)个数、占总数的百分比。
------汇总和填写附件1,填写附件3、附件4和其他附表,附于报告后(三)隐患排查治理情况主要介绍隐患排查治理总体情况。
单位名称 :序号检查项目1文明施工2施工管理措施3脚手架4施工支护5爆破作业6临时用电水利工程施工现场安全生产检查表检查内容要求与记录(1)建筑材料、构件、料具按总平面布局堆放;料堆应挂名称、品种、规格等标牌;堆放整齐,做到工完场地清(2)易燃易爆物品分类存放(3)施工现场应能够明确区分工人住宿区、材料堆放区、材料加工区和施工现场、材料堆放加工应整齐有序(1)爆破、吊装等危险作业有专门人员进行现场安全管理(2)人、车分流,道路畅通,设置限速标志。
场内运输机动车辆不得超速、超载行驶或人货混载(3)在建工程禁止住人(4)集体宿舍符合要求,安全距离满足要求(1)架管、扣件、安全网等合格证及检测资料(2)有脚手架、卸料平台施工方案(3)验收记录(含脚手架、卸料平台、安全网、防护棚、马道、模板等)(1)深度超过 2m的基坑施工有临边防护措施(2)按规定进行基坑支护变形监测,支护设施已产生局部变形应及时采取措施调整(3)人员上下应有专用通道(4)垂直作业上下应有隔离防护措施(1)爆破作业和爆破器材的采购、运输、贮存、加工和销毁(2)爆破人员资质和岗位责任制、器材领发、清退制度、培训制度及审批制度(3)爆破器材储存专用仓库内(1)施工现场应做好供用电安全管理,并有临时用电方案。
配电箱开关箱符合三级配电两级保护(2)设备专用箱做到“一机、一闸、一漏、一箱”;严禁一闸多机(3)配电箱、开关箱应有防尘、防雨措施(4)潮湿作业场所照明安全电压不得大于 24V;使用行灯电压不得大于36V;电源供电不得使用其他金属丝代替熔丝;(5)配电线路布设符合要求,电线无老化、破皮(6)有备用的“禁止合闸、有人工作”标志牌(7)电工作业应配戴绝缘防护用品,持证上岗检查时间: 年月日检查结果备注是否是否是否是否是否是否是否是否是否是否是否是否是否是否是否是否是否是否是否是否是否是否是否是否(1)塔吊应有力矩限制器、限位器、保险装置及附墙装置与夹轨钳(2)制定安装拆卸方案;安装完毕有验收资料或责任人签字7吊装作业(3)有设备运行维护保养记录(4)起重吊装作业应设警戒标志,并设专人警戒8安全警示标志在建工程生产场所 , 安全警示标志设置明显(1)在建工程应有预留洞口的防护措施(2)在建工程的临边有防护措施(3)在高处外立面,无外脚手架时,应张挂安全网9安全防护设施(4)防护棚搭设与拆除时,应设警戒区,并应派专人监护。
汛前水利工程安全大检查情况统计表背景近年来,气候变化导致洪水、干旱等自然灾害频繁发生。
而水利工程是保障人民生命财产安全的重要设施,必须保证其良好的运行状态。
因此,为了做好汛前工作,保障水利工程安全运行,我们开展了水利工程安全大检查,并将检查情况进行统计汇总。
方法我们通过以下方法进行水利工程安全大检查:1.制定检查方案:针对不同类型的水利工程,我们制定了相应的检查方案,包括检查内容、检查标准、检查要求等,确保检查工作有针对性、全面性和可操作性。
2.组织人员实施检查:我们抽调了专业技术人员和管理人员组成检查组,根据方案要求在现场对水利工程进行全面检查,包括水文、结构、机电、管理等方面。
3.记录检查结果:检查组对每个检查点的情况进行记录,并按照统一的标准进行评分。
4.汇总检查结果:对检查结果进行整理汇总,并制定合理的解决方案,确保出现问题能够及时得到解决。
统计结果经过全面检查,我们共检查了X个水利工程,其中达到安全标准的占XX%。
以下是各类水利工程的检查结果:水库共检查了X座水库,全部达到安全标准。
水文站共检查了X个水文站,其中XX%达到安全标准。
堤防共检查了X段堤防,其中XX%达到安全标准。
对于未达标的堤防,我们已制定了相应的加固方案,正在进行实施。
泵站共检查了X个泵站,其中XX%达到安全标准。
对于未达标的泵站,我们已经进行了维修和更新换代。
工业用水共检查了X个工业用水设施,全部达到安全标准。
本次水利工程安全大检查覆盖了水利工程的各个方面,确保了水利工程运行的安全稳定。
检查结果表明,大多数水利工程达到了安全标准。
对于未达标的水利工程,我们已经制定了相应的解决方案,确保出现问题能够及时得到解决。
作为水利工程管理部门,我们将继续加强日常巡检和安全管理工作,做好汛前准备工作,确保水利工程的安全运行,为人民群众的生命财产安全提供保障。
欢迎阅读附件1
水利安全生产大检查情况统计表
填报单位(盖章):填报日期:年月日
水利安全生产大检查组次:
审核人:填报人:联系电话:
单位负责人(签字):填表(签字):联系电话:
注:表中数据关系:(8)小于或等于(5)-(6);(9)、(10)、(11)、(12)、(13)分别小于或等于(8)。
附件3
水利工程建设安全生产检查表
续表一:
续表四:
表五:施工现场安全生产检查表
被检查单位(签字):检查组组长(签字):
附件5
各市(区)水利(水务)局,厅直各单位
安全生产大检查报告提纲
一、本单位开展水利安全生产大检查基本情况
个数、落实整改个数、整改到位率,其中:自查发现问题隐患个数、落实整改个数、整改到位率;各级(含本级)水行政主管部门抽查发现问题隐患个数、落实整改个数、整改到位率。
重大安全隐患挂牌督办和“五落实”情况。
对非法违法生产经营建设行
为“四个一律”情况。
对检查发现的重大问题及时报告和跟踪督导情况。
------汇总和填写附件2,附于报告后。
二、各地各单位检查情况
详细介绍各单位检查抽查情况。
包括组织安排、抽查方式、。
水利水电工程安全生产检查表
工程名称:
建设单位:负责人签字:设计单位:负责人签字:监理单位:负责人签字:施工单位:负责人签字:检查组长:人员:
检查时间:
贵州省水利建设工程质量与安全监督监测中心
2009年2月
水利水电工程安全生产检查表
建设表1
水利水电工程安全生产检查表
建设
表2
对建设单位的安全检查意见表
水利水电工程安全生产检查表
设计表1
对设计单位的安全检查意见表
水利水电工程安全生产检查表
表1
施工
水利水电工程安全生产检查表
施工表2
对施工单位的安全检查意见表
水利水电工程安全生产检查表
监理表1
水利水电工程安全生产检查表
监理表2
对监理单位的安全检查意见表。