铁路信号继电器说明书
- 格式:doc
- 大小:236.00 KB
- 文档页数:26
铁路信号继电器铁路信号基础——铁路信号继电器铁路信号继电器授课人:刘利芳铁路信号基础——铁路信号继电器1主要内容信号继电器概述铁路信号对继电器的要求继电器的基本原理继电器的继电特性铁路信号继电器的分类铁路常用的安全型继电器安全型继电器概述无极继电器偏极继电器有极继电器铁路信号继电器铁路信号基础——铁路信号继电器2主要内容安全型继电器的特性电气特性时间特性机械特性与牵引特性安全型继电器的应用继电器的符号描述继电器的基本电路继电电路分析法继电电路的安全措施铁路信号继电器铁路信号基础——铁路信号继电器3信号继电器概述区间闭塞技术铁路信号基础——铁路信号继电器4铁路信号对继电器的要求动作必须可靠、准确;使用寿命长;有足够的闭合和断开电路的能力;有稳定的电气特性和时间特性;在周围介质温度和湿度变化很大的情况下,均能保持很高的电气绝缘强度。
铁路信号继电器铁路信号基础——铁路信号继电器5继电器的基本原理继电器是一种电磁开关,由电磁系统和接点系统两大主要部分组成。
电磁系统由线圈、固定的铁芯和扼铁以及可动的衔铁构成;接点系统由动接点和静接点构成。
线圈通电→产生磁通(衔铁、铁心)→产生吸引力→克服衔铁阻力→衔铁吸向铁心→衔铁带动动接点动作→前接点闭合、后接点断开电流减少→吸引力下降→衔铁依靠重力落下→ 动接点与前接点断开,后接点闭合。
铁路信号继电器铁路信号基础——铁路信号继电器6继电器的基本原理铁路信号继电器铁路信号基础——铁路信号继电器7继电器的继电特性继电器是一种当控制参数变化时,能引起被控制参数突然变化的电器元件。
具有继电特性。
I_输入线圈Iy Iy2 Iy接点输出I_1I_2I_铁路信号继电器铁路信号基础——铁路信号继电器8铁路信号继电器的分类按动作原理分:电磁、感应继电器、热力继电器、固态继电器按动作电流分:直流(无极、偏极、有极)、交流继电器按输入物理量:电流、电压、功率、频率、非电量继电器按动作速度:正常、缓动继电器按接点结构:普通接点、加强接点继电器按工作可靠度:安全型、非安全型(前者称为N,重力式继电器,后者称为C型弹力式继电器)铁路信号继电器铁路信号基础——铁路信号继电器9铁路常用的安全型继电器区间闭塞技术铁路信号基础——铁路信号继电器10安全型继电器概述A_系列安全型继电器是直流24V系列的重弹力式直流电磁继电器,其典型结构为无极继电器,其它各型号都是由其派生而成。
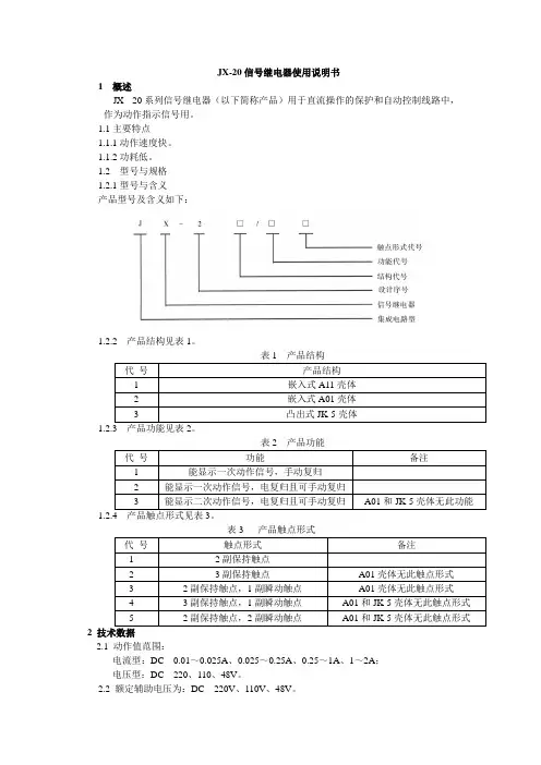
JX-20信号继电器使用说明书1 概述JX - 20系列信号继电器(以下简称产品)用于直流操作的保护和自动控制线路中,作为动作指示信号用。
1.1主要特点1.1.1动作速度快。
1.1.2功耗低。
1.2 型号与规格1.2.1型号与含义产品型号及含义如下:1.2.2 产品结构见表1。
2 技术数据2.1 动作值范围:电流型:DC 0.01~0.025A、0.025~0.25A、0.25~1A、1~2A;电压型:DC 220、110、48V。
2.2 额定辅助电压为:DC 220V、110V、48V。
2.3 动作值:电流型:在各电流动作范围值内,不大于90%的最小标称动作电流;电压型:不大于70%的额定动作电压。
2.4 复归值:不大于70 %的辅助电压额定值。
2.5 动作时间:在额定工作状态下,不大于10ms。
2.6 功率消耗:电流型:在额定辅助电压和各最大标称动作电流工作状态下,其功耗不大于3W(信号回路功耗不大于0.25W);电压型:在额定动作电压工作状态下,其功耗一次动作型的不大于2W;二次动作型的不大于3W。
3产品结构产品采用标准CJ-1、CJ-2及JK-5壳体,均为插件式,便于更换和维修。
产品的外形尺寸和安装尺寸见附图。
4 产品使用说明4.1 产品端子接线示意图见图1。
4.2 使用注意事项a)产品的信号电源、辅助电源及复归电源均为同一电源;b)接线时应注意信号源和辅助电源的极性。
5调试检验说明5.1 电流型5.1.1 一次动作调试时,按图2接线。
调试步骤如下a)动作值合S1,调R1使毫安表的读数为为最小标称动作电流的90%,断开S1,按一次复归按钮,再合上S1,产品应可靠动作,此时D和面板上的信号灯亮。
当断开S1时,D熄灭,面板上的信号灯仍亮;当产品不带瞬动触点时,不接D和R2。
b)复归产品后,断开S1,按面板上的复归按钮,面板上的信号灯应熄灭;c)动作时间产品复归后,合S2,再合S1,802的读数应不大于10ms。
信号继电器使用说明嘿,朋友们,今天咱们来聊聊信号继电器。
这可是一种神奇的小玩意儿,听起来复杂,其实用起来简直是小菜一碟。
你想想,生活中各种电器设备,如果没有信号继电器,那可真是个大麻烦。
比如你家里的灯开关,嘿,要是没有它,开关就得靠直接连线,那可就麻烦了,随时都得小心别碰到电了。
信号继电器就是个聪明的小家伙,能够在高电压和低电压之间架起一座桥,让你安全又轻松地操控各种设备。
信号继电器的工作原理其实也不复杂。
它就像是一个守门员,专门负责把信号从一个地方传递到另一个地方。
你按下开关,信号继电器就“咻”的一下,接收到这个信号,接着它就像变魔术一样,把信号传给其他电器。
让它们开或关,工作得飞快。
是不是感觉很神奇?这就是科技的魅力呀!信号继电器的耐用性也相当不错,毕竟它不怕高温,也不怕潮湿,真是个耐操的家伙。
说到使用信号继电器,大家最关心的就是怎么连接了。
连接起来也没什么难的。
先把信号继电器放在一个干燥通风的地方,不要让它“受凉”哦。
先把电源线接到继电器的输入端,注意,别搞混了。
然后,再把你想要控制的设备接到输出端。
这样一来,你就可以通过信号继电器来控制其他设备了。
是不是简单?就像玩拼图一样,按照步骤来就行。
不过,朋友们,使用信号继电器的时候,可别马虎。
一定要注意额定电压和电流。
否则,可别怪我没提醒你。
信号继电器是有自己工作范围的,如果超出了这个范围,它可能会罢工,甚至烧掉。
这样可就得不偿失了。
所以在接线的时候,一定要确认好电源的参数,确保在安全范围内使用。
别忘了,安装完之后,一定要测试一下。
可以用个小工具,看看信号继电器是否正常工作。
这个测试可是必须的,毕竟谁也不想在关键时刻遇到问题。
测试通过之后,恭喜你,你的小助手——信号继电器就可以开始工作啦!想想看,家里的灯、风扇、空调统统都能通过它轻松控制,简直就像给生活增添了几分便利,心里别提多美了。
信号继电器也并不是无懈可击的。
它也有自己的小缺点,比如说,长时间使用可能会出现接触不良的情况。
时间继电器使用说明书时间继电器产品使用说明书西安铁路信号工厂1 概述a)产品特点:时间继电器是属于信号继电器品种之一,是为满足用户对原时间继电器缓吸时间的不同要求而设计的系列继电器,时间继电器(以下简称继电器)继电器有四种缓吸时间可供选择;也可根据用户的要求来改变继电器的缓吸时间。
b)主要用途和适用范围:适用于铁路信号电路或其它控制电路中。
c)品种、规格:分为半导体时间继电器和单片机时间继电器。
d)型号的组成及代表意义:J S B(D) X C — 850线圈电阻插入式信号半导体(单片机)时间继电器e) 使用环境条件(1)温度:-5℃~+40℃;(2)相对湿度:90%以下(+25℃);(3)气压:不低于70kPa(相当于海拔高度3000m以下);f)工作条件(1)振动:振频不大于15Hz,振幅不大于0.45mm;(2)工作位置:水平(如图1所示);(3)周围无引起爆炸危险的有害气体,并应有防尘措施。
2 结构特征及工作原理继电器结构分为接点部分和磁路部分,其核心是采用单结晶体管或单片机延时电路,经过不同的接线,来获得所需的延时,以满足信号电路的需要。
3 产品技术特性3.1 继电器电气特性如表1所示。
表1 电气特性和时间特性(+20℃)各型继电器线圈的电阻值,应符合表2的规定,5Ω以上者,误差应不应超过±10%,将测得的电阻值换算到+20℃时的数值。
按如下公式换算 R 20=)20(1-+t R tα式中:R 20——温度为+20℃时的电阻值,Ω;R t——环境温度为t时测得的电阻值,Ω;t——测量时的环境温度,℃;α——在0℃时被测线圈导体材料的电阻温度系数(铜为0.004 1/℃)。
3.2继电器机械特性见表3所示表3 继电器机械特性3.3继电器接点及插座簧片通以0.5A电流时的接触电阻应不超过表3的规定。
表4 继电器接触电阻3.4在试验的标准大气条件下,继电器和插座的绝缘电阻均不小于100MΩ。
JYJXC-220/220,有极加强接点继电器1用途JYJXC-220/220型有极加强接点继电器(以下简称继电器)在信号电路中作道岔控制继电器。
2适用环境继电器的适用环境为:a)环境温度:-40℃~+60℃;b)相对湿度:不大于90%(温度+25℃);c)气压:不低于70kPa(相当于海拔高度3000m以下);d)振动:振频不大于15Hz,振幅不大于0.45mm;e)工作位置:水平;f)周围无引起爆炸危险的有害气体,并应有良好的防尘措施。
3机械特性接点组数:2DF、2DFJ;鉴别销号码:15、54;接点间隙:普通接点不小于4.5mm;加强接点不小于7 mm;托片间隙:普通接点不小于0.35mm;加强接点0.1mm~0.3mm;普通接点压力:定位接点不小于150mN;反位接点不小于150mN;加强接点压力:定位接点不小于400mN;反位接点不小于400mN;接点齐度误差:普通接点与普通接点间及普通接点与加强接点间不大于0.2mm,加强接点与加强接点间不大于0.1mm。
定位或反位保持力不小于2N;3电气特性(+20℃时)线圈电阻:线圈单独使用,使用1、23、4;额定值:;充磁值:;转极值:正向10V~16V、反向10V~16V;接点电阻:普通接点不大于0.05Ω;加强接点不大于0.1Ω。
5绝缘耐压在试验的标准大气条件下,继电器的绝缘电阻应不小于100MΩ。
在气压不低于86kPa条件下(相当于海拔高度1000m以下),继电器的绝缘耐压应能承受交流正弦波50Hz、2000V有效值电压,历时1min 应无击穿闪络现象,重复试验时的电压应为原试验电压值的75%。
6电寿命继电器普通接点通以DC24V1A阻性负载;加强接点通以DC220V 7.5A、0.05H感性负载,JPXC-1000,偏极继电器1用途JPXC-1000型偏极继电器(以下简称继电器)在信号电路中用于道岔表示电路以及单复线半自动闭塞电路。
2适用环境继电器的适用环境为:a)环境温度:-40℃~+60℃;b)相对湿度:不大于90%(温度+25℃);c)气压:不低于70kPa(相当于海拔高度3000m以下);d)振动:振频不大于15Hz,振幅不大于0.45mm;e)工作位置:水平;f)周围无引起爆炸危险的有害气体,并应有良好的防尘措施。
使用说明书铁路应用-BR255CNR700012目录目录安全 (3)产品描述 (3)安装 (3)电气连接 (4)运行和维护 (4)技术参数 (5)附录图纸A (6)2安全安全指南确保安装和操作继电器的人员:•技术上合格和胜任•完全遵守装配指导不当操作或误用可能导致以下危险:•生命危险•损害继电器和其它设备•损害继电器的功能打开设备将会使保修失效。
本手册中强调安全说明的重要信息有以下三种情形:设备操作安全电气安装应遵守相关的国家安全规定。
为确保设备安全运行,必须强制接地。
产品描述继电器用于铁路应用。
铁路应用 BR25BR25继电器位于变压器油箱及其储油柜之间的管道中,在变压器正常运行期间,它充满油。
当变压器中产生气体时,气体向储油柜上升,并聚集在继电器的上部腔室中。
油位下降,上部浮子触发报警开关。
此外,当油从变压器油箱流向储油柜时,继电器会工作。
如果发生这种情况,油流挡板会带动磁铁支撑使开关发生跳闸。
安装装配将继电器安装在从有载分接开关油箱到储油柜的管道中,水平位置,测试按钮朝上。
继电器上的红色箭头必须指向储油柜。
管道公称直径至少为25mm。
继电器应有防振动能。
在继电器和管道法兰之间,安装平面垫(请注意,此装置不包括平面垫)。
在继电器和储油柜之间提供截止阀。
拧下机械顶杆盖帽(图 1/A),然后按照下图的红色箭头缓慢推动顶杆(图 1/B)。
这样会使浮球运动,进而触发开关动作。
当测试杆推到一半时,轻瓦斯报警,当测试杆推到底时,重瓦斯动作。
松开机械测试杆后,测试杆会自动回到原来的位置。
验证完成后,安装并拧紧盖帽。
34技术参数表1基本参数外形尺寸 见附录A材质 所有外部部件都能抵抗变压器油、盐雾和紫外线 颜色 RAL7032 (标准配置)环境温度 -40~80°C 油温 -40~115 °C防护等级 IP65 符合EN60529标准重量~3 Kg油流速度 (油温20°C1.50 ± 0.20 m/s开关电气参数 (根据EN50126-1/2)开断和关合容量电压电流开断容量24 V DC ~220 V DC 2 A 动作1000次250 W L/R<40 ms 230 V AC2 A 动作1000次400 VAcosФ>0.5开关间的介电强度 1min短时工频耐受电压kV r.m.s– kV (r.m.s.)雷电冲击耐受电压 kV (peak)接点对地间24接点间(开断状态)13铁路应用 BR255附录A - 图纸下图中给出了BR25型继电器的外部尺寸:图 46CONTENT INDEX Content indexSafety (3)Product description (3)Installation (3)Electrical connection (4)Operation and maintenance (4)Technical features (5)Appendix A - Drawings (6)2SafetyProduct descriptionInstallationSafety instructionsMake sure that any person installing, taking into operation and operating the Buchholz relay:• Is technically qualified and competent.• Fully comply with these assembling instructions.Improper operations or misuse could cause danger to:• life and limb.• to the equipment and other assets of the operator.• to the equipment proper function.Opening of the device will void your warranty.Safety instructions in this manual are shown in three diffe -rent forms to emphasize important information.Safety notes on the equipment operationElectrical installation is subject to the relevant national safety rules.It is mandatory to connect the grounding cable because of safety reason.The relay Buchholz relay is used for railway application.The BR 25 relay is located in the pipework between the transformer and its conservator; during normal tran -sformer operation it is filled with oil .When the gas is generated in the transformer, it rises towards the conservator and collects in the upper cham -ber of the relay.The oil level goes down and the upper float activates the alarm switch.Moreover this relay operates in case of abnormal oil flow from the transformer tank to the conservator. If it happens the flow vent moves the support of magnets that switches the trip reeds.AssemblyMechanical testUnscrew the plug (Fig.1/A) then slowly push the button (Fig.1/B) following the red arrow as per figure below. In this way the floats moved and the switches activate.The button, after been quickly released (without accom -pany it), automatically comes back to original position. Once the verification has been completed, fit and tighten the cap nut. This test does not give the conformity of the electrical scheme.BR 25 FOR RAILWAY APPLICATIONInstall the relay in the pipe that goes from the on-load tap-changer tank to oil conservator, in an horizontal posi -tion and with the test button upwards.The red arrow on the relay must point towards the con -servator.Use a pipe diameter of at least 25 mm nominal diameter. The relay should protected against vibrations. Between the relay and the pipe flanges, install the plane gasket (please note that is not included with the device).Provide a stop valve between the relay and the conservator.34Technical featuresTable 1General data Overall dimension See page 19Material All the external part are resistant to transformer oils, salt fog and UV rays ColorRAL7032 (standard)Ambient temperature -40÷80°C Oil temperature -40÷115 °CDegree of protection IP65 in accordance with EN60529Weight~3 KgOil flow speed (oil temperature 20°C1.50 ± 0.20 m/sSwitch electrical data (according to EN50126-1/2)Breaking and making capacityVoltageCurrentBreaking capacity 24 V DC ÷ 220 V DC 2 A for 1000 maneuvers 250 W L/R<40 ms 230 V AC2 A for 1000 maneuvers400 VAcosФ>0.5Dielectric strength of contacts Short duration power frequency withstand voltage 1 min – kV (r.m.s.)Lightning impulse withstand voltage kV (peak)Between circuits and earth24Between contacts in open positions13BR 25 FOR RAILWAY APPLICATION5Appendix A - DrawingsIn the figure 1 there are the external dimensions for the relay type Buchholz relay:Figure 46CN:本安装手册包含用户安装产品所需的基本信息。
JX-20信号继电器使用说明书1 概述JX - 20系列信号继电器以下简称产品用于直流操作的保护和自动控制线路中作为动作指示信号用1.1 主要特点1.1.1动作速度快1.1. 2功耗低1.2 型号与规格1.2.1型号与含义产品型号及含义如下1.2.2 产品结构见表1表1 产品结构代号产品结构1 嵌入式CJ-1壳体2 嵌入式CJ-2壳体3 凸出式JK-5壳体1.2.3 产品功能见表2表2 产品功能代号功能备注1 能显示一次动作信号手动复归2 能显示一次动作信号电复归且可手动复归3 能显示二次动作信号电复归且可手动复归CJ-2和JK-5壳体无此功能1.2.4 产品触点形式见表3表3 产品触点形式代号触点形式备注1 2副保持触点2 3副保持触点CJ-2壳体无此触点形式3 2副保持触点1副瞬动触点CJ-2壳体无此触点形式4 3副保持触点1副瞬动触点CJ-2和JK-5壳体无此触点形式5 2副保持触点2副瞬动触点CJ-2和JK-5壳体无此触点形式2 技术数据2.1 动作值范围电流型DC 0.010.025A0.0250.25A0.251A12A电压型DC 22011048V2.2 额定辅助电压为DC 220V110V48V2.3 动作值电流型在各电流动作范围值内不大于90%的最小标称动作电流电压型不大于70%的额定动作电压2.4 复归值不大于70 %的辅助电压额定值2.5 动作时间在额定工作状态下不大于10ms2.6 功率消耗电流型在额定辅助电压和各最大标称动作电流工作状态下其功耗不大于3W(信号回路功耗不大于0.25W)电压型在额定动作电压工作状态下其功耗一次动作型的不大于2W二次动作型的不大于3W2.7 触点性能2.7.1 在电压不超过250V电流不超过2A时间常数为50.75ms 的直流有感负荷回路中产品输出触点的断开容量为50W2.7.2 在电压不超过250V,电流不大于2A的交流电路(cos=0.40.1)中,触点的断开容量为250V A2.7.3 输出触点电路在上述负荷条件下产品应可靠动作及返回1104次2.8 机械寿命产品的输出触点不接负荷应可靠动作2104次2.9 绝缘性能2.9.1 产品下列部位应进行绝缘性能测试a. 各电路分别与地外壳或外露导电件之间b. 无电气联系的各电路之间2.9.2 绝缘电阻对2.9.1所列部位用开路电压为500V的测试仪器测定其绝缘电阻不小于300M2.9.3 介质强度对2.9.1所列部位应承受频率为50Hz的交流试验电压2kV有效值历时1min 的试验无闪络或击穿现象2.9.4 冲击电压对2.9.1所列部位能承受标准雷电波的短时冲击电压试验试验电压的峰值为5kV 允许有不导致绝缘损坏的闪络2.10 承受高频电气干扰能力能承受GB/T14598.13-1998规定的频率为1MHz及100kHz衰减振荡波第一个半波电压幅值共模为2.5kV,差模为1kV脉冲干扰试验2.11 承受静电放电干扰能力能承受GB/T14598.14-1998规定的严酷等级为级的静电放电干扰试验2.12 承受辐射电磁场干扰能力能承受GB/T 14598.9-1995规定的严酷等级为级的辐射电磁场干扰试验2.13 承受快速瞬变干扰能力能承受GB/T 14598.10-1997规定的严酷等级为级的快速瞬变干扰试验2.14 机械性能工作条件能承受严酷等级为I级的振动响应冲击响应试验运输条件能承受严酷等级为I级的振动耐久冲击耐久碰撞试验2.15 环境条件a. 环境温度-10+5024h内平均温度不超过35产品能正常工作b. 相对湿度最湿月的月平均最大相对湿度为90%同时该月的月平均温度为25且表面无凝露最高温度为+40时月平均最大相对湿度不超过50%c. 大气压力80110kPa海拔高度相当于2km及以下3 产品结构产品采用标准CJ-1CJ-2及JK-5壳体均为插件式便于更换和维修产品的外形尺寸和安装尺寸见附图4 安装与维护4.1 安装说明4.1.1 打开包装后检查a. 打开包装后检查有无机械磕碰划伤现象接线端子及锁壳螺钉有无松动b. 按装箱单检查备品备件是否齐全正确4.1.2 检查产品额定参数是否与使用要求相适应4.2 维护使用前应检查产品的动作可靠性使用中应定期对产品进行检查5 产品使用说明5.1 产品端子接线示意图见图15.2 使用注意事项a. 产品的信号电源辅助电源及复归电源均为同一电源b. 接线时应注意信号源和辅助电源的极性6 调试检验说明6.1 电流型6.1.1 一次动作调试时按图2接线调试步骤如下a) 动作值合S1调R1使毫安表的读数为为最小标称动作电流的90%断开S1按一次复归按钮再合上S1产品应可靠动作此时D和面板上的信号灯亮当断开S1时D熄灭面板上的信号灯仍亮当产品不带瞬动触点时不接D和R2b) 复归产品后,断开S1,按面板上的复归按钮,面板上的信号灯应熄灭c) 动作时间产品复归后合S2再合S1802的读数应不大于10ms6.1.2 二次动作调试时按图3接线调试步骤如下a) 动作值合S1调R1使毫安表的读数为为最小标称动作电流的90%断开S1按一次复归按钮再合上S1产品应可靠动作此时D和面板上的一次动作信号灯亮当断开S1时D熄灭一次动作信号灯仍亮再合上S1D和面板上的二次动作信号灯亮断开S1D熄灭一次和二次动作信号灯亮当产品不带瞬动触点时不接D和R2b) 复归产品一次动作或二次动作后,断开S1,按面板上的复归按钮,面板上的一次动作信号灯或一次和二次动作信号灯应熄灭产品一次动作或二次动作后,断开S1,按DFA,面板上的一次动作信号灯或一次和二次动作信号灯应熄灭c) 动作时间产品复归后合S2再合S1802的读数应不大于10ms6.2 电压型6.2.1 一次动作调试时按图4接线调试步骤如下a) 动作值合S1调外接电源可使用MFTB-3型多功能继电保护测试装置中的PSD-1直流电源使电压表V的读数为额定动作电压的70%待电压表的读数稳定后断开S1按一次复归按钮再合上S1产品应可靠动作此时D和面板上动作信号灯亮当断开S1时D应熄灭动作信号灯仍亮当产品不带瞬动触点时不接D 和Rb) 复归产品动作后,断开S1,按面板上的复归按钮,面板上的信号灯应熄灭c) 动作时间产品复归后合S2再合S1802的读数应不大于10ms6.2.2 二次动作用户调试时按图5接线调试步骤如下a) 动作值合S1调外接电源可使用MFTB-3型多功能继电保护测试装置中的PSD-1的直流电源使电压表V的读数为额定动作电压的70%待电压表的读数稳定后断开S1按一次复归按钮再合上S1产品应可靠动作此时D和面板上一次动作信号灯亮当断开S1时D应熄灭一次动作信号灯仍亮再合上S1D和面板上的二次动作信号灯亮断开S1D应熄灭一次和二次动作信号灯仍亮当产品不带瞬动触点时不接D和Rb) 复归产品一次或二次动作后,断开S1,按面板上的复归按钮,面板上的一次或一次和二次动作信号灯应熄灭产品一次或二次动作后,断开S1,按DFA,面板上的一次或一次和二次动作信号灯应熄灭c) 动作时间产品复归后合S2再合S1802的读数应不大于10ms图1 端子接线图背视图1 续端子接线图背视图1完端子接线图背视注产品为电压型时辅助电源的负极性端子不接线均共用信号电源的端子即JX-21/口口的6号端子JX-22/口口的6号端子JX-23/21/12/13的号端子和JX-23/22的9号端子不接线S1双刀开关S2单刀开关mA直流毫安表量程为15mA R1滑线变阻器R2电阻器RJ-2W-100k D 发光二极管802802型数字毫秒计[以JX-23/13动作值0.010.025A辅助电压220V为例]图2 JX - 20调试检验接线图S1双刀开关S2单刀开关DFA电复归按钮mA直流毫安表(量程为15mA) R1滑线变阻器R2电阻器RJ-2W-100kD 发光二极管802802型数字毫秒计[以JX - 21/33动作值0.010.025A辅助电压220V为例]图3 JX -20 调试检验接线图S1双刀开关S2单刀开关V 直流电压表量程为300V R 电阻器RJ-2W-100kD 发光二极管802802型数字毫秒计[JX-23/13动作值220V辅助电压220V为例]图4 JX-20调试检验接线图S1 双刀开关S2 单刀开关DFA电复归按钮V 直流电压表量程为300V R 电阻器RJ-2W-100k D 发光二极管802 802型数字毫秒计[以JX-21/33动作值220V辅助电压220V为例]图5 JX - 20调试检验接线图7 贮存及保修7.1 包装好的产品应保存在环境温度为-10+50,相对湿度不大于80%, 周围空气中不含有酸性碱性或其他腐蚀性及爆炸性气体的防雨防雪的室内7.2 保修期限在用户完全遵守产品使用说明书所规定的运输贮存安装和使用规则的条件下, 产品自制造厂出厂之日起两年内,如发现产品和配套件损坏, 制造厂负责免费更换或修理8 供应成套性随同产品一起供应的有a. 合格证明书b. 使用说明书同一用户的同一批定货仅供给一份c. 装箱单d. 按合同要求提供的备品备件e. 按规定数量供应的安装附件9 订货须知订货时应指明:a. 产品的名称型号b. 电流动作值范围或额定动作电压c. 辅助电源电压d. 产品的安装方式e. 订货数量10 产品执行标准代号产品执行0XJ 520 077企业标准。
JYJXC-220/220,有极加强接点继电器1 用途JYJXC-220/220型有极加强接点继电器(以下简称继电器)在信号电路中作道岔控制继电器。
2 适用环境继电器的适用环境为:a) 环境温度:-40℃~+60℃;b) 相对湿度:不大于90%(温度+25℃);c) 气压:不低于70 kPa(相当于海拔高度3000m以下);d) 振动: 振频不大于15Hz,振幅不大于0.45mm;e) 工作位置:水平;f) 周围无引起爆炸危险的有害气体,并应有良好的防尘措施。
3 机械特性接点组数:2DF、2DFJ;鉴别销号码:15、54;接点间隙:普通接点不小于 4.5 mm;加强接点不小于7 mm;托片间隙:普通接点不小于0.35 mm;加强接点0.1 mm~0.3 mm;普通接点压力:定位接点不小于150 mN;反位接点不小于150 mN;加强接点压力:定位接点不小于400 mN;反位接点不小于400 mN;接点齐度误差:普通接点与普通接点间及普通接点与加强接点间不大于0.2 mm,加强接点与加强接点间不大于0.1 mm。
定位或反位保持力不小于2 N;3 电气特性(+20℃时)线圈电阻:线圈单独使用,使用1、23、4;额定值:;充磁值:;转极值:正向10V~16V、反向10V~16V;接点电阻:普通接点不大于0.05Ω;加强接点不大于0.1Ω。
5 绝缘耐压在试验的标准大气条件下,继电器的绝缘电阻应不小于100MΩ。
在气压不低于86kPa条件下(相当于海拔高度1000m以下),继电器的绝缘耐压应能承受交流正弦波50Hz、2000V有效值电压,历时1min 应无击穿闪络现象,重复试验时的电压应为原试验电压值的75%。
6 电寿命继电器普通接点通以DC 24V 1A 阻性负载;加强接点通以DC 220V 7.5A 、0.05H感性负载,JPXC-1000,偏极继电器1 用途JPXC-1000型偏极继电器(以下简称继电器)在信号电路中用于道岔表示电路以及单复线半自动闭塞电路。
2 适用环境继电器的适用环境为:a) 环境温度:-40℃~+60℃;b) 相对湿度:不大于90%(温度+25℃);c) 气压:不低于70 kPa(相当于海拔高度3000m以下);d) 振动: 振频不大于15Hz,振幅不大于0.45mm;e) 工作位置:水平;f) 周围无引起爆炸危险的有害气体,并应有良好的防尘措施。
3 机械特性接点组数:8QH;鉴别销号码:14、51;接点间隙:不小于1.3 mm;托片间隙:不小于0.35 mm;接点压力:动合接点不小于250 mN;动断接点不小于150 mN;接点齐度误差:不大于0.20 mm。
4 电气特性(+20℃时)线圈电阻:500(1±10%)Ω×2线圈串联,连接2、3,使用1、4;额定值:DC 24V;充磁值:DC 64V;工作值:不大于DC 16V;释放值:不小于DC 4V;反向不吸起电压: 大于DC 200V;接点电阻:不大于0.05Ω。
5 绝缘耐压在试验的标准大气条件下,继电器的绝缘电阻应不小于100MΩ。
在气压不低于86kPa条件下(相当于海拔高度1000m以下),继电器的绝缘耐压应能承受交流正弦波50Hz、2000V有效值电压,历时1min 应无击穿闪络现象,重复试验时的电压应为原试验电压值的75%。
6 电寿命继电器接点通以DC 24V 1A 阻性负载;其电寿命为1×106次。
1 用途JWXC-H850型无极缓放继电器(以下简称继电器)为地铁专用继电器。
2 适用环境继电器的适用环境为:a) 环境温度:-40℃~+60℃;b) 相对湿度:不大于90%(温度+25℃);c) 气压:不低于70 kPa(相当于海拔高度3000m以下);d) 振动: 振频不大于15Hz,振幅不大于0.45mm;e) 工作位置:水平;f) 周围无引起爆炸危险的有害气体,并应有良好的防尘措施。
3 机械特性接点组数:4QH;鉴别销号码:11、52;接点间隙:不小于1.3 mm;托片间隙:不小于0.35 mm;接点压力:动合接点不小于250 mN;动断接点不小于150 mN;接点齐度误差:不大于0.20 mm。
4 电气特性线圈电阻:850(1±10%)Ω线圈单圈使用,使用1、4;额定值:DC 24V;充磁值:DC 67V;工作值:不大于DC 16.8V;释放值:不小于DC 3.4V;反向工作值:不大于DC 18.4V;缓放时间:DC 24V时不小于0.3s;接点电阻:不大于0.05Ω。
5 绝缘耐压在试验的标准大气条件下,继电器的绝缘电阻应不小于100MΩ。
在气压不低于86kPa条件下(相当于海拔高度1000m以下),继电器的绝缘耐压应能承受交流正弦波50Hz、1000V有效值电压,历时1min 应无击穿闪络现象,重复试验时的电压应为原试验电压值的75%。
6 电寿命继电器接点通以DC 24V 1A 阻性负载;其电寿命为2×106次。
JWXC-2000型无极继电器,铁路信号继电器1 用途JWXC-2000型无极继电器(以下简称继电器)在交流计数电码轨道电路中作轨道复示继电器,使用在12V直流电路中。
2 适用环境继电器的适用环境为:a) 环境温度:-40℃~+60℃;b) 相对湿度:不大于90%(温度+25℃);c) 气压:不低于70 kPa(相当于海拔高度3000m以下);d) 振动: 振频不大于15Hz,振幅不大于0.45mm;e) 工作位置:水平;f) 周围无引起爆炸危险的有害气体,并应有良好的防尘措施。
3 机械特性接点组数:2QH;鉴别销号码:12、55;接点间隙:不小于1.2 mm;托片间隙:不小于0.35 mm;接点压力:动合接点不小于250 mN;动断接点不小于150 mN;接点齐度误差:不大于0.20 mm。
4 电气特性(+20℃)线圈电阻:1000(1±10%)Ω×2线圈串联,连接2、3,使用1、4;额定值:DC 12V;充磁值:DC 30V;工作值:不大于DC 7.5V;释放值: DC 2.4V~ DC 3.2V;接点容量:DC 24V 1A 阻性负载;接点电阻:不大于0.05Ω。
5 绝缘耐压在试验的标准大气条件下,继电器的绝缘电阻应不小于100MΩ。
在气压不低于86kPa条件下(相当于海拔高度1000m以下),继电器的绝缘耐压应能承受交流正弦波50Hz、2000V有效值电压,历时1min 应无击穿闪络现象,重复试验时的电压应为原试验电压值的75%。
6 电寿命继电器接点通以DC 24V 1A 阻性负载;其电寿命为2×106次。
JWXC-2.3型无极继电器,铁路信号继电器1 用途JWXC-2.3型无极继电器(以下简称继电器)在信号电路中作直流轨道继电器。
2 适用环境继电器的适用环境为:a) 环境温度:-40℃~+60℃;b) 相对湿度:不大于90%(温度+25℃);c) 气压:不低于70 kPa(相当于海拔高度3000m以下);d) 振动: 振频不大于15Hz,振幅不大于0.45mm;e) 工作位置:水平;f) 周围无引起爆炸危险的有害气体,并应有良好的防尘措施。
3 机械特性接点组数:4QH;鉴别销号码:11、54;接点间隙:不小于1.3 mm;托片间隙:不小于0.35 mm;接点压力:动合接点不小于250 mN;动断接点不小于150 mN;接点齐度误差:不大于0.20 mm。
4 电气特性(+20℃时)线圈电阻:1.15(1±5%)Ω×2线圈串联,连接2、3,使用1、4;额定值:DC 280mA;充磁值:DC 750mA;工作值:DC 170mA~DC 188mA;释放值:不小于实际工作值的50%;反向工作值:不大于DC 206mA;接点电阻:不大于0.05Ω。
5 绝缘耐压在试验的标准大气条件下,继电器的绝缘电阻应不小于100MΩ。
在气压不低于86kPa条件下(相当于海拔高度1000m以下),继电器的绝缘耐压应能承受交流正弦波50Hz、2000V有效值电压,历时1min 应无击穿闪络现象,重复试验时的电压应为原试验电压值的75%。
6 电寿命继电器接点通以DC 24V 1A 阻性负载;其电寿命为2×106次。
JWXC-1700型无极继电器,铁路信号继电器1 用途JWXC-1700型无极继电器(以下简称继电器)在信号电路中作通用继电器。
2 适用环境继电器的适用环境为:a) 环境温度:-40℃~+60℃;b) 相对湿度:不大于90%(温度+25℃);c) 气压:不低于70 kPa(相当于海拔高度3000m以下);d) 振动: 振频不大于15Hz,振幅不大于0.45mm;e) 工作位置:水平;f) 周围无引起爆炸危险的有害气体,并应有良好的防尘措施。
3 机械特性接点组数:8QH;鉴别销号码:11、51;接点间隙:不小于1.3 mm;托片间隙:不小于0.35 mm;接点压力:动合接点不小于250 mN;动断接点不小于150 mN;接点齐度误差:不大于0.20 mm。
4 电气特性(+20℃时)线圈电阻:850(1±10%)Ω×2线圈串联,连接2、3,使用1、4;额定值:DC 24V;充磁值:DC 67V;工作值:不大于DC 16.8V;释放值:不小于DC 3.4V;反向工作值:不大于DC 18.4V;接点电阻:不大于0.05Ω。
5 绝缘耐压在试验的标准大气条件下,继电器的绝缘电阻应不小于100MΩ。
在气压不低于86kPa条件下(相当于海拔高度1000m以下),继电器的绝缘耐压应能承受交流正弦波50Hz、2000V有效值电压,历时1min 应无击穿闪络现象,重复试验时的电压应为原试验电压值的75%。
6 电寿命继电器接点通以DC 24V 1A 阻性负载;其电寿命为2×106次。
JWXC-1000无极继电器,铁路信号继电器1 用途JWXC-1000型无极继电器(以下简称继电器)在信号电路中作通用继电器。
2 适用环境继电器的适用环境为:a) 环境温度:-40℃~+60℃;b) 相对湿度:不大于90%(温度+25℃);c) 气压:不低于70 kPa(相当于海拔高度3000m以下);d) 振动: 振频不大于15Hz,振幅不大于0.45mm;e) 工作位置:水平;f)周围无引起爆炸危险的有害气体,并应有良好的防尘措施。
3 机械特性接点组数:8QH;鉴别销号码:11、52;接点间隙:不小于1.3 mm;托片间隙:不小于0.35 mm;接点压力:动合接点不小于250 mN;动断接点不小于150 mN;接点齐度误差:不大于0.20 mm。
4 电气特性(+20℃时)线圈电阻:500(1±10%)Ω×2线圈串联,连接2、3,使用1、4;额定值:DC 24V;充磁值:DC 58V;工作值:不大于DC 14.4V;释放值:不小于DC 4.3V;反向工作值:不大于DC 15.8V;接点电阻:不大于0.05Ω。