汽车吊验收表1
- 格式:doc
- 大小:16.91 KB
- 文档页数:4
汽车吊验收记录表1. 验收信息验收日期验收人员吊车型号吊车编号2. 吊车基本信息2.1 吊车型号2.2 吊车编号2.3 吊车制造商2.4 发动机型号2.5 发动机编号3. 外观检查3.1 车身外观检查•☐车身漆面是否完好,无划痕、凹陷等损坏情况。
•☐车身是否有明显的变形、裂纹等结构性损坏。
•☐玻璃是否完好,无碎裂、破损情况。
•☐前后灯光是否正常,无灯泡破损或灯罩脱落情况。
•☐轮胎是否磨损均匀,胎面是否有裂纹。
3.2 底盘外观检查•☐底盘表面是否清洁,无油污、泥浆等附着物。
•☐底盘连接部位是否有松动、断裂等异常情况。
•☐轮胎是否有松动、脱落等情况。
•☐刹车系统是否正常,制动器是否灵敏。
3.3 吊机外观检查•☐吊机结构是否完好,无明显变形、裂纹等损坏情况。
•☐吊臂、支腿、液压缸等部件是否正常运行,无卡滞或漏油现象。
•☐吊具和钢丝绳是否完好,无断裂、磨损等情况。
•☐操作台及控制器是否正常工作。
4. 功能检查4.1 发动机检查•☐发动机启动是否顺畅,无异常噪音或抖动。
•☐发动机运行时转速是否平稳,无明显的加速或减速现象。
•☐发动机排气是否正常,无黑烟、白烟或异味。
4.2 操纵系统检查•☐操作台上的控制按钮和手柄是否灵活可靠。
•☐操纵系统操作各项功能时响应迅速,没有延迟或卡顿现象。
4.3 吊装能力检查•☐吊车在额定载重下的起重能力是否符合规定要求。
•☐吊装过程中是否平稳,无明显晃动或不稳定现象。
4.4 安全系统检查•☐吊车的安全系统是否正常工作,如限位器、防倾倒装置等。
•☐吊车在紧急情况下的应急制动、停机等功能是否正常。
5. 验收结论•☐吊车外观和功能检查均符合要求,验收通过。
•☐吊车存在外观或功能上的缺陷,需进行修复后重新验收。
•☐需进一步检查吊车的特定部件或系统,待进一步评估后再作决定。
6. 验收人员签字验收人员签字日期以上是对汽车吊验收记录表的编写。
该记录表包括了吊车的基本信息、外观检查、功能检查以及验收结论等内容。
起重设备及吊索具进场验收表一、汽车吊进场验收表
表-1 起重设备进场验收表
二、工索具检查验收
表-2 工索具检查验收表
三、配件材料检查验收
①焊条验收
焊条进场时,检查产品合格证,外观是否良好,焊条型号和规格以及数量是否满足现场使用要求。
必要时做焊接工艺评定。
②钢材验收
主要检查钢材出厂合格证,炉批号,必要时进行钢材复验。
③螺栓验收
螺栓进场时,要检查螺栓出厂合格证,查看外观是否良好,螺栓型号、规格、数量是否满足现场使用要求。
必要时进行拉力试验。
精品文档
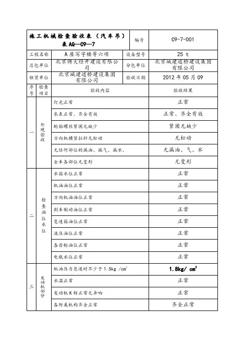
起重机械检查验收表(汽车吊)
精品文档.
精品文档
工程名宁波市轨道交号线二期土建工TJ121标
合同
设备型中铁大桥局股份有限公
承包单使用登记编铁四院(湖北)工程监理咨询有限公监理单
验收日租赁单
验收结检查项
验收内序灯光正1仪表正2齐全有
3轮胎螺丝紧固无缺4传动轴螺丝紧固无缺
5全车各部位无变
6无任何部位的漏油、漏气、漏
1液压泵压力正
2支腿正常伸缩,无下滑脱滞现3主臂伸缩油缸正常无下回转正4
5液压回路无漏油现象底精品文档分盘三离合器正常无打滑1.部.精品文档
精品文档.精品文档
注:本表由施工单位填写,监理单位、施工单位、租赁单位各存一份。
精品文档.。