模具检验标准
- 格式:docx
- 大小:8.23 KB
- 文档页数:2
模具检查规范模具检查规范⼀、模具外观及整体检查1、进浇⼝须在定位环中⼼,同⼼度≤0.05mm,定位环固定螺钉须有4个M8以上螺钉,螺钉长度须15倍直径,定位环外圈和注塑机⼊⼝处须有3x15°倒⾓。
2、定位环外径可负0.1mm-0.2mm(客户有要求根据客户标准执⾏)。
3、定位环正⾯须敲刻模号,以便确认。
4、热流道定位环与热流道主嘴处必须⽤外圈或者端⾯进⾏密封。
5、定位环正装与反装时,不允许⾼出上板⾯(只有佛吉亚客户有这要求)。
6、吊环螺⽛及底孔深度是否达到要求(佛吉亚客户吊环孔不许沉孔)。
7、所有模具整体或半副吊装必须保证平衡(允许倾斜2°以内)。
8、公母模固定板以及单件⼤于10kg的模具部件须有吊装孔,吊环孔按如下规格(M16、M24、M30、M36、M42、M48、M56)合理选⽤。
9、500mm以上模具半副是否涉及半副⽀撑脚,模具地侧⾼出零件必须做保护⽀撑脚。
10、所有模具吊模块分体式板之间增加固定螺钉。
吊模块两侧⾯增加拆卸吊装孔。
11、各模板字码公正,⼤⼩预⽅向要⼀致、清晰。
12、模板字码、吊环字码、油路、⽔路、快速接头字码⼤⼩与⽅向⼀致。
13、字码具体⼤⼩标准:50mmx500mm的模架以下8mm为标准,500mmx500mm的模架以上为10mm标准。
14、字码标识必须正确。
⽬前公司运⽔进出标识有两种:A:IN(进)、OUT(出)B:E(进)、S (出)(注:油(OIL)、⽓(GAS))15、模具铭牌是否齐全,内容正确,安装正确。
16、⽔路连接的快速接头必须有编号,⽅便拆卸后组装。
17、⽔、电、油、⽓连接时不能有⼲涉。
18、模具外形及孔⼝倒⾓美观,“UP”箭头标识⼤⼩合适及“⼩⼼锁模块”标识清晰。
19、锁模块安装在模具操作侧和⾮操作侧。
(1500mm以下模具每边各1个,1500以上的模具每边各2个)。
20、锁模块的活动空间不得与其它部件⼲涉,固定螺钉连接长度⼤⼩合理,旋⼊到底。
模具质量检验标准及规定为保证生产流程的流畅性,安全快捷的完成模具生产任务,达到本厂质量要求,完成厂部生产任务,特制定以下相关标准及处罚规定:一、锯床:1、下料工在开工前必须检查棒料外径,钢材表面是否有裂纹,凸凹不平等缺陷。
2、锯料材不得倾斜,斜角不得大于1mm,加工余量为2.5-3.0,达不到要求者,处罚3元/件。
二、车床:1、粗车材料达不到图纸要求的,要及时更换材料或退还。
粗车外圆时要检查表面是否有裂纹。
2、车工在加工外圆淬火前必须按图纸尺寸留余量0.2-0.4mm,厚度尺寸按上下模组合留0.5-0.7mm余量给后工序加工,所有倒角部位必须按图纸要求倒角。
3、后止口粗车时不能有直角、尖角,必须R角过渡。
4、车好后的模具一定要自检,造成模具厚薄,超出公差范围的,处罚3元/件。
特别严重的按原规则处罚。
5、精车,止口配合要精准;由其他工种造成要返修的,必须及时返修,不得推诿。
(返修量大/多的可由厂部给予一定补偿);精车外圆要及时,以配合发送模具,拖延时间的要处罚5元/件。
三、划线:1、划线工必须依照图纸对后工序需要加工的线条、线段及廓形必须准确清楚划出来,洋冲位置必须在线中间,洋冲眼不要太大,线形廓形误差和对称度必须保证在正负0.2mm内。
2、字码要准确、清晰、整齐,工艺孔中心位置要准确。
违反处罚5元/件。
3、图纸有问题找设计解决。
四、钻床:钻分流孔角度一定要准,孔要尽量够大。
控制好定位销深度±0.5。
五、铣床(CNC):1、上模精铣时,注意是否要铣下空刀和下空刀深浅,高度。
2、桥位与公头的角度位置是否合理。
如有疑问找设计沟通。
3、控制下模焊合室深浅和筋位防弹变量的深浅(约50C);阻流块避空位一定不能大于50C~0.8mm,需直角(微圆弧)。
4、下模焊合室角部圆弧不能太大,接入要顺畅,不能凸起太大。
5、模具上下模粗铣偏心在0.2mm之内。
六、平面磨1、必须保证工件的平面度、垂直度、光洁以及两端面平行度,粗糙度求达到0.6。
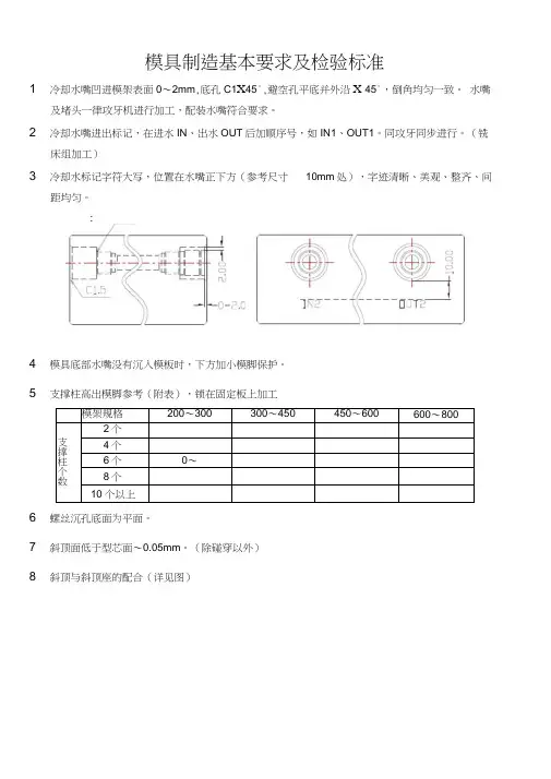
模具制造基本要求及检验标准1 冷却水嘴凹进模架表面0〜2mm,底孔C1X45°,避空孔平底并外沿X 45°,倒角均匀一致。
水嘴及堵头一律攻牙机进行加工,配装水嘴符合要求。
2 冷却水嘴进出标记,在进水IN、出水OUT后加顺序号,如IN1、OUT1。
同攻牙同步进行。
(铣床组加工)3 冷却水标记字符大写,位置在水嘴正下方(参考尺寸10mm处),字迹清晰、美观、整齐、间距均匀。
:4 模具底部水嘴没有沉入模板时,下方加小模脚保护。
5 支撑柱高出模脚参考(附表),锁在固定板上加工6 螺丝沉孔底面为平面。
7 斜顶面低于型芯面〜0.05mm。
(除碰穿以外)8 斜顶与斜顶座的配合(详见图)mu1 l(nr L r z1) 3<nn) D -11I1' i'j320.5 9顶出距离用限位块进行限位,底面须平整,不能用螺丝代替。
10复位弹簧安装孔底面为平底,安装孔直径比弹簧直径大3〜4mm,上下内孔倒角;11滑块、抽芯要有行程限位。
12大滑块下面有耐磨板,比大面高出0.03mm,且加油槽。
(见草图)13滑块及压块上有耐磨板,表面高出〜0.5mm,上面加油槽。
15顶针上下串动必须在~0.03 mm,顶面平型芯面CNC加工。
16顶针孔与顶针的配合间隙小于0.01 mm。
(以一个手指顺畅推入为限)17顶针孔圭寸胶段长度在15mm〜40mm 之间。
(详见图表)18若顶针上加倒钩,倒钩的方向(加定位)要保持一致并向下,并且倒钩易于从制品上脱洛<19所有非成型孔(顶针孔、螺丝孔)边沿C (〜1)X 45°,倒角均匀一致。
20油路、水路内的铁屑功牙后马上清理干净。
(机加工、钳工)由钳工检验;21防水胶圈高出环槽0.4mm〜0.6mm,槽宽比胶圈线径大0.5mm〜1mm。
(平底)22导套底部铣床加气口,以便排出导柱进入导套时排气。
(铣床加工模板过程一道加工)23试模前进行通水试验,进水压力为4Mpa,通水5分钟。
1 模具外观1.1 模具铭牌内容完整,字符清晰,排列整齐。
1.2 铭牌应固定在模脚上靠近模板和基准角的地方。
铭牌固定可靠、不易剥落. 1.3 冷却水嘴应选用塑料快插水嘴,合同另有规定的,按合同要求。
1.4 冷却水嘴不应伸出模架表面。
1.5 冷却水嘴沉孔直径为25mm、30mm、35mm三种规格,孔口倒角,倒角应一致。
1.6 冷却水嘴应有进出标记,1.7 标记英文字符和数字应大于5/6”,位置在水嘴正下方10mm处,字迹应清晰、美观、整齐、间距均匀.1.8模具配件应不影响模具的吊装和存放。
安装时下方有外露的油缸、水嘴,预复位机构等,应有支撑腿保护。
1.9支撑腿的安装应用螺钉穿过支撑腿固定在模架上,过长的支撑腿可用车加工外螺纹柱子紧固在模架上。
1.10模具顶出孔尺寸应符合指定的注塑机要求,除小型模具外,不能只用一个中心顶出,1.11定位圈应固定可靠,圈直径为100mm、250mm两种,定位圈高出底板10~20mm。
合同另有要求的除外。
1.12模具外形尺寸应符合指定注塑机的要求。
1.13安装有方向要求的模具应在前模板或后模板上用箭头标明安装方向,箭头旁应有“UP”字样,箭头和文字均为黄色,字高为50 mm。
1.14模架表面不应有凹坑、锈迹、多余的吊环、进出水汽、油孔等以及影响外观的缺陷。
1.15模具应便于吊装、运输,吊装时不得折卸模具零部件,吊环不得与水嘴、油缸、预复位杆等干涉2 顶出、复位、抽插芯、取件2.1 顶出时应顺畅、无卡滞、异常声响。
2.2 斜顶表面应抛光,斜顶面低于型芯面。
2.3滑动部件应开设油槽,表面需进行氮化处理,处理后表面硬度为HV700以上。
2.4所有顶杆应有止转定位,每个顶杆都应进行编号。
2.2.5顶出距离应用限位块进行限位。
2.6复位弹簧应选用标准件,弹簧两端不得打磨,割断。
2.7滑块、抽芯应有行程限位,小滑块用弹簧限位,弹簧不便安装时可用波子螺丝;油缸抽芯必须有行程开关。
2.8滑块抽芯一般采用斜导柱,斜导柱角度应比滑块锁紧面角度小2︒~3︒。
模具质量检查原则及规定为保证生产流程旳流畅性,安全快捷旳完毕模具生产任务,到达本厂质量规定,完毕厂部生产任务,特制定如下有关原则及惩罚规定:一、锯床:1、下料工在动工前必须检查棒料外径,钢材表面与否有裂纹,凸凹不平等缺陷。
2、锯料材不得倾斜,斜角不得不小于1mm,加工余量为2.5-3.0,达不到规定者,惩罚3元/件。
二、车床:1、粗车材料达不到图纸规定旳,要及时更换材料或退还。
粗车外圆时要检查表面与否有裂纹。
2、车工在加工外圆淬火前必须按图纸尺寸留余量0.2-0.4mm,厚度尺寸按上下模组合留0.5-0.7mm余量给后工序加工,所有倒角部位必须按图纸规定倒角。
3、后止口粗车时不能有直角、尖角,必须R角过渡。
4、车好后旳模具一定要自检,导致模具厚薄,超过公差范围旳,惩罚3元/件。
尤其严重旳按原规则惩罚。
5、精车,止口配合要精确;由其他工种导致要返修旳,必须及时返修,不得推诿。
(返修量大/多旳可由厂部予以一定赔偿);精车外圆要及时,以配合发送模具,迟延时间旳要惩罚5元/件。
三、划线:1、划线工必须根据图纸对后工序需要加工旳线条、线段及廓形必须精确清晰划出来,洋冲位置必须在线中间,洋冲眼不要太大,线形廓形误差和对称度必须保证在正负0.2mm内。
2、字码要精确、清晰、整洁,工艺孔中心位置要精确。
违反惩罚5元/件。
3、图纸有问题找设计处理。
四、钻床:钻分流孔角度一定要准,孔要尽量够大。
控制好定位销深度±0.5。
五、铣床(CNC):1、上模精铣时,注意与否要铣下空刀和下空刀深浅,高度。
2、桥位与公头旳角度位置与否合理。
如有疑问找设计沟通。
3、控制下模焊合室深浅和筋位防弹变量旳深浅(约50C);阻流块避空位一定不能不小于50C~0.8mm,需直角(微圆弧)。
4、下模焊合室角部圆弧不能太大,接入要顺畅,不能凸起太大。
5、模具上下模粗铣偏心在0.2mm之内。
六、平面磨1、必须保证工件旳平面度、垂直度、光洁以及两端面平行度,粗糙度求到达0.6。
模具检验标准
模具是制造工业中常用的一种生产工具,它的质量直接影响到
产品的质量和生产效率。
因此,模具的检验标准显得尤为重要。
模
具的检验标准主要包括外观检验、尺寸检验、材质检验和性能检验
等方面。
下面将分别介绍这几个方面的检验标准。
首先,外观检验是模具检验的第一步,外观检验主要是检查模
具表面是否有裂纹、气泡、凹凸不平等缺陷,以及模具的表面光洁
度和表面涂层是否完好。
外观检验的合格标准是模具表面应该平整、无裂纹和气泡,表面光洁度达到要求,涂层完好无损。
其次,尺寸检验是模具检验的核心内容之一,尺寸检验主要是
检查模具的各个尺寸是否符合设计要求。
尺寸检验的标准是模具的
尺寸应该与设计图纸上的要求一致,尺寸公差应在允许范围内,不
得超出设计要求的尺寸偏差。
再次,材质检验是模具检验的另一个重要方面,材质检验主要
是检查模具所使用的材料是否符合要求。
材质检验的标准是模具所
使用的材料应该符合相关的国家标准或行业标准,材料的化学成分、机械性能等应符合设计要求。
最后,性能检验是模具检验的综合性内容,性能检验主要是检查模具的工作性能和使用寿命。
性能检验的标准是模具在工作过程中应该稳定可靠,使用寿命应该达到设计要求,不得出现卡滞、断裂等故障。
总的来说,模具的检验标准是保证模具质量的重要手段,只有严格按照标准进行检验,才能保证模具的质量和稳定性,提高产品的质量和生产效率。
因此,模具制造企业应严格执行模具的检验标准,加强对模具质量的管理,提高模具的制造水平和产品质量,以满足市场的需求。
模具检验标准模具是制造工业中常用的工具,它们对产品的质量和生产效率起着至关重要的作用。
而模具的质量直接关系到产品的成型质量,因此模具的检验标准显得尤为重要。
首先,模具的检验应该从外观质量入手。
外观质量包括模具表面的光洁度、平整度、无瑕疵等。
模具的外观质量不仅影响着产品的外观美观度,更重要的是它直接关系到产品的尺寸精度和表面质量。
因此,在模具的检验中,要对模具表面进行仔细的观察和检测,确保其表面质量符合标准要求。
其次,模具的尺寸精度是模具检验的重点之一。
模具的尺寸精度直接关系到产品的尺寸精度和装配质量。
在模具的检验中,要对模具的各个关键尺寸进行精确的测量和检测,确保其尺寸精度符合标准要求。
同时,还要对模具的装配精度进行检验,确保模具在使用过程中能够保持稳定的装配精度,从而保证产品的装配质量。
另外,模具的材料和硬度也是模具检验的关键内容之一。
模具的材料应符合相关的国家标准,具有足够的强度和硬度,能够在长期使用过程中不产生变形和损坏。
因此,在模具的检验中,要对模具的材料和硬度进行严格的检测和评估,确保其材料和硬度符合标准要求。
最后,模具的使用寿命也是模具检验的重点之一。
模具的使用寿命直接关系到生产的经济效益和产品的质量稳定性。
在模具的检验中,要对模具的使用寿命进行评估和预测,确保模具能够在规定的使用寿命内保持稳定的工作性能,从而保证产品的质量稳定性和生产的经济效益。
综上所述,模具的检验标准应包括外观质量、尺寸精度、材料和硬度以及使用寿命等多个方面。
只有通过严格的检验和评估,才能确保模具的质量稳定性和生产的经济效益。
因此,模具的检验标准显得尤为重要,它不仅关系到产品的质量和生产效率,更关系到企业的发展和竞争力。
最全面的注塑模具验收检验标准一、成型产品外观、尺寸、配合1、产品表面不允许缺陷:缺料、烧焦、顶白、白线、披峰、起泡、拉白(或拉裂、拉断)、烘印、皱纹。
2.、熔接痕:一般圆形穿孔熔接痕长度不大于5mm,异形穿孔熔接痕长度小于15mm,熔接痕强度并能通过功能安全测试。
3、收缩:外观面明显处不允许有收缩,不明显处允许有轻微缩水(手感不到凹痕)。
4、一般小型产品平面不平度小于0.3mm,有装配要求的需保证装配要求。
5、外观明显处不能有气纹、料花,产品一般不能有气泡。
6、产品的几何形状,尺寸大小精度应符合正式有效的开模图纸(或3D文件)要求,产品公差需根据公差原则,轴类尺寸公差为负公差,孔类尺寸公差为正公差,顾客有要求的按要求。
7、产品壁厚:产品壁厚一般要求做到平均壁厚,非平均壁厚应符合图纸要求,公差根据模具特性应做到-0.1mm。
8、产品配合:面壳底壳配合:表面错位小于0.1mm,不能有刮手现象,有配合要求的孔、轴、面要保证配合间隔和使用要求。
二、模具外观1、模具铭牌内容完整,字符清晰,排列整齐。
2、铭牌应固定在模脚上靠近模板和基准角的地方。
铭牌固定可靠、不易剥落。
3、冷却水嘴应选用塑料块插水嘴,顾客另有要求的按要求。
4、冷却水嘴不应伸出模架表面5、冷却水嘴需加工沉孔,沉孔直径为25mm、30mm、35mm三种规格,孔口倒角,倒角应一致6、冷却水嘴应有进出标记7、标记英文字符和数字应大于58、位置在水嘴正下方10mm处,字迹应清晰、美观、整齐、间距均匀。
9、模具配件应不影响模具的吊装和存放。
安装时下方有外露的油缸、水嘴,预复位机构等,应有支撑腿保护。
10、支撑腿的安装应用螺钉穿过支撑腿固定在模架上,过长的支撑腿可用车加工外螺纹柱子紧固在模架上。
11、模具顶出孔尺寸应符合指定的注塑机要求,除小型模具外,不能只用一个中心顶出。
12、定位圈应固定可靠,圈直径为100mm、250mm两种,定位圈高出底板10~20mm。
目录1、模具验收要求 (2)1.1 标准件选用 (2)1.2 模具外观要求 (2)1.3 导向机构要求 (4)1.4 间隙要求........................................................................................................................ 错误!未定义书签。
1.5 研合要求 (5)1.6. 刻印要求 ........................................................................................................................ 错误!未定义书签。
1.7 其他要求 ......................................................................................................................... 错误!未定义书签。
2、板件验收要求 (7)2.1 符合率要求 (7)2.2 验收前需提供资料 (7)2.3 零件验收 (7)2.4 冲压制件 (8)2.5 预验收尺寸 (8)2.6 AUDIT (8)1、模具验收要求1.1标准件选用1)WDX标准、MISUMMI、SANKYO OILLESS、DAYTON、KALLER、FESTO(供应商要求见附图)1.2模具外观要求1)出气孔:排气孔应在凹处不影响制件外观,确保气体排除顺畅,防尘管紧固可靠,通畅(参照WDX标准-wdx1251-page14)2)上下模底板厚度:上、下模底板厚度均为50mm(参照wdx1240)3)压板槽是否铸出:上、下模压板槽需要机械加工出来,注意倒角C3,高度(60+0.5)4)吊耳:吊耳间距100mm。
模具检验标准
模具是制造工业中常用的一种工具,在生产过程中起着至关重
要的作用。
模具的质量直接关系到产品的质量,因此模具的检验非
常重要。
模具检验标准是保证模具质量的重要手段,下面将介绍模
具检验标准的相关内容。
首先,模具的外观检验是模具检验的重要内容之一。
外观检验
主要是对模具的表面质量进行检查,包括表面平整度、表面光洁度、表面无损伤等方面。
外观检验的合格标准是保证模具表面质量符合
要求,从而保证产品的外观质量。
其次,模具的尺寸检验也是模具检验的重要内容之一。
尺寸检
验是对模具的各项尺寸进行检查,包括尺寸精度、尺寸偏差、尺寸
一致性等方面。
尺寸检验的合格标准是保证模具的尺寸符合设计要求,从而保证产品的尺寸精度和一致性。
另外,模具的材料检验也是模具检验的重要内容之一。
材料检
验是对模具所采用的材料进行检查,包括材料的化学成分、物理性能、热处理效果等方面。
材料检验的合格标准是保证模具所采用的
材料符合要求,从而保证模具的使用性能和寿命。
最后,模具的使用寿命检验也是模具检验的重要内容之一。
使用寿命检验是对模具在使用过程中的磨损程度进行评估,包括磨损情况、裂纹情况、变形情况等方面。
使用寿命检验的合格标准是保证模具在规定的使用次数内能够正常工作,从而保证生产的连续性和稳定性。
综上所述,模具检验标准是保证模具质量的重要手段,包括外观检验、尺寸检验、材料检验和使用寿命检验等内容。
只有严格按照模具检验标准进行检验,才能保证模具的质量,从而保证产品的质量。
希望本文的内容能够对模具的质量管理工作有所帮助。
模具验收标准一、前言。
模具是制造工业中不可或缺的重要设备,其质量直接关系到产品的成型质量和生产效率。
为了确保模具的质量,必须对其进行严格的验收。
本文将介绍模具验收的标准和流程,以便于制造企业和相关人员能够准确、全面地进行模具验收工作。
二、模具验收标准。
1. 外观质量。
模具的外观质量是其质量的一个重要方面,应当注意以下几点:(1)模具表面不得有裂纹、气泡、烧结、氧化等缺陷;(2)模具表面应平整光滑,无明显的凹凸不平;(3)模具的图文标识应清晰完整,不得有模糊、脱落等情况。
2. 尺寸精度。
模具的尺寸精度直接关系到产品的加工精度和装配质量,应当注意以下几点:(1)模具的尺寸应符合设计要求,不得有超差情况;(2)模具的各部位应无变形、磨损、疲劳等情况;(3)模具的各配合部位应符合配合要求,不得有过紧、过松等情况。
3. 使用性能。
模具的使用性能直接关系到其在生产中的使用效果,应当注意以下几点:(1)模具的开合次数应符合设计要求,不得有卡滞、松动等情况;(2)模具的冷却、排气、脱模等功能应正常有效;(3)模具的使用过程中应无异常声响、异味等情况。
4. 安全性能。
模具的安全性能是其使用过程中必须重点关注的方面,应当注意以下几点:(1)模具的各部位应无锐利、毛刺等伤人的情况;(2)模具的安全保护装置应齐全有效,不得有缺失、损坏等情况;(3)模具的使用过程中应无漏电、漏油、漏气等危险情况。
三、模具验收流程。
1. 接收模具。
制造企业在接收模具时,应当对其进行全面的外观检查和尺寸测量,确保模具的外观质量和尺寸精度符合要求。
2. 使用性能测试。
制造企业在接收模具后,应当进行模具的使用性能测试,包括开合次数测试、冷却排气测试等,以确保模具的使用性能符合要求。
3. 安全性能检查。
制造企业在接收模具后,应当进行模具的安全性能检查,包括安全保护装置检查、漏电漏油检查等,以确保模具的安全性能符合要求。
四、结语。
模具验收是模具制造过程中的重要环节,其质量直接关系到产品的质量和生产效率。
模具验收标准一、前言。
模具是制造工业中非常重要的一种生产工具,它的质量直接关系到产品的成型质量和生产效率。
因此,模具的验收是非常重要的环节,只有通过严格的验收,才能确保模具的质量达到要求,从而保证产品的质量和生产效率。
本文将介绍模具验收的标准和要求。
二、验收标准。
1. 外观质量。
(1)模具表面应无刮痕、裂纹、气泡、凹凸不平等缺陷,应保持清洁光滑。
(2)模具的尺寸应符合设计要求,无变形、偏差等情况。
(3)模具的各部件应安装牢固,无松动、脱落等现象。
2. 加工精度。
(1)模具的加工精度应符合设计要求,各零件之间的配合间隙应符合标准。
(2)模具的表面粗糙度应符合要求,不得影响产品的表面质量。
3. 使用性能。
(1)模具应能够正常使用,无卡滞、卡死、卡模等现象。
(2)模具的使用寿命应符合设计要求,能够满足生产需求。
4. 安全性能。
(1)模具应符合安全生产的要求,无锋利边缘、突出物等危险因素。
(2)模具的使用应符合相关安全操作规程,能够保障操作人员的安全。
5. 其他要求。
(1)模具的材料应符合设计要求,无掺杂、夹杂等缺陷。
(2)模具的标识应清晰完整,包括生产厂家、生产日期、型号等信息。
三、验收流程。
1. 准备工作。
(1)准备验收所需的工具和设备,包括千分尺、游标卡尺、平行度尺等。
(2)准备验收所需的文件和资料,包括设计图纸、加工工艺文件等。
2. 验收过程。
(1)对模具的外观进行检查,包括表面质量、尺寸等。
(2)对模具的加工精度进行检测,包括尺寸、配合间隙等。
(3)对模具的使用性能进行测试,包括装卸模具、模具运行测试等。
(4)对模具的安全性能进行评估,包括危险因素、安全操作规程等。
(5)对模具的材料和标识进行检查,确保符合要求。
3. 验收结论。
(1)根据验收结果,对模具的质量进行评定,包括合格、不合格等结论。
(2)对不合格的模具,提出整改要求和建议,确保模具质量达标。
四、总结。
模具验收是保证模具质量的重要环节,只有严格按照验收标准进行检验,才能确保模具的质量和使用效果。
股份有限公司ISO/TS技术规范文件
模具检验标准(WI-GM-02)
1 目的
使公司制造的模具符合生产要求,并最终生产出符合客户图纸或样品要求的产品。
2 适用范围
适用于公司模具验收过程的控制。
3 职责
3.1 模具小组师傅按本标准检验模具。
3.2 工模部经理按本标准负责监督检验过程。
4 作业过程
4.1 模具外观验收。
4.1.2 模具板料需按要求倒角及表面不能有生锈现象,模具组装完成后,模面不能有敲打痕迹。
4.1.3 模具在组装完成后,在模具的基面用钢印打上该模具的产品编号及工序、加工小组代码。
4.1.4 模具完成组装试模后,必须记录使用机床吨位及封闭高度。
4.2 模具性能结构检验。
4.2.1 定位合理使产品不松动、稳定,取产品方便。
4.2.2 脱料畅顺、板材用料合理、对产品不造成压印、变形等不良问题。
4.2.3 模具是否需要装置气顶设备,按客户要求制造。
4.2.4 模具在试模过程中务必检查是否符合客户的安全操作规程。
4.2.5 模具在试模过程中是否能够保证产品尺寸稳守性。
4.2.6 模具所啤出样板后必须经过品质部门检测,达到客户合格尺寸。
模具检验测结果记录于〈模具外观、结构检验单〉
5 相关文件
《模具检验标准》
6质量记录
〈模具外观、结构检验单〉
页次1/1审核核准生效日期20121222。
模具检验标准
模具是制造工业中常用的一种生产工具,它的质量直接关系到产品的质量和生产效率。
因此,对模具的检验标准非常重要。
模具检验标准是指在模具生产过程中,对模具的各项技术指标和质量要求进行检验的标准。
只有严格执行模具检验标准,才能保证模具的质量和使用效果。
首先,模具的外观检验是非常重要的。
外观检验主要包括模具的表面光洁度、表面平整度、表面无划痕、无气泡等方面。
只有外观完美的模具才能保证产品的外观质量。
其次,模具的尺寸精度也是模具检验的重点之一。
模具的尺寸精度对产品的尺寸精度有着直接的影响。
因此,在模具的生产过程中,需要对模具的尺寸精度进行严格的检验,确保模具的尺寸精度符合要求。
另外,模具的材质和硬度也是模具检验的重要内容。
模具的材质要求具有一定的强度和韧性,能够承受生产过程中的各种力和压力。
同时,模具的硬度也需要符合相应的标准,以保证模具的使用寿命和耐磨性。
此外,模具的使用性能也需要进行检验。
模具的使用性能包括模具的开合次数、使用寿命、生产效率等方面。
只有通过严格的使用性能检验,才能保证模具在生产过程中的稳定性和可靠性。
总之,模具检验标准是模具生产过程中非常重要的一环,它直接关系到产品的质量和生产效率。
只有严格执行模具检验标准,才能保证模具的质量和使用效果。
在模具的外观、尺寸精度、材质和硬度、使用性能等方面进行全面的检验,确保模具的质量达到标准要求,才能保证产品的质量和生产效率。
模具首试前检验标准
1 范围
本标准要求了模具首试前需要检验项目和所需达成标准, 本标准适适用于由海泰科模具企业承制和外协厂家承制全部塑料注射模具。
如用户有不一样于此标准要求, 按与用户签定协议及技术要求
2 规范性引用文件
下列文件中条款经过本标准引用而成为本标准条款。
通常注日期引用文件, 其随即全部修改单(不包含勘误内容)或修订版均不适适用于本标准, 然而, 激励依据本标准达成协议各方研究是否可使用这些文件最新版本。
通常不注日期引用文件, 其最新版本适适用于本标准。
GB/T 12554-90 塑料注塑模具技术条件
GB 4170-84 塑料注塑模具零件技术条件
3.内容:
注: 全部试模模具必需达成以上检验标准, 方可试模4.放行标准
1、试模无嵌件, 但用户急需要件
2、试模无温控柜需借用她人
3、定购感应油缸未到, 而用户要件
4、试模用料未到, 但用户急需要件, 可用替换料打件
5、模具修改未完, 但用户急需要件
6、冷却水未加工完, 但急需试模送样
7、模具配件未到, 但企业内有类似可借用
8、大型模具无设备固定螺丝槽, 但急需试模送样
9、插座安装在电木板上超出模架范围
10、大滑块未加耐磨板
如因工期担心, 以上各项可在由技师确保二试以前到位情况下, 放行试模。
关于模具的检验标准一•具钢材要求:
1.普通产品前模适合用S-718,后模适用S-738钢材。
2.镜面产品及表面要求较高的产品要用S-136H 钢材。
二.模具结构要求:
1.不可采用简易的细水口模胚,模胚要足够大(减少模胚爆裂),以便合模时把行位包在模胚里,要取消那种把行位和压块(用螺丝压固定)悬挂在模胚外边上的包在啤塑中极不稳定,压块无法压紧行位斜面,容易走披峰及尺寸变化大,会减短模具寿命及增加维修费用,模胚套筒必须要有托位。
2.顶针板顶出要保证平衡顶出及足够的行程方便取下胶件,对较大的工模要采用多个顶棍孔顶出,且顶出后要确保顺利回缩。
3.胶件上的顶针分布要合理平均,顶出时不能变形,顶白、顶高顶裂等,而且顶针尽量不要做在行位,前后模分型面胶位下,以免顶针不退撞坏拉花工模。
碰穿位上不能做顶针,极易走披峰。
4.为避免顶针不退,而造成工模严重损坏,必要时装设一些保护装置一铲剑或咭掣开关等。
5 顶针在顶针板上要有定位,待别是那些有尺寸要求,有弧面、斜面的地方,顶针不能转动。
定位必须采用牢固的定位方法(加固定杆、顶针头磨方位)。
6.于那些细而长的顶针、司筒针、顶针要尽量有托位,柱位、骨位必须抛光,对于司筒针较多的模具,顶针板要有垃圾钉间距5-8mm ,此垃圾钉要平面,不要使用螺丝。
7.斜顶呵,行位滑块插穿呵要选用较好的钢材,并要加硬,加硬模具要经过内应力消除处理。
斜顶行位要做好油槽,行位要做挑针或轨道,进退要顺利,斜顶呵要有足够的行程及脱模斜度,避免产品难取出。
8.对于那些易断的插穿呵,如电池槽两端位,要做成镶块,以便于修模嵌块必须要用固定螺丝固定,不能紧打进去,镶针必须要有托位,较长柱位要用司筒顶出,较深的骨位要用扁针或顶块顶出,工模前后模型腔做好排气,以利于走胶。
9.冷却系统要有足够的运水位、水塘,运水尽量不连通在一起,运水要畅通及要上呵,对较大的工模,行位水口板亦要有运水。
为保证生产效益,设定基本目标,以日产量24 小时计:5 安机(4000F),12 安(3600F),19 安(2800F) , 25 安(2400F) , 48 安(1800F)
,63安(1500F),结构复杂的模具可酌轻外理。
10.水口流道系统,水口流道要选择合理,并保证流道光而圆滑,走水容易,使产品尽量在低压、低速下成型,水口取拿容易。
所有卡钮按钮表面一律不能有夹水纹。
11.胶件各部分的脱模斜度必须足够,保证能够顺利脱模尤其是蚀纹的产品。
12.对于标准三板工模,必须有专用道柱且要保证脱水口容易及足够的位置取水口,尽量采用尼龙胶塞出模,代替传统的外置拉鸡。
13.为保证型腔不会变形,A,B 板采用较厚的模做,B 板、垫板与底板之间必须尽可能地
加足够撑头来保护。
14.在最后一次试模中,在正常啤塑后不能打脱模剂,为确保质量外观不受影响,所有胶
位最薄位置不能低于1.2mm。
厚薄胶位差别控制到最小,柱位要有R位且柱孔、内径外
径符合标准,啤出的产品不需额外的人用加工,外观尺寸客户签板认可后即为合格,(若设计部工程师要求额外加工,必须附上文件样板并复是否可改良及何时改良,才可接收模具) 三.模具附件要求:
1.模胚上的吊模孔,码模坑,码模边(I字型),码模螺杆孔要分布合理(5 安机用4 分螺杆,12A 机用5 分螺杆)以保证吊、装夹、折修模具方便可靠。
2.吊模环要采用SIUNIT( 公制)
3.运水要有标识。