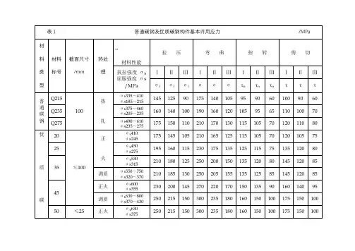
材料许用应力表
- 格式:pdf
- 大小:2.31 MB
- 文档页数:12
表A.1钢管材料许用应力单位为MPa
表A.1钢管材料许用应力表(续)单位为MPa
表A.1钢管材料许用应力表(续)单位为MPa
表A.1钢管材料许用应力表(续)单位为MPa
表A.2 钢板材料许用应力单位为MPa
表A.2 钢板材料许用应力表(续)单位为MPa
表A.3 螺栓材料许用应力表单位为MPa
精品文档
表B.6 符合ASME B31.1标准材料的许用应力表单位为MPa
表B.6 符合ASME B31.1标准材料的许用应力表(续) 单位为MPa
表B.6 符合ASME B31.1标准材料的许用应力表(续) 单位为MPa
表B.7 符合ASME B31.1标准材料的许用应力表(续) 单位为MPa
表B.7 符合EN 10216-2标准材料的许用应力表
表B.7 符合EN 10216-2标准材料的许用应力表
精品文档。
16MnR 低合金钢钢板GB665410012045027515015014713812511310610093664315MnVR 低合金钢钢板GB665468550390183183183183183172159147---15MnVR 低合金钢钢板GB6654616530390177177177177177172159147---15MnVR 低合金钢钢板GB66541636510370170170170170170163150138---15MnVR 低合金钢钢板GB66543660490350163163163163163153141131---15MnVNR 低合金钢钢板GB6654616570440190190190190190190175163---15MnVNR 低合金钢钢板GB66541636550420183183183183183181169156---15MnVNR 低合金钢钢板GB66543660530400177177177177177172159147---18MnMoNbR 低合金钢钢板GB6654306059044019719719719719719719719719717711718MnMoNbR 低合金钢钢板GB66541610057041019019019019019019019019019017711713MnNiMoNbR 低合金钢钢板GB665430100570390190190190190190190190190---13MnNiMoNbR 低合金钢钢板GB6654100120570380190190190190190190190188---07MnCrMoVR 低合金钢钢板-1650610490203203203203203203203----16MnDR 低合金钢钢板GB3531616490315163163163156144131122----16MnDR 低合金钢钢板GB35311636470295157157156147134122113----16MnDR 低合金钢钢板GB35313660450275150150147138125113106----16MnDR 低合金钢钢板GB353160100450255150147138128116106100----07MnNiCrMoVDR 低合金钢钢板-1650610490203203203203203203203----15MnNiDR 低合金钢钢板GB3531616490325163163---------15MnNiDR 低合金钢钢板GB35311636470305157157---------15MnNiDR低合金钢钢板GB35313660460290153153---------09Mn2VDR 低合金钢钢板GB3531616440290147147---------09Mn2VDR 低合金钢钢板GB35311636430270143143---------09MnNiDR 低合金钢钢板GB3531616440300147147147147147147138----09MnNiDR 低合金钢钢板GB35311636430280143143143143143138128----09MnNiDR 低合金钢钢板GB35313660430260143143143141134128119----15CrMoR 低合金钢钢板GB665466045029515015015015014113112511811511211015CrMoR 低合金钢钢板GB66546010045027515015014713813112311611010710410314Cr1MoR 低合金钢钢板-161205153101721721691591531441381311271221160Cr13A1高合金钢钢板GB4237215--1181051011009997959087--0Cr13高合金钢钢板GB4237260--137126123120119117112109105100890Cr18Ni9高合金钢钢板GB4237260--1371371371301221141111071051031010Cr18Ni9高合金钢钢板GB4237260--13711410396908582797876750Cr18Ni10Ti 高合金钢钢板GB4237260--1371371371301221141111081061051040Cr18Ni10Ti 高合金钢钢板GB4237260--13711410396908582807978770Cr17Ni12Mo2高合金钢钢板GB4237260--1371371371341251181131111101091080Cr17Ni12Mo2高合金钢钢板GB4237260--13711710799938784828181800Cr18Ni12Mo2Ti 高合金钢钢板GB4237260--1371371371341251181131111101091080Cr18Ni12Mo2Ti 高合金钢钢板GB4237260--13711710799938784828181800Cr19Ni13Mo3高合金钢钢板GB4237260--1371371371341251181131111101091080Cr19Ni13Mo3高合金钢钢板GB4237260--137117107999387848281818000Cr19Ni10高合金钢钢板GB4237260--11811811811010398949189--00Cr19Ni10高合金钢钢板GB4237260--1189787817673696766--00Cr17Ni14Mo2高合金钢钢板GB4237260--1181181171081009590868584-00Cr17Ni14Mo2高合金钢钢板GB4237260--118978780747067646362-00Cr19Ni13Mo3高合金钢钢板GB4237260--118118118118118118113111110109-00Cr19Ni13Mo3高合金钢钢板GB4237260--11811710799938784828181-00Cr18Ni5Mo3Si2高合金钢钢板GB4237225--197197190173167163-----10碳素钢钢管GB8163103352051121121081019283777169614110碳素钢钢管GB9948163352051121121081019283777169614110碳素钢钢管GB6479163352051121121081019283777169614110碳素钢钢管GB64791740335195112110104988979746866614120碳素钢钢管GB816310390245130130130123110101928683614120碳素钢钢管GB994816410245137137132123110101928683614120G 碳素钢钢管GB647916410245137137132123110101928683614120G 碳素钢钢管GB6479174041023513713212611610495867978614116Mn 低合金钢钢管GB64791649032016316316315914713512611993664316Mn 低合金钢钢管GB6479174049031016316316315311112911911693664315MnV 低合金钢钢管GB647916510350170170170170166153141129---15MnV 低合金钢钢管GB64791740510340170170170170159147135126---09MnD 低合金钢钢管-164002401331331281191069788----12CrMo 低合金钢钢管GB9948164102051281131081019589837775747212CrMo低合金钢钢管GB6479164102051281131081019589837775747212CrMo 低合金钢钢管GB64791740410195122110104989286797472716915CrMo 低合金钢钢管GB994816440235147132123116110101958987868315CrMo 低合金钢钢管GB647916440235147132123116110101958987868315CrMo 低合金钢钢管GB6479174044022514112611611010495898684838112Cr1MoVG 低合金钢钢管GB5310164702551471441351261191101049896959210MoWVNb 低合金钢钢管GB64791647029515715715715615314714113513012612110MoWVNb 低合金钢钢管GB6479174047028515715715615014714113512912411911112Cr2Mo 低合金钢钢管GB64791645028015015015014714414113813413112811912Cr2Mo 低合金钢钢管GB647917404502701501501471411381341311281261231191Cr5Mo 低合金钢钢管GB647916390195122110104101989592898786831Cr5Mo 低合金钢钢管GB647917403901951161049895928986838179780Cr13高合金钢钢管GB/T1497618--137126123120119117112109105100890Cr18Ni9高合金钢钢管GB1329613--1371371371301221141111071051031010Cr18Ni9高合金钢钢管GB/T1497618--13711410396908582797876750Cr18Ni10Ti 高合金钢钢管GB1329613--1371371371301221141111081061051040Cr18Ni10Ti 高合金钢钢管GB/T1497618--13711410396908582807978770Cr17Ni12Mo2高合金钢钢管GB1329613--1371371371341251181131111101091080Cr17Ni12Mo2高合金钢钢管GB/T1497618--13711710799938784828181800Cr18Ni12Mo2Ti 高合金钢钢管GB1329613--1371371371341251181131111101091080Cr18Ni12Mo2Ti 高合金钢钢管GB/T1497618--13711710799938784828181800Cr19Ni13Mo3高合金钢钢管GB1329613--1371371371341251181131111101091080Cr19Ni13Mo3高合金钢钢管GB/T1497618--137117107999387848281818000Cr19Ni10高合金钢钢管GB1329613--11811811811010398949189--00Cr19Ni10高合金钢钢管GB/T1497618--1189787817673696766--00Cr17Ni14Mo2高合金钢钢管GB1329613--1181181171081009590868584-00Cr17Ni14Mo2高合金钢钢管GB/T1497618--118978780747067646362-00Cr19Ni13Mo3高合金钢钢管GB1329613--118118118118118118113111110109-00Cr19Ni13Mo3高合金钢钢管GB/T1497618--11811710799938784828181-20碳素钢锻件JB47261003702151231191131049586797472614135碳素钢锻件JB4726100510265166147141129116108989285614135碳素钢锻件JB4726100300490255159144138126113104958985614116Mn 低合金钢锻件JB472630045027515015014713512911611010493664315MnV 低合金钢锻件JB4726300470315157157157156147135126113---20MnMo 低合金钢锻件JB47263005303701771771771771771771711631561318420MnMo 低合金钢锻件JB47263005005103551701701701701701691631531471318420MnMo 低合金钢锻件JB47265007004903401631631631631631631591501441318420MnMoNb 低合金钢锻件JB472630062047020720720720720720720720717711720MnMoNb 低合金钢锻件JB472630050061046020320320320320320320320317711716MnD 低合金钢锻件JB4727300450275150150147135129116110---09Mn2VD 低合金钢锻件JB4727200420260140140---------09MnNiD 低合金钢锻件JB4727300420260140140140140134128119----16MnMoD低合金钢锻件JB4727300510355170170170170170169163----20MnMoD 低合金钢锻件JB4727300530370177177177177177177171----20MnMoD 低合金钢锻件JB4727300500510355170170170170170169163----20MnMoD 低合金钢锻件JB4727500700490340163163163163163163159----08MnNiCrMoVD 低合金钢锻件JB4727300600480200200200200200200200----10Ni3MoVD 低合金钢锻件JB4727300610490203203---------15CrMo 低合金钢锻件JB472630044027514714714713813212311611010710410315CrMo 低合金钢锻件JB47263005004302551431431351261191101049896959335CrMo 低合金钢锻件JB472630062044020720720720720720720720019415011135CrMo 低合金钢锻件JB472630050061043020320320320320320320320019415011112Cr1MoV 低合金钢锻件JB47263004402551471441351261191101049896959212Cr1MoV 低合金钢锻件JB47263005004302451431411311261191101049896959212Cr2Mo1低合金钢锻件JB472630051031017017016916315915615315014714411912Cr2Mo1低合金钢锻件JB47263005005003001671671661591561531501471441411191Cr5Mo 低合金钢锻件JB4726500590390197197197197197197197190136107830Cr13高合金钢锻件JB4728100--137126123120119117112109105100890Cr18Ni9高合金钢锻件JB4728200--1371371371301221141111071051031010Cr18Ni9高合金钢锻件JB4728200--13711410396908582797876750Cr18Ni10Ti 高合金钢锻件JB4728200--1371371371301221141111081061051040Cr18Ni10Ti 高合金钢锻件JB4728200--13711410396908582807978770Cr17Ni12Mo2高合金钢锻件JB4728200--1371371371341251181131111101091080Cr17Ni12Mo2高合金钢锻件JB4728200--137117107999387848281818000Cr19Ni10高合金钢锻件JB4728200--11711711711010398949189--00Cr19Ni10高合金钢锻件JB4728200--1179787817673696766--00Cr17Ni14Mo2高合金钢锻件JB4728200--1171171171081009590868584-00Cr17Ni14Mo2高合金钢锻件JB4728200--117978780747067646362-00Cr18Ni5Mo3Si2高合金钢锻件JB4728100--197197178163156153-----℃)下的许用应力,MPa---------GB150-98---------GB150-98---------GB150-98---------GB150-98---------GB150-98---------GB150-98---------GB150-98---------GB150-98---------GB150-98---------GB150-98---------GB150-98---------GB150-98---------GB150-98---------GB150-98---------GB150-98---------GB150-98---------GB150-98---------GB150-98---------GB150-98---------GB150-98---------GB150-98---------GB150-98---------GB150-98---------GB150-98---------GB150-98---------GB150-98885837------GB150-98885837------GB150-98885837------GB150-98---------GB150-987253382616----GB150-981009891796452423227GB150-98允许产生微量变形场合747371676252423227GB150-9810310183584433251813GB150-98允许产生微量变形场合767574584433251813GB150-98107106105968165503830GB150-98允许产生微量变形场合797878767365503830GB150-98107--------GB150-98允许产生微量变形场合79--------GB150-98107106105968165503830GB150-98允许产生微量变形场合797878767365503830GB150-98---------GB150-98允许产生微量变形场合---------GB150-98---------GB150-98允许产生微量变形场合---------GB150-98---------GB150-98允许产生微量变形场合---------GB150-98---------GB150-98---------GB150-98---------GB150-98---------GB150-98---------GB150-98---------GB150-98---------GB150-98---------GB150-98---------GB150-98---------GB150-98---------GB150-98---------GB150-98---------GB150-98---------GB150-987150-------GB150-987150-------GB150-986850-------GB150-98815837------GB150-98815837------GB150-98795837------GB150-9889825735-----GB150-9897--------GB150-9897--------GB150-9889614637-----GB150-9889614637-----GB150-986246352618----GB150-986246352618----GB150-987253382616----GB150-981009891796452423227GB150-98允许产生微量变形场合747371676252423227GB150-9810310183584433251813GB150-98允许产生微量变形场合767574584433251813GB150-98107106105968165503830GB150-98允许产生微量变形场合797878767365503830GB150-98107--------GB150-98允许产生微量变形场合79--------GB150-98107106105968165503830GB150-98允许产生微量变形场合797878767365503830GB150-98---------GB150-98允许产生微量变形场合---------GB150-98---------GB150-98允许产生微量变形场合---------GB150-98---------GB150-98允许产生微量变形场合---------GB150-98---------GB150-98---------GB150-98---------GB150-98---------GB150-98---------GB150-9849--------GB150-9849--------GB150-9849--------GB150-98---------GB150-98---------GB150-98---------GB150-98---------GB150-98---------GB150-98---------GB150-98---------GB150-98---------GB150-98---------GB150-98---------GB150-98---------GB150-98885837------GB150-98885837------GB150-987950-------GB150-987950-------GB150-9889825735-----GB150-9889825735-----GB150-9889614637-----GB150-9889614637-----GB150-986246352618----GB150-987253382616----GB150-981009891796452423227GB150-98允许产生微量变形场合747371676252423227GB150-9810310183584433251813GB150-98允许产生微量变形场合767574584433251813GB150-98107106105968165503830GB150-98允许产生微量变形场合797878767365503830GB150-98---------GB150-98允许产生微量变形场合---------GB150-98---------GB150-98允许产生微量变形场合---------GB150-98---------GB150-98。
16MnR 低合金钢钢板GB665410012045027515015014713812511310610093664315MnVR 低合金钢钢板GB665468550390183183183183183172159147---15MnVR 低合金钢钢板GB6654616530390177177177177177172159147---15MnVR 低合金钢钢板GB66541636510370170170170170170163150138---15MnVR 低合金钢钢板GB66543660490350163163163163163153141131---15MnVNR 低合金钢钢板GB6654616570440190190190190190190175163---15MnVNR 低合金钢钢板GB66541636550420183183183183183181169156---15MnVNR 低合金钢钢板GB66543660530400177177177177177172159147---18MnMoNbR 低合金钢钢板GB6654306059044019719719719719719719719719717711718MnMoNbR 低合金钢钢板GB66541610057041019019019019019019019019019017711713MnNiMoNbR 低合金钢钢板GB665430100570390190190190190190190190190---13MnNiMoNbR 低合金钢钢板GB6654100120570380190190190190190190190188---07MnCrMoVR 低合金钢钢板-1650610490203203203203203203203----16MnDR 低合金钢钢板GB3531616490315163163163156144131122----16MnDR 低合金钢钢板GB35311636470295157157156147134122113----16MnDR 低合金钢钢板GB35313660450275150150147138125113106----16MnDR 低合金钢钢板GB353160100450255150147138128116106100----07MnNiCrMoVDR 低合金钢钢板-1650610490203203203203203203203----15MnNiDR 低合金钢钢板GB3531616490325163163---------15MnNiDR 低合金钢钢板GB35311636470305157157---------15MnNiDR低合金钢钢板GB35313660460290153153---------09Mn2VDR 低合金钢钢板GB3531616440290147147---------09Mn2VDR 低合金钢钢板GB35311636430270143143---------09MnNiDR 低合金钢钢板GB3531616440300147147147147147147138----09MnNiDR 低合金钢钢板GB35311636430280143143143143143138128----09MnNiDR 低合金钢钢板GB35313660430260143143143141134128119----15CrMoR 低合金钢钢板GB665466045029515015015015014113112511811511211015CrMoR 低合金钢钢板GB66546010045027515015014713813112311611010710410314Cr1MoR 低合金钢钢板-161205153101721721691591531441381311271221160Cr13A1高合金钢钢板GB4237215--1181051011009997959087--0Cr13高合金钢钢板GB4237260--137126123120119117112109105100890Cr18Ni9高合金钢钢板GB4237260--1371371371301221141111071051031010Cr18Ni9高合金钢钢板GB4237260--13711410396908582797876750Cr18Ni10Ti 高合金钢钢板GB4237260--1371371371301221141111081061051040Cr18Ni10Ti 高合金钢钢板GB4237260--13711410396908582807978770Cr17Ni12Mo2高合金钢钢板GB4237260--1371371371341251181131111101091080Cr17Ni12Mo2高合金钢钢板GB4237260--13711710799938784828181800Cr18Ni12Mo2Ti 高合金钢钢板GB4237260--1371371371341251181131111101091080Cr18Ni12Mo2Ti 高合金钢钢板GB4237260--13711710799938784828181800Cr19Ni13Mo3高合金钢钢板GB4237260--1371371371341251181131111101091080Cr19Ni13Mo3高合金钢钢板GB4237260--137117107999387848281818000Cr19Ni10高合金钢钢板GB4237260--11811811811010398949189--00Cr19Ni10高合金钢钢板GB4237260--1189787817673696766--00Cr17Ni14Mo2高合金钢钢板GB4237260--1181181171081009590868584-00Cr17Ni14Mo2高合金钢钢板GB4237260--118978780747067646362-00Cr19Ni13Mo3高合金钢钢板GB4237260--118118118118118118113111110109-00Cr19Ni13Mo3高合金钢钢板GB4237260--11811710799938784828181-00Cr18Ni5Mo3Si2高合金钢钢板GB4237225--197197190173167163-----10碳素钢钢管GB8163103352051121121081019283777169614110碳素钢钢管GB9948163352051121121081019283777169614110碳素钢钢管GB6479163352051121121081019283777169614110碳素钢钢管GB64791740335195112110104988979746866614120碳素钢钢管GB816310390245130130130123110101928683614120碳素钢钢管GB994816410245137137132123110101928683614120G 碳素钢钢管GB647916410245137137132123110101928683614120G 碳素钢钢管GB6479174041023513713212611610495867978614116Mn 低合金钢钢管GB64791649032016316316315914713512611993664316Mn 低合金钢钢管GB6479174049031016316316315311112911911693664315MnV 低合金钢钢管GB647916510350170170170170166153141129---15MnV 低合金钢钢管GB64791740510340170170170170159147135126---09MnD 低合金钢钢管-164002401331331281191069788----12CrMo 低合金钢钢管GB9948164102051281131081019589837775747212CrMo低合金钢钢管GB6479164102051281131081019589837775747212CrMo 低合金钢钢管GB64791740410195122110104989286797472716915CrMo 低合金钢钢管GB994816440235147132123116110101958987868315CrMo 低合金钢钢管GB647916440235147132123116110101958987868315CrMo 低合金钢钢管GB6479174044022514112611611010495898684838112Cr1MoVG 低合金钢钢管GB5310164702551471441351261191101049896959210MoWVNb 低合金钢钢管GB64791647029515715715715615314714113513012612110MoWVNb 低合金钢钢管GB6479174047028515715715615014714113512912411911112Cr2Mo 低合金钢钢管GB64791645028015015015014714414113813413112811912Cr2Mo 低合金钢钢管GB647917404502701501501471411381341311281261231191Cr5Mo 低合金钢钢管GB647916390195122110104101989592898786831Cr5Mo 低合金钢钢管GB647917403901951161049895928986838179780Cr13高合金钢钢管GB/T1497618--137126123120119117112109105100890Cr18Ni9高合金钢钢管GB1329613--1371371371301221141111071051031010Cr18Ni9高合金钢钢管GB/T1497618--13711410396908582797876750Cr18Ni10Ti 高合金钢钢管GB1329613--1371371371301221141111081061051040Cr18Ni10Ti 高合金钢钢管GB/T1497618--13711410396908582807978770Cr17Ni12Mo2高合金钢钢管GB1329613--1371371371341251181131111101091080Cr17Ni12Mo2高合金钢钢管GB/T1497618--13711710799938784828181800Cr18Ni12Mo2Ti 高合金钢钢管GB1329613--1371371371341251181131111101091080Cr18Ni12Mo2Ti 高合金钢钢管GB/T1497618--13711710799938784828181800Cr19Ni13Mo3高合金钢钢管GB1329613--1371371371341251181131111101091080Cr19Ni13Mo3高合金钢钢管GB/T1497618--137117107999387848281818000Cr19Ni10高合金钢钢管GB1329613--11811811811010398949189--00Cr19Ni10高合金钢钢管GB/T1497618--1189787817673696766--00Cr17Ni14Mo2高合金钢钢管GB1329613--1181181171081009590868584-00Cr17Ni14Mo2高合金钢钢管GB/T1497618--118978780747067646362-00Cr19Ni13Mo3高合金钢钢管GB1329613--118118118118118118113111110109-00Cr19Ni13Mo3高合金钢钢管GB/T1497618--11811710799938784828181-20碳素钢锻件JB47261003702151231191131049586797472614135碳素钢锻件JB4726100510265166147141129116108989285614135碳素钢锻件JB4726100300490255159144138126113104958985614116Mn 低合金钢锻件JB472630045027515015014713512911611010493664315MnV 低合金钢锻件JB4726300470315157157157156147135126113---20MnMo 低合金钢锻件JB47263005303701771771771771771771711631561318420MnMo 低合金钢锻件JB47263005005103551701701701701701691631531471318420MnMo 低合金钢锻件JB47265007004903401631631631631631631591501441318420MnMoNb 低合金钢锻件JB472630062047020720720720720720720720717711720MnMoNb 低合金钢锻件JB472630050061046020320320320320320320320317711716MnD 低合金钢锻件JB4727300450275150150147135129116110---09Mn2VD 低合金钢锻件JB4727200420260140140---------09MnNiD 低合金钢锻件JB4727300420260140140140140134128119----16MnMoD低合金钢锻件JB4727300510355170170170170170169163----20MnMoD 低合金钢锻件JB4727300530370177177177177177177171----20MnMoD 低合金钢锻件JB4727300500510355170170170170170169163----20MnMoD 低合金钢锻件JB4727500700490340163163163163163163159----08MnNiCrMoVD 低合金钢锻件JB4727300600480200200200200200200200----10Ni3MoVD 低合金钢锻件JB4727300610490203203---------15CrMo 低合金钢锻件JB472630044027514714714713813212311611010710410315CrMo 低合金钢锻件JB47263005004302551431431351261191101049896959335CrMo 低合金钢锻件JB472630062044020720720720720720720720019415011135CrMo 低合金钢锻件JB472630050061043020320320320320320320320019415011112Cr1MoV 低合金钢锻件JB47263004402551471441351261191101049896959212Cr1MoV 低合金钢锻件JB47263005004302451431411311261191101049896959212Cr2Mo1低合金钢锻件JB472630051031017017016916315915615315014714411912Cr2Mo1低合金钢锻件JB47263005005003001671671661591561531501471441411191Cr5Mo 低合金钢锻件JB4726500590390197197197197197197197190136107830Cr13高合金钢锻件JB4728100--137126123120119117112109105100890Cr18Ni9高合金钢锻件JB4728200--1371371371301221141111071051031010Cr18Ni9高合金钢锻件JB4728200--13711410396908582797876750Cr18Ni10Ti 高合金钢锻件JB4728200--1371371371301221141111081061051040Cr18Ni10Ti 高合金钢锻件JB4728200--13711410396908582807978770Cr17Ni12Mo2高合金钢锻件JB4728200--1371371371341251181131111101091080Cr17Ni12Mo2高合金钢锻件JB4728200--137117107999387848281818000Cr19Ni10高合金钢锻件JB4728200--11711711711010398949189--00Cr19Ni10高合金钢锻件JB4728200--1179787817673696766--00Cr17Ni14Mo2高合金钢锻件JB4728200--1171171171081009590868584-00Cr17Ni14Mo2高合金钢锻件JB4728200--117978780747067646362-00Cr18Ni5Mo3Si2高合金钢锻件JB4728100--197197178163156153-----℃)下的许用应力,MPa---------GB150-98---------GB150-98---------GB150-98---------GB150-98---------GB150-98---------GB150-98---------GB150-98---------GB150-98---------GB150-98---------GB150-98---------GB150-98---------GB150-98---------GB150-98---------GB150-98---------GB150-98---------GB150-98---------GB150-98---------GB150-98---------GB150-98---------GB150-98---------GB150-98---------GB150-98---------GB150-98---------GB150-98---------GB150-98---------GB150-98885837------GB150-98885837------GB150-98885837------GB150-98---------GB150-987253382616----GB150-981009891796452423227GB150-98允许产生微量变形场合747371676252423227GB150-9810310183584433251813GB150-98允许产生微量变形场合767574584433251813GB150-98107106105968165503830GB150-98允许产生微量变形场合797878767365503830GB150-98107--------GB150-98允许产生微量变形场合79--------GB150-98107106105968165503830GB150-98允许产生微量变形场合797878767365503830GB150-98---------GB150-98允许产生微量变形场合---------GB150-98---------GB150-98允许产生微量变形场合---------GB150-98---------GB150-98允许产生微量变形场合---------GB150-98---------GB150-98---------GB150-98---------GB150-98---------GB150-98---------GB150-98---------GB150-98---------GB150-98---------GB150-98---------GB150-98---------GB150-98---------GB150-98---------GB150-98---------GB150-98---------GB150-987150-------GB150-987150-------GB150-986850-------GB150-98815837------GB150-98815837------GB150-98795837------GB150-9889825735-----GB150-9897--------GB150-9897--------GB150-9889614637-----GB150-9889614637-----GB150-986246352618----GB150-986246352618----GB150-987253382616----GB150-981009891796452423227GB150-98允许产生微量变形场合747371676252423227GB150-9810310183584433251813GB150-98允许产生微量变形场合767574584433251813GB150-98107106105968165503830GB150-98允许产生微量变形场合797878767365503830GB150-98107--------GB150-98允许产生微量变形场合79--------GB150-98107106105968165503830GB150-98允许产生微量变形场合797878767365503830GB150-98---------GB150-98允许产生微量变形场合---------GB150-98---------GB150-98允许产生微量变形场合---------GB150-98---------GB150-98允许产生微量变形场合---------GB150-98---------GB150-98---------GB150-98---------GB150-98---------GB150-98---------GB150-9849--------GB150-9849--------GB150-9849--------GB150-98---------GB150-98---------GB150-98---------GB150-98---------GB150-98---------GB150-98---------GB150-98---------GB150-98---------GB150-98---------GB150-98---------GB150-98---------GB150-98885837------GB150-98885837------GB150-987950-------GB150-987950-------GB150-9889825735-----GB150-9889825735-----GB150-9889614637-----GB150-9889614637-----GB150-986246352618----GB150-987253382616----GB150-981009891796452423227GB150-98允许产生微量变形场合747371676252423227GB150-9810310183584433251813GB150-98允许产生微量变形场合767574584433251813GB150-98107106105968165503830GB150-98允许产生微量变形场合797878767365503830GB150-98---------GB150-98允许产生微量变形场合---------GB150-98---------GB150-98允许产生微量变形场合---------GB150-98---------GB150-98。
347hfg许用应力表
一、温度范围
本许用应力表所提供的许用应力值适用于以下温度范围:室温至200℃。
二、材料种类
本许用应力表适用于以下材料种类:碳钢、不锈钢、铝合金等。
三、许用应力值
在本许用应力表中,各材料的许用应力值均已列出,具体数值请参照附表。
四、应力变化范围
本许用应力表中的许用应力值是一个相对稳定的范围,实际应用中,应力的变化范围可能会因材料、温度、加载方式等因素而有所不同。
因此,在具体应用中,应根据实际情况进行适当的调整。
五、适用标准
本许用应力表所列数值适用于以下标准:GB3077、GB/T17890等。
六、应力单位
本许用应力表中的应力单位为MPa。
七、温度单位
本许用应力表中的温度单位为℃。
八、注意事项
1. 在使用本许用应力表时,应充分考虑材料的种类、温度范围、加载方式等因素,以确保安全可靠。
2. 在实际应用中,如发现异常情况或出现故障,应及时停机检查,排除故障后再继续使用。
3. 本许用应力表仅供参考,具体应用中应根据实际情况进行适当调整。
表A.1钢管材料许用应力单位为MPa
表A.1钢管材料许用应力表(续)单位为MPa
表A.1钢管材料许用应力表(续)单位为MPa
表A.1钢管材料许用应力表(续)单位为MPa
表A.2 钢板材料许用应力单位为MPa
表A.2 钢板材料许用应力表(续)单位为MPa
表A.3 螺栓材料许用应力表单位为MPa
精品文档
表B.6 符合ASME B31.1标准材料的许用应力表单位为MPa
表B.6 符合ASME B31.1标准材料的许用应力表(续) 单位为MPa
表B.6 符合ASME B31.1标准材料的许用应力表(续) 单位为MPa
表B.7 符合ASME B31.1标准材料的许用应力表(续) 单位为MPa
表B.7 符合EN 10216-2标准材料的许用应力表
表B.7 符合EN 10216-2标准材料的许用应力表
精品文档。
表A.1钢管材料许用应力单位为MPa
表A.1钢管材料许用应力表(续)单位为MPa
表A.1钢管材料许用应力表(续)单位为MPa
表A.1钢管材料许用应力表(续)单位为MPa
表A.2 钢板材料许用应力单位为MPa
表A.2 钢板材料许用应力表(续)单位为MPa
表A.3 螺栓材料许用应力表单位为MPa
精品文档
表B.6 符合ASME B31.1标准材料的许用应力表单位为MPa
表B.6 符合ASME B31.1标准材料的许用应力表(续) 单位为MPa
表B.6 符合ASME B31.1标准材料的许用应力表(续) 单位为MPa
表B.7 符合ASME B31.1标准材料的许用应力表(续) 单位为MPa
表B.7 符合EN 10216-2标准材料的许用应力表
表B.7 符合EN 10216-2标准材料的许用应力表
精品文档。
表A.1钢管材料许用应力单位为MPa
表A.1钢管材料许用应力表(续)单位为MPa
表A.1钢管材料许用应力表(续)单位为MPa
表A.1钢管材料许用应力表(续)单位为MPa
表A.2 钢板材料许用应力单位为MPa
表A.2 钢板材料许用应力表(续)单位为MPa
表A.3 螺栓材料许用应力表单位为MPa
精品文档
表B.6 符合ASME B31.1标准材料的许用应力表单位为MPa
表B.6 符合ASME B31.1标准材料的许用应力表(续) 单位为MPa
表B.6 符合ASME B31.1标准材料的许用应力表(续) 单位为MPa
表B.7 符合ASME B31.1标准材料的许用应力表(续) 单位为MPa
表B.7 符合EN 10216-2标准材料的许用应力表
表B.7 符合EN 10216-2标准材料的许用应力表
精品文档。