单回路控制系统整定实验报告
- 格式:doc
- 大小:205.50 KB
- 文档页数:8
实验二:单回路控制器参数整定在现代工业控制应用中,单回路控制系统是最简单、最基本、也是使用最广泛的一种形式。
对于控制系统来说,在设定值发生变化或系统受到扰动作用后,系统将从原来的稳态经历一个过程进入另一个新的稳态。
一个自动控制系统的好坏在稳态下是难以判别的,只有在过渡过程中才充分反映出来。
一个良好的控制系统,在经历扰动后,一般应平稳、迅速和准确地趋近或回复到设定值。
这就需要对调节器的控制参数进行准确地设定才能达到理想的效果。
1 单回路控制系统的具体设计单回路控制系统由A/D转换器、D/A转换器、PID控制器、与外部被测对象、调节器组成单回路控制系统,系统的方框图如图2所示。
本系统采用单回路的数字PID控制,主要将根据系统的给定值与实际值的偏差,利用ARM7S3C4480X芯片进行PID运算后,来实现对PID控制参数的调整。
主调节器的输入由设定值与实际值的偏差给定,主调节的输出控制调节阀。
调节器均具有常规调节器的功能,可单独地进行P、I、D参数、给定值的设定。
2 单回路控制器PID控制算法比例积分微分控制,是过程控制中应用最广泛的一种控制规律。
实际运行经验及理论分析充分证明,这种控制规律用于多数被控对象能够获得较满意的控制效果。
因此,在计算机测控系统中广泛地采用PID控制规律。
PID算法的离散化对被控对象的静态和动态特性的研究表明,由于绝大多数系统中存在储能部件,使系统对外作用有一定的惯性,这种惯性可以用时间常数来表征。
另外,在能量和信息传输时还会因管道、长线等原因引入一些时间上的滞后。
在工业生产过程的实时控制中,总是会存在外界的干扰和系统中各种参数的变化,它们将会使系统性能变差。
为了改善系统性能,提高调节品质,除了按偏差的比例调节以外,引入偏差的积分,以克服余差,提高精度,加强对系统参数变化的适应能力:引入偏差的微分来克服惯性滞后,提高抗干扰能力和系统的稳定性,由此构成的单参数PID控制回路e(t)=R-y(t) (1)式(1)中y(t)是被控变量,R是y(t)的设定值。
实验6:气体压力PID单回路控制系统的设计与整定1、测试实验目的1)掌握压力PID单回路控制系统的常用方法。
2)熟悉压力PID单回路控制系统组态。
3)掌握压力PID控制器参数整定方法。
2、实验原理1)压力作用于单位面积上的垂直力,工程上称为压力,物理学中称为压强。
压力依据零点参考压力的不同,分为绝对压力、表压力、压力差、负压力(真空)和真空度。
绝对压力:以完全真空为零标准所表示的压力。
表压力:以大气压为零标准所表示的压力,等于高于大气压力的绝对压力与大气压力之差。
大气压力:一个标准大气压是在纬度45度,温度为0℃,重力加速度为9.80665m/s2海平面上,空气气柱重量所产生的绝对压力,其值是101325Pa。
压差:除大气压力以外的任意两个压力的差值。
负压:绝对压力小于大气压时,大气压力与绝对压力之差为负压。
负压的绝对值称为真空。
真空度:绝对压力小于大气压时的绝对压力。
压力测量常用的单位有:①帕斯卡(Pa),其物理意义是,1牛顿的力作用于1平方米的面积上的压强(力)。
工程中常用MPa表示压力,1 MPa=106 Pa,②工程大气压(kgf/cm2),垂直作用于每平方厘米面积上的力,以公斤数为计量单位。
工程上常用kg/cm2表示。
1 kgf/cm2=9.80665×105 Pa=0.980665 MPa。
③物理大气压(atm),即上面所述的标准大气压。
④毫米汞柱(mmHg)、毫米水柱(mmH2O),垂直作用于底面积上的水银柱或水柱的高度为计量单位。
1 atm=760 mmHg。
许多生产过程都是在不同的压力下进行的,有些需要很高的压力,例如,高压聚乙烯、合成氨生产过程等,有些需要很高的真空度。
压力是化学反应的重要参数,不但影响到反应平衡关系,也影响到反应速率。
生产过程中的其它参数也经常通过压力间接测量,例如,流量、液位、温度等可以转换为压力进行测量。
2)压力的测量压力(压差)的测量方法主要有,液体式、弹性式、活塞式、电动式(电感、电容、电位、应变、压电、霍尔、力平衡、电涡流等)、气动式、光学式(光纤、光干涉、光电、激光等)。
单回路控制系统整定实验报告本文是对单回路控制系统整定实验的总结和分析,主要包括实验目的、实验原理、实验过程、实验结果以及实验分析等方面的内容。
一、实验目的本实验的主要目的是掌握单回路控制系统整定方法,了解控制系统的稳态误差和动态响应特性,提高实际应用控制系统的能力。
二、实验原理单回路控制系统是一种基本的控制系统形式,它由被控对象、传感器、执行机构、控制器和控制信号等组成。
例如,温度控制系统、速度控制系统、压力控制系统等都是单回路控制系统的应用。
在通过控制器使被控对象产生控制输出信号的过程中,存在稳态误差和动态响应特性问题,对其进行整定是控制系统设计中重要的环节。
稳态误差是指控制器输出的控制信号与被控对象实际输出之间的误差。
当被控对象达到稳定状态时,控制器输出的控制信号与被控对象实际输出之间的误差称为稳态误差,在实际控制系统设计中,应尽可能使稳态误差达到最小。
动态响应特性是指控制系统对负载扰动、控制信号变化等外部干扰的响应能力。
在实际应用控制系统中,需要考虑控制系统的动态响应特性,以此保证系统稳定性和控制效果。
控制系统的整定就是调整控制器参数,使系统的稳态误差和动态响应特性达到最优状态,从而获得最佳控制效果。
三、实验过程本实验是基于MATLAB/Simulink软件进行的模拟实验。
实验系统模型:本实验模拟一个简单的单回路负反馈控制系统,其模型如图所示。
其中,控制器采用比例积分控制器(PI控制器),其控制方程为:$$u(t) = K_p e(t) + K_i \int_0^t e(τ) \, dτ$$传感器和被控对象之间的关系用传递函数表示为:$$G(s) = \frac{1}{s(1+0.5s)}$$控制器的参数Kp和Ki需进行整定。
实验过程中,先通过手动调节的方式获得基本的参数范围,再通过曲线法和频率法对其进行精细调整。
曲线法:首先设置一个阶跃参考信号,观察系统的单位阶跃响应曲线,根据曲线特征调整控制器参数。
单回路控制系统实验报告一、引言单回路控制系统是一种常见的控制系统,它由传感器、执行器、控制器和被控对象组成,用于实现对被控对象的精确控制。
本实验旨在通过搭建一个简单的单回路控制系统,探究其基本原理和性能特点。
二、实验目的1.了解单回路控制系统的基本组成和工作原理;2.熟悉传感器、执行器和控制器的选择和连接方法;3.掌握控制系统的参数调节方法;4.分析和评估单回路控制系统的性能。
三、实验器材和材料1.传感器:温度传感器、压力传感器等;2.执行器:电机、液压缸等;3.控制器:PLC、单片机等;4.被控对象:温度控制系统、压力控制系统等;5.连接线、电源等实验器材。
四、实验步骤1.根据实验要求选择适合的传感器、执行器和控制器,并进行连接;2.搭建单回路控制系统,确保传感器能够正确获取被控对象的状态,并传输给控制器;3.调节控制器参数,使得执行器能够根据被控对象的状态做出相应动作;4.观察和记录被控对象的状态变化,并进行分析;5.根据实验数据评估单回路控制系统的性能。
五、实验结果与分析通过实验我们发现,在单回路控制系统中,传感器的准确性对系统的控制精度起着关键作用。
若传感器的测量误差较大,则控制器会根据错误的数据做出误判,导致执行器产生错误的动作,影响了系统的稳定性和精度。
因此,在选择传感器时应注意其测量精度和可靠性。
控制器的参数调节也对系统性能有重要影响。
通过调节控制器的比例、积分和微分参数,可以改变控制系统的响应速度和稳定性。
比例参数的增大会加快系统的响应速度,但可能引起振荡;积分参数的增大会减小系统的稳态误差,但可能导致系统的超调;微分参数的增大会提高系统的稳定性,但可能引起噪声干扰。
因此,在调节控制器参数时需要综合考虑系统的要求和特性。
六、实验总结本实验通过搭建单回路控制系统,深入理解了其基本原理和性能特点。
我们了解到传感器、执行器和控制器在控制系统中的重要作用,以及参数调节对系统性能的影响。
通过实验数据的分析和评估,我们可以进一步优化单回路控制系统,提高其控制精度和稳定性。
单回路压力控制实验报告ok一、实验目的1. 掌握压力控制的基础知识和特点;2. 理解压力控制系统的组成及其工作原理;3. 学会建立单回路压力控制系统的实验。
二、实验原理单回路压力控制系统一般由压力传感器、控制阀、执行元件(如气缸)、控制器等组成。
压力传感器将受控对象的压力信号转换为电信号,输入给控制器,然后控制器通过控制阀调节介质的通断,从而实现对压力的控制。
三、实验设备及器材1. 实验台架,控制器、压力传感器、控制阀、滤清器、连接管路。
2. PC机和调节程序。
3. 4、6mm 气管、快速接头等。
四、实验步骤1. 将主气线接至气源,清理气源管路,确保质量纯净。
2. 将压力传感器通过连接管路与控制器连接,并设置好实验参数。
3. 将气缸通过气管连接至控制器。
4. 调节系统,使气缸位置接近0位。
5. 开始调节气压,将压力传感器初始值等于环节设定压力。
6. 调节时间,观察控制器对压力的输出变化,及气缸位置的变化,记录数据。
7. 分析实验数据,计算系统的响应时间、稳态误差及其它相关数据。
五、实验结果分析1. 系统的响应时间:在实验中,我们将控制器给储存的压力输出信号与环节设定的压力值进行比较。
当差值较小时,控制器的输出也越小,气压上升越慢,响应时间越长。
实验结果表明,系统的响应时间与压力传感器的精度、控制器的响应速度、控制阀的动作速度等多个因素有关。
2. 系统的稳态误差:稳态误差是指系统达到稳态后,输出与设定值之间的差异。
当压力达到设定值后,稳定时间较短,不会出现突然变化的现象。
实验结果表明,在误差的控制范围内,系统的输出稳定性有着重要的贡献。
3. 通过本次实验,我们成功建立了一套单回路压力控制系统,掌握了压力控制的基本原理、基础知识和特点,掌握了压力传感器、控制器、控制阀等组成的压力控制系统的组成及工作原理。
我们还收集了大量的实验数据,并进行了深入的分析和统计,以便使学生能够更好地理解和掌握压力控制实验。
单回路调节实验报告实验背景回路调节是控制系统中的一种基本调节方法,可以通过调节系统的输入信号来实现对输出信号的控制。
单回路调节实验是一种常见的实验,通过实验可以了解调节系统的基本原理和性能指标。
实验目的本实验的主要目的是通过设计和实现一个单回路调节系统,掌握回路调节的基本方法和技巧,了解调节系统的性能指标,并进行性能指标的评价和分析。
实验设备- 电脑- 数据采集卡- 台式调节器实验原理回路调节是通过改变系统的输入信号,使系统的输出信号达到期望值。
回路调节系统一般由以下几个基本组成部分组成:1. 传感器:用于将物理量转换为电信号;2. 执行器:用于接收控制信号并将其转换为能够执行的物理动作;3. 控制器:根据输入信号和输出信号的差异,计算得到控制信号;4. 反馈环节:用于将输出信号反馈到控制器中,使其根据实际输出信号调整控制信号。
本实验中,我们将使用一个台式调节器作为被调节对象,通过改变控制器的输出信号(电压),调节台式调节器的运行速度。
实验步骤1. 将电脑与数据采集卡连接,并安装相应的驱动程序。
2. 将数据采集卡与台式调节器连接,确保连接正确并固定。
3. 打开实验软件,配置实验参数,如采样率、采样时间等。
4. 设计和实现一个适当的控制器,通过调节控制器的输出信号,使台式调节器的运行速度达到期望值。
5. 启动实验软件,开始采集数据。
6. 观察输出信号的变化,并对其进行分析和评价。
7. 根据实验结果,调整控制器的参数,进一步优化控制效果。
8. 结束实验,保存数据结果。
实验结果与分析经过多次实验和调整,我们得到了一组较好的实验结果。
在初始状态下,台式调节器的运行速度为1000转/分钟。
通过调节控制器的输出信号,我们成功将运行速度稳定在800转/分钟左右。
同时,我们也观察到,当输出信号发生波动时,运行速度也会有相应的波动。
根据实验结果,我们可以对调节系统的性能指标进行评价和分析。
常见的性能指标包括超调量、调整时间和稳态误差等。
单回路控制系统整定实验报告一、实验目的(1)掌握动态模型的创建方法.。
(2)掌握单回路控制系统的理论整定方法和工程整定方法。
(3)了解调节器参数对控制品质的影响。
二、实验仪器计算机一台三、实验步骤(1)启动计算机,运行MATLAB应用程序。
(2)在MATLAB命令窗口输入Smulink,启动Simulink。
(3)在Simulink库浏览窗口中,单击工具栏中的新建窗口快捷按钮或在Simulink库窗口中选择菜单命令File→New→Modeel,打开一个标题为“Untitled”的空白模型编辑窗口。
(4)用鼠标双击信号源模块库(Source)图标,打开信号源模块库,将光标移动到阶跃信号模块(Step)的图标上,按住鼠标左键,将其拖放到空白模型编辑窗口中。
用鼠标双击附加模块库(Simulink Extra)图标,打开A到底提哦哪里Liner模块库,将光标移到PID Controller 图标上,按住鼠标左键,将其拖放到空白模块编辑窗口中。
(5)用同样的方法从连续系统模块库(Continuous)、接受模块库(Sinks)和数学运算模块库(Math Operations)中把传递函数模块(Transfer Fcn)、示波器模块(Scope)和加法器模块(Sum)拖放到空白模型编辑窗口中。
(6)用鼠标单击一个模块的输出端口并用鼠标拖放到另一模块的输入端口,完成模块间的连接,如图1,图二。
图1图二(7)构造图1所示的单回路反馈系统的仿真模型。
其中控制对象由子系统创建,如图2。
(8)设调节器为比例调节器,对象传递函数为:0(1)nK T s (其中:0K =1,0T =10,n=4),用广义频率特性法按衰减率0.75计算调节器的参数;根据计算结果设置PID 调节其参数,启动仿真,通过示波器模块观测并记录系统输出的变化曲线(9)用响应曲线法整定调节器的参数。
1)求出对象的阶跃响应曲线2)根据响应曲线求取对象的动态特性参数。
单回路控制系统实验报告实验名称:单回路控制系统实验实验目的:掌握单回路控制系统的基本原理和调节方法,熟悉控制系统的建模、分析和设计过程。
实验设备:计算机、控制系统实验仪器、数据采集卡、传感器、执行器等。
实验原理:单回路控制系统是由闭环反馈控制器、过程装置和传感器组成的反馈控制系统。
其基本原理是根据反馈信号来调节输出信号,使得系统输出达到期望值或稳定在某个给定值上。
单回路控制系统可用于控制温度、压力、速度等各种物理量。
实验步骤:1. 搭建单回路控制系统:将闭环反馈控制器、过程装置和传感器按照实验要求连接起来,确保各个设备之间的信号传输正常。
2. 设定控制目标:根据实验需求,设定控制系统的目标值,如温度控制系统中的目标温度。
3. 进行系统建模:将控制系统中的各个元件抽象为数学模型,如控制器的传递函数、过程装置的传递函数等。
4. 参数调整:选择合适的控制器参数,如比例增益、积分时间和微分时间,并通过试控实验进行参数调整。
5. 进行闭环控制实验:将控制系统闭合,即将输出信号作为反馈信号输入到控制器中,通过控制器输出调节过程装置的输入信号,控制系统达到期望值或稳定在给定值上。
6. 实验数据采集与分析:利用数据采集卡采集实验过程中的各个信号数据,并进行数据分析,如误差分析、系统响应时间等。
7. 评价控制效果:根据实验数据分析结果,评价控制系统的性能,并对控制系统进行改进或优化。
实验结果:根据实验数据采集与分析结果,可以得到控制系统的性能指标,如超调量、调节时间等。
根据实验结果,评价控制系统的性能,并对控制器参数进行调整和优化,以达到更好的控制效果。
实验总结:通过本实验,掌握了单回路控制系统的基本原理和调节方法,了解了控制系统的建模、分析和设计过程。
实验中还发现了控制系统中可能存在的问题,并进行相应的改进措施。
在今后的工作中,将进一步研究和应用控制系统技术,提高控制系统的性能和稳定性。
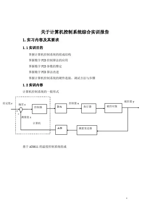
关于计算机控制系统综合实训报告1.实习内容及其要求1.1实训目的掌握计算机控制系统的组成结构掌握数字PID控制算法的应用掌握数字PID参数的整定掌握数字PID算法改进掌握计算机控制系统的硬件连接、调试方法与步骤1.2实训内容计算机控制系统的一般形式基于AC6611的温度控制系统组成通过温度的设定值和反馈值,计算其偏差,并使用基本PID、或不完全微分PID或微分先行PID或死区PID或积分分离PID或积分限幅PID控制算法输出控制信号,整定PID参数,使被控的温度达到设定值。
具体实训内容包括AC6611过程卡的接线和测试、数据采集程序设计、PID算法程序设计、控制输出程序设计、人机界面程序设计、PID参数整定、实训报告。
1.3实训要求完成一个基本PID或不完全微分PID或微分先行PID或死区PID或积分分离PID或积分限幅PID单回路温度控制系统的设计和调试过程。
通过实训,让学生了解计算机控制系统的基本组成,提出计算机控制系统的设计思路,初步学会计算机控制系统软硬件设计及调试的方法,具备技术实现能力;基本上能够处理实践过程中出现的问题并提出解决办法,进一步提高学生的计算机应用水平。
2.AC6611多功能过程通道卡2.1 功能特点及技术指标AC6611是一款廉价通用A/D、D/A板,AD工作在查询方式,采用PCI总线支持即插即用、无需地址跳线。
AC6611具有16路单端模拟输入、32路开关量(16路输入及16路输出)、一路12位D/A。
AC6611采用大规模可编程门阵列设计。
AC6611性能参数(1)模拟量输入(A/D)●A/D转换器: 120KHZ ,12位A/D,ADS7816,A/D内置采样保持器。
●工作方式:软件查询。
●16路单端输入,输入阻抗:1MΩ●最大输入耐压电压:< +12V / -5.5V,瞬时输入耐压:-25V - +30V●连接器:DB25孔式输入连接器。
●A/D最大通过率: 70KHZ,输入通道建立时间<8uS。
单回路控制系统的参数整定
实验要求:
(1)了解调节器特性的实验测试方法
(2)掌握依据飞升特性曲线求取对象动态特性参数和调节器参数的方法
(3)熟悉单回路控制系统的工程整定方法
实验内容:
(1)在 Simulink 中搭建含该被控对象的单回路控制系统,其中输入为单位阶跃信号、单位负反馈、调节器选用 PID控制规律 (提示:PID环节用 Simulink 库中自带的)
(2)采用稳定边界法整定调节器参数,并给出 P、PI、PID三种调节规律下的单回路控制系统的输出曲线
Kp=4.78 Pm=0.2092 (Kp=1/Pm)
Tm=156.1-84.11=71.99s
P调节:
Kp=1/(2*Pm)=1/2*4.78=2.39
PI调节:
Kp=1/(2.2*Pm)=1/2.2*4.78=2.173
Ki=Kp/Ti=2.173/(0.85*71.99)=0.0355
PID调节:
Kp=1/(1.7*Pm)=1/1.7*4.78=2.81
Ki=Kp/Ti=2.81/(0.5*71.99)=0.078 Kd=Kp*Ti=2.81*0.125*71.99=25.286
(3)比较、分析实验结果
(4)加分项目:采用衰减曲线法整定调节器参数衰减比为4:1 时。
实验二单回路控制系统实验
一实验目的
⒈掌握单回路控制系统的组成、结构和设计方法。
⒉掌握单回路控制系统的投运步骤。
⒊掌握控制器参数的整定方法。
⒋掌握变送器和调节阀的概念、使用方法、信号标准和接线。
二实验要求
针对过程控制实验装置,设计单回路控制系统,被控参数为二阶水槽的液位,执行器为电动调节阀。
设计并实施控制方案,进行参数整定。
三实验设备
⒈被控对象:二阶水槽。
⒉控制器:PLC。
⒊仪表:液位变送器。
⒋执行器:电动调节阀。
⒌附属设施:变频器,水泵等。
四实验原理
⒈过程控制实验装置流程图
⒉控制方框图
五实验步骤
⒈根据实验装置工艺流程设计控制方案,确定测量点和控制点。
(课外完成)
⒉设计投运方案。
(课外完成)
⒊按设计方案连接线路,检查无误后,按投运方案投运。
⒋整定控制器参数,加干扰测试,使系统达到4:1衰减过渡过程。
六实验结果及分析要求
⒈控制方案说明,系统方框图和接线图。
⒉参数整定结果及相应过渡过程曲线。
⒊总结PID参数对控制效果的影响。
一系统整定的基本概念1控制系统整定:所谓控制系统的整定,就是根据被控对象的特性选择最佳的整定参数(主要有:调节器参数的设置、各信号间的静态配合、变送器以及调节机构的参数选择等,其中主要是设置合适的调节器参数),以达到满意的控制效果。
2概念的理解:(1) 单回路控制系统主要由调节器和被控对象构成,通常被控对象的动态特性是无法轻易改变的,要得到满意的调节效果,就要合理的设置调节器的参数。
因而,单回路控制系统的整定实际上就是调节器的参数整定。
调节器的参数主要有三个,即比例调节规律的比例带、积分调节规律的积分时间和微分调节规律的微分时间。
(2) 控制系统整定的前提条件就是控制系统的结构已知,也就是说,控制系统是由那些元件构成的、元件之间的连接方式、调节器的调节规律、对象的动态特性等都已经确定。
(3) 衡量系统参数整定是否达到最佳的依据是控制系统的性能指标。
通过对系统参数的整定,使系统的性能指标达到要求。
(4) 值得注意的是,系统参数的整定只能在一定的范围内起作用,若设计方案不合理,自动调节仪表和调节结构选型不当,安装质量不高,被控对象存在缺陷……,则无论用什么方法进行整定,都不会得到满意的效果。
3整定方法:常用的系统整定方法可以分为两类,◆理论整定法:理论整定法根据调节原理的有关基本原理进行计算,对调节器的参数进行整定,比较复杂,在现场应用较少。
◆工程整定法:工程整定法在现场得到了广泛的应用二单回路控制系统的工程整定法工程整定法主要有四种,即经验法、临界比例带法、衰减曲线法以及响应曲线法。
1经验法经验法实际是一种试凑法,是在生产实践中总结出来的参数整定法,该方法在现场中得到了广泛的应用。
利用经验法对系统的参数进行整定时,首先根据经验设置一组调节器参数,然后将系统投入闭环运行,待系统稳定后作阶跃扰动试验,观察调节过程;若调节过程不满足要求,则修改调节器参数,再作阶跃扰动试验,观察调节过程;反复上述试验,直到调节过程满意为止。
实验内容:简单过程控制系统的实施与整定【实验目的】1、通过实验熟悉单回路反馈控制系统的组成和工作原理。
2、分析分别用P、PI和PID调节时的过程图形曲线。
3、掌握单回路控制系统的投运和无扰动切换方法。
4、定性地研究P、PI和PID调节器的参数对系统性能的影响。
【实验设备】1、A3000-FS现场总线型过程控制现场系统 4套2、A3000-CS上位控制系统 4套【实验原理】1、控制系统结构单容水箱液位定值(随动)控制实验,定性分析P、PI和PID控制器特性。
控制逻辑如图3-1所示:图3-1 单容下水箱液位定值(随动)控制系统实验水流入量Qi由调节阀u控制,流出量Qo则由用户通过负载阀R来改变。
被调量为水位H。
使用P、PI 、PID控制,看控制效果,进行比较。
2、控制系统方框图如图3-2所示:图3-2 单容下水箱液位定值(随动)控制统方框图3、控制系统接线表表3-1【实验内容与步骤】1、系统连接(1)在A3000-FS上,打开手动调节阀JV201、JV206,调节下水箱闸板开度(可以稍微大一些),其余阀门关闭。
(2)在A3000-CS上,将液位差压变送器的输出连接到AI0,AO0端口,即连接到电动调节阀上。
(3)打开A3000电源。
在A3000-FS上,启动右边水泵。
(4)启动计算机组态软件,进入实验系统选择相应的实验。
启动控制器,设置各项参数,将控制器的“手动-自动”切换开关置相应的位置。
2、控制器参数整定用临界比例度法去整定PID调节器的参数是既方便又实用的。
它的具体做法是:待系统稳定后,逐步减小控制器的比例度δ(即1/KC),并且每当减小一次比例度δ,待被控变量回复到平衡状态后,再手动给系统施加一个5%~15%的阶跃扰动,观察被控变量变化的动态过程。
若被控变量为衰减的振荡曲线,则应继续减小比例度δ,直到输出响应曲线呈现等幅振荡为止。
如果响应曲线出现发散振荡,则表示比例度调节得过小,应适当增大,使之出现等幅振荡。
实验三单回路控制系统组员:实验时间:2014.4.11、实验名称:液位单回路自动控制系统2、实验目的:1、通过实际构建、运行一个液位单回路控制系统,更深入理解一个工业自控系统的工作原理和投运步骤;2、掌握控制系统的调整方法—工程参数整定;三、实验设备:A3000过程控制实验装置中的二级水箱系统,PC机及工业组态软件;4、控制系统的要求:1、被控参数(液位)能保持在期望值上,并抵御一定的外部扰动,满足生产的质量与安全的要求(有报警,操作限制等);2、一个一般的工业控制系统多是一个包含基本控制回路系统,并附加其它设备的复合系统。
五、实验内容:①通过信号连线,构建一个液位单回路控制系统;②启动计算机,运行实验软件;实验设备加电、开泵,手动操作系统达到稳定,进行手动->自动的无扰动切换;③采用工程参数整定方法,寻找满足控制要求的控制器参数(P、I、D );④进行测试,判断系统是否满足希望的控制质量要求─较快地实现平稳(如4~10:1的衰减过程);⑤测试应以随动(内部扰动)和定值(外部扰动)两种情况验证。
输出值输出值LT1 02FV101先不连化,具体先向哪个方向变化取决于当时的水位高度。
理想的工作点是水箱的中间位置。
每次变化后要等到系统确实稳定后再向相反方向变化。
(3)若结果不满意应进一步试探。
将比例度P 分别改为50%、30% ,每改变一次P ,都应在设定值加干扰进行测试,观察过渡过程曲线的变化,直至到更接近4 : 1 衰减振荡过程,记下对应的P 值;(4)以该比例度为基础,将比例度P乘以1.2倍,并以P所对应的曲线振荡周期(两个波峰之间的时间)的一半时间为积分时间Ti,控制器为PI(比例+积分)作用;⑸在此PI参数下再次改变设定值,测试控制器的PI参数是否满足要求,即控制的效果和质量。
若不合适还可对PI参数再作调整,直至达到要求。
⑹若有时间,可根据前面的P,查表得到P、I、D作用,使控制器成为P+I+D的三作用控制器。
单回路控制系统实验单回路控制系统概述实验三单容水箱液位定值控制实验实验四双容水箱液位定值控制实验实验五锅炉内胆静(动)态水温定值控制实验实验三实验项目名称:单容液位定值控制系统实验项目性质:综合型实验所属课程名称:过程控制系统实验计划学时:2学时一、实验目的1.了解单容液位定值控制系统的结构与组成。
2.掌握单容液位定值控制系统调节器参数的整定和投运方法。
3.研究调节器相关参数的变化对系统静、动态性能的影响。
4.了解P、PI、PD和PID四种调节器分别对液位控制的作用。
5.掌握同一控制系统采用不同控制方案的实现过程。
二、实验内容和(原理)要求本实验系统结构图和方框图如图3-4所示。
被控量为中水箱(也可采用上水箱或下水箱)的液位高度,实验要求中水箱的液位稳定在给定值。
将压力传感器LT2检测到的中水箱液位信号作为反馈信号,在与给定量比较后的差值通过调节器控制电动调节阀的开度,以达到控制中水箱液位的目的。
为了实现系统在阶跃给定和阶跃扰动作用下的无静差控制,系统的调节器应为PI或PID控制。
三、实验主要仪器设备和材料1.实验对象及控制屏、SA-11挂件一个、计算机一台、万用表一个;2.SA-12挂件一个、RS485/232转换器一个、通讯线一根;3.SA-44挂件一个、CP5611专用网卡及网线、PC/PPI通讯电缆一根。
四、实验方法、步骤及结果测试本实验选择中水箱作为被控对象。
实验之前先将储水箱中贮足水量,然后将阀门F1-1、F1-2、F1-7、F1-11全开,将中水箱出水阀门F1-10开至适当开度,其余阀门均关闭。
具体实验内容与步骤按二种方案分别叙述。
(一)、智能仪表控制1.按照图3-5连接实验系统。
将“LT2中水箱液位”钮子开关拨到“ON”的位置。
图3-4 中水箱单容液位定值控制系统(a)结构图(b)方框图图3-5 智能仪表控制单容液位定值控制实验接线图2.接通总电源空气开关和钥匙开关,打开24V开关电源,给压力变送器上电,按下启动按钮,合上单相Ⅰ、Ⅲ空气开关,给智能仪表及电动调节阀上电。
单回路控制系统整定实验报告
一、实验目的
(1)掌握动态模型的创建方法.。
(2)掌握单回路控制系统的理论整定方法和工程整定方法。
(3)了解调节器参数对控制品质的影响。
二、实验仪器
计算机一台
三、实验步骤
(1)启动计算机,运行MATLAB应用程序。
(2)在MATLAB命令窗口输入Smulink,启动Simulink。
(3)在Simulink库浏览窗口中,单击工具栏中的新建窗口快捷按钮或在Simulink库窗口中选择菜单命令File→New→Modeel,打开一个标题为“Untitled”的空白模型编辑窗口。
(4)用鼠标双击信号源模块库(Source)图标,打开信号源模块库,将光标移动到阶跃信号模块(Step)的图标上,按住鼠标左键,将其拖放到空白模型编辑窗口中。
用鼠标双击附加模块库(Simulink Extra)图标,打开A到底提哦哪里Liner模块库,将光标移到PID Controller 图标上,按住鼠标左键,将其拖放到空白模块编辑窗口中。
(5)用同样的方法从连续系统模块库(Continuous)、接受模块库(Sinks)和数学运算模块库(Math Operations)中把传递函数模块(Transfer Fcn)、示波器模块(Scope)和加法器模块(Sum)拖放到空白模型编辑
窗口中。
(6)用鼠标单击一个模块的输出端口并用鼠标拖放到另一模块的输入端口,完成模块间的连接,如图1,图二。
图1
图二
(7)构造图1所示的单回路反馈系统的仿真模型。
其中控制对象由子系统创建,如图2。
(8)设调节器为比例调节器,对象传递函数为:
0(1)
n
K T s (其中:0K =1,0T =10,n=4)
,用广义频率特性法按衰减率0.75计算调节器的参数;
根据计算结果设置PID调节其参数,启动仿真,通过示波器模块观测并记录系统输出的变化曲线
(9)用响应曲线法整定调节器的参数。
1)求出对象的阶跃响应曲线
2)根据响应曲线求取对象的动态特性参数。
3)启动仿真,通过示波器模块观测并记录系统输出的变化曲线。
(10)用临界曲线法整定调节器参数
1)先将调节器改成纯比例作用(使
T=∞,d T=0),并将比例增益
i
置于最小的数值,然后将系统投入闭环运行。
启动仿真,通过示波器模块观测并记录系统输出的变化曲线。
逐渐增加比例增益,观测不同比例增一下的调节过程,直到调节过程出现等幅震荡为止,记录此时的比例带和系统的临界振荡周期和Tk。
2)根据求得的
和Tk,由表4-3可求得调节器的增定参数。
s
3)将调解器参数设置好,做系统的定制阶跃扰动试验,观测控制过程,并根据响应曲线适当修改整定参数。
(11)用衰减曲线法整定调节器参数。
1)先将调节器参数Ti=∞,Td=0,并将比例增益置于较小的数值,然后将系统投入闭环运行。
启动仿真,通过示波器模块观测并记录系统输出的变化曲线。
逐渐增加比例增益,观测不同比例增益下的调节过程,直到调节过程出现衰减率为0.75的震荡为止,记录此时的比例带δs和系统的震荡周期Ts。
2)由表4-4可求得调节器的整定参数。
表4-3 临界曲线法整定参数计算表
控制规律
调节器参数
δ
i T
d T
P 2k δ
PI 2.2k δ 0.85k T
PID 1.67k
δ
0.5k T
i T
表4-4 衰减曲线法整定参数计算表
控制规律
调节器参数
δ
i T
d T
P 2s δ
PI 1.2s δ 0.5s T
PID 0.8s δ
0.3s T
0.1s T
3)将调节器参数设置好,做系统的定值阶跃扰动试验,观测控制过程,适当修改整定参数,直到控制过程满意为止。
四、实验结果 (1)临界曲线法
将调节器改成纯比例积分,即i K =0,d K =0。
调整p K 直到出现等幅震荡。
如图3。
图3 得出:p K =4。
由于1
p
K δ==0.25,同时从图中得知pr T =66。
由公式:1
P K δ
=
p i i
K K T =
d d P K T K =⋅
得出
控制规律
调节器参数
δ
i T
d T
P 0.5
PI 1.82 0.0324
PID 2.4
0.0727
19.8
PI 得出的图形
PID得出来的图形
(2)衰减曲线法
将调节器改成纯比例积分,
K=0,d K=0。
调整直到调节过程衰减率
i
为0.75的震荡为止。
如图
K=1.87
p
动态建模实验报告
专业自动化专业
班级
指导教师姓名
学号
实验日期。