RC12AD溶出仪说明书
- 格式:pdf
- 大小:13.53 MB
- 文档页数:21
RC8MD智能溶出实验仪操作规程一、接通电源1、将电源线接于220V电压。
2、打开电源线控中的开关。
3、打开溶出仪上的电源开关。
二、安装机器部件1、按机身左侧开锁按钮向上抬起机头,将溶出杯按各个杯体上的编号置于机体相应编号的位置。
2、安装转杆:①按转杆上的标号将桨杆上端插入各对应标号的轴孔中(大杯时插入外侧取样孔,小杯时插入内侧取样孔),缓缓向上推,盖下机头,放入定位测量球,缓缓压下各转杆上端直至桨叶或转篮底部接触到定位测量球上(球体直径2.5cm)即为桨位或篮位,顺时针转紧离合器,重新仰起机头,取出杯中测量球放回附件箱中,转杆安装定位完成。
三、准备溶剂1、将各溶出杯中注入所需介质溶液,旋转杯架圈,使杯架圈外延四个凸起部分分别旋入杯架的四个凹槽内。
2、保证水浴箱内循环水位高度略高于杯内溶剂的液面高度。
四、设定参数1、按[▲]键移动光标至“基本试验”按[确定]键进入“基本试验参数设置”界面。
2、按[▲]或[▼]键将光标分别移至“转速设定”或“温度设定”项下,用数字键输入参数值,最后按[确定]键完成设置。
(打印间隔设为00)五、开始试验1、按[加热]键开始/停止加热。
2、按[转动]键启动/停止转动。
六、程控试验1、进入“程控试验”模式。
2、程序组号和参数设置:在“程控参数设置(1—10):XX”光标处输入01—10某个程序组号,按[确定]或[▼]键即显示该程序组初始的或上次设定的参数值。
3、按[▲]或[▼]键和数字键设置“温度”、“转速”、“取样次数”、“测定方法(其中1、2、3分别代表篮法、桨法、小杯法)”、“溶出介质”。
4、进入预定程序界面,分别按[加热]、[转动]和[0/计时]键启动试验运行。
5、每次取样时间到达之前30秒钟仪器开始鸣笛,提醒取样。
6、退出运行:全部取样操作完毕后,按[转动]键关电机、按[加热]键关闭加热器与水泵,再按退出键返回主菜单。
七、投样1、对于桨法,可将试样置于投药孔中,盖上盖,当开始投药时拉动机头右侧投药拉手,能同时将所有试样投入溶出介质中。
1.仪器概述药物溶出试验仪(简称溶出仪)是专门用于检测口服固体制剂(如片剂、胶囊、颗粒剂等)溶出度的药物试验仪器。
它能模拟人体的胃肠环境及消化运动过程,是一种控制药物制剂的体外试验装置,广泛应用于药物的研究、生产与检验。
RC806溶出试验仪是按照中国药典和美国药典的要求而设计的新型药物溶出试验仪。
该仪器采用四柱支撑结构形式,双排八杯八杆,机头电动升降,其设计造型合理紧凑,美观大方,机械性能稳固;它还采用了多项新材料、新器件和新技术,其功能更强大、操作更简便、性能更稳定可靠。
其主要特点有:●可装配8个185mm高度新溶出杯、8个搅拌桨或转篮。
●机头电动升降,自动化程度高。
●转杆与溶出杯自动对中心定位,无须人工调整。
●搅拌桨、篮杆和转篮及学名出杯架板均为优质不锈钢材料制造,耐腐蚀性能好。
●水浴箱与循环管路的连接采用快速接嘴及专用排水口,便于水浴箱拆卸清洗。
●配有最新设计的双层密封杯盖,可有效地防止溶出介质蒸发。
●采用新型温度传感器温漂小,可靠性高,循环水浴升温快且稳定性好。
●采用新型驱动电机转速高、噪音小,转杆最高稳定转速可达250转/分钟。
●采用新型液晶显示屏,中文或英文菜单式显示,人机界面友好,使用更简便。
●机头升降、转杆转动、启动计时各自用按键独立操作,符合药典要求。
●“程控试验”功能可执行10组预置的取样程序,适于常规重复性试验。
●“基本试验”功能可在试验过程中随时改变试验参数,便于研究性试验。
●“定时关机”功能可在无人值守的情况下自动终止溶出试验进行。
●“自动预热”功能可在无人值守情况下定时开始预热水浴,节省人力和时间。
●液晶屏显示的恒温水浴温度值若产生偏差,用户可自行校准。
●仪器有内置时钟,液晶屏显示的日期。
时间如有偏差,用户可自行校正。
●用户预置的程序及试验参数自动存储于,下次开机无需重复设置。
●具有断电保护功能:试验中若临时断电不超过5分钟,试验仍能继续运行。
●仪器具有超低温报警(<3℃)、超高温报警(>47℃)及二次过热保护功能。
药物溶出度仪校验标准操作规程第 1 页共 4 页DC/Shen guo.P.CO.,LTD/GMP 内部资料注意保密1.目的:制定药物溶出度仪的校验标准操作规程,满足对药物溶出度的校验周期。
2.范围:适用于现在正在使用的RCZ-8A型药物溶出度测定仪或其它相当的药物溶出度测定仪的校验。
包括调修后的校验也可以此为标准。
3.职责:中心化验室主任、QC检验员对本标准的实施负责。
4.内容:4.1校验用仪器:——温度传感器或玻璃温度计(已校验),满标误差±0.5℃。
——秒表:30秒/圈4.2被校验仪器:——药物溶出度测定仪。
4.3校验步骤:——将温度传感器按规定一年校验一次,合格后为仪器配用。
——分别将仪器的转速设定为30转/分、50转/分、100转/分、150转药物溶出度仪校验标准操作规程第 2 页共 4 页DC/Shen guo.P.CO.,LTD/GMP 内部资料注意保密/分、200转/分五种转速,用目测计数法测其实际转速,相对误差±4%。
4.4数据处理:——温度误差≤±0.5℃为合格。
——转速相对误差,五种转速中有一项大于±4%,即不合格。
——不合格的仪器在调修后,重新校验。
4.5校验周期:——溶出度测定仪的校验周期为一年。
——温度传感器的校验周期为一年。
——检验合格后签发“合格证”。
4.6备注:——校验时发现异常情况,应上报QC主管,并追踪前次使用情况,然后应予调修,再次校验。
——在仪器使用记录中应有“校验”。
——在校验记录的备注校验时的环境温度。
药物溶出度仪校验标准操作规程第 3 页共 4 页DC/Shen guo.P.CO.,LTD/GMP 内部资料注意保密溶出度测定仪校验记录仪器名称:溶出度测定仪仪器型号:仪器编码:出厂编号:校验周期:12个月校验人:校验日期:使用部门:校验数据合格标准:相对误差≤±4%温度 37.0℃ 1 23456合格标准:从温度稳定后开始计时测温,每10分钟一次,连续6次。
农药残留检测系统用户手册深圳市后王电子科技公司目录目录 (1)1、仪器软件操作流程 (2)1.1仪器开机 (2)1.2系统设置 (3)1.3项目检测 (5)1.4历史记录查询 (8)1.5操作说明 (9)2、农药残留检测试剂使用说明书 (10)1、仪器软件操作流程1.1 仪器开机(1) 将仪器电源适配器插入220v电源插座,将适配器另一端的DC插口插入仪器后部的电源接口接通仪器电源。
(2) 拨通面板开关接通电源,启动仪器。
(3) 打开平板电脑。
[注意事项]:先打开检测仪,后打开平板电脑。
先启动平板电脑可能导致连接不成功。
(4) 打开食品安全检测系统后,软件显示以下界面。
(5) 点击屏幕右上角“搜索仪器”,仪器与蓝牙进行配对,大约需要30秒钟进行初始化。
仪器连接成功后,软件左下角显示“设备已连接”。
[注意事项]:接通电源前请检查样品室,不能放置比色皿及其他异物。
仪器开机后,建议将仪器预热10分钟,以确保光源稳定后再开始测量。
1.2系统设置(1)点击系统设置,进入到系统设置界面。
包括仪器信息和项目配置。
(2)点击仪器信息,进入到仪器信息界面。
包括检测单位、被检单位以及检测人员。
(3)点击项目配置,进入到项目配置界面。
包括检测项目名称、样品管理以及曲线设置。
1.3 项目检测(1)选择项目根据将要进行的实验项目,在软件主界面选择相应的检测项目。
如:将进行农药残留的检测,则点击农药残留,进入到农药残留检测项目界面。
通道号下方数字的左侧白色球为对照测试按键,右侧三角符号为样品测试键。
(2)对照测量将制作好的对照比色皿放入仪器指定通道后,点击白色球按钮进行对照测量。
软件界面中间显示测量时间倒计时。
测试完成后,软件界面中上侧的对照值会显示测试后的对照具体数值,如下图:(3)样品测量将样品比色皿放入指定通道中,点击右侧三角符号按钮进行样品测量。
三角符号变为显示测量时间倒计时。
测试完毕,软件显示检测结果。
(4)设置样品种类及样品限制根据检测的样品,选择样品名称,软件自带国标限值。
智能溶出度测定仪安全操作及保养规程前言智能溶出度测定仪是一种常用的实验室设备,广泛应用于制药、化学和食品等领域。
为确保设备的正常运行并保证实验的准确性,必须正确使用和维护设备,并牢记安全操作规程。
本文将为操作人员介绍智能溶出度测定仪的安全操作和保养规程。
安全操作规程1. 装置操作稳定在开始操作前,操作人员必须检查设备是否处于稳定状态。
检查各个仪器是否安装到位,保证仪器的重心平衡,防止设备在使用过程中出现倾斜、移动或倒塌的情况。
2. 药品配制规范在使用智能溶出度测定仪进行实验时,必须使用符合质量标准的试剂和药品。
操作人员应该将所有药品配制和操作记录到实验记录中,注意标注药品的批号和有效期。
3. 清洁和消毒在实验结束后,必须对设备进行清洁和消毒,以确保设备在下一次使用前处于安全的状态。
在使用溶解度测定仪进行药品测量之前,操作人员必须将设备清洗干净并使用合适的化学药品对设备进行消毒处理。
4. 保持设备干燥为确保设备的长期运行和保持设备的形状,操作人员必须对设备进行干燥处理。
操作人员必须确保设备周围没有水分以及湿度过大的情况,并定期对设备进行保养。
5. 维护机器的稳定性在操作过程中,必须保持操作区域整洁,避免在设备周围堆放杂物或进行其他操作。
操作结束后,操作人员必须将设备关闭,以保证设备在下一次使用前处于安全状态。
保养规程1. 维护各部分的清洁在使用智能溶出度测定仪进行实验之前和之后,必须对装置各部分进行清洁。
操作人员必须使用干净柔软的棉布来擦拭设备的表面,确保设备没有任何污渍,以便于日后的维护保养。
2. 定期校准设备为确保设备的准确性和测量结果的可靠性,操作人员必须定期校准设备。
校准必须由专业技术人员进行,并根据校准结果进行调整。
3. 经常更新软件和系统为确保设备的正常运行和精确度,操作人员必须经常更新设备的软件和系统。
在更新软件和系统之前,操作人员必须先备份数据,以确保数据的安全性。
4. 更换零部件对于经常使用的设备,某些零部件可能会磨损或损坏。
溶出度测定标准操作规程1 简述1.1 溶出度(中国药典2005年版二部附录Ⅹ C)系指测定药物从片剂、胶囊剂或颗粒剂等固体制剂在规定条件下溶出的速率和程度。
它是评价药物口服固体制剂质量的一个指标,是一种摸拟口服固体制剂在胃肠道中崩解和溶出的体外简易试验方法。
1.2 溶出度测定法是将某种固体制剂的一定量分别置于溶出度仪的转篮(或溶出杯)中,在37.0℃±0.5℃恒温下,在规定的转速、溶出介质中依法操作,在规定的时间内取样并测定其溶出量。
1.3 中国药典2005年版收载三种测定方法,第一法为转篮法,第二法为桨法及第三法为小杯法。
1.4 除另有规定外,凡检查溶出度的制剂,不再进行崩解时限的检查。
2 仪器与用具2.1 溶出度仪2.1.1 仪器的组成溶出度仪由电动机、恒温水浴、篮体、篮轴、搅拌桨、溶出杯及杯盖等组成,详见中国药典2005年版二部附录ⅩC。
2.1.2 仪器的装置与使用按仪器使用说明书及中国药典对溶出度的规定进行安装与使用。
2.1.3 仪器的校正为使药物的溶出度测定结果准确、可靠,应对新安装的溶出度仪按溶出度校正片说明书进行校正,对已使用过的仪器也应定期(或在出现异常情况时)进行校正。
2.1.4 仪器的调试2.1.4.1 检查仪器水平及转动轴的垂直度与偏心度(使用水平仪检查仪器是否处于水平状态;转轴的垂直程度应与容器中心线相吻合,用直角三角板检查转动轴与溶出杯平面的垂直度;检查转篮旋转时与溶出杯的垂直轴在任一点的偏离均不得大于2mm,检查转篮旋转时摆动幅度不得偏离轴心的±1.0mm;或检查桨杆旋转时与溶出杯的垂直轴在任一点的偏差均不得大于2mm;或检查搅拌桨旋转使A、B 两点的摆动幅度不得大于0.5mm。
2.1.4.2 篮轴运转使整套装置应保持平稳,均不能产生明显的晃动或振动(包括仪器装置所放置的环境)。
2.1.4.3 转速与允差范围检测仪器的实际转速与其仪器的电子显示的数据是否一致,稳速误差不得超过±4%。
滤过,并及时在操作容器中补充溶出介质5mL,精密量取续滤液各适量,分别用溶出介质定量稀释制成每1mL中约含头孢氨苄(按C16H17N3O4S计)25μg的溶液,作为供试品溶液,照紫外-可见分光光度法[6],在262nm的波长处测定吸光度;另精密称取头孢氨苄对照品适量,加溶出介质溶解并定量稀释制成每1mL中约含25μg的溶液,同法测定,计算每片在不同时间的溶出量。
以取样时间点为横坐标,平均溶出量为纵坐标,绘制该介质的溶出曲线图。
2.3 影响溶出数据的因素除药物制剂自身因素外,实验的仪器装置,溶出介质以及滤膜等均有可能对药物的溶出数据产生影响[7]。
(1)不同设备检测。
分别使用天大天大和安捷伦溶出仪,采用篮法100转的方法检测头孢氨苄片样品的溶出数据,对比溶出曲线。
(2)溶液稳定性实验。
取头孢氨苄片样品,采用篮法100转溶出曲线测定,分别在5min和45min时取溶液适量,滤过,精密量取续滤液适量,用溶出介质定量稀释制成每1mL中约含头孢氨苄25μg的溶液,将该溶液于室温下放置3h,分别于0、1、2、3h测定溶液的吸光度,计算吸光度的RSD%。
(3)滤膜吸附实验。
天大天大溶出仪使用天大天大系统保护过滤头和滤膜,针对其过滤方式进行滤膜吸附实验。
配制相当于主药溶出度10%的溶液和相当于主药溶出度100%的溶液,这两种溶液均分为两份,一份过滤,一份不过滤。
照紫外-可见光光度法在262nm波长处测定溶液的吸光度。
3 结果与讨论3.1 pH1.2盐酸介质溶出曲线的测定在pH1.2盐酸介质中分别采用篮法100转和桨法50转对头孢氨苄片的溶出曲线进行检测,得出各个时间点对应的平均溶出量并绘制对应的溶出曲线见图1。
图1 pH1.2盐酸介质中篮法100转和桨法50转的溶出曲线图1中的两条溶出曲线基本重合,可知在pH1.2盐酸介质中采用两种方法检测结果差异不大。
0 引言头孢氨苄片是临床上应用非常普遍的一种抗菌药[1],且在国务院办公厅发布的需开展仿制药质量与疗效一致性评价的289个基药口服固体制剂范围内[2]。
【测试仪】溶出度测试仪保养维护测试仪维护和修理保养溶出度仪是一种仪器用来建立复方非洛地平缓释片的溶出度测定方法,以掌控该缓释片的质量。
溶出度测试仪保养维护1、在测定过程中,必需保证水位至少高于水槽右端出水口2cm 以上,否则禁止开机。
2、初次开机时,水位应下降1cm。
水嘴处有气泡冒出,说明加热箱已有水,否则禁止开机。
3、开机后若极多字显示,电源指示灯不亮,应检查保险丝是否烧断,电源电压是否正常。
4、开机后若温度数字显示乱跳,可查看测浊线插头与传感器插座连接是否良好。
5、不准将温度传感器插入溶出杯溶剂中,以免腐蚀传感器热敏电阻。
扭力测试仪使用警告扭力测试仪假如操作错误,可能会损坏扭力测试仪或导致严重的事故。
本说明书中,指出了防备事故发生的紧要事项和产品的使用方法,请在使用前认真阅读此说明书。
使用后请妥当保管。
假如是测试冲击负荷,请选用量程比测试冲击负荷值大一倍的型号。
使用警告:→→在破坏性测试时,应戴上保护面具和手套以防测试过程中发生的飞溅物质伤及到人。
→→不要使用已损坏或严重弯曲变形的夹具。
自制夹具请参阅本说明书中相关的参数(本公司另备有各类夹具,客户可依据需要另行选购,也可依据客户需要定做夹具)→→不要超负荷使用本仪器。
否则可能导致传感器永久损坏,甚至发生事故。
→→当测试值超过满量程的105%时, 蜂鸣器会连续鸣叫, 此时请解除所加之负荷或降低负荷。
→→请使用我公司配套的数据线通信,否则会造成仪器永久性故障。
→→本机用于测试推力或拉力,不要在测试杆弯曲或拧紧的方向用力。
→→不要使用已损坏或变形的钩子及夹头。
→→请使用配套的充电器充电,否则会引起电路故障,甚至引发火灾。
→→不要使用充电器额定电压以外的电源,否则可能会引起电击或火灾。
→→不要用湿手拔出或插入插头,否则可能导致触电。
→→不要拉拽充电器的电源线来拔出插头,以免电线被扯断。
→→请用柔嫩的布来清洁本机。
将布浸入泡有清洁剂的水中,拧干后再清除灰尘和污垢。
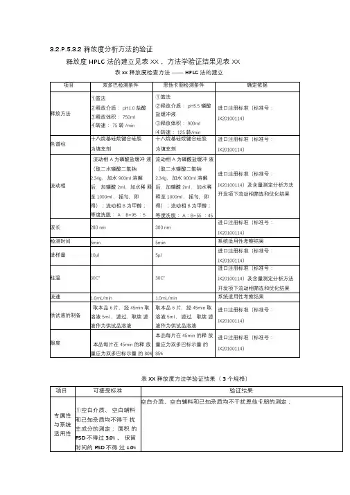
3.2.P.5.3.2 释放度分析方法的验证释放度 HPLC 法的建立见表 XX ,方法学验证结果见表 XX表xx 释放度检查方法——HPLC 法的建立表XX 释放度方法学验证结果(3 个规格)中间精密度(3 个规格)两个分析人员,分别用两台溶出仪操作,再用两台色谱仪进行测试。
所得18 份供试液释放度结果均符合规定,RSD 不得过10.0%。
样品名称释放度均值%(人员A 、溶出仪A 、色谱仪A ,重复性结果)释放度均值%(人员B、溶出仪B、色谱仪B )均值% RSD%45min 释放度18 份供试液释放度结果均符合规定,RSD 均不大于10.0% 。
恩他卡朋:准确度(3 个规格)6 个水平下,18 份供试品溶液的平均回收率可接受标准为95.0%~105.0% ,RSD 不得过3.0%。
浓度水平(%)恩他卡朋回收率(%)恩他卡朋回收率%平均回收率(%)RSD(%)60%80%120%3 个水平下,9 份供试品溶液的平均回收率均在95.0%~105.0%之间,RSD不大于3.0%。
溶液稳定性对照品溶液和供试品对照品溶液和供试品溶液在室温下放置12 小时,恩他卡朋峰面积与零点溶液在不同时间点,恩比较RD 均小于2.0% 。
他卡朋峰面积与零点比较RD 应不得过2.0%。
耐用性释放介质和色谱条件的微小变化对供试品释放度结果无显著影响,系统适用性符合规定,不同条件下的释放度结果均符合规定,RSD 不得过10.0%。
改变释放介质pH±0.2(5.3、5.5、5.8),系统适用性均符合规定,3 个条件其余耐用性项目考察(如流动相pH 值、流动相比例、流速、柱温等的微小变动)表格设计同上。
3.2.P.5.3.2.1仪器与试药释放度方法学验证所用仪器及试药见表 XX表XX 释放度方法学验证仪器和试药3.2.P.5.3.2.2释放方法A.篮法B.释放介质: pH5.5 盐酸溶液(称取磷酸二氢钾 6.80g、氢氧化钠 0.08g,用水溶解并稀释至 1000ml,摇匀,即得。
药物溶出仪使用操作方法ZRS-8型1、开机前准备工作:1.1 先在水槽中加入适量纯化水至水线标志。
1.2 插上电源插头。
2、开机:打开机座右侧的“电源开关”,开关内指示灯亮,机头前面板上的三个显示窗均亮:转速显示“000”;温度显示实际水温值;“计时状态指示灯亮”,时间显示为“00:00”。
2.1按一次温控启/停键,其上方的温控状态指示灯亮,水泵启动,数秒钟后水浴箱中的水开始循环流动(若未循环,设法排除泵内空气或其他障碍):二分钟后加热器启动,水温开始上升。
按一次温控启/停键,温控状态指示灯灭,加热器关断,水温停止上升,二分钟后,水泵关断,水浴停止循环。
2.2 按一次转速显示窗下的转速启/停键,其上方的运行状态指示灯亮,转杆开始转动,显示窗显示转速值;同时,时间显示窗中间的两个秒信号指示灯开始闪动,时间显示开始计时。
再按一次温控启/停键,运行状态指示灯灭,转杆停止,转速显示000;秒信号指示灯停止闪动,正计时也停止。
2.3关闭电源开关,所有显示窗及指示灯均无显示。
2.4 若以上操作及相应运行状态无误,则仪器安装合格,可以投入使用了。
3、使用方法3.1 安装调整转杆:3.1.1 按照药典规定安装实验转杆(蓝杆、桨杆、小桨杆)。
注意离合器不要旋紧。
3.1.2 取测量钩。
将钩的定高环(25mm或15mm直径)逐次防入各个杯内至杯底中心。
3.1.3、垂直向下压转杆顶端,使网篮底部或浆叶底部接触测量钩的定高环的顶部,顺时针旋紧离合器上部轮母,使离合器能夹住转杆。
然后向上提起转杆,离合器随同转杆被提起,此时再用一只手握住离合器下部,另一只手顺时旋紧离合器上部轮母。
3.1.4、垂直向下压转杆顶端,转杆连同离合器一同下移,直至离合器下部压住同齿轮为止。
此时,网篮底面或浆叶底部距溶出杯底为药典规定高度(25+2mm,小杯法为15+1mm)。
3.2 注入溶剂:仰起机头,向溶出杯内注入所需溶剂,盖好保温盖。
(水浴箱内循环水液面高度应略高于溶出杯内溶剂的液面)。
江西汇仁药业股份有限公司…南昌……330052)采用室温留样和特定加速条件(60℃/75%RH )对克拉霉素内即可显著影响产品溶出性能,主要影响因素是温湿度的共同24个月溶出度均符合规定;变化幅度与温湿度和时间正相关。
,产生影响[19-20],不同厂家生产的克拉霉素制剂溶出度存在显著差异[21-26],生产过程的操作能力也影响克拉霉素制剂溶出[27-28],克拉霉素制备成固体分散体或微囊化工艺有利于药物的溶出[29-30]。
但无文献报道贮存条件对克拉霉素制剂溶出度的影响。
我们采用室温留样和特定加速条件(60℃/75%RH),以及长期留样对克拉霉素片进行批内和批间溶出度对比考察,根据考察的结果结合文献、产品长期留样,对此问题进行探索研究。
现报告如下。
1…材料与方法1.1…样品与仪器…克拉霉素片(我公司生产:201801001、201801002、201801003、201607007、1301003、1403001、1503004),克拉霉素对照品(中国食品药品检定研究院,批号:130558-1303);醋酸钠、冰醋酸、氯化钠均为分析纯;乙腈为色谱乙腈;水为超纯水。
溶出仪(天大天发,RC12AD 溶出试验仪)、HPLC(岛津,SPA210A)、电热恒温鼓风干燥箱(GZX-9030MBE)、干燥器。
1.2…方法…每批分别置于温度60℃/相对湿度75%条件和室温条件,于不同时间取样,按照药典的产品质量标准进行溶出度检查,比较各批次批内和批间溶出度波动(RSD ),以及溶出度下降速率情况,观察相关影响因素。
同时结合长期阴凉条件留样数据、文献对克拉霉素片溶出度的影响因素进行分析。
2…结果2.1…不同时间点批内和批间样品的溶出度变化情况…(1)室温样品情况:至重新取样起第4,8,27d,批号为201801001,201801002,201801003克拉霉素片三批的溶出度情况稳定,室温条件下批间、批内溶出度未见明显变化。
溶出仪的准备工作流程下载温馨提示:该文档是我店铺精心编制而成,希望大家下载以后,能够帮助大家解决实际的问题。
文档下载后可定制随意修改,请根据实际需要进行相应的调整和使用,谢谢!并且,本店铺为大家提供各种各样类型的实用资料,如教育随笔、日记赏析、句子摘抄、古诗大全、经典美文、话题作文、工作总结、词语解析、文案摘录、其他资料等等,如想了解不同资料格式和写法,敬请关注!Download tips: This document is carefully compiled by theeditor. I hope that after you download them,they can help yousolve practical problems. The document can be customized andmodified after downloading,please adjust and use it according toactual needs, thank you!In addition, our shop provides you with various types ofpractical materials,such as educational essays, diaryappreciation,sentence excerpts,ancient poems,classic articles,topic composition,work summary,word parsing,copy excerpts,other materials and so on,want to know different data formats andwriting methods,please pay attention!1. 仪器检查:检查溶出仪的外观是否完好,有无损坏或松动的部件。
RC806D溶出试验仪使用说明书目录1.器概括⋯⋯⋯⋯⋯⋯⋯⋯⋯⋯⋯⋯⋯⋯⋯⋯⋯⋯⋯⋯⋯⋯⋯⋯⋯⋯ 1 2.性能指⋯⋯⋯⋯⋯⋯⋯⋯⋯⋯⋯⋯⋯⋯⋯⋯⋯⋯⋯⋯⋯⋯⋯⋯⋯⋯ 3 3.安装步⋯⋯⋯⋯⋯⋯⋯⋯⋯⋯⋯⋯⋯⋯⋯⋯⋯⋯⋯⋯⋯⋯⋯⋯⋯⋯ 4 开箱收⋯⋯⋯⋯⋯⋯⋯⋯⋯⋯⋯⋯⋯⋯⋯⋯⋯⋯⋯⋯⋯⋯⋯⋯ 4布置主机⋯⋯⋯⋯⋯⋯⋯⋯⋯⋯⋯⋯⋯⋯⋯⋯⋯⋯⋯⋯⋯⋯⋯⋯ 4安装水浴箱⋯⋯⋯⋯⋯⋯⋯⋯⋯⋯⋯⋯⋯⋯⋯⋯⋯⋯⋯⋯⋯⋯⋯ 4安装溶出杯⋯⋯⋯⋯⋯⋯⋯⋯⋯⋯⋯⋯⋯⋯⋯⋯⋯⋯⋯⋯⋯⋯⋯ 4安装杆⋯⋯⋯⋯⋯⋯⋯⋯⋯⋯⋯⋯⋯⋯⋯⋯⋯⋯⋯⋯⋯⋯⋯⋯ 6安装打印机⋯⋯⋯⋯⋯⋯⋯⋯⋯⋯⋯⋯⋯⋯⋯⋯⋯⋯⋯⋯⋯⋯⋯8器运转⋯⋯⋯⋯⋯⋯⋯⋯⋯⋯⋯⋯⋯⋯⋯⋯⋯⋯⋯⋯⋯⋯⋯8 4.使用方法⋯⋯⋯⋯⋯⋯⋯⋯⋯⋯⋯⋯⋯⋯⋯⋯⋯⋯⋯⋯⋯⋯⋯⋯⋯⋯9 操作界面⋯⋯⋯⋯⋯⋯⋯⋯⋯⋯⋯⋯⋯⋯⋯⋯⋯⋯⋯⋯⋯⋯⋯⋯9基本⋯⋯⋯⋯⋯⋯⋯⋯⋯⋯⋯⋯⋯⋯⋯⋯⋯⋯⋯⋯⋯⋯⋯⋯9 程控参数⋯⋯⋯⋯⋯⋯⋯⋯⋯⋯⋯⋯⋯⋯⋯⋯⋯⋯⋯⋯⋯⋯⋯⋯11 程控⋯⋯⋯⋯⋯⋯⋯⋯⋯⋯⋯⋯⋯⋯⋯⋯⋯⋯⋯⋯⋯⋯⋯⋯12定关机⋯⋯⋯⋯⋯⋯⋯⋯⋯⋯⋯⋯⋯⋯⋯⋯⋯⋯⋯⋯⋯⋯⋯⋯14自⋯⋯⋯⋯⋯⋯⋯⋯⋯⋯⋯⋯⋯⋯⋯⋯⋯⋯⋯⋯⋯⋯⋯⋯15器置⋯⋯⋯⋯⋯⋯⋯⋯⋯⋯⋯⋯⋯⋯⋯⋯⋯⋯⋯⋯⋯⋯⋯⋯16 5.溶出⋯⋯⋯⋯⋯⋯⋯⋯⋯⋯⋯⋯⋯⋯⋯⋯⋯⋯⋯⋯⋯⋯⋯⋯⋯18 开始⋯⋯⋯⋯⋯⋯⋯⋯⋯⋯⋯⋯⋯⋯⋯⋯⋯⋯⋯⋯⋯⋯⋯⋯18取方法⋯⋯⋯⋯⋯⋯⋯⋯⋯⋯⋯⋯⋯⋯⋯⋯⋯⋯⋯⋯⋯⋯⋯⋯18束⋯⋯⋯⋯⋯⋯⋯⋯⋯⋯⋯⋯⋯⋯⋯⋯⋯⋯⋯⋯⋯⋯⋯⋯19定功能置⋯⋯⋯⋯⋯⋯⋯⋯⋯⋯⋯⋯⋯⋯⋯⋯⋯⋯⋯⋯⋯⋯20 小杯法⋯⋯⋯⋯⋯⋯⋯⋯⋯⋯⋯⋯⋯⋯⋯⋯⋯⋯⋯⋯⋯⋯⋯⋯20断保⋯⋯⋯⋯⋯⋯⋯⋯⋯⋯⋯⋯⋯⋯⋯⋯⋯⋯⋯⋯⋯⋯⋯⋯20 6.养护⋯⋯⋯⋯⋯⋯⋯⋯⋯⋯⋯⋯⋯⋯⋯⋯⋯⋯⋯⋯⋯⋯⋯⋯⋯21 注意事⋯⋯⋯⋯⋯⋯⋯⋯⋯⋯⋯⋯⋯⋯⋯⋯⋯⋯⋯⋯⋯⋯⋯⋯21故障理⋯⋯⋯⋯⋯⋯⋯⋯⋯⋯⋯⋯⋯⋯⋯⋯⋯⋯⋯⋯⋯⋯⋯⋯21RC806D溶出试验仪使用说明书1.仪器概括药物溶出试验仪(简称溶出仪)是特意用于检测口服固体系剂(如片剂、胶囊、颗粒剂等)溶出度的药物试验仪器。
关于溶出度仪的安装溶出度仪是一种常用于药物质量控制及生产中的分析仪器。
在安装溶出度仪时,需要注意以下几个方面。
一、环境要求溶出度仪应放置于稳定的、开放的场所,且无法受到任何干扰,如强光、电磁波等。
此外,应确保安装地点的温度和湿度符合溶出度仪的要求。
二、电源和电气连接溶出度仪需要大功率的电源,并且应与地面连接。
在连接电源之前,应先确认电压、频率和相位是否与溶出度仪匹配。
同时,也需要检查电气线路和插头是否符合安全标准。
三、机器漏电保护在使用溶出度仪的过程中,需要注意到机器的漏电保护。
漏电保护器的作用是将发生漏电时,迅速切断电源,以免发生危险。
在安装溶出度仪时,需要将漏电保护器连接到电源线路上。
四、仪器维护在安装好溶出度仪后,还需要对仪器进行日常维护,以确保其正常使用。
维护工作应包括:清洁、定期校准和保养等。
此外,还需要定期检查仪器是否存在损坏和故障,并及时进行维护。
五、仪器校准仪器校准是确保溶出度测定结果准确的关键步骤。
对于新机器,首次校准应由经验丰富的工程师进行。
一旦机器出现故障或需要重新安装,或者在长时间未使用后,都需要重新校准仪器。
六、操作手册的认真阅读在安装溶出度仪前,一定要认真阅读操作手册,并按照要求进行操作。
操作手册中会详细介绍仪器的功能、使用方法、维护方式等,可帮助操作人员更好的了解和使用溶出度仪。
以上便是溶出度仪安装的相关内容,如需了解更多信息,还可参考操作手册,或者咨询相关技术人员。
希望以上内容对您有所帮助!。