常用型钢规格表
- 格式:doc
- 大小:861.00 KB
- 文档页数:11
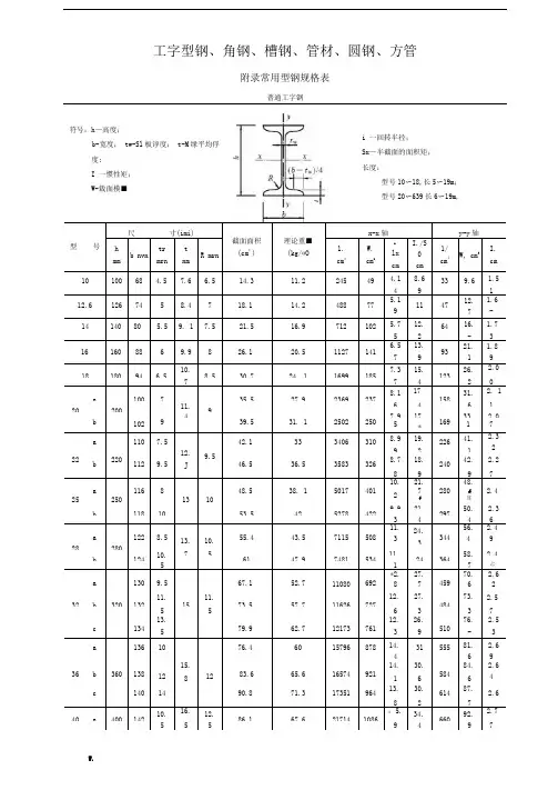
工字型钢、角钢、槽钢、管材、圆钢、方管附录常用型钢规格表普通工字钢符号:h —高度;b-宽度; tw-Sl 板谆度; t-M 缘平均俘度;I 一惯性矩; W-裁面模■型号尺寸(imi)截面面积(cm')理论重■ (kg/«Ox-x 轴y-y 轴h mmb nvntr mrn t nm R mrn1. cm 4W. cm 1 • lx cm I./S 0 cm 1/ cm 4W, cm JI. cm 10100684.57.66.514.3 11.2245 494.1 8.6 339.61.54 91 12.6126 74 5 8.4 7 18.1 14.2 488 77 5.1 9 11 47 12. 7 1.6 - 14140805.59. 17.5 21.516.9 712102 5.7 12. 64 16. 1.75 2 - 3 16160886 9.9 826.1 20.51127 1416.5 7 13. 9 93 21. 1 1.8 910.7.3 15. 26. 2.01818094 6.58.530.7 24. 1 1699 185 12377 4 2 08.11731. 2. 1 a 100 735.5 27.9 2369 237 15811.6 4 6 1 20200947 9 17.33. 2.0b102 939.5 31. 1 2502 250 5 * 169 1 7 a1107.542.1333406310 8.9 19. 22641. 2.3 212.9 21 22b2201129.59.546.536.535833268.7 18. 24042. 2.2 J8 9 9 710.21.48.a116848.538. 15017401 2 7280A2.4252501310t耳9.9 21. 50. 2.3 b118 10 53.5 42 5278 422297 3 4 4 611. 24.56. 2.4a1228.513.10.55.443.571155083344493 2828010.7 511. 58. 2.4b 12461 47.9 7481 534 24 3645 17 匕*2. 27.70. 2.6 a1309.567.152.7110806928 7 4596 211.11.12.27.73.2.5 32b 320132 1573.5 57.7 11626 727484556 3 3 713. 512. 26.76. 2.5c13479.9 62.7 12173 761 3 9 510 - 3 a1361076.4601579687814. 3155581. 2.646 915.14.30.84.2.6 36b360 138 1281283.6 65.6 16574 921 1 6 584 6 4c1401490.871.31735196413. 30. 61487. 2.68 2 710. 16.12.:5.34.92. 2.740a 40014286.167.62171410866605 559497i 一回转半径; Sx —半截面的面积矩; 长度:型号10〜18,长5〜19m ; 型号20〜639长6〜19m,H 型钢符号:h —高度; b —宽度;“一腹板停度; t2-M 缘俘度; I 一惯性矩; W 裁面模■类别H 型钢规格 {hXbXtXb) ttWA cm : q kg/mx-x 轴y-y 轴1.(cm 4) W, (cm 1) • l> (cm) 1, (cm 4) 葩(cm 3) ly (cm)100X100X6X8 21.9 17.2 2 383 76. 576. 54.18 134 26.7 2.47125X125X6.5 X930.31 23.8 847 136 5.29 294 47 3.11150X150X7X1040.55 31.9 1660 221 6. 39 564 75.1 3.73175X175X7.5X11 51.43 40.3 2900 331 7.5 984 112 4. 37200X200X8X 1264. 28 50.5 4770 477 8.61 1600 160 4.99#200 X 204X12X12 72. 28 56.7 5030 503 8.35 1700 167 4.85250X250X9X1492.18 72.4 10800 867 10.8 3650 292 6.29#250X255X14 X14 104.7 82.2 11500 919 10.5 3880 304 6.09#294X302X12X12 108.3 85 17000 1160 12.5 5520 365 7.14 HW300X300X10X15120.4 94.5 20500 1370 13. 1 6760 4507.49300X305X15X 15135.4 106 21600 1440 12.6 7100 4667.24#344 X 348X10X16 146 115 33300 1940 15.1 11200 646 & 78350X350X12X 19173.9 137 40300 2300 15.2 13600 776 8.84#388X402X15 X15 179.2 141 49200 2540 16.6 16300 809 9.52#394X398X11X18 187.6 147 56400 2860 17.3 18900 951 10400X400X13X 21219.5 172 66900 3340 17.5 22400 1120 10. 1#400 X 408 X 21X21 251.5 197 71100 3560 16.8 23800 1170 9.73#414X405X18X28 296.2 233 93000 4490 17.7 31000 1530 10.2#428X407X20X35361.4 284 119000 5580 18.2 39400 1930 10.4148X100X6X927. 25 21.4 1040 140 6.17 151 30.2 2.35 HM194X150X6X9 39. 76 31.2 2740 283 8.3 508 67.7 3. 57244X175X7X56. 2444.1612050210.49851134.181>*i-回转半径; Sx —半裁面的面积h —高度; b-宽度;板停度; t2-M 缘停度; I 一惯性矩;W —裁面模・W.H 型钢规格 (hXbX6X fe)戳面积 Acm 2q kg/mx-x 轴y-y 轴1. (cm 4)W» (cm 1)• l> (cm)1, (cm 4)W. (cm 3)ly (cm)11400 X 200 X 8X 1384.12 66 23700 1190 16.8 1740 174 4.54 S450X150 X 9X 14 83.41 65.5 27100 1200 18 793 106 3.08 446X199X8X12 84.95 66.7 29000 1300 18.5 1580 159 4. 31 450X200X9X 1497.41 76.5 33700 1500 18.6 1870 187 4.38 #500X150X10X16 98. 23 77.1 38500 1540 19.8 907 121 3.04 496X199X9X 14101.3 79.5 41900 1690 20.3 1840 185 4. 27 500X200X10X 16114.2 89.6 47800 1910 20.5 2140 214 4. 33 #506X201X11 X19 131.3 103 56500 2230 20.8 2580 257 4.43 596X199X10X 15121.2 95.169300 233023.9 19801994.04 600X200X11X17 135.2 106 78200 2610 24. 1 2280 228 4.11 #606X201X12 X20 153.3 120 91000 3000 24.4 2720 271 4.21 #692X300X13X20 211.5 166 172000 4980 28.6 9020 602 6. 53 700X300X13X24235.5185201000576029.3108007226.78类别符号: i-回转半径; Sx —半裁面的面积誉通權钢长度:型号5〜8,长5〜1加; 型号10〜1&长5〜19m ;型号20〜20,长6~19ma型号尺寸(mm )W 面积(cm 2 )理论(kg/«)x-x 轴 y-y 轴轴Zo hbt Rl> W, • l> It I, L. (cm 4) (cm 3 ) (cm) (cm 4 ) (cm 3 ) (cm ) (cm 4) (cm ) 550374.5776. 925.44 2610.41.948.33.5 1.1 20.9 1.3 51.11.3 6.363404.87.57.5 8.45 6. 635116.32. 4611.9 4.69 28.3910.21.21.4 8804358 84 8.0410125.33. 14 16.65.8 7 37.4212.71.41.5 10100485.3 8.58.5 4 1019839.7 3. 9425.6 7.82 54.9215.61.51.5 12.612653 5.5 9 9 9 12. 31 389 61.7 4. 98 38 10.3 6 77.8 9a5869.5 9.518.5414. 53564 80.55. 52 53.2131.7107.2 1.7414140121.311 x1b60 8 9.5 9.5 16. 73 60987.1 5. 35 61.2 14. 1 1. o9 120.61. o7a636.5 1010 21.9c 17. 23 866 108. 6. 2873.416.31.8144. 1 1.7Q16160□J J25. 1116.1.81.7b658.510 10 5 19. 75 935 86. 183.417.62160.8 510.10.25.61.91.8a687 920. 17127347.0498.620 6189.75 5 8 1818010. 5 10. 5 29 2152. 21.91.8b70 9 9 22.99 1370 6. 84 111 21.5 5 210. 1 4a737111128.8 22. 6317801787. 8612824.22.1 1 244 2.0i20200J1 132.8191.143.2.01.9b759 11 11 3 25. 771914 4 7.646 25.99 268.4511.11. 31.8217.157.2.2a 77 724.99 2394 8. 67 28.2 298.2 2 155 46 8 32222011. 11. 36. 2233.2.22.0 176.5b7995 54 28. 45 25718 8. 4230. 1■ 326.3334.9268.175.2.22.0 a787 1212 1 27.433597 9. 81 930.74 324.8739.9289.196.2.21.9 25b25080 912 121 31.333619 69. 52432.72355. 1944 9310.215.2.11.9c 82 11 12 1235. 25 3880 9.334.6 388.614996 28a280827.512.12.40.031.424753339.10.9217.35.72.3393.32.0符号: 同普通工字钢 但Wy 为对应貿缘肢尖b c8486 9.511. 5 512. 5 12. 5 5 12. 5 12. 5 2 45.6 2 51.2 235.8140.21511854845 365.6 391.7 10.5 9 10.3 5 9 241. 5 264. 1 37.9 40 3 2.3 2.2 7 428.5467.3 9 2.02 1.9 9a888 14 14 48.5 38. 07 7511 469. 4 12.4 4 304. 7 46.4 2.5 1 547.5 2.2 4 32b 32090 10 14 14 54.9 43.1 8057 503. 5 12.1 1 335. 6 49. 1 2.4 7 592.9 2.1 6c9212 14 14 61.3 48.12 8603 537. 7 11.8 5 365 51.6 2.4 4 642.7 2.1 3 a969161660.8 9 47.811874659. 7 13.9 6 455 63.6 2.7 3 818.5 2.4 4 36b 36098 11 16 16 68.0 9 53. 45 12652 702. 9 13.6 3 496. 7 66.9 2.7 880.5 2.3 7c10013 16 16 75.2 9 59.1 13429 746. 1 13.3 6 536. 6 70 2.6 7 948 2.3 4 a100 10. 5 181875.0 4 58.9117578878. 9 15.3 592 78.82.8 1 1057.9 2.4 9 40b 400102 12. 5 18 18 83.0 4 65. 19 18644 932. 2 14.98640. 6 82.6 2.7 8 1135.8 2.4 4c10414. 5181891.0 471.4719711985. 614.7 -687. 886.2 2.7 51220.32.4 2等边角钢型号单 角钢iy o0. 89 1.15 1.12 1.46 1.37 1.79 1.66 2.162.42 0.40 0.50 0.82 1.03 1.462.583.29 3.95 3.594.600. 66 0. 78 1.12 1.34 1.72 2 082. 593.18 3.68 3. 284. 050.29 0.36 0.460.68 0.87 0.99 1.28 1.56 1.23 1.60 ni双角钢iy •当a 为下列数值10mm12mm14<nm0. 59 0. 58丁76 0. 74T "91 0. 75 0. 73 0? 95 0. 93 15 1. 1311 09 1. 08 38 1. 36230. 39 0. 38o 749 0. 48T "59 0. 58o 771 0.1.0 8 1. 1.2 7 1.3 0 1.1 7 1.1 9 1.31.: 1.7 0 1.7 3 1.7 5 6 1.81.7 8 1.8 1.8 1.9 4 1.91.25 1.341.43 1.281.44 1.47 1.46 1.61 1.641.63 1.65 1.86 1.89 1.912.01 1.71 1.74 1.94 1.97 1.99 2. 09 2. 12 1.8 1.822.08 2.18 2.2Z01. 13 1.467.3 1.43 7.6 1.86 8.5 1.75 8.9 2.28 102.11 10.4 2.76 10.72. 38 10.9 2. 36 11.33.09L36 XL40 X20 X車心 矩 圆 角藪面模■ 回转半径质量tYxm a(cm")(cm)惯性 矩(kg/ m)裁面 积8nm7 1.45 11.7 3.79 2. 98 5. 53 4. 72 1.96 221.21541.52790・7881.961.98 2. 06 2. 14 2. 23 1・1・0 2.0 2. 13 12.2 2.66 2. 09 5.17 4. 25 1.58 39 76 90 64 2.21 2. 29 2. 374 12.6 3.49 2. 74 6.65 5. 29 2.05 1. 1. 0・ 2.0 2. 1 2.24 2. 32 2.4 L45 c38 74 89 8 6X 5 □13 4.29 3. 37 8.04 6. 20 2.51 1.37 1.720. 2. 1 2.1 2.26 2. 34 2.4288 0 86 13.3 5.08 3. 99 9.33 6. 99 2.95 1.361.710.882. 122.2 2. 28 2. 36 2.44 1・1・ 2.2 2.33 13.4 2. 97 2. 33 7.18 5. 36 1.96 55 96 00 6 3 2.41 2.48 2. 564 13.8 3.90 3. 06 9.26 6. 70 2.56 1・1・0. 2.2 2.3 2. 43 2.51 2.59 L50 c £54 94 99 8 6X 5 □14.2 4.80 3. 77 11.2 7.90 3.13 1. 1.92 0. 2.3 2.3 2. 45 2. 53 2.611 53 98 0 813.0 5 1. 1. 0. 2.36 14.6 5.69 4. 46 8.95 3.68 51 91 98 2 2.4 2. 48 2. 56 2. 6410.1 1・ 2. (・ 2.5 2.53 14.8 3.34 2. 62 9 6.86 2.48 75 2 13 0 7 2. 64 2. 72 2.84 15.3 4.39 3. 45 13.1 8. 63 3.24 1. 2・ 1. 2.5 2.5 2. 67 2. 74 2.82 L56 A 8 73 18 11 2 9X5 o15.7 5. 42 4. 25 16.0 10.2 3.97 1.722・X 2.5 2.6 2.69 2. 77 2.852 2 17 10 4 123.6 14.0 1. 2・ 1. 2.6 2.68 16.8 8. 37 6. 57 6.0368 09 2. 75 2. 83 2.913 6 11 0 7 19.0 11.2 1・ 2. 2.7 2.84 17 4.98 3.913 2 4.1396 46 26 9 72. 943. 02 3. 0923.1 13.3 1. 2・ 1. 2.8 2.85 17.4 6. 14 4. 82 5.08 2. 96 3. 04 3. 127 3 94 45 25 2 9L63 6 7 17.8 7.29 5. 72 27.1 15.2 6.00 1・2・ 1.24 2.8 2.9 2. 98 3. 06 3. 14X 2 6 93 43 3 134.4 18.5 1. 2・ 1. 2.8 2.9 8 18.5 9. 51 7. 47 7.7590 23 3. 03 3. 1 3. 185 9 39 7 51 19.3 11.66 9. 15 41.0 21.3 9.39 1・88 2. 1.222.9 2.93. 07 3. 15 3. 230 9 4 36 - 926.3 14.1 2. 2. 1. 3.0 3. 14 18.6 5. 57 4. 37 5.14 3.21 3. 29 3. 369 6 18 74 4 7 432.2 16.8 2. 2. 1. 3.0 3.1 5 19. 1 6.88 5. 40 6. 3216 39 3. 24 3. 31 3. 391 9 73 9 6L70 37.7 19.3 2・2・X 3. 1 3. 16 8 19.5 8. 16 6.41 7.48 388 3. 26 3. 33 3.41X 7 9 15 71 143.0 21.6 2・2・ 1. 3. 1 7 19.9 9. 42 7. 40 8.5938 3.2 3. 28 3. 36 3. 439 8 14 69 348. 1 23.7 2. 2. 1. 3. 1 3.28 20.3 10. 67 8. 37 9.68 3. 30 3. 38 3. 467 9 13 68 37 5 239.9 19.7 2. 2. 3.2 3.35 20.3 7.41 5. 82 7.30 3. 43 3.5 3. 586 3 32 92 5 9 646.9 22.6 2・2・ 1. 3.3 3.36 20.7 8.80 6.91 8.638 3. 45 3. 53 3.61 9 31 91 49 1L75 7 9 21. 1 10. 16 7. 98 53.5 25.4 9.93 2・2・ 1.48 3.3 3.4 3. 47 3. 55 3. 63X 7 2 30 89 359.9 27.9 2. 2. 1. 3.3 3.48 21.5 11.50 9. 03 6 3 11.2 28 87 47 2 3. 50 3. 57 3. 65122.2 14. 13 11.0 71.9 32.413. 642・2・ 1. 3.3 3.4 3. 543.61 3. 690 9 8 0 26 84 46 8 648.7 22.7 2. 3. 1. 3.4 3.5L80 5 21.5 7.91 6.21 8.34 13 3. 63 3.71 3. 789 9 0 48 6 9 6X 6 21.9 9. 40 7. 38 57.3 26.1 9.87 2・ 3. X 3.5 3.5 3. 65 3. 73 3.8不等边角钢圆角重心矩截面积质・回转半径iy•当a为下列数值iy•当a为下列数值R Zx Zy A ix iy iyO 6nw 8nm 10nm 12nw 6nm 8<nm 10nm 12(171(nw) (cm2>(kg/m>(cm) (cm)(cm)(<nn) (cm; )(kg/m)(an) (cm) (cm) (mm) (cm3 )(kg/・)(cm)6 14.3 32.4 9. 62 7. 55 1.793. 21 1.38 2. 49 2. 56 2.63 2. 714. 77 4. 85 4. 92 5L100X63 71014.7 32.8 11.1 8.721.783.2 1.37 2.51 2.58 2.65 2. 734.8 4. 87 4. 955.03X8 15 33.2 12.6 9.88 1.773.18 1.37 2. 53 2.6 2.67 2.754. 82 4.9 4. 975.0510 15.8 34 15.5 12. 1 1.753.15 1.35 2. 57 2.64 2.72 2.794. 86 4. 945. 02 5.16 19.7 29.5 10.6 8.35 2.4 3.17 1.73 3.31 3.38 3.45 3. 52 4.54 4. 62 4.69 4. 767 20.1 30 12.3 9.66 2.3o3.16 1.71 3. 32 3.39 3.47 3.544. 57 4.64 4. 71 4.79L100X80X81020.5 30.4 13.9 10.92.37 3.15 1.71 3. 34 3.41 3.49 3.56 4.59 4. 66 4. 73 4. 8110 21.3 31.2 17.2 13.52.353.12 1.69 3. 38 3.45 3.53 3.64. 63 4.7 4.78 4.856 15.7 35.3 10.6 8.35 2.013.54 1.54 2. 74 2.81 2.88 2.96 5.21 5. 29 5.36 5.44L110X70X 781016. 116.535.736.212.313.99.6610.921.983. 533. 511.531.532. 762. 782.832.852.92.922.9835.245.265.315.345.395. 415.465.49 10 17.2 37 17.2 13.51.963.48 1.51 2. 82 2.89 2.96 3.04 5.3 5. 38 5.46 5.53L125X80 7 11 18 40.1 14.1 11. 1 2.3 4. 02 1.76 3.11 3.18 3. 25 3.33 5.9 5. 97 6.04 6. 12t。
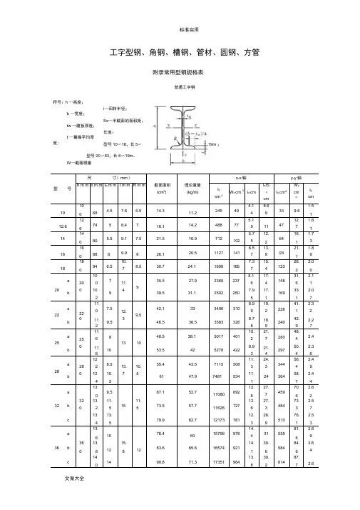
常用型钢规格表普通工字钢符号:h—高度;b—宽度;tw—腹板厚度;t—翼缘平均厚度;I—惯性矩;W—截面模量i—回转半径;Sx—半截面的面积矩;长度:型号10~18,长5~19m;型号20~63,长6~19m。
型号尺寸(mm)截面面积(cm2)理论重量(kg/m)x-x轴y-y轴hmmbmmt wmmtmmRmmI xcm4W xcm3i xcmI x/S xcmI ycm4W ycm3I ycm10 100 68 4.5 7.6 6.5 14.3 11.2 245 49 4.14 8.69 33 9.6 1.51 12.6 126 74 5 8.4 7 18.1 14.2 488 77 5.19 11 47 12.7 1.61 14 140 80 5.5 9.1 7.5 21.5 16.9 712 102 5.75 12.2 64 16.1 1.73 16 160 88 6 9.9 8 26.1 20.5 1127 141 6.57 13.9 93 21.1 1.89 18 180 94 6.5 10.7 8.5 30.7 24.1 1699 185 7.37 15.4 123 26.2 2.0020 a200100 711.4 935.5 27.9 2369 237 8.16 17.4 158 31.6 2.11b 102 9 39.5 31.1 2502 250 7.95 17.1 169 33.1 2.0722 a220110 7.512.3 9.542.1 33 3406 310 8.99 19.2 226 41.1 2.32b 112 9.5 46.5 36.5 3583 326 8.78 18.9 240 42.9 2.2725 a250116 813 1048.5 38.1 5017 401 10.2 21.7 280 48.4 2.4b 118 10 53.5 42 5278 422 9.93 21.4 297 50.4 2.3628 a280122 8.513.7 10.555.4 43.5 7115 508 11.3 24.3 344 56.4 2.49b 124 10.5 61 47.9 7481 534 11.1 24 364 58.7 2.4432 a320130 9.515 11.567.1 52.7 11080 692 12.8 27.7 459 70.6 2.62b 132 11.5 73.5 57.7 11626 727 12.6 27.3 484 73.3 2.57c 134 13.5 79.9 62.7 12173 761 12.3 26.9 510 76.1 2.5336 a360136 1015.8 1276.4 60 15796 878 14.4 31 555 81.6 2.69b 138 12 83.6 65.6 16574 921 14.1 30.6 584 84.6 2.64c 140 14 90.8 71.3 17351 964 13.8 30.2 614 87.7 2.640 a400142 10.516.5 12.586.1 67.6 21714 1086 15.9 34.4 660 92.9 2.77b 144 12.5 94.1 73.8 22781 1139 15.6 33.9 693 96.2 2.71c 146 14.5 102 80.1 23847 1192 15.3 33.5 727 99.7 2.6745 a450150 11.518 13.5102 80.4 32241 1433 17.7 38.5 855 114 2.89b 152 13.5 111 87.4 33759 1500 17.4 38.1 895 118 2.84c 154 15.5 120 94.5 35278 1568 17.1 37.6 938 122 2.7950 a500158 1220 14119 93.6 46472 1859 19.7 42.9 1122 142 3.07b 160 14 129 101 48556 1942 19.4 42.3 1171 146 3.01c 162 16 139 109 50639 2026 19.1 41.9 1224 151 2.9656 a560166 12.521 14.5135 106 65576 2342 22 47.9 1366 165 3.18b 168 14.5 147 115 68503 2447 21.6 47.3 1424 170 3.12c 170 16.5 158 124 71430 2551 21.3 46.8 1485 175 3.0763 a630176 1322 15155 122 94004 2984 24.7 53.8 1702 194 3.32b 178 15 167 131 98171 3117 24.2 53.2 1771 199 3.25c 780 17 180 141 102339 3249 23.9 52.6 1842 205 3.2H 型钢符号:h—高度;b—宽度;t1—腹板厚度;t2—翼缘厚度;I—惯性矩;W—截面模量i—回转半径;Sx—半截面的面积矩。
工字型钢、角钢、槽钢、管材、圆钢、方管附录常用型钢规格表普通工字钢符号:h—高度;b—宽度;tw—腹板厚度;t—翼缘平均厚度;I—惯性矩;W—截面模量i—回转半径;Sx—半截面的面积矩;长度:型号10~18,长5~19m;型号20~63,长6~19m。
型号尺寸(mm)截面面积(cm2)理论重量(kg/m)x-x轴y-y轴hmmbmmt wmmtmmRmmI xcm4W xcm3i xcmI x/S xcmI ycm4W ycm3I ycm10 100 68 4.5 7.6 6.5 14.3 11.2 245 49 4.14 8.69 33 9.6 1.51 12.6 126 74 5 8.4 7 18.1 14.2 488 77 5.19 11 47 12.7 1.61 14 140 80 5.5 9.1 7.5 21.5 16.9 712 102 5.75 12.2 64 16.1 1.73 16 160 88 6 9.9 8 26.1 20.5 1127 141 6.57 13.9 93 21.1 1.89 18 180 94 6.5 10.7 8.5 30.7 24.1 1699 185 7.37 15.4 123 26.2 2.0020 a200100 711.4 935.5 27.9 2369 237 8.16 17.4 158 31.6 2.11b 102 9 39.5 31.1 2502 250 7.95 17.1 169 33.1 2.0722 a220110 7.512.3 9.542.1 33 3406 310 8.99 19.2 226 41.1 2.32b 112 9.5 46.5 36.5 3583 326 8.78 18.9 240 42.9 2.2725 a250116 813 1048.5 38.1 5017 401 10.2 21.7 280 48.4 2.4b 118 10 53.5 42 5278 422 9.93 21.4 297 50.4 2.3628 a280122 8.513.7 10.555.4 43.5 7115 508 11.3 24.3 344 56.4 2.49b 124 10.5 61 47.9 7481 534 11.1 24 364 58.7 2.4432 a320130 9.515 11.567.1 52.7 11080 692 12.8 27.7 459 70.6 2.62b 132 11.5 73.5 57.7 11626 727 12.6 27.3 484 73.3 2.57c 134 13.5 79.9 62.7 12173 761 12.3 26.9 510 76.1 2.5336 a360136 1015.8 1276.4 60 15796 878 14.4 31 555 81.6 2.69b 138 12 83.6 65.6 16574 921 14.1 30.6 584 84.6 2.64c 140 14 90.8 71.3 17351 964 13.8 30.2 614 87.7 2.640 a400142 10.516.5 12.586.1 67.6 21714 1086 15.9 34.4 660 92.9 2.77b 144 12.5 94.1 73.8 22781 1139 15.6 33.9 693 96.2 2.71c 146 14.5 102 80.1 23847 1192 15.3 33.5 727 99.7 2.6745 a450150 11.518 13.5102 80.4 32241 1433 17.7 38.5 855 114 2.89b 152 13.5 111 87.4 33759 1500 17.4 38.1 895 118 2.84c 154 15.5 120 94.5 35278 1568 17.1 37.6 938 122 2.7950 a500158 1220 14119 93.6 46472 1859 19.7 42.9 1122 142 3.07b 160 14 129 101 48556 1942 19.4 42.3 1171 146 3.01c 162 16 139 109 50639 2026 19.1 41.9 1224 151 2.9656 a560166 12.521 14.5135 106 65576 2342 22 47.9 1366 165 3.18 b 168 14.5 147 115 68503 2447 21.6 47.3 1424 170 3.12c 170 16.5 158 124 71430 2551 21.3 46.8 1485 175 3.0763 a630176 1322 15155 122 94004 2984 24.7 53.8 1702 194 3.32b 178 15 167 131 98171 3117 24.2 53.2 1771 199 3.25c 780 17 180 141 102339 3249 23.9 52.6 1842 205 3.2H型钢符号:h—高度;b—宽度;t1—腹板厚度;t2—翼缘厚度;I—惯性矩;W—截面模量i—回转半径;Sx—半截面的面积矩。
附录常用型钢规格表普通工字钢符号:h—高度;b—宽度;tw—腹板厚度;t—翼缘平均厚度;I—惯性矩;W—截面模量i—回转半径;Sx-半截面的面积矩;长度:型号10~18,长5~19m; 型号20~63,长6~19m。
型号尺寸(mm)截面面积(cm2)理论重量(kg/m)x—x轴y-y轴hmmbmmt wmmtmmRmmI xcm4W xcm3i xcmI x/S xcmI ycm4W ycm3I ycm10 100 68 4.5 7.6 6。
5 14。
3 11。
2 245 49 4.14 8。
69 33 9。
6 1.5112.6 126 74 5 8。
4 7 18。
1 14.2 488 77 5.19 11 47 12。
7 1。
6114 140 80 5.5 9。
1 7.5 21。
5 16。
9 712 102 5。
75 12。
2 64 16。
1 1。
7316 160 88 6 9。
9 8 26。
1 20。
5 1127 141 6。
57 13.9 93 21.1 1.8918 180 94 6。
5 10.7 8。
5 30。
7 24。
1 1699 185 7.37 15.4 123 26.2 2。
0020 a200100 711。
4 935。
5 27.9 2369 237 8.16 17。
4 158 31.6 2.11 b 102 9 39.5 31.1 2502 250 7。
95 17.1 169 33.1 2.0722 a220110 7。
512。
3 9.542。
1 33 3406 310 8。
99 19。
2 226 41。
12。
32b 112 9.5 46。
5 36。
5 3583 326 8.78 18。
9 240 42.92。
2725 a250116 813 1048。
5 38。
1 5017 401 10.2 21。
7 280 48。
4 2.4 b 118 10 53。
5 42 5278 422 9。
i-回转半径:sx —rm 面的面枳矩: 长度: 型号10-18.长5〜19m : 型号20-63.长6〜19m.型号尺寸 <nim)戏面面积(cm 2) 理论重At• kg/m) x-x 轴 y-y 轴 h mm b mmmml mmR mmlx cm 4 w x cm'iicm li/Sx cm ly cm 4 Wy cm'b cm 10 100 68 4.5 7.6 6.5 14.3 11.2 245 49 4.14 8.69 33 9.6 1.51 12.6 126 74 5 S.4 7 l&l 14.2 488 77 5.19 11 47 12.7 1.61 14 140 80 5.5 9」 7.5 21.5 16.9 712 102 5.75 12.2 64 16.1 1.73 16 160 88 6 9.9 8 26.1 20.5 1127 141 6.57 13.9 93 21.1 1.89 1818094 6.5 10.78.530.7 24」 1699 185 7.37 15.4 123 26.2 2.00a100?35.527.9 2369 237 &16 17.4 158 31.6 2」1 20b200 102 911.4939.5 31.1 2502 250 7.95 17.1 169 33.1 2.07a1107.542.133 3406 310 &99 19.2 226 41.1 2.32 22b220 112 9.512.39.546.5 36.5 3583 326 8.78 1&9 240 42.9 2.27a116848.53&1 5017 401 10.2 21.7 2B0 48.4 2.4 25b250118 101310 53.5 42 5278 422 9.93 21.4 297 50.4 2.36a1228.555.443.5 7115 508 11.3 24.3 344 56.4 2.49 28b280 124 10.513.710.561 47.9 7481 534 11.1 24 364 58.7 2.44a1309.567.152.7 1108() 692 12.8 27.7 459 70.6 2.62 32b320 132 11.51511.5 73.5 57.7 11626 727 12.6 27.3 484 73.3 2.57c13413.579.962.7 12173 761 12.3 26.9 510 76.1 2.53a1361076.460 15796 878 14.4 31 555 81.6 2.69 36b 360138 1215.812 83.6 65.6 16574 92114.1 30.6 584 84.6 2.64c1401490.871.3 17351 9M13.8 30.2 614 87.7 2.6 a14210.586.167.6 21714 1086 15.9 34.4 660 92.9 2.77 40b 400144 12.516.512.5 94.1 73.8 22781 1139 15.6 33.9 693 96.2 2.71c14614.510280.1 23847 1192 15.3 33.5 727 99.7 2.67 a15011.510280.4 32241 1433 17.7 3&5 855 114 2.89 45b 450152 13.51813.5 HI 87.4 33759 1500 17.4 3&1 895 118 2山c15415.512094.5 35278 1568 17」 37.6 938 122 2.79 a1581211993.6 46472 1859 19.7 42.9 1122 142 3.07 50b 500160 142014 129 101 48556 1942 19.4 42.3 11711463.01c16216139109 50639 202619.1 41.9 1224 151 2.96 a16612.5135106 65576■A M22 47.9 1366 165 3」8 56b 560168 14.52114.5 147 115 68503 2447 2J.6 47.3 1424 170 3」2c17016.5158124 71430 2551 21.3 46.8 1485 175 3.07 a17613155122 94004 2984 24.7 53.8 1702 194 3.32 63b 630178 152215 167 131 98171 3117 24.2 53.2 1771 199 3.25c7801718()141102339324923.952.618422053.2附录常用型钢规格表普通匸字钢符号:h —高度:b —宽度: tw ―腹板"度: I 一翼缘平妙耳度:I 一惯性矩:H型钢符号:h—高度:b—宽度:11 一峻板厚度:1 一惯性矩^ 回转半径:类别H 型钢規格(/lxZ>X/iX/2)裁面积A cm2质扯qkg/mx-x轴y・y轴lx(cm4)W x(cm'Iii(cm)b<cm4)W,(cm3)Iy(cm)100x1()0x6x8 21.9 17.2 2 383 76.576.5 134 26.7 2.47 125x125x6.5x9 30.31 23.8 847 136 5.29 294 47 3.11 150x150x7x10 40.55 31.9 166() 221 6.39 564 75」 3.73 175x175x7.5x11 51.43 40.3 2900 331 7.5 984 112 4.37200x200x8x12 64.28 50.5 4770 4778.61 160()1604.99#200x204x12x12 72.28 56.7 5030 503 &35 1700 167 4.85 250x250x9x14 92.18 72.4 10800 867 10.8 3650 292 6.29 #250x255x14x14 104.7 82.2 11500 919 10.5 3880 304 6.09 #294x302x12x12 108.3 85 17000 1160 12.5 5520 365 7.14 HW 300x3(X)x10x15 120.4 94.5 20500 1370 13.1 6760 450 7.49 300x305x15x15 135.4 106 2160() 1440 12.6 71(X) 466 7.24 #344x348x10x16 146 115 33300 1940 15」11200 646 8.78 350x350x12x19 173.9 137 40300 2300 15.2 13600 776 8.84 #388x402x15x15 179.2 141 49200 2540 16.6 16300 809 9.52 #394x398x11x18 187.6 147 56400 2860 17.3 18900 951 10 400x4(X)x13x21 219.5 172 66900 3340 17.5 22400 1120 10.1 #4()0x408x21x21 251.5 197 7110() 3560 16.8 23800 1170 9.73 #414x4()5x18x28 296.2 233 93000 4490 17.7 31000 1530 10.2 #428x407x20x35 361.4 11900() 5580 18.2 39400 1930 10.4 148x100x6x9 27.25 21.4 104() 140 6.17 151 30.2 2.35 194x150x6x9 39.76 31.2 2740 283 S3 508 67.7 3.57 244x175x7x11 56.24 44.1 6120 502 10.4 985 113 4.18 294x200x8x12 73.03 57.3 11400 779 12.5 16(X) 160 4.69 340x250x9x14 101.5 79.7 21700 1280 14.6 3650 292 6 HM390x3(X)x10x16 136.7 107 38900 2000 16.9 7210 481 7.26 440x3(X)x11x18 157.4 124 56100 2550 18.9 8110 541 7.18 482x300x11x15 146.4 115 60800 2520 20.4 6770 451 6.8 488x300x11x18 1M.4 129 71400 2930 20.8 8120 541 7.03 582x300x12x17 174.5 137 103000 3530 24.3 7670 511 6.63 588x300x12x20 192.5 151 11800() 4020 24.8 9020 601 6.85 #594x302x14x23 99? 4 175 1370()0 4620 24.9 10600 701 6.9符号:h —b —宽度: 11 一腹板厚度: 12—«缘厚% I 一惯性矩: W —箴血模扯类别H 型钢規格 (/lX^X/|Xb)栽面积 A cm 2质量q kg/mx-x 轴y ・y 轴 k (cm 4)w x (cm 。
附录常用型钢规格表一般工字钢符号: h—高度;i—展转半径;b—宽度;Sx—半截面的面积矩;tw —腹板厚度;长度:t—翼缘均匀厚度;型号 10~18,长 5~19m;I—惯性矩;型号 20~63,长 6~19m。
W—截面模量尺寸( mm)截面面积理论重量x-x 轴y-y 轴型号h b t w t R I x W x i x I x/S x I y W y I y(cm2)(kg/m)mm mm mm mm mm cm4cm3cm cm cm4cm3cm 10100682454933 1267457488771147 141408*********1616088681127141931818094169918512320a200100792369237158 b1029250225016922a220110333406310226 b112358332624025a250116813105017401280 b1181042527842229728a2801227115508344 b12461748153424364 a1301108069245932b3201321511626727484 c13412173761510a1361060157968783155536b360138121216574921584 c1401417351964614a14221714108666040b400144227811139693 c146102238471192727a150102322411433855114 45b45015218111337591500895118 c154120352781568938122 a158121194647218591122142 50b5001601420141291014855619421171146 c162161391095063920261224151 a166135106655762342221366165 56b560168211471156850324471424170 c1701581247143025511485175 a176131551229400429841702194 63b6301781522151671319817131171771199 c7801718014110233932491842205符号: h —高度;b —宽度;t1—腹板厚度; t2—翼缘厚度;I —惯性矩;W —截面模量截面积质量 类型H 型钢规格q A(h ×b ×t 1×t 2)kg/mcm 2100×100×6×82HWH 型钢i —展转半径;Sx —半截面的面积矩。
各类常用型钢性能规格参数表普通工字钢i—回转半径;Sx一半截面的面积矩;长度:型号10〜18,长5〜19m;型号20〜63,长6〜19m。
型号T 4(mm)截面面积(cm2)理论重量(kg/m)x-x车轴y-y轴h mmbmmtwmmtmm R mmIx cm4 --Wx—cm3—ix―cmI x/S x―cmIy ―cm4—W ycm3Iy ―cm-10 100 68 4.5 7.6 6.5 14.3 11.2 245 49 4.14 8.69 33 9.6 1.51 12.6 126 74 5 8.4 7 18.1 14.2 488 77 5.19 11 47 12.7 1.61 14 140 80 5.5 9.1 7.5 21.5 16.9 712 102 5.75 12.2 64 16.1 1.73 16 160 88 6 9.9 8 26.1 20.5 1127 141 6.57 13.9 93 21.1 1.89 18 180 94 6.5 10.7 8.5 30.7 24.1 1699 185 7.37 15.4 123 26.2 2.00a20b 200 10010279 11.4 935.539.527.931.1236925022372508.167.9517.417.115816931.633.12.112.07a22b 220 1101127.59.5 12.3 9.542.146.53336.5340635833103268.998.7819.218.922624041.142.92.322.27a25b 250 116118810 13 1048.553.538.1425017527840142210.29.9321.721.428029748.450.42.42.36a28b 280 1221248.510.5 13.7 10.555.46143.547.97115748150853411.311.124.32434436456.458.72.492.44a32 bc 3201301321349.511.513.515 11.567.173.579.952.757.762.711080116261217369272776112.812.612.327.727.326.945948451070.673.376.12.622.572.53a36 bc 36013613814010121415.8 1276.483.690.86065.671.315796165741735187892196414.414.113.83130.630.255558461481.684.687.72.692.642.6a40 bc 40014214414610.512.514.516.5 12.586.194.110267.673.880.121714227812384710861139119215.915.615.334.433.933.566069372792.996.299.72.772.712.67a45 bc 45015015215411.513.515.518 13.510211112080.487.494.532241337593527814331500156817.717.417.138.538.137.68558959381141181222.892.842.79a50 bc 50015816016212141620 1411912913993.610110946472485565063918591942202619.719.419.142.942.341.91122117112241421461513.073.012.96a56 bc 56016616817012.514.516.521 14.51351471581061151246557668503714302342244725512221.621.347.947.346.81366142414851651701753.183.123.07a63 bc 63017617878013151722 15155167180122131141940049817110233929843117324924.724.223.953.853.252.61702177118421941992053.323.253.2符号:h—高度;b—宽度;tw一腹板厚度;t—翼缘平均厚度;I—惯性矩;W—截面模量H型钢符号:同普通工字钢 但Wy 为对应翼缘肢尖型号尺寸 (mm )截面 面积 (cm 2) 理论 重量 (kg/m) x-x 轴 y-y 轴y-y1 轴 Z 0 hb twt R IWiIWII.x(cm 4)x(cm 3) x(cm) y(cm 4) y(cm 3) y(cm) y1(cm 4) (cm)55037 4.5 7 7 6.92 5.44 26 10.4 1.94 8.3 3.5 1.1 20.9 1.356.363 40 4.8 7.5 7.5 8.45 6.63 51 16.3 2.46 11.9 4.6 1.19 28.3 1.39 880 43 5 8 8 10.24 8.04 101 25.3 3.14 16.6 5.8 1.27 37.4 1.42 10100 48 5.3 8.5 8.5 12.74 10 198 39.7 3.94 25.6 7.8 1.42 54.9 1.52 12.612653 5.5 9 9 15.69 12.31 389 61.7 4.98 38 10.3 1.56 77.8 1.59a586 9.5 9.5 18.51 14.53 564 80.5 5.52 53.2 13 1.7 107.2 1.71 14b14060 8 9.5 9.5 21.31 16.73 609 87.1 5.35 61.2 14.1 1.69 120.6 1.67a636.5 10 10 21.95 17.23 866 108.3 6.28 73.4 16.3 1.83 144.1 1.79 16b16065 8.5 10 10 25.15 19.75 935 116.8 6.1 83.4 17.6 1.82 160.8 1.75a687 10.5 10.5 25.69 20.17 1273 141.4 7.04 98.6 20 1.96 189.7 1.88 18b18070 9 10.5 10.5 29.29 22.99 1370 152.2 6.84 111 21.5 1.95 210.1 1.84a737 11 11 28.83 22.63 1780 178 7.86 128 24.2 2.11 244 2.01 20b20075 9 11 11 32.83 25.77 1914 191.4 7.64 143.6 25.9 2.09 268.4 1.95a777 11.5 11.5 31.84 24.99 2394 217.6 8.67 157.8 28.2 2.23 298.2 2.1 22b22079 9 11.5 11.5 36.24 28.45 2571 233.8 8.42 176.5 30.1 2.21 326.3 2.03a787 12 12 34.91 27.4 3359 268.7 9.81 175.9 30.7 2.24 324.8 2.07 25b 250 80 9 12 12 39.91 31.33 3619 289.6 9.52 196.4 32.7 2.22 355.1 1.99c 82 11 12 12 44.91 35.25 3880 310.4 9.3 215.9 34.6 2.19 388.6 1.96a827.5 12.5 12.5 40.02 31.42 4753 339.5 10.9 217.9 35.7 2.33 393.3 2.09 28b 280 84 9.5 12.5 12.5 45.62 35.81 5118 365.6 10.59 241.5 37.9 2.3 428.5 2.02c 86 11.5 12.5 12.5 51.22 40.21 5484 391.7 10.35 264.1 40 2.27 467.3 1.99a888 14 14 48.5 38.07 7511 469.4 12.44 304.7 46.4 2.51 547.5 2.24 32b 320 90 10 14 14 54.9 43.1 8057 503.5 12.11 335.6 49.1 2.47 592.9 2.16c 92 12 14 14 61.3 48.12 8603 537.7 11.85 365 51.6 2.44 642.7 2.13a969 16 16 60.89 47.8 11874 659.7 13.96 455 63.6 2.73 818.5 2.44 36b 360 98 11 16 16 68.09 53.45 12652 702.9 13.63 496.7 66.9 2.7 880.5 2.37c 100 13 16 16 75.29 59.1 13429 746.1 13.36 536.6 70 2.67 948 2.34a10010.5 18 18 75.04 58.91 17578 878.9 15.3 592 78.8 2.81 1057.9 2.49 40b 400 102 12.5 18 18 83.04 65.19 18644 932.2 14.98 640.6 82.6 2.78 1135.8 2.44c10414.5 181891.0471.4719711985.614.71687.886.22.751220.32.42普通槽钢长度:型号5〜8,长5〜12m ; 型号10〜18,长5〜19m ; 型号20〜20,长6〜19m 。
工字型钢、角钢、槽钢、管材、圆钢、方管附录常用型钢规格表普通工字钢i —回转半径;Sx —半截面的面积矩;长度:型号10〜18,长5〜19m ;型号20〜63,长6〜19m 。
型号尺寸( mm )截面面积 (cm 2)理论重量 (kg/m)x-x 轴y-y 轴h m m b m m t w m m t m m R m ml x cm 4W x cm 3 i x cmI x /Sxcm I y cm 4W ycm3I y cm 104.18.61.5100 684.57.66.514.311.2245 494 933 9.6 1125.112. 1.6 12.66 7458.4718.114.2 488779 11 477 1145.7 12.16.1.7 140 805.59.17.521.5 16.9712102 5 2 641 3166.5 13.21. 1.8 160 886 9.9 826.120.51127 1417 9 93 1 91810.7.3 15.26. 2.0 1894 6.578.530.724.1 1699185 7 4 123 2 0108.1 17. 31. 2.1a20 0 7 11. 35.527.9 2369 237 6 4 158 6 1 20b10 94939.531.125022507.9 17. 16933. 2.0 2 5 1 1 7118.919.41.2.3a220 7.512.42.13334063109 2 2261 2 229.51138.7 18.42. 2.2 b 9.546.5 36.5 3583 326 2402 8 9 9 71110. 21.48.a256848.538.150174012728042.4251310119.9 21.50. 2.3 b 10 53.5 42 5278 422 2978 3 4 4 61211. 24.56. 2.4a28 2 8.5 13. 10. 55.4 43.5 7115 508 3 3 344 4 9 28b12 10. 756147.9748153411. 2436458. 2.4 4 517 41312.27.70.2.6a0 9.567.152.711080692 8 7 4596 232 13 11.11.12. 27.73. 2.5 32b2 5 15573.557.711626 7276 3 4843 713 13.12.26.76.2.5c4 579.962.7 12173761 3 95101 31314.81. 2.6a6 1076.46015796 8784 31 5556 9361315.14.30.84. 2.6 36b8 1281283.665.6 16574921 1 6 5846 41413. 30.87.c1490.8 71.317351 9648261472.6W —截面模量符号:h —高度;b —宽度;tw —腹板厚度;t —翼缘平均厚度;H 型钢符号:h —高度;b —宽度; t1 —腹板厚度 t2 —翼缘厚度 I —惯性矩;类别H 型钢规格 (h xb xti xt2)截面积 A2 cm质量 q kg/mx-x 轴y_y 轴l x (cm 4)W x (cm 3) i x (cm) l y (cm 4) W y (cm 3) l y (cm)100 X 100 X6X 8 21.917.2 2383 76.576.54.1813426.72.47 125 X 125 X6.5 x9 30.31 23.8 847 136 5.29 294 47 3.11150 X 150 X x40.55 31.9 1660 221 6.39 564 75.1 3.73 10175 X 175 X 7.5 x51.43 40.3 2900 331 7.5 984 112 4.37 11200 X200 X8 X64.28 50.5 4770 477 8.61 1600 160 4.99 12#200 X204 X 1272.2856.750305038.3517001674.85X 12250 X250 X9 X14#250 X255 X 1492.18 72.4 10800 867 10.8 3650 292 6.29 104.7 82.2 11500 919 10.5 3880 304 6.09 X 14#294 X 302 X 12 108.3 85 17000 1160 12.5 5520 365 7.14 X 12HW300 X 300 X 10 X120.4 94.5 20500 1370 13.1 6760 450 7.49 15300 X 305 X 15 X135.410621600144012.67100 4667.2415#344 X 348 X 101120146 115 33300 1940 15.1 646 8.78 X 16350 X 350 X 12 x173.913740300230015.21360 7768.8419#388 X402 X 15179.2 141 49200 2540 16.6 1630 809 9.52 X 15#394 X 398 X 11187.6 147 56400 2860 17.3 1890 951 10 X 18400 X 400 X 13 x219.517266900334017.52240 112010.1210 #400 X408 X 212380X21251.5 197 71100 3560 16.8 0 1170 9.73#414 X405 X 18296.2 233 93000 4490 17.7 3100 1530 10.2 X28#428 X407 X 20361.4284119000558018.2 3940 193010.4 X35148 X 100 X6X 927.25 21.4 1040 140 6.17 151 30.2 2.35 HM194 X 150 X6X 9 39.76 31.2 2740 283 8.3 508 67.7 3.57244 X 175 X x56.2444.1612050210.49851134.18W —截面模量i —回转半径; Sx —半截面的面积矩。
附录 常用型钢规格表 普通工字钢
符号:h—高度; b—宽度; tw—腹板厚度; t—翼缘平均厚度; I—惯性矩; W—截面模量
i—回转半径; Sx—半截面的面积矩; 长度: 型号10~18,长5~19m; 型号20~63,长6~19m。
型 号 尺 寸(mm) 截面面积(cm2) 理论重量(kg/m) x-x轴 y-y轴 h mm b mm tw mm t mm R mm Ix cm4 Wx cm3 ix cm Ix/Sx cm Iy cm4 Wy cm3 Iy
cm
10 100 68 4.5 7.6 6.5 14.3 11.2 245 49 4.14 8.69 33 9.6 1.51 12.6 126 74 5 8.4 7 18.1 14.2 488 77 5.19 11 47 12.7 1.61 14 140 80 5.5 9.1 7.5 21.5 16.9 712 102 5.75 12.2 64 16.1 1.73 16 160 88 6 9.9 8 26.1 20.5 1127 141 6.57 13.9 93 21.1 1.89 18 180 94 6.5 10.7 8.5 30.7 24.1 1699 185 7.37 15.4 123 26.2 2.00
20 a 200 100 7 11.4 9 35.5 27.9 2369 237 8.16 17.4 158 31.6 2.11 b 102 9 39.5 31.1 2502 250 7.95 17.1 169 33.1 2.07
22 a 220 110 7.5 12.3 9.5 42.1 33 3406 310 8.99 19.2 226 41.1 2.32 b 112 9.5 46.5 36.5 3583 326 8.78 18.9 240 42.9 2.27
25 a 250 116 8 13 10 48.5 38.1 5017 401 10.2 21.7 280 48.4 2.4 b 118 10 53.5 42 5278 422 9.93 21.4 297 50.4 2.36
28 a 280 122 8.5 13.7 10.5 55.4 43.5 7115 508 11.3 24.3 344 56.4 2.49 b 124 10.5 61 47.9 7481 534 11.1 24 364 58.7 2.44
32 a 320 130 9.5 15 11.5 67.1 52.7 11080 692 12.8 27.7 459 70.6 2.62 b 132 11.5 73.5 57.7 11626 727 12.6 27.3 484 73.3 2.57 c 134 13.5 79.9 62.7 12173 761 12.3 26.9 510 76.1 2.53
36 a 360 136 10 15.8 12 76.4 60 15796 878 14.4 31 555 81.6 2.69 b 138 12 83.6 65.6 16574 921 14.1 30.6 584 84.6 2.64 c 140 14 90.8 71.3 17351 964 13.8 30.2 614 87.7 2.6
40 a 400 142 10.5 16.5 12.5 86.1 67.6 21714 1086 15.9 34.4 660 92.9 2.77 b 144 12.5 94.1 73.8 22781 1139 15.6 33.9 693 96.2 2.71 c 146 14.5 102 80.1 23847 1192 15.3 33.5 727 99.7 2.67
45 a 450 150 11.5 18 13.5 102 80.4 32241 1433 17.7 38.5 855 114 2.89 b 152 13.5 111 87.4 33759 1500 17.4 38.1 895 118 2.84 c 154 15.5 120 94.5 35278 1568 17.1 37.6 938 122 2.79
50 a 500 158 12 20 14 119 93.6 46472 1859 19.7 42.9 1122 142 3.07 b 160 14 129 101 48556 1942 19.4 42.3 1171 146 3.01 c 162 16 139 109 50639 2026 19.1 41.9 1224 151 2.96
56 a 560 166 12.5 21 14.5 135 106 65576 2342 22 47.9 1366 165 3.18 b 168 14.5 147 115 68503 2447 21.6 47.3 1424 170 3.12 c 170 16.5 158 124 71430 2551 21.3 46.8 1485 175 3.07
63 a 630 176 13 22 15 155 122 94004 2984 24.7 53.8 1702 194 3.32 b 178 15 167 131 98171 3117 24.2 53.2 1771 199 3.25 c 780 17 180 141 102339 3249 23.9 52.6 1842 205 3.2 H型钢 符号:h—高度; b—宽度; t1—腹板厚度; t2—翼缘厚度; I—惯性矩; W—截面模量
i—回转半径; Sx—半截面的面积矩。
类别 H型钢规格 (h×b×t1×t2) 截面积 A cm2 质量 q kg/m
x-x轴 y-y轴 Ix Wx ix Iy Wy Iy
(cm4) (cm3) (cm) (cm4) (cm3) (cm)
HW 100×100×6×8 21.9 17.2 2 383 76.576.5 4.18 134 26.7 2.47 125×125×6.5×9 30.31 23.8 847 136 5.29 294 47 3.11 150×150×7×10 40.55 31.9 1660 221 6.39 564 75.1 3.73 175×175×7.5×11 51.43 40.3 2900 331 7.5 984 112 4.37 200×200×8×12 64.28 50.5 4770 477 8.61 1600 160 4.99 #200×204×12×12 72.28 56.7 5030 503 8.35 1700 167 4.85 250×250×9×14 92.18 72.4 10800 867 10.8 3650 292 6.29 #250×255×14×14 104.7 82.2 11500 919 10.5 3880 304 6.09 #294×302×12×12 108.3 85 17000 1160 12.5 5520 365 7.14 300×300×10×15 120.4 94.5 20500 1370 13.1 6760 450 7.49 300×305×15×15 135.4 106 21600 1440 12.6 7100 466 7.24 #344×348×10×16 146 115 33300 1940 15.1 11200 646 8.78 350×350×12×19 173.9 137 40300 2300 15.2 13600 776 8.84 #388×402×15×15 179.2 141 49200 2540 16.6 16300 809 9.52 #394×398×11×18 187.6 147 56400 2860 17.3 18900 951 10 400×400×13×21 219.5 172 66900 3340 17.5 22400 1120 10.1 #400×408×21×21 251.5 197 71100 3560 16.8 23800 1170 9.73 #414×405×18×28 296.2 233 93000 4490 17.7 31000 1530 10.2 #428×407×20×35 361.4 284 119000 5580 18.2 39400 1930 10.4
HM 148×100×6×9 27.25 21.4 1040 140 6.17 151 30.2 2.35 194×150×6×9 39.76 31.2 2740 283 8.3 508 67.7 3.57 244×175×7×11 56.24 44.1 6120 502 10.4 985 113 4.18 294×200×8×12 73.03 57.3 11400 779 12.5 1600 160 4.69 340×250×9×14 101.5 79.7 21700 1280 14.6 3650 292 6 390×300×10×16 136.7 107 38900 2000 16.9 7210 481 7.26 440×300×11×18 157.4 124 56100 2550 18.9 8110 541 7.18 482×300×11×15 146.4 115 60800 2520 20.4 6770 451 6.8 488×300×11×18 164.4 129 71400 2930 20.8 8120 541 7.03 582×300×12×17 174.5 137 103000 3530 24.3 7670 511 6.63 588×300×12×20 192.5 151 118000 4020 24.8 9020 601 6.85 #594×302×14×23 222.4 175 137000 4620 24.9 10600 701 6.9