电除尘器基础载荷计算
- 格式:doc
- 大小:1.45 MB
- 文档页数:16
布袋除尘器荷载初步计算1.除尘器载荷的确定:1.1静载的确定:G静载=∑Gi(i=1~5)式中,G1本体钢结构部分的重量,G2滤袋总重,G3袋笼总重,G4滤袋表面积灰5mm的重量,G5灰斗允许积灰重量。
按亿金公司多年来的设计经验,静载荷在除尘器基础上的分布,一般是,最外面一圈基础柱桩的载荷为总静载分布在所有柱桩上的平均值Gp的110%。
次外圈一圈柱桩的载荷为Gp的120~200%,以此类推,直到最内圈载荷。
内圈载荷高于外圈载荷,但内外圈载荷最大差别不得超过300KN。
这样设计载荷的目的是保证本体结构系统的地基稳定性。
关于载荷部分的详细分配及计算过程可以参考《建筑荷载设计规范》手册。
1.2动载的确定按楼面及屋面活荷载取标准值2.5KN/m2(检修平台按4KN/m2)来计算。
除尘器总动载荷:F=KA0A1+KA1A2,KA1检修平台活荷载取标准值,A1除尘器平面投影面积,A2平台扶梯平面投影面积。
设计时,单个承载点荷载值是平均值的100~120%左右。
具体分布时,可以是平台扶梯结构多的部分取偏大值,结构少的部分取较小值。
结构设计人员应合理安排,综合考虑影响动载荷分布的各种因素。
1.3风载的确定根据GB50009-2001,查全国基本风压分布图,可得相关值。
风载的计算,也可以按经验公式:Kn=υ^2/1600(单位KN/m2)来计算,式中,υ为风速,单位m/s。
设计时,单个承载点荷载值是平均值的120~150%左右。
具体分布时,最外一圈的载荷点为平均载荷值的120%,内圈载荷点为平均载荷值的150%。
附:风载的设计,主要是考虑横向风的影响。
一般地说,除尘设备都安装在平地上,不必考虑风从高空俯吹的影响。
有些除尘设备厂家在计算风载时,特别考虑俯吹的影响,其实,那是不必要的。
1.4震载的确定在一些地震多发地区,必须考虑地震对结构强度的影响。
设计单位在与用户签定除尘设备技术协议时,必须明确地震的烈度。
根据《钢结构设计规范》(GB50017-2003),地震载荷的计算可以分为水平方向的剪力计算和竖直方向的拉(压)力计算。
电除尘器技术介绍概述电除尘器是一种高效节能的烟气净化设备,具有收尘效率高、处理烟气量大、使用寿命长、维修费用低等特点。
20世纪初电除尘器首先应用在冶金和水泥行业,并逐渐应用到钢铁、化工、造纸、电力等领域。
我国的能源结构以煤为主,约占能源总量的75%,因此燃煤电厂是目前应用电除尘器最多的工业部门。
电除尘器分类电除尘器有多种分类方法,根据电除尘器的结构和气体流动方式等特点,可作如下分类。
一、按集尘电极的型式分类1、管式电除尘器结构最简单的管式电除尘器为单管电除尘器。
这种管式电除尘器的集尘极为ф150~300的圆形金属管,管长为3~5m,放电极极线 (电晕线)用重锤悬吊在集尘极圆管中心。
含尘气体由除尘器下部进入,净化后的气体由顶部排出。
管式电除尘器的电场强度高且变化均匀,但清灰较困难。
多用于净化含尘气量较小或含雾滴的气体。
在工业上,为了净化气量较大含尘气体,常采用呈六角形蜂窝状或多圈同心圆管状排列的多管管式电除尘器。
多管式电除尘器的电晕线分别悬吊在每根单管的中心。
2、板式电除尘器板式电除尘器是由多块一定形状的钢板组合成集尘极。
在两平行集尘极间均布放电极 (电晕线)。
两平行集尘极极板间距一般为200~400mm,极板高度为2~15m,极板总长可根据要求的除尘效率高低来确定。
板式电除尘器的电场强度变化不均匀,清灰方便,制作安装较容易,可以根据工艺要求和净化程度设计成大小不同规格的电除尘器。
二、按含尘气流流动方式分类1、立式电除尘器立式电除尘器能使含尘气流在自下而上流动过程中完成净化过程。
它具有捕集效率高、占地面积小等优点。
一般来讲,管式电除尘器为立式电除尘器。
2、卧式电除尘器卧式电除尘器含尘气流净化过程是在气流水平运动过程中完成的。
卧式电除尘器可设计成若干个电场供电,容易实现对不同粒径粉尘的分离,有利于提高总除尘效率;在处理烟气量较大时,比较容易保证气流沿电场断面均匀分布。
此外,安装高度比立式电除尘器低,操作和维修比较方便,但占地面积比较大。
除尘器动静载荷计算公式
除尘器动静载荷计算公式是工程中常用的一种计算方法,用于确定除尘器所能承受的最大负荷。
这个公式的作用在于保证除尘器在工作时能够稳定运行,同时避免超负荷运行而导致设备损坏或事故发生。
除尘器动静载荷计算公式的核心是考虑除尘器所受到的静态载荷和动态载荷。
静态载荷主要指除尘器本身的重量以及安装在其上的附件的重量,如滤袋、骨架等。
动态载荷则是指在工作过程中除尘器所承受的振动、冲击力等动力荷载。
在进行动静载荷计算时,需要考虑除尘器的结构特点、工作环境以及工作要求等因素。
一般来说,除尘器的设计应满足以下要求:
1. 静态载荷不得超过除尘器的承载能力,以确保设备的稳定性和安全性。
2. 动态载荷应考虑到除尘器在工作过程中可能承受的振动和冲击力,以避免设备损坏或事故发生。
3. 除尘器的材料选择和结构设计应能够适应工作环境的要求,如高温、腐蚀等特殊条件。
为了计算出除尘器的动静载荷,可以采用以下公式:
动静载荷 = 静态载荷 + 动态载荷
其中,静态载荷可以通过除尘器本身的重量和相关附件的重量之和来计算。
动态载荷则需要根据工作环境和工作要求来确定,可以参考相关标准或经验数据进行估算。
除尘器动静载荷计算公式的应用能够帮助工程师们更好地设计和选择合适的除尘器设备,以确保其在工作过程中能够正常运行,并且具备足够的稳定性和安全性。
通过合理的动静载荷计算,可以降低设备损坏和事故发生的风险,提高工程项目的安全性和可靠性。
第四章1电除尘器设计计算第四章 电除尘器设计计算4.1设计基础资料粉尘浓度:2000mg/m 34.2集尘面积、电场长度、宽度、极板有效高度、进出气烟箱长度、通道数、大端高度的计算4.2.1标准状况下的粉尘浓度的换算 标准状况下的粉尘浓度:3T T P P/mg 7.22532733038.99325.1011900××c N N m C N =⨯⨯== 4.2.2集尘极面积的确定除尘器处理效率:%5.96%1007.225380-1c c -1s =⨯==η 集尘极面积: 3m 6.1941.136001.0%5.96-1ln 19000-k 3600-1ln =⨯⨯⨯=-=)()(ωηQ A (k=1.1 ,w=0.1m/s )2m 4.42.1360019000v 3600'=⨯==Q F (v 取1.2m/s) 4.2.3极板有效高度h 、有效宽度B 、通道数的确定m F h 1.2'== F<8, 所以不用除以2电场宽度m 1.2h '==B 电除尘器的通道数个64.01.2b 2'===B Z (2b=400mm),集尘板数为7个 实际断面面积2m 4.4h =⨯=B F4.2.4集尘极长度的确定 集尘极长度m A L 7.71.2626.194h 1-n 2=⨯⨯==)( 可设计两个电场,单个电场长度为3.85m ,集尘总面积225.19404.1941.27.712m m h L n A ==⨯⨯=⨯⨯= 则驱进速度s m A k Q /1.05.19436001.1%)5.961ln(190003600)1ln(=⨯⨯-⨯-=--=ηω 4.2.5 电除尘器阴极线个数根21662.022.07.7=⨯⨯-=N △L=200mm 200m 38.0143600190003600=⨯==V Q F V0为进气口风速,取14m/s 4.2.7进气烟箱长度、出气烟箱长度的确定m2m6.0201===ααF 进气口长度m 02.1mm 10202501000-55.0212==+⨯=)(ααL 出气口长度m 82.002.18.08.02w =⨯==L L4.28大端高度的确定大端的高度m m 18901702.08.0214==+≥ααH4.2.9灰斗的设计当采用四棱台状灰斗时,只要斗壁的斜度满足要求,一般在电除尘器每个独立供电区下面设置一个灰斗,灰斗的斜度至少取60ο。
除尘器动静载荷计算公式全文共四篇示例,供读者参考第一篇示例:除尘器是工业生产中常见的设备,用于清除空气中的灰尘和杂质,保持生产环境清洁。
除尘器在工业生产中扮演着非常重要的角色,但在使用过程中需要注意动静载荷的计算,以确保设备的正常运行和安全性。
本文将介绍关于除尘器动静载荷计算的公式及相关内容。
一、除尘器的动静载荷在除尘器的使用过程中,动载荷和静载荷是需要考虑的重要因素。
动载荷是指在设备运行过程中由设备自身或外部引起的冲击负荷,而静载荷是指设备静止或运行过程中所受到的恒定负荷。
动载荷和静载荷的合理计算是确保设备正常运行和安全性的基础。
动载荷和静载荷的计算需要考虑多个因素,包括设备的重量、运行速度、振动幅度、工作环境等。
除尘器在清除空气中的灰尘和杂质时,需要运转较长时间且频繁启停,因此动载荷和静载荷的计算尤为重要。
1. 动载荷的计算公式:动载荷= 设备自重+ 杂质重量+ 设备运行速度引起的惯性力设备自重是指除尘器本身的重量,杂质重量是指设备清除空气中灰尘和杂质的重量,设备运行速度引起的惯性力是指设备在运行过程中产生的惯性冲击力。
动载荷的计算公式可以帮助工程师合理设计设备结构,确保设备在运行过程中稳定可靠。
在除尘器动静载荷的计算过程中,需要注意以下几个方面:1. 考虑设备运行环境:包括气温、湿度、压力、震动等因素对设备运行的影响,合理考虑这些因素对动静载荷的影响。
2. 确保计算准确性:在进行动静载荷计算时,需要准确获取设备自重和杂质重量等参数,并合理估算设备运行速度引起的惯性力,确保计算结果的准确性。
3. 合理设计设备结构:根据动静载荷计算结果,合理设计设备结构和支撑结构,确保设备在运行过程中稳定可靠。
四、结语第二篇示例:除尘器是工业生产中常见的设备,主要用于去除空气中的粉尘和污染物,保证生产环境卫生和员工健康。
在除尘器的设计和制造过程中,需要准确计算和考虑其动静负荷,以确保设备的稳定性和性能。
本文将介绍除尘器动静载荷的计算公式,并探讨其在工程实践中的应用。
摘要:电除尘器是使含尘气体通过高压电场,进行电力过程中,使粉尘荷电,粉尘积于电极板上,使尘粒从气体中分离出来的一种除尘设备。
其工作原理涉及到电晕极放电,气体电离和粉尘荷电,荷电粉尘的钱一盒捕集,粉尘的清除过程。
电除尘过程与其他除尘过程的根本区别在于,分离力主要是静电力直接作用在粒子上,而不是作用在整个气流上,这就决定了它具有分离离子耗电能少,气流阻力也小的特点。
由于静电力相对较大,所以对粒子有较好的捕集效果。
本设计采用普通干式单进风电除尘器,除尘效率设计值为99.2%,进风口对应的断面接近于正方形,高与宽的比为 1.1:1,采用收尘极悬挂形式Ⅱ,沿气流方向和垂直于气流方向均设置两个灰斗。
本设计具有以下优点:压力损失小;处理烟气量大;能耗低;对粉尘的捕集效率高;可在高温或强腐蚀的气体环境下连续操作。
关键词:电除尘器四棱台状灰斗悬吊型式电除尘器是锅炉必备的配套设备,它的功能是将锅炉排放烟气中的颗粒烟尘加以清除,从而大幅度降低排入大气层中的烟尘量,这是改善环境污染,提高空气质量的重要环保设备。
它的工作原理是烟气通过电除尘器主体结构前的烟道时,使其烟尘带正电荷,然后烟气进入设置多层阴极板的电除尘器通道。
由于带正电荷烟尘与阴极电板的相互吸附作用,使烟气中的颗粒烟尘吸附在阴极上,定时打击阴极板,使具有一定厚度的烟尘在自重和振动的双重作用下跌落在电除尘器结构下方的灰斗中,从而达到清除烟气中的烟尘的目的。
电除尘器是一种烟气净化设备,它的工作原理是:烟气中灰尘尘粒通过高压静电场时,与电极间的正负离子和电子发生碰撞而荷电(或在离子扩散运动中荷电),带上电子和离子的尘粒在电场力的作用下向异性电极运动并积附在异性电极上,通过振打等方式使电极上的灰尘落入收集灰斗中,使通过电除尘器的烟气得到净化,达到保护大气,保护环境的目的。
电除尘器的主体结构是钢结构,全部由型钢焊接而成,外表面覆盖蒙皮(薄钢板)和保温材料,为了设计制造和安装的方便。
除尘器动静载荷计算公式全文共四篇示例,供读者参考第一篇示例:除尘器是工业生产中常用的设备,用于清除生产过程中产生的灰尘和污染物,保证生产环境的清洁和安全。
在除尘器的设计和使用中,除尘器的动静载荷是一个重要的参数,它直接影响到除尘器的稳定性和工作效率。
在本文中,我们将介绍除尘器动静载荷的计算公式和相关知识。
一、动静载荷的定义动载荷是指除尘器在工作过程中产生的各种力和力矩,主要包括气流的惯性力、重力、气流的惯性力矩、气流对除尘器的压力力矩等。
静载荷是指除尘器在不工作状态下的自重和外部地面荷载等常数载荷。
二、动静载荷计算公式1. 气流的惯性力:F = m * aF为气流的惯性力,m为气流的质量,a为气流的加速度。
F为物体所受重力,m为物体的质量,g为地球的重力加速度。
M为气流对除尘器的压力力矩,P为气流的压力,A为除尘器的截面积。
6. 外部地面荷载:F = m * g假设除尘器的质量为1000kg,气流的质量为500kg,气流的加速度为10m/s^2,气流的惯性因子为200kg*m^2,气流的角加速度为5rad/s^2,气流的压力为100Pa,除尘器的截面积为10m^2,地面的质量为500kg,地面的加速度为10m/s^2。
根据上述公式,可以计算出动静载荷的数值如下:1. 气流的惯性力:F = m * a = 500kg * 10m/s^2 = 5000N综合以上计算结果,可以得出除尘器在工作状态和不工作状态下的动静载荷,这些参数将为除尘器的设计和使用提供重要参考。
动静载荷直接影响到除尘器的稳定性和工作效率,如果动静载荷计算不准确或超载,可能导致除尘器的失稳和操作故障。
在设计和使用除尘器时,必须合理计算动静载荷,确保除尘器的正常运行和安全性。
动静载荷是除尘器设计和使用中的重要参数,合理计算动静载荷对于确保除尘器的稳定性和工作效率至关重要。
希望本文介绍的动静载荷计算公式和相关知识对读者有所帮助。
【字数:489】第二篇示例:随着工业生产的不断发展和工厂规模的扩大,除尘器在生产过程中的作用变得越发重要。
摘要:电除尘器是使含尘气体通过高压电场,进行电力过程中,使粉尘荷电,粉尘积于电极板上,使尘粒从气体中分离出来的一种除尘设备。
其工作原理涉及到电晕极放电,气体电离和粉尘荷电,荷电粉尘的钱一盒捕集,粉尘的清除过程。
电除尘过程与其他除尘过程的根本区别在于,分离力主要是静电力直接作用在粒子上,而不是作用在整个气流上,这就决定了它具有分离离子耗电能少,气流阻力也小的特点。
由于静电力相对较大,所以对粒子有较好的捕集效果。
本设计采用普通干式单进风电除尘器,除尘效率设计值为99.2%,进风口对应的断面接近于正方形,高与宽的比为 1.1:1,采用收尘极悬挂形式Ⅱ,沿气流方向和垂直于气流方向均设置两个灰斗。
本设计具有以下优点:压力损失小;处理烟气量大;能耗低;对粉尘的捕集效率高;可在高温或强腐蚀的气体环境下连续操作。
关键词:电除尘器四棱台状灰斗悬吊型式电除尘器是锅炉必备的配套设备,它的功能是将锅炉排放烟气中的颗粒烟尘加以清除,从而大幅度降低排入大气层中的烟尘量,这是改善环境污染,提高空气质量的重要环保设备。
它的工作原理是烟气通过电除尘器主体结构前的烟道时,使其烟尘带正电荷,然后烟气进入设置多层阴极板的电除尘器通道。
由于带正电荷烟尘与阴极电板的相互吸附作用,使烟气中的颗粒烟尘吸附在阴极上,定时打击阴极板,使具有一定厚度的烟尘在自重和振动的双重作用下跌落在电除尘器结构下方的灰斗中,从而达到清除烟气中的烟尘的目的。
电除尘器是一种烟气净化设备,它的工作原理是:烟气中灰尘尘粒通过高压静电场时,与电极间的正负离子和电子发生碰撞而荷电(或在离子扩散运动中荷电),带上电子和离子的尘粒在电场力的作用下向异性电极运动并积附在异性电极上,通过振打等方式使电极上的灰尘落入收集灰斗中,使通过电除尘器的烟气得到净化,达到保护大气,保护环境的目的。
电除尘器的主体结构是钢结构,全部由型钢焊接而成,外表面覆盖蒙皮(薄钢板)和保温材料,为了设计制造和安装的方便。
电除尘器基础负荷的计算电除尘器基础负荷是土建设计混凝土基础的要紧依据。
以往每一个设计者的基础负荷不尽相同,其要紧缘故是原始技术数据不统一。
本文采纳的技术数据是结合历年来国内外电除尘器所提供的技术资料而来。
现将有关数据排列如下:按基础负荷产生的缘故不同分为不变负荷和活动负荷两类:不变负荷:包括除尘设备的总重量和保温层重量,保温层重量按m2计算。
活动负荷:一、作用在除尘设备顶盖上的活动负荷P1:按2KN/ m2计算;二、风载:等于大体风压×体形系数×高度系数,风载一样可按1KN/ m2计算;3、粉尘重:收尘极板上的积灰按3mm厚计算,灰斗积灰按满斗计算。
4、爆炸负荷:仅在煤磨收尘系统中考虑,其大小按除尘设备容积计算。
垂直负荷按m2计算;水平负荷按m2计算;五、地震负荷:由土建考虑,但要标出质量中心的位置。
基础负荷的计算方式:基础负荷的计算尽管所取的原始数据相同,但计算方式不同,计算的结果有较大的出入,因此本文介绍两种经常使用的计算方式:一、概略计算方式概略计算方式是指只考虑除尘设备本体和保温层重量,其他部份的重量如灰斗重、风载等,只需将本体和保温层重量之和乘上一系数即可。
除尘器的立柱数为n,那么两边立柱的垂直负荷Y1= (G1+ G2)×φ/〔(n-4) ×2+4〕式中:G1----除尘器的本体重量(KN)G2----除尘器的保温层重量(KN)φ----系数。
一样取;假设中间立柱的垂直负荷为Y2=2 Y1 (KN)这种计算方式简易快速,但计算结果有必然的误差,一样比精准的计算方式的两头立柱基础负荷小,比中间立柱基础负荷大,可用于电除尘器初步设计的基础负荷的估算。
二、精准计算方式为考虑电除尘器壳体的稳固性和受热膨胀的阻碍,传统计算是设置一个固定底座,其余均为活动底座。
活动底座又分单向底座和万向底座。
沿固定底座X 轴线和Y轴线的活动底座为单向底座,其余的为万向底座,其基础负荷散布图如图:固定底座基础负荷散布的计算:一、本体和保温层重量所引发的基础负荷本体各部份的重量:壳体和保温层重量W1(KN)内部构件重量W2(KN)入口喇叭和保温层重量W3(KN)出口喇叭和保温层重量W4(KN)气体散布和振打装置重量W5(KN)楼梯平台重量W二、本体和保温层重量所引发的基础负荷F:在A1:A2底座上:F A1= F A2= (W1+W2)/〔(n-4) ×2+4〕+(W3+W5)/2 在B1:B2底座上:F B1= F B2= 2×(W1+W2)/〔(n-4) ×2+4〕+(W3+W5)/2 在C1:C2底座上:F C1= F C2= 2×(W1+W2)/〔(n-4) ×2+4〕+W6/2+W4/2在D1:D2底座上:FD1= F D2= 2×(W1+W2)/〔(n-4) ×2+4〕+W4/2 +W6/2 3、粉尘和活动负荷所引发的垂直负荷Q极板粉尘重量W7=A×δ×r (KN)灰斗内的粉尘重量W8=N×V×r (KN)收尘器顶部的活动负荷W9=A1×φ1其中:A----收尘面积(m2)δ---极板上的粉尘厚度(m)r---粉尘的堆积密度(KN/m3)N---灰斗的数量(个)V---每一个灰斗的容积(m3)A----收尘器顶盖的面积(m2)φ1-----收尘器顶盖的活动负荷4、粉尘和活动负荷在各个底座上所引发的垂直负荷:在A1:A2底座上:Z A1= Z A2=(W7+ W8+ W9)/〔(n-4) ×2+4〕在D1:D2底座上:Z D1= ZD2= Z A1在B1:B2;C1:C2底座上:ZB1= ZB2= Z C1= Z C2=2 Z A1五、各个底座基础上的总负荷:a 、各个底座基础上的总垂直负荷:在A1:A2底座上:F A1总= F A2总= F A1+ Z A1在B1:B2底座上:F B1总= F B2总= F B1+ ZB1在C1:C2底座上:FC1总= FC2总= FC1+ ZC1在D1:D2底座上:FD1总= FD2总= FD1+ ZD1b、各个底座基础上的水平总负荷:水平负荷主若是由壳体受热膨胀底座窜动时的摩擦力所引发的,摩擦力f按下式确信:f=F总*τ(KN)式中;F总------作用在各个底座上的总垂直负荷(KN)τ---------摩擦系数,转动支座取,滑动支座取。
除尘器基础载荷计算1电除尘器结构尺寸:2本体静载荷根据初核的结果和设计条件把重量和其他载荷分配至柱网的每一行(A~E )每一列(①~⑤)及每一结点。
1. 把各部分重量和其他载荷归并为四类,再分配至各排、列和点。
这四类是: 1.1屋顶总重量(包括悬挂在屋顶两下的各个部件)载荷分配至A~E 行。
1.2二侧壁重量。
载荷只在A 、E 行。
1.3端墙重量(进出口)。
载荷只在①⑤列。
1.4灰斗、灰斗阻流板和灰斗积灰。
载荷在A~E 行。
2.上述1.1、1.2、1.3项载荷依0.5、1、1、1、0.5分配至A 、B 、C 、D 、E 行。
每一行在依次分配,ABCDE 行可视为铰接,按面积分配重量,考虑新增电场与4.002A 、002B 、002C 独分配,根据Wsout 的结果,分成三类,每一项归类。
第I 类依0.5、1、1、10.5分配至A 、B 、C 、D 、E 行。
第II 类只在进出端部有载荷(即只在①⑤列),依0.5、1、1、10.5分配至A 、B 、C、D、E行。
第III类Column按实际位置,重量分配。
002A中纵梁只在B、C、D行纵向斜撑只在C行,属两侧墙部分只在AE行。
002B钢板重量按面积分配至屋顶面、两侧面、两端面,两侧面只在A、E行,两端面只在①⑤列。
5.保温按屋顶面、两侧面、两端面面积估算。
6Wsout中归入屋顶总重的部件(现表4以020阳极板重量的70%计折算成板上积灰约10mm)7. 025阳极振打、026阳极传动分配在A、E行,①、③、④、⑤,梯子分配在A、E行①~⑤。
8. 071进口喇叭、008进口分布板分配至A~E行的①列,072出口喇叭、031出口分布板分配至A~E行的⑤列。
9.灰斗、011阻流板、049灰斗加热灰斗表面积75x4x4=1200㎡1200x18.845=22614kg输灰装置每灰斗估算2000kg10.066单轨吊考虑由BD行单承高压整流变压器由C单承3灰载灰密度900kg/m³,电场每灰斗容积62.7m³,以50%盛灰计,电场每灰斗盛灰900x62.7=56430kg 共计56430x16=902880kg4活载A=25900㎡活载=25900x900x10/1000=233100kg5风载(⊥GAS)1最大风速V0=28m/s可得风压W0=V0*V0/1.6=490Pa风载荷标准值Wk=βz*μs*μz*W0μs——体形系数 1.3(0.8+0.5)μz——风压高度变化系数取1.25(以B类除尘器迎风面中心20米高计)βz——风振系数考虑结构总高度H~30米,迎风面宽度B~25米H/B=30/25=1.2查表得脉动影响系数V=0.46求得:风振系数βz=1.67Wk=1.67x1.3x1.25x490=1330N/㎡2投影面积经计算A=521㎡3总风力QH=Wk*A=1330x521=692930N4型心标高(相对支撑面)型心标高=(391x8.5+28.4x7.5+22.2x6.3+79.4x(-2.1))/521=3.51m 倾覆力矩BC行因为BC间有斜撑,刚性大倾覆力矩作用在B、C行产生垂直力,QH*3.51=PB*5.7PB=426.7kN均布在①~⑤列426.7/5=85.34kND行QH*3.51=PB*5.7*2PB=213.4kN均布在①~⑤列213.4/5=42.67kNA/E行QH*3.51=PB*20.72PB=117.39kN6水平力固定支座C③,所以在C行、③列有水平力。
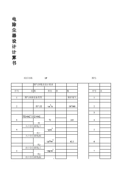
电除尘器基本参数的计算(一九八八年六月二十五日第3期设计信息原文)一. 为统一计算方法,我厂对有关电除尘器基本数的计算作料若干规定,现说明如下:1. 关于收尘面积计算的规定:1) 任意极距下单电场阳极板的实际收尘面积:)(2m A c iZ L H A c i ⋅⋅⋅=2式中: H --电场有效高度(m )L --电场有效长度(为板排中第一块极板前端棱至最末一块极板後端棱之间的距离,m ) Z --电场通道数2) 任意极距下单电场辅助电极的实际收尘面积:)(2m A F ii F i f z n A ⋅⋅=式中:n --该电场中每榀阴极所配辅助电极的组数Z --电场通道数f i --每一组辅助电极的收尘面积(m 2)4)2(⋅⋅=f f i b h f式中: f h --每一块辅助电极的高度(m )可按下值取:电场高度: H(m) 8 10 12 14 电极高度: h f (m) 1.744 2.216 2.7163.196b f --每一块辅助电极的投影宽度(m )当采用压制板时:m b f 276.0= 当采用轧制板时:m b f 296.0=2--计正反两个表面4--每组沿电场高度共排4块3) 任意极距下单电场的实有收尘面积:)(2m A CF iF i C i CF i A A A +=4) 将该电场核计为常规极距时的收尘面积:)(2300m A CF iK bA A CFiCF i ⋅⋅=300300 (当选配适当时K ≥1)式中:b --该电场实际极距(mm ) K --折算系数 5) 每室的槽板收尘面积:)(2m A HN H A H ⋅⋅=72.0式中:0.72--槽板两个表面均为收尘面,每米高计0.72m 2H --槽板高度(m ) N --每室槽板总块数目前已完成以下规格: 通流截面F : 58.3 108 145 151 165170194 216 H : 7.4 10 10.8 10 10 8.8 10 11 N : 45 59 78 79 87 114 106 1186) 每个室的实有收尘面积:)(2m A CFHiH CF i ni CFHiA A A+=∑=1式中:n --每室电场数7) 每个室的标称收尘面积(即将该室核计为常规极距时的收尘面积):)(2300m A CFHHCF i ni CFHA A A+=∑=30013008) 据此,除计算实有的比积尘面积(f )和驱进速度(ω)外,还需计算计为常规极距时的比积尘面积(f 300)和驱进速度(ω300):QA f CFH=)1ln(1ηω--=fQA f CFH 300300=)1ln(1300300ηω--=f 式中:Q --通过单室的烟气量(m 3/s ),002Q k Q =Q 0--原始参数提供的单室烟气量(m 3/s ) k 0--漏风率 η--除尘效率2.关于效率的说明效率分保证效率(η保)和设计效率(η设)两种。
第四章 电除尘器设计计算4.1设计根底资料粉尘浓度:2000mg/m 34.2集尘面积、电场长度、宽度、极板有效高度、进出气烟箱长度、通道数、大端高度的计算标准状况下的粉尘浓度:3T T P P/mg 7.22532733038.99325.1011900××c N N m C N =⨯⨯==除尘器处理效率:%5.96%1007.225380-1c c -1s =⨯==η 集尘极面积: 3m 6.1941.136001.0%5.96-1ln 19000-k 3600-1ln =⨯⨯⨯=-=)()(ωηQ A 〔k=1.1 ,w=0.1m/s 〕2m 4.42.1360019000v 3600'=⨯==Q F 〔v 取1.2m/s) m F h 1.2'== F<8, 所以不用除以2电场宽度m 1.2h '==B 电除尘器的通道数个64.01.2b 2'===B Z 〔2b=400mm),集尘板数为7个 实际断面面积2m 4.4h =⨯=B F集尘极长度m A L 7.71.2626.194h 1-n 2=⨯⨯==)( 可设计两个电场,单个电场长度为3.85m ,集尘总面积225.19404.1941.27.712m m h L n A ==⨯⨯=⨯⨯= 那么驱进速度s m A k Q /1.05.19436001.1%)5.961ln(190003600)1ln(=⨯⨯-⨯-=--=ηω根21662.022.07.7=⨯⨯-=N △L=200mm200m 38.0143600190003600=⨯==V Q F V0为进气口风速,取14m/s m2m6.0201===ααF 进气口长度m 02.1mm 10202501000-55.0212==+⨯=)(ααL 出气口长度 m 82.002.18.08.02w =⨯==L L4.28大端高度确实定大端的高度m m 18901702.08.0214==+≥ααH当采用四棱台状灰斗时,只要斗壁的斜度满足要求,一般在电除尘器每个独立供电区下面设置一个灰斗,灰斗的斜度至少取60ο。
除尘器基础载荷计算1电除尘器结构尺寸:
2本体静载荷
根据初核的结果和设计条件把重量和其他载荷分配至柱网的每一行(A~E )每一列(①~⑤)及每一结点。
1. 把各部分重量和其他载荷归并为四类,再分配至各排、列和点。
这四类是: 1.1屋顶总重量(包括悬挂在屋顶两下的各个部件)载荷分配至A~E 行。
1.2二侧壁重量。
载荷只在A 、E 行。
1.3端墙重量(进出口)。
载荷只在①⑤列。
1.4灰斗、灰斗阻流板和灰斗积灰。
载荷在A~E 行。
2.上述1.1、1.2、1.3项载荷依0.5、1、1、1、0.5分配至A 、B 、C 、D 、E 行。
每一行在依次分配,ABCDE 行可视为铰接,按面积分配重量,考虑新增电场与
4.002A 、002B 、002C 独分配,根据Wsout 的结果,分成三类,每一项归类。
第I 类依0.5、1、1、10.5分配至A 、B 、C 、D 、E 行。
第II 类只在进出端部有载荷(即只在①⑤列),依0.5、1、1、10.5分配至A 、B 、
C、D、E行。
第III类Column按实际位置,重量分配。
002A中纵梁只在B、C、D行纵向斜撑只在C行,属两侧墙部分只在AE行。
002B钢板重量按面积分配至屋顶面、两侧面、两端面,两侧面只在A、E行,两端面只在①⑤列。
5.保温按屋顶面、两侧面、两端面面积估算。
6Wsout中归入屋顶总重的部件
(现表4以020阳极板重量的70%计折算成板上积灰约10mm)
7. 025阳极振打、026阳极传动分配在A、E行,①、③、④、⑤,梯子分配在
A、E行①~⑤。
8. 071进口喇叭、008进口分布板分配至A~E行的①列,
072出口喇叭、031出口分布板分配至A~E行的⑤列。
9.灰斗、011阻流板、049灰斗加热
灰斗表面积75x4x4=1200㎡
1200x18.845=22614kg
输灰装置每灰斗估算2000kg
10.066单轨吊考虑由BD行单承高压整流变压器由C单承
3灰载
灰密度900kg/m³,电场每灰斗容积62.7m³,以50%盛灰计,电场每灰斗盛灰900x62.7=56430kg 共计56430x16=902880kg
4活载
A=25900㎡活载=25900x900x10/1000=233100kg
5风载(⊥GAS)
1最大风速V0=28m/s
可得风压W0=V0*V0/1.6=490Pa
风载荷标准值Wk=βz*μs*μz*W0
μs——体形系数 1.3(0.8+0.5)
μz——风压高度变化系数取1.25
(以B类除尘器迎风面中心20米高计)
βz——风振系数
考虑结构总高度H~30米,迎风面宽度B~25米
H/B=30/25=1.2查表得脉动影响系数V=0.46
求得:风振系数βz=1.67
Wk=1.67x1.3x1.25x490=1330N/㎡
2投影面积
经计算A=521㎡
3总风力
QH=Wk*A=1330x521=692930N
4型心标高(相对支撑面)
型心标高=(391x8.5+28.4x7.5+22.2x6.3+79.4x(-2.1))/521=3.51m 倾覆力矩BC行
因为BC间有斜撑,刚性大倾覆力矩作用在B、C行产生垂直力,QH*3.51=PB*5.7
PB=426.7kN
均布在①~⑤列426.7/5=85.34kN
D行
QH*3.51=PB*5.7*2
PB=213.4kN
均布在①~⑤列213.4/5=42.67kN
A/E行
QH*3.51=PB*20.72
PB=117.39kN
6水平力
固定支座C③,所以在C行、③列有水平力。
考虑B、C行有斜撑,刚性大,可作为整体来看。
6风载(∥GAS)
1风压Wk=1330N/㎡
2投影面积A=352.24+72.60=424.84㎡
3总风力QH=Wk*A=1330x424.84=565037.2N
4型心标高(相对支撑面)
型心标高=【352.24*8.5+72.60*(-2.1)】/424.84=6.69m
5倾覆力矩
∵A、E行有侧板,C行有斜撑,刚性大,可认为力作用在这三行上。
均布每行风力=565037.2/3=188345.74N=188.4kN
在①、⑤列,Qp*6.69=P*23
P=54799.8N=54.8kN
在③列Qp*6.69=P*11.5
6水平力
固定支座C③,所以在③列有水平力,均布Qp/5=565037.2/5=113.007kN 风载水平A3 B3 C3 D3 E3
113 113 113 113 113
7震载
内蒙古地区抗震设防烈度为8度,设计基本地震加速度值为0.3g
地震影响系数曲线
α一地震影响系数;αmax一地震影响系数最大值;
η1一直线下降段的下降斜率调整系数;γ—衰减指数;
Tg一特征周期;η2—阻尼调整系数;T—结构自振周期
地震水平力F=a(T)G
a(T)——地震影响系数
βmax=2.25x0.35
裂度8级k=0.24
αmax=0.24x2.25x0.35=0.189
α(T)=1x1.1255²x0.189=0.23921
1.把Wsout的重量及前表1~9重量分配到二层计算,(参照瑞典菲达资料)一层为立柱顶面,另一层为立柱底面支撑面。
100%计50%计25%计
002顶面74227.4 002侧墙60577 30288 活载57210 见表1 见表1
顶部保温10684.4 侧墙保温13167 6583
005绝缘1500 山墙(进)16105 8053
006保温763 山墙(出)
箱见表2
013阴极563 壳体立柱38498 19249
吊挂内支撑29780 14890
016振打5210 见表1
017传动3701 012阴极
019阳极8304 框架8304 4152
吊挂020阳极
041油路1734 排171457 85728
042A屋顶14909 024振打
杆
10142 5071
042B屋
顶
15429 排
066吊车2600 板上积灰233100 126550 变压器10402 阳极传动24722 12361 披屋振打
梯子平台13869 6934
人孔门1985 992
总静载荷-灰斗=985495-148688=836807kg
分为两部分,一部分到顶面 574873
另一部分分配到立柱支撑面
836807-574873=261934kg
地震引起的顶面水平力
574873x0.24=137969.52kg
地震引起的支撑面水平力
261934x0.24=62864.16kg
灰载(灰斗+50%灰斗灰)地震引起的水平力
(148688+902880)x0.24=252376.32kg
每一灰斗(盛灰50%)地震引起的水平力
152376.32/16=15773.52kg
2.震载(⊥GAS)
2.1倾覆力
P=137969.52x17000/5180=452795.7kg
2.2垂直力
(B、C间有斜撑,刚性大)倾覆力矩产生的垂直作用在B、C行。
均布
固定支座C③,所以水平力作用在C行。
地震引起的顶面水平力,均布
137970/5=27594kg
地震引起的支撑面水平力,均布
62864/5=12573kg
每一灰斗(盛灰50%)地震引起的水平力
152376.32/16=15773.52kg
C①C⑤=27594+12573+15774x1=55941kg=560kN
3.1倾覆力矩
③列
P=137969.52x17000/(2x5700)=205745kg=2057kN
①、⑤列
P=137969.52x17000/(4x5700)=102872kg=1029kN 3.2垂直力
AE行有侧板,C行有支撑,刚性大,在ACE行均布①、⑤列=1029/3=343kN
③列=2057/3=686Kn
3.3水平力
固定支座C3),所以水平力作用在3)列。
在A③、C③、E③上均布。
地震引起的顶面水平力,均布
137970/3=45990kg
地震引起的支撑面水平力,均布
62864/3=20955kg
每一灰斗(盛灰50%)地震引起的水平力152376.32/16=15773.52kg
A③、E③=45990+20955+15774x1=82719=827kN C③= 45990+20955+15774x2=98493kg=985kN
B③/D③可考虑为C③的1/2
B③/D③=985/2=493kN。