混色油漆(X级)分项工程质量检验评定表
- 格式:doc
- 大小:54.50 KB
- 文档页数:1
单位工程名称:主井钢结构井架安装工程分项工程名称:主井井架制作分部工程名称:主井井架制作分项工程性质:主要表12-2注:分项工程性质是指该分项工程或一般分项工程年月日单位工程名称:主井钢结构井架安装工程分项工程名称:主井井架焊接分部工程名称:主井井架焊接分项工程性质:一般表12-3注:分项工程性质是指该分项工程或一般分项工程年月日单位工程名称:主井钢结构井架安装工程分项工程名称:主井井架组装分部工程名称:主井井架组装分项工程性质:主要表12-4注:分项工程性质是指该分项工程为主要分项工程或一般分项工程.年月分项工程质量检验评定表单位工程名称:主井钢结构井架安装工程分项工程名称:主井井架安装分部工程名称:主井井架安装分项工程性质:主要表12-5注:分项工程性质是指该分项工程或一般分项工程年月日分项工程质量检验评定表单位工程名称:主井钢结构井架安装工程分项工程名称:垫铁.基础螺栓及二次灌浆分部工程名称:主井井架安装分项工程性质:一般表6-1注:分项工程性质是指该分项工程为主要分项工程或一般分项工程.年月日分项工程质量检验评定表单位工程名称:主井钢结构井架安装工程分项工程名称:主井天轮安装分部工程名称:主井井架安装分项工程性质:一般表12-7注:分项工程性质是指该分项工程或一般分项工程年月日分项工程质量检验评定表单位工程名称:主井钢结构井架安装工程分项工程名称:试运转分部工程名称:主井井架安装分项工程性质:一般表12-8 注:分项工程性质是指该分项工程或一般分项工程年月日施工原始记录单位工程名称:主井钢结构井架安装工程分项工程名称:主井井架制作分部工程名称:主井井架制作分项工程性质:主要施工原始记录单位工程名称:主井钢结构井架安装工程分项工程名称:焊接分部工程名称:主井井架地焊接分项工程性质:一般施工原始记录单位工程名称:主井钢结构井架安装工程分项工程名称:主井井架斜架制作分部工程名称:主井井架斜架制作分项工程性质:主要施工原始记录单位工程名称:主井钢结构井架安装工程分项工程名称:焊接分部工程名称:主井井架斜架地焊接分项工程性质:一般施工原始记录单位工程名称:主井钢结构井架安装工程分项工程名称:井架躯体地组装分部工程名称:井架躯体地组装分项工程性质:主要施工原始记录单位工程名称:主井钢结构井架安装工程分项工程名称:焊接分部工程名称:主井井架躯体地焊接分项工程性质:一般施工原始记录单位工程名称:主井钢结构井架安装工程分项工程名称:井架躯体地组装分部工程名称:组装天轮平台分项工程性质:主要施工原始记录单位工程名称:主井钢结构井架安装工程分项工程名称:焊接分部工程名称:焊接天轮平台分项工程性质:一般施工原始记录单位工程名称:主井钢结构井架安装工程分项工程名称:主井井架躯体地组装分部工程名称:主井梯子地组装分项工程性质:主要施工原始记录单位工程名称:主井钢结构井架安装工程分项工程名称:焊接分部工程名称:梯子焊接分项工程性质:一般施工原始记录单位工程名称:主井钢结构井架安装工程分项工程名称:主井井架躯体地组装分部工程名称:主井井架躯体地焊接分项工程性质:主要施工原始记录单位工程名称:主井钢结构井架安装工程分项工程名称:主井井架躯体地组装分部工程名称:主井井架斜架地焊接分项工程性质:主要施工原始记录单位工程名称:主井钢结构井架安装工程分项工程名称:主井井架躯体地组装分部工程名称:主井井架地加固分项工程性质:主要施工原始记录单位工程名称:主井钢结构井架安装工程分项工程名称:主井井架安装分部工程名称:主井井架安装分项工程性质:主要施工原始记录单位工程名称:主井钢结构井架安装工程分项工程名称:垫铁.基础螺栓及二次灌浆分部工程名称:主井井架安装分项工程性质:一般施工原始记录单位工程名称:主井钢结构井架安装工程分项工程名称:主井天轮安装分部工程名称:主井天轮安装分项工程性质:一般施工原始记录单位工程名称:主井钢结构井架安装工程分项工程名称:试运转分部工程名称:试运转分项工程性质:一般。
油漆检验批质量验收记录表(可以直接使用,可编辑实用优秀文档,欢迎下载)
油漆检验批质量验收记录表
GB5 7-2002
040101□□□
04 1□□□
G2-33
井室施工检验批质量验收记录表
GB 50268-2021
2 主控项目的计数检验项先填写“检验批主控项目计数检验记录表”(G1-1-1);检验批一般项目计数检验数据较多时,可先填写“检验批一般项目计数检验记录表”(G1-1-2),然后将计数检验结果填写在本表相应的检查结果栏内。
将两表作为本表的附页。
土方开挖工程检验批质量验收记录表
土方回填工程检验批质量验收记录表
降水与排水工程检验批质量验收记录表
GB 5 2-2002
01 2
卷材防水层检验批质量验收记录表
防水混凝土检验批质量验收记录表
模板安装工程检验批质量验收记录表
010601□□
模板拆除工程检验批质量验收记录
010601□□
钢筋加工检验批质量验收记录表
010602□□
钢筋安装工程检验批质量验收记录表
010602□□
混凝土施工检验批质量验收记录表
010603□□
103□□
现浇结构外观及尺寸偏差检验批质量验收记录表
010603□□。
水性涂料涂饰工程检验批质量验收评定记录表格说明本表适用于乳液型涂料、无机涂料、水溶性涂料等水性涂料涂饰工程的质量验收评定。
主控项目:1.材料的品种、型号和性能:检查产品合格证书、性能检测报告和进场验收记录。
2.颜色和图案:观察检查。
3.涂饰综合质量:观察;手摸检查。
4.基层处理:观察;手摸检查;检查施工记录。
一般项目:检查数量:室外工程每100m2应至少检查一处,每处不得小于10m2。
室内工程每个检验批应至少抽查10%,并不得少于3间,不足3间时应全数检查。
1.薄涂料涂饰质量:①颜色:观察。
②泛碱、咬色:观察。
③流坠、疙瘩:观察。
④砂眼、刷纹:观察。
⑤装饰线、分色线直线度:拉5m线,不足5m拉通线,用钢直尺检查。
2.厚涂料涂饰质量:①颜色:观察。
②泛碱、咬色:观察。
③点状分布:观察。
3.复合涂料涂饰质量:①颜色:观察。
②泛碱、咬色:观察。
③喷点疏密程度:观察。
山西铝业监督站制溶剂型涂料涂饰工程检验批质量验收评定记录表格说明本表适用于丙烯酸酯涂料、聚氨酯丙烯酸涂料、有机硅丙烯酸涂料等溶剂型涂料涂饰工程的质量验收评定。
主控项目:1.材料的品种、型号和性能:检查产品合格证书、性能检测报告和进场验收记录。
2.颜色和图案:观察检查。
3.涂饰综合质量:观察;手摸检查。
4.基层处理:观察;手摸检查;检查施工记录。
一般项目:检查数量:室外工程每100m2应至少检查一处,每处不得小于10m2。
室内工程每个检验批应至少抽查10%,并不得少于3间,不足3间时应全数检查。
1.色漆的涂饰质量:①颜色:观察。
②光泽、光滑:观察;手摸检查。
③刷纹:观察。
④裹棱、流坠、皱皮:观察。
⑤装饰线、分色线直线度:拉5m线,不足5m拉通线,用钢直尺检查。
2.清漆的涂饰质量:①颜色:观察。
②木纹:观察。
③光泽、光滑:观察;手摸检查。
④刷纹:观察。
⑤裹棱、流坠、皱皮:观察。
山西铝业监督站制美术涂饰工程检验批质量验收评定记录表格说明本表适用于套色涂饰、滚花涂饰、仿花纹涂饰等室内外美术涂饰工程的质量验收评定。
涂料工程质量样板验收表格
项目信息
- 项目名称:
- 施工单位:
- 监理单位:
- 施工日期:
- 验收日期:
施工工艺
1. 基层处理:
- 检验基层处理是否符合规范要求;
- 基层处理是否平整、牢固、无油污、无附着物等。
2. 涂装工艺:
- 检验底漆涂布量是否均匀、无虚浮、滴落等问题;- 检验面漆涂布量是否均匀、颜色是否一致;
- 检验涂层平整度、附件贴合度等。
质量要求
1. 底漆:
- 检验底漆干燥时间是否符合要求;
- 检验底漆涂层厚度是否符合规范。
2. 面漆:
- 检验面漆干燥时间是否符合要求;
- 检验面漆涂层厚度是否符合规范。
3. 颜色:
- 检验涂料颜色是否符合要求;
- 检验涂料颜色是否均匀。
4. 其他:
- 检验涂层表面是否光滑、无脱落、无起泡等问题;
- 检验涂层与其他构件的贴合度是否符合要求;
- 检验涂层是否有明显的色差、斑点等问题。
结论
根据以上检测结果,结合相关规范和要求,对涂料工程质量进行评定:
- 合格
- 不合格
备注
提供其他需要补充说明的信息。
刷漆检验批质量验收记录表项目名称:___________________项目编号:___________________验收日期:___________________质量验收单位:___________________施工单位:___________________检验批刷漆施工部位:___________________一、刷漆材料验收情况名称(品牌/型号)数量检验合格(是/否)温度/湿度要求存放位置负责人备注漆料涂料稀释剂刷子油漆桶其他(请注明)备注:二、刷漆施工条件验收情况施工环境温度要求:______________℃实际施工温度:______________℃验收合格(是/否):施工环境湿度要求:______________% 实际施工湿度:______________% 验收合格(是/否):三、刷漆工艺验收情况1.刷漆底材处理验收情况:底材处理方法:_________________ 验收合格(是/否):底材处理前状况:_________________ 底材处理后状况:_________________2.刷漆底漆/防腐底漆验收情况:涂刷次数:____________ 合格膜厚:______________mm 验收合格(是/否):3.刷漆中漆验收情况:涂刷次数:____________ 合格膜厚:______________mm 验收合格(是/否):4.刷漆面漆验收情况:涂刷次数:____________ 合格膜厚:______________mm 验收合格(是/否):5.刷漆涂层表面质量验收情况:涂层平整度:________________ 涂层附着力:________________ 涂层表面有无流挂、脱落、气泡、麻点等缺陷:_______________________四、其他问题及处理情况问题描述处理情况验收合格(是/否)五、质量验收意见经过对以上刷漆验收情况的检查,本次刷漆质量验收结果为(请在相应方框内打“√”符号):□合格□不合格六、质量验收人员签字质量验收单位(盖章):___________________ 日期:___________________。
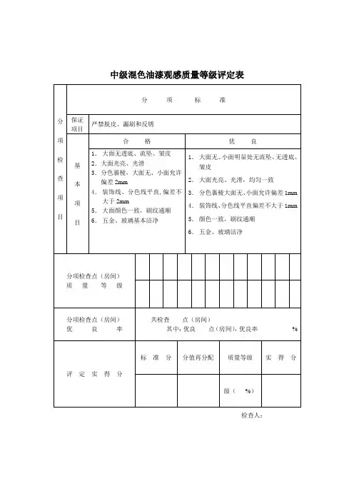
中级混色油漆观感质量等级评定表
检查人:
中级混色油漆观感质量等级评定表使用说明
(1)适用范围。
本表用于中级混色油漆工程观感项目检查。
(2)检验方法。
1)保证项目:观察、手摸检查。
2)基本项目:观察、手摸或尺量检查。
(3)检查数量。
按抽查的房间多少定间数,室外按油漆面积抽查10%;室内按有代表性的自然间抽查10%,过道按10延长米,礼堂、厂房等大间按两轴线为1间,但不少于3间。
(4)空格填写。
1)分项检查点(房间)质量等级:列24个空格,按表列分项工程(或其子项)质量标准,确定每个检查点(房间)的质量等级,合格用“○”,优良用“√”,不合格且不能返工重做的用“×”表示。
实际检查点(房间)超过24格时,每空格可一分为二,增为48格。
2)分项检查点(房间)优良率:填写实际检查总点(房间)数及其中优良点(房间)数,并计算优良率。
3)评定实得分:标准分或再分配的分值如实填写,根据上项优良率确定质量等级,并同时将其百分率填在其后括号内。
按标准分或再分配分值与质量等级百分率的乘积确定实得分。
清色油漆(级)分项工程质量检验评定表工程名称:部位:
年月日
使用说明(使用时删除):
1、该表格主要用途包含不局限于学校、公司企业、事业单位、政府机构,主要针对对象为白领、学生、教师、律师、公务员、医生、工厂办公人员、单位行政人员等。
2、表格应当根据时机用途及需要进行适当的调整,该表格作为使用模板参考使用。
3、表格的行列、文字叙述、表头、表尾均应当根据实际情况进行修改。
《合同条件》是根据《中华人民共和国合同法》,对双方权利义务作出的约定,除双方协商同意对其中的某些条款作出修改、补充或取消外,都必须严格履行。
《协议条款》是按《合同条件》的顺序拟定的,主要是为《合同条件》的修改、补充提供一个协议的格式。
双方针对工实际情况,把对《合同条件》的修改、补充和对某
些条款不予采用的一致意见按《协议条款》的格式形成协议。
《合同条件》和《协议条款》是双方统一意愿的体现,成为合同文件的组成部分。