51单片机AD0809电路设计程序+原理图
- 格式:doc
- 大小:821.00 KB
- 文档页数:9
ADC0809是一种CMOS单片型逐次比较式8路模拟输入、8位数字量输出的A/D转换器。
在多点巡回检测和过程控制、运动控制中应用十分广泛。
1.主要特性如下:1)8路8位A/D转换器,即分辨率8位。
2)具有转换起停控制端。
3)转换时间为100μs4)单个+5V电源供电5)模拟输入电压范围0~+5V,不需零点和满刻度校准。
6)工作温度范围为-40~+85摄氏度7)低功耗,约15mW。
2.外部特性(引脚功能)ADC0809芯片有28条引脚,采用双列直插式封装。
下面说明各引脚功能IN0~IN7:8路模拟量输入端。
2-1~2-8:8位数字量输出端。
ADDA、ADDB、ADDC:3位地址输入线,用于选通8路模拟输入中的一路。
ALE:地址锁存允许信号,输入,高电平有效。
START:A/D转换启动信号,输入,高电平有效。
EOC:A/D转换结束信号,输出,当A/D转换结束时,此端输出一个高电平(转换期间一直为低电平)。
OE:数据输出允许信号,输入,高电平有效。
当A/D转换结束时,此端输入一个高电平,才能打开输出三态门,输出数字量。
CLK:时钟脉冲输入端。
要求时钟频率不高于640KHZ。
REF(+)、REF(-):基准电压。
VCC:电源,单一+5V。
GND:地。
ADC0809的工作过程是:首先输入3位地址,并使ALE=1,将地址存入地址锁存器中。
此地址经译码选通8路模拟输入之一到比较器。
START上升沿将逐次逼近寄存器复位。
下降沿启动A/D转换,之后EOC输出信号变低,指示转换正在进行。
直到A/D转换完成,EOC变为高电平,指示A/D转换结束,结果数据已存入锁存器,这个信号可用作中断申请。
当OE输入高电平时,输出三态门打开,转换结果的数字量输出到数据总线上。
单片机与ADC0809的接口电路图。
ADC0809与51单片机接口电路及应用程序最近研究了下ADC0809这个芯片,做了个电路,和大家分享电路原理图如下:500)this.width=500;" border=0>说明:D0~D7接51单片机的P2口(P2.0~P2.7)ADIN1和ADIN2为通道IN0和IN1的电压模拟量输入(0~5V)应用程序如下:#include"reg52.h"#define uchar unsigned charsbit ST=P1^0;sbit EOC=P1^1;sbit OE=P1^2;sbit CLK=P1^3;sbit ADDCS=P1^4;uchar AD_DATA[2]; //保存IN0和IN1经AD转换后的数据/**********延时函数************/void delay(uchar i){uchar j;while(i--){for(j=125;j>0;j--);}}/*********系统初始化***********/void init(){EA = 1; //开总中断TMOD = 0x02; //设定定时器T0工作方式 TH0=216; //利用T0中断产生CLK信号 TL0=216;TR0=1; //启动定时器T0ET0=1;ST=0;OE=0;}/***********T0中断服务程序************/void t0(void) interrupt 1 using 0{CLK=~CLK;}/***********AD转换函数**********/void AD(){ST=0;ADDCS=0; //选择通道IN0delay(10);ST=1; //启动AD转换delay(10);ST=0;while(0==EOC);OE=1;AD_DATA[0]=P2;OE=0;ST=0;ADDCS=1; //选择通道IN1 delay(10);ST=1; //启动AD转换delay(10);ST=0;while(0==EOC);OE=1;AD_DATA[1]=P2;OE=0;}/*****************主函数**************/。
AD0809在51单片机中的应用我们在做一个单片机系统时,常常会遇到这样那样的数据采集,在这些被采集的数据中,大部分可以通过我们的I/O口扩展接口电路直接得到,由于51单片机大部分不带AD转换器,所以模拟量的采集就必须靠A/D或V/F实现。
下现我们就来了解一下AD0809与51单片机的接口及其程序设计。
1、AD0809的逻辑结构ADC0809是8位逐次逼近型A/D转换器。
它由一个8路模拟开关、一个地址锁存译码器、一个A/D转换器和一个三态输出锁存器组成(见图1)。
多路开关可选通8个模拟通道,允许8路模拟量分时输入,共用A/D转换器进行转换。
三态输出锁器用于锁存A/D转换完的数字量,当OE端为高电平时,才可以从三态输出锁存器取走转换完的数据。
2、AD0809的工作原理IN0-IN7:8条模拟量输入通道ADC0809对输入模拟量要求:信号单极性,电压范围是0-5V,若信号太小,必须进行放大;输入的模拟量在转换过程中应该保持不变,如若模拟量变化太快,则需在输入前增加采样保持电路。
地址输入和控制线:4条ALE为地址锁存允许输入线,高电平有效。
当ALE线为高电平时,地址锁存与译码器将A, B,C三条地址线的地址信号进行锁存,经译码后被选中的通道的模拟量进转换器进行转换。
A,B和C为地址输入线,用于选通IN0-IN7上的一路模拟量输入。
通道选择表如下表所示。
C B A 选择的通道0 0 0 IN00 0 1 IN10 1 0 IN20 1 1 IN31 0 0 IN41 0 1 IN51 1 0 IN61 1 1 IN7数字量输出及控制线:11条ST为转换启动信号。
当ST上跳沿时,所有内部寄存器清零;下跳沿时,开始进行A/D转换;在转换期间,ST应保持低电平。
EOC为转换结束信号。
当EOC为高电平时,表明转换结束;否则,表明正在进行A/D转换。
OE为输出允许信号,用于控制三条输出锁存器向单片机输出转换得到的数据。
AD0809在51单片机中的应用我们在做一个单片机系统时,常常会遇到这样那样的数据采集,在这些被采集的数据中,大部分可以通过我们的I/O口扩展接口电路直接得到,由于51单片机大部分不带AD转换器,所以模拟量的采集就必须靠A/D或V/F实现。
下现我们就来了解一下AD0809与51单片机的接口及其程序设计。
1、AD0809的逻辑结构ADC0809是8位逐次逼近型A/D转换器。
它由一个8路模拟开关、一个地址锁存译码器、一个A/D转换器和一个三态输出锁存器组成(见图1)。
多路开关可选通8个模拟通道,允许8路模拟量分时输入,共用A/D转换器进行转换。
三态输出锁器用于锁存A/D转换完的数字量,当OE端为高电平时,才可以从三态输出锁存器取走转换完的数据。
2、AD0809的工作原理IN0-IN7:8条模拟量输入通道ADC0809对输入模拟量要求:信号单极性,电压范围是0-5V,若信号太小,必须进行放大;输入的模拟量在转换过程中应该保持不变,如若模拟量变化太快,则需在输入前增加采样保持电路。
地址输入和控制线:4条ALE为地址锁存允许输入线,高电平有效。
当ALE线为高电平时,地址锁存与译码器将A, B,C三条地址线的地址信号进行锁存,经译码后被选中的通道的模拟量进转换器进行转换。
A,B和C为地址输入线,用于选通IN0-IN7上的一路模拟量输入。
通道选择表如下表所示。
C B A 选择的通道0 0 0 IN00 0 1 IN10 1 0 IN20 1 1 IN31 0 0 IN41 0 1 IN51 1 0 IN61 1 1 IN7数字量输出及控制线:11条ST为转换启动信号。
当ST上跳沿时,所有内部寄存器清零;下跳沿时,开始进行A/D转换;在转换期间,ST应保持低电平。
EOC为转换结束信号。
当EOC为高电平时,表明转换结束;否则,表明正在进行A/D转换。
OE为输出允许信号,用于控制三条输出锁存器向单片机输出转换得到的数据。
AD0809在51单片机中的应用我们在做一个单片机系统时,常常会遇到这样那样的数据采集,在这些被采集的数据中,大部分可以通过我们的I/O口扩展接口电路直接得到,由于51单片机大部分不带AD转换器,所以模拟量的采集就必须靠A/D或V/F实现。
下现我们就来了解一下AD0809与51单片机的接口及其程序设计。
1、AD0809的逻辑结构ADC0809是8位逐次逼近型A/D转换器。
它由一个8路模拟开关、一个地址锁存译码器、一个A/D转换器和一个三态输出锁存器组成(见图1)。
多路开关可选通8个模拟通道,允许8路模拟量分时输入,共用A/D转换器进行转换。
三态输出锁器用于锁存A/D转换完的数字量,当OE端为高电平时,才可以从三态输出锁存器取走转换完的数据。
2、AD0809的工作原理IN0-IN7:8条模拟量输入通道ADC0809对输入模拟量要求:信号单极性,电压范围是0-5V,若信号太小,必须进行放大;输入的模拟量在转换过程中应该保持不变,如若模拟量变化太快,则需在输入前增加采样保持电路。
地址输入和控制线:4条ALE为地址锁存允许输入线,高电平有效。
当ALE线为高电平时,地址锁存与译码器将A, B,C三条地址线的地址信号进行锁存,经译码后被选中的通道的模拟量进转换器进行转换。
A,B和C为地址输入线,用于选通IN0-IN7上的一路模拟量输入。
通道选择表如下表所示。
C B A 选择的通道0 0 0 IN00 0 1 IN10 1 0 IN20 1 1 IN31 0 0 IN41 0 1 IN51 1 0 IN61 1 1 IN7数字量输出及控制线:11条ST为转换启动信号。
当ST上跳沿时,所有内部寄存器清零;下跳沿时,开始进行A/D转换;在转换期间,ST应保持低电平。
EOC为转换结束信号。
当EOC为高电平时,表明转换结束;否则,表明正在进行A/D转换。
OE为输出允许信号,用于控制三条输出锁存器向单片机输出转换得到的数据。
adc0809中文资料以及与51接口功能电路程序adc0809芯片管脚功能介绍如下图,两种形式的封装均有:ADC0809是CMOS单片型逐次逼近式A/D转换器,它由8路模拟开关、地址锁存与译码器、比较器、8位开关树型D/A转换器、逐次逼近寄存器、三态输出锁存器等其它一些电路组成。
因此,ADC0809可处理8路模拟量输入,且有三态输出能力,既可与各种微处理器相连,也可单独工作。
输入输出与TTL兼容。
ADC0809A/D转换芯片引脚功能ADC0809芯片有28条引脚,采用双列直插式封装IN0~IN7:8路模拟量输入端。
2-1~2-8:8位数字量输出端。
ADDA、ADDB、ADDC:3位地址输入线,用于选通8路模拟输入中的一路.ALE:地址锁存允许信号,输入,高电平有效。
START:A/D转换启动信号,输入,高电平有效。
EOC:A/D转换结束信号,输出,当A/D转换结束时,此端输出一个高电平(转换期间一直为低电平)。
OE:数据输出允许信号,输入,高电平有效。
当A/D转换结束时,此端输入一个高电平,才能打开输出三态门,输出数字量。
CLK:时钟脉冲输入端。
要求时钟频率不高于640KHZ。
REF(+)、REF(-):基准电压。
Vcc:电源,单一+5V。
GND:地。
ALE为地址锁存允许输入线,高电平有效。
当ALE线为高电平时,地址锁存与译码器将A,B,C三条地址线的地址信号进行锁存,经译码后被选中的通道的模拟量进转换器进行转换。
A,B和C为地址输入线,用于选通IN0-IN7上的一路模拟量输入。
通道选择表如下表所示。
注意:ADC0809应用说明(3)送要转换的哪一通道的地址到A,B,C端口上。
(4)在ST端给出一个至少有100ns宽的正脉冲信号。
(5)是否转换完毕,我们根据EOC信号来判断。
(6)当EOC变为高电平时,这时给OE为高电平,转换的数据就输出给单片机了。
下面介绍一个ADC0808和单片机接口的c51程序08与09最大的区别在于输出端与单片机的连接上,为了便于仿真,选择了0808.仿真图:注:clock的频率为500khz源代码:/*精度5v/256=0.0195=0.02*/#include <regx51.h>#include <intrins.h>#define adda P3_4#define addb P3_5#define addc P3_6#define uint unsigned int#define uchar unsigned char#define TIMER0_COUNT 0XF05F//4MS中断一次sbit ST = 0xb2; //sbit:绝对定址的位元(bit)变数sbit OE = 0xb0; //sbit前不可加staticsbit EOC = 0xb1;uchar code led_7seg[10] = {0x3F,0x06,0x5B,0x4F,0x66,0x6D,0x7D,0x07,0x 7F,0x6F};uchar code position[3] = {0xfd,0xfb,0xf7};uchar dis_buff[3];uint ad_data;uint voltage;/*数码管显示函数*/void display(void){static char posit = 0;P2 = 0XFF; //全灭,避免重影/P0 = led_7seg[dis_buff[posit]];if (posit == 0){P0_7 = 1;}else{P0_7 = 0;}P2 = position[posit];if (++posit >= 3){posit = 0;}}/*timer0 4ms中断服务函数*/static void timer0_isr(void) interrupt TF0_VECTOR using 1 //4ms中断一次{TR0 = 0;TL0 = (TIMER0_COUNT & 0X00FF); //低八位的值赋给TL0TH0 = (TIMER0_COUNT >> 8); //高八位的值赋给TH0 TL0,TH0都只有八位TR0 = 1;display();}/*timer0 初始化函数*/static void timer0_initialize(void){EA = 0;TR0 = 0;TMOD &= 0XF0;TMOD |= 0X01;TL0 = (TIMER0_COUNT & 0X00FF);TH0 = (TIMER0_COUNT >> 8);PT0 = 1;ET0 = 1;TR0 = 1;EA = 1;}/*电压计算函数*/void data2voltage(){voltage = ad_data*2; //OutData*0.02*100;256 dis_buff[0] = voltage/100;dis_buff[1] = voltage%100/10;dis_buff[2] = voltage%10;}void main(void){ //0口作为模拟输入口adda = 0;addb = 0;addc = 0;timer0_initialize();while(1){OE = 0;ST = 0;ST = 1;_nop_();//保证足够的上升沿ST = 0;while(!EOC); //wait convOE = 1;ad_data = P1;OE = 0;data2voltage();}}仿真结果:。
单片机与ADC0809接口电路一、ADC0809主要信号引脚的功能说明1.IN7~IN0——模拟量输入通道2. ALE——地址锁存允许信号。
对应ALE上跳沿,A、B、C地址状态送入地址锁存器中。
3. START——转换启动信号。
START上升沿时,复位ADC0809;START下降沿时启动芯片,开始进行A/D转换;在A/D转换期间,START应保持低电平。
本信号有时简写为ST.4. A、B、C——地址线。
通道端口选择线,A为低地址,C为高地址5. CLK——时钟信号。
ADC0809的内部没有时钟电路,所需时钟信号由外界提供,因此有时钟信号引脚。
使用频率为10KHz~1280KHz的时钟信号6. EOC——转换结束信号。
EOC=0,正在进行转换;EOC=1,转换结束。
使用中该状态信号即可作为查询的状态标志,又可作为中断请求信号使用。
7. D7~D0——数据输出线。
为三态缓冲输出形式,可以和单片机的数据线直接相连。
D0为最低位,D7为最高8.OE——输出允许信号。
用于控制三态输出锁存器向单片机输出转换得到的数据。
OE=0,输出数据线呈高阻;OE=1,输出转换得到的数据。
9.Vcc—— +5V电源。
Vref——参考电源参考电压用来与输入的模拟信号进行比较,作为逐次逼近的基准。
其典型值为+5V(Vref(+)=+5V, Vref(-)=0V).二、原理图三、电路连接说明及工作过程AT89c51单片机的P1口用作数据复用总线与ADC0809的数据输出端相连(原理图未画出)。
单片机的低3位(P0.0~P0.2)数据线(选通abc)用于选择8路模拟量输入。
ADC0809的时钟信号CLK由单片机的ALE信号提供,由于单片机内部晶振频率为11.0592MHz,即单片机的ALE输出为1/6f osc=1.8432MHz,经四分频器得到输入到0809CLKk端的信号频率为460.8KHz,满足工作要求。
转换的启动信号START和8路模拟输入开关的地址锁存允许信号ALE由单片机的写信号WR(P3.6)及地址译码输出信号逻辑提供。
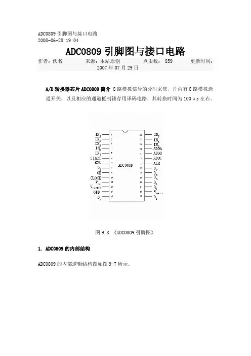
ADC0809引脚图与接口电路 2008-06-28 19:04ADC0809引脚图与接口电路作者:佚名 来源:本站原创 点击数: 859 更新时间:2007年07月29日A/D 转换器芯片ADC0809简介 8路模拟信号的分时采集,片内有8路模拟选通开关,以及相应的通道抵制锁存用译码电路,其转换时间为100μs 左右。
图9.8 《ADC0809引脚图》1. ADC0809的内部结构ADC0809的内部逻辑结构图如图9-7所示。
图9.7 《ADC0809内部逻辑结构》图中多路开关可选通8个模拟通道,允许8路模拟量分时输入,共用一个A/D转换器进行转换,这是一种经济的多路数据采集方法。
地址锁存与译码电路完成对A、B、C 3个地址位进行锁存和译码,其译码输出用于通道选择,其转换结果通过三态输出锁存器存放、输出,因此可以直接与系统数据总线相连,表9-1为通道选择表。
表9-1 通道选择表2.信号引脚ADC0809芯片为28引脚为双列直插式封装,其引脚排列见图9.8。
对ADC0809主要信号引脚的功能说明如下:IN7~IN——模拟量输入通道ALE——地址锁存允许信号。
对应ALE上跳沿,A、B、C地址状态送入地址锁存器中。
START——转换启动信号。
START上升沿时,复位ADC0809;START下降沿时启动芯片,开始进行A/D转换;在A/D转换期间,START应保持低电平。
本信号有时简写为ST.A、B、C——地址线。
通道端口选择线,A为低地址,C为高地址,引脚图中为ADDA,ADDB和ADDC。
其地址状态与通道对应关系见表9-1。
CLK——时钟信号。
ADC0809的内部没有时钟电路,所需时钟信号由外界提供,因此有时钟信号引脚。
通常使用频率为500KHz的时钟信号EOC——转换结束信号。
EOC=0,正在进行转换;EOC=1,转换结束。
使用中该状态信号即可作为查询的状态标志,又可作为中断请求信号使用。
D 7~D——数据输出线。
利用51单片机与ADC0809和数码管设计数字电压表一、课题功能描述:利用单片机AT89C51 芯片与ADC0809 芯片设计一个数字电压表,能够测量0―5V 之间的直流电压,三位数码显示。
二、程序设计本实验采用AT89C51 单片机芯片配合 ADC0809 模/数转换芯片构成一个简易的数字电压表,原理电路如图1-1 所示。
该电路通过 ADC0809 芯片采样输入口AI0 输入的0~5V 的模拟量电压,经过模/数转换后,产生相应的数字量经过其输出通道D0~D7 传送给 AT89C51 芯片的F0口。
AT89C51负责把接收到的数字量经过数据处理,产生正确的7段数码管的显示段码,并通过P1 口传送给数码管。
同时它还通过其三位 I/O 口 P3.0、P3.1、P3.2 产生位片选信号,控制数码管的亮灭。
另外,AT89C51 还控制着 ADC0809 的工作。
其ALE管脚为 ADC0809提供了 1MHZ 工作的时钟脉冲;P2.3 控制 ADC0809 的地址锁存端(ALE); P2.4 控制 ADC0809 的启动端(START); P2.5 控制 ADC0809 的输出允许端(OE); P3.7 控制 ADC0809 的转换结束信号(EOC)。
电路原理图如下:三、器件清单:1 . AT89S51 芯片 1块2 . ADC0809 芯片 1块3 . 74HC245 芯片 1块4 . 数码管 1个5 . 6MHZ 晶振 1个6 . 30pF 电容 2个7 . 10uF 电解电容 1个8 . 复位电容 1个9 . 510Ω电阻 8个10. 10KΩ电阻 1个11. 导线若干四、程序设计1、主程序设计由于ADC0809 在进行A/D转换时需要有CKL 信号,而此时的 ADC0809 的CLK 是连接在 AT89C51 单片机的30管脚,也就是要求从30管脚输出CLK 信号供图1-2主程序流程图ADC0809 使用。
adc0809引脚图及功能详解,adc0809与51单片机连接电路分析adc0809是采样频率为8位的、以逐次逼近原理进行模数转换的器件。
其内部有一个8通道多路开关,它可以根据地址码锁存译码后的信号,只选通8路模拟输入信号中的一个进行A/D转换。
1.主要特性1)8路8位A/D转换器,即分辨率8位。
2)具有转换起停控制端。
3)转换时间为100s4)单个+5V电源供电5)模拟输入电压范围0~+5V,不需零点和满刻度校准。
6)工作温度范围为-40~+85摄氏度7)低功耗,约15mW。
2.内部结构adc0809是CMOS单片型逐次逼近式A/D转换器,内部结构如图所示,它由8路模拟开关、地址锁存与译码器、比较器、8位开关树型D/A转换器、逐次逼近组成。
adc0809的内部逻辑结构图如图9-7所示。
图中多路开关可选通8个模拟通道,允许8路模拟量分时输入,共用一个A/D转换器进行转换,这是一种经济的多路数据采集方法。
地址锁存与译码电路完成对A、B、C 3个地址位进行锁存和译码,其译码输出用于通道选择,其转换结果通过三态输出锁存器存放、输出,因此可以直接与系统数据总线相连,表9-1为通道选择表。
adc0809引脚图及功能3.外部特性(引脚功能)adc0809芯片有28条引脚,采用双列直插式封装,如图13.23所示。
下面说明各引脚功能。
IN0~IN7:8路模拟量输入端。
2-1~2-8:8位数字量输出端。
ADDA、ADDB、ADDC:3位地址输入线,用于选通8路模拟输入中的一路ALE:地址锁存允许信号,输入,高电平有效。
START:A/D转换启动脉冲输入端,输入一个正脉冲(至少100ns宽)使其启动(脉冲上升沿使0809复位,下降沿启动A/D转换)。
EOC:A/D转换结束信号,输出,当A/D转换结束时,此端输出一个高电平(转换期间一直为低电平)。
OE:数据输出允许信号,输入,高电平有效。
当A/D转换结束时,此端输入一个高电平,才能打开输出三态门,输出数字量。
AD0809的工作原理1. AD0809的芯片说明:ADC0809是带有8位A/D转换器、8路多路开关以及微处理机兼容的控制逻辑的CMOS组件。
它是逐次逼近式A/D转换器,可以和单片机直接接口。
(1)ADC0809的内部逻辑结构由上图可知,ADC0809由一个8路模拟开关、一个地址锁存与译码器、一个A/D转换器和一个三态输出锁存器组成。
多路开关可选通8个模拟通道,允许8路模拟量分时输入,共用A/D转换器进行转换。
三态输出锁器用于锁存A/D转换完的数字量,当OE端为高电平时,才可以从三态输出锁存器取走转换完的数据.(2).引脚结构IN0-IN7:8条模拟量输入通道ADC0809对输入模拟量要求:信号单极性,电压范围是0-5V,若信号太小,必须进行放大;输入的模拟量在转换过程中应该保持不变,如若模拟量变化太快,则需在输入前增加采样保持电路。
地址输入和控制线:4条ALE为地址锁存允许输入线,高电平有效。
当ALE线为高电平时,地址锁存与译码器将A,B,C三条地址线的地址信号进行锁存,经译码后被选中的通道的模拟量进转换器进行转换。
A,B和C为地址输入线,用于选通IN0-IN7上的一路模拟量输入。
通道选择表如下表所示。
C B A 选择的通道000IN0数字量输出及控制线:11条ST为转换启动信号。
当ST上跳沿时,所有内部寄存器清零;下跳沿时,开始进行A/D转换;在转换期间,ST应保持低电平。
EOC为转换结束信号。
当EOC为高电平时,表明转换结束;否则,表明正在进行A/ D转换。
OE为输出允许信号,用于控制三条输出锁存器向单片机输出转换得到的数据.OE=1,输出转换得到的数据;OE=0,输出数据线呈高阻状态。
D7-D0为数字量输出线。
CLK为时钟输入信号线.因ADC0809的内部没有时钟电路,所需时钟信号必须由外界提供,通常使用频率为500KHZ,VREF(+),VREF(-)为参考电压输入。
2.ADC0809应用说明(1).ADC0809内部带有输出锁存器,可以与AT89S51单片机直接相连。
adc0809引脚图及功能详解,adc0809与51单片机连接电路分析adc0809是采样频率为8位的、以逐次逼近原理进行模数转换的器件。
其内部有一个8通道多路开关,它可以根据地址码锁存译码后的信号,只选通8路模拟输入信号中的一个进行A/D转换。
1.主要特性1)8路8位A/D转换器,即分辨率8位。
2)具有转换起停控制端。
3)转换时间为100s4)单个+5V电源供电5)模拟输入电压范围0~+5V,不需零点和满刻度校准。
6)工作温度范围为-40~+85摄氏度7)低功耗,约15mW。
2.内部结构adc0809是CMOS单片型逐次逼近式A/D转换器,内部结构如图所示,它由8路模拟开关、地址锁存与译码器、比较器、8位开关树型D/A转换器、逐次逼近组成。
adc0809的内部逻辑结构图如图9-7所示。
图中多路开关可选通8个模拟通道,允许8路模拟量分时输入,共用一个A/D转换器进行转换,这是一种经济的多路数据采集方法。
地址锁存与译码电路完成对A、B、C 3个地址位进行锁存和译码,其译码输出用于通道选择,其转换结果通过三态输出锁存器存放、输出,因此可以直接与系统数据总线相连,表9-1为通道选择表。
adc0809引脚图及功能3.外部特性(引脚功能)adc0809芯片有28条引脚,采用双列直插式封装,如图13.23所示。
下面说明各引脚功能。
IN0~IN7:8路模拟量输入端。
2-1~2-8:8位数字量输出端。
ADDA、ADDB、ADDC:3位地址输入线,用于选通8路模拟输入中的一路ALE:地址锁存允许信号,输入,高电平有效。
START:A/D转换启动脉冲输入端,输入一个正脉冲(至少100ns宽)使其启动(脉冲上升沿使0809复位,下降沿启动A/D转换)。
EOC:A/D转换结束信号,输出,当A/D转换结束时,此端输出一个高电平(转换期间一直为低电平)。
OE:数据输出允许信号,输入,高电平有效。
当A/D转换结束时,此端输入一个高电平,才能打开输出三态门,输出数字量。
AD0809在51单片机中的应用我们在做一个单片机系统时,常常会遇到这样那样的数据采集,在这些被采集的数据中,大部分可以通过我们的I/O口扩展接口电路直接得到,由于51单片机大部分不带AD转换器,所以模拟量的采集就必须靠A/D或V/F实现。
下现我们就来了解一下AD0809与51单片机的接口及其程序设计。
1、AD0809的逻辑结构ADC0809是8位逐次逼近型A/D转换器。
它由一个8路模拟开关、一个地址锁存译码器、一个A/D转换器和一个三态输出锁存器组成(见图1)。
多路开关可选通8个模拟通道,允许8路模拟量分时输入,共用A/D转换器进行转换。
三态输出锁器用于锁存A/D转换完的数字量,当OE端为高电平时,才可以从三态输出锁存器取走转换完的数据。
2、AD0809的工作原理IN0-IN7:8条模拟量输入通道ADC0809对输入模拟量要求:信号单极性,电压范围是0-5V,若信号太小,必须进行放大;输入的模拟量在转换过程中应该保持不变,如若模拟量变化太快,则需在输入前增加采样保持电路。
地址输入和控制线:4条ALE为地址锁存允许输入线,高电平有效。
当ALE线为高电平时,地址锁存与译码器将A, B,C三条地址线的地址信号进行锁存,经译码后被选中的通道的模拟量进转换器进行转换。
A,B和C为地址输入线,用于选通IN0-IN7上的一路模拟量输入。
通道选择表如下表所示。
C B A 选择的通道0 0 0 IN00 0 1 IN10 1 0 IN20 1 1 IN31 0 0 IN41 0 1 IN51 1 0 IN61 1 1 IN7数字量输出及控制线:11条ST为转换启动信号。
当ST上跳沿时,所有内部寄存器清零;下跳沿时,开始进行A/D转换;在转换期间,ST应保持低电平。
EOC为转换结束信号。
当EOC为高电平时,表明转换结束;否则,表明正在进行A/D转换。
OE为输出允许信号,用于控制三条输出锁存器向单片机输出转换得到的数据。
说明:D0~D7接51单片机的P2口(P2.0~P2.7)ADIN1和ADIN2为通道IN0和IN1的电压模拟量输入(0~5V)应用程序如下:#include"reg52.h"#define uchar unsigned charsbit ST=P1^0;sbit EOC=P1^1;sbit OE=P1^2;sbit CLK=P1^3;sbit ADDCS=P1^4;uchar AD_DATA[2]; //保存IN0和IN1经AD转换后的数据/**********延时函数************/void delay(uchar i){uchar j;while(i--){for(j=125;j>0;j--);}}/*********系统初始化***********/void init(){EA = 1; //开总中断TMOD = 0x02; //设定定时器T0工作方式TH0=216; //利用T0中断产生CLK信号TL0=216;TR0=1; //启动定时器T0ET0=1;ST=0;OE=0;}/***********T0中断服务程序************/ void t0(void) interrupt 1 using 0{CLK=~CLK;}/***********AD转换函数**********/void AD(){ST=0;ADDCS=0; //选择通道IN0delay(10);ST=1; //启动AD转换delay(10);ST=0;while(0==EOC);OE=1;AD_DATA[0]=P2;OE=0;ST=0;ADDCS=1; //选择通道IN1 delay(10);ST=1; //启动AD转换delay(10);ST=0;while(0==EOC) ;OE=1;AD_DATA[1]=P2;OE=0;}/*****************主函数**************/void main(){init();while(1){AD();}}注:由于ADC0809内部不带时钟电路,因此用51单片机的定时器T0来产生时钟信号。
AD0809在51单片机中的应用
我们在做一个单片机系统时,常常会遇到这样那样的数据采集,在这些被采集的数据中,大部分可以通过我们的I/O口扩展接口电路直接得到,由于51单片机大部分不带AD转换器,所以模拟量的采集就必须靠A/D或V/F实现。
下现我们就来了解一下AD0809与51单片机的接口及其程序设计。
1、AD0809的逻辑结构
ADC0809是8位逐次逼近型A/D转换器。
它由一个8路模拟开关、一个地址锁存译码器、一个A/D转换器和一个三态输出锁存器组成(见图1)。
多路开关可选通8个模拟通道,允许8路模拟量分时输入,共用A/D转换器进行转换。
三态输出锁器用于锁存A/D转换完的数字量,当OE端为高电平时,才可以从三态输出锁存器取走转换完的数据。
2、AD0809的工作原理
IN0-IN7:8条模拟量输入通道
ADC0809对输入模拟量要求:信号单极性,电压范围是0
-5V,若信号太小,必须进行放大;输入的模拟量在转换
过程中应该保持不变,如若模拟量变化太快,则需在输入
前增加采样保持电路。
地址输入和控制线:4条
ALE为地址锁存允许输入线,高电平有效。
当ALE线为高电平时,地址锁存与译码器将A, B,C三条地址线的地址信号进行锁存,经译码后被选中的通道的模拟量进转换器进行转换。
A,B和C为地址输入线,用于选通IN0-IN7上的一路模拟量输入。
通道选择表如下表所示。
C B A 选择的通道
0 0 0 IN0
0 0 1 IN1
0 1 0 IN2
0 1 1 IN3
1 0 0 IN4
1 0 1 IN5
1 1 0 IN6
1 1 1 IN7
数字量输出及控制线:11条
ST为转换启动信号。
当ST上跳沿时,所有内部寄存器清零;下跳沿时,开始进行A/D转换;在转换期间,ST应保持低电平。
EOC为转换结束信号。
当EOC为高电平时,表明转换结束;否则,表明正在进行A/D转换。
OE为输出允许信号,用于控制三条输出锁存器向单片机输出转换得到的数据。
OE=1,输出转换得到的数据;OE=0,输出数据线呈高阻状态。
D7-D0为数字量输出线。
CLK为时钟输入信号线。
因ADC0809的内部没有时钟电路,所需时钟信号必须由外界提供,通常使用频率为500KHZ,
VREF(+),VREF(-)为参考电压输入。
3、ADC0809应用说明
(1).ADC0809内部带有输出锁存器,可以与AT89S51单片机直接相连。
(2).初始化时,使ST和OE信号全为低电平。
(3).送要转换的哪一通道的地址到A,B,C端口上。
(4).在ST端给出一个至少有100ns宽的正脉冲信号。
(5).是否转换完毕,我们根据EOC信号来判断。
(6).当EOC变为高电平时,这时给OE为高电平,转换的数据就输出给单片机了。
4、AD0809的应用
了解完A/D转换芯片,下面我们以图2为例来完成它的程序设计。
电路说明:
电路见图(2),主要由AD转换器AD0809,频率发生器SUN7474,单片机AT89S51及显示用数码管组成。
AD0809的启动方式为脉冲启动方式,启动信号START启动后开始转换,EOC 信号在START的下降沿10us后才变为无效的低电平。
这要求查询程序待EOC无效后再开始查询,转换完成后,EOC输出高电平,再由OE变为高电平来输出转换数据。
我们在设计程序时可以利用EOC信号来通知单片机(查询法或中断法)读入已转换的数据,也可以在启动AD0809后经适当的延时再读入已转换的数据。
AT89S51的输出频为晶振频的1/6(2MHZ),AT89S1与SUN7474连接经与7474的ST脚提供AD0809的工作时钟。
AD0809的工作频范围为10KHZ-1280KHZ,当频率范围为500KHZ时,其转换速度为128us。
AD0809的数据输出公式为:Dout=Vin*255/5=Vin*51,其中Vin为输入模拟电压,Vout
为输出数据。
当输入电压为5V时,读得的数据为255再乘以2,得510。
我们用510*98%得499,再将百位数码管的小数点点亮,显示为4.99V,显示值与输入值基本吻合。
软件设计思路及程序流程
编程思路:
(1)向AD0809写入通道号并启动转换
(2)延时1ms后等待EOC出现高电平(JNB EOC,$)
(3)给OE置高并读入转换数据存入数据地址或数组中。
(4)显示
(5)
初始化
1、写入通道号
2、延时20us后等待EOC变高
3、读入采集到的数据并存入数组存入下一
通道
#include<at89x51.h>
#define ucharunsigned char
#define uint unsigned int
sbit st=P3^2;
sbit oe=P3^1;
sbit eoc=P3^0;
uchar
codetab[]={0x03,0x9f,0x25,0x0d,0x99,0x49,0x41,0x1f,0x01,0x 09};//数码管显示段码
ucharcode td[]={0x00,0x10,0x20,0x30,0x40,0x50,0x60,0x70};//通道先择数组
uint ad_0809,ad_data1,ad_data2,ad_data3,ad_data0;
uchar m,number;
uchar x[8];//八通道数据待存数组
void delaynms(uint x);//nms延时程序
void display();//显示程序
void ad0809();//芯片启动程序
voidkey();//键扫描程序
main()
{
number=1;
P1=0x00;
while(1)
{
ad0809();//调AD0809启动子程序
key();//调按键子程序
ad_0809=x[number];//把相关通道数据给ad_0809,用做显示display();//调显示
}}
//nms延时程序
voiddelaynms(uint x)
{
uchari;
while(x-->0)
{
for(i=0;i<125;i++)
{;}}}
void display()
{
uchar a;
ad_data1=(ad_0809*49/25)/100;//读得的数据乘以2再乘以98%除以100得百位
ad_data2=((ad_0809*49/25)%100)/10;//读得的数据乘以2再乘以98%再分出十位
ad_data3=(((ad_0809*49/25)%100)%10);//读得的数据乘以2再乘以98%再分出个位
for(a=0;a<10;a++)
{
P0=tab[ad_data3];//送小数点后第二位显示
P2=0x07;//选通第一个数码管
delaynms(3);
P0=tab[ad_data2];//送小数点后第一位显示
P2=0x0b;//选通第二个数码管
delaynms(3);
P0=tab[ad_data1];//送整数显示
P0_7=0;//点亮第三个数码管小数点
P2=0x0d;//选通第三个数码管
delaynms(3);
P0=tab[number];//送通道号显示
P2=0x0e;
delaynms(3);
}}
void ad0809()
{
uchari,m=1;
for(i=0;i<8;i++)
{
P0=td[i];//选通通道
oe=0;
//OE:输出允许信号;
//用于控制三态输出锁存器向单片机输出转换得到的数据。
OE=0,输出数据线呈高电阻;OE=1,输出转换//得到的数据;
//以下三条指令为起动AD0809
//注:st与ALE连载一起
//ALE为地址锁存允许输入线,当ALE=1,地址锁存与译码器将A,B,C三条
//地址线的地址信号进行锁存,经译码后被选中的通道的模拟量进转换器进行
//转换。
st=0; //ST为转换启动信号。
st=1;//当ST上跳沿时,所有内部寄存器清零;
st=0;//下跳沿时,开始进行A/D转换;在转换期间,ST应保持低电平。
delaynms(1);// EOC信号在START的下降沿10us后才变为无效的低电平。
while(!eoc);//等待转换结束,转换完成后,EOC输出高电平,oe=1;//取出读得的数据,OE变为高电平来输出转换数据
x[m]=P2;//送相关通道数组
oe=0;
m++;
}}
void key()
{
if(!P3_5)//P3.5是否按下
{
delaynms(20);//延时去抖动判误
if(!P3_5)//再一次判断P3。
5是否按下
{
while(!P3_5);//等待P3。
5为高电平,按键松开
number++;//通道号显示加一
if(number>8)number=1;//八通道
}}}。