土石方开挖放坡系数计算法
- 格式:doc
- 大小:22.50 KB
- 文档页数:1
土方放坡系数土方放坡系数(m):(如图所示)是指土壁边坡坡度的底宽b与基高h之比,即m=b/h计算1、在建筑中,放坡应该从垫层的上表面开始;2、管线土方工程定额,对计算挖沟槽土方放坡系数规定如下:(1)挖土深度在lm以内,不考虑放坡;(2)挖土深度在1.01m~2.00m,按1:0.5放坡;(3)挖土深度在2.01m~4.00m,按1:0.7放坡;(4)挖土深度在4.01m~5.00m,按1:1放坡;(5)挖土深度大于5m,按土体稳定理论计算后的边坡进行放坡。
注意:计算工程量时,地槽交接处放坡产生的重复工程量不予扣除。
因土质不好,基础处理采用挖土、换土时,其放坡点应从实际挖深开始。
在挖土方、槽、坑时,如遇不同土壤类别,应根据地质勘测资料分别计算。
边坡放坡系数可根据各土壤类别及深度加权取定这张表的数据并不是在每个地方都适用,只是通用规则,根据2009年新规范讲义:土类单一土质时,普通土(一二类)开挖深度大于1.2米开始放坡(K=0.50),坚土(三四类)开挖深度大于1.7米开始放坡(K=0.30)。
土类混合土质时,开挖深度大于1.5米开始放坡,然后按照不同土质加权计算放坡系数K。
建筑工程施工手册中对放坡系数的规定放坡高度、比例确定表注:1.沟槽、基坑中土壤类别不同时,分别按其土壤类别、放坡比例以不同土壤厚度分别计算;2.计算放坡工程量时交接处的重复工程量不扣除,符合放坡深度规定时才能放坡,放坡高度应自垫层下表面至设计室外地坪标高计算。
体积计算公式圆柱体:体积=底面积×高长方体:体积=长×宽×高正方体:体积=棱长×棱长×棱长.锥体: 底面面积×高÷3台体: V=[ S上+√(S上S下)+S下]h/3球缺体积公式=πh2 (3R-h)÷3球体积公式:V=4πR3/3棱柱体积公式:V=S底面×h=S直截面×l (l为侧棱长,h为高)棱台体积:V=〔S1+S2+开根号(S1*S2)〕/3*h注:V:体积;S1:上表面积;S2:下表面积;h:高挖方放坡系数及计算公式(1)挖方形或长方形地坑放坡工程量计算:计算公式:V:(B1+2C+KH)×(B2+2C+KH)×H+1/3K2H3式中:V=挖土方体积(立方米);H=地坑深虔度米);B1=基础长度(米)B2==基础宽度(米)C=工作面宽度(米)K=坡度系数1/3K2H3=角锥体体积。
欢迎阅读土石方工程一、人工平整场地:S=S底+2*L外+16二、挖沟槽:1.垫层底部放坡:§5.3?房屋建筑工程预算的列项计量?一、基础及主体工程的列项与计量编制房屋建筑工程预算,通常是把单位工程分解为分部分项工程,按照建筑工程预算定额的口径,首先列出预算分项子目,然后根据定额所规定的工程量计算规则和施工图纸,计算分项工程量。
建筑安装工程量是以物理计量单位或自然计量单位所表示的各个分部分项工程的数量,物理计量单位以公制量度,如长度以米(m),面积以平方米(m2),体积以立方米(m3),重量以量,(一)1.土石方工程包括土方和石方的开挖、运输和弃置(或回填)等。
根据开挖规模的大小,一般规定,(或一座构筑物)内全部土石方挖方量超过5000立方米,1)土方工程(1)人工土方①山坡切土②人工挖土方③人工挖基槽④人工挖地坑⑤人工挖淤泥流砂⑥人工回填土⑦原土打劣⑧平整场地⑨运土方(2)机械土方①推运机推土②铲土机铲运土③正铲挖掘机挖土④反铲挖掘机挖土⑤正铲挖掘机挖土(自卸汽车运土)⑥反铲挖掘机挖土(自卸汽车运土)⑨原土碾压、填土碾压2)(1)人工石方①人工打眼一般开挖②人工打眼沟槽开挖④人工装碴手推车运输(2)①机械打眼一般开挖②机械打眼沟槽开挖④推土机推运石碴(自卸汽车运输)2.影响土石方工程量计算的因素及其一般规定计算土石方工程量时,要根据具体工程的特征,考虑下述因素:(1)放坡由于施工场地土壤类别的不同,在开挖土方时,如果土质松散容易坍塌,而且基槽或基坑较深,为了保持侧壁稳定,可以将侧壁挖成一定角度的斜坡以免坍塌,这称为放坡,如图6—26所示。
放坡通常是根据设计挖方深度和土壤类别,以及施工组织设计来确定。
土石方工程中的坡度采用1∶K表示,“K”称为放坡系数。
K=b/h式中:b为挖土边坡上口一侧应增加的宽度;h为放坡槽、坑底面至室外设计地坪面的距离,不论是人工挖土还是采用机械挖土,均可利用放坡系数计算基槽(或基坑)放坡上口增加宽度,b=K·h,放坡系数“K”可按施工组织设计确定,若施工组织设计没有规定时,则应按人工土方或机械土方放坡系数及放坡起点深度表计算,如表6—1所示。
土方放坡系数土方放坡系数(m):(如图所示)是指土壁边坡坡度的底宽b与基高h之比,即m=b/h计算1、在建筑中,放坡应该从垫层的上表面开始;2、管线土方工程定额,对计算挖沟槽土方放坡系数规定如下:(1)挖土深度在lm以内,不考虑放坡;(2)挖土深度在1.01m~2.00m,按1:0.5放坡;(3)挖土深度在2.01m~4.00m,按1:0.7放坡;(4)挖土深度在4.01m~5.00m,按1:1放坡;(5)挖土深度大于5m,按土体稳定理论计算后的边坡进行放坡。
注意:计算工程量时,地槽交接处放坡产生的重复工程量不予扣除。
因土质不好,基础处理采用挖土、换土时,其放坡点应从实际挖深开始。
在挖土方、槽、坑时,如遇不同土壤类别,应根据地质勘测资料分别计算。
边坡放坡系数可根据各土壤类别及深度加权取定这张表的数据并不是在每个地方都适用,只是通用规则,根据2009年新规范讲义:土类单一土质时,普通土(一二类)开挖深度大于1.2米开始放坡(K=0.50),坚土(三四类)开挖深度大于1.7米开始放坡(K=0.30)。
土类混合土质时,开挖深度大于1.5米开始放坡,然后按照不同土质加权计算放坡系数K。
建筑工程施工手册中对放坡系数的规定放坡高度、比例确定表注:1.沟槽、基坑中土壤类别不同时,分别按其土壤类别、放坡比例以不同土壤厚度分别计算;2.计算放坡工程量时交接处的重复工程量不扣除,符合放坡深度规定时才能放坡,放坡高度应自垫层下表面至设计室外地坪标高计算。
体积计算公式圆柱体:体积=底面积×高长方体:体积=长×宽×高正方体:体积=棱长×棱长×棱长.锥体: 底面面积×高÷3台体: V=[ S上+√(S上S下)+S下]h/3球缺体积公式=πh2 (3R-h)÷3球体积公式:V=4πR3/3棱柱体积公式:V=S底面×h=S直截面×l (l为侧棱长,h为高)棱台体积:V=〔S1+S2+开根号(S1*S2)〕/3*h注:V:体积;S1:上表面积;S2:下表面积;h:高挖方放坡系数及计算公式(1)挖方形或长方形地坑放坡工程量计算:计算公式:V:(B1+2C+KH)×(B2+2C+KH)×H+1/3K2H3式中:V=挖土方体积(立方米);H=地坑深虔度米);B1=基础长度(米)B2==基础宽度(米)C=工作面宽度(米)K=坡度系数1/3K2H3=角锥体体积。
土方放坡系数土方放坡系数(m):(如图所示)是指土壁边坡坡度的底宽b与基高h之比,即m=b/h计算1、在建筑中,放坡应该从垫层的上表面开始;2、管线土方工程定额,对计算挖沟槽土方放坡系数规定如下:(1)挖土深度在lm以内,不考虑放坡;(2)挖土深度在1.01m~2.00m,按1:0.5放坡;(3)挖土深度在2.01m~4.00m,按1:0.7放坡;(4)挖土深度在4.01m~5.00m,按1:1放坡;(5)挖土深度大于5m,按土体稳定理论计算后的边坡进行放坡。
注意:计算工程量时,地槽交接处放坡产生的重复工程量不予扣除。
因土质不好,基础处理采用挖土、换土时,其放坡点应从实际挖深开始。
在挖土方、槽、坑时,如遇不同土壤类别,应根据地质勘测资料分别计算。
边坡放坡系数可根据各土壤类别及深度加权取定这张表的数据并不是在每个地方都适用,只是通用规则,根据2009年新规范讲义:土类单一土质时,普通土(一二类)开挖深度大于1.2米开始放坡(K=0.50),坚土(三四类)开挖深度大于1.7米开始放坡(K=0.30)。
土类混合土质时,开挖深度大于1.5米开始放坡,然后按照不同土质加权计算放坡系数K。
建筑工程施工手册中对放坡系数的规定放坡高度、比例确定表注:1.沟槽、基坑中土壤类别不同时,分别按其土壤类别、放坡比例以不同土壤厚度分别计算;2.计算放坡工程量时交接处的重复工程量不扣除,符合放坡深度规定时才能放坡,放坡高度应自垫层下表面至设计室外地坪标高计算。
体积计算公式圆柱体:体积=底面积×高长方体:体积=长×宽×高正方体:体积=棱长×棱长×棱长.锥体: 底面面积×高÷3台体: V=[ S上+√(S上S下)+S下]h/3球缺体积公式=πh2 (3R-h)÷3球体积公式:V=4πR3/3棱柱体积公式:V=S底面×h=S直截面×l (l为侧棱长,h为高)棱台体积:V=〔S1+S2+开根号(S1*S2)〕/3*h注:V:体积;S1:上表面积;S2:下表面积;h:高挖方放坡系数及计算公式(1)挖方形或长方形地坑放坡工程量计算:计算公式:V:(B1+2C+KH)×(B2+2C+KH)×H+1/3K2H3式中:V=挖土方体积(立方米);H=地坑深虔度米);B1=基础长度(米)B2==基础宽度(米)C=工作面宽度(米)K=坡度系数1/3K2H3=角锥体体积。
土石方工程人工平整场地S=S 底+2*L 外+16二、挖沟槽:1. 垫层底部放坡:V=L*(a+2c+kH)*H2. 垫层表面放坡V=L*{(a+2c+KH i)H i+(a+2c)H2}三、挖基坑(放坡)方形:V=( a+2c+KH)* ( b+2c+KH)*H+1/3*K 2H3圆形:V= n/3*h*(R 2+Rr+r2)放坡系数第一章土石方工程2008-06-05 17:55 第一章土石方工程说明及工程量计算规则一、说明(一)本章包括:人工土石方、机械土石方、爆破岩石3节共62个子目。
(二)平整场地是指室外设计地坪与自然地坪平均厚度在±).3m以内的就地挖、填、找平;平均厚度在±).3m以外执行挖土方相应项目。
(三)定额中不包括地上、地下障碍物处理及建筑物拆除后的工程垃圾清理,发生时另行计算。
(四)定额综合了干土、湿土,执行中不得调整。
但不包括挖淤泥,发生时另行计算。
(五)土方工程不论是否带挡土板均执行本定额。
(六)挖土方、沟槽、基坑的划分标准;图示沟槽宽在3m以内,且沟槽长大于槽宽三倍以上的执行沟槽定额子目;图示坑底面积在27m2以内的执行基坑定额子目。
图示沟槽底宽在3m以外,坑底面积在27m2以外,执行挖土方定额子目。
(七)混合结构的住宅工程和柱距6m以内的框架结构工程,设计为带形基础或独立柱基,且基础槽深大于3m时,按外墙基础垫层外边线内包水平投影面积乘以槽深计算工程量,不再计算工作面及放坡土方增量,执行挖土方定额子目。
(八)基础挖土方采取基坑支护不需要放坡时,不得计算放坡土方增量;采取喷锚基坑支护时,放坡土方增量计取按(附表二)规定。
(九)土方运距按下列规定计算:1•自卸车运土运距定额中是按5km以内、20km以内、30km以内和30km以外综合编制的,执行中不允许调整。
2•推土机推土运距:按挖方区重心至回填区重心之间的直线距离计算。
3.铲运机运土运距:按挖方区重心至卸土区重心加转向距离45m计算。
土方放坡系数(ni ):(如图所示)是指土壁边坡坡度的底宽b 与恳高h 之比,即m 二b/h 计算K 在建筑中,放坡应该从垫层的上表面开始; 2、管线土方工程定额,对计算挖沟槽土方放坡系数规定如下: (1)挖土深度在Ini 以,不考虑放坡;(2)挖土深度在rOlm 〜2・00nb 按1:0.5放坡; (3)挖土深度在2・01m 〜4・00nb 按1:0.7放坡; (4)挖土深度在4・01m 〜5・00nb 按1:1放坡;(5)挖土深度大于5m,按土体穂定理论计算后的边坡进行放坡。
注意: 计算工程量叶,地槽交接处放坡产生的重复工程量不予扣除。
因土质不好,基础处理采用挖土、换土时,其放坡点应从实际挖深开始。
在挖土方、槽、坑时,如遇不同土壤类别,应根据地质勘测瓷料分别计算。
边坡放坡系数可根据各土壤类别及深度加权取定 这表的数据并不是在每个地方都适用,只是通用规则,根据2009年新规讲土类单一土质时,普通土(一二类)开挖深度大于1.2米开始放坡(K=0・50), 坚土(三四类)开挖深度大于「7米开始放坡(K 二0・30) O土类混合土质时,开挖深度大于1.5米开始放坡,然后按照不同土质加权计 算放坡系数K 。
建筑工程施工手册中对放坡系数的规定 放坡高度、比例确定表土方放坡系数义:基坑中土壤类别不同时,分别按其土壤类别、放坡比例以不同土壤厚度分别计算;2・计算放坡工程量时交接处的重复工程量不扣除,符合放坡深度规定时才能放坡,放坡高度应自垫层下表面至设计室外地坪标高计算。
体积计算公式圆柱体;体积=底而积X 高 长方体:体积二长X 宽X 高 正方体:体积=棱长X 棱长X 棱长. 锥体:底而而积X 高一 3台 体:V=[ S 上+J (S 上S 下)+S 下]h/32球缺体积公式=nh (3R-h )三33球体积公式:V=4nR/3棱柱体积公式;V = S 底面Xh = S 直截面XI (I 为侧棱长,h 为高)棱台体积;V 二〔S1+S2 + 开根号(S1*S2)〕/3*h 注:V:体积;S1:上表面积;S2:下表而积;h:高土壤类放坡深度规定(m)人工 挖土趨过1・20类土0.5 三类土趨过1・500・33 四类土趨过2・000. 25 高于宽之比机械挖土坑上作业0. 33 0・25 0・10 作业0. 750.670. 33挖方放坡系数及计算公式(1)挖方形或长方形地坑放坡工程量计算:计算公式:2 3V: (B1+2C+KH) X (B2+2C+KH) XH+1/ 3K H式中:V二挖土方体积(立方米);H二地坑深虔度米);B1二基础长度(米)B2=&础宽度(米)C二工作而宽度(米)K二坡度系数2 31/3K H =角锥体体积。
土石方放坡常用计算公式 Prepared on 24 November 2020土石方工程一、人工平整场地:S=S底+2*L外+16二、挖沟槽:1.垫层底部放坡:V=L*(a+2c+kH)*H2.垫层表面放坡V=L*{(a+2c+KH1)H1+(a+2c)H2}v=(垫层宽度+工作面的宽度+放坡系数乘以深度)乘以管沟长度*管沟深度放坡系数=一二类土是三类土是四类土是三、挖基坑(放坡)方形: V=( a+2c+KH)* ( b+2c+KH)*H+1/3*K2H3圆形: V=∏/3*h*(R2+Rr+r2)V坑=(a+2c+kh)*(b+2c+kh)*h+1/3k*k*h*h*h其中,a、b为边长,c为工作面,k为放坡系数,h为挖深,不放坡时K按0计算就可以了。
V槽=(a+2c+kh)*h*L其中,a为基础底宽,c为工作面,k为放坡系数,h为挖深,L为基槽长度,不放坡时K按0计算就可以了放坡系数§房屋建筑工程预算的列项计量一、基础及主体工程的列项与计量编制房屋建筑工程预算,通常是把单位工程分解为分部分项工程,按照建筑工程预算定额的口径,首先列出预算分项子目,然后根据定额所规定的工程量计算规则和施工图纸,计算分项工程量。
建筑安装工程量是以物理计量单位或自然计量单位所表示的各个分部分项工程的数量,物理计量单位以公制量度,如长度以米(m),面积以平方米(m2),体积以立方米(m3),重量以吨(T)或公斤(kg)等计量。
自然计量单位以台、套、组、个等计量。
在计算工程量时,必须熟悉施工图纸上标注的各部位的尺寸和设备明细表列明的各种设备的数量,熟悉建筑工程所在地区的预算定额及其各分部分项工程子目的名称,了解工程量计算时所包含的工序内容和计量单位。
一、基础及主体工程的列项与计量(一)土石方工程的列项与计量1.土石方工程的主要项目土石方工程包括土方和石方的开挖、运输和弃置(或回填)等。
根据开挖规模的大小,一般规定,一幢房屋(或一座构筑物)内全部土石方挖方量超过5000立方米,以及不属于房屋建筑范围内的单项土石方工程,都视作大型土石方工程,单独编制工程预算。
土石方放坡常用计算公式范本一:正式风格一、背景本文档旨在介绍土石方放坡常用计算公式,以及相关的概念和应用。
土石方工程中放坡是一项重要的工作,合理的放坡设计和精确的计算公式都对工程的成功实施产生重要影响。
二、定义与术语1. 土石方:指土壤和岩石的组合体。
2. 放坡:指土石方工程中为了防止土体坍塌而采取的倾斜处理。
3. 放坡角:指放坡面与水平面夹角。
4. 放坡系数:指放坡面的纵横比,表示放坡的陡缓程度。
三、计算公式1. 自然放坡计算公式:放坡角 = arctan(自然坡高 / 自然坡宽)2. 工程放坡计算公式:放坡角 = arctan(工程坡高 / 工程坡宽) - φ注:a. φ为土体内摩擦角,表示土体内部颗粒间的摩擦阻力;b. φ的取值范围一般为25°~40°。
四、计算示例假设自然坡宽为10米,自然坡高为5米,工程坡宽为8米,工程坡高为4米,φ取35°。
1. 自然放坡计算:放坡角 = arctan(5 / 10) ≈ 26.6°2. 工程放坡计算:放坡角 = arctan(4 / 8) - 35° ≈ -8.1°五、附件本文档未涉及附件。
六、法律名词及注释1. 土石方:根据国家《土石方工程施工质量报验规范》(GB 50130-2007)第3.1条,土石方是指在土木工程中进行土方或者岩方等挖、堆、填、削、爆等中的土方、岩方的相关工程。
2. 放坡:根据国家《建筑设计防护与防腐蚀》(GB 50206-2012)第3.8.1条,放坡是指土壤或岩石在地表的倾斜面。
-----------------------------------------------------------------------------------------------范本二:潮流风格一、前言大家好!本文将为大家介绍土石方放坡常用计算公式。
土石方工程是一项重要的工程,而在土石方工程中,放坡是一项不可忽视的工作。
土方放坡系数土方放坡系数(m):(如图所示)是指土壁边坡坡度的底宽b与基高h之比,即m=b/h计算1、在建筑中,放坡应该从垫层的上表面开始;2、管线土方工程定额,对计算挖沟槽土方放坡系数规定如下:(1)挖土深度在lm以内,不考虑放坡;(2)挖土深度在1.01m~2.00m,按1:0.5放坡;(3)挖土深度在2.01m~4.00m,按1:0.7放坡;(4)挖土深度在4.01m~5.00m,按1:1放坡;(5)挖土深度大于5m,按土体稳定理论计算后的边坡进行放坡。
注意:计算工程量时,地槽交接处放坡产生的重复工程量不予扣除。
因土质不好,基础处理采用挖土、换土时,其放坡点应从实际挖深开始。
在挖土方、槽、坑时,如遇不同土壤类别,应根据地质勘测资料分别计算。
边坡放坡系数可根据各土壤类别及深度加权取定这张表的数据并不是在每个地方都适用,只是通用规则,根据20XX年新规范讲义:土类单一土质时,普通土(一二类)开挖深度大于1.2米开始放坡(K=0.50),坚土(三四类)开挖深度大于1.7米开始放坡(K=0.30)。
土类混合土质时,开挖深度大于1.5米开始放坡,然后按照不同土质加权计算放坡系数K。
建筑工程施工手册中对放坡系数的规定放坡高度、比例确定表注:1.沟槽、基坑中土壤类别不同时,分别按其土壤类别、放坡比例以不同土壤厚度分别计算;2.计算放坡工程量时交接处的重复工程量不扣除,符合放坡深度规定时才能放坡,放坡高度应自垫层下表面至设计室外地坪标高计算。
体积计算公式圆柱体:体积=底面积×高长方体:体积=长×宽×高正方体:体积=棱长×棱长×棱长.锥体: 底面面积×高÷3台体: V=[ S上+√(S上S下)+S下]h/3球缺体积公式=πh2 (3R-h)÷3球体积公式:V=4πR3/3棱柱体积公式:V=S底面×h=S直截面×l (l为侧棱长,h为高)棱台体积:V=〔S1+S2+开根号(S1*S2)〕/3*h注:V:体积;S1:上表面积;S2:下表面积;h:高挖方放坡系数及计算公式(1)挖方形或长方形地坑放坡工程量计算:计算公式:V:(B1+2C+KH)×(B2+2C+KH)×H+1/3K2H3式中:V=挖土方体积(立方米);H=地坑深虔度米);B1=基础长度(米)B2==基础宽度(米)C=工作面宽度(米)K=坡度系数1/3K2H3=角锥体体积。
土石方开挖放坡系数计算法挖地槽、地坑、土方需放坡者,可按下表规定的放坡起点及放坡系数计算工程量。
土方工程放坡系数表┏━━━┯━━━━┯━━━━┯━━━━━━━━━━━┓┃土壤│放坡起点││机械挖土┃┃││人工挖土├─────┬─────┨┃类别│(m)││在坑内作业│在坑上作业┃┠───┼────┼────┼─────┼─────┨┃普硬土│ 1.40 │1:0.37 │1:0.27 │1:0.69 ┃┃坚硬土│ 2.00 │1:0.25 │1:0.10 │1:0.33 ┃┗━━━┷━━━━┷━━━━┷━━━━━┷━━━━━┛放坡起点,混凝土垫层由垫层底面开始放坡,灰土垫层由垫层上表面开始放坡,无垫层的由底面开始放坡。
计算工程量时,地槽交接处放坡产生的重复工程量不予扣除。
因土质不好,基础处理采用挖土、换土时,其放坡点应从实际挖深开始。
在挖土方、槽、坑时,如遇不同土壤类别,应根据地质勘测资料分别计算。
边坡放坡系数可根据各土壤类别及深度加权取定。
基础工程施工中需要增加的工作面,可按下表规定计算。
基础施工所需工作面宽度计算表┏━━━━━━━━━━━┯━━━━━━━━━━━━┓┃基础材料│每边各增加工作面宽度(mm)┃┠───────────┼────────────┨┃砖基础│200 ┃┃浆砌毛石、条石基础│150 ┃┃混凝土基础垫层支模板│300 ┃┃混凝土基础支模板│300 ┃┃基础垂直面做防水层│800(防水层面)┃┗━━━━━━━━━━━┷━━━━━━━━━━━━┛挖地槽、地坑需支挡土板时,其宽度按图示沟槽、地坑底宽,单面加10cm,双面加20cm计算。
挡土板面积,按槽、坑垂直支撑面积计算。
支挡土板,不得再计算放坡。
10.人工挖土槽、地坑深超过3m时应分层开挖,底分层按深2m,层间每侧留工作台0.8m 计算。
放坡系数及土方放坡计算公式-放坡土方量计算公式土方放坡系数(m)是指土壁边坡坡度的底宽b与基高h之比,即m=b/h。
在建筑中,放坡应该从垫层的上表面开始。
对于管线土方工程定额,挖土深度在lm以内,不考虑放坡。
挖土深度在1.01m~2.00m,按1:0.5放坡;挖土深度在2.01m~4.00m,按1:0.7放坡;挖土深度在4.01m~5.00m,按1:1放坡;挖土深度大于5m,按土体稳定理论计算后的边坡进行放坡。
注意,在计算工程量时,地槽交接处放坡产生的重复工程量不予扣除。
因土质不同,基础处理采用挖土、换土时,其放坡点应从实际挖深开始。
在挖土方、槽、坑时,如遇不同土壤类别,应根据地质勘测资料分别计算。
边坡放坡系数可根据各土壤类别及深度加权取定。
此表的数据并不是在每个地方都适用,只是通用规则。
根据2009年新规范讲义,土类单一土质时,普通土(一二类)开挖深度大于1.2米开始放坡(K=0.50),坚土(三四类)开挖深度大于1.7米开始放坡(K=0.30)。
土类混合土质时,开挖深度大于1.5米开始放坡,然后按照不同土质加权计算放坡系数K。
建筑工程施工手册中对放坡系数的规定放坡高度、比例确定表。
在高于宽之比土壤类别和放坡深度规定表中,人工挖土一、二类土和三类土的放坡比例分别为1:0.5、1:0.33和1:0.25.坑内作业超过1.20时,放坡比例为1:0.33、1:0.25和1:0.10.坑上作业时,放坡比例为1:0.75、1:0.67和1:0.33.机械挖土超过1.50时,四类土超过2.00.需要注意的是,沟槽、基坑中土壤类别不同时,应分别按其土壤类别、放坡比例以不同土壤厚度分别计算。
计算放坡工程量时交接处的重复工程量不扣除。
符合放坡深度规定时才能放坡,放坡高度应自垫层下表面至设计室外地坪标高计算。
最后,体积计算公式包括圆柱体、长方体、正方体、锥体、台体、球缺体积和球体积公式,以及棱柱体积公式和棱台体积公式。
土方放坡系数土方放坡系数(m):(如图所示)是指土壁边坡坡度的底宽b与基高h之比,即m=b/h计算1、在建筑中,放坡应该从垫层的上表面开始;2、管线土方工程定额,对计算挖沟槽土方放坡系数规定如下:(1)挖土深度在lm以内,不考虑放坡;(2)挖土深度在1。
01m~2.00m,按1:0.5放坡;(3)挖土深度在2。
01m~4。
00m,按1:0。
7放坡;(4)挖土深度在4.01m~5。
00m,按1:1放坡;(5)挖土深度大于5m,按土体稳定理论计算后的边坡进行放坡。
注意:计算工程量时,地槽交接处放坡产生的重复工程量不予扣除。
因土质不好,基础处理采用挖土、换土时,其放坡点应从实际挖深开始.在挖土方、槽、坑时 ,如遇不同土壤类别 ,应根据地质勘测资料分别计算。
边坡放坡系数可根据各土壤类别及深度加权取定这张表的数据并不是在每个地方都适用,只是通用规则,根据2009年新规范讲义:土类单一土质时,普通土(一二类)开挖深度大于1.2米开始放坡(K=0。
50),坚土(三四类)开挖深度大于1.7米开始放坡(K=0。
30)。
土类混合土质时,开挖深度大于1.5米开始放坡,然后按照不同土质加权计算放坡系数K。
建筑工程施工手册中对放坡系数的规定放坡高度、比例确定表注:1。
沟槽、基坑中土壤类别不同时,分别按其土壤类别、放坡比例以不同土壤厚度分别计算;2。
计算放坡工程量时交接处的重复工程量不扣除,符合放坡深度规定时才能放坡,放坡高度应自垫层下表面至设计室外地坪标高计算.放坡系数及工作面宽度的确定1.放坡不管是用人工或是机械开挖土方,在施工时为了防止土壁坍塌都要采取一定的施工措施,如放坡、支挡板或打护坡桩。
放坡是施工中较常用的一种措施. 当土方开挖深度超过一定限度时,将上口开挖宽度增大,将土壁做成具有一定坡度的边坡,防止土壁坍塌,在土方工程中称为放坡。
(1)放坡起点。
放坡起点,就是指某类别土壤边壁直立不加支撑开挖的最大深度.放坡起点应根据土质情况确定.综合基价中对挖土方、地槽、地坑的放坡起点进行了综合取定,详见表5―2。
土方放坡系数土方放坡系数(m):(如图所示)是指土壁边坡坡度的底宽b与基高h之比,即m=b/h盘算1.在建筑中,放坡应当从垫层的上概况开端 ;2.管线土方工程定额,对盘算挖沟槽土方放坡系数划定如下:(1)挖土深度在lm以内,不斟酌放坡;(2)挖土深度在1.01m~2.00m,按1:0.5放坡;(3)挖土深度在2.01m~4.00m,按1:0.7放坡;(4)挖土深度在4.01m~5.00m,按1:1放坡;(5)挖土深度大于5m,按土体稳固理论盘算后的边坡进行放坡.留意:盘算工程量时,地槽交代处放坡产生的反复工程量不予扣除.因土质不好,基本处理采取挖土.换土时,其放坡点应从现实挖深开端.在挖土方.槽.坑时 ,如遇不合泥土类别 ,应依据地质勘测材料分离盘算.边坡放坡系数可依据各泥土类别及深度加权取定这张表的数据其实不是在每个地方都实用,只是通用规矩,依据2009年新规范课本:土类单一土质时,通俗土(一二类)开挖深度大于1.2米开端放坡(K=0.50),坚土(三四类)开挖深度大于1.7米开端放坡(K=0.30).注:1.沟槽.基坑中泥土类别不合时,分离按其泥土类别.放坡比例以不合泥土厚度分离盘算;2.盘算放坡工程量时交代处的反复工程量不扣除,相符放坡深度规准时才干放坡,放坡高度应自垫层下概况至设计室外埠坪标高盘算.体积盘算公式圆柱体:体积=底面积×高长方体:体积=长×宽×高正方体:体积=棱长×棱长×棱长.锥体: 底面面积×高÷3台体: V=[ S上+√(S上S下)+S下]h/3球缺体积公式=πh2(3R-h)÷3球体积公式:V=4πR3/3棱柱体积公式:V=S底面×h=S直截面×l (l为侧棱长,h为高)棱台体积:V=〔S1+S2+开根号(S1*S2)〕/3*h注:V:体积;S1:上概况积;S2:下概况积;h:高挖方放坡系数及盘算公式(1)挖方形或长方形地坑放坡工程量盘算:盘算公式:V:(B1+2C+KH)×(B2+2C+KH)×H+1/3K2H3式中:V=挖土方体积(立方米);H=地坑深虔度米);B1=基本长度(米)B2==基本宽度(米)C=工作面宽度(米)K=坡度系数1/3K2H3=角锥体体积.(2)挖圆形地坑放坡算式:V=1/3πH(R12+R22+RlR2)式中:V一挖土体积(立方米)H~地坑深度(米)R1一坑底半径(米)R2一坑上口半径,R2=R1十KH(米)K一坡度系数土方放坡盘算公式土石方工程一.人工平整场地:S=S底+2*L外+16二.挖沟槽:1.垫层底部放坡:V=L*(a+2c+kH)*H2.垫层概况放坡V=L*{(a+2c+KH1)H1+(a+2c)H2}三.挖基坑(放坡)方形: V=( a+2c+KH)*( b+2c+KH)*H+1/3*K2H3圆形: V=∏/3*h*(R2+Rr+r2)放坡系数承台盘算公式1. 【AB+ab+(A+a)(B+b)】*h2/6+ABh1挖基坑多用于需全体大开挖的举座基本.自力基本.装备基本等土方工程.(1) 四面放坡基坑土方量盘算基坑土方量的盘算可近似地按棱柱体(即高低底为两个平行的平面,所有的极点都在两个平行平面上的多面体)体积公式盘算.V=(1÷6)H(A1+4A0+A2) (1)式中V——四面放坡基坑土方量(体积)(m3);H——基坑深度(m);A1.A2——基坑上.下底面积(m2);A0——基坑中截面((1÷2)H处)面积(m2).(2)圆形放坡基坑土方量盘算圆形放坡基坑土方量按下式盘算.V=(1÷3)πH (R21+R1R2+R22) (2)式中 V ——圆形放坡基坑土方量(体积)(m3);R1.R2——圆形基坑上.下底半径(m);π——3.14;H——基坑深度(m).多用于建筑物的条形基本.渠道.管沟等土方工程量.基槽土方量盘算,可沿其长度偏向分段进行盘算,各段土方量之和,即为总土方量.如该段内基槽横截面外形.尺寸不变时,其土方量即为该段横截面面积乘以该段基槽长度,一般双方放坡按下式盘算V=H(B+mH)L (3)式中V——双方放坡基槽该段土方量(体积)(m3);H——基槽深度(m);B——基槽槽底宽度(m);L——该段基槽长度(m);m——坡度系数,m= C/H,当m=0,则暗示基槽垂直开挖不放坡;C——基槽一边坡底宽(m).如该段内横截面的外形.尺寸有变更时,也可近似地用棱柱体的体积公式按下式盘算.Vi=(1÷6)Li(Ai1+4Aoi+Ai2)(4)式中Vi——基槽该段土方量(体积)(m3);Li——该段基槽长度(m);Ai1.Ai2——该段基槽两头横截面面积(m2);Aoi——该段基槽中截面(1/2Li)面积(m2).。
土石方开挖放坡系数计算法土石方开挖放坡系数是指在进行土石方开挖时,为了保证斜坡的稳定和安全性,所采用的一种系数计算方法。
在土石方开挖过程中,土壤的物理性质、坡面的坡度和坡高等因素会对斜坡的稳定性产生重要影响。
因此,通过计算开挖斜坡的放坡系数,可以合理确定施工方案和采取相应的支护措施,保障施工的顺利进行。
土石方开挖时,坡面经受到多方作用力,包括自重力、水压力、渗透力和地震力等。
为了保证斜坡的稳定性,需要施加一个最小安全系数。
这个系数是基于岩土工程的理论基础和实践经验得出的。
对于土石方开挖工程而言,开挖深度越大,施工的复杂度和安全风险就越高,因此需要更大的放坡系数来确保斜坡的稳定和安全。
经验法主要是通过分析历史斜坡失败案例,总结出不同情况下的放坡系数。
一般常用的经验法是根据坡面土体的性质和坡度,结合类似工程的经验进行判断。
例如,岩质边坡通常采用较大的放坡系数,而粉土和砂土等松散土的边坡则需要较小的放坡系数。
理论法主要是基于岩土力学和土力学的理论,通过计算土体的抗剪强度等参数来确定放坡系数。
这种方法需要分析土体的压实度、黏聚力等性质,并考虑到水分影响、渗透率和地震力等因素,从而得出合理的放坡系数。
在计算放坡系数时,需要同时考虑坡面的稳定性和工程经济性。
较小的放坡系数可以提高开挖斜坡的稳定性,但同时也会增加开挖量和投资成本。
因此,需要在满足安全要求的前提下,尽量选取经济合理的放坡系数。
另外,在进行土石方开挖施工时,还需要采取相应的支护措施来提高斜坡的稳定性。
常用的支护措施包括喷锚、挡土墙、做筑堤,并进行排水和防护设计等。
这些措施能够有效地提高斜坡的抗滑性和抗冲刷性,保障开挖施工的顺利进行。
总之,土石方开挖放坡系数是进行土石方开挖施工的重要参数之一、通过合理计算放坡系数,可以确保斜坡的稳定和安全性,为施工提供可靠的依据。
在进行施工时,还需要采取相应的支护措施来进一步提高斜坡的稳定性。
这样才能确保土石方开挖施工的安全和顺利进行。
注:1.沟槽、基坑中土壤类别不同时,分别按其土壤类别、放坡比例以不同土壤厚度分别计算;2.计算放坡工程量时交接处的重复工程量不扣除,符合放坡深度规定时才能放坡,放坡高度应自垫层下表面至设计室外地坪标高计算.放坡系数及工作面宽度的确定1.放坡不管是用人工或是机械开挖土方,在施工时为了防止土壁坍塌都要采取一定的施工措施,如放坡、支挡板或打护坡桩.放坡是施工中较常用的一种措施. 当土方开挖深度超过一定限度时,将上口开挖宽度增大,将土壁做成具有一定坡度的边坡,防止土壁坍塌,在土方工程中称为放坡.<1>放坡起点. 放坡起点,就是指某类别土壤边壁直立不加支撑开挖的最大深度.放坡起点应根据土质情况确定.综合基价中对挖土方、地槽、地坑的放坡起点进行了综合取定,详见表5―2.<2>放坡系数. 将土壁做成一定坡度的边坡时,土方边坡的坡度,以其高度H与边坡宽度B之比来表示. 故称K为坡度系数. 综合基价中,对挖土方、地槽、地坑等在各种情况下的坡度系数进行了综合取定,供预算编制时使用 .例5―1 已知开挖深度H=2.2m,槽底宽度A=2.0m,土质为三类土,采用人工开挖.试确定上口开挖宽度是多少[解] 查表5―2知,三类土放坡起点深度h=1.5m,人工挖土的坡度系数k=0.33.由于开挖深度<H>大于放坡起点深度<h>,故采取放坡开挖.每边边坡宽度: B=K×H =0.33×2.2=0.73<m> 故,上口开宽度为: A′=A+2B=2.0+2×0.73=3.46<m> 例5―2 已知某基坑开挖深度H=10m.其中表层土为一、二类土,厚h1=2m,中层土为三类土,厚h2=5m,下层土为四类土,厚h3=3m.采用正铲挖土机在坑底开挖,试确定其坡度系数.[解] 对于这种在同一坑内有三种不同类别土壤的情况,根据综合基价的规定"在同一槽、坑或沟内如遇土壤类别不同时,分别按其放坡起点、放坡系数、依不同土壤厚度加权平均计算其放坡系数". 一、二类土坡度系数k1=0.33 三类土坡度系数k2=0.25 四类土坡度系数k3=0.10 故综合坡度系数:2.工作面根据基础施工的需要,挖土时按基础垫层的双向尺寸向周边放出一定范围的操作面积,作为工人施工时的操作空间,这个单边放出的宽度,就称为工作面.基础工程施工时所需要增设的工作面,应根据已批准的施工组织设计确定.但在编制预算时,则应按以下规定计算:①砖基础每边增加工作面20cm;②浆砌毛石、条石基础每边增加工作面15cm;③混凝土基础或垫层需支模板时,每边增加工作面30cm;④基础垂直面做防水层时,每边增加工作面80cm<防水层面>.3.有关说明<1>当开挖深度超过放坡起点深度时,可以采用放坡开挖,也可以采用支挡土板开挖或采取其它的支护措施.编制预算时应根据已批准的施工组织设计规定选定,如果施工组织设计无规定,则均应按放坡开挖编制预算.<2>综合基价内所列的放坡起点、坡度系数、工作面,仅作为编制预算时计算土方工程量使用.实际施工中,应根据具体的土质情况和挖土深度,按照安全操作规程和施工组织设计的要求放坡和设置工作面,以保证施工安全和操作要求.实际施工中无论是否放坡,无论放坡系数多少,均按综合基价内的放坡系数计算工程量,不得调整.综合基价与实际工作面差异所发生的土方量差,亦不允许调整.<3>当预算内计算了放坡工程量后,实际施工中由于边坡坡度不足所造成的边坡塌方,其经济损失应由承包商承担,工程合同工期也不得顺延;发生的边坡小面积支挡土板,也不得套用支挡土板综合基价,其费用由承包商承担.<4>当开挖深度超过放坡起点深度、而实际施工中某边土壁又无法采用放坡施工<如:与原有建筑物或道路相临一侧的开挖、稳定性较差的杂填土层的开挖等>,确需采用支挡土板开挖时,必须有相应的已批准的施工组织设计,方可按支挡土板开挖编制预算.否则,不论实际是否需要采用支挡土板开挖,均按放坡开挖编制预算,支挡土板所用工料不得列入工程预算.<5>计算支挡土板开挖的挖土工程量时,按图示槽、坑底宽度尺寸每边各加工作面10cm计算.这10cm为支挡土板所占宽度.<6>已批准的施工组织设计采用护坡桩或其他方法支护时,不得再按放坡或支挡土板开挖编制预算.但打护坡桩或其他支护应另列项目计算.计算公式体积计算公式圆柱体:体积=底面积×高长方体:体积=长×宽×高正方体:体积=棱长×棱长×棱长.锥体: 底面面积×高÷3台体: V=[ S上+√〕S上S下〔+S下]h/3球缺体积公式=πh2〕3R-h〔÷3球体积公式:V=4πR3/3棱柱体积公式:V=S底面×h=S直截面×l <l为侧棱长,h为高〔棱台体积:V=〔S1+S2+开根号<S1*S2>〕/3*h注:V:体积;S1:上表面积;S2:下表面积;h:高挖方放坡系数及计算公式〕1〔挖方形或长方形地坑放坡工程量计算:计算公式:V:〕B1+2C+KH〔×〕B2+2C+KH〔×H+1/3K2H3式中:V=挖土方体积〕立方米〔;H=地坑深虔度米〔;B1=基础长度〕米〔B2==基础宽度〕米〔C=工作面宽度〕米〔K=坡度系数1/3K2H3=角锥体体积.〕2〔挖圆形地坑放坡算式:V=1/3πH〕R12+R22+RlR2〔式中:V一挖土体积〕立方米〔H~地坑深度〕米〔R1一坑底半径〕米〔R2一坑上口半径,R2=R1十KH〕米〔K一坡度系数土方放坡计算公式土石方工程一、人工平整场地:S=S底+2*L外+16二、挖沟槽:1. 垫层底部放坡:V=L*〕a+2c+kH〔*H2.垫层表面放坡V=L*{〕a+2c+KH1〔H1+〕a+2c〔H2}三、挖基坑〕放坡〔方形: V=〕 a+2c+KH〔*〕 b+2c+KH〔*H+1/3*K2H3圆形: V=∏/3*h*〕R2+Rr+r2〔放坡系数承台计算公式1. [AB+ab+〕A+a〔〕B+b〔]*h2/6+ABh11.基坑土方量计算挖基坑多用于需全部大开挖的满堂基础、独立基础、设备基础等土方工程.〕1〔四面放坡基坑土方量计算基坑土方量的计算可近似地按棱柱体〕即上下底为两个平行的平面,所有的顶点都在两个平行平面上的多面体〔体积公式计算.V=〕1÷6〔H〕A1+4A0+A2〔〕1〔式中V——四面放坡基坑土方量〕体积〔〕m3〔;H——基坑深度〕m〔;A1、A2——基坑上、下底面积〕m2〔;A0——基坑中截面〕〕1÷2〔H处〔面积〕m2〔.〕2〔圆形放坡基坑土方量计算圆形放坡基坑土方量按下式计算.V=〕1÷3〔πH 〕R21+R1R2+R22〔〕2〔式中 V ——圆形放坡基坑土方量〕体积〔〕m3〔;R1、R2——圆形基坑上、下底半径〕m〔;π——3.14;H——基坑深度〕m〔.2.基槽土方量计算多用于建筑物的条形基础、渠道、管沟等土方工程量.基槽土方量计算,可沿其长度方向分段进行计算,各段土方量之和,即为总土方量.如该段内基槽横截面形状、尺寸不变时,其土方量即为该段横截面面积乘以该段基槽长度,一般两边放坡按下式计算V=H〕B+mH〔L 〕3〔式中V——两边放坡基槽该段土方量〕体积〔〕m3〔;H——基槽深度〕m〔;B——基槽槽底宽度〕m〔;L——该段基槽长度〕m〔;m——坡度系数,m= C/H,当m=0,则表示基槽垂直开挖不放坡;C——基槽一边坡底宽〕m〔.如该段内横截面的形状、尺寸有变化时,也可近似地用棱柱体的体积公式按下式计算.Vi=〕1÷6〔Li〕Ai1+4Aoi+Ai2〔〕4〔式中Vi——基槽该段土方量〕体积〔〕m3〔;Li——该段基槽长度〕m〔;Ai1、Ai2——该段基槽两端横截面面积〕m2〔; Aoi——该段基槽中截面〕1/2Li〔面积〕m2〔.。
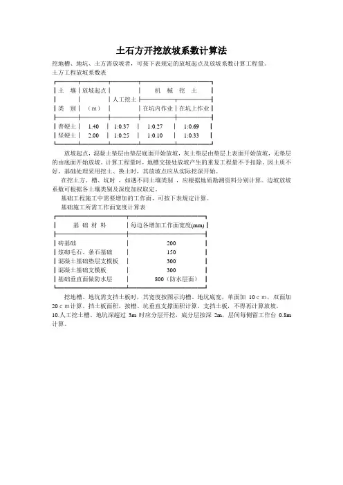
土石方开挖放坡系数计算法
挖地槽、地坑、土方需放坡者,可按下表规定的放坡起点及放坡系数计算工程量。
土方工程放坡系数表
┏━━━┯━━━━┯━━━━┯━━━━━━━━━━━┓
┃土壤│放坡起点││机械挖土┃
┃││人工挖土├─────┬─────┨
┃类别│(m)││在坑内作业│在坑上作业┃
┠───┼────┼────┼─────┼─────┨
┃普硬土│ 1.40 │1:0.37 │1:0.27 │1:0.69 ┃
┃坚硬土│ 2.00 │1:0.25 │1:0.10 │1:0.33 ┃
┗━━━┷━━━━┷━━━━┷━━━━━┷━━━━━┛
放坡起点,混凝土垫层由垫层底面开始放坡,灰土垫层由垫层上表面开始放坡,无垫层的由底面开始放坡。
计算工程量时,地槽交接处放坡产生的重复工程量不予扣除。
因土质不好,基础处理采用挖土、换土时,其放坡点应从实际挖深开始。
在挖土方、槽、坑时,如遇不同土壤类别,应根据地质勘测资料分别计算。
边坡放坡系数可根据各土壤类别及深度加权取定。
基础工程施工中需要增加的工作面,可按下表规定计算。
基础施工所需工作面宽度计算表
┏━━━━━━━━━━━┯━━━━━━━━━━━━┓
┃基础材料│每边各增加工作面宽度(mm)┃
┠───────────┼────────────┨
┃砖基础│200 ┃
┃浆砌毛石、条石基础│150 ┃
┃混凝土基础垫层支模板│300 ┃
┃混凝土基础支模板│300 ┃
┃基础垂直面做防水层│800(防水层面)┃
┗━━━━━━━━━━━┷━━━━━━━━━━━━┛
挖地槽、地坑需支挡土板时,其宽度按图示沟槽、地坑底宽,单面加10cm,双面加20cm计算。
挡土板面积,按槽、坑垂直支撑面积计算。
支挡土板,不得再计算放坡。
10.人工挖土槽、地坑深超过3m时应分层开挖,底分层按深2m,层间每侧留工作台0.8m 计算。