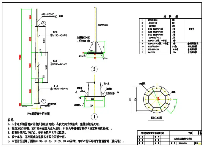
19米GH钢管避雷塔图纸
- 格式:pdf
- 大小:485.12 KB
- 文档页数:5
电气工程防雷接地安装细部做法,学习一下!来源:电力实事如有侵权,请联系删除避雷带、接地连接母线过沉降、伸缩缝安装做法、避雷带支架安装细部做法、住宅楼混凝土剪力墙内户内配电箱壳体和户内弱电综合箱壳体在墙内的预埋做法、屋顶避雷带与引下线连接处的细部处理做法、快速预埋时,电气管线盒安装做法、接地预埋连接板、金属窗户的等电位连接细部做法、筒灯在吊顶上的安装做法、配电箱在轻质隔墙板上的安装做法等,下面让我们一起来学习吧!1、避雷带、接地连接母线过沉降、伸缩缝安装做法(1)避雷带、卡子、扁钢应作镀锌处理。
(2)避雷带、接地母线在穿过沉降缝、伸缩缝要预留出余量,避免其变形时拉断避雷带或接地母线。
(3)避雷带、接地母线在过沉降缝、伸缩缝根据以下图示做成半圆形,既保证美观又符合防雷接地要求。
2、避雷带支架安装细部做法(1)现浇女儿墙挑檐避雷带支架安装做法如下图,扁钢支架在安装时要密切和土建专业配合好,对成排的避雷带支架的水平度、垂直度要拉线逐个检查。
(2)预制女儿墙挑檐避雷带支架安装做法如下图:(3)女儿墙挑檐避雷带支架用膨胀螺栓固定安装做法如下图:(4)女儿墙挑檐用石材等装饰材料包住后,避雷带支架在石材上的固定做法如下图:(5)屋顶避雷带支架在预制混凝土块上安装做法:3、住宅楼混凝土剪力墙内户内配电箱壳体和户内弱电综合箱壳体在墙内的预埋做法(1)户内配电箱壳体和户内弱电综合箱壳体必须跟主体结构一块进行预埋,所以要在开工前根据图纸把户内配电箱壳体和户内弱电综合箱壳体先定做好。
(2)户内配电箱壳体和户内弱电综合箱壳体制做的板材厚度δ≥2mm,也就是说壳体抗变形强度必须超过剪力墙内混凝土的压力,保证壳体不变形。
(3)壳体在安装时,壳体对地的标高一定要找准确,切记结构和建筑上的标高差。
(4)壳体在剪力墙钢筋网上安装固定时,要用水平尺找壳体的垂直度和水平度(壳体的垂直度小于1.5mm/m,水平度小于2mm/m)。
(5)壳体口必须要紧贴模板,具体做法就是在壳体两侧各加焊一根ф10的顶筋,顶筋长度与剪力墙体厚度相同,顶筋一端与壳体口焊齐,合模前沿壳体口边缘粘贴25mm宽、10mm厚海绵条,保证在合模时壳体口与模板接触上。
楼顶16米装饰避雷塔工程施工方案长沙赛瑞电子技术有限公司2010年8月10日施工组织设计一、工程概况:(1)本工程为楼顶16米不锈钢装饰避雷塔工程,内容包括装饰避雷塔生产、运输、安装等。
(2)本装饰避雷塔位于12层楼顶之上共1座,装饰避雷塔主体为钢管,结构外包不锈钢板,全部钢结构均为热镀锌防腐处理。
(3)由于本工程安装位置较高、施工难度较大,对技术要求标准较高。
二、组织设计:根据以上工程概况及贵单位对工期、质量等各方面的要求,结合我厂实际情况,我厂本着科学、合理的原则,特做如下施工设计,力求可行。
(1)生产准备:①生产人员准备:设立项目经理1名,选派有特种操作能力的人员、分别编制为2个生产班组、1个安装队、1个试装车间、3个科室配合施工。
②投入生产设备:角钢自动生产线、Z32摇臂钻床、法兰盘预变形压力机、冲床、剪板机、电焊机、车床、刨床、型钢轧圆机、调直机、龙门吊等到配套设施。
(2)施工过程:①严格按照甲方认可的图纸进行工艺计算、放样生产。
②施工工序:图纸审核—工艺计算—放样—下料—生产(检验)—交接—试装—镀锌—出厂。
③拟定本工程的制作工期为10日,安装工期为5日,如遇雨天工期顺延。
(3)运输:①根据构件的具体情况,对运输造成的困难,合理安排运输车辆,做好构件的固定、防护等到安全工作,杜绝运输过程中的构件变形。
②运输过程总的构件数量、设专人看管,避免同类产品的错发、漏发等情况的发生。
③根据本厂的现有条件,对本厂能够的运输做到随用随到。
(4)安装:装饰避雷塔的安装属于本工程的重点难点部分,对于本工程的安装,我厂特设一安装队,共5人,其中队长一人,安装队员4人,塔件运到后甲方用吊车吊至楼顶施工。
根据工程的具体特点现场条件,需搭建脚手架工作而利于铁塔施工,铁塔采用抱杆、滑轮、绞磨等工具分组吊装,力求安全。
安装时遵循下列安装顺序:测量基础→安装一节钢管柱→螺栓紧固→安装二节钢管柱→螺栓紧固→安装三节钢管柱→验证塔身骨架整体稳定性→验证外部骨架平面特性→包不锈钢板→不锈钢焊点复查→螺栓复紧→竣工移交安装中严格按上述要求施工,对于具体部位的具体施工方法,在施工时我公司将根据不同部位的不同特点做出详细的施工操作流程图及工程装配图,安装人员在队长的监督下严格按图施工,确保安装合格及人员安全。
避雷针塔避雷塔常见有以下几种规格:GFL角钢避雷针塔、GJT圆钢避雷针塔、GH 钢管杆避雷针塔等多种形式的金属塔,右图所示的就是GFL系列的角钢避雷针塔。
避雷针塔的保护范围还要按照滚球法来计算保护半径和保护范围。
GFL避雷塔主要用于各种建筑的防雷工程,特别是炼油厂,加油站,化工厂,煤矿,炸药库,易燃易爆车间,更应该及时的安装避雷塔,因气候变化,雷电灾害不断加重,现在很多建筑都安装避雷塔,特别是楼顶不锈钢饰铁塔,造形样式多样,外形美观,设计新颖独特,广泛应用于各类大楼楼顶、广场及小区的绿地等的建筑,使之与建筑物交相辉映,成为城市中标志性的装饰建筑。
避雷塔原理与避雷针一样。
减少雷电灾害。
避雷塔使用条件:1、基本风压:W0=0.4及0.7KN/m2两种2、抗震设防烈度:8度及小于8度地区3、地基承载力:100及200KN/m24、覆冰厚度:≤10mm、垂直度:≤1/10005、材质:Q235-Q345钢材6、防腐处理:热渡锌防腐处理/冷渡锌防腐/油漆粉刷7、材料产地:宝钢/首钢/邯钢/唐钢等8、有效使用期:10年以上避雷塔设计依据:1、建筑物防雷设计规范(GB50057-94)2、高耸结构设计规范(GBJ135-90)3、钢结构设计规范(GB50017-2003)4、塔桅钢结构施工及验收规程(CECS80:2006)避雷塔加工规范所有避雷塔结构安装、维护要点及质量控制第一章避雷针塔的安装第一节进场材料检验材料质量是工程质量的基础,材料质量不符合要求,工程也就不可能符合标准。
所以,加强材料的检验,是提高工程质量的重要保证。
第一条现场材料检验程序:1、材料进场时,现场检验工作应由建设单位、监督单位、施工单位、供货方等相关人员参加。
2、施工单位应填写进场材料检验单,并附钢材和其他材料的质量证明书和试验报告送监理单。
第二条现场检验内容:可采取目测、实测等方法。
主要检查构件是否变形(包括运输中的变形及焊接变形),构件的尺寸规格是否符合设计图纸的要求,并用镀层测厚仪抽测构件的镀锌厚度。
避雷塔、避雷针塔选型表型号高度(米)根开(米)重量(公斤)照明台风压(kn/m2)基础形式混凝土(方)备注GFL1-1 20 1.295 1178.9 无 0.4 JA-1 7.944GFL1-2 20 1.295 1244.3 双 0.4 JA-1 7.944GFL1-3 20 1.295 1178.9 无 0.4 JA-1 7.944GFL1-4 20 1.295 1244.3 双 0.4 JA-1 7.944GFL1-5 25 1.571 1513.6 无 0.4 JA-3 11.133GFL1-6 25 1.571 1587.0 双 0.4 JA-3 11.133GFL1-7 25 1.571 1513.6 无 0.4 JB-2 7.137GFL1-8 25 1.571 1587.0 双 0.4 JB-2 7.137GFL1-9 30 1.847 1923.1 无 0.4 JB-3 8.943GFL1-10 30 1.847 2003.7 双 0.4 JB-3 8.943郑州万佳防雷有限公司文案大全GFL1系列钢结构避雷针塔选型表型号高度(米)根开(米)重量(公斤)照明台风压(kn/m2)基础形式混凝土(方)备注GFL1-11 30 1.847 1923.1 无 0.4 JB-3 8.943GFL1-12 30 1.847 2003.7 双 0.4 JB-3 8.943GFL1-13 35 2.124 2426.9 无 0.4 JB-8 13.530GFL1-14 35 2.124 2514.9 双 0.4 JB-8 13.530GFL1-15 35 2.124 2426.9 无 0.4 JB-4 9.010GFL1-16 35 2.124 2514.9 双 0.4 JB-4 9.010GFL1-17 40 2.400 3018.0 无 0.4 JB-13 19.156GFL1-18 40 2.400 3113.4 双 0.4 JB-13 19.156GFL1-19 40 2.400 3018.0 无 0.4 JB-9 13.596GFL1-20 40 2.400 3113.4 双 0.4 JB-9 13.596郑州万佳防雷有限公司文案大全GFL2系列钢结构避雷针塔选型表型号高度(米)根开(米)重量(公斤)照明台风压(kn/m2)基础形式混凝土(方)备注GFL2-1 20 1.295 1252.6 无 0.7 JA-2 11.133GFL2-2 20 1.295 1318.0 双 0.7 JA-2 11.133GFL2-3 20 1.295 1252.6 无 0.7 JA-2 11.133GFL2-4 20 1.295 1318.0 双 0.7 JA-2 11.133GFL2-5 25 1.571 1650.1 无 0.7 JA-5 13.788GFL2-6 25 1.571 1723.5 双 0.7 JA-5 13.788GFL2-7 25 1.571 1650.1 无 0.7 JB-2 7.137GFL2-8 25 1.571 1723.5 双 0.7 JB-2 7.137GFL2-9 30 1.847 2107.2 无 0.7 JB-6 13.463GFL2-10 30 1.847 2187.8 双 0.7 JB-6 13.463郑州万佳防雷有限公司文案大全GFL2系列钢结构避雷针塔选型表型号高度(米)根开(米)重量(公斤)照明台风压(kn/m2)基础形式混凝土(方)备注GFL2-11 30 1.847 2107.2 无 0.7 JB-6 13.463GFL2-12 30 1.847 2187.8 双 0.7 JB-6 13.463GFL2-13 35 2.124 2677.2 无 0.7 JB-12 19.090GFL2-14 35 2.124 2765.2 双 0.7 JB-12 19.090GFL2-15 35 2.124 2677.2 无 0.7 JB-8 13.530GFL2-16 35 2.124 2765.2 双 0.7 JB-8 13.530GFL2-17 40 2.400 3384.8 无 0.7 JB-15 27.476GFL2-18 40 2.400 3480.2 双 0.7 JB-15 27.476GFL2-19 40 2.400 3384.8 无 0.7 JB-13 19.156GFL2-20 40 2.400 3480.2 双 0.7 JB-13 19.156郑州万佳防雷有限公司文案大全GH系列环形钢管避雷针塔选型表型号高度(米)底径(毫米)重量(公斤)照明台风压(kn/m2)基础形式混凝土(方)梢径/壁厚 GH-1 11 362 305 无 0.4 JD-1 1.28 190/5 GH-2 11 362 305 无 0.4 JD-1 1.28 190/5 GH-3 11 362 364 无 0.7 JD-1 1.28 190/6 GH-4 11 362 364 无 0.7 JD-1 1.28 190/6 GH-5 13 400 398 无 0.4 JD-1 1.28 190/5 GH-6 13 400 398 无 0.4 JD-1 1.28 190/5 GH-7 13 400 475 无 0.7 JD-1 1.28 190/6 GH-8 13 400 475 无 0.7 JD-1 1.28 190/6 GH-9 15 438 500 无 0.4 JD-2 2.025 190/5 GH-10 15 438 500 单 0.4 JD-2 2.025 190/5郑州万佳防雷有限公司文案大全GH系列环形钢管避雷针塔选型表型号高度(米)底径(毫米)重量(公斤)照明台风压(kn/m2)基础形式混凝土(方)梢径/壁厚 GH-11 15 438 500 双 0.4 JD-2 2.025 190/5 GH-12 15 438 500 无 0.4 JD-2 2.025 190/5 GH-13 15 438 500 单 0.4 JD-2 2.025 190/5 GH-14 15 438 500 双 0.4 JD-2 2.025 190/5 GH-15 15 438 597 无 0.7 JD-2 2.025 190/6 GH-16 15 438 597 单 0.7 JD-2 2.025 190/6 GH-17 15 438 597 双 0.7 JD-2 2.025 190/6 GH-18 15 438 597 无 0.7 JD-2 2.025 190/6 GH-19 15 438 597 单 0.7 JD-2 2.025 190/6 GH-20 15 438 597 双 0.7 JD-2 2.025 190/6郑州万佳防雷有限公司文案大全GH系列环形钢管避雷针塔选型表型号高度(米)底径(毫米)重量(公斤)照明台风压(kn/m2)基础形式混凝土(方)梢径/壁厚 GH-21 17 476 611 无 0.4 JD-2 2.025 190/5 GH-22 17 476 611 单 0.4 JD-2 2.025 190/5 GH-23 17 476 611 双 0.4 JD-2 2.025 190/5 GH-24 17 476 611 无 0.4 JD-2 2.025 190/5 GH-25 17 476 611 单 0.4 JD-2 2.025 190/5 GH-26 17 476 611 双 0.4 JD-2 2.025 190/5 GH-27 17 476 731 无 0.7 JD-2 2.025 190/6 GH-28 17 476 731 单 0.7 JD-2 2.025 190/6 GH-29 17 476 731 双 0.7 JD-2 2.025 190/6 GH-30 17 476 731 无 0.7 JD-2 2.025 190/6郑州万佳防雷有限公司文案大全GH系列环形钢管避雷针塔选型表型号高度(米)底径(毫米)重量(公斤)照明台风压(kn/m2)基础形式混凝土(方)梢径/壁厚 GH-31 17 476 731 单 0.7 JD-2 2.025 190/6 GH-32 17 476 731 双 0.7 JD-2 2.025 190/6 GH-33 19 514 732 无 0.4 JD-2 2.025 190/5 GH-34 19 514 732 双 0.4 JD-2 2.025 190/5 GH-35 19 514 732 无 0.4 JD-2 2.025 190/5 GH-36 19 514 732 双 0.4 JD-2 2.025 190/5 GH-37 19 514 875 无 0.7 JD-2 2.025 190/6 GH-38 19 514 875 双 0.7 JD-2 2.025 190/6 GH-39 19 514 875 无 0.7 JD-2 2.025 190/6 GH-40 19 514 875 双 0.7 JD-2 2.025 190/6郑州万佳防雷有限公司文案大全GFW1系列钢结构避雷线塔选型表型号高度(米)根开(米)重量(公斤)线塔跨度风压(kn/m2)基础形式混凝土(方)备注 GFW1-1 20 1.500 1275.3 40-80(Φ7.8) 0.4 JA-4 13.788GFW1-2 20 1.500 1275.3 40-80(Φ7.8) 0.4 JB-1 6.880GFW1-3 25 1.800 1701.6 40-120(Φ7.8) 0.4 JA-7 16.972GFW1-4 25 1.800 1701.6 40-120(Φ7.8) 0.4 JB-5 10.368GFW1-5 30 2.100 2218.7 40-160(Φ7.8) 0.4 JB-11 18.700GFW1-6 30 2.100 2218.7 40-160(Φ7.8) 0.4 JB-7 13.140GFW1-7 35 2.400 2845.1 60-160(Φ7.8) 0.4 JB-13 18.700GFW1-8 35 2.400 2845.1 60-160(Φ7.8) 0.4 JB-9 13.140GFW1-9 40 2.700 3747.9 80-200(Φ7.8) 0.4 JB-14 18.700GFW1-10 40 2.700 3747.9 80-200(Φ7.8) 0.4 JB-10 13.140郑州万佳防雷有限公司文案大全GFW2系列钢结构避雷线塔选型表型号高度(米)根开(米)重量(公斤)线塔跨度风压(kn/m2)基础形式混凝土(方)备注GFW2-1 20 1.500 1333.2 40-80(Φ7.8) 0.7 JA-6 16.972GFW2-2 20 1.500 1333.2 40-80(Φ7.8) 0.7 JA-6 16.972GFW2-3 25 1.800 1864.9 40-120(Φ7.8) 0.7 JA-8 21.372GFW2-4 25 1.800 1864.9 40-120(Φ7.8) 0.7 JB-5 13.788GFW2-5 30 2.100 2390.6 40-160(Φ7.8) 0.7 JB-11 18.700GFW2-6 30 2.100 2390.6 40-160(Φ7.8) 0.7 JB-7 13.140GFW2-7 35 2.400 3169.8 60-160(Φ7.8) 0.7 JB-15 27.020GFW2-8 35 2.400 3169.8 60-160(Φ7.8) 0.7 JB-13 18.700GFW2-9 40 2.700 4234.3 80-200(Φ7.8) 0.7 JB-16 27.020GFW2-10 40 2.700 4234.3 80-200(Φ7.8) 0.7 JB-16 27.020郑州万佳防雷有限公司文案大全实用标准文案大全。
25米GFL避雷针避雷塔安装图编辑:郑州万佳防雷有限公司GFL避雷塔产品介绍避雷针塔的保护范围还要按照滚球法来计算保护半径和保护范围。
GFL避雷塔主要用于各种建筑的防雷工程,特别是炼油厂,加油站,化工厂,煤矿,车间,更应该及时的安装避雷塔,因气候变化,雷电灾害不断加重,现在很多建筑都安装避雷塔,特别是楼顶不锈钢饰铁塔,造形样式多样,外形美观,设计新颖独特,广泛应用于各类大楼楼顶、广场及小区的绿地等的建筑,使之与建筑物交相辉映,成为城市中标志性的装饰建筑。
避雷塔原理与避雷针一样。
减少雷电灾害。
避雷塔使用条件:1、基本风压:w0=0.4及0.7KN/m2两种2、抗震设防烈度:8度及小天8度地区3、地基承载力:100及200KN/m24、覆冰厚度:≤10mm5、垂直度:≤1/1000避雷塔设计依据:1、建筑物防雷设计规范(GB50057-94)2、高耸结构设计规范(GBJ135-90)3、钢结构设计规范(GB50017-2003)4、塔桅钢结构施工及验收规程(CECS80:2006)避雷塔制作、安装 1.所有金属部件必须镀锌,操作时注意保护镀锌层。
2.采用镀锌钢管管制作针尖,管壁厚度不得小于3mm,针尖刷锡长度不得小于70mm3.避雷塔应垂直安装牢固。
垂直度允许偏差为3/1000。
4.焊接要求焊接应采用搭接焊,其搭接长度必须符合下列规定:5.扁钢为其宽度的2倍(且至少3个棱边焊接)。
6.圆钢为其直径的6倍。
7.圆钢与扁钢连接时,其长度为圆钢直径的6倍。
8.避雷塔一般采用圆钢或钢管制成,其直径不应小于下列数值:a独立避雷塔一般采用直径为19mm镀锌圆钢。
b屋面上的避雷塔采用直径25mm镀锌钢管。
c水塔顶部避雷塔采用直径25mm或40mm的镀锌钢管d烟囱顶上避雷塔采用直径25mm镀锌圆钢或直径为40mm镀锌钢管e避雷环用直径12mm镀锌圆钢或截面为100mm2镀锌扁钢,其厚度应为4mm.9避雷塔宜采用圆钢或焊接钢管制成,其直径不应小于下列数值:针长1m以下:圆钢为12mm、钢管为20mm、针长1-2m:圆钢为16mm、钢管为25mm、烟囱顶上的针:圆钢为20mm、钢管为40mm万佳防雷公司系列产品:避雷塔,通信塔,监控塔,广播电视塔,装饰塔,瞭望塔,独立避雷针安装等避雷塔:四柱角钢避雷针塔,三柱圆钢避雷塔,锥形钢管避雷针塔及楼顶避雷装饰塔,避雷塔的高度一般在10米-45米,材料主要为角钢,圆钢,钢管。