25米镀锌角钢避雷针,图集15D501 GFL2避雷针塔及基础图
- 格式:pdf
- 大小:148.71 KB
- 文档页数:3
防雷与接地装置1.1 防雷装置使用的材料1.2 接闪器1.3 引下线1.4 接地装置1.1 防雷装置使用的材料1.1.1防雷装置使用的材料及其应用条件宜符合表 1.1.1的规定。
表 1.1.1防雷装置的材料及使用条件注:1敷设于粘土或潮湿土壤中的镀锌钢可能受到腐蚀;2在沿海地区,敷设于混凝土中的镀锌钢不宜延伸进入土壤中;3不得在地中采用铅。
1.1.2 做防雷等电位连接各连接部件的最小截面,应符合表 1.1.2的规定。
连接单台或多台Ⅰ级分类试验或 D1类电涌保护器的单根导体的最小截面,尚应按下式计算:S min≥I imp/8 (1.1.2)式中:S min---单根导体的最小截面 (mm2);I imp---流入该导体的雷电流 (kA)。
表 1.1.2 防雷装置各连接部件的最小截面1.2 接闪器1.2.1 接闪器的材料、结构和最小截面应符合表 1.2.1的规定。
表 1.2.1接闪线(带)、接闪杆和引下线的材料、结构与最小截面注:①热浸或电镀锡的锡层最小厚度为 1μm;②镀锌层宜光滑连贯、无焊剂斑点,镀锌层圆钢至少22.7g/m2、扁钢至少32.4g/m2;③仅应用于接闪杆。
当应用于机械应力没达到临界值之处,可采用直径10 mm、最长1 m的接闪杆,并增加固定;④仅应用于入地之处;⑤不锈钢中,铬的含量等于或大于 16 %,镍的含量等于或大于 8 %,碳的含量等于或小于0.08%;⑥对埋于混凝土中以及与可燃材料直接接触的不锈钢,其最小尺寸宜增大至直径10mm的78mm2(单根圆钢)和最小厚度 3mm 的 75mm2(单根扁钢);⑦在机械强度没有重要要求之处,50mm2(直径 8mm)可减为 28mm2(直径 6mm)。
并应减小固定支架间的间距;⑧当温升和机械受力是重点考虑之处,50mm2加大至75mm2;⑨避免在单位能量 10MJ/Ω下熔化的最小截面是铜为16mm2、铝为 25mm2、钢为50mm2、不锈钢为50mm2。
防雷施工技术要点
防雷接地引下线利用混泥土柱内两根∅16以上主筋及混凝土灌注桩四根∅16主筋焊接作为引下线,跨接线采用≥12mm圆钢。
引下线上端与避雷带焊接,下端与接地装置焊接。
相邻的两处引下线间距不大于18米。
接地装置为利用基础桩内及基础底板内主筋焊接形成的接地网,所有设备房、
精心整理
3、引下线与梁钢筋跨接。
精心整理
精心整理
精心整理
二、地钢筋网连接点的错焊、漏焊,漏设外引接地联结点或检测点预埋件。
三、在用结构钢材代替避雷针(网)及其引下线时,破坏了镀锌层防锈漆,螺栓连接片未经处理,片与片之间有缝隙等。
四、引下点间距偏大,引下线跨越变形缝处未加设补偿器,接地体安装埋设深度不够或引出线未作防腐处理。
精心整理
五、屋面金属物(如管道、梯子、旗杆和设备外壳等)未与屋顶防雷系统相连,等电位联结跨接地线线径不足。
六、电气设备接地(接零)的分支线未与接地干线连接。
精心整理。
避雷针塔避雷塔常见有以下几种规格:GFL角钢避雷针塔、GJT圆钢避雷针塔、GH 钢管杆避雷针塔等多种形式的金属塔,右图所示的就是GFL系列的角钢避雷针塔。
避雷针塔的保护范围还要按照滚球法来计算保护半径和保护范围。
GFL避雷塔主要用于各种建筑的防雷工程,特别是炼油厂,加油站,化工厂,煤矿,炸药库,易燃易爆车间,更应该及时的安装避雷塔,因气候变化,雷电灾害不断加重,现在很多建筑都安装避雷塔,特别是楼顶不锈钢饰铁塔,造形样式多样,外形美观,设计新颖独特,广泛应用于各类大楼楼顶、广场及小区的绿地等的建筑,使之与建筑物交相辉映,成为城市中标志性的装饰建筑。
避雷塔原理与避雷针一样。
减少雷电灾害。
避雷塔使用条件:1、基本风压:W0=0.4及0.7KN/m2两种2、抗震设防烈度:8度及小于8度地区3、地基承载力:100及200KN/m24、覆冰厚度:≤10mm、垂直度:≤1/10005、材质:Q235-Q345钢材6、防腐处理:热渡锌防腐处理/冷渡锌防腐/油漆粉刷7、材料产地:宝钢/首钢/邯钢/唐钢等8、有效使用期:10年以上避雷塔设计依据:1、建筑物防雷设计规范(GB50057-94)2、高耸结构设计规范(GBJ135-90)3、钢结构设计规范(GB50017-2003)4、塔桅钢结构施工及验收规程(CECS80:2006)避雷塔加工规范所有避雷塔结构安装、维护要点及质量控制第一章避雷针塔的安装第一节进场材料检验材料质量是工程质量的基础,材料质量不符合要求,工程也就不可能符合标准。
所以,加强材料的检验,是提高工程质量的重要保证。
第一条现场材料检验程序:1、材料进场时,现场检验工作应由建设单位、监督单位、施工单位、供货方等相关人员参加。
2、施工单位应填写进场材料检验单,并附钢材和其他材料的质量证明书和试验报告送监理单。
第二条现场检验内容:可采取目测、实测等方法。
主要检查构件是否变形(包括运输中的变形及焊接变形),构件的尺寸规格是否符合设计图纸的要求,并用镀层测厚仪抽测构件的镀锌厚度。
防雷施工技术要点防雷接地引下线利用混泥土柱内两根∅16以上主筋及混凝土灌注桩四根∅16主筋焊接作为引下线,跨接线采用≥12mm圆钢。
引下线上端与避雷带焊接,下端与接地装置焊接。
相邻的两处引下线间距不大于18米。
接地装置为利用基础桩内及基础底板内主筋焊接形成的接地网,所有设备房、电气竖井、电梯井的接地干线以及预留人工接地极的镀锌扁钢、接地端子板等与接地网可靠焊接。
用于避雷接地系统的镀锌圆钢、镀锌扁钢、镀锌角钢等材料必须是热镀锌件,品种规格应符合设计图及型材标准要求,具有材质检验证明书及出厂合格证。
1、搭接长度:圆钢与扁钢搭接为圆钢直径的6倍,双面施焊。
扁钢与钢管,扁钢与角钢焊接,紧贴角钢外侧两面,或紧贴3/4钢管表面,上下双侧施焊。
扁钢与扁钢搭接为扁钢宽度的2倍,不少于三面施焊。
2、焊缝要求:焊缝应饱满并有足够的机械强度,不得有夹渣、咬肉、裂纹、虚焊、气孔等缺陷,焊接处的药皮要敲净。
3、引下线与梁钢筋跨接。
4、利用柱主筋作防雷引下线时,主筋连接的两端应作跨接处理。
5、总等电位和局部等电位根据设计要求,用镀锌扁铁引出。
6、引下线应采用油漆做标记,防止错焊导致上下不连通。
7、均压环。
I类建筑30m以上,II类建筑45m以上应焊接均压环。
作为接地均压环的圈梁钢筋选取圈梁上层左右2根直径≧16mm的钢筋,若直径小于16mm,可选用圈梁上层4根钢筋作接地均压环。
各均压环与防雷引下线按规范做法可靠连接,各楼层外墙的各类金属设施均应就近与其等电位连接,连接点应不少于两处。
防雷接地施工常见问题:一、避雷带、引下线、接地体、均压环搭接的长度不够,焊接处有夹渣、焊瘤和气孔等。
二、地钢筋网连接点的错焊、漏焊,漏设外引接地联结点或检测点预埋件。
三、在用结构钢材代替避雷针(网)及其引下线时,破坏了镀锌层防锈漆,螺栓连接片未经处理,片与片之间有缝隙等。
四、引下点间距偏大,引下线跨越变形缝处未加设补偿器,接地体安装埋设深度不够或引出线未作防腐处理。
万佳防雷-小黄杨帅四角形避雷塔、GFW避雷拉线塔、部队防雷施工安装图GFW避雷拉线塔主要用于各种建筑的防雷工程,特别是发电厂、炼油厂,加油站,化工厂,煤矿,zha yao库,易ran易bao车间,更应该及时的安装避雷塔,因气候变化,雷电灾害不断加重,现在很多建筑都安装避雷塔,特别是楼顶不锈钢饰铁塔,造形样式多样,外形美观,设计新颖独特,广泛应用于各类大楼楼顶、广场及小区的绿地等的建筑,使之与建筑物交相辉映,成为城市中标志性的装饰建筑。
避雷塔原理与避雷针一样。
减少雷电灾害。
主要产品99D505-1系列、包括GFL1-1 GFL1-2 GFL1-3 GFL1-4 GFL1-5 GFL1-6 GFL1-7 GFL1-8 GFL1-9 GFL1-10 GFL1-11 GFL1-11 GFL1-12 GFL1-13 GFL1-14 GFL1-15 GFL1-16 GFL1-17 GFL1-18 GFL1-19 GFL1-20 GFL2-1 GFL2-2 GFL2-3 GFL2-4 GFL2-5 GFL2-6 GFL2-7 GFL2-8 GFL2-9 GFL2-10 GFL2-11 GFL2-12 GFL2-13 GFL2-14 GFL2-15 GFL2-16 GFL2-17 GFL2-18 GFL2-19 GFL2-20 GFW1-1 GFW1-2 GFW1-3 GFW1-4 GFW1-5 GFW1-6 GFW1-7 GFW1-8 GFW1-9 GFW1-10 GFW2-1 GFW2-2 GFW2-3 GFW2-4 GFW2-5 GFW2-6 GFW2-7 GFW2-8 GFW2-9 GFW2-10 BXT-1 BXT-2 BXT-3 BXT-4 GJT-1 GJT-2 GJT-3 GJT-4 GJT-5 GJT-6 GJT-7 GJT-8 GJT-9 GJT-10 GJT-11 GJT-12 GJT-13 GJT-14 GJT-15 GJT-16 GJT-17 GJT-18 GJT-19 GJT-20 GJT-21 GJT-22 GJT-23 GJT-24 GFW避雷拉线塔使用条件:1、基本风压:w0=0.4及0.7KN/m2两种2、抗震设防烈度:8度及小于8度地区3、地基承载力:100及200 KN/m24、覆冰厚度:≤10mm5、垂直度:≤1/1000GFW避雷拉线塔设计依据:1、建筑物防雷设计规范(GB50057-94)2、高耸结构设计规范(GBJ135-90)3、钢结构设计规范(GB50017-2003)4、塔桅钢结构施工及验收规程(CECS 80:2006)GFW避雷拉线塔安装图。
25m独立避雷针的安装施工方案独立避雷针是保证污水处理站和人身、设备免受雷击灾害所必须采取的重要技术措施。
污水处理站建设时根据所需保护的建筑、构架以及设备分布情况进行避雷针防雷保护。
一、根据设计单位计算,土岭底污水处理站新建工程将安装2根25米高的独立避雷针,由于25米高的独立避雷针高度较高,重量大约(1.2625 T),且靠近构架和带电线路,因此,作业难度较大,特制定本施工方案。
二、施工时间此项工程总体时间计划:2013年6月5日至2013年6月30日三、施工内容及主要质量控制要点(一)施工准备(1)技术准备。
l)图纸会检:严格按照国家电网公司《电力建设工程施工技术管理导则》的要求做好图纸会检工作,主要有下列几项:a. 施工图纸与设备、原材料的技术要求是否一致;b.图纸表达深度能否满足施工需要;c.施工图之间和总分图之间、总分尺寸之间有无矛盾;d.设计采用的四新在施工技术、机具和物资供应上有无困难。
2)技术交底:应按照导则规定,每个分项工程必须分级进行施工技术交底。
技术交底内容要充实,具有针对性和指导性,全体参加施工的人员都要参加交底并签名,形成书面交底记录。
(2)机具准备。
按照施工措施要求的工器具进行准备和检查,详细见附表一。
(3)构件进场、验收及堆放。
l)构件进场时,应检查出厂合格证、构件安装说明、螺栓清单等出厂资料,以及构件的防腐质量、碰伤、变形情况,镀锌层不得有黄锈、锌瘤、毛刺及漏锌现象。
2)堆放时用道木垫起,构件不允许与地面直接接触,钢管堆放不得超过三层。
3)构件验收的质量标准:对单节钢管弯曲矢高偏差控制在L/1500,且≤5mm;单个构件长度偏差≤±3mm。
四、作业人员组织。
总负责人:李强技术负责人:樊海军安全负责人:燕飞施工负责人:李红波吊装负责人:构件组装: 技工4人,焊工2人,辅工4人。
吊装:指挥1人,吊车司机1人, 登高2人。
溜绳控制: 2人,柱就位:4人,辅工:4人。
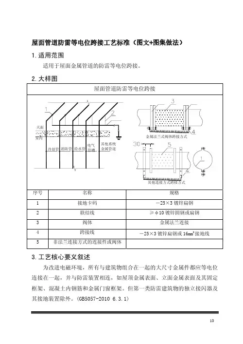
屋面管道防雷等电位跨接工艺标准(图文+图集做法)
1.适用范围
适用于屋面金属管道的防雷等电位跨接。
2.大样图
3.工艺核心要义叙述
为改进电磁环境,所有与建筑物组合在一起的大尺寸金属件都应等电位连接在一起,并与防雷装置相连,如屋顶金属表面、立面金属表面及其固定框架、混凝土内钢筋和金属门窗框架。
但第一类防雷建筑物的独立接闪器及其接地装置除外。
(GB5057-2010 6.3.1)
10
机电安装工程施工工艺标准----电气
屋面各系统金属管道由屋面进入室内前应通过与接地干线的联结实现等电位联结,金属管道通过抱箍在管道上的卡码与接地干线的焊接实现联结,电气金属槽架和金属风管不能通过支架联结,应直接与接地干线联结。
非金属阀体、卡箍连接件、橡胶软接,螺栓少于5颗的金属法兰及法兰式金属阀体需要作接地跨接。
若管道为焊接管则不使用接地卡码,采用焊接方式连接。
穿过各防雷区界面的金属物和建筑物内系统,以及在一个防雷区内部的金属物和建筑物内系统均应在界面处附近做符合下列要求的等电位连接。
所有进入建筑物的外来导电物均应在LPZOA或LPZOB与LPZ1区的界面处做等电位连接。
当外来导电物、电气和电子系统的线路在不同地点进入建筑物时,宜设若干等电位连接带,并应将其就近连到环形接地体、内部环形导体或此类钢筋上,他们在电气上是贯通的并连通到接地体,含基础接地体(GB50057 6.3.4-1)。
4.注意事项
接地一律采用并联形式,不得采用串联方式。
11。