无梁楼盖设计要点
- 格式:doc
- 大小:25.50 KB
- 文档页数:7
地下室底板无梁楼盖的设计地下室在民用建筑中应用越来越广泛(特别是高层建筑),一般用作地下商场、停车场以及人防设施。
在多雨的广东地区,地下室底板经常承受水浮力作用,防水抗渗要求地下室底板板厚比较厚,板厚不少于250mm, 无梁楼盖是由楼板、柱和柱帽组成的板柱结构体系,楼面荷载直接由板传给柱及柱下基础。
无梁楼盖的特点是板厚比较厚,楼盖比较重,有利于提高结构的抗浮能力,在施工方面,采用无梁楼盖结构形式有省砖模、楼面钢筋绑扎方便,设备安装方便等优点,从而大大提高了施工速度。
因此,无梁楼盖在地下室底板的应用越来越广泛了,本文主要针对地下室底板无梁楼盖的设计,结合结构设计软件08版PKPM-SLABCAD,谈谈自己的一些设计心得。
一.由抗渗等级、设防水位、地下室侧壁壁厚初步定底板板厚1.由地下室的埋置深度确定防水混凝土的设计抗渗等级,根据《地下工程防水技术规程》第4.1.4条3.侧壁与底板(基础)连接,底板(基础)视为侧壁的固定支承时,底板(基础)的厚度必须大于池壁,可根据地基的土质情况取1.2~1.5倍侧壁厚度,并将底板(基础)外挑;当侧壁与底板板厚一样时,底板可视为侧壁的弹性支座,对于外墙为悬臂式挡土墙,一般都按底板为池壁的固定支承,故相应部份的底板板厚需为侧壁厚度的1.2~1.5倍。
工程实例:工程概况:某工程位于中山东区,一层地下室车库,室外地面标高-0.100m,地下室底板板面标高-3.300m,设防水位为-0.300m.楼梯间在首层±0.00m处无楼板,楼梯间外墙为悬臂构件。
暂定底板板厚300mm。
工程埋置深度H约为(-0.100)-(-3.3-0.300)=3.5m,根据表4.1.4,底板的防水抗渗等级为P6;水头高度H1=(-0.300)-(-3.3-0.300)=3.3m,根据表1,H1/t≤10,t≥330mm,暂取板厚t=350mm 楼梯间外墙的计算模型为一端固端一端由的悬臂构件,通过构件计算得楼梯间外墙的合理壁厚为350mm,故与楼梯间外墙相连的底板的板厚取1.2~1.5倍侧壁壁厚,由于该工程地基土质较好,故该部份底板板厚t取450mm.二.板面荷载计算1、底板强度挠度裂缝主要受两种荷载工况控制,向下力(自重、一般使用活荷载)控制和向上力(浮托力)控制两种主要工况。
楼盖结构中无梁结构体系的特点及设计要点作者:冯磊来源:《房地产导刊》2014年第04期【摘要】无梁楼盖结构体系又称板柱结构体系,这是相对梁板结构体系而言的。
随着我国经济水平的发展,无梁楼盖作为一种常见的楼盖形式已广泛应用于各类建筑中。
随着我国经济水平的发展,无梁楼盖作为一种常见的楼盖形式已广泛应用于各类建筑中。
本文阐述了无梁楼盖结构体系的计算方法和技术经济分析,希望能为以后无梁体系在工程中的应用提供一些参考。
【关键词】有梁体系;无梁体系;特点;应用范围引言无梁楼盖结构体系又称板柱结构体系,这是相对梁板结构体系而言的。
在我国,无梁楼盖结构体系是近年来发展较为迅速的一项建筑结构新技术。
较之传统的密肋梁结构体系它具有整体性好、建筑空间大,可有效地增加层高等优点。
并且,采用无梁楼盖体系的建筑物的地震效应也要明显小于层高较大的梁板结构体系的建筑物。
在施工方面,采用无梁楼盖结构体系的建筑物具有施工支模简单、楼面钢筋绑扎方便,设备安装方便等优点,从而大大提高了施工速度。
因此,采用无梁楼盖结构具有明显的经济效益和社会效益。
1.无梁结构体系相比于有梁结构体系的优点:1.1对任一建筑物来讲,都要对选择的楼盖体系方案的各个因素进行综合考虑,这些因素包括:建筑空间的功能需求、结构形式决定的楼盖支撑条件、荷载的大小等。
如果建筑物高度与层高某种因素受限制而无法得到满意的使用空间高度时,可以考虑选用无梁楼盖作为增加使用空间高度相当有效的方法之一,在城市规划限制房屋总高度的条件下能争取增加层数,可多得到建筑面积以取得更好的经济效益。
因此无梁楼盖结构已被广泛应用在商场、写字楼、车库、地下室、多层厂房等各类建筑之中。
1.2无梁楼盖结构体系的优点:无梁楼盖结构的另外一个名称是板柱结构,主要应用于板柱结构和板柱-剪力墙结构中。
与普通梁板结构体系相比,它的优点为:净空利用率高,造型美观,有利于通风、便于布置管线和施工,用于地下室等结构中在满足相同净空要求的前提下能有效减少建筑层高进而能够减少土方开挖量;在施工方面,采用无梁楼盖结构体系的建筑物具有施工支模简单、节约模板,楼面钢筋绑扎方便,设备安装方便等优点。
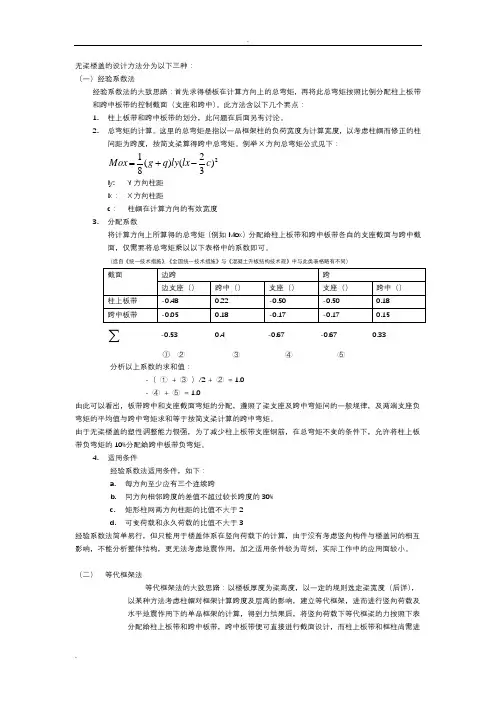
无梁楼盖的设计方法分为以下三种:(一)经验系数法经验系数法的大致思路:首先求得楼板在计算方向上的总弯矩,再将此总弯矩按照比例分配柱上板带和跨中板带的控制截面(支座和跨中)。
此方法含以下几个要点:1. 柱上板带和跨中板带的划分,此问题在后面另有讨论。
2. 总弯矩的计算。
这里的总弯矩是指以一品框架柱的负荷宽度为计算宽度,以考虑柱帽而修正的柱间距为跨度,按简支梁算得跨中总弯矩。
例举X 方向总弯矩公式见下:2)32()(81c lx ly q g Mox -+= ly: Y 方向柱距lx : X 方向柱距c : 柱帽在计算方向的有效宽度3. 分配系数将计算方向上所算得的总弯矩(例如Mox )分配给柱上板带和跨中板带各自的支座截面与跨中截面,仅需要将总弯矩乘以以下表格中的系数即可。
(选自《统一技术措施》,《全国统一技术措施》与《混凝土升板结构技术规》中与此类表格略有不同)∑ -0.530.4 -0.67 -0.67 0.33 ① ②③ ④ ⑤ 分析以上系数的求和值:-( ① + ③ )/2 + ② = 1.0- ④ + ⑤ = 1.0由此可以看出,板带跨中和支座截面弯矩的分配,遵照了梁支座及跨中弯矩间的一般规律,及两端支座负弯矩的平均值与跨中弯矩求和等于按简支梁计算的跨中弯矩。
由于无梁楼盖的塑性调整能力很强,为了减少柱上板带支座钢筋,在总弯矩不变的条件下,允许将柱上板带负弯矩的10%分配给跨中板带负弯矩。
4. 适用条件经验系数法适用条件,如下:a.每方向至少应有三个连续跨 b. 同方向相邻跨度的差值不超过较长跨度的30%c. 矩形柱网两方向柱距的比值不大于2d. 可变荷载和永久荷载的比值不大于3经验系数法简单易行,但只能用于楼盖体系在竖向荷载下的计算,由于没有考虑竖向构件与楼盖间的相互影响,不能分析整体结构,更无法考虑地震作用,加之适用条件较为苛刻,实际工作中的应用面较小。
(二) 等代框架法等代框架法的大致思路:以楼板厚度为梁高度,以一定的规则选定梁宽度(后详),以某种方法考虑柱帽对框架计算跨度及层高的影响,建立等代框架,进而进行竖向荷载及水平地震作用下的单品框架的计算,得到力结果后,将竖向荷载下等代框梁的力按照下表分配给柱上板带和跨中板带,跨中板带便可直接进行截面设计,而柱上板带和框柱尚需进行地震工况和竖向荷载工况的力组合,以及规对框架结构要求的力调整后才能进行截面设计。
无梁楼盖设计(一)无梁楼盖设计在YJK现有的建模、上部计算、楼板施工图三个模块中就可完成,而且无梁楼盖的设计可以和其它结构整体建模和分析协同工作,是融入其它结构设计之中的。
大致流程是:在建模中布置无梁楼盖的虚梁(或暗梁)和柱帽;在上部结构计算中采用弹性板3或弹性板6模型,弹性板荷载计算方式应选择有限元方式;计算结果中补充了柱的冲切计算;在楼板设计中采用楼板有限元计算,并按照柱上板带、跨中板带给出计算结果和楼板施工图设计。
一、在建模中布置虚梁和柱帽对无梁楼盖,仍按照普通楼层的建模方式,在全楼中,无梁楼盖可能只占几个楼层,或者楼层中的某一部分为无梁楼盖,其余部分仍为普通楼盖。
对无梁楼盖部分主要是输入虚梁、暗梁以及柱帽,有时还有加腋板。
1、布置虚梁指示板带位置无梁楼盖没有梁,柱之间需布置虚梁或者暗梁。
这里梁的第一个作用是生成楼板,第二个作用是指定柱上板带的布置位置,软件自动生成的柱上板带就是沿着虚梁或者暗梁布置的。
软件对虚梁本身不会做设计和配筋,虚梁本身的刚度很小,对整体计算没什么影响。
2、布置暗梁暗梁就是指有一定的宽度、但高度与板厚相同的梁。
在无梁楼盖设计中,暗梁首先可以起到虚梁同样的作用,即生成房间楼板和确定柱上板带的布置位置。
暗梁按照普通梁方式输入即可。
《高规》8.2.4:“板柱-剪力墙结构中,板的构造应符合下列规定:1 抗震设计时,应在柱上板带中设置构造暗梁,暗梁宽度取柱宽及两侧各1.5倍板厚之和,暗梁支座上部钢筋截面积不宜小于柱上板带钢筋面积的50%,并应全跨拉通,按梁下部钢筋应不小于上部钢筋的1/2。
”因此,暗梁的尺寸可按高规的要求输入。
在上部结构计算时,对无梁楼盖板应选择按照弹性板3或者弹性板6计算,这种计算模式将使楼板和梁变形协调,共同承担荷载,我们输入的暗梁尺寸适当,其暗梁的配筋结果就基本可用。
暗梁本身有一定的刚度,在楼板施工图模块的有限元计算时,考虑到它的刚度和楼板的刚度是重合的,因此软件自动忽略了暗梁的刚度,以保证计算的准确性。
无梁楼盖计算分析与设计当前,很多项目在地下空间的设计过程中,大量采用无梁楼盖结构体系,目前该结构体系的设计依据较少。
根据本人近几年在该体系的设计经验,对该结构体系设计过程中提出部分设计建议供参考。
标签:无梁楼盖;柱帽;托板;消防车荷载;冲切;不平衡弯矩无梁楼盖结构体系,在空间利用上有绝对的优势,近几年无梁楼盖结构体系大量用于地下室楼盖。
同时因设计不成熟、施工不重视,导致该体系在施工过程中事故频发。
本人结合近些年的设计经验及对规范的理解对无梁楼盖结构体系提出以下个人设计建议。
1、柱帽、托板类型无梁楼盖柱帽、托板类型有以下几种类型,见图1:类型一及类型三适合用于荷载相对较小的情况,如地下室中间层楼盖。
地下室顶板等作用荷载较大的情况通常采用类型二(柱帽+托板)的形式。
2、截面尺寸取值楼板板厚的取值,首先需要满足柱帽或者托板对它的冲切,建议控制冲切系数不大于0.75。
除了控制柱帽或托板对它的冲切外,还应该重视配筋的选取。
无梁楼盖配筋均为双层双向配筋后柱帽位置再附加短钢筋,建议附加短钢筋与拉通钢筋的级差不超过三级。
如计算出来的结果导致拉通钢筋与附加钢筋级差较大时应适当的加厚楼板。
柱帽及托板厚度取值取决于冲切、受弯计算,建议控制冲切计算时冲切系数不大于0.75,受弯计算时需反复调试托板厚度以达到同上a条控制附加短钢筋与拉通钢筋的级差。
托板宽度取值,主要也是根据配筋率及拉通筋与附加筋的级差控制。
建议取值可参考按照1\3~1\4柱跨度取值,当楼板厚度较厚大于400mm时托板宽度可取小值,当楼板厚度较薄小于300mm时托板宽度可取大值。
3、无梁楼盖的传力在普通的梁板结构体系中,梁刚度远大于楼板的平面外刚度,我们一般假定楼板平面内刚度无限大,平面外刚度为0,同时采用“梁刚度放大系数”来弥补楼板的面外刚度,这样楼板荷载传递到梁再传递给竖向构件,传力路径简单清晰。
但在无梁楼盖结构体系中,因没有明显梁的作用,所以楼板荷载是直接传递到竖向构件的,计算应考虑楼板的平面内和平面外刚度,软件计算中楼板按弹性楼板6考虑。
无梁楼盖结构设计要点探究无梁楼盖结构体系的传力路径清晰,同时具有增加楼层净空尺寸、确保楼面平整度,施工模板较为简单,能控制施工成本等特点,然而无梁楼自身的抗弯刚度较小、楼板产生的挠度较大,造成柱子局部区域板造成冲切破坏,极大影响了抗震性能。
本文阐述了无梁楼盖结构体系常见的计算方法,探究无梁楼盖结构体系的设计要点,分析结构体系的构造要求。
标签:无梁楼盖;结构体系;设计要点前言:无梁楼盖体系同时也被称为板柱体系,主要通过在楼盖中布置梁肋,将现浇混凝土板支承于柱,从受力角度来讲,无梁楼盖具有双向受力特点,同时楼面荷载将直接传递于柱,并传递于基础。
无梁楼盖从其结构形式可分为密肋板或平板。
而根据柱帽可分为无柱帽或有柱帽无梁楼盖体系,根据施工流程可分为现浇式或整体装配式。
根据笔者经验,当楼面的可变标准荷载值超过5KN/m2时,其跨度低于6m时,均适用无梁楼盖体系。
无梁楼盖结构体系目前适用于商场、多层工业厂房、库房、图书馆等建筑,其柱网都采用矩形或正方形,其中以正方形更具有经济,而板内钢筋根据纵、横向布置楼盖的四边支承墙上或边柱圈梁上,从而能够控制房屋的体积以及节省墙体结构,无梁楼盖天棚的平整度较高,而通风、采光以及卫生条件更为理想,由于施工模板较为简单,从而能够节省大量的模板用量与人员成本,因此推广无梁楼盖体系具有积极经济与社会效益。
1.无梁楼盖体系内力计算无梁楼盖结构体系设计可根据弹性理论来分析计算,也可根据塑性理论进行分析计算,目前常用的设计方法包括:经验系数计算法、等代框架计算法、精确计算法等。
1.1经验系数计算法该法常常适用于较为规则的等代框架建筑,采用经验系数法时,建筑物必须符合下列条件:第一,无梁楼盖结构纵、横方向均超过连续三跨;第二,任区格内的长跨与短跨之比不小于1.5;第三,相同方向的最大与最小跨度比值应当小于1.2 ,且两端跨度不应大于内跨;第四,活荷载不应大于3倍的恒荷载设计值;第五,为确保无梁楼盖低于水平荷载,在无梁楼盖结构体系中应确保有剪力与抗侧力支撑。
普通钢筋混凝土无梁楼盖结构的设计1无梁楼盖结构体系的特点无梁楼盖结构体系也即板柱结构体系。
钢筋混凝土无梁楼盖是组成板柱结构体系重要的结构构件,它施工支模简单,绑扎钢筋方便,能提供较大的建筑净空,便于设备管道的布置与安装,减少建筑层高;在地下结构中采用,可以减少基础埋深,减少基坑土方开挖和基坑支护费用,当遇地下水位埋藏浅时,还可减少施工降水费用。
从结构传力途径方面来说,无梁楼盖结构竖向重力荷载直接由板传到竖向受力构件柱和墙,传力路径简捷。
与一般的梁板式楼盖相比,它的楼板厚度较大,楼盖的材料用量较多,以无梁楼盖的经济跨度6米柱网为例,当活荷载标准值为4.0kN/m2时,双向无梁楼盖板的折算厚度为180mm,钢筋用量(按HPB235级钢筋和HRB335级钢筋计,直径大于等于12者用HRB335级钢筋,下同)在20kg/m2左右,普通梁板式楼板的折算厚度为140mm~150mm,钢筋用量在16kg/m2左右。
从结构受力特点方面看,无梁楼盖的抗弯刚度较小,柱上板带的内力要远大于跨中板带,柱子周边的应力高度集中,板与柱子连接部位的破坏形式为冲切破坏;板柱结构的抗侧刚度较普通框架结构要小,在水平风荷载或地震作用下,无梁楼盖结构的板柱节点部位会产生不平衡弯矩,这种不平衡弯矩的反复作用严重影响板柱节点的承载力。
因此,国家新近颁布实施的混凝土结构设计规范和建筑抗震规范对板柱结构体系的使用从使用范围上及结构构造上作了规定。
无梁楼盖结构体系最早始于20世纪初的美国,大量应用是在第二次世界大战之后,主要用于高层公寓建筑。
在我国,国内第一栋板柱结构试点建筑于1980年建成于四川成都,为六层住宅楼。
陕西最早的板柱结构建筑为西安唐城百货大厦,建成于20世纪80年代初期。
在我国,无梁楼盖结构常用于商场,书库,仓库,冷库等类建筑。
在非抗震设防区采用无梁楼盖结构具有较好的经济和安全效益,在抗震设防区,当因城市规划需要房屋建筑高度受到限制时,采用板柱结构也会取得较好的经济效益,但应注意要采取针对性的抗震措施。
无梁楼盖设计指引一、无梁楼盖应用范围1、地下车库,有助于减少层高。
2、地下室底板(防水板或筏板),方便施工。
3、上部结构(板柱剪力墙结构),有助于减少层高。
目前这方面的应用较少。
二、目前设计存在的问题1、设计方法不统一。
有用表格法,也有用YJK无梁楼盖和地基基础模块。
2、抗冲切验算很少考虑弯矩的影响,偏于不安全。
三、设计原则以YJK无梁楼盖和地基基础模块为主,表格法作为辅助手段。
配筋依据以YJK为准,用表格法对标准跨进行计算做为校核。
四、设计方法(一)冲切验算1、计算方法我们验算冲切一般是按照《混凝土结构设计规范》公式6.5.1-1,这个公式比较简单,如果不考虑预应力σpc,则可以看成沿冲切面(周长um*板厚h0)的剪应力控制不超过0.7ft,跟板的抗剪计算控制指标(不考虑抗剪钢筋)是一样的。
但规范6.5.6条同时规定:附录F的计算看起来很繁琐,很多人不愿意去看。
实际上,附录F的计算方法可以从力学原理分析如下:左图为没有弯矩的情况,此时剪应力τ均匀分布在冲切计算面Um*h0上,τ=Fl/(Um*h0),由于不平衡弯矩Mx的存在,在冲切计算面绕中心轴Y轴产生一对相反的剪力,如右图所示。
最大附加剪力τx计算方法与材料力学计算受弯正应力的方法基本一样。
所以附录F 给了一个类似极惯性矩的公式如下,其他参数只是对这个公式的一些修正。
等效的冲切力其实就是用最大的剪应力乘以冲切计算面的面积得到的。
很多人认为地下室不考虑水平荷载(地震或风),所以不需要考虑这个计算。
实际上,在竖向荷载下,这个不平衡弯矩仍然存在,特别是在一些边跨或者长短跨处,存在较大的不平衡弯矩不能忽略。
如下图,边跨柱冲切轴力N=3798.3kN,但考虑不平衡弯矩Mx、My(柱弯矩)后,等效冲切力Fl=3994.4。
对上部结构的板柱剪力墙来说,由于受水平力的作用,这个影响可能会更大,所以要引起重视。
《规范》附录F的计算从力学概念来推导还比较简单,但计算起来很复杂,用手工计算工作量会比较大,YJK的计算方法经过复核,与《规范》的计算方法一致,可以采纳。
浅谈无梁楼盖结构设计要点和构造要求1、无梁楼盖的基本构造无梁楼盖结构主要是由板和柱构成,由于柱顶处平板直接将荷载传递给柱,因此会在柱顶形成集中受力区域,产生柱头对板的冲切破坏,为了防止这种破坏的发生,往往在柱顶设置柱帽,以增大柱头与楼板的接触面积,有利于荷载的合理分布。
无梁楼盖结构中的板可分为柱上板带和跨中板带。
为了提高结构的抗震性能,应在柱上板带设置暗梁,以提高结构的整体性。
无梁楼盖的构造要求可参考为:混凝土等级不宜低于C30;板最小厚度不应小于150mm;柱帽边长不宜小于板跨度的1/6,厚度不宜小于1/4板的厚度;柱截面边长不应小于400mm,剪跨比不应小于2,高宽比不宜大于3;暗梁宽度可取柱宽加上柱宽度以外各1.5倍板厚。
2、无梁楼盖的内力计算无梁楼盖既可按弹性理论计算,也可以按塑性理论计算。
通常在进行无梁楼盖设计时,可以采用三种方法:等代框架法、经验系数法、精确计算法。
2.1 等代框架法。
该法也是手工近似计算的方法之一,计算宽度取垂直于计算跨度方向两相邻区格的中心间距,计算中纵横两方向均应承担全部荷载。
在垂直荷载作用下,板柱结构的平板和密肋板可采用等代框架法。
计算其内力:①等代框架的计算宽度,取垂直于计算跨度方向的两个相邻平板中心线的间距;②有柱帽的等代框架梁、柱的线刚度,可按现行规范GBJ130-90《钢筋混凝土升板结构技术规程》的有关规定确定;③计算中纵向和横向的等代框架均应承担全部作用荷载;④计算中宜考虑活荷载的不利布置。
按等代框架计算垂直荷载作用下板的弯矩,当平板与密肋板的任一区格的长短边比≤2 时,可分配给柱上板带和跨中板带支座负弯矩分别为75%和24%,跨中正弯矩分别为55%和45%;有柱帽时,其支座负弯矩应取刚域边缘处的值,除边支座弯矩和边跨中弯矩外,分配到各板带上的弯矩均应乘以0.8的系数。
等代框架法与经验系数法的主要区别在于,等代框架法先分别算出等代框架的支座弯矩和跨中弯矩,再按上述系数分配到柱上板带和跨中板带。
地下车库中无梁楼盖结构设计要点一、无梁楼盖结构体系应用范围1.北京地域工程:本地下车库与主楼相连时,假设主楼知足自嵌固的要求(不管嵌固端设置在基础底板仍是地下一层顶板),车库体系都可选为无梁楼盖。
2.外地工程:本地下车库与主楼相连时,假设主楼的嵌固端设置在地下一层顶板,而主楼自身的刚度又知足嵌固要求,车库顶板覆土接近地下一层层高的2/3时(车库竖向标高接近于主楼地下二层),车库体系可选为无梁楼盖。
其他情形需与本地审图部门沟通。
3.埋入土中的纯地下车库,结构体系可选为无梁楼盖;关于局部外露的车库,从经济性的角度动身,体系选为梁板结构较为合理(因假设为无梁楼盖,应设置构造暗梁,那么钢筋用量增大20%左右)。
二、地下车库楼盖形式选型1.地下一层顶板(有覆土):一样来讲,若顶板覆土厚度大于1.0m,结构体系宜选取无梁楼盖,假设顶板覆土小于,那么无梁楼盖与梁板式大板体系均为可选方案,现在需比较二者的经济性。
2.地下二层顶板(无覆土):从材料经济性角度动身,建议选取双次梁方案。
3.人防地下室顶板:因荷载较大,选取无梁楼盖体系较为经济。
三、无梁楼盖方案设计1.柱帽选型:当荷载较大时,选用锥形柱帽+平柱帽;当荷载较小(仅为平常汽车库荷载)时,选用平柱帽。
2.柱帽及板带尺寸柱帽尺寸:A=1/3L0;L0—柱中心线距离;平柱帽厚:=1/4△L;△L=1/2(A-C);斜柱帽高度:h3=400(500);依照冲切计算及车库净高(净高不小于)确信;板带尺寸:B=1/4(L1+L2);L1、L2—柱帽相邻跨柱中心线距离;3.端柱网柱网的跨度大小直接决定着板厚及配筋,一样来讲,车库的柱网在之间较为合理,当跨度大于此值时,应增加柱子或墙体等竖向繁重构件,专门关于端跨,柱网的转变对配筋的阻碍超级明显,端跨应小于或等于中间跨跨度。
4.板带区域分割1)正交柱网与斜交柱网交壤处需设置大梁,分为两个独立区域别离进行计算(图1).2)主楼凹凸边缘处,如车库柱距主楼外墙距离过大,那么需在主楼外墙凹口处设置边梁,减小计算跨度。
地下车库中无梁楼盖结构设计要点一、无梁楼盖结构体系应用范围1.北京地区工程:当地下车库与主楼相连时,若主楼满足自嵌固的要求(无论嵌固端设置在基础底板还是地下一层顶板),车库体系均可选为无梁楼盖。
2.外地工程:当地下车库与主楼相连时,若主楼的嵌固端设置在地下一层顶板,而主楼自身的刚度又满足嵌固要求,车库顶板覆土接近地下一层层高的2/3时(车库竖向标高接近于主楼地下二层),车库体系可选为无梁楼盖。
其他情况需与当地审图部门沟通。
3.埋入土中的纯地下车库,结构体系可选为无梁楼盖;对于局部外露的车库,从经济性的角度出发,体系选为梁板结构较为合理(因若为无梁楼盖,应设置构造暗梁,则钢筋用量增大20%左右)。
二、地下车库楼盖形式选型1.地下一层顶板(有覆土):一般来说,若顶板覆土厚度大于1.0m,结构体系宜选取无梁楼盖,若顶板覆土小于1.0m,则无梁楼盖与梁板式大板体系均为可选方案,此时需比较两者的经济性。
2.地下二层顶板(无覆土):从材料经济性角度出发,建议选取双次梁方案。
3.人防地下室顶板:因荷载较大,选取无梁楼盖体系较为经济。
三、无梁楼盖方案设计1.柱帽选型:当荷载较大时,选用锥形柱帽+平柱帽;当荷载较小(仅为平时汽车库荷载)时,选用平柱帽。
2.柱帽及板带尺寸柱帽尺寸:A=1/3L0;L0—柱中心线距离;平柱帽厚:=1/4△L;△L=1/2(A-C);斜柱帽高度:h3=400(500);根据冲切计算及车库净高(净高不小于2.0m)确定;板带尺寸:B=1/4(L1+L2);L1、L2—柱帽相邻跨柱中心线距离;3.端柱网柱网的跨度大小直接决定着板厚及配筋,一般来说,车库的柱网在8.0m~8.4m之间较为合理,当跨度大于此值时,应增加柱子或墙体等竖向承重构件,特别对于端跨,柱网的变化对配筋的影响非常明显,端跨应小于或等于中间跨跨度。
4.板带区域分割1)正交柱网与斜交柱网交界处需设置大梁,分为两个独立区域分别进行计算(图1).2)主楼凹凸边缘处,如车库柱距主楼外墙距离过大,则需在主楼外墙凹口处设置边梁,减小计算跨度。
附录C无梁楼盖设计要点C.1一般规定C.1.1无梁楼盖的柱网宜采用正方形或矩形,区格内长短跨之比不宜大于1.5。
C.1.2当无梁楼盖板的配筋符合本规范规定时,其允许延性比[β]可取3。
C.2承载力计算C.2.1板在等效静荷载和静荷载共同作用下,按弹性受力状态计算的内力,宜按下列方法进行调幅。
C.2.1.1当用直接方法设计计算时,对中间区格的板,宜将按弹性阶段受力状态计算的支座负弯矩与跨中正弯矩之比从2.0调整到1.3~1.5;对边跨板,宜相应降低负、正弯矩的比值;C.2.1.2当用等代框架方法设计计算时,宜将按弹性阶段受力状态计算的支座负弯矩下调10%~15%,并按平衡条件将跨中正弯矩相应上调;C.2.1.3支座负弯矩在柱上板带和跨中板带的分配可取3:1到2:1;跨中正弯矩在柱上板带和跨中板带的分配可取1:1到1.5:1;C.2.1.4当无梁楼盖的板与钢筋混凝土边墙整体浇筑时,边跨板支座负弯矩与跨中正弯矩之比,可按中间区格板进行调幅。
C.2.2沿柱边、柱帽边、托板边、板厚变化及抗冲切钢筋配筋率变化部位,应按下列规定进行抗冲切计算:C.2.2.1在板内不配箍筋和弯起钢筋时:F1≤0.65ftdumho(C.2.2-1)式中:F1——冲切荷载设计值,取柱所承受的轴向力设计值减去柱顶冲切破坏锥体范围内的荷载设计值;ftd——混凝土在动荷载作用下抗拉强度设计值;um——冲切破坏锥体上、下周边的平均长度,取距冲切破坏锥体下周边ho/2处的周长;ho——冲切破坏锥体截面的有效高度。
C.2.2.2在板内配有箍筋时:F1≤0.5ftdumho+fydAsv(C.2.2-2)式中:fyd——在动荷载作用下抗冲切箍筋或弯起钢筋的抗拉强度设计值,取fyd=240MPa;Asv——与呈45°冲切破坏锥体斜截面相交的全部箍筋截面面积;C.2.2.3在板内配有弯起钢筋时:F1≤0.5ftdumho+fydAsbsinα (C.2.2-3)式中:Asb——与呈45°冲切破坏锥体斜截面相交的全部弯起钢筋截面面积;α——弯起钢筋与板底面的夹角。
无梁楼盖的结构设计要点分析摘要:从近几年无梁楼盖坍塌事故频发中出发,引发对无梁楼盖结构设计的思考。
本文通过分析无梁楼盖在实际工程中的优缺点,利用模型计算(以YJK为例),规范设定无梁楼盖模型中的重要参数,重点阐述无梁楼盖与梁板结构相交处的处理方式和不平衡弯矩对节点设计的影响,对无梁楼盖设计过程中的一些问题进行分析,根据实际工程提出了几点注意事项,总结提出六大建议措施。
引言:无梁楼盖是由钢筋混凝土板、柱、柱帽构成的楼盖结构体系,无梁楼盖体系近几年被广泛应用,其优点是能增大了楼层净空,节约施工模板,外形美观,施工快捷,且管道铺设方便,可减少烟感数量。
但近年地下室顶板的无梁楼盖事故频发,一次次把无梁楼盖推到风口浪尖。
2017某无梁楼盖工程垮塌现场分析地下室顶板无梁楼盖的事故原因,其主要原因可以概括为以下几点:无梁楼盖的结构形式自身安全富裕度低。
2、板柱节点的板的下铁钢筋过小,板下层的钢筋对板的局部抗弯強度影响较大,下层不配钢筋的基础板柱的局部抗弯强度约比抗冲切強度低约10%,而国标图集中的板柱节点图中只要求板下部钢筋直径不小于10mm,间距不大于200mm,当节点板厚较大时,其配筋率远小于最小配筋率要求。
3、覆土阶段的不均衡荷载,往往没有考虑。
正常受力时,两侧弯矩平衡,冲切的弯矩项不起作用,但是一旦一侧弯矩超载形成塑形铰,就会产生巨大的不平衡弯矩,这样原本满足的冲切就成了倒塌的元凶。
4、顶板覆土肯定是要走泥土车的,挖掘机推土机都要上顶板,设计单位是否考虑到顶板覆土的施工荷载,即使不考虑,由施工单位进行顶板施工加强处理,那是否考虑了填土完成后,顶板上的园林种树也需要货车运输到栽种位置,也需要吊车起吊才能栽种,且有没有考虑到当顶板上栽种的树苗在十年二十年后长成大树时,对顶板的集中荷载变大情况。
5、软件就是一个程序,计算出来的结果需要设计人员复核,判断是否合理有效。
下面就模型计算(以YJK为例)对无梁楼盖设计过程中的一些问题进行分析总结。
浅谈人防地下室的无梁楼盖结构设计摘要】本文简要介绍人防地下室无梁楼盖体系的常用结构设计方法及其要点,并针对某工程应用示例分析,以期对无梁楼盖体系在地下车库工程中的应用提供参考。
【关键词】人防地下室混凝土无梁楼盖结构体系一、前言无梁楼盖是地下建筑常见结构形式,是近年发展较为迅速的一项建筑结构新技术。
无梁楼盖把原来集中受力的梁变成无数分散空间受力的工字结构体系,结构质地更密,抗压性更高,抗振动冲击更强,结构更合理。
特别是这种“无梁楼盖”使楼层空间布置摆脱梁的制约,具有明显的经济效益和社会效益。
二、无梁楼盖结构类型优缺点无梁楼盖结构体系优势突出:因不设置梁,板面负载直接由板传至柱,具有结构简单、传力路径简捷,净空利用率高,造型美观,有利于通风、便于布置管线;在满足同等室内净高的情况下,有利于降低层高,从而减少土方量及底板设计水位,控制工程造价;除柱帽外,模板及钢筋制作工作量少,施工工艺简单,施工进度快。
无梁楼盖结构体系也有一定的劣势:结构板较厚,结构自重增大;从结构性能方面看,无梁板延性较差,板在柱帽或柱顶处易造成脆性冲切破坏;应用时对于平面规则性、连续跨数及板跨区格长短边的长度比例等有一定的限制要求。
三、无梁楼盖计算方法人防地下室无梁楼盖结构体系的内力分析按弹塑性工作阶段进行设计计算,工程设计常用的计算方法有经验系数法、等代框架法、有限元计算法三种。
(1)经验系数法是运用弯矩分配系数,算出板的总弯矩再乘以弯矩分配系数得出各控制截面的弯矩值。
经验系数法须符合下列条件:①每个方向至少应有三个连续跨;②每跨跨度相等或相差不超过20%,且端跨的跨度不大于邻跨的跨度;③各区格的长短跨度之比不大于1.5;④所有柱网宜采用正方形或矩形,以正方形布置比较经济。
经验系数法结构内力计算:(2)等代框架法是将结构分别沿纵横柱列方向划分为具有“框架柱”和“框架梁”的纵横向框架。
等代框架法的适用范围为区格长短跨度比不大于1.5。
无梁楼盖设计
无梁楼盖设计在YJK现有的建模、上部计算、楼板施工图三个模块中就可完成,而且无梁楼盖的设计可以和其它结构整体建模和分析协同工作,是融入其它结构设计之中的。
在建模中布置无梁楼盖的暗梁和柱帽,在上部结构计算中采用弹性板3或弹性板6模型,并补充柱的冲切计算,在楼板设计中采用楼板有限元计算,并按照柱上板带跨中板带给出计算结果和楼板施工图设计。
一、在建模中布置暗梁和柱帽1、布置暗梁无梁楼盖的板设计时,需要按照柱上板带、跨中板带方式配筋,软件将按照暗梁的位置确定柱上板带,因此用户需在建模中布置暗梁,暗梁按照普通梁方式输入即可。
《高规》,板的构造应符合下列规定:
1 抗震设计时,应在柱上板带中设置构造暗梁,暗梁宽度取柱宽及两侧各1.5倍板厚之和,暗梁支座上部钢筋截面积不易小于柱上板带钢筋面积的50%,并应全跨拉通,按梁下部钢筋应不小于上部钢筋的1/2。
”
因此,暗梁的尺寸可按高规的要求输入。
在上部结构计算时,对无梁楼盖板应选择按照弹性板3或者弹性板6计算,这种计算模式将使楼板和梁变形协调,共同承担荷载,我们输入的暗梁尺寸适当,其暗梁的配筋结果就基本可用。
以前用户对无梁楼盖的暗梁,有按照虚梁输入的,按照虚梁输入,在上部结构计算后虚梁肯定超筋,其结果没有参考价值。
也有用户按照等代框架梁宽高尺寸的输入暗梁,等代框架的宽度取垂直于等代框架方向两侧柱距各1/4,梁高取板厚度。
这样的输入方式和如上按照《高规》的要求设置暗梁尺寸方式差不多,其暗梁配筋结果基本可用。
2、布置柱帽
无梁楼盖中设置柱帽时,可在建模的楼板布置菜单下布置柱帽:
软件可布置的柱帽形式有3种:柱帽、柱帽+托板、托板。
《高规》。
4 无梁板可根据承载力核变性要求采用无柱帽(柱托)板或有柱帽(柱托)板形式。
柱托板的长度和厚度应按计算确定,且每方向长度不宜小于板跨度的1/6,其厚度不宜小于板厚度的1/4。
7度时宜采用有柱托板,8度时应采用有柱托板,此时托板每方向长度尚不宜小于同方向柱截面宽度和4倍板厚之和。
托板总厚度尚不应小于柱纵向钢筋直径的16倍。
”
3、软件自动将柱帽处的梁设置成加腋梁建模退出时,软件自动将和柱帽相连的梁设置成加腋梁,为的是考虑柱帽的因素按照加腋梁计算和配筋。
加腋的长度尺寸取柱帽或柱帽加托板的长方向和梁交界处,加腋的高度取柱帽+托板+板厚-梁高。
可在建模中看到自动形成的加腋梁,如果柱帽被删除,加腋梁不会自动删除,应手工删除自动生成的加腋部分。
二、上部结构计算
上部结构计算时,对于无梁楼盖部分应注意以下几点
1、对无梁楼盖板设置弹性板3或弹性板6对无梁楼盖板应设置成弹性板3或者弹性板6,并应将计算参数中弹性板的单元尺寸从隐含的2米改到1米,并勾选参数“梁与弹性板变形协调”。
对无梁楼盖板按照弹性板3或者弹性板6计算,这种计算模式将使楼板和梁变形协调,共同承担荷载。
弹性板3不考虑板的面内变形,仅能考虑面外刚度;弹性板6是壳元模型,即可考虑板的面内、又可考虑板的面外变形。
不能选择弹性膜模型,因为弹性膜仅有面内刚度,没有面外刚度。
为了保证弹性板与梁变形协调,应勾选参数“梁与弹性板变形协调”,这样梁的中间节点和板的中间节点是联系在一起工作的。
但是,如果不勾选这个参数,板只在梁端节点和梁连接,不能发挥出板和梁共同工作的能力。
2、与柱帽相连的梁按照加腋梁设计为了考虑柱帽的有利因素,软件自动将和柱帽相连的梁设置成加腋梁,因此在上部结构计算中这些梁是按照加腋梁计算和配筋的。
在这些梁的配筋结果文件中,可以看到加腋的尺寸等信息。
有柱帽时,各层计算结果简图中将画出柱帽。
3、柱对板的冲切计算对于和无梁楼盖相连的柱,或者上边布置了柱帽的柱,软件自动补充柱的冲切计算。
如果没有柱帽,软件判断无梁楼盖的标准是柱上所有梁的高度不大于板厚。
柱的冲切计算考虑了上部结构计算中所有的荷载组合,有柱帽时冲切计算包括柱对柱帽、柱帽对板的冲切计算;无柱帽时冲切计算就是柱对板的冲切计算。
冲切计算时,冲切力为柱顶的轴力减去冲切锥范围内的板的荷载。
当冲切计算不够时给出抗冲切钢筋。
在柱的计算配筋结果文件中,做了冲切计算的柱将输出冲切计算的相关内容和结果,它们在每根柱配筋文件的后面部分。
在计算结果的柱轴压比菜单下,设置了专门的“柱冲切”菜单,专门输出柱的冲切计算结果简图,在柱上标注的三个数字分别为柱根、柱帽、托板处的冲切计算结果,为冲切力和抗冲切力的比值,小于1时满足要求。
三、无梁楼盖的楼板配筋设计无梁楼盖的楼板配筋设计在楼板施工图中完成。
软件可对无梁楼盖按照细分的有限元法计算,并按照柱上板带和跨中板带方式给出计算结果和画施工图。
1、定义板带楼板施工图中设置了无梁楼盖菜单,菜单的第一项是定义板带。
操作是用多边形框出需要按照无梁楼盖设计的部分,随后,软件把框出部分自动划分出柱上板带和跨中板带。
软件将按照板有限元方式计算无梁楼盖,而且按照柱上板带和跨中板带方式给出内力和配筋。
如果没有进行这一步,则软件将无梁楼盖仍然按照普通楼板方式设计。
普通楼板的计算方式主要分为手册法和有限元法,有限元法还区分为是否考虑梁的弹性变形。
即便对无梁楼盖按照考虑了梁弹性变形的有限元法计算,但是配筋方式仍保持普通楼板方式,即按照房间的跨中和支座分别画出钢筋的方式,不能给出柱上板带、跨中板带的配筋方式。
软件自动生成柱上板带。
自动生成的柱上板带的宽度可有三种取值方法,一是按照板带间宽度的1/4,二是按照柱帽的宽度取值,三是对前两种方式的结果取大。
在计算参数中由用户选择取值方法:
软件在下列位置生成柱上板带
1)沿着梁高不大于楼板厚度的梁;
2)梁高虽然大于板厚,但是梁两端布置了柱帽的梁。
软件对以墙为支座的楼板,或梁高大于板厚的梁处不生成柱上板带,对于没有柱上板带的楼板仍然按照普通楼板的方式计算和配筋。
因此,无梁楼盖的柱上板带跨中板带配筋方式和普通楼板的配筋方式可以同时在一层平面上同时设计和绘图。
2、按有限元方式计算楼板对无梁楼盖应按有限元方式计算楼板,软件考虑了柱帽影响,即在柱帽处的单元按照柱帽+楼板厚度计算和配筋。
应设置为考虑梁的弹性变形,否则计算不出无梁楼盖的受力状态。
由于梁高与板厚一致重叠,为避免造成无梁板计算刚度被放大,板有限元计算时忽略了梁的截面刚度。
计算前必须在计算参数中勾选计算方法采用有限元算法和考虑梁弹性变形。
如果用户定义了板带但是没有勾选这两个参数,软件将给出提示并中断计算。
软件隐含的单元尺寸为0.4米,其计算精度已经足够高。
每次计算一整个楼层的所有楼板。
在计算后的计算结果显示菜单中,用户可通过等值线方式和显示各单元内力方式查看有限元计算结果。