QTZ80塔吊天然基础的计算书
- 格式:docx
- 大小:35.79 KB
- 文档页数:6
塔吊四桩基础的计算书依据《塔式起重机混凝土基础工程技术规程》(JGJ/T 187—2009)。
一。
参数信息塔吊型号:QTZ80(ZJ5710)塔机自重标准值:Fk1=777。
00kN起重荷载标准值:Fqk=60kN 塔吊最大起重力矩:M=810kN.m非工作状态下塔身弯矩:M=1668kN.m 塔吊独立计算高度:H=43m(塔吊安装高度111。
35m)塔身宽度:B=1。
6m 桩身混凝土等级:C30承台混凝土等级:C35 保护层厚度:H=50mm矩形承台边长:H=3m 承台厚度:Hc=1.3m承台箍筋间距:S=200mm 承台钢筋级别:HRB400承台顶面埋深:D=0m 桩直径:d=0。
8m桩间距:a=2。
1m 桩钢筋级别:HRB400桩入土深度:46。
75m 桩型与工艺:泥浆护壁钻(冲)孔灌注桩计算简图如下:二. 荷载计算1. 自重荷载及起重荷载1) 塔机自重标准值F k1=777kN2) 基础以及覆土自重标准值G k=3×3×1.30×25=292.5kN承台受浮力:F lk=3×3×0。
80×10=72k N3)起重荷载标准值F qk=60kN2. 风荷载计算1) 工作状态下塔机塔身截面对角线方向所受风荷载标准值a. 塔机所受风均布线荷载标准值 (Wo=0.2kN/m2)=0。
8×1。
49×1。
95×1。
674×0.2=0.78kN/m2=1。
2×0。
78×0。
35×1。
6=0.52kN/mb。
塔机所受风荷载水平合力标准值F vk=q sk×H=0。
52×43.00=22。
49kNc。
基础顶面风荷载产生的力矩标准值M sk=0.5F vk×H=0。
5×22.49×43。
00=483.47kN。
m2) 非工作状态下塔机塔身截面对角线方向所受风荷载标准值a. 塔机所受风均布线荷载标准值 (本地区 Wo=0.60kN/m2) =0。
QTZ80(6013)塔机基础计算书QTZ80(6013)塔机(臂长60米,端部起重量1.0吨,最大起重量6吨),独立安装高度不大于37.4米,采用基础6.0mx6.0mx1.5m 、配筋HRB335双层双向Φ25@195、地面承受力220KPa 时,能满足使用要求,符合技术和安全规范。
1、抗倾覆稳定性验算塔式起重机独立安装时,基础所承受的载荷如图所示。
取其工作状态和非工作状态中最不利工况进行稳定性校核。
根据塔式起重机设计规范,塔机稳定的条件为:P imin3M Fn h b e Fv Fg +=≤+ (1) 地面压力按公式(2)验算:2()[]3B B Fv Fg P P b+=≤ (2) 式中: e ——偏心距,即地面反力的合力至基础中心的距离m ;M ——作用在基础上的弯矩;M=2400KN.mF V ——作用在基础上的垂直载荷;F V =650KN.F n ——作用在基础上的水平荷载力;Fn=85KN.F g ——混凝土基础的重力;Fn=24 KN/m3xbxhxl.PB——地面计算压应力;〔PB〕——地面计算许用压应力,由实地勘探和基础处理情况而定,一般情况取〔PB 〕=2×105 ~3×105Pa 。
取〔PB〕=220KPa。
经计算结果:e=1.3≤b/3=2m.P b =216KPa≤〔PB〕=220KPa.稳定性验算通过。
2、地基承载力验算DP k =2(F V +F g )/3xlxa ≤〔P B 〕根据塔机受力情况,产生的地基反力如上图所示。
P k ——基础底面边缘的最大压力值MPa ;l ——矩形基础底面的长边宽度m ;a ——合力作用点至基础底面最大压力边缘的距离m ;其中:a=b/2-e ;计算结果:P k =127KPa ≤〔P B 〕=220KPa 。
满足地基承载力要求,验算通过。
3、结论从上述计算可知,基础的抗倾覆稳定性、地基承载力都满足要求,故基础符合设计要求和安全规范。
塔吊桩基础的计算书一. 参数信息塔吊型号: QTZ(QTZ80)-TC6013 自重(包括压重):F1=910.00kN 最大起重荷载: F2=60.00kN塔吊倾覆力距: M=4855.76kN.m 塔吊起重高度: H=62.00m塔身宽度: B=1.80m桩混凝土等级: C35 承台混凝土等级:C30保护层厚度: 50mm矩形承台边长: 5.00m 承台厚度: Hc=1.500m承台箍筋间距: S=180mm承台钢筋级别: Ⅱ级承台预埋件埋深:h=1.30m承台顶面埋深: D=0.000m桩直径: d=0.500m 桩间距: a=3.000m桩钢筋级别: Ⅱ级桩入土深度: 21.10 桩型与工艺: 预制桩桩空心直径: 0.250m塔吊最大起重力矩: 800kN.m 塔吊总高度: H=62.00m基本风压: W k=1.26kPa塔吊主弦杆截面宽度: b=0.15m 塔身最大水平力:V h=97kN水平力作用高度: h=31m标准节数: n=22二. 塔吊基础承台顶面的竖向力与弯矩计算1. 塔吊自重(包括压重)F1=910.000kN2. 塔吊最大起重荷载F2=60.000kN作用于桩基承台顶面的竖向力 F=F1+F2=970.000kN塔吊的倾覆力矩 M=1.4×4855.760=6798.064kN.m三. 矩形承台弯矩的计算计算简图:图中x轴的方向是随机变化的,设计计算时应按照倾覆力矩M最不利方向进行验算。
1. 桩顶竖向力的计算(依据《建筑桩基础技术规范》JGJ94-2008的第5.1.1条)其中 n──单桩个数,n=4;F k──作用于承台顶面的竖向力,F k=970.000kN;G k──桩基承台和承台上土自重标准值,G k=25.0×Bc×Bc×Hc+20.0×Bc×Bc×D=937.500kN;M xk,M yk──荷载效应标准组合下,作用于承台底面,绕通过桩群形心的 x、y 轴的力矩x i,y i──单桩相对承台中心轴的XY方向距离(m);N ik──荷载效应标准组合偏心竖向力作用下,第i基桩或复合基桩的竖向力(kN)。
QTZ80塔机矩形板式基础计算书一、塔机属性塔机型号QTZ80塔机独立状态的最大起吊高度H0(m) 40塔机独立状态的计算高度H(m) 43塔身桁架结构方钢管塔身桁架结构宽度B(m) 1.6二、塔机荷载塔机竖向荷载简图1、塔机自身荷载标准值塔身自重G0(kN) 251起重臂自重G1(kN) 37.4起重臂重心至塔身中心距离R G1(m) 222、风荷载标准值ωk(kN/m2)3、塔机传递至基础荷载标准值4、塔机传递至基础荷载设计值倾覆力矩设计值M'(kN·m) 1.2×(37.4×22-19.8×6.3-89.4×11.8)+1.4×0.5×45.27×43=934.4 三、基础验算矩形板式基础布置图基础布置基础长l(m) 5.3 基础宽b(m) 5.3 基础高度h(m) 1.25基础参数基础混凝土强度等级C25 基础混凝土自重γc(kN/m3) 25 基础上部覆土厚度h’(m)0 基础上部覆土的重度γ’(kN/m3) 19 基础混凝土保护层厚度δ(mm)40地基参数地基承载力特征值f ak(kPa) 150 基础宽度的地基承载力修正系数ηb0.3基础及其上土的自重荷载标准值:G k=blhγc=5.3×5.3×1.25×25=877.81kN基础及其上土的自重荷载设计值:G=1.2G k=1.2×877.81=1053.38kN荷载效应标准组合时,平行基础边长方向受力:M k''=G1R G1+G2R Qmax-G3R G3-G4R G4+0.9×(M2+0.5F vk H/1.2)=37.4×22+3.8×11.5-19.8×6.3-89.4×11.8+0.9×(690+0.5×19.02×43/1.2)=614.54kN·mF vk''=F vk/1.2=19.02/1.2=15.85kN荷载效应基本组合时,平行基础边长方向受力:M''=1.2×(G1R G1+G2R Qmax-G3R G3-G4R G4)+1.4×0.9×(M2+0.5F vk H/1.2) =1.2×37.4×22+3.8×11.5-19.8×6.3-89.4×11.8)+1.4×0.9×(690+0.5×19.02×43/1.2) =922.98kN·mF v''=F v/1.2=26.63/1.2=22.19kN基础长宽比:l/b=5.3/5.3=1≤1.1,基础计算形式为方形基础。
浙江宝业建设集团有限公司 第1页 共7页塔吊基础计算书(QTZ80)本计算书主要依据施工图纸及以下规范及参考文献编制:《塔式起重机设计规范》(GB/T13752-1992)、《地基基础设计规范》(GB50007-2002)、《建筑结构荷载规范》(GB50009-2001)、《建筑安全检查标准》(JGJ59-99)、《混凝土结构设计规范》(GB50010-2002)、《建筑桩基技术规范》(JGJ94-2008)等编制。
一、塔吊的基本参数信息塔吊型号:QTZ80, 塔吊起升高度H :95.000m ,塔身宽度B :1.6m , 基础埋深D :-5.500m ,自重F 1:480.5kN , 基础承台厚度Hc :1.200m ,最大起重荷载F 2:80kN , 基础承台宽度Bc :6.000m ,桩钢筋级别:HRB335, 桩直径或者方桩边长:0.400m , 桩间距a :3.4m , 承台箍筋间距S :200.000mm ,承台混凝土的保护层厚度:50mm , 空心桩的空心直径:0.20m 。
二、塔吊基础承台顶面的竖向力和弯矩计算塔吊自重(包括压重)F 1=480.5kN ;塔吊最大起重荷载F 2=80.00kN ;作用于桩基承台顶面的竖向力F k =F 1+F 2=560.50kN ;1、塔吊风荷载计算依据《建筑结构荷载规范》(GB50009-2001)中风荷载体型系数:地处江苏苏州,基本风压为ω0=0.45kN/m 2;查表得:荷载高度变化系数μz =1.86;挡风系数计算:φ=[3B+2b+(4B 2+b 2)1/2]c/(Bb)=[(3×1.6+2×2.5+(4×1.62+2.52)0.5)×0.13]/(1.6×2.5)=0.45;因为是角钢/方钢,体型系数μs =2.049;高度z 处的风振系数取:βz =1.0;浙江宝业建设集团有限公司 第2页 共7页所以风荷载设计值为:ω=0.7×βz ×μs ×μz ×ω0=0.7×1.00×2.049×1.86×0.45=1.2kN/m 2;2、塔吊弯矩计算风荷载对塔吊基础产生的弯矩计算:M ω=ω×φ×B×H×H×0.5=1.2×0.45×1.6×85×65×0.5=1827.523kN·m ;M kmax =Me +M ω+P ×h c =630+1827.523+85×1.2=2559.52kN ·m ;三、承台弯矩及单桩桩顶竖向力的计算1. 桩顶竖向力的计算依据《建筑桩技术规范》(JGJ94-2008)的第5.1.1条,在实际情况中x 、y 轴是随机变化的,所以取最不利情况计算。
QTZ80(TC5610-6)塔吊天然基础的计算书依据《塔式起重机混凝土基础工程技术规程》一.参数信息塔吊型号:QTZ80( TC5610-6)起重荷载标准值:Fqk=58.8kN塔吊计算高度:H=45.9m非工作状态下塔身弯矩:M=1552kN.m钢筋级别:HRB400承台宽度:Bc=6m1) 塔机自重标准值Fk1 =464.1kN2) 基础以及覆土自重标准值G<=6X 6X 1.35 X 25=1215kN3) 起重荷载标准值Fqk=58.8kN2. 风荷载计算附件一计算简图:二.荷载计算1.自重荷载及起重荷载(JGJ/T 187-2009)。
塔机自重标准值:Fk1=464.10kN塔吊最大起重力矩:M=1335kN.m塔身宽度:B=1.6m承台混凝土等级:C30地基承载力特征值:350kPa1) 工作状态下塔机塔身截面对角线方向所受风荷载标准值a. 塔机所受风均布线荷载标准值(Wo=0.2kN/m2) 叫=0-昭丛口凯=0.8 X 1.59 X 1.95 X 1.349 X 0.2=0.67kN/m 2字止=f H=1. 2X 0.67 X 0.35 X 1.6=0.45kN/mb. 塔机所受风荷载水平合力标准值F v k=q s k X H=0.45X 45.9=20.64kNc. 基础顶面风荷载产生的力矩标准值Mjk=°.5Fvk X H=0.5X 20.64 X 45.9=473.73kN.m2) 非工作状态下塔机塔身截面对角线方向所受风荷载标准值a. 塔机所受风均布线荷载标准值(本地区Wo=0.35kN/mi2)Wjt =2=0.8 X 1.63 X 1.95 X 1.349 X 0.35=1.20kN/m- m f H=1.2 X 1.20 X 0.35 X 1.6=0.81kN/mb. 塔机所受风荷载水平合力标准值F v k=q s k X H=0.81 X 45.9=37.03kNc. 基础顶面风荷载产生的力矩标准值Mjk=0.5F vk X H=0.5X 37.03 X 45.9=849.88kN.m3. 塔机的倾覆力矩工作状态下,标准组合的倾覆力矩标准值l\^=1552+0.9X( -1335+473.73)=776.85kN.m非工作状态下,标准组合的倾覆力矩标准值l\^=1552+849.88=2401.88kN.m三.地基承载力计算依据《塔式起重机混凝土基础工程技术规程》(JGJ/T 187-2009)第4.1.3条承载力计算塔机工作状态下:当轴心荷载作用时:22=(464.1+58.8+1215)/(6 X 6)=48.28kN/m 2 当偏心荷载作用时:肚二(代十旳隅訂陆=(464.1+58.8+1215)/(6 X 6) -2X (776.85 X 1.414/2)/36.002=17.76kN/m 2由于P kmin》0所以按下式计算Pkmax:2 =(垃十曳)"+亚化+甌訂陷=(464.1+58.8+1215)/(6 X 6)+2 X (776.85 X 1.414/2)/36.002=78.79kN/m 2塔机非工作状态下:当轴心荷载作用时:2 =(464.1+1215)/(6 X 6)=46.64kN/m 2当偏心荷载作用时:肚严以十翼山- 叭-M訂%=(464.1+1215)/(6 X 6)-2X (2401.88 X 1.414/2)/36.00=-47.70kN/m由于P kmin<0所以按下式计算Pkmax:二近+兀顾爲心=(2401.88+37.03 X 1.35)/(464.10+1215.00)=1.46m < 0.25b=1.50m载力满足要求!—12-X 忑f2=3-1.03=1.97m=(464.1+1215.00)/(3 X 1.97 X 1.97)=144.57kN/m四.地基基础承载力验算修正后的地基承载力特征值为:f a=570.00kPa非工作状态地基承轴心荷载作用:由于f a》Pk=48.28kPa,所以满足要求!偏心荷载作用:由于1.2 Xf a》P kma>=144.57kPa,所以满足要求! 五•承台配筋计算依据《建筑地基基础设计规范》GB 50007-2011第8.2条。
塔吊天然基础的计算书一. 参数信息塔吊型号: QTZ80 自重(包括压重):F1=480.00kN 最大起重荷载: F2=60.00kN塔吊倾覆力距: M=1335.00kN.m 塔吊起重高度: H=47.00m 塔身宽度: B=1.60m混凝土强度等级:C35 钢筋级别: Ⅱ级地基承载力特征值: 237.50kPa基础最小宽度: Bc=5.00m 基础最小厚度: h=1.35m 基础埋深: D=2.00m预埋件埋深: h=0.00m二. 基础最小尺寸计算基础的最小厚度取:H=1.35m基础的最小宽度取:Bc=5.00m三. 塔吊基础承载力计算依据《建筑地基基础设计规范》(GB50007-2002)第5.2条承载力计算。
计算简图:由于偏心距 e=M/(F+G)=1335.00/(540.00+1843.75)=0.56≤B/6=0.83所以按小偏心计算,计算公式如下:当考虑附着时的基础设计值计算公式:式中 F──塔吊作用于基础的竖向力,它包括塔吊自重,压重和最大起重荷载,F=540.00kN;G──基础自重与基础上面的土的自重,G=25.0×B c×B c×H c+20.0×B c ×B c×D =1843.75kN;B c──基础底面的宽度,取B c=5.00m;W──基础底面的抵抗矩,W=B c×B c×B c/6=20.83m3;M──倾覆力矩,包括风荷载产生的力距和最大起重力距,M=1.4×1335.00=1869.00kN.m;经过计算得到:最大压力设计值 P max=1.2×(540.00+1843.75)/5.002+1869.00/20.83=204.13kPa最小压力设计值 P min=1.2×(540.00+1843.75)/5.002-1869.00/20.83=24.71kPa有附着的压力设计值 P k=1.2×(540.00+1843.75)/5.002=114.42kPa四. 地基基础承载力验算地基基础承载力特征值计算依据《建筑地基基础设计规范》GB 50007-2002第5.2.3条。
塔吊四桩基础的计算书依据《塔式起重机混凝土基础工程技术规程》(JGJ/T 187-2009)。
一. 参数信息塔吊型号:QTZ80(ZJ5710)塔机自重标准值:Fk1=777.00kN起重荷载标准值:Fqk=60kN 塔吊最大起重力矩:M=810kN.m非工作状态下塔身弯矩:M=1668kN.m 塔吊独立计算高度:H=43m(塔吊安装高度111.35m)塔身宽度:B=1.6m 桩身混凝土等级:C30承台混凝土等级:C35 保护层厚度:H=50mm矩形承台边长:H=3m 承台厚度:Hc=1.3m承台箍筋间距:S=200mm 承台钢筋级别:HRB400承台顶面埋深:D=0m 桩直径:d=0.8m桩间距:a=2.1m 桩钢筋级别:HRB400桩入土深度:46.75m 桩型与工艺:泥浆护壁钻(冲)孔灌注桩计算简图如下:二. 荷载计算1. 自重荷载及起重荷载1) 塔机自重标准值F k1=777kN2) 基础以及覆土自重标准值G k=3×3×1.30×25=292.5kN承台受浮力:F lk=3×3×0.80×10=72k N3) 起重荷载标准值F qk=60kN2. 风荷载计算1) 工作状态下塔机塔身截面对角线方向所受风荷载标准值a. 塔机所受风均布线荷载标准值 (Wo=0.2kN/m2)=0.8×1.49×1.95×1.674×0.2=0.78kN/m2=1.2×0.78×0.35×1.6=0.52kN/mb. 塔机所受风荷载水平合力标准值F vk=q sk×H=0.52×43.00=22.49kNc. 基础顶面风荷载产生的力矩标准值M sk=0.5F vk×H=0.5×22.49×43.00=483.47kN.m2) 非工作状态下塔机塔身截面对角线方向所受风荷载标准值a. 塔机所受风均布线荷载标准值 (本地区 Wo=0.60kN/m2)=0.8×1.55×1.95×1.674×0.60=2.43kN/m2=1.2×2.43×0.35×1.60=1.63kN/mb. 塔机所受风荷载水平合力标准值F vk=q sk×H=1.63×43.00=70.18kNc. 基础顶面风荷载产生的力矩标准值M sk=0.5F vk×H=0.5×70.18×43.00=1508.83kN.m3. 塔机的倾覆力矩工作状态下,标准组合的倾覆力矩标准值M k=1668+0.9×(810+483.47)=2832.13kN.m非工作状态下,标准组合的倾覆力矩标准值M k=1668+1508.83=3176.83kN.m三. 桩竖向力计算非工作状态下:Q k=(F k+G k)/n=(777+292.50)/4=267.38kNQ kmax=(F k+G k)/n+(M k+F vk×h)/L=(777+292.5)/4+(3176.83+70.18×1.30)/2.97=1367.95kNQ kmin=(F k+G k-F lk)/n-(M k+F vk×h)/L=(777+292.5-72)/4-(3176.83+70.18×1.30)/2.97=-851.20kN工作状态下:Q k=(F k+G k+F qk)/n=(777+292.50+60)/4=282.38kNQ kmax=(F k+G k+F qk)/n+(M k+F vk×h)/L=(777+292.5+60)/4+(2832.13+22.49×1.30)/2.97=1245.99kNQ kmin=(F k+G k+F qk-F lk)/n-(M k+F vk×h)/L=(777+292.5+60-72)/4-(2832.13+22.49×1.30)/2.97=-699.24kN四. 承台受弯计算1. 荷载计算不计承台自重及其上土重,第i桩的竖向力反力设计值:工作状态下:最大压力 N i=1.35×(F k+F qk)/n+1.35×(M k+F vk×h)/L=1.35×(777+60)/4+1.35×(2832.13+22.49×1.30)/2.97=1583.37kN 最大拔力 N i=1.35×(F k+F qk)/n-1.35×(M k+F vk×h)/L=1.35×(777+60)/4-1.35×(2832.13+22.49×1.30)/2.97=-1018.39kN 非工作状态下:最大压力 N i=1.35×F k/n+1.35×(M k+F vk×h)/L=1.35×777/4+1.35×(3176.83+70.18×1.30)/2.97=1748.02kN最大拔力 N i=1.35×F k/n-1.35×(M k+F vk×h)/L=1.35×777/4-1.35×(3176.83+70.18×1.30)/2.97=-1223.54kN2. 弯矩的计算依据《塔式起重机混凝土基础工程技术规程》第6.4.2条其中 M x,M y1──计算截面处XY方向的弯矩设计值(kN.m);x i,y i──单桩相对承台中心轴的XY方向距离(m);N i──不计承台自重及其上土重,第i桩的竖向反力设计值(kN)。
塔吊桩基础的计算书一. 参数信息塔吊型号: QTZ(QTZ80)-TC6013 自重(包括压重):F1=910.00kN 最大起重荷载: F2=60.00kN塔吊倾覆力距: M=4855.76kN.m 塔吊起重高度: H=62.00m塔身宽度: B=1.80m桩混凝土等级: C35 承台混凝土等级:C30保护层厚度: 50mm矩形承台边长: 5.00m 承台厚度: Hc=1.500m承台箍筋间距: S=180mm承台钢筋级别: Ⅱ级承台预埋件埋深:h=1.30m承台顶面埋深: D=0.000m桩直径: d=0.500m 桩间距: a=3.000m桩钢筋级别: Ⅱ级桩入土深度: 21.10 桩型与工艺: 预制桩桩空心直径: 0.250m塔吊最大起重力矩: 800kN.m 塔吊总高度: H=62.00m基本风压: W k=1.26kPa塔吊主弦杆截面宽度: b=0.15m 塔身最大水平力:V h=97kN水平力作用高度: h=31m标准节数: n=22二. 塔吊基础承台顶面的竖向力与弯矩计算1. 塔吊自重(包括压重)F1=910.000kN2. 塔吊最大起重荷载F2=60.000kN作用于桩基承台顶面的竖向力 F=F1+F2=970.000kN塔吊的倾覆力矩 M=1.4×4855.760=6798.064kN.m三. 矩形承台弯矩的计算计算简图:图中x轴的方向是随机变化的,设计计算时应按照倾覆力矩M最不利方向进行验算。
1. 桩顶竖向力的计算(依据《建筑桩基础技术规范》JGJ94-2008的第5.1.1条)其中 n──单桩个数,n=4;F k──作用于承台顶面的竖向力,F k=970.000kN;G k──桩基承台和承台上土自重标准值,G k=25.0×Bc×Bc×Hc+20.0×Bc×Bc×D=937.500kN;M xk,M yk──荷载效应标准组合下,作用于承台底面,绕通过桩群形心的 x、y 轴的力矩x i,y i──单桩相对承台中心轴的XY方向距离(m);N ik──荷载效应标准组合偏心竖向力作用下,第i基桩或复合基桩的竖向力(kN)。
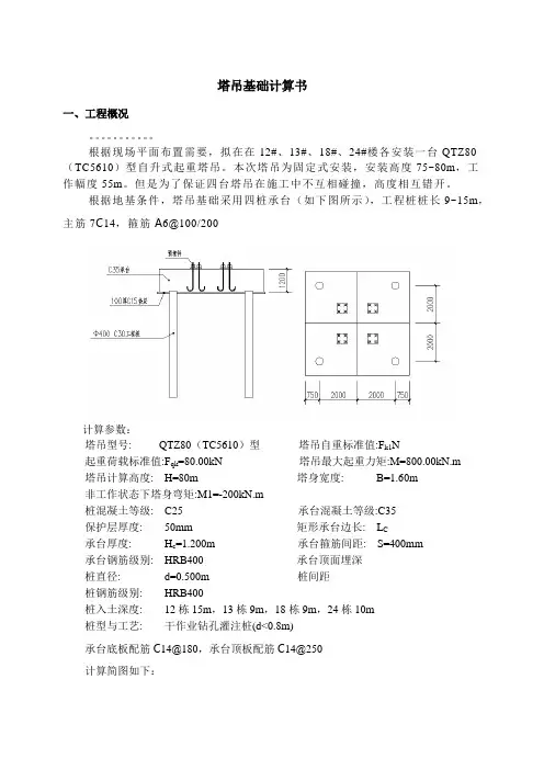
塔吊基础计算书一、工程概况。
根据现场平面布置需要,拟在在12#、13#、18#、24#楼各安装一台QTZ80(TC5610)型自升式起重塔吊。
本次塔吊为固定式安装,安装高度75~80m,工作幅度55m。
但是为了保证四台塔吊在施工中不互相碰撞,高度相互错开。
根据地基条件,塔吊基础采用四桩承台(如下图所示),工程桩桩长9~15m,主筋7C14,箍筋A6@100/200计算参数:塔吊型号: QTZ80(TC5610)型塔吊自重标准值:F k1N起重荷载标准值:F qk=80.00kN 塔吊最大起重力矩:M=800.00kN.m塔吊计算高度: H=80m 塔身宽度: B=1.60m非工作状态下塔身弯矩:M1=-200kN.m桩混凝土等级: C25 承台混凝土等级:C35保护层厚度: 50mm 矩形承台边长: L C承台厚度: H c=1.200m 承台箍筋间距: S=400mm承台钢筋级别: HRB400 承台顶面埋深桩直径: d=0.500m 桩间距桩钢筋级别: HRB400桩入土深度: 12栋15m,13栋9m,18栋9m,24栋10m桩型与工艺: 干作业钻孔灌注桩(d<0.8m)承台底板配筋C14@180,承台顶板配筋C14@250计算简图如下:二、荷载计算1、自重荷载及起重荷载1) 塔机自重标准值F k1=650kN2) 基础以及覆土自重标准值G k×××3) 起重荷载标准值F qk=80kN2、风荷载计算1)工作状态下塔机塔身截面对角线方向所受风荷载标准值a. 塔机所受风均布线荷载标准值(Wo=0.2kN/m2)××××0.2=kN/m2×××1.6=0.46kN/mb. 塔机所受风荷载水平合力标准值F vk=q sk×H=0.46×80.00=kNc. 基础顶面风荷载产生的力矩标准值M skvk×××80.00=14722) 非工作状态下塔机塔身截面对角线方向所受风荷载标准值a. 塔机所受风均布线荷载标准值(本地区Wo=0.35kN/m2)×××××××b. 塔机所受风荷载水平合力标准值F vk=q sk××c. 基础顶面风荷载产生的力矩标准值M sk×××3、塔机的倾覆力矩工作状态下,标准组合的倾覆力矩标准值M k×非工作状态下,标准组合的倾覆力矩标准值M k三、桩竖向力计算1、剪力的计算工作状态下:Q k=(F k+G k+F qkQ kmax=(F k+G k+F qk)/n+(M k+F vk×h)/L=(650+907.5+80)/4+(+×1.20)/5.66=kNQ kmin=(F k+G k+F qk-F lk)/n-(M k+F vk×h)/L=(650+907.5+80-0)/4-(+×1.20)/5.66=kN非工作状态下:Q k=(F k+G kQ kmax=(F k+G k)/n+(M k+F vk×h)/L×1.20)/5.66=kNQ kmin=(F k+G k-F lk)/n-(M k+F vk×h)/L×1.20)/5.66=-kN不计承台自重及其上土重,第i桩的竖向力反力设计值:工作状态下:最大压力×(F k+F qk×(M k+F vk×h)/L××(+×1.20)/5.66=kN最大拔力×(F k+F qk×(M k+F vk×h)/L××(+×1.20)/5.66=-kN非工作状态下:最大压力N i×F k×(M k+F vk×h)/L×××1.20)/5.66=kN最大拔力N i×F k×(M k+F vk×h)/L×××1.20)/5.66=-kN2、弯矩的计算其中M xi,M yi──计算截面处XY方向的弯矩设计值(kN.m);x i,y i──单桩相对承台中心轴的XY方向距离(m);N i──不计承台自重及其上土重,第i桩的竖向反力设计值(kN)。
本溪市经济开发区学府一号商住楼工程塔吊工程专项施工方案展宇建设二○一一年七月本溪市经济开发区学府一号商住楼工程____________________________________________________________________________塔吊工程专项施工方案编制人:_______________ 职务(称) :_______________审核人:_______________ 职务(称) :_______________审批人:_______________ 职务(称) :_______________批准部门(章):_______________________________________编制日期:_______________________________________塔吊基础专项方案一.工程概况本工程位于位于本溪高新技术产业开发区,地块东至孙思邈大街、南至文萃路、西至神农大街防护绿化带、北至红柳路。
总建筑面积为125104.53平方米,其中:住宅面积为93979.22平方米(含阳台面积),公建面积为31125.31平方米(含地下室面积15930平方米)。
由11幢小高层和12幢多层组成。
综观整个场地,在现场北面布置办公和员工宿舍生活区。
根据施工现场平面布置的原则,经现场认真踏勘,结合本工程结构设计和施工特点,经综合分析,对各阶段现场平面布置做如下安排并予以说明(详见施工现场平面布置图)。
二.塔吊概况本工程主体结构施工时共设塔吊11台,布设位置和塔吊编号见平面布置图。
8#楼、10#楼、17#、21#楼塔吊QTZ80型塔吊,该塔吊独立式起升高度为40.5米,附着式起升最大高度达220米,工作臂长56米,最大起重量6吨,最大起重力矩为800千牛米。
三.塔吊使用与管理塔吊安装及拆除均应由具有安装及拆除专项质资的专业队伍负责施工,并编制相应的塔吊搭拆专项方案经集团公司设备处审批后实施。
一.参数信息1. 塔吊参数:塔吊型号: QTZ80塔身宽度B=1.7m,未采用附着装置前,基础受力为最大,有关资料如下表:工况塔机垂直力F v(kN)水平力F h(kN)倾覆力矩M(kN﹒m)工作状态663.4 38.36 1286.59非工作状态603.4 98.2 2546.642. 承台参数:承台厚度:h=1.25m承台宽度:b=3m混凝土强度等级: C30承台主筋:双层双向20﹫150承台箍筋:10﹫200mm保护层厚度:25mm3. 桩参数:桩型:泥浆护壁钻(冲)孔灌注桩桩间距:a=1.7m桩直径:0.8m桩混凝土强度:C30桩身配筋:1216保护层厚度:100mm桩入土深度:38.26m4. 荷载参数:钢筋自重 1kN/m3;混凝土自重 24kN/m3;5. 地质参数:序号土名称土厚度(m) 土侧阻力特征值(kPa) 土端阻力特征值(kPa)1 3淤泥 5.16 6 02 4-2粉质粘土夹粉土 3.8 18 03 6粘土 13.7 30 04 7粉质粘土 6.2 25 05 7-夹含砾粉砂 5.3 32 06 8-1粉砂 1.3 31 07 8-2圆砾 1.6 55 08 10-1全风化粉砂质泥岩 1.2 42 09 10-3中风化粉砂质泥岩 1 0.9 14006. 塔吊计算简图二.工作状态时验算1. 塔吊承台设计验算1) 承台截面主筋验算A. 矩形承台弯矩的计算(依据《建筑桩基技术规范》JGJ94-94)ii x y N m ∑=11 II y X N m ∑=11其 中恒载分项系数取1.2,活载分项系数取1.4;Mx1,My1---计算截面处XY 方向的弯矩设计值(KN.m ); xi,yi----单桩相对承台中心轴的XY 方向距离(m ); Ni1-----扣除承台自重的单桩桩顶竖向力设计值(KN)。
N=1.2×663.4/4+(1.4×1286.59+1.4×38.36×1.25)×(1.7/2)/[4×(1.7/2)2]=748.54kN经计算得到弯矩设计值:Mx1=My1=2×748.54×(1.7/2-1.7/2)=0kN.mB. 承台截面主筋的计算a 依据《混凝土结构设计规范》(GB50010-2002)受弯构件承载力计算。
QTZ80塔吊天然基础的计算书(一)计算依据1.《建筑桩基技术规范》JGJ94-2008;2.《混凝土结构设计规范》(GB50010-2002);3.《建筑结构荷载规范》(GB 50009-2001);4.《南明区大健康欧美医药园项目岩土工程勘察报告》;5.《QTZ80塔式起重机使用说明书》;6.建筑、结构设计图纸;7.《简明钢筋混凝土结构计算手册》。
(二)参数数据信息塔吊型号:QTZ80(6013)塔吊起升高度H:150.00m塔身宽度B:1665mm 基础节埋深d:0.00m自重G:596kN(包括平衡重)基础承台厚度hc:1.40m最大起重荷载Q:60kN 基础承台宽度Bc:6.50m混凝土强度等级:C35 钢筋级别:Q235A/HRB335基础底面配筋直径:25mm公称定起重力矩Me:800kN·m 基础所受的水平力P:80kN标准节长度b:2.80m主弦杆材料:角钢/方钢宽度/直径c:120mm所处城市:贵州省贵阳市基本风压ω:0.3kN/m2地面粗糙度类别:D类密集建筑群,房屋较高,风荷载高度变化系数μz:1.27 。
地基承载力特征值fak:147kPa基础宽度修正系数ηb :0.3 基础埋深修正系数ηd:1.5基础底面以下土重度γ:20kN/m3基础底面以上土加权平均重度γm:20kN/m3(三)塔吊基础承载力作用力的计算1、塔吊竖向力计算塔吊自重:G=596kN(整机重量422+平衡重174);塔吊最大起重荷载:Q=60kN;作用于塔吊的竖向力:F k =G +Q =596+60=656kN ;2、塔吊风荷载计算依据《建筑结构荷载规范》(GB50009-2001)中风荷载体型系数: 地处贵州省贵阳市,基本风压为ω0=0.3kN/m 2; 查表得:风荷载高度变化系数μz =1.27; 挡风系数计算:φ=[3B+2b+(4B 2+b 2)1/2]c/(Bb)=[(3×1.665+2×5+(4×1.6652+52)0.5)×0.12]/(1.665×5)=0.302因为是角钢/方钢,体型系数μs =2.402; 高度z 处的风振系数取:βz =1.0; 所以风荷载设计值为:ω=0.7×βz ×μs ×μz ×ω0=0.7×1.00×2.402×1.27×0.3=0.64kN/m 2;3、塔吊弯矩计算风荷载对塔吊基础产生的弯矩计算:M ω=ω×φ×B×H×H×0.5=0.64×0.302×1.665×100×100×0.5=1609kN·m; M kmax =Me +M ω+P ×h c =800+1609+80×1.4=2521kN ·m ;(四)塔吊抗倾覆稳定验算基础抗倾覆稳定性按下式计算: e =M k /(F k +G k )≤Bc/3式中 e ──偏心距,即地面反力的合力至基础中心的距离; M k ──作用在基础上的弯矩; F k ──作用在基础上的垂直载荷;G k ──混凝土基础重力,G k =25×6.5×6.5×1.4=1479kN ; Bc ──为基础的底面宽度;计算得:e=2521/(656+1479)=1.18m < 6.5/3=2.2m ; 基础抗倾覆稳定性满足要求!(五)塔吊基础地基承载力验算依据《建筑地基基础设计规范》(GB50007-2002)第5.2条承载力计算。
塔吊桩基础安全验算塔吊(QTZ80)基础设计(单桩)计算书1、计算参数2、基本参数QZT80(6012)臂长60米塔式起重机,塔身尺寸1.80m,基坑开挖深度 m;承台面标高 m,设两道附墙件。
2、QZT80(6012)塔机主要技术参数:公称起重力矩800KN.m ,最大起重量60KN,基本臂最大幅度处额定起重量12KN,最大独立起升高度42m,附着最大起升高度150m,工作幅度:2.5~60米。
起升速度:2倍率钢丝绳时为8 0米/分、40米/分、5米/分。
4倍率钢丝绳时为40米/分、20米/分、2.5米/分。
回转速度:0~0.54转/分。
变幅速度米/分。
塔机载荷:最大起重量6吨,最大辐度起重量1.2吨。
(2)计算参数1)塔机基础受力情况荷载工况基础荷载P(KN) M(KN·m)F k F h M M z工作状态971.00 45.00 1967.00 305.00 非工作状态961.00 2168.00 0比较桩基础塔机的工作状态和非工作状态的受力情况,塔机基础按非工作状态计算如图:F k=971.00KN,F h=45.00KN,M=2168.00+45.00×2.40=2276.00kN.mF k=971.0×1.35=1310.85KN,F h=45×1.35KN=60.75KN, M k=(2168.0+45×2.40)×1.35=3072.6kN.m2)桩顶以下岩土力学资料3)基础设计主要参数基础桩采用1根φ1200人工挖孔灌注桩,桩顶标高 m,桩端不设扩大头,桩端入全风化花岗岩0.50m;桩混凝土等级C35,fc=16.70N/mm2,Ec=3.15×104N/mm2;f t=1.57N/mm2,桩长14.00m;,钢筋HRB335,f y=300.00N/mm2,E2=2.00×105N/mm2;承台尺寸长(a)=4.50m、宽(b)=4.5.00m、高(h)=1.40m;桩中心与承台中心重合,承台面标高 m;承台混凝土等级C35,f t=16.70N/mm2,γ砼=25 N/mm3。
塔吊四桩基础的计算书依据《塔式起重机混凝土基础工程技术规程》(JGJ/T 187-2009)参数信息塔吊型号:QTZ80(ZJ5710) 塔机自重标准值:Fk1=起重荷载标准值:Fqk=60kN塔吊最大起重力矩:M=非工作状态下塔身弯矩:M=塔吊独立计算高度:H=43m (塔吊安装高度111.35m) 塔身宽度:B=1.6m桩身混凝土等级:C30承台混凝土等级:C35保护层厚度:H=50mm矩形承台边长:H=3m承台厚度:Hc=1.3m承台箍筋间距:S=200mm承台钢筋级别:HRB400承台顶面埋深:D=0m桩直径:d=0.8m桩间距:a=2.1m桩钢筋级别:HRB400桩入土深度:46.75m桩型与工艺: 泥浆护壁钻( 冲) 孔灌注桩计算简图如下:二. 荷载计算1. 自重荷载及起重荷载1) 塔机自重标准值F k1=777kN2) 基础以及覆土自重标准值G k=3X 3XX 25=承台受浮力:F ik=3X 3XX 10=72kN3) 起重荷载标准值F qk=60kN2. 风荷载计算1) 工作状态下塔机塔身截面对角线方向所受风荷载标准值a. 塔机所受风均布线荷载标准值(Wo=m2)=xxxx =m2=xxx =mb. 塔机所受风荷载水平合力标准值F vk =q sk x H=x=c. 基础顶面风荷载产生的力矩标准值M sk=x H=xx= 非工作状态下塔机塔身截面对角线方向所受风荷载标准值a. 塔机所受风均布线荷载标准值( 本地区Wo=m2)=xxxx =m2=xxx =mb. 塔机所受风荷载水平合力标准值F vk =q sk x H=x =c. 基础顶面风荷载产生的力矩标准值M sk=x H=xx= 塔机的倾覆力矩工作状态下,标准组合的倾覆力矩标准值M k =1668+x (810+=非工作状态下,标准组合的倾覆力矩标准值M k =1668+=三. 桩竖向力计算非工作状态下:Q k=(F k+G k)/n=(777+/4=Q kmax=(F k +G k)/n+(M k+F vk x h)/L=(777+/4++ x /=Q kmin =(F k +G k-F lk )/n-(M k+F vk x h)/L=(777+/4- +x/=工作状态下:Q k=(F k+G k+F qk)/n=(777++60)/4=Q kmax=(F k+G k+F qk)/n+(M k+F vk x h)/L=(777++60)/4++ x /=Q kmin =(F k +G k+F qk -F lk )/n-(M k+F vk x h)/L四. 承台受弯计算1. 荷载计算不计承台自重及其上土重,第i 桩的竖向力反力设计值:工作状态下:最大压力N i =x (F k+F qk)/n+ X (M k+F vk X h)/L=X (777+60)/4+ X +X /=最大拔力N i=X(F k+F qk)/X(M k+F vk X h)/L=X (777+60)/ X +X /=非工作状态下:最大压力N i =XF k/n+X (M k+F vk X h)/L=X 777/4+X +X /=最大拔力N i=XF k/X(M k+F vk X h)/L=X 777/X +X /=2. 弯矩的计算依据《塔式起重机混凝土基础工程技术规程》第 6.4.2 条其中M x,M yi ——计算截面处XY方向的弯矩设计值;x i ,y i——单桩相对承台中心轴的XY方向距离(m);N i ------------ 不计承台自重及其上土重,第i桩的竖向反力设计值(kN)。
塔吊四桩基础的计算书依据《塔式起重机混凝土基础工程技术规程》(JGJ/T 187-2009)。
一. 参数信息塔吊型号:QTZ80(ZJ5710)塔机自重标准值:Fk1=起重荷载标准值:Fqk=60kN塔吊最大起重力矩:M=非工作状态下塔身弯矩:M=塔吊独立计算高度:H=43m(塔吊安装高度111.35m)塔身宽度:B=1.6m桩身混凝土等级:C30承台混凝土等级:C35保护层厚度:H=50mm矩形承台边长:H=3m承台厚度:Hc=1.3m承台箍筋间距:S=200mm承台钢筋级别:HRB400承台顶面埋深:D=0m桩直径:d=0.8m桩间距:a=2.1m桩钢筋级别:HRB400桩入土深度:46.75m桩型与工艺:泥浆护壁钻(冲)孔灌注桩计算简图如下:二. 荷载计算1. 自重荷载及起重荷载1) 塔机自重标准值F k1=777kN2) 基础以及覆土自重标准值G k=3×3××25=承台受浮力:F lk=3×3××10=72kN3) 起重荷载标准值F qk=60kN2. 风荷载计算1) 工作状态下塔机塔身截面对角线方向所受风荷载标准值a. 塔机所受风均布线荷载标准值 (Wo=m2)=××××=m2=×××=mb. 塔机所受风荷载水平合力标准值F vk=q sk×H=×=c. 基础顶面风荷载产生的力矩标准值M sk=×H=××=非工作状态下塔机塔身截面对角线方向所受风荷载标准值a. 塔机所受风均布线荷载标准值 (本地区 Wo=m2)=××××=m2=×××=mb. 塔机所受风荷载水平合力标准值F vk=q sk×H=×=c. 基础顶面风荷载产生的力矩标准值M sk=×H=××=塔机的倾覆力矩工作状态下,标准组合的倾覆力矩标准值M k=1668+×(810+=非工作状态下,标准组合的倾覆力矩标准值M k=1668+=三. 桩竖向力计算非工作状态下:Q k=(F k+G k)/n=(777+/4=Q kmax=(F k+G k)/n+(M k+F vk×h)/L=(777+/4++×/=Q kmin=(F k+G k-F lk)/n-(M k+F vk×h)/L=(777+/4-+×/=工作状态下:Q k=(F k+G k+F qk)/n=(777++60)/4=Q kmax=(F k+G k+F qk)/n+(M k+F vk×h)/L=(777++60)/4++×/=Q kmin=(F k+G k+F qk-F lk)/n-(M k+F vk×h)/L=(777++60-72)/4-+×/=四. 承台受弯计算1. 荷载计算不计承台自重及其上土重,第i桩的竖向力反力设计值:工作状态下:最大压力 N i=×(F k+F qk)/n+×(M k+F vk×h)/L=×(777+60)/4+×+×/=最大拔力 N i=×(F k+F qk)/×(M k+F vk×h)/L=×(777+60)/×+×/=非工作状态下:最大压力 N i=×F k/n+×(M k+F vk×h)/L=×777/4+×+×/=最大拔力 N i=×F k/×(M k+F vk×h)/L=×777/×+×/=2. 弯矩的计算依据《塔式起重机混凝土基础工程技术规程》第6.4.2条其中 M x,M y1──计算截面处XY方向的弯矩设计值;x i,y i──单桩相对承台中心轴的XY方向距离(m);N i──不计承台自重及其上土重,第i桩的竖向反力设计值(kN)。
塔吊天然基础的计算书一. 参数信息塔吊型号: QTZ80 自重(包括压重):F1=480.00kN 最大起重荷载: F2=60.00kN塔吊倾覆力距: M=1335.00kN.m 塔吊起重高度: H=47.00m 塔身宽度: B=1.60m混凝土强度等级:C35 钢筋级别: Ⅱ级地基承载力特征值: 237.50kPa基础最小宽度: Bc=5.00m 基础最小厚度: h=1.35m 基础埋深: D=2.00m预埋件埋深: h=0.00m二. 基础最小尺寸计算基础的最小厚度取:H=1.35m基础的最小宽度取:Bc=5.00m三. 塔吊基础承载力计算依据《建筑地基基础设计规范》(GB50007-2002)第5.2条承载力计算。
计算简图:由于偏心距 e=M/(F+G)=1335.00/(540.00+1843.75)=0.56≤B/6=0.83所以按小偏心计算,计算公式如下:当考虑附着时的基础设计值计算公式:式中 F──塔吊作用于基础的竖向力,它包括塔吊自重,压重和最大起重荷载,F=540.00kN;G──基础自重与基础上面的土的自重,G=25.0×B c×B c×H c+20.0×B c ×B c×D =1843.75kN;B c──基础底面的宽度,取B c=5.00m;W──基础底面的抵抗矩,W=B c×B c×B c/6=20.83m3;M──倾覆力矩,包括风荷载产生的力距和最大起重力距,M=1.4×1335.00=1869.00kN.m;经过计算得到:最大压力设计值 P max=1.2×(540.00+1843.75)/5.002+1869.00/20.83=204.13kPa最小压力设计值 P min=1.2×(540.00+1843.75)/5.002-1869.00/20.83=24.71kPa有附着的压力设计值 P k=1.2×(540.00+1843.75)/5.002=114.42kPa四. 地基基础承载力验算地基基础承载力特征值计算依据《建筑地基基础设计规范》GB 50007-2002第5.2.3条。
QTZ80塔吊天然基础的计算书一)计算依据1. 《建筑桩基技术规范》 JGJ94-2008;2. 《混凝土结构设计规范》 (GB50010-2010);3. 《建筑结构荷载规范》( GB 50009-2012);4. 《xxxxxX 技术学院北区实训楼工程勘察报告》;5. 《QTZ80塔式起重机使用说明书》;6. 建筑、结构设计图纸;7. 《简明钢筋混凝土结构计算手册》。
(二)参数数据信息 塔吊型号: QTZ80( TC6012A-6A ) 塔身宽度 B :1665mm自重G: 596kN (包括平衡重) 最大起重荷载 Q :60kN 混凝土强度等级: C35 基础底面配筋直径: 25mm公称定起重力矩Me 800kN • m标准节长度 b :2.80m 主弦杆材料:角钢 / 方钢所处城市:xx 省 xxx 基 地面粗糙度类D 类密集建筑群,房屋较咼,风荷载咼度变化系数 问1.27 。
地基承载力特征值 f ak : 2000kPa基础宽度修正系数n : 0.3 基础埋深修正系数n : 1.5基础底面以下土重度Y 20kN/nf 基础底面以上土加权平均重度丫血20kN/m 3(三)塔吊基础承载力作用力的计算1、塔吊竖向力计算塔吊起升高度 H :40.00m 基础节埋深 d :0.00m基础承台厚度 hc :1.00m基础承台宽度 Bc :5.30m 钢筋级别: Q235A/HRB335 基础所受的水平力 P :80kN 宽度/直径c : 120mm风压 30: 0.3kN/m 2塔吊自重:G=596kN(整机重量422+平衡重174); 塔吊最大起重荷载:Q=60kN;作用于塔吊的竖向力:F k= G+ Q= 596+ 60 = 656kN;2、塔吊风荷载计算依据《建筑结构荷载规范》(GB50009-2001中风荷载体型系数:地处贵州省贵阳市,基本风压为w0=0.3kN/m2;查表得:风荷载高度变化系数便=1.27; 挡风系数计算:冋3B+2b+(4$+b2)1/2]c/(Bb)=[(3 X 1.665+2 X 5+(42拓0665< 0.12]/(1.665X 5) =0.302因为是角钢/方钢,体型系数临=2.402;高度z处的风振系数取:皆1.0;所以风荷载设计值为:3 =0.7 XX^s X zX(0=0.7 X 1.00 X 2.402 X 1.27 X 0.3=0%4kN/m3、塔吊弯矩计算风荷载对塔吊基础产生的弯矩计算:M L=oX©X B X H X H X4).X=0.302 X 1.665 X 100X 100X 0.5=1609kN •M max= Me^ M0+ P X h c= 800+ 1609+ 80 X 1.4 = 2521kN • m(四)塔吊抗倾覆稳定验算基础抗倾覆稳定性按下式计算:e= M/( F k+G)w Bc/3式中e ----- 偏心距,即地面反力的合力至基础中心的距离;M k—作用在基础上的弯矩;F k——作用在基础上的垂直载荷;G k——混凝土基础重力,25 X 6.3 X 6.5 X 1.4=1479kN;Bc ------- 为基础的底面宽度;计算得:e=2521/(656+1479)=1.18m < 6.3/3=2.2m ;基础抗倾覆稳定性满足要求!(五)塔吊基础地基承载力验算依据《建筑地基基础设计规范》(GB50007-2011)第5.2条承载力计算计算简图:W-——/eoo D混凝土基础抗倾翻稳定性计算:e=1.18m > 6.3/6.3=1m地面压应力计算:R=( F k+G) /AP kmax= 2x (F k+ G)/ (3X a x Bc)式中Fk——作用在基础上的垂直载荷;G k 混凝土基础重力;a——合力作用点至基础底面最大压力边缘距离(m),按下式计算:a = Bc/20.5—M k/ (F k+ G)= 6.3/2 0.5-2521/(656+1479)=3.416m。
Bc——基础底面的宽度,取Bc=6.3m不考虑附着基础设计值:R=( 656+1479) /6.3 2= 50.53kPa;Rmax=2X (656+1479)/(3 x 3.416 x 6.3)= 69.6kPa ;地基承载力特征值计算依据《建筑地基基础设计规范》GB50007-2011第5.2.3 条。
计算公式如下:f a = f ak+ n 丫(-3)+ n Y(d-0.5)f a r-修正后的地基承载力特征值(kN/m2);f ak--地基承载力特征值,按本规范第523条的原则确定;取147.00kN/m2;n、n--基础宽度和埋深的地基承载力修正系数;■' b ------- 基础宽度地基承载力修正系数,取0.30 ;- d——基础埋深地基承载力修正系数,取1.50 ;Y-基础底面以上土的重度,地下水位以下取浮重度,取20.000kN/m3;b-- 基础底面宽度(m),取6.300m;Y--基础底面以上土的加权平均重度,地下水位以下取浮重度,取20.000kN/m3;d-- 基础埋置深度(m)取1.4m;f a = f ak+n Y (b3)+ n Y(d-0.5)=147+0.3*20(6.3-3)+1.5*20(1.4-0.5) =194<Pa解得地基承载力设计值:f a=194kPa;实际计算取的地基承载力设计值为:f a=195kPa;地基承载力特征值f a大于压力标准值P k=50.53kPa,满足要求!地基承载力特征值1.2 x f a大于偏心矩较大时的压力标准值P kmax=69.6kPa,满足要求!(六)基础受冲切承载力验算依据《建筑地基基础设计规范》(GB 50007-2011 )第8.2.7条。
验算公式如下:F 1 w 0.7 3rf t a m h o式中和--受冲切承载力截面高度影响系数,当h不大于800mr时,和取1.0.当h大于等于2000mr时,伤取0.9,其间按线性内插法取用;取和=0.97;f t --混凝土轴心抗拉强度设计值;取f t=1.57MPah o --基础冲切破坏锥体的有效高度;取h°=1.35m;a m --冲切破坏锥体最不利一侧计算长度;a m=(a t+a b)/2 ;a m=[1.665+(1.665 +2 x 1.35)]/2=3.005m ;a t --冲切破坏锥体最不利一侧斜截面的上边长,当计算柱与基础交接处的受冲切承载力时,取柱宽(即塔身宽度);取a尸1.665m;a b -- 冲切破坏锥体最不利一侧斜截面在基础底面积范围内的下边长,当冲切破坏锥体的底面落在基础底面以内,计算柱与基础交接处的受冲切承载力时,取柱宽加两倍基础有效高度;a b=1.665 +2 x 1.35=4.365m;P j -- 扣除基础自重后相应于荷载效应基本组合时的地基土单位面积净反力,对偏心受压基础可取基础边缘处最大地基土单位面积净反力;取P j=101.12kPa;A l -- 冲切验算时取用的部分基底面积;A l=6.50x(6.50-4.365)/2=6.939m 2F i --相应于荷载效应基本组合时作用在A上的地基土净反力设计值。
F l=P j A l ;F l=101.12x6.939=701.65kN。
允许冲切力:0.7x 0.97x 1.57x 3005.00x 1350.00=4324.62kN > F l= 701.65kN;实际冲切力不大于允许冲切力设计值,所以能满足要求!(七)承台配筋计算1. 抗弯计算依据《建筑地基基础设计规范》( GB 50007-2011)第8.2.7 条。
计算公式如下:M I=a12[(2l+a')(P max+P-2G/A)+(P max-P)l]/12式中:M--任意截面1-1处相应于荷载效应基本组合时的弯矩设计值;a i --任意截面1-1至基底边缘最大反力处的距离;取a i=(Bc-B)/2 = (6.50-1.665)/2=2.418m ;P max -- 相应于荷载效应基本组合时的基础底面边缘最大地基反力设计值,取i0i.i2kN/m2;P -- 相应于荷载效应基本组合时在任意截面I-I 处基础底面地基反力设计值,P= P max X( 3x a—a i) /3 x a= 101.12 x (3 x 1.665-2.418)/(3 xi.665)=52.2ikPa ;G -- 考虑荷载分项系数的基础自重,取G=25x Bc x Bc x hc=25x6.50x6.50x1.40=1479kN/m2;l -- 基础宽度,取l=6.50m ;a -- 塔身宽度,取a=1.665m;a'-- 截面I - I在基底的投影长度,取a'=1.665m。
经过计算得M=2.4182X [(2 X 6.50+1.665) X (101.12+52.21-2 X1479/6.50 2)+(101.12-52.21) X 6.50]/12=666.78kN • m2. 配筋面积计算2a = M/( 1(f c bh0 )Z= 1-(1-2a s)1/2Y= 1-Z2A s = M/( Y h°f y)式中,a --当混凝土强度不超过C50寸,a1取为1.0,当混凝土强度等级为C80寸,取为0.94,期间按线性内插法确定,取a=1.00;fc -- 混凝土抗压强度设计值,查表得fc=16.70kN/m2;h o -- 承台的计算高度,h o=1.35m。
经过计算得:a s=666.78 X 6/01.00 X 16.7 X 6.50X X.35 X 询2)=0.00337;§=1-(1-2 X 0.00337=0.00337;Y=1-0.00315/2=0.998;A s=666.78X106/(0.998 X1.35X103X300.00)=1649.67mm2。
由于最小配筋率为0 . 1 5%,所以最小配筋面积为:5300.00 X 1000.00 X0.15%=7950m1m 实际配筋为A=5.3*3142=16652 mm2>13650mfi a 满足要求!。