电线电缆检验项目
- 格式:docx
- 大小:25.50 KB
- 文档页数:7
电力电缆检验报告()
电力电缆检验报告。
自查报告。
日期,2022年10月15日。
检验单位,XXX电缆有限公司。
检验项目,电力电缆质量检验。
自查内容:
1. 外观检查,检查电力电缆外观是否平整,表面是否有明显的损坏、划痕或变形。
2. 尺寸测量,测量电力电缆的长度、直径、厚度等尺寸参数,确保符合标准要求。
3. 绝缘电阻测试,使用绝缘电阻测试仪对电力电缆的绝缘电阻
进行测试,确保在正常范围内。
4. 导体电阻测试,使用导通测试仪对电力电缆的导体电阻进行
测试,确保导通性良好。
5. 包覆厚度测量,测量电力电缆的包覆厚度,确保符合标准要求。
6. 外径测量,测量电力电缆的外径,确保符合标准要求。
自查结论:
经过自查,发现电力电缆的外观平整,无明显损伤;尺寸测量、绝缘电阻测试、导体电阻测试、包覆厚度测量和外径测量均符合标
准要求。
自查人员,XXX。
自查日期,2022年10月15日。
自查结论经过公司质检部门审核确认后,现报告如上。
XXX电缆有限公司。
2022年10月15日。
浅谈电线电缆的检测项目及检测方法引言:电线电缆是社会经济发展中的主要配套产品。
在全球范围内,我国的电线电缆行业成为第一个制造大国。
但是,中国电线电缆性能问题凸显,现况令人担忧。
生产过程中,需要按照国家行业标准和有效的方法对各项目进行检测。
关键词:电线电缆;检测项目;检测方式电线电缆是一种极为重要的电力工程配套产品,对社会经济发展和人民生产活动安全性起着至关重要的作用。
尽管我国建立了各类严格的电线电缆制造测试标准,但是目前局势仍不容乐观,市场弥漫着各类伪劣电线电缆,中国产品品质水准显著低于国外。
1电线电缆性能检测的必要性在这个时代日常生活,电线电缆已经成为社会经济各个部门不可或缺的配套产品,从超高压输电线路到各种微型马达。
电线电缆在中国工业化生产的各个阶段和大家日常的生活各个领域都起到极为重要的促进作用。
现阶段,中国电线电缆厂家数千家,商品品种繁多,生产量极大,涉及面广,客户覆盖社会经济发展各个领域,其中很多进入了我国电气设备产品安全认证范畴。
但也有些伪劣电线电缆厂家,产品测试不过关,或制造各类品牌,造成市场电线电缆质量不匀,火灾事故等安全生产事故源源不绝。
2电线电缆性能现况现阶段,中国产品质量检验机构只要是有电气设备检验项目,基本上可以检验电线电缆的品质。
市场中不符合要求的电线电缆牵涉到测试标准的各个领域,尤其是导体电阻.工作电压实验.绝缘层抗拉强度.接地电阻等检验工程不符合规定,除此之外,在外形尺寸和标识上,电线电缆也存在相对较高的不良率。
中国一家质量检测机构对某一地域销售市场的电线电缆完成了调研,数据显示,制造业企业已通过ISO9000认证的电线电缆达标率低于90%,审核未通过认证的较小规模电线电缆制造业企业达标率甚至小于30%。
依据质量检验机构出具的调查研究报告,市场中各加盟店售卖的电线电缆整体达标率大约为70%。
对于一些中小型五金店而言,他们售卖的电线电缆的通过率甚至不上10%。
在一些偏僻地区,他们目前五金店售卖的电线电缆质量不符合要求的100%。
电缆取样送检标准一、电缆规格、型号1.取样数量:每批电缆应抽取1%的样品进行规格、型号的检查。
2.检验项目:检查电缆的导体截面积、绝缘层厚度、导线绞合节径比等参数是否符合要求。
3.检验方法:核对电缆规格型号是否与设计相符,检查电缆的导体截面积、绝缘层厚度、导线绞合节径比等参数是否与标准相符。
二、电缆材料及组成1.取样数量:每批电缆应抽取1%的样品进行材料及组成的检查。
2.检验项目:检查电缆的导体材料、绝缘层材料、护套材料等是否符合要求。
3.检验方法:检查材料的合格证明文件,核对材料的种类、规格、性能指标是否符合要求。
对样品进行化学分析、光谱分析等手段,进一步确认材料的成分和性能。
三、电缆外观质量1.取样数量:每批电缆应抽取1%的样品进行外观质量的检查。
2.检验项目:检查电缆的表面是否有划痕、裂纹、毛刺等缺陷。
3.检验方法:观察电缆的表面状况,检查是否有明显的缺陷。
同时,采用游标卡尺等量具测量电缆的外观尺寸是否符合要求。
四、电缆绝缘性能1.取样数量:每批电缆应抽取1%的样品进行绝缘性能的检查。
2.检验项目:检查电缆的绝缘电阻值是否符合要求,同时检查绝缘层的耐压性能。
3.检验方法:按照GB/T3048.4-2007《电线电缆电性能试验方法第4部分:绝缘电阻试验》的规定进行绝缘电阻测试;按照GB/T3048.8-2007《电线电缆电性能试验方法第8部分:交流耐压试验》的规定进行绝缘层耐压试验。
五、电缆耐压试验1.取样数量:每批电缆应抽取1%的样品进行耐压试验的检查。
2.检验项目:检查电缆在规定电压下的耐压性能是否符合要求。
3.检验方法:按照GB/T3048.8-2007《电线电缆电性能试验方法第8部分:交流耐压试验》的规定进行耐压试验。
电线电缆检测标准电线电缆是电力系统中的重要组成部分,其质量直接关系到电力系统的安全和稳定运行。
因此,对电线电缆的检测工作显得尤为重要。
本文将介绍电线电缆的检测标准,以期为相关工作者提供参考和指导。
首先,电线电缆的外观检测是非常重要的一环。
在外观检测中,应当注意电线电缆的外观是否平整,表面是否有明显的损伤或磨损,是否有裸露的导体等情况。
此外,还需要检查电线电缆的标识是否清晰完整,是否符合国家标准等。
其次,电线电缆的绝缘电阻测试也是不可或缺的一项检测内容。
绝缘电阻测试可以有效地检测电线电缆的绝缘性能,判断其是否存在漏电现象。
在进行绝缘电阻测试时,应当选择合适的测试仪器,并按照标准测试方法进行操作,确保测试结果的准确性。
另外,电线电缆的电气性能测试也是必不可少的。
电气性能测试包括导通测试、绝缘电阻测试、电容测试等内容,通过这些测试可以全面了解电线电缆的电气性能是否符合要求,保证其在实际使用中能够正常工作。
此外,对电线电缆的耐热性能、耐候性能、耐油性能等方面也需要进行相应的测试。
这些性能的测试可以全面了解电线电缆在不同环境条件下的工作状态,为其在实际使用中提供参考依据。
最后,对于电线电缆的包装和运输也需要进行相应的检测。
包装和运输的不当可能会导致电线电缆在运输过程中受到损坏,因此在检测中需要对电线电缆的包装是否完好,是否符合运输标准等进行检查。
总之,电线电缆的检测工作是非常重要的,只有通过严格的检测,才能保证电线电缆的质量符合标准要求,从而保障电力系统的安全稳定运行。
希望本文介绍的电线电缆检测标准能够对相关工作人员有所帮助,提高电线电缆检测工作的质量和效率。
电线电缆检测抽样,送样,实检确认记录范文1. 引言1.1 概述本文主要研究的是电线电缆的检测抽样、送样和实际检测确认记录。
电线电缆作为电力传输和通信领域中不可或缺的关键元件,其质量问题直接影响到工程项目的安全性和可靠性。
因此,对于电线电缆进行有效的检测和质量管理至关重要。
1.2 研究背景随着社会进步和科技发展,对电线电缆质量的要求也越来越高。
然而,由于行业竞争激烈、市场监管不完善以及一些企业对产品质量意识不强等原因,一些低质量甚至假冒伪劣的电线电缆产品在市场上流通。
这给用户带来了很大的危害,并严重损害了行业声誉。
因此,在这个背景下,开展电线电缆检测抽样以及相关实检确认工作显得尤为必要。
1.3 目的本文旨在介绍电线电缆检测抽样、送样程序以及实际检测确认记录模板,以提供一种规范化和科学化的方法来保证电线电缆产品质量的可控性和稳定性。
同时,通过对检测过程和结果的分析与讨论,进一步明确可能出现的问题,并提出相应解决方案和对未来工作的展望与建议,以推动电线电缆质量管理水平的持续提升和行业发展的良性循环。
2. 电线电缆检测抽样:2.1 抽样方法:在电线电缆的检测过程中,抽样是非常重要的一步。
通过合理的抽样方法,可以提高检测的准确性和代表性。
下面介绍两种常用的电线电缆检测抽样方法:随机抽样和分层抽样。
随机抽样是指从一个大批次中,按照统计学原则,通过随机选择的方式,选择一部分作为样品进行检验。
这种方式能够保证每个被抽取到的单位具有相同被选中的机会,并且更好地代表了整个批次的特征。
分层抽样是将一个大批次划分成若干个互不重叠、完全包含、相对均匀且具有代表性的子集,然后再从每个子集中进行简单随机抽样或其他形式的抽样。
这种方法能够更好地控制各个子集的特征,并根据需要对不同子集进行不同程度的检测。
根据具体情况和要求,选择合适的抽样方法是必要且关键的环节。
同时,在实际操作过程中还需注意遵循相关标准和技术规范,并做好相应的记录和备份。
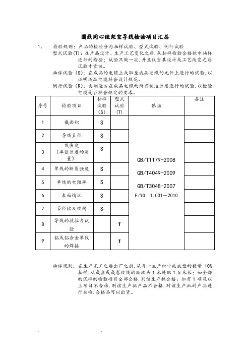
圆线同心绞架空导线检验项目汇总1、检验规则:产品的检验分为抽样试验、型式试验、例行试验型式试验(T):在产品设计、生产工艺变化之后.从抽样检验合格批中抽样进行的检验;试验只做一次.并且仅当其设计或工艺改变之后试验才重做。
抽样试验(S):在成品的电缆上或取至成品电缆的元件上进行的试验.以证明成品电缆符合设计规范。
例行试验(R):由制造方在成品电缆的所有制造长度进行的试验.以检验抽样规则:在生产完工之后出厂之前.从每一生产批中按成盘的数量10%抽样.从成盘或成卷绞线的距端头1米处取1.5米长;如全部的试样的检验项目全部合格.则该生产批合格;如有1项及以上项目不合格.则该生产批产品不合格.对该生产批的产品进行全检.合格品可以出货。
1、检验规则:产品的检验分为抽样试验、型式试验、例行试验型式试验(T):在产品设计、生产工艺变化之后.从抽样检验合格批中抽样进行的检验;试验只做一次.并且仅当其设计或工艺改变之后试验才重做。
抽样试验(S):在成品的电缆上或取至成品电缆的元件上进行的试验.以证明成品电缆符合设计规范。
例行试验(R):由制造方在成品电缆的所有制造长度进行的试验.以检验电缆是否符1、检验规则:产品的检验分为抽样试验、型式试验、例行试验型式试验(T):在产品设计、生产工艺变化之后.从抽样检验合格批中抽样进行的检验;试验只做一次.并且仅当其设计或工艺改变之后试验才重做。
抽样试验(S):在成品的电缆上或取至成品电缆的元件上进行的试验.以证明成品电缆符合设计规范。
例行试验(R):由制造方在成品电缆的所有制造长度进行的试验.以检验电缆是否符0.6/1kV交联电缆检验项目(标准:GB/T12706.1-2008)1检验规则:产品的检验分为抽样试验、型式试验、例行试验型式试验(T):在产品设计、生产工艺变化之后.从抽样检验合格批中抽样进行的检验;试验只做一次.并且仅当其设计或工艺改变之后试验才重做。
抽样试验(S):在成品的电缆上或取至成品电缆的元件上进行的试验.以证明成品电缆符合设计规范。
电线电缆质量的检测项目和方法作者:暂无来源:《中国质量技术监督》 2018年第3期电线电缆产品应用于国民经济各个领域,配套于各产业、国防建设和重大建设工程,是现代经济和社会正常运转的基础保障,也是人们日常生活中不可缺少的产品。
电线电缆品种繁多,量大而面广,许多产品还被列入国家电工产品安全认证的产品范围。
国内生产厂家达数千家,用户涉及各行各业各系统。
一些厂家为追求高额利润,使用不合格的原材料和生产工艺,进一步导致假冒伪劣的电线电缆产品充斥国内市场。
针对此问题,急需相关部门加强检测工作,全面控制电线电缆的质量安全,为人民提供安全可靠的产品。
电线电缆的质量状况由于电线电缆的重要性,国家对电线电缆的标准要求都比较严格。
但由于电线电缆的生产厂家比较多,目前国内电线电缆的质量水平明显低于国外,且劣质的电线电缆充斥市场。
就国内某家质检机构对某地区的市场上销售的电线电缆的调查来看,销售不容乐观。
即使是通过ISO9000认证的电线电缆生产企业,其电线电缆的合格率也在90%以下,对于那些规模较小的没有通过认证的生产企业,其电线电缆的合格率不及30%。
据该质检机构的调查报告,市场上电线电缆专营店所经销的电线电缆合格率在70%左右,市场上规模较小的五金店,其经销的电线电缆的合格率在10%以下,部分较落后地区的五金店经销的电线电缆甚至100%不合格。
这些不合格电线电缆给生产带来严重的安全隐患。
究其原因,主要是该部分店面所经销的电线电缆多为三无企业所产。
国家虽然对电线电缆的生产企业强制实行CCC认证,但还有很多没有通过CCC认证的企业在私下生产不合格电线电缆。
令某些不具备CCC认证资格的企业通过借用实验设备和实验人员的方法获得CCC认证,像该类企业生产的电线电缆大多不合格,且该类企业在国内普遍存在。
所以用户在采购电线电缆的时候一定要采用正规的,有一定知名度的通过国家强制认证的电线电缆。
根据国家标准的相关规定,电线电缆的检测项目主要有外形尺寸、标志检查、绝缘厚度、导体直流电阻、成品电缆电压实验、绝缘老化前后拉力试验等内容。
电线电缆检测项目及标准
电线电缆检测项目及标准:
1、外观标准,电线上必须有认证标志、制造商、线径等,地线用黄绿色绝缘层。
2、机械强度
3、护套的绝缘(一般大于100MΩ)和耐压强度(500V以上1500V以下)。
4、线阻(一定的线径、电导率、长度下不大于一定的电阻)。
5、高温冲击140度下,低温-30度下电线不得出现开裂等。
电缆试验就是检查电缆质量、绝缘状况和对电缆线路所做的各种测试,由于电力电缆是用于传输大功率电能,一般在高电压、大电流条件下工作,所以对其电性能要求很高,为了检验电缆的制造和安装质量,减少运行事故,提高供电可靠性,必须进行性能试验。
电线电缆的检测项目及检验方法摘要:本文主要围绕电线电缆的检测项目展开研究,通过分析其不同组成构件的检测要求和检测方法,在此基础上开展后续的计算工作,可以有效保障其工作质量,通过对绝缘以及电线电缆制造的整体工序等进行检测,可以进一步明确其各环节的检测要求和检测标准,对推动相关工作以合理方式开展等具有重要意义。
关键词:电线电缆;检测项目;检验方法电网事业快速发展,其应用的电线电缆的材质也发生了一定的变化,类别更加多样化。
在当前电线电缆市场上存在着相对较为严重的电线电缆质量不合格现象,影响了电网事业合力推进,对用户用电等产生了极为不利的影响。
为此,必须加强对电线电缆检测工作的重视,采取合理方式解决该类问题。
1.电线电缆的结构和尺寸检查电线电缆应用的位置和环境不同,其尺寸和结构等也会存在相对较大的差异,可以将该类因素作为检查的重点之一。
就当前来说,主要围绕电线和电缆的非金属保护套、屏蔽、绝缘和平均外径等进行检查。
通过对导体的结构和单线根数等进行检查,明确金属屏蔽和半导体屏蔽以及绝缘屏蔽等存在的问题,将金属丝和金属带的铠装区分开来,应用千分尺展开对金属丝直径的测量工作,可以有效保障其工作效率。
为了降低对保护套造成的影响,应当选择将电缆一部分截取的方式开展后续测量工作,一般选择在间隔在一米的位置取样,样本的代表性相对较强,后续各项工开展过程中遇到的问题相对较少。
同时还应当对电缆产品的绝缘最小以及最大厚度进行测量,结合所选取的样本的样式和产品表面的具体情况,综合绝缘线芯等存在的问题来开展测量工作,在此基础上确定出绝缘偏心度,可以有效保证其工作质量。
同时,工作人员还应当对电线电缆的外观进行检测,通过触摸以及化学实验等方式,检测电线电缆的外部性能是否能满足电网运行的要求,同时判断其线路的老化情况,在此基础上开展后续各项工作,结合电线电缆检测标准和维修方法等进行改善,可以有效保障其工作质量。
2.导体直流电阻检测工作导体直流电阻检测在电线电缆检测工作中占据重要位置,对推动后续各项工作合理开展具有重要意义,电线电缆的导电性能检测主要通过该方式完成。
电线电缆
电流GB4793.2-2008 18元/根保护接地GB15934-1996 90元/根温度/湿度
检测
GB15934-1996 240元/根
表面温度GB9331.1-1988
JB8140-1995
25元/根
低压电器
剩余电流GB6829-95,
JB8755-98
90元/组
工作接地GB16915.1-1997 360元/组
保护接地GB16915.1-1997 120元/组
电流GB16915.1-1997 180元/组
温度/湿度
检测
GB15934-1996 240元/组
表面温度GB16915.1-1997 540元/组
保护接地是指将电气装置正常情况下不带电的金属部分与接地装置连接起来,以防止该部分在故障情况下突然带电而造成对人体的伤害。
工作接地就是将变压器的中性点接地。
其主要作用是系统电位的稳定性,即减轻低压系统由于一相接地,高低压短接等原因所产生过电压的危险性,并能防止绝缘击穿。
剩余电流定义:低压配电线路中各相(含中性线)电流矢量和不为零的电流。
电线电缆的检验项目及检验方法摘要:电线电缆在电力系统和电气工程中扮演着重要的角色,其质量和安全性直接影响到电力传输和设备运行的可靠性。
因此,对电线电缆进行有效的检验是至关重要的。
本文旨在介绍电线电缆的常见检验项目和相应的检验方法,以提高电线电缆的质量和可靠性。
关键词:电线电缆;检验项目;检验方法引言电线电缆是电力系统中用于传输电能的重要组成部分。
随着电力需求的增长,对电线电缆的质量和可靠性要求也越来越高。
因此,对电线电缆进行全面的检验是确保其性能和安全性的关键步骤。
1.检验项目1.1.外观检验检查电缆外皮是否完整,是否存在刮擦、破损、剥落等情况。
任何破损的外皮都可能影响电缆的绝缘性能和机械强度,因此需要及时发现并进行修复或更换;电缆外皮的颜色是否符合标准要求,并核对电缆上的标识信息,包括电缆型号、额定电压、生产厂商等。
正确的颜色和标识可以帮助识别电缆的特性和用途,以及追溯生产和质量控制信息,仔细观察电线电缆表面是否存在裂纹、凹陷、气泡、异物等缺陷。
这些表面缺陷可能是由于生产过程中的缺陷、运输或安装时的损坏等原因引起的。
这些缺陷可能会导致电缆的电气性能下降,甚至引发电气故障或事故,电缆是否存在异常的弯曲或折叠,这可能导致电线电缆内部的导体受到损伤或绝缘层受到压力,从而降低电缆的性能和寿命。
在进行外观检验时,需要使用适当的照明和放大设备,以确保能够充分观察和检查电线电缆的表面细节。
同时,需要记录和报告任何发现的外观缺陷,并采取相应的措施进行修复或更换。
1.2.尺寸检验导体直径是电线电缆中心的金属导体的直径,导体直径的准确测量对于判断电缆的导电能力和承载能力至关重要。
通常使用卡尺、显微镜或激光测量仪等工具进行测量,并与标准数值进行比对;绝缘层是保护导体的绝缘材料覆盖在导体表面的一层。
绝缘层的厚度对电线电缆的绝缘性能起着重要作用。
通过使用显微镜或专用测厚仪等工具进行测量,可以获得绝缘层的厚度,并与标准要求进行比对;绝缘外径是指绝缘层表面到电线电缆外表面的距离。
圆线同心绞架空导线检验项目汇总
1、检验规则:产品的检验分为抽样试验、型式试验、例行试验
型式试验(T):在产品设计、生产工艺变化之后,从抽样检验合格批中抽样进行的检验;试验只做一次,并且仅当其设计或工艺改变之后试验才重做。
抽样试验(S):在成品的电缆上或取至成品电缆的元件上进行的试验,以证明成品电缆符合设计规范。
例行试验(R):由制造方在成品电缆的所有制造长度进行的试验,以检验电缆是
从成盘或成卷绞线的距端头1米处取1.5米长;如全部的试样的检验项
目全部合格,则该生产批合格;如有1项及以上项目不合格,则该生
产批产品不合格,对该生产批的产品进行全检,合格品可以出货。
1kV架空绝缘电缆检验项目
1、检验规则:产品的检验分为抽样试验、型式试验、例行试验
型式试验(T):在产品设计、生产工艺变化之后,从抽样检验合格批中抽样进行的检验;试验只做一次,并且仅当其设计或工艺改变之后试验才重做。
抽样试验(S):在成品的电缆上或取至成品电缆的元件上进行的试验,以证明成品电缆符合设计规范。
例行试验(R):由制造方在成品电缆的所有制造长度进行的试验,以检验电缆是否符合规定的要求。
10kV架空绝缘电缆检验项目
1、检验规则:产品的检验分为抽样试验、型式试验、例行试验
型式试验(T):在产品设计、生产工艺变化之后,从抽样检验合格批中抽样进行的检验;试验只做一次,并且仅当其设计或工艺改变之后试验才重做。
抽样试验(S):在成品的电缆上或取至成品电缆的元件上进行的试验,以证明成品电缆符合设计规范。
例行试验(R):由制造方在成品电缆的所有制造长度进行的试验,以检验电缆是否符合规定的要求。
0.6/1kV交联电缆检验项目(标准:GB/T12706.1-2008)
1检验规则:产品的检验分为抽样试验、型式试验、例行试验
型式试验(T):在产品设计、生产工艺变化之后,从抽样检验合格批中抽样进行的检验;试验只做一次,并且仅当其设计或工艺改变之后试验才重做。
抽样试验(S):在成品的电缆上或取至成品电缆的元件上进行的试验,以证明成品电缆符合设计规范。
例行试验(R):由制造方在成品电缆的所有制造长度进行的试验,以检验电缆是否符合规定的要求。
8.7/15kV交联电缆检验项目(标准:GB/T12706.2-2008)
检验规则:产品的检验分为抽样试验、型式试验、例行试验
型式试验(T):在产品设计、生产工艺变化之后,从抽样检验合格批中抽样进行的检验;试验只做一次,并且仅当其设计或工艺改变之
后试验才重做。
抽样试验(S):在成品的电缆上或取至成品电缆的元件上进行的试验,以证明成品电缆符合设计规范。
例行试验(R):例行试验通常应在每一根电缆制造长度上进行,根据购买方和制造方达成的质量控制协议,可以减少试验电缆的根
数或采用其他试验方法。