挡土墙课程设计任务书
- 格式:doc
- 大小:32.50 KB
- 文档页数:4
课程设计任务书
一、设计目的
通过设计掌握重力式挡土墙的设计方法和设计内容
二、设计题目
设计资料与技术要求:
1、土壤地质情况:
地面为水田,有60公分的挖淤,地表1—2米为粘土,允许承载力为[σ]=800KPa;以下为完好砂岩,允许承载力为[σ]=1500KPa,基底摩擦系数为f在0.6~0.7之间,取0.6。
2、墙背填料:
选择就地开挖的砂岩碎石屑作墙背填料,容重γ=20KN/M3,内摩阻角ϕ=35º。
3、墙体材料:
7.5号砂浆砌30号片石,砌石γr=22 KN/M3 ,砌石允许压应力[σr] =800KPa,允许剪应力[τr] =160KPa。
4、设计荷载:公路一级。
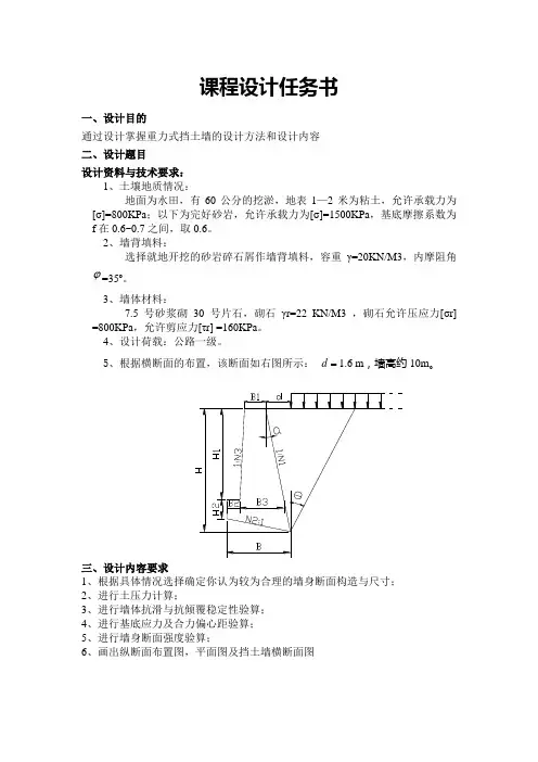
5、根据横断面的布置,该断面如右图所示:=
d 1.6 m,墙高约10m。
三、设计内容要求
1、根据具体情况选择确定你认为较为合理的墙身断面构造与尺寸;
2、进行土压力计算;
3、进行墙体抗滑与抗倾覆稳定性验算;
4、进行基底应力及合力偏心距验算;
5、进行墙身断面强度验算;
6、画出纵断面布置图,平面图及挡土墙横断面图。
挡土墙设计任务书关键信息项:1、项目名称:____________________2、挡土墙位置:____________________3、挡土墙高度:____________________4、设计使用年限:____________________5、设计荷载:____________________6、抗震设防要求:____________________7、材料要求:____________________8、施工技术要求:____________________9、质量验收标准:____________________10、设计完成时间:____________________11 项目背景本项目旨在建设具体工程名称,为确保工程安全与稳定,需设计合理可靠的挡土墙结构。
111 工程概述对工程的整体情况进行简要描述,包括工程规模、用途等。
12 设计依据列出本次挡土墙设计所依据的相关规范、标准及技术文件。
121 国家及地方相关法规和规范如《建筑地基基础设计规范》等。
122 工程地质勘察报告明确地质勘察报告的名称及编号。
13 设计原则阐述挡土墙设计应遵循的基本原则,如安全性、经济性、适用性等。
131 安全可靠原则确保挡土墙在设计使用年限内能够承受各种荷载作用,保持结构稳定。
132 经济合理原则在满足安全要求的前提下,优化设计方案,降低工程造价。
133 美观环保原则尽量使挡土墙与周边环境相协调,减少对环境的影响。
14 挡土墙位置与布置详细说明挡土墙在工程中的具体位置和布置方式。
141 平面位置标明挡土墙在平面图上的准确位置。
142 纵向布置描述挡土墙沿纵向的起伏变化及衔接情况。
15 挡土墙高度确定根据工程实际需要,合理确定挡土墙的高度。
151 考虑因素分析影响挡土墙高度的各种因素,如地形高差、填土高度等。
152 计算方法说明确定挡土墙高度的计算方法和过程。
16 设计荷载明确作用在挡土墙上的各类荷载。
挡土墙课程设计任务书一设计目的结合土力学的基础知识,通过本次的课程设计使学生掌握挡土墙设计的基本理论和设计方法,为毕业后在生产中解决挡土墙设计问题打下基础,适应生产上的需要。
二设计题目重力式挡土墙设计三设计基础资料某二级公路填方路段,为保证路基边坡的稳定性,节省用地,因而设置挡土墙,拟采用路肩重力式挡土墙,其相关参数如下表所示:(按学号变换表中红色参数部分)墙身及基础填料及地基挡土类型仰斜式路肩墙填料种类重度γ(kN/m3)砂类土19墙高H(m) 5.00 填料内摩擦角μ(︒)35墙面坡度 1:0.25 填料与墙背摩擦角δ2ϕ墙背坡度 1:0.25 基础顶面埋深(m)0.80+0.1n砌筑材料 M5浆砌MU50片石地基土类别重度Jγ(kN/m3) 密实砂类土21砌筑材料的重度20+0.1n 地基土承载力特征值400+n1γ(kN/m 3)a f (kN)地基坡度tan 0α0.20基底与地基土摩擦系数i μ0.40圬工砌体间的摩擦系数μ0.70地基土摩擦系数n μ0.80 公路等级及荷载强度 片石砂浆砌体强度设计值 公路等级 一级 抗压)(MPa f ed 0.71+0.01n汽车荷载标准 公路I-级 轴心抗拉)(MPa f td 0.048+0.01n 墙顶护栏荷强度)/(2m kN q L7+0.1n弯曲抗拉)(MPa f tmd 0.072+0.01n直接抗剪)(MPa f vd0.120+0.01n 其中n 为学生学号的后两位数。
四 设计任务(1)挡土墙的构造设计主要包括挡墙形式的选择,各部分尺寸的拟定等,设计参照《公路路基设计规范》。
(2)墙后填土和车辆荷载所引起的土压力计算 (3)按基础宽、深作修正的地基承载力特征值 (4)基底合力偏心距验算 (5)地基承载力验算 (6)挡土墙抗滑移验算 (8)挡土墙抗倾覆稳定验算 (9)挡土墙自身截面强度和稳定验算五设计要求1、设计严格按照规范规定进行,同时符合实际需求;2、设计计算过程条理清楚、内容完整;3、设计图纸用A3图纸打印,计算书部分采用A4纸张。
重力式挡土墙设计任务书土木工程学院道桥教研室高大峰编二零零三年元月重力式挡土墙设计任务书根据下列数据设计计算挡土墙,并给出设计图。
Ⅰ、线路资料:Ⅰ级次重型。
设挡里程从K3265+41 至 K3265+71,直线、10‰ 上坡,最近变坡点K3265+000,该电路肩标高321.38m 。
路基宽度W=5.8m 。
纵断面见题图1-1。
Ⅱ、地质资料见图1-1。
Ⅲ、墙背填料为弃碴石块,其内摩擦角︒=40φ,3m /19kN =γ,φδ21=,4.0f =。
Ⅳ、建筑材料:浆砌片石3m /22kN =γ,浆砌块石及砼3m /23kN =γ。
Ⅴ、路基资料见表1-1,横断面见图1-2。
Ⅵ、图中坐标原点在中心地面,X 轴和Y 轴正向如图1-3所示。
附注:① 路堑自线路中心沿轨枕底面至路堑边坡的距离,一边不应小于3.5m(曲线地段系指曲线外侧)。
② 表中的非渗水土系指粘性土(填料中的细粒土和粘砂、粉砂)以及粘性土(填料中的细粒土)含量大于、等于15%的碎石类土、砂类土(填料中的粘块、粗粒土)。
③ 年平均降水量大于400地区的易风化泥质岩石,可按非渗水土一栏考虑。
题图1-2 路基地质横断面一、一般构造与断面尺寸的拟定1.概述档土墙的构造可分为墙身、基础、填料、排水和接缝等几个方面,以下分别述之——⒈墙身ν基本要求:①强度 & 稳定性;②结构合理;③断面经济;④施工方便。
ν一般做法:墙背仰斜部分的坡度:1:0.15~1:0.25,而不宜缓于1:0.30,以免施工困难;附斜部分的坡度:1:0.20~1:0.40墙面一般都用直线形,其坡度应与墙背相协调。
地面横坡较陡时,墙面可用1:0.05~1:0.20;地面平缓时,墙面可用1:0.15~1:0.35,较为经济。
墙顶的宽度,宜留有一人可行走的宽度要求。
浆砌时:0.5m≥;干砌时:≥。
0.6m⒉基础ν基本要求:埋置足够的深度,以保证档土墙的稳定性。
ν一般做法:土质地基:天然地面以下 1.0m≥;受水流冲刷时:冲刷线以下 1.0m≥;有冻害时:冻结线以下0.25m≥。
《挡土墙课程设计》任务书通过本设计使学生掌握挡土墙的基本设计理论,设计方法及设计内容,为毕业后在生产中解决挡土墙设计问题打下基础,使之适应生产上的需要。
一、设计题目重力式挡土墙设计二、设计资料某二级公路在桩号 K2+150~K2+200 段为填方路堤,为保证路堤边坡稳定,少占地拆迁,故设置路堤挡土墙,拟采用重力式挡土墙。
1、K2+150~K2+200路堤段,地表较平坦,其中K2+150地面标高为170.3m ,K2+200处地面标高为170.4m ;2、挡土墙在横断面上的布置及经验尺寸见图示;3、地基为密实的硬塑亚粘土,其容许承载力[σ]=300KPa ,基地摩阻系数f=0;4、墙后填料的容重3/18m kN =γ,计算内摩擦角︒=35ϕ;5、墙体材料5号砂浆砌筑30号片石,其容重3/22m kN =γ,填料与墙背间的摩擦角δ=2/3ϕ;6、荷载:计算荷载汽车-20级,验算荷载挂车-1007、挡土墙分段长度为12米。
重力式挡土墙横断面布置(尺寸单位:m)三、设计方法与设计内容1、拟定挡土墙的结构形式及断面尺2、拟定挡土墙基础的形式及尺寸3、车辆荷载4、土压力计算5、稳定性验算(1)抗滑稳定性(2)抗倾覆稳定性(3)基底应力验算(4)截面应力验算6、绘制挡土墙平面图、纵断面、横断面的布置图。
四、设计要求1、整个设计应符合设计要求2、设计、计算过程条例清晰,内容完整3、设计图清晰,线条均匀,图幅规格A3图纸。
计算书采用A4纸。
五、主要参考资料1、公路设计手册《路基》2、《公里路基设计规范》3、《土质学与土力学》《挡土墙课程设计》指导书一、课程设计的目的和要求课程设计是高等学校学生在校学习专业课的一个重要环节,也是学生综合运用所学的知识解决实际问题和独立钻研的良好机会。
课程设计在教学上的要求是:1、培养综合运用所学知识、解决实际问题的独立工作能力;2、系统巩固并提高基础理论课与专业知识;3、掌握挡土墙设计计算方法;4、了解路基路面整体设计与个体设计的有机联系;5、加强与提高设计、计算、绘图及编制说明书的基本技能;6、对本专业某些理论性或技术性问题进行比较深入的探讨。
挡土墙课程设计挡土墙课程设计一、引言挡土墙是一种常用的土木工程结构,用于防止土体坡面的坡面破坏和滑塌。
本课程设计旨在介绍挡土墙的设计原理、计算方法以及施工要点,以帮助学员全面了解挡土墙的设计与实施过程。
二、基本概念与分类1. 挡土墙的定义与作用挡土墙是指为了抵抗土体质量的侧向力作用,保证土体稳定,防止坡面滑塌而设置的建筑物或工程结构。
2. 挡土墙的分类- 硬质挡土墙:如重力墙、钢筋混凝土挡土墙。
- 软质挡土墙:如挡土墙垫层、挠性挡土墙。
三、挡土墙的设计原理1. 土体力学基础知识- 地基力学参数的确定方法- 土体的稳定性分析方法2. 挡土墙的受力分析- 横向土压力的计算方法- 纵向土压力的计算方法- 影响挡土墙稳定的主要因素四、挡土墙的设计计算1. 挡土墙的基本尺寸确定- 挡土墙高度的计算方法- 挡土墙顶宽和底宽的确定2. 钢筋混凝土挡土墙的设计计算- 钢筋混凝土挡土墙的受力分析- 钢筋混凝土挡土墙的稳定性计算方法五、挡土墙的施工要点1. 基坑开挖与处理- 基坑的布置和开挖方法- 基坑边坡的加固和支护2. 挡土墙的主体施工- 土方土工合理使用- 墙体材料的选用与施工- 挡土墙的水平、竖向和纵向连接设计六、附加设施与装饰1. 挡土墙的排水与防渗措施- 排水系统的设置- 防渗材料的选择与施工2. 挡土墙的绿化与美化- 植被种植与养护- 美化装饰的设计与施工七、本文档所涉及附件1. 挡土墙设计计算表格2. 挡土墙施工图纸3. 挡土墙材料资料八、本文档所涉及的法律名词及注释1. 建筑法:指中华人民共和国的建筑法律法规。
2. 土木工程:人类在自然环境中修建的工程,包括房屋建筑、公路、桥梁等。
挡土墙实训课程设计一、课程目标知识目标:1. 学生能理解挡土墙的概念、分类及结构特点;2. 学生掌握挡土墙的设计原理和计算方法;3. 学生了解挡土墙施工工艺和施工过程中的质量控制要点;4. 学生了解挡土墙工程项目的管理和组织。
技能目标:1. 学生能够运用所学知识,完成小型挡土墙的设计计算;2. 学生能够根据设计图纸,进行挡土墙的施工图绘制;3. 学生通过实训,掌握挡土墙施工的基本操作技能;4. 学生具备分析和解决挡土墙工程实际问题的能力。
情感态度价值观目标:1. 学生培养对土建工程的兴趣,提高职业素养;2. 学生树立安全意识,注重工程质量;3. 学生培养团队协作精神,提高沟通与组织协调能力;4. 学生在实训过程中,养成严谨、求实、勤奋的学习态度。
课程性质:本课程为土建类专业实训课程,旨在提高学生的实际操作能力和工程实践能力。
学生特点:学生具备一定的土建专业理论知识,但对实际工程项目的操作经验较少。
教学要求:结合学生特点,注重理论与实践相结合,突出实用性,培养学生的实际操作技能和解决实际问题的能力。
通过实训,使学生更好地理解和掌握挡土墙相关知识,为将来从事土建工程工作打下坚实基础。
教学过程中,关注学生的个体差异,激发学生的学习兴趣,提高学生的综合素质。
二、教学内容1. 挡土墙基础知识:- 挡土墙的定义、分类及结构特点;- 挡土墙的功能和适用范围。
2. 挡土墙设计原理:- 挡土墙的稳定性分析;- 挡土墙设计计算方法;- 设计中需考虑的因素和规范要求。
3. 挡土墙施工技术:- 施工工艺流程;- 施工准备及质量控制;- 施工安全措施。
4. 挡土墙项目管理:- 工程项目组织与管理;- 施工进度计划与控制;- 工程成本及质量控制。
5. 实训操作:- 小型挡土墙设计计算;- 挡土墙施工图绘制;- 实际操作训练。
教学大纲安排:第一周:挡土墙基础知识学习;第二周:挡土墙设计原理及计算方法;第三周:挡土墙施工技术和项目管理;第四周:实训操作及成果展示。
挡土墙课程设计.一、教学目标本课程的教学目标是使学生掌握挡土墙的基本概念、设计原理和计算方法,培养学生运用理论知识分析和解决实际工程问题的能力。
具体目标如下:1.知识目标:(1)了解挡土墙的定义、功能和分类;(2)掌握挡土墙的设计原理和计算方法;(3)熟悉挡土墙的施工技术和质量控制要点。
2.技能目标:(1)能够运用所学知识分析和解决挡土墙设计中的问题;(2)具备挡土墙施工图的阅读和理解能力;(3)掌握挡土墙施工过程中的质量控制方法。
3.情感态度价值观目标:(1)培养学生对土木工程学科的兴趣和热情;(2)增强学生的工程责任感和职业道德意识;(3)培养学生团队合作精神和创新精神。
二、教学内容本课程的教学内容主要包括以下几个方面:1.挡土墙的基本概念:介绍挡土墙的定义、功能和分类,使学生了解挡土墙在土木工程中的重要性。
2.挡土墙的设计原理:讲解挡土墙的设计步骤、设计原则和计算方法,使学生掌握挡土墙设计的理论基础。
3.挡土墙的计算方法:详细介绍挡土墙的稳定性和强度计算方法,使学生能够运用所学知识解决实际工程问题。
4.挡土墙的施工技术:讲解挡土墙的施工流程、施工方法和质量控制要点,使学生了解挡土墙施工的实际情况。
5.挡土墙的质量控制:介绍挡土墙施工过程中的质量控制方法,使学生具备实际工程质量控制的能力。
三、教学方法本课程的教学方法采用多种教学手段相结合的方式,以激发学生的学习兴趣和主动性:1.讲授法:教师讲解挡土墙的基本概念、设计原理和计算方法,引导学生掌握理论知识。
2.案例分析法:分析实际工程案例,使学生能够将理论知识应用于实际工程问题的解决。
3.实验法:学生进行挡土墙模型实验,培养学生的动手能力和实验技能。
4.讨论法:学生进行小组讨论,激发学生的思考和创新能力。
四、教学资源本课程的教学资源包括以下几个方面:1.教材:选用权威、实用的教材,为学生提供系统的理论知识。
2.参考书:提供相关领域的参考书籍,丰富学生的知识体系。
重力式挡土墙设计任务书一、目的本课程设计任务是路基工程重要内容,通过系统地完成挡土墙的课程设计掌握工程设计的基本方法、步骤,巩固和深化所学知识,为进一步掌握本课程打下基础。
二、涉及内容(一)题目:重力式挡土墙设计(二)设计资料:某新建公路K2+310~ K2+420路段拟采用浆砌片石重力式路肩墙,具体设计资料列于下:1、路线技术标准:一般三级公路,设计速度40Km/h;路基宽8.5m;2、横断面原地面实测值及路基设计标高如表1所示;表1 实测横断面3、K2+370挡土墙横断面布置及挡土墙形式如图1所示(参考);4、填料为砂性土,其密度γ=18KN/m³,计算内摩擦角φ=35°,填料与墙背间的摩擦角σ=φ/2;5、地基为密实的砂砾石地基,其容许承载力σ=450Kpa,基底摩擦系数µ=0.456、墙身材料采用5号片石,砌体密度γ=22 KN/m³,砌体容许压应力σ=600 Kpa,容许剪应力τ=100 Kpa;三、具体要求:挡土墙设计包括挡土墙的平面、立面、横断面设计,其中挡土墙横断面设计以K2+370横断面为例。
大致步骤如下:1、挡土墙平面、立面布置;2、挡土墙横断面布置,并拟定断面尺寸;3、计算主动土压力;4、验算挡土墙抗滑、抗倾覆稳定性;5、验算基底应力及偏心距;6、挡土墙的伸缩缝与沉降缝,以及排水设计;7、绘制挡土墙立面、横断面;8、编制设计说明书。
四、设计完成后应提交的文件:1、挡土墙平面、立面与横断面图;2、设计计算说明书;3、写出设计小结。
五、要求文字整洁,全部完成设计图表后,应按一定顺序装订成册,所有图表格式应符合工程设计要求;学生应独立完成设计,发挥独立思考能力,主动查找有关资料。
五、主要参考资料1、俞高明,金仲秋编著.《公路工程》.北京:人民交通出版社出版.2005年10月。
2、姚祖康编著.《道路路基和路面工程》.上海:同济大学出版社.1994年7月。
路基工程课程设计任务书(指导教师:谭波)一、设计任务与内容:1、路基标准横断面设计;根据要求绘制路基标准横断面图2、挡土墙设计与计算;1)主动土压力的计算2)挡土墙的验算二、设计主要技术指标:公路等级三级公路设计车速60Km/h路基宽度8.5M行车道宽度2×3.5M硬路肩宽度0.50M土路肩宽度0.25M土路肩宽度0.50M三、设计要求:设计文件分两部分装订成册:设计图表、设计计算书。
设计图表按A3图纸绘制;设计计算书采用A4纸书写。
四、设计资料:1、挡土墙设计资料1)墙身构造拟采用浆砌片石重力式路堤墙,墙高8米,填土髙4米,填土边坡1:1.5,墙背俯斜,1:0.25(α=19o),墙身分段长度10米。
2)土壤地质情况墙背填土容重γ=18.5KN/m3,计算内摩擦角Ф=38o,填土与墙背间的摩擦角δ=Ф/2粘性土地基,容许承载力[σo]=250kpa,基地摩擦系数f=0.45;3)墙身材料2.5号浆砌片石,砌体容重γk=22kN/m3;砌体容许压应力[σa ]=600kpa,容许剪应力[τ]=100kpa,容许拉应力[σw L]=60kpa。
挡土墙设计计算内容一、车辆荷载换算注:H=2.0~10.0m时,q由线性内插法确定.墙高8米,按墙高确定附加荷载强度进行计算。
按照线性内插法,计算附加荷载强度:q =12.5kN/m 2二、土压力计算1、破裂棱体位置确定:a=4m, d =0.5m , H= 8 m ,α= 19º(1)破裂角θ的计算 假设破裂面交于荷载范围内,则有:Ψ = φ + α + δ = 38º+19º+19º =76º A 0 =21(a+H+2h 0)(a+H) = 21×(4+8+2×0.676)×(4+8) = 80.112 =21×4×6 +(6 + 0.5)×0.676 - 21×8×(8 + 2×4 +2×0.676) tan α =12 + 4.394 - 69.408tan19º =-7.505根据路堤挡土墙破裂面交于荷载内部时破裂角的计算公式:tan θ= - tan Ψ ±)ψtan ()ψtan φ(cot 0++A B =-tan76º±)76tan 112.80505.7-()76tan 38(cot 00++ =-4.011±)011.4094.0-(291.5+×0.542tan θ=-8.563 (负值舍去) 取 :θ=28º27´(2)验算破裂面是否交于荷载范围内:堤顶破裂面距墙踵 (H+a ) tan θ+Htan α-(b+d)=2.754m荷载内边缘距墙踵 d=0.5 m 荷载外边缘距墙踵 d+l 0=8 m因0.5 < 2.754 < 8,故破裂面交于荷载内,所以假设符合。
挡土墙的布置 课程设计一、课程目标知识目标:1. 学生能理解挡土墙的定义、功能及分类;2. 学生掌握挡土墙布置的基本原则和设计要点;3. 学生了解挡土墙施工过程中应注意的问题。
技能目标:1. 学生能够分析不同类型挡土墙的适用场景,并选择合适的挡土墙类型;2. 学生能够运用所学知识,进行挡土墙的初步设计和布置;3. 学生能够通过实际操作,掌握挡土墙施工的基本技能。
情感态度价值观目标:1. 学生培养对工程建设的兴趣,增强对土木工程学科的认识;2. 学生树立安全意识,认识到挡土墙在工程建设中的重要作用;3. 学生培养合作精神,提高沟通协调能力,为未来团队协作奠定基础。
课程性质分析:本课程属于土木工程专业课程,旨在帮助学生掌握挡土墙的基本知识、设计和施工技能。
课程内容紧密结合实际工程案例,提高学生的实践能力。
学生特点分析:本年级学生已具备一定的土木工程基础知识,具有较强的学习能力和实践操作欲望。
在此基础上,本课程将引导学生将理论知识应用于实际工程,提高学生的综合能力。
教学要求:1. 教师应注重理论与实践相结合,提高学生的实际操作能力;2. 教师应引导学生进行自主学习、合作学习和探究学习,培养学生的创新精神和实践能力;3. 教师应关注学生的个体差异,因材施教,确保每个学生都能达到课程目标。
二、教学内容1. 挡土墙的定义、功能及分类- 教材章节:第二章第三节- 内容:介绍挡土墙的基本概念、作用以及不同类型的挡土墙。
2. 挡土墙布置的基本原则和设计要点- 教材章节:第二章第四节- 内容:讲解挡土墙布置的原则、设计方法及关键参数选择。
3. 挡土墙施工技术- 教材章节:第二章第五节- 内容:分析挡土墙施工过程中应注意的问题,如施工工艺、质量控制等。
4. 挡土墙工程实例分析- 教材章节:第二章第六节- 内容:结合实际工程案例,让学生了解挡土墙在实际工程中的应用。
5. 挡土墙设计与施工实践- 教材章节:第二章实践环节- 内容:组织学生进行挡土墙设计及施工实践,巩固所学知识。
挡土墙课程设计一、课程设计的目的挡土墙是一种常见的支挡结构,用于支撑填土或山坡土体,防止其坍塌和滑移。
本次挡土墙课程设计的目的在于通过实际的设计计算,让我们深入理解挡土墙的工作原理、设计方法和构造要求,培养我们综合运用所学的土力学、结构力学等知识解决实际工程问题的能力。
二、设计资料本次课程设计给定的设计资料如下:1、挡土墙墙高 H = 5m。
2、墙后填土为粉质黏土,重度γ = 18kN/m³,内摩擦角φ = 20°,粘聚力 c = 15kPa,墙背填土表面水平,有均布荷载 q = 10kN/m²。
3、墙身材料采用浆砌片石,重度γ = 23kN/m³,容许抗压强度σ = 1500kPa,容许抗剪强度τ = 120kPa。
4、基底摩擦系数μ = 04。
三、设计方案的选择根据给定的设计资料和工程要求,初步考虑采用重力式挡土墙。
重力式挡土墙依靠自身的重力来维持稳定,结构简单,施工方便,适用于墙高不超过 8m 的情况。
四、土压力计算1、主动土压力系数的计算根据库仑土压力理论,主动土压力系数 Ka 可按下式计算:Ka =tan²(45° φ/2) = tan²(45° 20°/2) = 0492、土压力强度的计算土压力强度沿墙高呈线性分布,墙顶处土压力强度为零,墙底处土压力强度最大。
墙底处土压力强度σa 为:σa =γHKa +2c√Ka = 18×5×049 +2×15×√049 = 774kPa3、土压力合力的计算土压力合力 Ea 可按下式计算:Ea =05×γH²Ka +2cH√Ka = 05×18×5²×049 +2×15×5×√049 =1935kN土压力合力作用点距离墙底的高度为:h =(H/3) ×(1 +2√Ka)/(1 +√Ka) =(5/3) ×(1 +2√049)/(1 +√049) = 167m五、稳定性验算1、抗滑移稳定性验算抗滑移稳定性系数 Ks 应满足:Ks =(W +Ey)μ / Ex其中,W 为挡土墙自重,Ey 为墙后土压力的竖向分力,Ex 为墙后土压力的水平分力。
挡土墙设计任务书一、工程概况1、项目名称:_____2、建设地点:_____3、工程规模:本工程为_____,挡土墙长度约为_____米,高度在_____米之间。
二、设计依据1、相关规范和标准《建筑地基基础设计规范》(GB 50007-2011)《混凝土结构设计规范》(GB 50010-2010)(2015 年版)《建筑抗震设计规范》(GB 50011-2010)(2016 年版)《建筑边坡工程技术规范》(GB 50330-2013)其他相关规范和标准2、工程地质勘察报告提供详细的工程地质勘察报告,包括地形地貌、地层岩性、地质构造、水文地质条件等。
3、周边环境条件周边建筑物、道路、地下管线等的分布情况。
场地的排水条件和汇水面积。
三、设计要求1、功能要求挡土墙应满足以下功能要求:保持土体稳定,防止土体坍塌和滑坡。
抵抗土压力、水压力和其他侧向荷载。
防止雨水冲刷和侵蚀。
2、安全要求按照国家现行规范和标准进行设计,确保挡土墙在设计使用年限内的安全性。
考虑地震作用和其他特殊荷载的影响,进行相应的抗震设计和验算。
3、稳定性要求进行挡土墙的稳定性分析,包括抗滑移稳定性、抗倾覆稳定性和地基承载力验算。
采取必要的措施提高挡土墙的稳定性,如设置排水设施、增加挡土墙的自重、设置抗滑桩等。
4、变形要求控制挡土墙的变形,确保其变形在允许范围内,不影响周边建筑物和设施的正常使用。
考虑地基的不均匀沉降对挡土墙的影响,采取相应的处理措施。
5、耐久性要求选用合适的材料和构造措施,保证挡土墙在使用过程中的耐久性。
考虑环境因素(如酸雨、冻融循环等)对挡土墙的侵蚀作用,采取防护措施。
四、材料选择1、挡土墙主体材料混凝土强度等级不低于 C25。
钢筋采用 HRB400 级钢筋。
2、基础材料基础采用混凝土或钢筋混凝土基础,混凝土强度等级不低于 C20。
3、排水材料排水管道采用 PVC 管,管径根据排水量确定。
反滤层采用级配良好的砂卵石或土工织物。
《土力学与地基基础》课程设计任务书一、挡土墙的设计(最多10人可选)1、挡土墙高5m背直立,光滑,墙后填土面水平,用毛石和M5水泥砂浆砌筑。
砌体抗压强度fk =1.07MPa ,砌体重度γk=22KN/m3,砌体的摩擦系数μ1=0.5。
填土为中砂,重度γ=18.5KN/m3,内摩擦角ψ=300,基底摩擦系数为值0.5,地基承载力设计值为160KPa.设计此挡土墙。
要求:绘出相应图形,列出具体计算过程(手算),并进行挡土墙尺寸及构造设计并绘图。
(最多4人可选)2、已知某挡土墙高8m,墙背倾斜ε=10°,填土表面倾斜β=10°,用混凝土砌筑,重度γk=4KN/m3.墙与填土摩擦角δ=20°,填土内摩擦角ψ=40°,c=0,γ=19KN/m3,基底摩擦系数μ=0.4,地基承载力设计值为200kpa.设计此挡土墙。
要求:绘出相应图形,列出具体计算过程(手算),并进行挡土墙尺寸及构造设计并绘图。
(最多4人可选)二、浅基础(最多36人可选)1.某厂房柱截面为600mm×400mm。
基础受竖向荷载Fk=1100KN,水平荷载Qk=68KN,弯矩M=120kN·m。
地基土层剖面如图所示.基础埋深2.0m,基础材料选用C15混凝土,试设计该柱下刚性基础。
(注:最多5人可选)2.某住宅外承重墙厚370mm ,基础受到上部结构传来的竖向荷载标准值为280KN/m,弯矩标准值为60KN.m/m.土层分布如图所示,基础采用条形基础。
试分别设计砖基础、素混凝土基础。
(砖基础最多3人可选,混凝土基础最多3人可选)3.某工厂职工6层住宅楼,基础埋深d=1.10m 。
上部中心荷载标准值传至基设计地面粉质粘土, γ=19.2kN/m 3,f ak =212KPae=0.78, I L =0.45, E S1=9.6MPa -5.00m 淤泥质粘土, γ=16.5kN/m 3,f ak =80KPaE S2=3.2MPa础顶面N=180kN/m。
挡土墙课程设计一、课程目标知识目标:1. 让学生掌握挡土墙的基本概念、分类及作用;2. 了解挡土墙的设计原则和施工要点;3. 掌握挡土墙稳定性分析的基本方法。
技能目标:1. 培养学生运用理论知识解决实际工程问题的能力;2. 提高学生分析、解决挡土墙工程问题的能力;3. 培养学生团队协作、沟通交流的能力。
情感态度价值观目标:1. 培养学生对土木工程事业的热爱和责任感;2. 增强学生的环保意识,认识到挡土墙在保护生态环境中的作用;3. 培养学生严谨、求实的科学态度,遵循工程伦理道德。
本课程针对高中年级学生,结合学生已有知识水平和认知特点,注重理论与实践相结合,提高学生的实际操作能力。
课程性质为理论教学与实践教学相结合,以学生为中心,关注学生个体差异,满足不同学生的学习需求。
通过本课程的学习,使学生能够具备挡土墙工程的基本理论知识和实际应用能力,为未来从事土木工程领域工作打下坚实基础。
教学要求注重启发式教学,引导学生主动探究、积极思考,提高教学效果。
课程目标分解为具体学习成果,以便后续教学设计和评估。
二、教学内容1. 挡土墙基本概念:挡土墙的定义、分类及其应用场景;2. 挡土墙设计原则:稳定性分析、材料选择、结构设计要求;3. 挡土墙施工要点:施工准备、施工工艺、质量控制及验收标准;4. 挡土墙稳定性分析:土压力计算、抗滑稳定性、抗倾覆稳定性;5. 挡土墙工程案例:分析典型挡土墙工程案例,了解实际工程中的应用。
教学内容依据教材相关章节进行组织,具体安排如下:第一章:挡土墙基本概念(1课时)第二章:挡土墙设计原则(2课时)第三章:挡土墙施工要点(2课时)第四章:挡土墙稳定性分析(3课时)第五章:挡土墙工程案例(2课时)教学进度根据以上安排进行,确保学生在学习过程中逐步掌握挡土墙相关知识,形成完整的知识体系。
教学内容注重科学性和系统性,结合实际工程案例,提高学生的实践操作能力。
同时,教师需根据学生实际情况调整教学内容和进度,确保教学质量。
《混凝土结构设计原理》课程设计任务书适用专业:地质工程设计对象:扶壁式钢筋混凝土挡土墙 一 设计目的通过本次课程设计使学生掌握扶壁式钢筋混凝土挡土墙的基本设计理论、设计方法及设计内容,巩固和运用所学理论知识,培养学生解决工程实际问题的能力。
本次课程设计目的主要体现在以下几方面:1 了解扶壁式钢筋混凝土挡土墙设计的一般程序和相关的设计内容,为毕业设计及今后从事实际工作奠定初步基础;2 培养学生运用各种规范、查阅手册和收集资料的能力;3 学习撰写结构计算书,培养学生图纸表达能力;4 掌握扶壁式钢筋混凝土挡土墙的一般设计方法,具体如下: (1)拟定墙高以及相应的墙身结构尺寸;(2)根据所拟定的墙体结构尺寸,确定结构荷载(墙身自重、土压力、填土重力),由此进行墙体的抗滑、抗倾覆稳定性验算;(3)底板地基承载力验算,确认底板尺寸是否满足要求; (4)墙身结构设计,绘制立板墙底板配筋图及扶壁配筋图。
二 设计资料某工程场地边坡治理的需要需设挡土墙,墙后的土体较高,墙后的填土为砂土,填土的内摩擦角标准值为k 35ϕ=o ,填土重度3m 18kN/m γ=,墙后填土水平,无地下水。
地基为黏性土,0.35μ=,孔隙比0.82e =,液性指数为0.248L I =,地基承载力特征值为ak 240kPa f =,地基土重度319kN/m γ=。
根据挡土墙所处的地理位置及墙高综合因素,选择采用扶壁式挡土墙,挡土墙的安全等级为二级,试设计该挡土墙。
所需设计的挡土墙高度及墙后地面的均布荷载标准值取值见表1、表2所示:表1挡土墙后均布荷载标准值表2 挡土墙高度表3三设计内容1 确定挡土墙的断面尺寸;2 荷载计算;3 抗倾覆稳定验算、抗滑移稳定性验算、地基承载能力验算;4 结构设计:包括立板设计、底板设计、扶壁设计。
四设计要求1完成计算书一份。
要求:步骤清楚、计算正确、书写工整。
2选取合适的比例尺寸绘制A3图一张,内容包括:扶壁式挡土墙的横断面图、立面图、立板墙底板配筋图、扶壁配筋图。
挡土墙课程设计任务书一、课程设计目的挡土墙课程设计是土木工程专业的一项重要实践教学环节,其目的在于通过设计实践,使学生进一步巩固和加深对挡土墙结构设计原理和方法的理解,培养学生综合运用所学理论知识和技能解决实际工程问题的能力,提高学生的工程设计能力和创新思维能力。
二、课程设计题目某重力式挡土墙设计三、工程概况1、挡土墙位置及用途本挡土墙位于_____(具体位置),用于支撑_____(填土或边坡),保证其稳定性。
2、地形地貌场地地形_____(平坦、起伏等),地质条件_____(描述地质情况)。
3、设计荷载考虑_____(车辆荷载、人群荷载等)。
4、抗震设防烈度_____度。
四、设计资料1、墙后填土物理力学性质填土重度γ =_____kN/m³,内摩擦角φ =_____°,粘聚力 c =_____kPa。
2、地基土物理力学性质地基土重度γ =_____kN/m³,承载力特征值 fak =_____kPa,内摩擦角φ =_____°,粘聚力 c =_____kPa。
3、墙身材料采用_____(混凝土、浆砌片石等),材料强度等级为_____。
五、设计要求1、确定挡土墙的类型和尺寸根据工程实际情况,选择合适的挡土墙类型(重力式、悬臂式、扶壁式等),并确定墙高、墙顶宽度、墙底宽度等尺寸。
2、进行稳定性验算包括抗滑移稳定性验算和抗倾覆稳定性验算,确保挡土墙在各种荷载作用下的稳定性。
3、计算土压力采用合适的土压力计算方法(库仑土压力理论、朗肯土压力理论等),计算墙后土压力的大小和分布。
4、进行墙身强度验算对挡土墙的墙身进行强度验算,包括正截面抗压强度、抗剪强度等。
5、绘制设计图纸包括挡土墙的平面图、立面图、剖面图、配筋图等,图纸应符合工程制图规范,表达清晰、准确。
6、编写设计计算书计算书应内容完整、条理清晰、计算准确,包括设计依据、计算过程、结果分析等。
六、设计步骤1、方案选择根据工程地质条件、填土性质、墙高、使用要求等因素,综合比较各种挡土墙类型的优缺点,选择合适的挡土墙类型。
《挡土墙课程设计》任务书
通过本设计使学生掌握挡土墙的基本设计理论,设计方法及设计内容,为毕业后在生产中解决挡土墙设计问题打下基础,使之适应生产上的需要。
一、设计题目
重力式挡土墙设计
二、设计资料
某二级公路填方路堤段,为保证路堤边坡稳定,少占地拆迁,故设置路堤挡土墙,拟采用路肩重力式挡土墙(示意图见示例)。
1、该路段,地表较平坦;
2、挡土墙在横断面上的布置及经验尺寸见图示;
3、地基为密实的硬塑亚粘土,其容许承载力[σ]=250KPa ,基地摩阻系数f=0.4;
4、墙后填料的容重3/18m kN =γ,计算内摩擦角︒=35ϕ;
5、墙体材料M7.5砂浆砌筑MU30片石,其容重3/22m kN =γ,填料与墙背间的摩擦角δ=2/3ϕ;
6、挡土墙高度(原始地面至墙顶距离):
H =4+0.1x (学号后两位数)(m )
三、设计方法与设计内容
1、拟定挡土墙的结构形式及断面尺寸
2、拟定挡土墙基础的形式及尺寸
3、车辆荷载换算
4、土压力计算
5、稳定性与承载能力验算
(1)墙身抗滑稳定性
(2)墙身抗倾覆稳定性
(3)地基基底应力验算
(4)墙身截面应力验算
6、绘制挡土墙平面图、纵断面、横断面的布置图。
四、设计要求
1、整个设计应符合设计要求
2、设计、计算过程条例清晰,内容完整
3、设计图清晰,线条均匀,图幅规格A3图纸。
计算书采用A4纸。
五、主要参考资料
1、《公路路基设计规范》
2、《路基路面工程》教材
3、《公路圬工桥涵设计规范》
《挡土墙课程设计》指导书
一、课程设计的目的和要求
课程设计是高等学校学生在校学习专业课的一个重要环节,也是学生综合运用所学的知识解决实际问题和独立钻研的良好机会。
课程设计在教学上的要求是:
1、培养综合运用所学知识、解决实际问题的独立工作能力;
2、系统巩固并提高基础理论课与专业知识;
3、掌握挡土墙设计计算方法;
4、了解路基路面整体设计与个体设计的有机联系;
5、加强与提高设计、计算、绘图及编制说明书的基本技能;
6、对本专业某些理论性或技术性问题进行比较深入的探讨。
二、课程设计的步骤与方法
1、研读挡土墙设计算例及有关例题。
2、认真分析设计任务书所提供的设计依据。
3、进行挡土墙的设计计算。
(1) 进行车辆荷载换算;
(2) 利用有关主动土压力计算的相应公式,计算主动土压力,求出土压力的大小、方向及作用点;
(3) 设计挡土墙截面。
先拟定墙身尺寸,然后进行:
a) 抗滑稳定性计算;
b) 抗倾覆稳定性验算;
c) 基底应力验算;
d) 截面应力验算;
e) 挡土墙截面尺寸的调整与选取(注:挡土墙截面尺寸要满足计算荷载及验算荷载的各项要求)。
(4) 画出选用的挡土墙平面、横断面图、纵断面图,整理计算书等有关设计文件。
三、课程设计文件装订
完成设计项目后,将设计任务书、指导书、计算书及设计计算图按顺序装订成册。