传送带和滑块模型
- 格式:docx
- 大小:202.12 KB
- 文档页数:6
第15讲滑块—木板模型和传送带模型【教学目标】1.能够正确运用牛顿运动定律处理滑块—木板模型;2.会对传送带上的物体进行受力分析,能正确解答传送带上的物体的运动问题.【重、难点】以上两个模型都是重难点考点一滑块—木板模型1.模型概述一个物体在另一个物体表面上发生相对滑动,两者之间有相对运动,可能发生同向相对滑动或反向相对滑动.板块问题一般都涉及到受力分析、运动分析、临界问题、摩擦力的突变问题等,并且会涉及两物体的运动时间、速度、加速度、位移等各量的关系.在解决板块问题时基本上都会用到整体法和隔离法.2.三个基本关系(一)为保持相对静止或相对滑动,求最大外力或最小外力.(已知内力求外力)解题方法:往往求临界情况,即刚好没滑动(相对静止)时的外力.此时隐含两个条件:①静摩擦力为f m;②a相同.例1、如图所示,光滑水平面上放置质量分别为m、2m的A、B两个物体,A、B间的最大静摩擦力为μmg,现用水平拉力F拉B,使A、B以同一加速度运动,则拉力F的最大值为()A.μmg B.2μmgC.3μmg D.4μmg(二)给定外力,判断是否相对滑动(已知外力求内力)例2、如图所示,质量为m 1的足够长的木板静止在水平面上,其上放一质量为m 2的物块.物块与木板的接触面是光滑的.从t =0时刻起,给物块施加一水平恒力F .分别用a 1、a 2和v 1、v 2表示木板、物块的加速度和速度大小,下列图象符合运动情况的是( )例3、如图所示,水平桌面上质量为m 的物块放在质量为2m 的长木板的左端,物块和木板间的动摩擦因数为μ,木板和桌面间的动摩擦因数为14μ,接触面间的最大静摩擦力等于滑动摩擦力.开始时物块和木板均静止,若在物块上施加一个水平向右的恒力F ,已知重力加速度为g ,下列说法正确的是( )A .当F >μmg 时,物块和木板一定发生相对滑动B .当F =μmg 时,物块的加速度大小为112μgC .当F =2μmg 时,木板的加速度大小为16μgD .不管力F 多大,木板的加速度始终为0(三)开始两物体不共速,那必然相对滑动,但一段时间之后可能共速(需分析) (1)如果会滑离,则找两者的位移关系; (2)如果不会滑离,两者一定会先共速,此后:①若系统无外力,则一起匀速;②若系统有外力,则按照(二)的方法判断是否相对滑动. 例4、如图所示,质量为M =4kg 的木板静止在光滑的水平面上,在木板的右端放置一个质量m =1kg 大小可以忽略的铁块,铁块与木板之间的摩擦因数μ=0.4,在铁块上加一个水平向左的恒力F =8N ,铁块在长L =6m 的木板上滑动.取g =10m/s 2.求经过多长时间铁块运动到木板的左端.变式1、如图所示,长为L=2m、质量为M=8kg的木板,放在水平地面上,木板向右运动的速度v0=6m/s时,在木板前端轻放一个大小不计,质量为m=2kg的小物块.木板与地面、物块与木板间的动摩擦因数均为μ=0.2,g=10 m/s2.求:(1)物块及木板的加速度大小;(2)物块滑离木板时的速度大小.变式2、如图所示,厚度不计的薄板A长l=5m,质量M=5kg,放在粗糙的水平地面上.在A上距右端x=3m处放一物体B(可视为质点),其质量m=2kg,已知A、B间的动摩擦因数μ1=0.1,A 与地面间的动摩擦因数μ2=0.2,原来系统静止.现在板的右端施加一大小恒定的水平向右的力F=26 N,将A从B下抽出.g=10 m/s2,求:(1)A从B下抽出前A、B的加速度各是多大;(2)B运动多长时间离开A.例5、(多选)如图所示,一足够长的木板静止在光滑水平面上,一物块静止在木板上,木板和物块间有摩擦.现用水平力向右拉木板,当物块相对木板滑动了一段距离但仍有相对运动时,撤掉拉力,此后木板和物块相对于水平面的运动情况为()A.物块先向左运动,再向右运动B.物块向右运动,速度逐渐增大,直到做匀速运动C.木板向右运动,速度逐渐变小,直到做匀速运动D.木板和物块的速度都逐渐变小,直到为零例6、如图所示,质量M=2kg足够长的木板静止在水平地面上,另一个质量m=1kg的小滑块以v0=6m/s的初速度滑上木板的左端.已知滑块与木板之间的动摩擦因数μ1=0.5,木板与地面的动摩擦因数μ2=0.1,g取l0m/s2.求:(1)求小滑块自滑上木板到相对木板处于静止的过程中,小滑块相对地面的位移大小;(2)求木板相对地面运动位移的最大值;(3)为使小滑块不能离开木板,则木板的长度至少多长.变式3、如图所示,物块A、木板B的质量均为m=10 kg,不计A的大小,木板B长L=3 m.开始时A、B均静止.现使A以水平初速度v0从B的最左端开始运动.已知A与B、B与水平面之间的动摩擦因数分别为μ1=0.3和μ2=0.1,g取10 m/s2.若A刚好没有从B上滑下来,则A的初速度v0为多大?求解“滑块—木板”类问题的方法技巧1.搞清各物体初始状态相对地面的运动和物体间的相对运动(或相对运动趋势),根据相对运动(或相对运动趋势)情况,确定物体间的摩擦力方向.2.正确地对各物体进行受力分析,并根据牛顿第二定律确定各物体的加速度,结合加速度和速度的方向关系确定物体的运动情况.考点二传送带问题1.传送带的基本类型一个物体以初速度v0(v0≥0)在另一个匀速运动的物体上运动的力学系统可看成传送带模型.传送带模型按放置方向分为水平传送带和倾斜传送带两种,如图所示.(1)当传送带水平转动时,应特别注意摩擦力的突变和物体运动状态的变化.摩擦力的突变,常常导致物体的受力情况和运动性质突变.(2)求解的关键在于对物体所受的摩擦力进行正确的分析判断.静摩擦力达到最大值,是物体恰好保持相对静止的临界状态;滑动摩擦力只存在于发生相对运动的物体之间,因此两物体的速度相同时,滑动摩擦力要发生突变(滑动摩擦力变为零或变为静摩擦力).3.倾斜传送带(1)对于倾斜传送带,除了要注意摩擦力的突变和物体运动状态的变化外,还要注意物体与传送带之间的动摩擦因数与传送带倾角的关系.若μ≥tan θ,且物体能与传送带共速,则共速后物体做匀速运动;若μ<tan θ,且物体能与传送带共速,则共速后物体相对于传送带做匀变速运动.(2)求解的关键在于分析物体与传送带间的相对运动情况,确定其是否受到滑动摩擦力作用.如果受到滑动摩擦力作用,应进一步确定其大小和方向,然后根据物体的受力情况确定物体的运动情况.当物体的速度与传送带的速度相等时,物体所受的摩擦力有可能发生突变.4.传送带问题的动力学分析(1)水平传送带一直加速先加速后匀速vvvv传送带长度到达左端传送带长度先减速再向右加速,到达右端速度为传送带长度先减速再向右加速,最后匀速,到达右端速度为先以加速度先以加速度以加速度(一)水平传送带例7、如图所示,物块m在传送带上向右运动,两者保持相对静止.则下列关于m所受摩擦力的说法中正确的是()A.皮带传送速度越大,m受到的摩擦力越大B.皮带传送的加速度越大,m受到的摩擦力越大C.皮带速度恒定,m质量越大,所受摩擦力越大D.无论皮带做何种运动,m都一定受摩擦力作用例8、如图所示,水平放置的传送带以速度v=2m/s沿顺时针方向转动,现将一小物体轻轻地放在传送带A端,物体与传送带间的动摩擦因数μ=0.2,g取10 m/s2.若A端与B端相距6 m,则物体由A到B的时间为()A.2 s B.2.5 s C.3.5 s D.4 s 变式4、(多选)如图甲为应用于机场和火车站的安全检查仪,用于对旅客的行李进行安全检查.其传送装置可简化为如图乙模型,紧绷的传送带始终保持v=1m/s的恒定速率运行.旅客把行李(可视为质点)无初速度地放在A处,设行李与传送带之间的动摩擦因数μ=0.1,A、B间的距离为2m,g取10m/s2.若乘客把行李放到传送带的同时也以v=1m/s的恒定速率平行于传送带运动到B处取行李,则()A.乘客与行李同时到达B处B.乘客提前0.5s到达B处C.行李提前0.5s到达B处D.若传送带速度足够大,行李最快也要2s才能到达B处变式5、如图所示,水平传送带以不变的速度v=10m/s向右运动,将一煤块(可视为质点)轻放在传送带的左端,由于摩擦力的作用,煤块做匀加速运动,经过时间t=2s,速度达到v;再经过时间t′=4s,煤块到达传送带的右端,g取10 m/s2,求:(1)煤块与水平传送带间的动摩擦因数;(2)煤块从水平传送带的左端至右端通过的距离;(3)煤块在水平传送带上留下的划痕长度.(二)倾斜传送带例9、滑块能沿静止的传送带匀速滑下,如图所示,若在下滑时突然开动传送带向上传动,此时滑块的运动将()A.维持原来匀速下滑B.减速下滑C.向上运动D.可能相对地面不动变式6、如图所示,粗糙的传送带与水平方向的夹角为θ,当传送带静止时,在传送带上端轻放一小物块,物块下滑到底端所用时间为t,则下列说法正确的是()A.当传送带顺时针转动时,物块下滑的时间可能大于tB.当传送带顺时针转动时,物块下滑的时间可能小于tC.当传送带逆时针转动时,物块下滑的时间等于tD.当传送带逆时针转动时,物块下滑的时间小于t例10、如图所示,传送带与水平地面的夹角为θ=37°,A、B两端相距L=64m,传送带以v=20m/s 的速度沿逆时针方向转动,在传送带上端A点无初速度地放上一个质量为m=8kg的物体(可视为质点),它与传送带之间的动摩擦因数为μ=0.5,求物体从A点运动到B点所用的时间.(重力加速度g=10 m/s2,sin 37°=0.6,cos 37°=0.8)物体沿着倾斜的传送带向下加速运动到与传送带速度相等时,若μ≥tanθ,物体随传送带一起匀速运动;若μ<tanθ,物体将以较小的加速度a=g sinθ-μg cosθ继续加速运动.例11、如图所示,传送带与水平面成夹角θ=30°、以v 0=10m/s 的速度瞬时针转动,在传送带A 端轻轻地放一个质量m =0.5kg 的小物体,它与传送带间的动摩擦因数为μ=23.已知A 、B 两端相距L =25m ,重力加速度g 取10m/s 2.求物体从A 运动到B 所需的时间.变式7、如图所示,传送带与水平地面的夹角θ=37°,A 、B 两端相距L =12m ,质量为m =1kg 的物体以v 0=14m/s 的速度沿AB 方向从A 端滑上传送带,物体与传送带间的动摩擦因数为μ=0.5,传送带顺时针转动的速度v =4m/s ,g 取10 m/s 2,sin 37°=0.6,cos 37°=0.6,求物体从A 点到达B 点所需的时间.【能力展示】【小试牛刀】1.如图所示,在光滑的水平面上有一个长为0.64m、质量为4kg的木板B,在B的左端有一个质量为2kg、可视为质点的铁块A,A与B之间的动摩擦因数为0.2,最大静摩擦力与滑动摩擦力大小相等,g取10m/s2.当对A施加水平向右的拉力F=10N时,将A从B的左端拉到右端的时间为()A.0.8 s B.0.6 sC.1.1 s D.1.0 s2.如图所示,木块A质量为1 kg,木块B的质量为2 kg,叠放在水平地面上,A、B间的最大静摩擦力为1 N,B与地面间的动摩擦因数为0.1,g取10 m/s2,今用水平力F作用于B,则保持A、B 相对静止的条件是F不超过()A.1 N B.3 NC.4 N D.6 N3.如图所示,足够长的传送带与水平面间夹角为θ,以速度v0逆时针匀速转动.在传送带的上端轻轻地放置一个质量为m的小木块,小木块与传送带间的动摩擦因数μ<tan θ,则下图中能客观地反映小木块的速度随时间变化关系的是()4.(多选)如图所示,水平传送带A、B两端点相距s=3.5m,以v0=2m/s的速度(始终保持不变)顺时针运转,今将一小煤块(可视为质点)无初速度地轻放在A端,已知小煤块与传送带间的动摩擦因数为0.4.由于小煤块与传送带之间有相对滑动,会在传送带上留下划痕,小煤块从A运动到B 的过程中(g取10 m/s2)()A.所用的时间是2 sB.所用的时间是2.25 sC.划痕长度是3 mD.划痕长度是0.5 m5.(多选)如图所示,长木板放置在水平面上,一小物块置于长木板的中央,长木板和物块的质量均为m ,物块与木板间的动摩擦因数为μ,木板与水平面间动摩擦因数为13μ,已知最大静摩擦力与滑动摩擦力大小相等,重力加速度为g .现对物块施加一水平向右的拉力F ,则木板加速度大小a 可能是( )A .a =μgB .a =23μgC .a =13μgD .a =F 2m -13μg 6.如图所示,长度l =2m ,质量M =23kg 的木板置于光滑的水平地面上,质量m =2kg 的小物块(可视为质点)位于木板的左端,木板和小物块间的动摩擦因数μ=0.1,现对小物块施加一水平向右的恒力F =10 N ,取g =10 m/s 2.求:(1)若木板M 固定,小物块离开木板时的速度大小;(2)若木板M 不固定,小物块从开始运动到离开木板所用的时间.7.如图所示为一水平传送带装置示意图,绷紧的传送带AB 始终保持v =1m/s 的恒定速率运行,一质量为m =4kg 的行李(可视为质点)无初速度地放在A 处.设行李与传送带间的动摩擦因数μ=0.1,A 、B 间的距离 l =2 m ,g 取10 m/s 2.求:(1)行李在传送带上运动的时间;(2)如果提高传送带的运行速率,行李就能被较快地传送到B 处.求行李从A 处传送到B 处的最短时间和传送带对应的最小运行速率.【大显身手】8.(多选)如图所示,倾角为θ的足够长的传送带以恒定的速率v0沿逆时针方向运行.t=0时,将质量m=1kg的小物块(可视为质点)轻放在传送带上,物块速度随时间变化的图象如图所示.设沿传送带向下为正方向,重力加速度g取10 m/s2.则()A.摩擦力的方向始终沿传送带向下B.1~2 s内,物块的加速度为2 m/s2C.传送带的倾角θ=30°D.物块与传送带之间的动摩擦因数μ=0.59.如图甲所示,质量为M=2kg的木板B静止在水平面上,可视为质点的物块A从木板的左侧以某一初速度沿木板上表面水平冲上木板,A和B的v-t图象如图乙所示,重力加速度g=10m/s2,求:(1)A与B上表面之间的动摩擦因数μ1;(2)B与水平面间的动摩擦因数μ2;(3)A的质量m.10.如图所示,质量M=8kg的小车放在光滑水平面上,在小车左端加一水平推力F=8 N.当小车向右运动的速度达到3m/s时,在小车右端轻轻地放一个大小不计、质量m=2 kg的小物块.小物块与小车间的动摩擦因数μ=0.2,小车足够长.g取10 m/s2,则:(1)放上小物块后,小物块及小车的加速度各为多大?(2)经多长时间两者达到相同的速度.(3)从小物块放上小车开始,经过t′=3s小物块通过的位移大小为多少?11.如图所示,将物块M轻放在匀速传送的传送带的A点,已知传送带速度大小v=2m/s,传送带顺时针转动,AB=2m,BC=8m,M与传送带的动摩擦因数μ=0.5,试求物块由A运动到C点共需要多长时间.(M经过B点时速度大小不变,方向沿着BC方向,g取10 m/s2,sin 37°=0.6,cos 37°=0.8)第15讲 板块模型和传送带模型答案例1、C 例2、D 例3、B 例4、2s变式1、(1)2 m/s 2 3 m/s 2 (2)0.8 m/s 变式2、(1)2 m/s 2,1 m/s 2(2)2s 例5、BC 例6、(1)3.5m (2)1m (3)3m 变式3、2 6 m/s例7、B 例8、C 变式4、BD 变式5、(1)0.5 (2)50 m (3)10m 变式6、D 例9、A例10、答案:4 s解析:开始时物体下滑的加速度:a 1=g (sin 37°+μcos 37°)=10 m/s 2,运动到与传送带共速的时间为:t 1=v a 1=2010 s =2s ,下滑的距离:s 1=12a 1t 12=20m ;由于mg sin37°>μmg cos 37°,故物体2s 后继续加速下滑,且此时:a 2=g (sin 37°-μcos 37°)=2 m/s 2,s 2=64 m -s 1=44 m ,根据s 2=vt 2+12a 2t 22,解得:t 2=2 s ,故共用时间t =t 1+t 2=4 s .例11、4.5s 变式7、2s【能力展示】1.A 2.D 3.D 4.AD 5.CD 6.(1)4 m/s (2)2 s7.(1) 2.5s (2)2 s 2 m/s 8.BD 9.(1)0.2 (2)0.1 (3)6 kg10.(1)2 m/s 2 0.5 m/s 2 (2)2 s (3)8.4 m11.3.2 s。
牛顿运动定律滑块与传送带专题一“滑块—滑板”模型1.模型特点上、下叠放两个物体,在摩擦力的相互作用下两物体发生相对滑动.2.两种位移关系滑块由滑板的一端运动到另一端的过程中,若滑块和滑板同向运动,位移之差等于板长;反向运动时,位移之和等于板长.3.解题思路处理此类问题,必须弄清滑块和滑板的加速度、速度、位移等关系.(1) 加速度关系如果滑块和滑板之间没有发生相对运动,可以用“整体法”求出它们一起运动的加速度;如果滑块和滑板之间发生相对运动,应采用“隔离法”分别求出滑块和滑板的加速度.应注意找出滑块和滑板之间是否发生相对运动等隐含的条件.(2) 速度关系滑块和滑板之间发生相对运动时,分析速度关系,从而确定滑块受到的摩擦力的方向.应注意当滑块和滑板的速度相同时,摩擦力会发生突变的情况.(3) 位移关系滑块和滑板叠放在一起运动时,应仔细分析滑块和滑板的运动过程,认清对地位移和相对位移之间的关系.这些关系就是解题过程中列方程所必需的关系,各种关系找到了,自然也就容易列出所需要的方程了.例一、如图,两个滑块A和B的质量分别为m A=1 kg和m B=5 kg,放在静止于水平地面上的木板的两端,两者与木板间的动摩擦因数均为μ1=0.5;木板的质量为m=4 kg,与地面间的动摩擦因数为μ2=0.1.某时刻A、B两滑块开始相向滑动,初速度大小均为v0=3 m/s.A、B相遇时,A与木板恰好相对静止.设最大静摩擦力等于滑动摩擦力,取重力加速度大小g=10 m/s2.求:(1)B与木板相对静止时,木板的速度;(2)A、B开始运动时,两者之间的距离.解析:(1)滑块A和B在木板上滑动时,木板也在地面上滑动.设A、B和木板所受的摩擦力大小分别为F f1、F f2和F f3,A和B相对于地面的加速度大小分别为a A和a B,木板相对于地面的加速度大小为a1,在物块B与木板达到共同速度前有F f1=μ1m A g ①F f2=μ1m B g ②F f3=μ2(m+m A+m B)g ③由牛顿第二定律得F f1=m A a A ④F f2=m B a B ⑤F f2-F f1-F f3=ma1 ⑥设在t1时刻,B与木板达到共同速度,其大小为v1,由运动学公式有v1=v0-a B t1 ⑦v1=a1t1 ⑧联立①②③④⑤⑥⑦⑧式,代入已知数据得v1=1 m/s,方向与B的初速度方向相同⑨(2)在t1时间间隔内,B相对于地面移动的距离为s B=v0t1-12a B t21⑩设在B与木板达到共同速度v1后,木板的加速度大小为a2,对于B与木板组成的体系,由牛顿第二定律有F f1+F f3=(m B+m)a2 ⑪由①②④⑤式知,a A=a B;再由⑦⑧式知,B与木板达到共同速度时,A的速度大小也为v1,但运动方向与木板相反.由题意知,A和B相遇时,A与木板的速度相同,设其大小为v2,设A的速度大小从v1变到v2所用的时间为t2,则由运动学公式,对木板有v2=v1-a2t2 ⑫对A有v2=-v1+a A t2 ⑬在t2时间间隔内,B(以及木板)相对地面移动的距离为s1=v1t2-12a2t22⑭在(t1+t2)时间间隔内,A相对地面移动的距离为s A=v0(t1+t2)-12a A(t1+t2)2 ⑮A和B相遇时,A与木板的速度也恰好相同,因此A和B开始运动时,两者之间的距离为s0=s A+s1+s B ⑯联立以上各式,并代入数据得s0=1.9 m.(也可用如图所示的速度-时间图线求解)答案:(1)1 m/s方向与B的初速度方向相同(2)1.9 m【题后反思】求解“滑块—滑板”模型问题的方法技巧(1)弄清各物体初态对地的运动和相对运动(或相对运动趋势),根据相对运动(或相对运动趋势)情况,确定物体间的摩擦力方向.(2)正确地对各物体进行受力分析,并根据牛顿第二定律确定各物体的加速度,结合加速度和速度的方向关系确定物体的运动情况.(3)速度相等是这类问题的临界点,此时往往意味着物体间的相对位移最大,物体的受力和运动情况可能发生突变.跟踪练习1. (水平面光滑的“滑块—滑板”模型)如图所示,质量M=8 kg的小车静止在光滑水平面上,在小车右端施加一水平拉力F=8 N.当小车速度达到1.5 m/s 时,在小车的右端由静止轻放一大小不计、质量m=2 kg的物体,物体与小车间的动摩擦因数μ=0.2,小车足够长.从物体放上小车开始经t=1.5 s 的时间,物体相对地面的位移为(g取10 m/s2)()A.1 m B.2.1 mC.2.25 m D.3.1 m解析:选B.放上物体后,物体的加速度a1=μg=2 m/s2,小车的加速度:a2=F-μmgM=0.5 m/s2,物体的速度达到与小车共速的时间为t1,则a1t1=v0+a2t1,解得t1=1 s;此过程中物体的位移:s1=12a1t21=1 m;共同速度为v=a1t1=2 m/s;当物体与小车相对静止时,共同加速度为a=FM+m=0.8 m/s2,再运动0.5 s的位移s2=vt′+12at′2=1.1 m,故从物体放上小车开始的1.5 s时间内,物体相对地面的位移为1 m+1.1 m=2.1 m,选项B正确.2. (水平面粗糙的“滑块—滑板”模型)如图所示,一长木板在水平地面上运动,在某时刻(t=0)将一相对于地面静止的物块轻放到木板上.已知物块与木板的质量相等,物块与木板间及木板与地面间均有摩擦,物块与木板间的最大静摩擦力等于滑动摩擦力,且物块始终在木板上.在物块放到木板上之后,木板运动的速度—时间图象可能是图中的()解析:选A.放上小物块后,长木板受到小物块施加的向左的滑动摩擦力和地面向左的滑动摩擦力,在两力的共同作用下减速,小物块受到向右的滑动摩擦力作用,做匀加速运动,当两者速度相等后,可能以共同的加速度一起减速,直至速度为零,共同减速时的加速度小于两者相对运动时木板的加速度,故A 正确,B、C错误;由于水平面有摩擦,故两者不可能一起匀速运动,D错误.3.(多个板块的组合模型)如图所示,两木板A、B并排放在地面上,A左端放一小滑块,滑块在F=6 N的水平力作用下由静止开始向右运动.已知木板A、B长度均为l=1 m,木板A的质量m A=3 kg,小滑块及木板B的质量均为m=1 kg,小滑块与木板A、B间的动摩擦因数均为μ1=0.4,木板A、B与地面间的动摩擦因数均为μ2=0.1,重力加速度g=10 m/s2.求:(1)小滑块在木板A上运动的时间;(2)木板B获得的最大速度.解析:(1)小滑块对木板A的摩擦力F f1=μ1mg=4 N,木板A与B整体受到地面的最大静摩擦力F f2=μ2(2m+m A)g=5 N.F f1<F f2,小滑块滑上木板A后,木板A保持静止设小滑块滑动的加速度为a1,则:F-μ1mg=ma1,l=12a1t21,解得:t1=1 s.(2)设小滑块滑上B时,小滑块速度为v1,B的加速度为a2,经过时间t2滑块与B脱离,滑块的位移为x块,B的位移为x B,B的最大速度为v B,则:μ1mg-2μ2mg=ma2,v B=a2t2,x B=12a2t22,v1=a1t1,x块=v1t2+12a1t22,x块-x B=l,联立以上各式可得:v B=1 m/s.答案:(1)1 s(2)1 m/s4.(斜面上的“滑块—滑板”问题)如图所示,在足够长的光滑固定斜面底端放置一个长度L=2 m、质量M=4 kg 的木板,木板的最上端放置一质量m=1 kg 的小物块(可视为质点).现沿斜面向上对木板施加一个外力F使其由静止开始向上做匀加速直线运动.已知斜面倾角θ=30°,物块和木板间的动摩擦因数μ=3 2,g取10 m/s2.(1)当外力F=30 N时,物块和木板保持相对静止,求二者共同运动的加速度大小;(2)当外力F=53.5 N时,物块和木板之间将会相对滑动,则二者完全分离时的速度各为多大?解析:(1)物块和木板共同运动时,分析整体的受力情况,由牛顿第二定律得F-(M+m)g sin θ=(M+m)a解得a=1 m/s2.(2)设木板和物块的加速度分别为a1、a2,二者完全分离的时间为t,分离时速度分别为v1、v2,分析木板和物块的受力情况,由牛顿第二定律可得F-Mg sin θ-μmg cos θ=Ma1μmg cos θ-mg sin θ=ma2又L=12(a1-a2)t2v1=a1tv2=a2t联立解得v1=6.5 m/s,v2=2.5 m/s. 答案:(1)1 m/s2(2)6.5 m/s 2.5 m/s二、传送带模型(一)、水平传送带问题1.情景特点分析项目图示滑块可能的运动情况情景1(1)可能一直加速(2)可能先加速后匀速情景2(1)v0>v时,可能一直减速,也可能先减速再匀速(2)v0<v时,可能一直加速,也可能先加速再匀速情景3(1)传送带较短时,滑块一直减速达到左端(2)传送带较长时,滑块还要被传送带传回右端.其中v0>v返回时速度为v,当v0<v返回时速度为v0水平传送带问题:求解关键在于对物体所受摩擦力进行正确的分析判断.物体的速度与传送带速度相等的时刻摩擦力发生突变.例1、水平传送带被广泛地应用于机场和火车站,如图所示为一水平传送带装置示意图.紧绷的传送带AB始终保持恒定的速率v=1 m/s运行,一质量为m=4 kg的行李无初速度地放在A处,传送带对行李的滑动摩擦力使行李开始做匀加速直线运动,随后行李又以与传送带相等的速率做匀速直线运动.设行李与传送带之间的动摩擦因数μ=0.1,A、B间的距离L=2 m,g取10 m/s2.(1)求行李刚开始运动时所受滑动摩擦力的大小与加速度的大小;(2)求行李做匀加速直线运动的时间;(3)如果提高传送带的运行速率,行李就能被较快地传送到B处,求行李从A处传送到B处的最短时间和传送带对应的最小运行速率.解析:(1)行李所受滑动摩擦力大小F f=μmg=0.1×4×10 N=4 N,根据牛顿第二定律得F f=ma,加速度大小a=μg=0.1×10 m/s2=1 m/s2.(2)行李达到与传送带相同速率后不再加速,则v=at1,得t1=va=11s=1 s.(3)行李始终匀加速运行时,所需时间最短,加速度大小仍为a=1 m/s2,当行李到达右端时,有v2min=2aL,得v min=2aL=2×1×2 m/s=2 m/s,所以传送带对应的最小运行速率为2 m/s.由v min=at min得行李最短运行时间t min=v mina=21s=2 s.答案:(1)4 N 1 m/s2(2)1 s(3)2 s 2 m/s(二)倾斜传送带问题1.情景特点分析项目图示滑块可能的运动情况情景1(1)可能一直加速(2)可能先加速后匀速情景2(1)可能一直加速(2)可能先加速后匀速(3)可能先以a1加速后以a2加速2.解题的关键在于分析清楚物体与传送带的相对运动情况,从而确定物体所受摩擦力的大小和方向.当物体速度与传送带速度相等时,物体所受摩擦力可能发生突变.例2、如图所示为货场使用的传送带的模型,传送带倾斜放置,与水平面夹角为θ=37°,传送带AB足够长,传送皮带轮以大小为v=2 m/s的恒定速率顺时针转动.一包货物以v0=12 m/s的初速度从A端滑上倾斜传送带,若货物与皮带之间的动摩擦因数μ=0.5,且可将货物视为质点.(1)求货物刚滑上传送带时加速度为多大?(2)经过多长时间货物的速度和传送带的速度相同?这时货物相对于地面运动了多远?(3)从货物滑上传送带开始计时,货物再次滑回A端共用了多少时间?(g=10 m/s2,已知sin 37°=0.6,cos 37°=0.8)解析:(1)设货物刚滑上传送带时加速度大小为a1,货物受力如图所示:根据牛顿第二定律得沿传送带方向:mg sin θ+F f=ma1,垂直传送带方向:mg cos θ=F N,又F f=μF N由以上三式得:a1=g(sin θ+μcos θ)=10×(0.6+0.5×0.8) m/s2=10 m/s2,方向沿传送带向下.(2)货物速度从v0减至传送带速度v所用时间设为t1,位移设为x1,则有:t1=v-v0-a1=1 s,x1=v0+v2t1=7 m.(3)当货物速度与传送带速度相等时,由于mg sin θ>μmg cos θ,此后货物所受摩擦力沿传送带向上,设货物加速度大小为a2,则有mg sin θ-μmg cos θ=ma2,得:a2=g(sin θ-μcos θ)=2 m/s2,方向沿传送带向下.设货物再经时间t2,速度减为零,则t2=0-v-a2=1 s.沿传送带向上滑的位移x2=v+02t2=1 m,则货物上滑的总距离为x=x1+x2=8 m.货物到达最高点后将沿传送带匀加速下滑,下滑加速度大小等于a2.设下滑时间为t3,则x=12a2t23,代入解得t3=2 2 s.所以货物从A端滑上传送带到再次滑回A端的总时间为t=t1+t2+t3=(2+22) s.答案:(1)10 m/s2,方向沿传送带向下(2)1 s7 m(3)(2+22) s【总结提升】解答传送带问题应注意的事项(1)比较物块和传送带的初速度情况,分析物块所受摩擦力的大小和方向,其主要目的是得到物块的加速度.(2)关注速度相等这个特殊时刻,水平传送带中两者一块匀速运动,而倾斜传送带需判断μ与tan θ的关系才能决定物块以后的运动.(3)得出运动过程中两者相对位移情况,以后在求解摩擦力做功时有很大作用.跟踪练习1.(物块初速度不为零的倾斜传送带模型)(多选)如图所示,倾斜的传送带顺时针匀速转动,一物块从传送带上端A滑上传送带,滑上时速率为v1,传送带的速率为v2,且v2>v1.不计空气阻力,动摩擦因数一定.关于物块离开传送带的速率v和位置,下面哪个是可能的()A.从下端B离开,v>v1B.从下端B离开,v<v1C.从上端A离开,v=v1D.从上端A离开,v<v1解析:选ABC.物块从A端滑上传送带,在传送带上必先相对传送带向下运动,由于不确定物块与传送带间的摩擦力和物块的重力沿传送带下滑分力的大小关系和传送带的长度,若能从A端离开,由运动的对称性可知,必有v=v1,即选项C正确,D错误;若从B端离开,当摩擦力大于重力的分力时,则v<v1,选项B正确;当摩擦力小于重力的分力时,则v>v1,选项A正确;当摩擦力和重力的分力相等时,物块一直做匀速直线运动,v=v1,故本题应选A、B、C.2. (物块初速度为零的倾斜传送带模型)如图所示,传送带AB的长度为L=16 m,与水平面的夹角θ=37°,传送带以速度v0=10 m/s匀速运动,方向如图中箭头所示.在传送带最上端A处无初速度地放一个质量m=0.5 kg的小物体(可视为质点),它与传送带之间的动摩擦因数μ=0.5.g取10 m/s2,sin 37°=0.6,cos 37°=0.8.求:(1)物体从A运动到底端B所用的时间;(2)物体与传送带的相对位移大小.解析:(1)开始阶段,设物体的加速度为a1,由牛顿第二定律有mg sin θ+μmg cos θ=ma1,解得a1=10 m/s2.物体加速到与传送带的速度相等时的位移为:x1=v202a=5 m<16 m,即物体加速到10 m/s时,未达到B点,其时间t1=v0a1=1 s.由于mg sin θ=3 N>μmg cos θ=2 N,所以物体将继续做加速运动.设物体的加速度为a2,经历的时间为t2,由牛顿第二定律有mg sin θ-μmg cos θ=ma2,解得a2=2 m/s2.由位移公式L-x1=v0t2+12a2t22,解得时间t2=1 s,所以总时间t=t1+t2=2 s.(2)在传送带上取一点M.M点做匀速运动,物体一直做加速运动.法一:整体法整个过程物体的位移大小为x物=L=16 m,传送带位移大小为x传=v0t=20 m,故物体相对于传送带(M 点)的位移大小为: x =x 传-x 物=4 m.由于M 点的位移大于物体的位移,故全过程物体向后远离M 点4 m. 法二:v -t 图象法相对位移的大小为两个阴影三角形面积之差,即: x =10×12-1×(12-10)2=4(m).法三:分段法第一个过程:M 点的位移为v 0t 1=10 m , 所以物体与传送带间的相对位移大小 x 相对1=v 0t 1-x 1=5 m.由于M 点的速度大于物体的速度,故此过程物体在M 点后面5 m 处. 第二个过程:M 点的位移为v 0t 2=10 m , 物体的位移为L -x 1=11 m , 故相对位移大小为x 相对2=1 m. 此过程物体追M 点,并靠近M 点1 m.故相对位移大小x =x 相对1-x 相对2=4 m .即全过程物体向后远离M 点4 m. 答案:(1)2 s (2)4 m精选练习1.(多选)如图所示,表面粗糙、质量M =2 kg 的木板,t =0时在水平恒力F 的作用下从静止开始沿水平面向右做匀加速直线运动,加速度a =2.5 m/s 2,t =0.5 s 时,将一个质量m =1 kg 的小铁块(可视为质点)无初速度地放在木板最右端,铁块从木板上掉下时速度是木板速度的一半.已知铁块和木板之间的动摩擦因数μ1=0.1,木板和地面之间的动摩擦因数μ2=0.25,g =10 m/s 2,则( )A .水平恒力F 的大小为10 NB .铁块放上木板后,木板的加速度为2 m/s 2C .铁块在木板上运动的时间为1 sD .木板的长度为1.625 m解析:选AC .未放铁块时,对木板由牛顿第二定律:F -μ2Mg =Ma ,解得F =10 N ,选项A 正确;铁块放上木板后,对木板:F -μ1mg -μ2(M +m )g =Ma ′,解得:a ′=0.75 m/s 2,选项B 错误;0.5 s 时木板的速度v 0=at 1=2.5×0.5 m/s =1.25 m/s ,铁块滑离木板时,木板的速度:v 1=v 0+a ′t 2=1.25+0.75t 2,铁块的速度v ′=a 铁t 2=μ1gt 2=t 2,由题意:v ′=12v 1,解得t 2=1 s ,选项C 正确;铁块滑离木板时,木板的速度v 1=2 m/s ,铁块的速度v ′=1 m/s ,则木板的长度为:L =v 0+v 12t 2-v ′2t 2=1.25+22×1 m -12×1 m =1.125 m ,选项D 错误;故选A 、C .2.(多选)如图甲为应用于机场和火车站的安全检查仪,用于对旅客的行李进行安全检查.其传送装置可简化为如图乙的模型,紧绷的传送带始终保持v =1 m/s 的恒定速率运行.旅客把行李无初速度地放在A 处,设行李与传送带之间的动摩擦因数μ=0.1,A 、B 间的距离L =2 m ,g 取10 m/s 2.若乘客把行李放到传送带的同时也以v =1 m/s 的恒定速率平行于传送带运动到B 处取行李,则( )A .乘客与行李同时到达B 处B .乘客提前0.5 s 到达B 处C .行李提前0.5 s 到达B 处D .若传送带速度足够大,行李最快也要2 s 才能到达B 处解析:选BD .行李放在传送带上,传送带对行李的滑动摩擦力使行李开始做匀加速直线运动,随后行李又以与传送带相等的速率做匀速直线运动.加速度为a =μg =1 m/s 2,历时t 1=v a =1 s 达到共同速度,位移x 1=v2t 1=0.5 m ,此后行李匀速运动t 2=L -x 1v =1.5 s 到达B ,共用2.5 s ;乘客到达B ,历时t =Lv =2 s ,B 正确;若传送带速度足够大,行李一直加速运动,最短运动时间t min =2La =2×21s =2 s ,D 正确. 3.如图甲所示,倾角为37°足够长的传送带以4 m/s 的速度顺时针转动,现将小物块以2 m/s 的初速度沿斜面向下冲上传送带,小物块的速度随时间变化的关系如图乙所示,g =10 m/s 2,sin 37°=0.6,cos 37°=0.8,试求:(1)小物块与传送带间的动摩擦因数为多大; (2)0~8 s 内小物块与传送带之间的划痕为多长. 解析:(1)根据v -t 图象的斜率表示加速度, a =Δv Δt =22m/s 2=1 m/s 2,由牛顿第二定律得μmg cos 37°-mg sin 37°=ma , 解得μ=78.(2)0~8 s 内只有前6 s 内物块与传送带发生相对滑动0~6 s 内传送带匀速运动距离为:x 带=4×6 m =24 m .速度图象的“面积”大小等于位移,则0~2 s 内物块位移为:x 1=12×2×2 m =2 m ,方向沿斜面向下,2~6 s 内物块位移为:x 2=12×4×4 m =8 m ,方向沿斜面向上.所以划痕的长度为:Δx =x 带+x 1-x 2=(24+2-8) m =18 m. 答案:(1)78(2)18 m4.如图所示,在光滑水平地面上停放着一质量为M =2 kg 的木板,木板足够长,某时刻一质量为m =1 kg 的小木块以某一速度v 0(未知)冲上木板,木板上表面粗糙,经过t =2 s 后二者共速,且木块相对地面的位移x =5 m ,g =10 m/s 2.求:(1)木块与木板间的动摩擦因数μ;(2)从木块开始运动到共速的过程中产生的热量Q .(结果可用分数表示) 解析:(1)设冲上木板后小木块的加速度大小为a 1, 对小木块,有μmg =ma 1,设木板开始运动的加速度大小为a 2,对木板, 有μmg =Ma 2,二者共速时,有v 共=a 2t =v 0-a 1t , 对小木块,有x =v 0t -12a 1t 2,联立得μ=18.(2)由(1)得a 2=58 m/s 2,得v 共=54m/s.木板发生的位移x ′=v 共2t =54m ,二者相对位移为Δx =x -x ′=154m , 产生的热量为Q =μmg ·Δx , 联立得Q =7516J. 答案:(1)18 (2)7516J5. (多选)滑沙运动是小孩比较喜欢的一项运动,其运动过程可类比为如图所示的模型,倾角为37°的斜坡上有长为1 m 的滑板,滑板与沙间的动摩擦因数为916.小孩(可视为质点)坐在滑板上端,与滑板一起由静止开始下滑.小孩与滑板之间的动摩擦因数取决于小孩的衣料,假设图中小孩与滑板间的动摩擦因数为0.5,小孩的质量与滑板的质量相等,斜坡足够长,sin 37°=0.6,cos 37°=0.8,g 取10 m/s 2,则下列判断正确的是( )A .小孩在滑板上下滑的加速度大小为2 m/s 2B .小孩和滑板脱离前滑板的加速度大小为0.5 m/s 2C .经过 2 s 的时间,小孩离开滑板D .小孩离开滑板时的速度大小为433m/s 解析:选AC .对小孩,由牛顿第二定律,加速度大小为a 1=mg sin 37°-μ1mg cos 37°m =2 m/s 2,同理对滑板,加速度大小为a 2=mg sin 37°+μ1mg cos 37°-2μ2mg cos 37°m =1 m/s2,选项A 正确,B 错误;要使小孩与滑板分离,12a 1t 2-12a 2t 2=L ,解得t = 2 s(另一解不符合,舍去),离开滑板时小孩的速度大小为v =a 1t =2 2 m/s ,选项C 正确,D 错误.6.如图甲所示,倾斜的传送带正以恒定速率v 1沿顺时针方向转动,传送带的倾角为37°.一物块以初速度v 0从传送带的底部冲上传送带并沿传送带向上运动,其运动的v -t 图象如图乙所示,物块到传送带顶端时速度恰好为零,sin 37°=0.6,cos 37°=0.8,g=10 m/s2,则()A.传送带的速度为4 m/sB.传送带底端到顶端的距离为14 mC.物块与传送带间的动摩擦因数为1 8D.摩擦力方向一直与物块运动的方向相反解析:选A.如果v0小于v1,则物块向上做减速运动时加速度不变,与题图乙不符,因此物块的初速度v0一定大于v1.结合题图乙可知物块减速运动到与传送带速度相同时,继续向上做减速运动,由此可以判断传送带的速度为4 m/s,选项A正确.传送带底端到顶端的距离等于v -t图线与横轴所围的面积,即12×(4+12)×1 m+12×1×4 m=10 m,选项B错误.0~1 s内,g sin θ+μg cos θ=8 m/s2,1~2 s内,g sin θ-μg cos θ=4 m/s2,解得μ=14,选项C错误;在1~2 s内,摩擦力方向与物块的运动方向相同,选项D错误.7.如图所示,倾角α=30°的足够长的光滑斜面固定在水平面上,斜面上放一长L=1.8 m,质量M=3 kg的薄木板,木板的最上端叠放一质量m=1 kg的小物块,物块与木板间的动摩擦因数μ=32.对木板施加沿斜面向上的恒力F,使木板沿斜面由静止开始向上做匀加速直线运动,假设物块与木板间的最大静摩擦力等于滑动摩擦力,取重力加速度g=10 m/s2.(1)为使物块不滑离木板,求力F应满足的条件;(2)若F=37.5 N,物块能否滑离木板?若不能,请说明理由;若能,求出物块滑离木板所用的时间及滑离木板后沿斜面上升的最大距离.解析:(1)若整体恰好静止,则F =(M +m )g sin α=(3+1)×10×sin 30° N =20 N. 因要拉动木板,则F >20 N ,若整体一起向上做匀加速直线运动,对物块和木板,由牛顿第二定律得 F -(M +m )g sin α=(M +m )a , 对物块有f -mg sin α=ma , 其中f ≤μmg cos α 代入数据解得F ≤30 N.向上加速的过程中为使物体不滑离木板,力F 应满足的条件为20 N<F ≤30 N.(2)当F =37.5 N>30 N 时,物块能滑离木板,由牛顿第二定律,对木板有F -μmg cos α-Mg sin α=Ma 1,对物块有μmg cos α-mg sin α=ma 2,设物块滑离木板所用的时间为t ,由运动学公式得 12a 1t 2-12a 2t 2=L , 代入数据解得t =1.2 s.物块滑离木板时的速度v =a 2t , 由-2g sin α·s =0-v 2, 代入数据解得s =0.9 m. 答案:见解析8.如图所示为车站使用的水平传送带模型,其A 、B 两端的距离L =8 m ,它与水平台面平滑连接.现有一物块以v 0=10 m/s 的初速度从A 端水平地滑上传送带.已知物块与传送带间的动摩擦因数为μ=0.6.求:(1)若传送带保持静止,物块滑到B 端时的速度大小;(2)若传送带顺时针匀速转动的速率恒为12 m/s ,物块到达B 端时的速度大小;(3)若传送带逆时针匀速转动的速率恒为4 m/s ,且物块初速度变为v 0′=6 m/s ,仍从A 端滑上传送带,物块从滑上传送带到离开传送带的总时间.解析:(1)设物块的加速度大小为a,由受力分析可知F N=mg,F f=ma,F f=μF N,得a=6 m/s2.传送带静止,物块从A到B做匀减速直线运动,又x=v202a=253m>L=8 m,则由v2B-v20=-2aL.得v B=2 m/s.(2)由题意知,传送带顺时针匀速转动的速率12 m/s>v0,物块所受的摩擦力沿传送带方向,即物块先加速到v1=12 m/s,由v21-v20=2ax1,得x1=113m<L=8 m.故物块先加速运动后匀速运动即物块到达B时的速度为v B′=v1=12 m/s.(3)当物块初速度v0′=6 m/s时,物块速度减为零时的位移x2=v0′22a=3 m<L,所以物块先向右减速后向左加速由v2=v0′-at1,得t1=1 s;当物块向左加速到v3=4 m/s时由v23-v22=2ax3得x3=43m<x2=3 m,故物块向左先加速运动后匀速运动由v3=v2+at2,得t2=23s;当物块向左匀速运动v4=v3=4 m/s,x4=x2-x3=53m.由x4=v4t3,得t3=512s,故t=t1+t2+t3=25 12s.答案:(1)2 m/s(2)12 m/s(3)25 12s。
滑块与传送带运动模型的处理技巧滑块与传送带相互运动模型种类繁多,但处理此类题目的关键和线索——它们间的滑动摩擦力。
滑动摩擦力是参与改变滑块运动状态的重要原因,其大小遵从滑动摩擦力的计算公式,而与滑块相对传送带的速度无关,其方向取决于它与传送带相对运动的方向,所以滑块在传送带上滑动过程中,它们之间可能存在滑动摩擦力,运动一阶段后滑动摩擦力还可能消失。
滑块与传送带等速的时刻,是相对运动消失和滑动摩擦力消失的时刻,也是滑块运动状态转变的临界点。
按滑块与传送带的初始状态,分以下几种情况讨论:一、水平传送带模型:1、滑块初速度为v0=0的模型解决这类题目的方法:对滑块相对传送带的运动方向认真分析,确定出滑动摩擦力的方向,再讨论滑块的运动过程,最终物体可能达到与皮带相同的速度,不再受摩擦力,而随传送带一起做匀速直线运动。
【例1】如图甲所示,a、b分别是传送带上和物体上的一点,设皮带的速度为v0,物体轻放其上将做初速为0的匀加速直线运动,末速为v0,其平均速度为v0/2,故物体的对地位移x物= ,传送带对地位移x传送带=v0t,故a、b两点分别运动到如图乙所示的a’、b’位置,物体相对传送带的位移为x物= ,即图乙中的a’、b’间的距离,即传送带比物体多运动的距离,为物体在传送带上所留下的划痕的长度。
2、滑块初速度不为0的模型解决此类问题的关键在于判定滑块相对传送带的运动方向,确定滑动摩擦力的方向和滑块的运动过程。
【例2】如图所示,水平传送带a、b两端相距s=3.5m,工件与传送带间的动摩擦因数μ=0.1。
工件滑上a端时速度va=4m/s,达到b端的瞬时速度设为vb。
(1)若传送带不动,vb多大?(2)若传送带以速度v(匀速)逆时针转动,vb多大?(3)若传送带以速度v(匀速)顺时针转动,vb多大?解析:(1)传送带不动,工件滑上传送带后,受到向左的滑动摩擦力ff=μmg作用,工件向右做减速运动,初速度为va,加速度a=μg=lm/s2,到达b端时 .(2)传送带逆时针转动时,工件滑上传送带后,受到向左的滑动摩擦力仍为ff=μmg,工件向右做初速va,加速度大小为a=μg=1m/s2减速运动,到达b端的速度vb=3m/s.(3)传送带顺时针转动时,据传送带速度v的大小,由下列五种情况:①若v=va,工件滑上传送带时,工件与传送带速度相同,均做匀速运动,工件到达b端的速度vb=va②若v≥,工件由a到b,全程做匀加速运动,到达b端的速度vb= =5m/s.③若 >v>va,工件由a到b,先做匀加速运动,当速度增加到传送带速度v时,工件与传送带一起作匀速运动速度相同,工件到达b端的速度vb=v.④若v≤时,工件由a到b,全程做匀减速运动,到达b端的速度⑤若va>v> ,工件由a到b,先做匀减速运动,当速度减小到传送带速度v时,工件与传送带一起作匀速运动速度相同,工件到达b端的速度vb=v。
秘籍04 滑块木板模型和传送带模型一、滑块木板模型1.模型特点:滑块(视为质点)置于木板上,滑块和木板均相对地面运动,且滑块和木板在摩擦力的作用下发生相对滑动.2.位移关系:如图所示,滑块由木板一端运动到另一端的过程中,设板长为L,滑块(可视为质点)位移大小为x块,滑板位移大小为x板。
同向运动时:L=x块-x板.反向运动时:L=x块+x板.3. 判断滑块和模板运动状态的技巧:“滑块—木板”模型问题中,靠摩擦力带动的那个物体的加速度有最大值:a m=F fmm.假设两物体同时由静止开始运动,若整体加速度小于该值,则二者相对静止,二者间是静摩擦力;若整体加速度大于该值,则二者相对滑动,二者间为滑动摩擦力。
4.技巧突破点(1)由滑块与木板的相对运动来判断“板块”间的摩擦力方向.(2)当滑块与木板速度相同时,“板块”间的摩擦力可能由滑动摩擦力转变为静摩擦力或者两者间不再有摩擦力(水平面上共同匀速运动). 5.分析板块模型的思路二、传送带模型1.水平传送带情景滑块的运动情况 传送带不足够长 传送带足够长一直加速 先加速后匀速v 0<v 时,一直加速 v 0<v 时,先加速再匀速 v 0>v 时,一直减速v 0>v 时,先减速再匀速滑块一直减速到右端滑块先减速到速度为0,后被传送带传回左端.若v 0<v 返回到左端时速度为v 0,若v 0>v 返回到左端时速度为v .2.倾斜传送带情景滑块的运动情况传送带不足够长传送带足够长一直加速(一定满足关系g sin θ<μg cos θ)先加速后匀速一直加速(加速度为g sin θ+μg cos θ)若μ≥tan θ,先加速后匀速若μ<tan θ,先以a1加速,后以a2加速v0<v时,一直加速(加速度为g sin θ+μg cos θ)若μ≥tan θ,先加速后匀速;若μ<tan θ,先以a1加速,后以a2加速v0>v时,一直减速(加速度为g sin θ-μg cos θ)若μ≥tan θ,先减速后匀速;若μ<tan θ,先以a1减速,后以a2加速(摩擦力方向一定沿斜面向上)g sin θ>μg cos θ,一直加速;g sin θ=μg cos θ,一直匀速g sin θ<μg cos θ,一直减速先减速到速度为0后反向加速到原位置时速度大小为v03.划痕问题:滑块与传送带的划痕长度Δx等于滑块与传送带的相对位移的大小,若有两次相对运动且两次相对运动方向相同,Δx=Δx1+Δx2(图甲);若两次相对运动方向相反,Δx等于较长的相对位移大小.(图乙)4.功能关系分析:(1)功能关系分析:W=ΔE k+ΔE p+Q。
2024高考物理一轮复习专题练习及解析—传送带模型和“滑块—木板”模型1.如图所示,飞机场运输行李的倾斜传送带保持恒定的速率运行,将行李箱无初速度地放在传送带底端,当传送带将它送入飞机货舱前行李箱已做匀速运动.假设行李箱与传送带之间的动摩擦因数为μ,传送带与水平面的夹角为θ,已知滑动摩擦力近似等于最大静摩擦力,下列说法正确的是()A.要实现这一目的前提是μ<tan θB.做匀速运动时,行李箱与传送带之间的摩擦力为零C.全过程传送带对行李箱的摩擦力方向沿传送带向上D.若使传送带速度足够大,可以无限缩短传送的时间2.(多选)图甲为一转动的传送带,以恒定的速率v顺时针转动.在传送带的右侧有一滑块以初速度v0从光滑水平面滑上传送带,运动一段时间后离开传送带,这一过程中滑块运动的v-t图像如图乙所示.由图像可知滑块()A.从右端离开传送带B.从左端离开传送带C.先受滑动摩擦力的作用,后受静摩擦力的作用D.变速运动过程中受滑动摩擦力的作用3.(多选)如图甲所示,光滑水平面上静置一个薄长木板,长木板上表面粗糙,其质量为M,t=0时刻,质量为m的物块以速度v水平滑上长木板,此后木板与物块运动的v-t图像如图乙所示,重力加速度g取10 m/s2,下列说法正确的是()A.M=mB.M=2mC.木板的长度为8 mD.木板与物块间的动摩擦因数为0.14.(2023·甘肃省模拟)如图所示,水平匀速转动的传送带左右两端相距L=3.5 m,物块A(可看作质点)以水平速度v0=4 m/s滑上传送带左端,物块与传送带间的动摩擦因数μ=0.1,设A到达传送带右端时的瞬时速度为v,g取10 m/s2,下列说法不正确的是()A.若传送带速度等于2 m/s,物块不可能先做减速运动后做匀速运动B.若传送带速度等于3.5 m/s,v可能等于3 m/sC.若A到达传送带右端时的瞬时速度v等于3 m/s,传送带可能沿逆时针方向转动D.若A到达传送带右端时的瞬时速度v等于3 m/s,则传送带的速度不大于3 m/s5.(多选)(2023·福建福州市高三检测)如图所示,质量为M的长木板A以速度v0在光滑水平面上向左匀速运动,质量为m的小滑块B轻放在木板左端,经过一段时间恰好从木板的右端滑出,小滑块与木板间的动摩擦因数为μ,下列说法中正确的是()A.若只增大m,则小滑块不能滑离木板B.若只增大M,则小滑块在木板上运动的时间变短C.若只增大v0,则小滑块离开木板的速度变大D.若只减小μ,则小滑块滑离木板过程中小滑块对地的位移变大6.(多选)如图甲所示,一滑块置于足够长的长木板左端,木板放置在水平地面上.已知滑块和木板的质量均为2 kg,现在滑块上施加一个F=0.5t (N)的变力作用,从t=0时刻开始计时,滑块所受摩擦力随时间变化的关系如图乙所示.设最大静摩擦力与滑动摩擦力相等,重力加速度g取10 m/s2,则下列说法正确的是()A.滑块与木板间的动摩擦因数为0.4B.木板与水平地面间的动摩擦因数为0.2C.图乙中t2=24 sD.木板的最大加速度为2 m/s27.(2023·山东泰安市模拟)如图所示,水平传送带AB间的距离为16 m,质量分别为2 kg、4 kg的物块P、Q通过绕在光滑定滑轮上的细线连接,Q在传送带的左端,且连接物块Q的细线水平,当传送带以8 m/s的速度逆时针转动时,Q恰好静止.重力加速度取g=10 m/s2,最大静摩擦力等于滑动摩擦力.当传送带以8 m/s 的速度顺时针转动时,下列说法正确的是()A.Q与传送带间的动摩擦因数为0.6B.Q从传送带左端滑到右端所用的时间为2.4 sC.Q从传送带左端滑到右端,相对传送带运动的距离为4.8 mD.Q从传送带左端滑到右端的过程细线受到的拉力大小恒为20 N 8.(2023·河南信阳市模拟)如图甲所示,在顺时针匀速转动且倾角为θ=37°的传送带底端,一质量m=1 kg的小物块以某一初速度向上滑动,传送带足够长,物块的速度与时间(v-t)关系的部分图像如图乙所示,已知sin 37°=0.6,cos 37°=0.8,g=10 m/s2,求:(1)物块与传送带之间的动摩擦因数μ;(2)物块沿传送带向上运动的最大位移;(3)物块向上运动到最高点的过程中相对传送带的路程.9.(2023·辽宁大连市检测)如图所示,一质量M=2 kg的长木板B静止在粗糙水平面上,其右端有一质量m=2 kg的小滑块A,对B施加一水平向右且大小为F=14 N的拉力;t=3 s后撤去拉力,撤去拉力时滑块仍然在木板上.已知A、B间的动摩擦因数为μ1=0.1,B与地面间的动摩擦因数为μ2=0.2,重力加速度取g =10 m/s2.(1)求有拉力时木板B和滑块A的加速度大小;(2)要使滑块A不从木板B左端掉落,求木板B的最小长度.1.C 2.AD 3.BC 4.D 5.AB6.ACD7.C [当传送带以v =8 m/s 的速度逆时针转动时,Q 恰好静止不动,对Q 受力分析知m P g =μm Q g ,解得μ=0.5,A 错误;当传送带以v =8 m/s 的速度顺时针转动,物块Q 先做初速度为零的匀加速直线运动,有m P g +μm Q g =(m P +m Q )a ,解得a =203 m/s 2,当物块Q 速度达到传送带速度,即8 m/s 后,做匀速直线运动,由v =at 1,解得匀加速的时间t 1=1.2 s ,匀加速的位移为x =v 22a =4.8 m ,则匀速运动的时间为t 2=L -x v =1.4 s ,Q 从传送带左端滑到右端所用的时间为t 总=t 1+t 2=2.6 s ,B 错误;加速阶段的位移之差为Δx =v t 1-x =4.8 m ,即Q 从传送带左端到右端相对传送带运动的距离为4.8 m ,C 正确;当Q 加速时,对P 分析有m P g -F T =m P a ,解得F T =203N ,之后做匀速直线运动,有F T ′=20 N ,D 错误.] 8.(1)0.5 (2)6.4 m (3)4.8 m解析 (1)由题图乙可知,物块的初速度v 0=8 m/s ,物块的速度减速到与传送带的速度相同时,加速度发生变化,所以传送带转动时的速度v =4 m/s ,从t =0到t=0.4 s 时间内,物块加速度大小为a 1=⎪⎪⎪⎪⎪⎪Δv Δt =8-40.4 m/s 2=10 m/s 2,方向沿斜面向下;物块受到重力、支持力和沿斜面向下的摩擦力的作用,沿斜面方向由牛顿第二定律有mg sin θ+μmg cos θ=ma 1,解得μ=0.5.(2)设在t =0.4 s 后,物块做减速运动的加速度大小为a 2,物块受到重力、支持力和沿斜面向上的摩擦力的作用,由牛顿第二定律可得mg sin θ-μmg cos θ=ma 2,解得a 2=2 m/s 2,物块从t =0.4 s 开始,经过t 1时间速度减为零,则t 1=42 s =2 s ,从t =0到t =0.4 s ,物块位移为x 1=v 0Δt -12a 1(Δt )2=2.4 m ,从t =0.4 s 到t =2.4 s ,物块减速到零的位移为x 2=v 2t 1=42×2 m =4 m ,物块沿传送带向上运动过程中的位移为x =x 1+x 2=6.4 m.(3)从t =0到t =0.4 s ,传送带位移为x 3=v Δt =1.6 m ,物块相对传送带向上运动Δx 1=x 1-x 3=0.8 m ,从t =0.4 s 到t =2.4 s ,传送带位移x 4=v t 1=8 m ,物块相对传送带向下运动Δx 2=x 4-x 2=4 m ,故物块向上运动到最高点的过程中,物块相对传送带的路程Δx =Δx 1+Δx 2=4.8 m.9.(1)2 m/s 2 1 m/s 2 (2)5.25 m解析 (1)对滑块A 根据牛顿第二定律可得μ1mg =ma 1,故A 的加速度大小为a 1=1 m/s 2,方向向右;对木板B 根据牛顿第二定律可得F -μ1mg -μ2(m +M )g =Ma 2,解得木板B 加速度大小为a 2=2 m/s 2.(2)撤去外力瞬间,A 的位移大小为x 1=12a 1t 2=4.5 m ,B 的位移大小为x 2=12a 2t 2=9 m ,撤去外力时,滑块A 和木板B 的速度分别为v 1=a 1t =3 m/s ,v 2=a 2t =6 m/s ,撤去外力后,滑块A 的受力没变,故滑块A 仍然做加速运动,加速度不变,木板B 做减速运动,其加速度大小变为a 2′=μ1mg +μ2(m +M )g M=5 m/s 2,设再经过时间t ′两者达到共速,则有v 1+a 1t ′=v 2-a 2′t ′撤去外力后,A 的位移大小为x 1′=v 1t ′+12a 1t ′2B 的位移大小为x 2′=v 2t ′-12a 2′t ′2故木板B 的长度至少为L =x 2-x 1+x 2′-x 1′代入数据解得L =5.25 m.。
微专题3 滑块木板模型、传送带模型一传送带模型传送带问题为高中动力学问题中的难点,需要考生对传送带问题准确地做出动力学过程分析。
1.抓住一个关键:在确定研究对象并进行受力分析之后,首先判定摩擦力的突变(含大小和方向)点,给运动分段。
传送带传送的物体所受摩擦力,不论是其大小的突变,还是其方向的突变,都发生在物体的速度与传送带速度相等的时刻。
物体在传送带上运动时的极值问题,不论是极大值,还是极小值,也都发生在物体速度与传送带速度相等的时刻,v物与v传相同的时刻是运动分段的关键点。
判定运动中的速度变化(相对运动方向和对地速度变化)的关键是v物与v传的大小与方向,二者的大小和方向决定了此后的运动过程和状态。
2.注意三个状态的分析——初态、共速、末态3.传送带思维模板模型1水平传送带模型水平传送带又分为三种情况:物体的初速度与传送带速度同向(含物体初速度为0)或反向。
情景图示滑块可能的运动情况情景1 (1)可能一直加速(2)可能先加速后匀速情景2 (1)v0=v时,一直匀速(2)v0>v时,可能一直减速,也可能先减速再匀速(3)v0<v时,可能一直加速,也可能先加速再匀速情景3 (1)传送带较短时,滑块一直减速到达左端(2)传送带较长时,滑块还要被传送带传回右端。
当v0>v时,返回时速度为v,当v0<v时,返回时速度为v0例1如图甲所示,水平方向的传送带顺时针转动,传送带速度大小v=2 m/s 不变,两端A、B间距离为 3 m。
一物块从B端以v0=4 m/s滑上传送带,物块与传送带间的动摩擦因数μ=0.4,g=10 m/s2。
物块从滑上传送带至离开传送带的过程中,速度随时间变化的图象是图乙中的( )。
甲乙解析物块B刚滑上传送带时,速度向左,由于物块与传送带间的摩擦作用,使得它做匀减速运动,加速度大小a=μg=4 m/s2,当物块的速度减小到零时,物块前进的距离s=m=2 m,其值小于AB的长3 m,故物块减速到零后仍在传送带上,所以它会随传送带向右运动,其加速度的大小与减速时是相等的,当其速度与传送带的速度相等时物块向右滑行的距离s'= m=0.5 m,其值小于物块向左前进的距离,说明物块仍在传送带上,以后物块相对于传送带静止,其速度等于传送带的速度,所以B项正确。
专题:传送带模型和滑块模型1、板块模型此类问题通常是一个小滑块在木板上运动,小物块与长木板是靠一对滑动摩擦力或静摩擦力联系在一起的。
分别隔离选取研究对象,均选地面为参照系,应用牛顿第二定律及运动学知识,求出木板对地的位移等,解决此类问题的关键在于深入分析的基础上,头脑中建立一幅清晰的动态的物理图景,为此要认真画好草图。
在木板与木块发生相对运动的过程中,作用于木块上的滑动摩擦力f 为动力,作用于木板上的滑动摩擦力f为阻力,由于相对运动造成木板的位移恰等于物块在木板左端离开木板时的位移Sm 与木板长度L 之和,而它们各自的匀加速运动均在相同时间t 内完成。
例2 如图3所示,质量M=8kg的小车放在光滑的水平面上,在小车右端加一水平恒力F,F=8N,当小车速度达到1.5m/s时,在小车的前端轻轻放上一大小不计、质量m=2kg的物体,物体与小车间的动摩擦因数μ=0.2,小车足够长,求物体从放在小车上开始经t=1.5s通过的位移大小。
(g取10m/s2)解答:物体放上后先加速:a1=μg=2m/s2,此时小车的加速度为:,当小车与物体达到共同速度时:v共=a1t1=v0+a2t1,解得:t1=1s ,v共=2m/s,以后物体与小车相对静止:(∵,物体不会落后于小车)物体在t=1.5s内通过的位移为:s=a1t12+v共(t-t1)+ a3(t-t1)2=2.1m解决这类问题的方法是:①研究物块和木板的加速度;②画出各自运动过程示意图;③找出物体运动的时间关系、速度关系、相对位移关系等;④建立方程,求解结果,必要时进行讨论。
要求学生分析木板、木块各自的加速度,要写位移、速度表达式,还要寻找达到共同速度的时间等等在这三个模型中尤其板块模型最为复杂。
其次是传送带模型,一般情况下只需要分析物体的加速度和运动情况,而传送带一般是匀速运动不需另加分析。
最后是追及相遇问题,它只是一个运动学问题并没有牵扯受力分析问题,相对是最简单的,只要位移关系速度公式就可以问题。
专题课7传送带模型和板块模型题型一传送带模型1.基本类型传送带运输是利用货物和传送带之间的摩擦力将货物运送到其他地方去,有水平传送带和倾斜传送带两种基本模型。
2.分析流程3.注意问题求解的关键在于根据物体和传送带之间的相对运动情况,确定摩擦力的大小和方向。
当物体的速度与传送带的速度相同时,物体所受的摩擦力有可能发生突变。
如图所示,水平传送带两端相距x=8 m,工件与传送带间的动摩擦因数μ=0.6,工件滑上A端时速度v A=10 m/s,设工件到达B端时的速度为v B。
(g 取10 m/s2)(1)若传送带静止不动,求v B的大小;(2)若传送带顺时针转动,工件还能到达B端吗?若不能,说明理由;若能,求到达B点的速度v B′的大小;(3)若传送带以v=13 m/s逆时针匀速转动,求物块在传送带上划痕的长度。
[解析](1)根据牛顿第二定律可知加速度大小μmg=ma则a =μg =6 m/s 2且v 2A -v 2B =2ax ,故v B =2 m/s 。
(2)能,当传送带顺时针转动时,工件受力不变,其加速度不发生变化,仍然始终减速,故工件到达B 端的速度v B ′=v B =2 m/s 。
(3)物体速度达到13 m/s 时所用时间为t 1=v -v A a =0.5 s运动的位移为x 1=v A t 1+12at 21=5.75 m传送带的位移x 2=v t =6.5 m此后工件与传送带相对静止,所以划痕的长度x =x 2-x 1=0.75 m 。
[答案] (1)2 m/s (2)能 2 m/s (3)0.75 m如图所示,传送带与地面的夹角θ=37°,A 、B 两端间距L =16 m ,传送带以速度v =10 m/s 沿顺时针方向运动,物体质量m =1 kg 无初速度地放置于A 端,它与传送带间的动摩擦因数μ=0.5,sin 37°=0.6,g 取10 m/s 2,试求:(1)物体由A 端运动到B 端的时间;(2)物体与传送带共速前的相对位移。
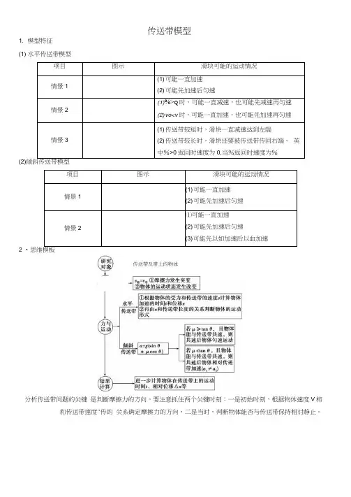
1. 模型特征 (1) 水平传送带模型项目图示 滑块可能的运动情况情景1(1) 可能一直加速 (2) 可能先加速后匀速情景2(1) %>Q 时,可能一直减速,也可能先减速再匀速 (2) vo<v 时,可能一直加速,也可能先加速再匀速情景3(1) 传送带较短时,滑块一直减速达到左端(2) 传送带较长时,滑块还要被传送带传回右端。
英中%>0返回时速度为0,当%返回时速度为%(2)项目图示 滑块可能的运动情况情景1(1) 可能一直加速(2) 可能先加速后匀速情景2⑴可能一直加速(2) 可能先加速后匀速 (3) 可能先以如加速后以血加速2分析传送带问题的关键 是判断摩擦力的方向。
要注意抓住两个关键时刻:一是初始时刻,根据物体速度V 柿和传送带速度"传的 关系确定摩擦力的方向,二是当时,判断物体能否与传送带保持相对静止。
传送带模型传送帶及帯上的物体选)如图,一质量为加的小物体以一圧的速率%滑到水平传送带上左端的A 点,当传送带始终静止时, 已知物体能滑过右端的B 点,经过的时间为心则下列判断正确的是().A ・若传送带逆时针方向运行且保持速率不变,则物体也能滑过B 点,且用时为巾 B. 若传送带逆时针方向运行且保持速率不变,则物体可能先向右做 匀减速运动直到速度减为零,然后向左加速,因此不能滑过B 点C. 若传送带顺时针方向运行,当其运行速率(保持不变)v=vo 时,物体将一直做匀速运动滑过B 点,用时一定小于A )D. 若传送带顺时针方向运行.当其运行速率(保持不变)0>Qo 时,物体一左向右一直做匀加速运动滑过B 点,用时一泄小于2.如图甲所示,绷紧的水平传送带始终以恒左速率3运行。
初速度大小为02的小物块从与传送带等髙的光滑水平地面上的A 处滑上传送带。
若从小物块滑上传送带开始汁时,小物块在传送带上运动的“一『图象(以地而为参考系)如图乙所示。
已知贝“)A. “时刻,小物块离A 处的距离达到最大B. /2时刻,小物块相对传送带滑动的距离达到最大C. 0〜勺时间内,小物块受到的摩擦力方向先向右后向D. 0〜“时间内,小物块始终受到大小不变的摩擦力作用3•如图所示,水平传送带以速度S 匀速运动,小物体P 、0由通过泄滑轮且不可伸长的轻绳相连,f=0时刻P 在传送带左端具有速度Q2, P 与左滑轮间的绳水平,,=巾时刻P 离开传送带。
滑块—木板模型和传送带模型一、滑块—木板模型1.问题的特点滑块—木板类问题涉及两个物体,并且物体间存在相对滑动.2.常见的两种位移关系滑块从木板的一端运动到另一端的过程中,若滑块和木板向同一方向运动,则滑块的位移和木板的位移之差等于木板的长度;若滑块和木板向相反方向运动,则滑块的位移和木板的位移之和等于木板的长度.3.解题方法此类问题涉及两个物体、多个运动过程,并且物体间还存在相对运动,所以应准确求出各物体在各个运动过程中的加速度(注意两过程的连接处加速度可能突变),找出物体之间的位移(路程)关系或速度关系是解题的突破口.求解中应注意联系两个过程的纽带,每一个过程的末速度是下一个过程的初速度.例1如图1所示,厚度不计的薄板A长l=5 m,质量M=5 kg,放在水平地面上.在A 上距右端x=3 m处放一物体B(大小不计),其质量m=2 kg,已知A、B间的动摩擦因数μ1=0.1,A与地面间的动摩擦因数μ2=0.2,原来系统静止.现在板的右端施加一大小恒定的水平力F=26 N,持续作用在A上,将A从B下抽出.g=10 m/s2,求:图1(1)A从B下抽出前A、B的加速度各是多大;(2)B运动多长时间离开A.求解“滑块—木板”类问题的方法技巧1.搞清各物体初态对地的运动和相对运动(或相对运动趋势),根据相对运动(或相对运动趋势)情况,确定物体间的摩擦力方向.2.正确地对各物体进行受力分析,并根据牛顿第二定律确定各物体的加速度,结合加速度和速度的方向关系确定物体的运动情况.(多选)如图2所示,由相同材料做成的A、B两物体放在长木板上,随长木板一起以速度v向右做匀速直线运动,它们的质量分别为m A和m B,且m A>m B.某时刻木板停止运动,设木板足够长,下列说法中正确的是()图2A.若木板光滑,由于A的惯性较大,A、B间的距离将增大B.若木板粗糙,由于B的惯性较小,A、B间的距离将减小C.若木板光滑,A、B间距离保持不变二、传送带类问题1.特点:传送带运输是利用货物和传送带之间的摩擦力将货物运送到别的地方去.它涉及摩擦力的判断、运动状态的分析和运动学知识的运用.2.解题思路:(1)判断摩擦力突变点(含大小和方向),给运动分段;(2)物体运动速度与传送带运行速度相同,是解题的突破口;(3)考虑物体与传送带共速之前是否滑出.例2如图3所示,水平传送带正在以v=4 m/s的速度匀速顺时针转动,质量为m=1 kg 的某物块(可视为质点)与传送带之间的动摩擦因数μ=0.1,将该物块从传送带左端无初速度地轻放在传送带上(g取10 m/s2).图3(1)如果传送带长度L=4.5 m,求经过多长时间物块将到达传送带的右端;(2)如果传送带长度L=20 m,求经过多长时间物块将到达传送带的右端.分析传送带问题的三个步骤1.初始时刻,根据v物、v带的关系,确定物体的受力情况,进而确定物体的运动情况.2.根据临界条件v物=v带确定临界状态的情况,判断之后的运动形式.3.运用相应规律,进行相关计算.例3如图4所示,传送带与水平地面的倾角为θ=37°,AB的长度为64 m,传送带以20 m/s 的速度沿逆时针方向转动,在传送带上端A点无初速度地放上一个质量为8 kg的物体,它与传送带之间的动摩擦因数为0.5,求物体从A点运动到B点所用的时间.(sin 37°=0.6,cos 37°=0.8,g=10 m/s2)图41.(滑块—木板模型)如图5所示,质量为M=1 kg的长木板静止在光滑水平面上,现有一质量为m=0.5 kg的小滑块(可视为质点)以v0=3 m/s的初速度从左端沿木板上表面冲上木板,带动木板向前滑动.已知滑块与木板上表面间的动摩擦因数μ=0.1,重力加速度g取10 m/s2,木板足够长.求:图5(1)滑块在木板上滑动过程中,长木板受到的摩擦力大小和方向;(2)滑块在木板上滑动过程中,滑块相对于地面的加速度a的大小;(3)滑块与木板A达到的共同速度v的大小.2. (水平传送带问题)如图6所示,水平传送带长L=16 m,始终以v=4 m/s的速度运动,现将一个小物体从传送带的左端由静止释放,已知物体与传送带间的动摩擦因数为0.2,g取10 m/s2,求物体从左端运动到右端所需的时间.图6作业1.如图1所示,一条足够长的浅色水平传送带自左向右匀速运行.现将一个木炭包无初速度地放在传送带的最左端,木炭包在传送带上将会留下一段黑色的径迹.下列说法中正确的是()图1 图2A.黑色的径迹将出现在木炭包的左侧B.此时木炭包相对于传送带向右运动C.木炭包的质量越大,径迹的长度越短D.木炭包与传送带间的动摩擦因数越大,径迹的长度越短2.如图2所示,质量为m1的足够长木板静止在水平面上,其上放一质量为m2的物块.物块与木板的接触面是光滑的.从t=0时刻起,给物块施加一水平恒力F.分别用a1、a2和v1、v2表示木板、物块的加速度和速度大小,下列图象符合运动情况的是()3.如图3所示,水平传送带A、B两端相距x=3.5 m,工件与传送带间的动摩擦因数μ=0.1.工件滑上A端时速度v A=4 m/s,达到B端的瞬时速度设为v B,则下列说法中错误的是()图3A.若传送带不动,则v B=3 m/s B.若传送带逆时针匀速转动,v B一定等于3 m/s C.若传送带顺时针匀速转动,v B一定等于3 m/sD.若传送带顺时针匀速转动,v B可能等于3 m/s4.如图4所示,质量为m的木块在质量为M的长木板上受到水平向右的拉力F的作用向右滑行,但长木板保持静止不动.已知木块与长木板之间的动摩擦因数为μ1,长木板与地面之间的动摩擦因数为μ2,下列说法正确的是()图4 图5A.长木板受到地面的摩擦力的大小一定为μ1Mg B.长木板受到地面的摩擦力的大小一定为μ2(m+M)g C.只要拉力F增大到足够大,长木板一定会与地面发生相对滑动D.无论拉力F增加到多大,长木板都不会与地面发生相对滑动5.如图5所示,一足够长的水平传送带以恒定的速度向右传动.将一物体轻轻放在传送带的左端,以v、a、x、F表示物体速度大小、加速度大小、位移大小和所受摩擦力的大小.下列选项正确的是()6.如图6甲所示,倾角为θ的足够长的传送带以恒定的速率v0沿逆时针方向运动.t=0时将质量m=1 kg的物体(可视为质点)轻放在传送带上,物体相对地面的v-t图象如图乙所示.设沿传送带向下为正方向,取重力加速度g=10 m/s2.则()图6A.传送带的速率v0=10 m/s B.传送带的倾角θ=30°C.物体与传送带之间的动摩擦因数μ=0.5 D.1.0~2.0 s物体不受摩擦力7.如图7所示,传送带与水平面的夹角为θ=37°,以4 m/s的速度向上运行,在传送带的底端A处无初速度地放一个质量为0.5 kg的物体,它与传送带间动摩擦因数μ=0.8,A、B间(B为顶端)长度为25 m.取g=10 m/s2,sin 37°=0.6,cos 37°=0.8.试回答下列问题:图7(1)说明物体的运动性质(相对地面).(2)物体从A到B的时间为多少?8.如图8所示,在光滑的水平面上有一个长为0.64 m、质量为4 kg的木块B,在B的左端有一个质量为2 kg、可视为质点的铁块A,A与B之间的动摩擦因数为0.2,最大静摩擦力与滑动摩擦力大小相等.当对A施加水平向右的拉力F=10 N时,求经过多长时间可将A从B的左端拉到右端.(g取10 m/s2)图89.如图9为火车站使用的传送带示意图,绷紧的传送带水平部分长度L=4 m,并以v0=1 m/s 的速度匀速向右运动.现将一个可视为质点的旅行包无初速度地轻放在传送带的左端,已知旅行包与传送带之间的动摩擦因数μ=0.2, g取10 m/s2.图9(1)求旅行包经过多长时间到达传送带的右端.(2)若要旅行包从左端运动到右端所用时间最短,传送带速度的大小应满足什么条件?10.质量为2 kg的木板B静止在水平面上,可视为质点的物块A从木板的左侧沿木板上表面水平冲上木板,如图10甲所示.A和B经过1 s达到同一速度,之后共同减速直至静止,A和B的v-t图象如图乙所示,重力加速度g=10 m/s2,求:图10(1)A与B上表面之间的动摩擦因数μ1;(2)B与水平面间的动摩擦因数μ2;(3)A的质量.。
传送带模型专题传送带模型是一个经典的力学模型,也是实际生活中广泛应用的一种机械装置,以其为背景的问题都具有过程复杂、条件隐蔽性强的特点,传送带问题也是高考中的常青树,从动力学角度、功能角度进行过多次考查,它自然成为师生关注的热点。
一、难点形成的原因:1、对于物体与传送带之间是否存在摩擦力、是滑动摩擦力还是静摩擦力、摩擦力的方向如何,等等,这些关于摩擦力的产生条件、方向的判断等基础知识模糊不清;2、对于物体相对地面、相对传送带分别做什么样的运动,判断错误;3、对于物体在传送带上运动过程中的能量转化情况考虑不全面,出现能量转化不守恒的错误过程。
二、难点突破策略:在以上三个难点中,第1个难点应属于易错点,突破方法是先正确理解摩擦力产生的条件、方向的判断方法、大小的决定因素等等。
通过对不同类型题目的分析练习,做到准确灵活地分析摩擦力的有无、大小和方向。
第2个难点是对于物体相对地面、相对传送带分别做什么样的运动,判断错误。
该难点应属于思维上有难度的知识点,突破方法是灵活运用“力是改变物体运动状态的原因”这个理论依据,对物体的运动性质做出正确分析,判断好物体和传送带的加速度、速度关系,画好草图分析,找准物体和传送带的位移及两者之间的关系。
如图甲所示,A 、B 分别是传送带上和物体上的一点,刚放上物体时,两点重合。
设皮带的速度为V0,物体做初速为零的匀加速直线运动,末速为V0,其平均速度为V0/2,所以物体的对地位移x 物=20tV ,传送带对地位移x 传送带=V0t ,所以A 、B 两点分别运动到如图乙所示的A '、B '位置,物体相对传送带的位移也就显而易见了,x 物=2传送带x ,就是图乙中的A '、B '间的距离,即传送带比物体多运动的距离,也就是物体在传送带上所留下的划痕的长度。
第3个难点也应属于思维上有难度的知识点。
对于匀速运动的传送带传送初速为零的物体,传送带应提供两方面的能量,一是物体动能的增加,二是物体与传送带间的摩擦所生成的热(即内能),有不少同学容易漏掉内能的转化,因为该知识点具有隐蔽性,往往是漏掉了,也不能在计算过程中很容易地显示出来,尤其是在综合性题目中更容易疏忽。
突破方法是分析有滑动摩擦力做功转化为内能的物理过程,使“只要有滑动摩擦力做功的过程,必有内能转化”的知识点在头脑中形成深刻印象。
三.传送带模型是高中物理中比较成熟的模型,典型的有水平和倾斜两种情况.一般设问的角度有两个:(1)动力学角度:首先要正确分析物体的运动过程,做好受力情况分析,然后利用运动学公式结合牛顿第二定律,求物体及传送带在相应时间内的位移,找出物体和传送带之间的位移关系.(2)能量角度:求传送带对物体所做的功、物体和传送带由于相对滑动而产生的热量、因放上物体而使电动机多消耗的电能等,常依据功能关系或能量守恒定律求解.传送带模型问题中的功能关系分析(1)功能关系分析:W F=ΔE k+ΔE p+Q.(2)对W F和Q的理解:①传送带的功:W F=Fx传;②产生的内能Q=F f x相对.三.传送带问题类析1.水平传送带上的力与运动情况分析例 1.水平传送带被广泛地应用于机场和火车站,用于对旅客的行李进行安全检查。
如图所示为一水平传送带装置示意图,绷紧的传送带AB始终保持v=1m/s的恒定速率运行。
一质量为m=4kg的行李无初速度地放在A处,传送带对行李的滑动摩擦力使行李开始做匀加速直线运动,随后行李又以与传送带相等的速率做匀速直线运动。
设行李与传送带间的动摩擦因数μ=0.1,AB间的距离=2m,g取10 m/ s2。
(1)求行李刚开始运动时所受的滑动摩擦力大小与加速度大小;(2)求行李做匀加速直线运动的时间;(3)如果提高传送带的运行速率,行李就能被较快地传送到B处。
求行李从A处传送到B处的最短时间和传送带对应的最小运行速率。
解析:水平传送带问题研究时,注意物体先在皮带的带动下做匀加速运动,当物体的速度增到与传送带速度相等时,与皮带一起做匀速运动,要想传送时间最短,需使物体一直从A处匀加速到B处。
(1)行李刚开始运动时所受的滑动摩擦力F=μmg以题给数据代入,得F=4N由牛顿第二定律,得F=ma代入数值,得a=1 m / s2(2)设行李做匀加速直线运动的时间为t,行李加速运动的末速度为v=1 m / s,则v=at 代入数据,得t=1 s。
(3)行李从A处匀加速运动到B处时,传送时间最短,则代入数据,得t min=2 s。
传送带对应的最小运行速率v min=at min代入数据,解得v min=2 m / s针对训练1如图所示为车站使用的水平传送带的模型,它的水平传送带的长度为,传送带的皮带轮的半径为,传送带的上部距地面的高度为,现有一个旅行包(视为质点)以的初速度水平地滑上水平传送带.已知旅行包与皮带之间的动摩擦因数为,。
试讨论下列问题:(1)若传送带静止,旅行包滑到B 端时,人若没有及时取下,旅行包将从B 端滑落,则包的落地点距B 端的水平距离为多少?(2)设皮带轮顺时针匀速转动,并设水平传送带长度仍为,旅行包滑上传送带的初速度恒为。
当皮带的角速度值在什么范围内,旅行包落地点距B 端的水平距离始终为(1)中所求的距离?若皮带的角速度,旅行包落地点距B 端的水平距离又是多少?2。
倾斜传送带上的力与运动情况分析传送带沿逆时针转动,与物体接触处的速度方向斜向下,物体初速度为零,所以物体相对传送带向上滑动(相对地面是斜向下运动的),因此受到沿斜面向下的滑动摩擦力作用,这样物体在沿斜面方向上所受的合力为重力的下滑分力和向下的滑动摩擦力,因此物体要做匀加速运动。
当物体加速到与传送带有相同速度时,摩擦力情况要发生变化,同速的瞬间可以看成二者间相对静止,无滑动摩擦力,但物体此时还受到重力的下滑分力作用,因此相对于传送带有向下的运动趋势,若重力的下滑分力大于物体和传送带之间的最大静摩擦力,此时有μ<tan θ,则物体将向下加速,所受摩擦力为沿斜面向上的滑动摩擦力;若重力的下滑分力小于或等于物体和传送带之间的最大静摩擦力,此时有μ≥tan θ,则物体将和传送带相对静止一起向下匀速运动,所受静摩擦力沿斜面向上,大小等于重力的下滑分力。
也可能出现的情况是传送带比较短,物体还没有加速到与传送带同速就已经滑到了底端,这样物体全过程都是受沿斜面向上的滑动摩擦力作用。
例2.如图所示,传送带与水平方向夹37°角,AB 长为L =16m 的传送带以恒定速度v =10m/s 运动,在传送带上端A 处无初速释放质量为m =0.5kg 的物块,物块与带面间的动摩擦因数μ=0.5,求:(1)当传送带顺时针转动时,物块从A 到B 所经历的时间为多少?(2)当传送带逆时针转动时,物块从A 到B 所经历的时间为多少? 解析 (1) 当传送带顺时针转动时,设物块的加速度为a ,物块受到传送带给予的滑动摩擦力μmgcos37°方向沿斜面向上且小于物块重力的分力mg sin37°,根据牛顿第二定律,有:mg sin37°- μmgcos37°=ma 代入数据可得: a =2 m/s 2物块在传送带上做加速度为a =2 m/s 2的匀加速运动,设运动时间为t ,t = 代入数据可得:t =4s (2)物块放上传送带的开始的一段时间受力情况如图甲所示,前一阶段物块作初速为0的匀加速运动,设加速度为a 1 ,由牛顿第二定律,有mgsin37°+μmgcos37°=ma 1 , 解得:a 1 =10m/s 2,设物块加速时间为t 1 ,则t 1 =, 解得:t 1=1s aL 21a v 370 A B因位移s 1==5m <16m ,说明物块仍然在传送带上.设后一阶段物块的加速度为a 2, 当物块速度大于传送带速度时,其受力情况如图乙所示.由牛顿第二定律,有:mg sin37°- μmgcos37°=ma 2 ,解得a 2=2m/s 2,设后阶段物块下滑到底端所用的时间为t 2.由L -s =v t 2+a 2t 22/2,解得t 2=1s 另一解-11s 不合题意舍去.所以物块从A 到B 的时间为:t =t 1+t 2=2s针对训练2如图所示,皮带轮带动传送带沿逆时针方向以速度v 0=2 m / s 匀速运动,两皮带轮之间的距离L=3.2 m ,皮带绷紧与水平方向的夹角θ=37°。
将一可视为质点的小物块无初速地从上端放到传送带上,已知物块与传送带间的动摩擦因数μ=0.5,物块在皮带上滑过时能在皮带上留下白色痕迹。
求物体从下端离开传送带后,传送带上留下的痕迹的长度。
(sin37°=0.6,cos37°=0.8,取g=10 m / s 2)3、传送带问题中能量转化情况的分析例3如图所示,水平长传送带始终以速度v=3m/s 匀速运动。
现将一质量为m=1kg 的物块放于左端(无初速度)。
最终物体与传送带一起以3m/s 的速度运动,在物块由速度为零增加至v=3m/s 的过程中,求:(1)由于摩擦而产生的热量。
(2)由于放了物块,带动传送带的电动机消耗多少电能?解析:(1)小物块刚放到传送带上时其速度为零,将相对于传送带向左滑动,受到一个向右的滑动摩擦力,使物块加速,最终与传送带达到相同速度v 。
物块所受的滑动摩擦力为F f =μmg物块加速度加速至v 的时间物块对地面位移这段时间传送带向右的位移21121t a则物块相对传送带向后滑动的位移根据能量守恒定律知(2)电动机多消耗的电能即物块获得的动能及产生的热量之和,即。
针对训练3如图所示,绷紧的传送带与水平面的夹角θ=30°,皮带在电动机的带动下,始终保持v0=2m/s的速率运行。
现把一质量m=10kg的工件(可看做质点)轻轻放在皮带的底端,经时间t=1.9s,工件被传送到h=1.5m的高处,取g=10m/s2。
求:(1)工件与皮带间的动摩擦因数;(2)电动机由于传送工件多消耗的电能。
4、依托传送带的临界、极值问题例4如图2所示为粮店常用的皮带传输装置,它由两台皮带传输机组成,一台水平传送,AB两端相距3m;另一台倾斜,传送带与地面倾角;CD两端相距4.45m,B、C相距很近.水平部分AB以的速率顺时针转动,将质量为10kg的一袋米匀速传到倾斜的CD部分,米袋与传送带间动摩擦因数为0.5.求:(1)若CD部分不运转,求米袋沿传输带所能上升的最大距离;(2)若要米袋能被送到D端,CD部分运转速度应满足的条件及米袋从C到D所用时间的取值范围。
解析:(1)米袋沿CD上滑时,由牛顿第二定律得:由运动学公式得:代入数值解得:(2)设CD部分运转速度为时,米袋恰能达D点,则:米袋速度减为之前:加速度;位移米袋速度小于之后:加速度;位移又因,解得:即要把米袋送到D点,CD部分速度,且应沿顺时针方向转动。